预制块排水沟安装首件方案
- 格式:doc
- 大小:96.12 KB
- 文档页数:8
预制排水沟施工方案预制排水沟是一种常用的工程施工方法,在城市建设中广泛应用。
下面是一份预制排水沟施工方案,总共约700字。
一、施工前准备1.1. 设计深入施工现场,确定施工位置和施工方式。
1.2. 确保施工现场周围地面平整,并进行安全隐患排查。
1.3. 配备必要的施工设备和工具,包括起重机械、挖掘机、水泥搅拌机等。
1.4. 预先准备好所需的原材料,包括水泥、砂子、石子等。
二、施工流程2.1. 根据设计要求,在施工位置使用挖掘机挖掘出一条长约10米、宽约1.5米、深约2米的槽道。
2.2. 在挖掘好的槽道内铺设排水管道,管道材料可选用预制混凝土管或塑料排水管。
2.3. 将管道与槽道壁用水泥浆固定,确保管道不会移动。
2.4. 用水泥浆填充管道周围的空隙,使其与槽道壁紧密贴合。
2.5. 在排水管道顶部的槽道内铺设水泥板,作为排水沟的覆盖物。
2.6. 在水泥板上进行防水处理,以保证排水沟的防水性能。
2.7. 边施工边清理施工现场,确保施工现场整洁。
三、施工要点3.1. 在挖掘槽道时,要注意土质的稳定性,避免槽道塌方。
3.2. 确保排水管道安装的平直和垂直,避免出现漏水和堵塞现象。
3.3. 使用水泥浆固定管道时,要注意固定的牢固度,防止水泥浆脱落导致管道移动。
3.4. 水泥浆的配制要合理,保证其流动性和黏附性。
3.5. 水泥板的铺设要平整,防止水泥板出现裂纹或不平整的情况。
3.6. 防水处理要选择合适的防水材料,确保排水沟长期使用不渗漏。
四、安全措施4.1. 施工现场要设置明显的警示标志,避免他人误入施工区域。
4.2. 施工人员要佩戴安全帽、安全鞋等个人防护装备。
4.3. 施工现场要做好防护措施,避免土方坍塌、物体滑落等事故的发生。
4.4. 使用吊装设备时,要按照规定操作,确保设备的安全使用。
以上是一份预制排水沟施工方案,通过合理的施工流程和严格的安全措施,可以确保排水沟的质量和安全性。
每个施工环节都需要细致入微的操作,施工人员应当按照规定进行施工,确保工程质量。
预制排水沟施工方案1. 引言预制排水沟是一种用于收集和排除降水的系统,旨在避免因雨水积聚而导致的地面积水和水患。
本文档将介绍预制排水沟的施工方案,包括施工步骤、材料和工具准备,施工注意事项等。
2. 施工步骤2.1 准备工作在开始施工之前,需要进行以下准备工作:•确定排水沟的位置和长度。
•清理施工区域,确保没有障碍物。
•根据设计要求准备所需材料和工具。
2.2 排水沟的安装按照以下步骤进行排水沟的安装:1.根据设计要求,使用测量工具和标记线确定排水沟的位置和长度。
2.按照标记线挖掘出排水沟的沟槽,确保沟槽的宽度和深度符合设计要求。
3.在沟槽的底部铺设一层沙子或砾石,以提供排水沟的基础。
4.将预制排水沟放置在沟槽中,确保排水沟与沟槽底部紧密贴合。
5.根据需要,使用连接件将多个排水沟连接起来。
6.检查排水沟的坡度,确保水能顺利流向出水口。
7.使用胶水或密封胶封住排水沟的接缝,以防止水泄漏。
8.最后,在排水沟周围填充沙子或砾石,固定排水沟并填平施工区域。
2.3 测试和调整安装完成后,应进行测试和调整以确保排水沟的正常运行。
1.通过向排水系统中注水测试排水能力。
观察水是否能够顺利从排水沟中流出,并检查是否存在堵塞或泄漏。
2.根据测试结果调整排水沟的坡度和角度,确保水能够有效流入出水口。
3. 材料和工具准备在施工过程中,需要准备以下材料和工具:•预制排水沟•沙子或砾石•连接件(根据需要)•测量工具(例如测距尺、水平仪)•挖掘工具(例如铁锹、挖掘机)•胶水或密封胶4. 施工注意事项在进行预制排水沟施工时,需要注意以下事项:•确保施工区域的安全,并采取必要的安全措施,如佩戴安全帽、手套等。
•仔细阅读排水沟的施工说明书,并按照说明进行施工。
•在挖掘沟槽时,需注意不要损坏现有地下设施(如电缆、管道等)。
•在安装排水沟时,确保排水沟与沟槽底部紧密贴合,以避免泄漏。
•测试排水系统时,注入适量的水进行测试,并仔细观察水的流动情况,以及检查是否存在问题。
预制排水沟施工方案一、施工前准备。
在进行预制排水沟施工前,首先需要对施工现场进行勘察和测量,确定排水沟的位置、长度和宽度,并清理施工区域,确保施工环境整洁。
同时,需要准备好所需的施工设备和材料,包括挖掘机、混凝土搅拌机、钢筋、水泥等。
二、施工步骤。
1. 排水沟的挖掘。
根据设计图纸的要求,使用挖掘机对排水沟的位置进行挖掘,确保排水沟的宽度和深度符合设计要求。
在挖掘过程中,需要注意保持排水沟的坡度,以便于排水。
2. 钢筋的安装。
在挖掘完成后,需要对排水沟的底部和侧壁进行钢筋的安装。
钢筋的数量和规格应根据设计要求进行安排,确保排水沟的承载能力和稳定性。
3. 混凝土的浇筑。
在钢筋安装完成后,进行混凝土的浇筑。
在浇筑过程中,需要注意控制混凝土的质量和浇筑速度,确保排水沟的整体质量。
4. 排水沟的养护。
混凝土浇筑完成后,需要对排水沟进行养护,保持其表面湿润,防止混凝土龟裂和开裂。
三、施工注意事项。
1. 安全第一。
在施工过程中,需要严格遵守安全操作规程,做好施工现场的安全防护工作,确保施工人员的人身安全。
2. 质量控制。
在施工过程中,需要严格按照设计要求进行施工,控制施工质量,确保排水沟的使用效果和使用寿命。
3. 环境保护。
施工完成后,需要对施工现场进行清理,确保环境卫生,减少对周围环境的影响。
四、施工结束。
当排水沟施工完成后,需要进行验收,确保排水沟的质量和使用效果符合设计要求。
同时,做好施工记录和资料整理工作,以便日后的维护和管理。
总结,预制排水沟施工是一项重要的工程,需要严格按照施工方案进行操作,确保施工质量和施工安全。
只有这样,才能保证排水沟的使用效果和使用寿命,为城市的排水系统提供良好的支持和保障。
一、施工准备1. 技术准备(1)熟悉施工图纸及相关规范,了解设计意图和施工要求。
(2)组织施工人员进行技术交底,确保施工人员掌握预制排水沟的施工工艺和质量标准。
2. 材料准备(1)预制排水沟:根据设计图纸要求,选择合适的预制排水沟型号和规格。
(2)砂、水泥、钢筋等原材料,确保质量合格。
3. 机械设备准备(1)挖掘机、平板振动器、混凝土搅拌机、切割机等。
(2)吊车、运输车辆等。
二、施工工艺及流程1. 施工放样(1)根据设计图纸,确定排水沟位置和尺寸。
(2)在施工现场放出排水沟中心线、沟槽开挖线,设置控制桩。
2. 沟槽开挖(1)根据控制桩,开挖沟槽,确保沟槽尺寸和坡度符合设计要求。
(2)沟槽底部平整,无积水。
3. 预制排水沟安装(1)将预制排水沟吊装至沟槽内,确保排水沟位置准确。
(2)对排水沟进行水平、垂直校正,确保排水沟垂直度符合设计要求。
(3)将排水沟与基础连接牢固,可采用混凝土灌浆或螺栓连接等方式。
4. 填筑回填土(1)将沟槽内的回填土分层填筑,每层厚度不宜超过20cm。
(2)填筑过程中,采用平板振动器进行振动密实,确保回填土密实度。
5. 面层施工(1)根据设计要求,进行路面或绿化带施工。
(2)面层施工完成后,对排水沟进行检查,确保排水畅通。
三、质量控制1. 材料质量控制(1)确保预制排水沟质量合格,符合设计要求。
(2)原材料如砂、水泥、钢筋等,需进行质量检验,确保质量合格。
2. 施工过程质量控制(1)严格按照施工工艺进行操作,确保施工质量。
(2)加强施工过程中的质量检查,发现问题及时整改。
3. 工程验收(1)按照设计要求和质量标准,对排水沟进行验收。
(2)验收合格后方可交付使用。
四、安全文明施工1. 施工现场安全(1)加强施工现场安全管理,确保施工人员安全。
(2)配备必要的安全防护设施,如安全帽、安全带等。
2. 环境保护(1)施工过程中,注意环境保护,减少对周边环境的影响。
(2)对施工过程中产生的废弃物进行分类处理,确保符合环保要求。
第1篇一、工程概况本项目为某住宅小区排水沟工程,主要目的是解决小区内的雨水和污水的排放问题,确保小区内排水系统正常运行,防止雨水倒灌和污水溢出。
本工程采用预制排水沟施工方案,以提高施工效率和质量。
二、施工准备1. 施工图纸及资料:认真审查施工图纸,了解排水沟的设计要求,包括沟槽尺寸、坡度、材料要求等。
2. 材料准备:根据设计要求,准备预制排水沟材料,包括预制混凝土排水沟板、预制混凝土检查井、连接件等。
3. 施工设备:准备挖掘机、平板振动器、吊车、切割机、电焊机等施工设备。
4. 人员组织:成立项目经理部,明确各岗位人员职责,确保施工顺利进行。
5. 施工现场:对施工现场进行清理,确保施工场地平整、宽敞。
三、施工工艺1. 施工测量(1)根据设计图纸,确定排水沟的起点、终点和转折点,并设置测量标志。
(2)测量沟槽中心线,确保沟槽尺寸符合设计要求。
2. 沟槽开挖(1)采用挖掘机开挖沟槽,开挖深度应大于设计深度10cm,以便于后续找平和铺设排水沟板。
(2)沟槽两侧应留出足够的安全距离,防止施工过程中对周围环境造成影响。
3. 预制排水沟板安装(1)根据沟槽尺寸,选择合适的预制排水沟板,确保排水沟板长度和宽度符合要求。
(2)在沟槽底部铺设一层厚10cm的碎石垫层,确保排水沟板与沟槽底部接触良好。
(3)将预制排水沟板放置在碎石垫层上,调整板面水平,确保排水沟板平稳。
(4)用混凝土将排水沟板与沟槽底部固定,混凝土强度等级应符合设计要求。
4. 检查井安装(1)根据设计图纸,确定检查井的位置和尺寸。
(2)在沟槽内开挖检查井基坑,确保基坑尺寸符合设计要求。
(3)将预制检查井放置在基坑内,调整检查井位置,确保检查井与沟槽底部连接牢固。
(4)用混凝土将检查井与沟槽底部固定,混凝土强度等级应符合设计要求。
5. 排水沟连接(1)根据设计要求,将预制排水沟板与检查井连接,确保连接处密封良好。
(2)连接处应使用防水材料进行密封处理,防止雨水和污水渗漏。
预制排水沟施工方案
一、施工准备
1、确定排水沟的位置和长度,并根据设计要求进行标线。
2、清理施工区域,将杂物、碎石等清理干净。
3、准备施工所需的工具、设备和材料,包括挖掘机、推土机、输送机等施工机械设备,水泥、砂石、钢筋等材料。
二、挖掘施工
1、使用挖掘机按照设计要求开始挖掘排水沟的沟槽,注意保
证沟槽的宽度和深度符合设计要求。
2、把挖掘出的土方运输到指定区域,用于填埋或回填使用。
3、在挖掘过程中,注意控制挖掘机的操作,避免损坏周围的
管线和建筑物。
三、加固沟壁
1、清理沟槽底部,确保底部平整。
2、根据设计要求,在沟槽两侧设置排水沟的挡墙。
挡墙一般
使用水泥制作,需要根据设计要求进行加固,确保挡墙稳固、不变形。
3、在沟壁内侧设置沟槽支撑,支撑通常采用混凝土桩或钢筋
混凝土墩。
四、安装管道
1、根据设计要求,进行排水管道的布置,包括直管、弯头等。
2、在沟底铺设一层砂石,并进行压实,以便稳固地支撑管道。
3、安装排水管道,要注意管道的连接质量,确保连接口牢固、密封良好。
五、施工完工
1、检查施工质量,确保排水沟、挡墙和管道安装的牢固、敷设平整。
2、对施工区域进行清理,将施工过程中产生的废料和杂物清理干净。
3、进行施工记录和验收,记录施工资料,并定期进行巡查和维护。
以上就是预制排水沟施工方案的大致步骤,通过科学合理的施工,能够确保排水沟的质量和使用寿命。
在施工过程中,还需根据实际情况进行调整和优化,以确保施工质量和安全。
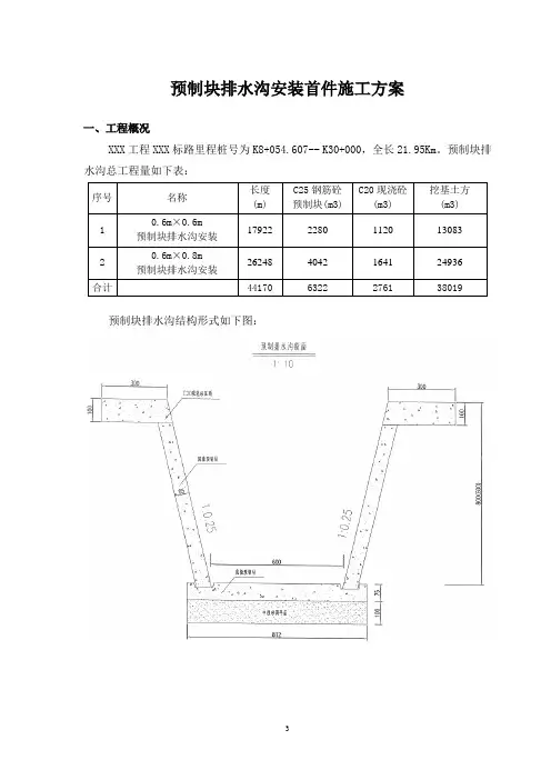
预制块排水沟安装首件施工方案一、工程概况XXX工程XXX标路里程桩号为K8+054.607-- K30+000,全长21.95Km。
预制块排水沟总工程量如下表:序号名称长度(m)C25钢筋砼预制块(m3)C20现浇砼(m3)挖基土方(m3)10.6m×0.6m预制块排水沟安装17922 2280 1120 1308320.6m×0.8m预制块排水沟安装26248 4042 1641 24936合计44170 6322 2761 38019 预制块排水沟结构形式如下图:选择K23+088-K23+230右侧0.6m×0.8m预制块排水沟安装作为首件工程,首件工程量如下表:名称长度(m)C25钢筋砼预制块(m3)预制块底板(块)预制块侧墙(块)C20现浇砼(m3)挖基土方(m3)中粗砂(m3)0.6m×0.8m预制块排水沟安装142 22 355 710 9 135 12二、施工准备1、人员配置施工管理人员配置表序号岗位姓名1 技术负责人2 施工现场负责人3 质检负责人4 试验负责人5 施工员6 测量员7 实验员劳动力配置表序号工种劳动力人数备注1 预制块安装工10 预制块安装2 模板工 2 模板安装、拆除3 混凝土工 2 混凝土浇筑2、设备配置主要设备计划配备表序号机械设备名称单位数量备注1 挖掘机台 12 装载机台 23 砂浆搅拌机台 14 打夯机台 15 钢模板㎡603、材料准备在施工前,根据首件工程量按10%的富余系数及时组织水泥、砂、预制块进场,计划在开工前5天进场到位,预制块提前安排从共青城构件预制中心运至指定施工点。
砼由2#搅拌站提供。
4、技术准备根据设计图纸对排水沟放样完成后,经复核与现场地形符合,与桥涵、结构物及线外排水系统或自然水系能平顺衔接,能够形成完整的排水系统。
临时施工便道通畅,材料堆放场地已平整。
设计图纸及技术资料经过审核,提出的问题已得到相关部门的回复。
排水沟首件施工方案概述排水沟是一种将雨水或废水从道路、建筑物和其他区域排放出去的重要设施。
本文档提供了一个排水沟的首件施工方案,旨在引导工程师和施工人员以正确的方法进行排水沟的首次施工。
本方案将涵盖施工前的准备工作、材料清单、施工步骤和必要的注意事项。
准备工作在开始施工排水沟之前,需要进行以下准备工作:1.确定施工的位置和长度:首先,在需要排水的区域进行勘测和测量,确定排水沟的位置和长度。
根据需要排水的量和地形条件,合理规划排水沟的布局。
2.评估地质条件:地质条件对排水沟的稳定性和排水效果有重要影响。
进行地质勘测,评估土壤的承载力和渗透性,以决定施工过程中需要采取的措施。
3.安全措施:确保施工现场安全,按照相关安全规定配备必要的安全设施,例如警示标志、安全帽和护目镜等。
4.工具和设备准备:准备施工所需的工具和设备,包括挖掘机、压路机、平板和测量仪器等。
材料清单下面是排水沟首件施工所需的材料清单:•预制混凝土排水渠块:根据设计要求和施工需求,选用合适规格的预制混凝土排水渠块。
•沟底垫层材料:选择合适的沟底垫层材料,例如砂石或碎石等,以提供均匀的沟床并增强排水效果。
•水泥和砂浆:用于渠块的固定和连接,保证渠块的稳定性和密封性。
•排水管道:根据需要排水的量和流速,选用合适规格的排水管道。
•排水口:用于排出水流,并防止杂物进入排水沟。
•防腐涂料:选择耐腐蚀性能好的防腐涂料,以延长排水沟的使用寿命。
•管道连接件:包括弯头、法兰和密封胶等,用于连接排水管道和排水口。
施工步骤1.清理施工区域:在施工区域清除杂物和障碍物,确保施工区域整洁且无阻碍。
2.挖掘沟槽:使用挖掘机或手动工具挖掘沟槽,根据设计要求和测量结果确定沟槽的深度和宽度。
确保沟槽底部平整,并在需要的地方设置正确的坡度以保证排水顺利。
3.敷设沟底垫层:将选择的沟底垫层材料均匀敷设在沟底上,压实并充分填实。
确保沟底平整且无空隙,以保证渠块的稳定性和排水效果。
预制排水沟现场施工方案1. 引言预制排水沟是指在工厂制作完成后,通过运输到现场直接安装的排水系统。
相比于传统的施工方式,预制排水沟具有施工速度快、质量可控、施工现场干净等优势。
本文将介绍预制排水沟的现场施工方案。
2. 施工准备工作在正式开始预制排水沟的现场施工前,需要进行一系列的准备工作,包括但不限于:•设计图纸的准备:根据设计要求,准备相关的施工图纸和规格说明书。
•材料准备:根据设计要求,准备好所需的预制排水沟构件、胶水、密封胶等材料。
•现场清理:清理施工现场,确保施工区域干净整洁,便于施工。
•施工设备准备:准备好所需的设备,如起重机、吊篮等。
3. 施工流程3.1 定位和标高控制根据设计图纸,确定预制排水沟的位置和标高。
使用测量仪器进行测量并做好标记,确保施工的准确性。
3.2 排水沟基础处理根据设计要求,进行排水沟基础的处理工作。
一般情况下,排水沟基础采用混凝土基底,可以使用混凝土浇筑或预制混凝土板进行铺设。
3.3 预制沟槽的安装将预制排水沟的构件按照设计要求进行安装。
首先,根据标记进行定位,然后使用起重机等设备进行吊装和安装。
在安装过程中,需要注意保持排水沟的水平和垂直度。
3.4 排水管的连接根据设计要求,将排水管与预制排水沟进行连接。
使用胶水和密封胶进行密封处理,确保排水畅通且不会发生渗漏。
3.5 环氧地坪处理排水沟的周围可以进行环氧地坪的处理,增加美观性和使用寿命。
根据设计要求,进行环氧地坪的施工工作。
4. 施工注意事项•在施工过程中,需要严格按照设计要求进行施工,确保施工质量。
•施工现场应保持整洁,杂物应及时清理。
•施工人员应进行必要的安全防护,如佩戴安全帽、穿戴安全鞋等。
•施工过程中,应随时检查排水沟的安装情况,防止出现错误。
5. 施工质量验收标准在预制排水沟的现场施工完成后,需要进行施工质量的验收。
验收的标准主要包括但不限于:•排水沟是否安装牢固,变形是否合理。
•排水沟与排水管的连接是否牢固,是否存在渗漏现象。
1、基槽土方开挖
基础土方开挖,主要以机械配合人工清槽方式进行基础土方的开挖施工。
2、安装预制U型槽
在进场后即安排砼构件的预制,各类材料必须有合格证书,并到建设单位指定的实验室进行复检。
预制构件的成品,在经过相关方检验取得合格证后才可进入施工现场。
在安装前,沟槽应进行必要的修整、拍实。
1)“U”型槽拼接缝宽必须保证40MM,相邻“U”型槽拼接必须平顺,高差不得超过2MM。
2)“U”型槽接缝采用l:2水泥砂浆勾缝,缝体必须平实,不得高出槽板面,勾完缝后,槽内不得有水泥疤结。
3)在“U”型槽安装、灌缝完毕。
3、回填“U”型两侧土方并夯实。
填土方时注意两侧同时回填,避免“U”型走位、偏斜。
预制排水沟施工方案1. 引言预制排水沟是一种常见的用于排水的基础设施。
它具有安装方便、维护简单的优点,被广泛应用于道路、建筑物、工厂等场所。
本文将介绍预制排水沟的施工方案。
2. 施工前准备在进行预制排水沟施工之前,需要进行以下几方面的准备工作:2.1 设计规划根据具体的排水需求和实际情况,进行排水沟的设计规划。
确定排水沟的长度、宽度、深度等参数,并结合周围环境因素进行合理布局。
2.2 材料及设备准备准备所需的预制排水沟材料,包括排水沟模具、预制排水沟配件等。
同时,准备必要的施工设备,如挖掘机、起重机等。
2.3 施工人员培训确保参与施工的人员具备相关知识和技能,对于预制排水沟的施工流程、安全注意事项进行培训,提高施工效率和质量。
3. 施工步骤3.1 排水沟的挖掘首先,根据设计要求,在需要排水的区域进行挖掘工作。
使用挖掘机等设备进行挖掘,并注意排水沟的长度、宽度和深度的精确控制。
3.2 安装预制排水沟将预制排水沟与配件运输到施工现场后,根据设计要求进行安装。
首先,用胶水或胶泥将排水沟的配件连接起来。
然后,将排水沟沿着挖掘好的沟槽放置,确保排水沟与沟槽的贴合度。
3.3 修整排水沟安装完毕后,对排水沟进行修整。
清除沟槽中的杂物和泥土,使排水沟表面平整,确保排水通畅。
3.4 固定排水沟为了确保排水沟的稳固性,需要对排水沟进行固定。
可以使用水泥或胶水将排水沟与地面紧密连接,增加排水沟的抗压能力和稳定性。
3.5 进行测试在施工完成后,进行排水沟的测试。
通过向排水沟中注水,观察排水沟的排水效果和流速,确认排水沟工作正常。
4. 施工注意事项在进行预制排水沟施工时,需要注意以下几点:•确保施工人员的安全,佩戴必要的个人防护装备,如安全帽、手套、护目镜等。
•对施工现场进行临时封闭和标识,确保其他人员不会误入施工区域。
•施工设备的使用应符合规范,确保设备的稳定性和安全性。
•严格按照设计要求和施工规范进行施工,避免出现偏差和质量问题。
预制混凝土排水沟施工方案介绍本文档旨在提供一份预制混凝土排水沟施工方案,以指导施工团队在项目中正确地进行排水沟的建造。
本方案使用简单的策略,避免法律复杂性,并确保施工过程的可行性。
施工准备在开始施工排水沟之前,需要进行以下准备工作:1. 确定施工区域:根据设计要求,选择合适的位置来建造排水沟。
2. 调查施工地:了解施工地的地质情况和其他限制条件,以便合理规划施工策略。
3. 采购材料:根据设计要求,准备所需的预制混凝土排水沟构件和其他施工材料。
施工步骤以下是预制混凝土排水沟的施工步骤:1. 排除障碍物:清理施工区域,确保排水沟的建造不受任何物体的干扰。
2. 安装基础:按照设计要求,在施工区域挖掘基础坑,并确保基础坑的平整度和强度。
3. 安装预制构件:将预制混凝土排水沟构件按照设计要求准确地放置在基础上。
4. 连接构件:使用适当的连接件将排水沟构件连接在一起,确保连接牢固可靠。
5. 检查和调整:仔细检查已安装的排水沟构件的位置和水平度,并进行必要的调整。
6. 填充沟槽:在排水沟两侧填充合适的材料,以增加沟槽的稳定性和排水效果。
7. 测试排水性能:在完成施工后,测试排水沟的排水能力,确保其符合设计要求。
8. 整理施工区域:清理施工现场,确保施工区域干净整洁。
安全措施为确保施工过程的安全性,应采取以下措施:1. 确保工作人员了解并遵守相关安全规章制度。
2. 提供适当的个人防护装备,如安全帽、安全鞋和手套。
3. 安装警示标志,以提醒施工区域的危险性。
4. 建立紧急救援计划,并向工作人员进行培训和演练。
施工验收在施工完成后,应进行施工验收以确保施工质量的符合标准要求。
验收内容包括但不限于以下方面:1. 排水沟的尺寸和位置是否与设计要求相符。
2. 混凝土质量和强度是否满足要求。
3. 排水沟的排水性能是否符合设计要求。
4. 排水沟和周边环境的清洁程度。
总结本文档提供了一份预制混凝土排水沟施工方案,包括施工准备、施工步骤、安全措施和施工验收。
预制板排水边沟施工方案1. 引言预制板排水边沟是一种常用的排水系统,其具有结构简单、施工便捷、耐久性强等优点。
本文将介绍预制板排水边沟的施工方案,包括施工前准备、材料与设备、施工步骤等内容。
2. 施工前准备在进行预制板排水边沟施工前,需要进行以下准备工作:2.1 方案设计根据工程需求和实际情况,制定合理的排水方案,包括边沟的长度、宽度、深度等参数的确定。
2.2 施工图纸根据方案设计,绘制详细的施工图纸,包括边沟的布置、连接、出口等细节。
2.3 场地准备清理施工场地,确保场地平整、无障碍物,并对地面进行初步处理,如填平不平整的地面。
2.4 材料与设备准备准备施工所需的材料和设备,包括预制板、水泥、砂浆、水平仪、批刀等。
3. 材料与设备预制板排水边沟的施工所需的主要材料和设备如下:3.1 材料•预制板:选用优质的预制混凝土板作为边沟的材料,具有一定的强度和耐久性。
•水泥:供砂浆使用,用于预制板的固定和连接。
•砂浆:用于填充预制板之间的缝隙,加强边沟的密封性和稳定性。
3.2 设备•水平仪:用于辅助工人进行边沟的水平校验。
•批刀:用于施工时砂浆的刮取和涂抹。
4. 施工步骤根据施工图纸和方案设计,按照以下步骤进行预制板排水边沟的施工:4.1 建立基准线根据施工图纸确定排水边沟的位置和长度,然后在场地上拉出基准线,作为边沟施工的起点。
4.2 预制板安装根据施工图纸上的标示和要求,将预制板依次安装在基准线两侧,并用水泥进行固定。
4.3 缝隙填充使用砂浆填充预制板之间的缝隙,并利用批刀进行涂抹,确保边沟的密封性和稳定性。
4.4 水平校验使用水平仪对施工好的边沟进行水平校验,确保边沟的平整度。
4.5 清理和修整施工完成后,对施工场地进行清理,清除杂物和垃圾,并对边沟进行修整,确保边沟的整洁和美观。
5. 施工注意事项在进行预制板排水边沟施工时,需要注意以下事项:5.1 安全施工人员需要正确佩戴安全帽、安全鞋等防护用具,并遵循相关的安全操作规范。
预制板排水沟施工方案1. 概述预制板排水沟是一种常见于道路、工地和城市建设场所的基础设施,用于排除雨水、污水以及其他液体。
本文档旨在提供一份详细的施工方案,以帮助工程师和施工队伍正确而高效地完成预制板排水沟的施工工作。
2. 施工前准备在开始施工前,我们需要进行一系列的准备工作:•确定施工地点和规模:根据实际需求确定预制板排水沟的位置、长度和宽度。
•准备施工材料和设备:包括预制板、水泥、砂浆、石子、水平仪和施工工具等。
•测量和标记:使用测量工具在地面上标记出预制板排水沟的位置和边界。
3. 施工步骤3.1. 打造坡道首先,我们需要打造一个合适的坡道,以确保预制板排水沟的顺利施工和水流畅通。
以下是具体步骤:1.清理施工区域的杂物和土壤,确保地面平整。
2.使用水平仪和测量工具,确定坡度和高度,然后利用地面的自然坡度进行调整。
3.根据需要,修建、挖掘或填充土壤,以使地面达到所需的坡度。
3.2. 预制板排水沟安装一旦坡道打造完成,我们可以开始进行预制板排水沟的安装了。
以下是具体步骤:1.将预制板运送到施工现场,并进行初步检查,确保预制板的质量和完整性。
2.根据预先测量的标记,使用木桩或其他临时支撑物来定位预制板的位置。
3.开始逐一安装预制板,确保它们对齐并平整地连接在一起。
可以使用水泥、砂浆或其他适当的材料进行固定。
4.根据需要,调整预制板的高度和坡度,以保证水能够顺利流入排水沟。
3.3. 排水管道连接在预制板排水沟安装完成后,我们需要将排水管道与排水沟相连接,以确保水能顺利流入管道。
以下是具体步骤:1.确定排水管道的位置和高度,根据需要进行挖掘或填充土壤。
2.使用合适的接头和密封材料,将排水管道与预制板排水沟连接起来。
确保连接处牢固且不会渗漏。
3.检查排水管道的斜度和坡度,确保水能够自然地流入管道并远离施工现场。
4. 施工质量控制为了确保预制板排水沟的施工质量,我们需要进行严格的质量控制。
以下是一些重要的控制点:•预制板质量:检查预制板的尺寸、平整度和完整性,确保其达到设计要求。
型路基排水沟C20混凝土预制块施工方案在公路和道路建设中,排水系统的设计和施工是非常重要的环节之一。
型路基排水沟是一种常见的排水结构,在其施工中采用C20混凝土预制块具有效率高、质量好等优点。
本文将介绍型路基排水沟C20混凝土预制块的施工方案。
1. 施工准备在进行型路基排水沟C20混凝土预制块的施工前,必须进行充分的准备工作。
具体包括:•确定施工方案:根据设计要求和实际情况确定施工方案,包括施工方法、施工步骤等。
•准备施工人员:安排具有相关经验和资质的工人参与施工。
•准备施工机械设备:根据具体施工要求准备所需的施工机械设备。
•准备材料:提前准备好所需的C20混凝土预制块、水泥、砂、石子等材料。
2. 施工步骤型路基排水沟C20混凝土预制块的施工可以分为以下几个步骤:步骤一:基础准备•根据设计要求在施工场地进行基础的准备工作,包括挖掘、夯实等。
•确保基础平整、坚固,符合设计要求。
步骤二:安装模板•根据设计尺寸和形状,安装好预制块的模板。
•确保模板稳固,符合要求。
步骤三:浇筑混凝土•将预先拌和好的C20混凝土均匀地倒入模板中。
•采用振动器进行振实,确保混凝土充分密实。
步骤四:养护•在混凝土浇筑完成后,进行适当的养护工作,包括覆盖湿布、喷水等。
•确保混凝土充分凝固、强度达标。
步骤五:拆除模板•待混凝土养护完毕后,拆除模板。
•检查混凝土表面是否光滑、无裂缝等问题。
3. 施工质量控制在施工过程中,需要进行质量控制,确保施工质量达标。
具体包括:•对预制块的材料进行检验,确保符合相关标准。
•在施工过程中进行工序检查,发现问题及时整改。
•对施工现场和施工成品进行验收,确保符合设计要求。
4. 施工安全在进行型路基排水沟C20混凝土预制块的施工过程中,必须严格遵守相关安全规定,保障施工人员的安全。
具体包括:•使用合格的工具和设备,做好防护措施。
•遵守施工现场规定,确保施工环境安全整洁。
•对施工人员进行安全培训,提高安全意识。
预制排水沟安装工艺流程预制排水沟安装呀,这可有点小讲究呢。
一、施工前的准备。
咱得先把材料准备好呀。
预制排水沟的构件得是质量合格的,不能有裂缝或者残缺的地方,就像挑水果一样,得挑那些好的。
还有呢,相关的工具也要备齐,像什么小锤子啦,水平仪啦,这些都是咱们安装排水沟的好帮手。
场地也要清理干净,要是乱七八糟的,那排水沟都不知道该往哪儿安了。
这就好比咱们要在桌子上画画,桌子得擦干净了才能画得好。
二、基础处理。
基础可重要啦。
得把要安装排水沟的地方挖一挖,要挖到合适的深度和宽度。
这个深度和宽度呢,就像是给排水沟定制的小窝一样,不能太大也不能太小。
挖好之后呢,要把底部夯实,就像给它打个结实的地基。
要是基础不牢,那排水沟以后可能就会歪歪扭扭的,可不好看啦。
然后在底部铺一层沙子或者砾石,这就像是给排水沟铺了一层柔软的小床,让它躺得舒舒服服的。
三、预制排水沟的安装。
1. 把预制排水沟的构件搬到施工现场。
这时候可不能毛手毛脚的,要轻拿轻放,要是把它弄伤了,它可就不好好工作了呢。
2. 按照设计的要求,把排水沟一块一块地拼接起来。
拼接的时候要特别注意接口的地方,要保证它们紧密地贴合在一起,就像拼图一样,不能有缝隙。
要是有缝隙的话,水可就会偷偷跑出来啦。
3. 在拼接的过程中,可以适当地用一些密封材料,比如说密封胶之类的,把接口的地方密封好。
这就像是给接口贴上了创可贴,防止漏水。
四、连接与固定。
1. 预制排水沟和其他排水设施的连接也很关键。
比如说和雨水井或者污水管的连接。
要保证连接的地方顺顺畅畅的,水能够顺利地流过去。
这就像接力赛跑一样,要把接力棒稳稳地交出去。
2. 固定排水沟也不能马虎。
可以用一些支架或者固定件把排水沟固定好,防止它在使用的过程中移动。
要是它到处乱跑,那可就乱套了。
五、检查与验收。
安装好之后呢,咱得好好检查检查。
看看排水沟有没有安装得平平整整的,可以用水平仪来量一量。
要是不平的话,水就会积在一边,那可不行。
预制块排水沟安装首件施工方案
一、工程概况
XXX工程XXX标路里程桩号为K8+054.607-- K30+000,全长21.95Km。
预制块排
预制块排水沟结构形式如下图:
选择K23+088-K23+230右侧0.6m×0.8m预制块排水沟安装作为首件工程,首件
二、施工准备
1、人员配置
3、材料准备
在施工前,根据首件工程量按10%的富余系数及时组织水泥、砂、预制块进场,计划在开工前5天进场到位,预制块提前安排从共青城构件预制中心运至指定施工点。
砼由2#搅拌站提供。
4、技术准备
根据设计图纸对排水沟放样完成后,经复核与现场地形符合,与桥涵、结构物及线外排水系统或自然水系能平顺衔接,能够形成完整的排水系统。
临时施工便道通畅,材料堆放场地已平整。
设计图纸及技术资料经过审核,提出的问题已得到相关部门的回复。
开工前组织技术人员认真学习,澄清有关技术问题,熟悉规范和技术标准。
制定施工质量、安全保证措施,对施工人员进行技术交底。
三、施工工艺及方法
1、预制块排水沟施工工艺流程
测量放样→基坑开挖→基底调平→预制块安装→现浇砼压顶→养生
2、测量放样
采用GPS测量仪对排水沟进行测量放样,沿路线方向处每隔20m打点(弯道位置要适当加密),撒出排水沟纵向中心线以便检查排水沟放样线形和方便开挖。
测出放样点位地面标高,计算开挖深度,在地面上标出里程桩号以及相应开挖深度,然后向监理工程师报验,在监理工程师的认方可下进行基坑开挖。
3、基坑开挖
基坑开挖采用挖掘机开挖和人工辅助开挖,先用挖掘机在灰线内进行粗挖,挖至离基底标高5-10cm范围时采用人工修整。
当基坑开挖至设计标高,自检标高及基坑尺寸,同时检查纵坡顺直度、曲线线形圆滑度,均合格后及时通知监理工程师检查验收。
当监理工程师验收合格后方可进行下一道工序。
4、基底调平
基坑开挖到位验收合格后,再采用人工挑砂至基坑底进行精准调平,确保沟底平整,整体平顺,能够达到排水畅通不阻水的要求。
平整度及线形满足要求且报验合格后方可安装预制块。
5、预制块排水沟安装
采用人工进行安预制块运输采用农用货车从共青城构件预制中心装车运至现场,装、调平。
砌筑前,每隔10m设置定位胎架,胎架之间底部和顶部分别拉线,用于控制坡比和平整度。
预制块拼装接缝采用薄层水泥浆粘合,确保沟体不漏水。
对安装后侧墙外侧的空隙及时采用普通土进行回填人工夯实,以保证安装后预制块的稳定。
预制块安装后必须表面平整、缝线规则、线型顺。
6、现浇砼压顶
按照设计图纸安装沟顶压顶砼模板,模板采用14#槽钢,模板底部采用定长木条顶撑,横向采用钢管加卡扣固定。
压顶砼每隔10m设置一道变形缝。
模板检验合格后,及时浇筑C20砼。
砼浇注采用2#拌合站集中拌制、砼罐车运输,砼出厂前,由试验室和监理工程师共同进行塌落度试验,检查砼和易性,试验结果满足规范要求后才能使用。
每工作班制取2组砼试块。
浇筑时砼时,在排水沟旁放置定作的1.5*1.5*0.3m大小的铁皮托盘,砼罐车中的砼通过溜槽溜至铁皮托盘内,再用人工挑抬砼入模。
由于压顶砼仅为30cm宽和10cm高,故采用平板振捣器进行振捣,必须振动到该部位混凝土密实为止,密实的标志是混凝土停止下沉,不再冒出气泡,表面呈现平坦、泛浆。
砼浇注应连续进行,砼浇筑完毕后,对砼面应及时进行修整、收浆抹平,待定浆后砼再进行二次抹面。
浇筑砼期间,设专人检查模板支撑的稳固情况,当发现有松动、变形、移位时,应及时进行处理。
7、养生
当砼强度大于2.5MPa时即可拆模,拆模后立即覆盖土工布洒水覆盖养生,养生时间为7天。
四、质量检查
施工加强过程中检查并填写质量检查记录,具体记录表如下:
施工质量记录一览表
根据《公路工程质量检验评定标准》(JTG F80/1—2004),预制块排水沟参考浆砌排水沟质量检测要求,具体如下:
纵坡顺直、曲线线形圆滑;沟壁平整、稳定;沟底平整,排水畅通,无冲刷和阻水现象;勾缝整齐牢固。
混凝土表面平整,施工缝平顺棱角线平整,外露面色泽一致。
五、质量保证措施
我部将严格按照质量保证体系标准,从组织上、制度上、思想上、技术上等各方面全面实施,确保工程质量得到有效控制。
1、组织保证
)建立质量管理领导小组1(.
各级技术人员、质检人员应有丰富施工经验、具有专业的技术职称、熟悉规范、图纸和具有工作作风优良的人员担任,技术人员和质检员专门进行质量管理和技术指导。
(2)建立质量组织管理体系
为了确保工程质量,在项目质量管理实行三级质量组织管理体系,项目部质量管理领导小组、工区质量管理小组、现场质量工作小组及QC小组。
各级质量管理组织严格把关,提高质量控制效率。
2、制度保证
(1)技术交底制度
开工前,由主管工程师向全体施工人员进行技术交底,讲清该工程的设计要求、技术标准、功能作用、施工方法和注意事项,使全体人员在彻底明了施工对象的情况下投入施工作业。
(2)“五不施工”制度
“五不施工”即:未进行技术交底不施工;图纸和技术要求不清楚不施工;资料未经换手复核不施工;材料无合格证或试验不合格者不施工;工程不经检查签证不施工。
(3)“跟踪检测”制度
检测工作按“施工跟踪”、“过程跟踪”和“抽检”三种方式进行。
(4)原始资料的积累和保存制度
本工程施工的每一道工序都要做好记录,形成一套完整的质量记录文件。
质检工程师将全部工程质量保证文件和记录汇编成册,同时保留一份完整的文件记录,并按规定存入档案。
3、思想保证
通过对技术人员及施工人员进行培训,使广大员工熟悉和掌握有关规范、规程和
标准。
同时,在施工过程中加强质量监督和技术指导,确保工程质量。
4、技术保证
(1)砌体表面平整,砌缝完好、平顺,无开裂;勾缝平顺、无脱落;混凝土的表面应平整,蜂窝、麻面不得超过该面面积的0.5%,深度不超过10mm;混凝土表面非受力裂缝宽度不应超过0.15mm;沉降缝整齐垂直,上下贯通,填缝材料填塞密实。
)位于弯道处的排水工程应平顺、圆滑、美观。
2(.
(3)使用的砂、石等原材料或混凝土预制块必须符合设计及技术规范要求。
(4)砌筑时,采用座浆挤密,嵌缝饱满,无空洞现象。
(5)勾缝平顺,缝宽均匀,牢固和美观,无脱落现象。
(6)平面位置、基底高程等实测项目质量要求参见《公路工程质量检验评定标准》(JTGF80/-2004)。
六、安全保证措施
1、安全管理机构
成立安全工地领带小组,负责安全管理制度的制定、对安全施工进行突击检查。
树立企业文化,创建平安工地。
2、安全措施
(1)基础开挖前,排查地下是否有管线。
开挖时,设专人指挥。
(2)作业面应相互错开,严禁违规交叉作业。
(3)砌筑工程施工时,禁止在砌筑好的砌体上行走,不得采用自由滚落的方式运输材料。
(4)现场施工人员必须佩戴安全帽。
(5)在基坑内支模时,应检查周边预制块稳定情况,防止滑落砸伤人员。
(6)向基坑内吊送材料和工具时,应设溜槽或绳索系放,不得抛掷。
机械吊送应有专人指挥。
模板要捆绑结实,基坑内的操作人员要避开吊送的吊具。
(7)交叉路口设置醒目警示标牌,施工车辆通过时,派专人指挥交通,同时严禁非施工有关车辆及人员进入施工场地。
(8)组织机械操作手学习交通法规和机械安全操作规程,采用考试的方法考察学习情况,并以物质奖励的方式激励;对违规操作机械者给予教育或调换工种。
(9)检查施工机械,轮胎机械的转向和制动系统更要仔细检查,杜绝机械带病作业,必要时强制保养,由安全员负责监督检查。
(10)保持施工便道的平整和畅通,雨天无积淤,晴天多洒水,在“瓶颈”处采用临时征地的办法加宽便道。
七、文明、环保施工
1、文明施工
成立文明工地领带小组,负责文明施工管理制度的制定、对文明施工进行突击检查。
树立企业文化,创建文明工地。
.
(1)积极开展文明施工窗口达标活动,施工范围内隐蔽设施的设置以及所采取的相应安全措施符合有关规定。
(2)施工现场做到挂牌施工和管理人员佩卡上岗,工地现场施工材料必须堆放整齐,工地生活设施必须清洁文明。
工地现场必须开展以创建文明工地为主要内容的思想教育工作。
(3)严格按规范施工,施工现场周围道路平整无积水。
对施工便道要经常洒水,防止尘土飞扬并做好施工用水的处理工作,保证施工现场道路场地整洁。
(4)建立奖惩制度,保证文明施工管理措施的落实,责任到人,有奖有罚。
对保持好的作业队伍和个人奖励,对不好的作业队和个人进行处罚。
(5)工程完工后,在规定时间内拆除临时设施,清除设备、多余材料和垃圾等,并将工地及周边环境清理整洁,做到工完后场地清洁。
2、环境保护措施
施工中注意保护自然和生态,水资源的开发,不随便拆堵水利设施,要保护好河渠,不污染水源,拆建工程要恢复原貌。
(1)清理场地废料和土方工程的弃方处理,按图纸规定或监理工程师的指示在适当地点设置弃土场(堆)。
弃土场设置力求少占地,并结合荒地造田。
(2)在施工期间修建一些临时排水渠道,并于永久性设施相连,且不引起淤积和冲刷,始终保持工地的良好排水状态。
(3)加强与气象部门的联系,及时了解天气动态,以便作好施工安排。