中国常用钢材规格表
- 格式:pdf
- 大小:90.34 KB
- 文档页数:10
常用各型钢材规格表一、热轧钢板热轧钢板是经过热轧工艺加工而成的钢板,具有较高的强度和韧性。
常用的热轧钢板规格如下:1. 厚度:1.5mm、2mm、2.5mm、3mm、4mm、5mm、6mm、8mm、10mm、12mm、14mm、16mm、18mm、20mm、22mm、25mm、28mm、30mm、32mm、35mm、40mm、45mm、50mm、55mm、60mm、65mm、70mm、75mm、80mm、85mm、90mm、95mm、100mm。
2. 宽度:500mm、600mm、700mm、800mm、900mm、1000mm、1100mm、1200mm、1300mm、1400mm、1500mm、1600mm、1700mm、1800mm、1900mm、2000mm、2100mm、2200mm、2300mm、2400mm、2500mm、2600mm、2700mm、2800mm、2900mm、3000mm。
3. 长度:2000mm、2500mm、3000mm、3500mm、4000mm、4500mm、5000mm、5500mm、6000mm、6500mm、7000mm、7500mm、8000mm、8500mm、9000mm、9500mm、10000mm。
二、冷轧钢板冷轧钢板是经过冷轧工艺加工而成的钢板,具有较高的尺寸精度和表面质量。
常用的冷轧钢板规格如下:1. 厚度:0.2mm、0.3mm、0.4mm、0.5mm、0.6mm、0.7mm、0.8mm、0.9mm、1mm、1.2mm、1.5mm、2mm、2.5mm、3mm、4mm、5mm、6mm。
2. 宽度:500mm、600mm、700mm、800mm、900mm、1000mm、1100mm、1200mm、1300mm、1400mm、1500mm、1600mm、1700mm、1800mm、1900mm、2000mm、2100mm、2200mm、2300mm、2400mm、2500mm、2600mm、2700mm、2800mm、2900mm、3000mm。
中国常用钢材规格表1方管20*20*2暂无2方管25*25*2暂无3方管25*25*3暂无4方管30*20*25方管30*30*2暂无6方管30*30*37方管40*20*2暂无8方管40*20*39方管40*30*2暂无10方管40*40*2.511方管40*40*3暂无12方管40*40*413方管50*30*2暂无14方管50*30*315方管50*50*316方管50*50*417方管50*50*518方管60*30*319方管60*40*420方管60*60*521方管60*60*622方管70*50*423方管70*70*324方管70*70*425方管75*75*426方管80*40*2暂无27方管80*40*328方管80*40*4暂无29方管80*60*430方管80*60*531方管80*80*3暂无32方管80*80*4暂无33方管80*80*5 34方管80*80*6暂无35方管86*86*636方管90*50*4暂无37方管90*60*4暂无39方管100*50*3暂无40方管100*50*541方管100*60*442方管100*60*543方管100*100*3暂无44方管100*100*445方管100*100*5暂无46方管100*100*647方管100*100*8暂无48方管120*60*549方管120*80*450方管120*80*651方管120*120*652方管120*120*853方管140*80*554方管140*140*555方管140*140*6暂无56方管150*75*557方管150*100*5暂无58方管150*150*659方管150*150*7暂无60方管150*150*461方管150*150*862方管160*80*663方管160*160*464方管160*160*6暂无65方管180*180*666方管180*180*7暂无67方管200*100*668方管200*100*869方管200*100*10暂无70方管200*150*671方管200*200*672方管200*200*873方管200*200*12暂无74方管250*150*875方管250*250*1077不锈管φ25*3暂无78不锈管φ27*3暂无79不锈管φ32*3暂无80镀锌焊管DN15*2.7581镀锌焊管DN25*1.5暂无82镀锌焊管DN25*3.25暂无83镀锌焊管DN32*3.2584镀锌焊管DN40*3.585镀锌焊管DN50*3.586镀锌焊管DN60*3.587镀锌焊管DN70*3.7588普通焊管DN2089普通焊管DN2590冷拔方钢45#32*32暂无91冷拔方钢45#400*40092冷拔方钢45#40*4093冷拔方钢Q23512*12暂无94冷六角Q23530暂无95冷六角45#13*1396冷六角45#27*2797冷六角45#30*30暂无98冷六角45#32*32暂无99冷六角45#41*41100钢轨8公斤101钢轨12公斤暂无102钢轨15公斤103钢轨18公斤暂无104钢轨50公斤105H钢100*100*8106H钢125*125*9107H钢150*100*10108H钢150*150*7109H钢150*150*10110H钢200*200*8111H钢300*300*14112角钢20*20*2暂无113角钢25*25*3115角钢30*30*4116角钢40*40*4暂无117角钢40*40*5118角钢50*50*5暂无119角钢50*50*6暂无120角钢60*40*5 121角钢63*40*5122角钢60*60*5123角钢70*70*5124角钢75*75*5125角钢75*50*5126角钢80*80*8127角钢90*90*8暂无128角钢100*63*6129角钢100*63*8130角钢100*63*10暂无131角钢100*100*8 132角钢100*100*10133角钢140*90*12134角钢160*160*16135角钢200*125*14暂无136角钢200*200*14 137槽钢50*37*4.5138槽钢63*40*4.8139槽钢80*43*5140槽钢100*48*5.3141槽钢120*53*5.5142槽钢125*55*6.5143槽钢140*58*6144槽钢150*75*6.5145槽钢160*63*6.5暂无146槽钢180*68*7147槽钢200*75*9148槽钢280*84*9.5149槽钢320*90*10150工字钢100*68*4.5151工字钢120*74*5153工字钢160*88*6154工字钢180*94*6.5暂无155工字钢200*100*7 156工字钢220*110*7.5157工字钢250*116*8暂无158工字钢300*126*9 159滑轨44*38.5*10*3160滑轨65*60*19*4161滑轨70*70*23.5*4162滑轨80*75*23*5163滑轨97*97*6164无缝管20#14*2165无缝管20#18*2暂无166无缝管20#18*3167无缝管20#18*4.5168无缝管20#20*2.5169无缝管20#22*3暂无170无缝管20#22*3.5171无缝管20#24*5172无缝管20#25*2暂无173无缝管20#25*5174无缝管20#27*3.5暂无175无缝管20#30*4176无缝管20#32*3177无缝管20#32*6178无缝管20#34*3暂无179无缝管20#38*4180无缝管20#38*4.5暂无181无缝管20#38*5暂无182无缝管20#38*6183无缝管20#42*3暂无184无缝管20#42*5185无缝管20#48*4186无缝管20#48*4.5暂无187无缝管20#50*5暂无188无缝管20#57*3.5暂无189无缝管20#57*7191无缝管20#60*10192无缝管20#68*13.5193无缝管20#83*4194无缝管20#89*16暂无195无缝管20#89*4.5196无缝管20#102*6暂无197无缝管20#102*16198无缝管20#121*6199无缝管20#121*8200无缝管20#121*10201无缝管20#121*14202无缝管20#121*25203无缝管20#127*30204无缝管20#133*4.5暂无205无缝管20#146*16206无缝管20#140*5.5207无缝管20#159*16208无缝管20#180*20209无缝管20#194*25210无缝管20#219*14211无缝管20#325*24212无缝管45#89*20暂无213无缝管45#133*30214无缝管45#168*30215圆钢38CRMOALφ40216圆钢38CRMOALφ60217圆钢T8φ30暂无218圆钢T8φ60219圆钢T8φ130220圆钢T10φ8221圆钢T10φ16222圆钢T10φ20223圆钢T10φ40224圆钢T10φ60225圆钢Q235φ8226圆钢Q235φ10227圆钢Q235φ12229圆钢Q235φ16 230圆钢Q235φ20 231圆钢Q235φ22 232圆钢Q235φ25 233圆钢Q235φ32 234圆钢Q235φ35 235圆钢Q235φ40 236圆钢Q235φ45 237圆钢Q235φ50 238圆钢Q235φ55 239圆钢Q235φ65 240圆钢Q235φ70 241圆钢Q235φ75 242圆钢Q235φ80 243圆钢Q235φ85 244圆钢Q235φ90 245圆钢Q235φ130 246圆钢Q235φ150 247圆钢20#φ90 248圆钢20#φ95 249圆钢20#φ100 250圆钢20#φ110 251圆钢20#φ120 252圆钢20#φ130 253圆钢20#φ140 254圆钢20#φ150 255圆钢20#φ180 256圆钢20#φ290 257圆钢40CRMOEAφ45 258圆钢35CRMOφ38 259圆钢35CRMOφ45 260圆钢42CRMOφ40 261圆钢20CRφ25 262圆钢20CRφ45 263圆钢40CRφ16 264圆钢40CRφ20 265圆钢40CRφ25267圆钢40CRφ32暂无268圆钢40CRφ35 269圆钢40CRφ40270圆钢40CRφ60271圆钢40CRφ70272圆钢40CRφ90273圆钢40CRφ150274圆钢45#φ14275圆钢45#φ16276圆钢45#φ20277圆钢45#φ22278圆钢45#φ25279圆钢45#φ28280圆钢45#φ30281圆钢45#φ32282圆钢45#φ36283圆钢45#φ40284圆钢45#φ45285圆钢45#φ50286圆钢45#φ55287圆钢45#φ60288圆钢45#φ65289圆钢45#φ70290圆钢45#φ75291圆钢45#φ80292圆钢45#φ85293圆钢45#φ90294圆钢45#φ95295圆钢45#φ100296圆钢45#φ110297圆钢45#φ120298圆钢45#φ130299圆钢45#φ140300圆钢45#φ150301圆钢45#φ160302圆钢45#φ170303圆钢45#φ180305圆钢45#φ210306圆钢45#φ240307圆钢45#φ260308冷板0.5309冷板1310冷板 1.2暂无311冷板 1.5312冷板2313冷板 2.5314热板1315热板2316中板Q2353317中板Q2354暂无318中板Q2355 319中板Q2356320中板Q2358321中板Q23510322中板Q23512323中板Q23514324中板Q23516325中板Q23518326中板Q23520327中板Q23522328中板Q23525329中板Q23530330中板Q23535331中板Q23540332中板Q23545333中板Q23550334中板Q23555335中板Q23560336中板Q23565暂无337中板Q23570 338中板Q23580暂无339中板Q23590 340中板Q235100341中板Q235110343中板Q235130344中板Q235155345中板Q235160346中板Q235180347镀锌板0.2348镀锌板0.3349镀锌板0.5350中板45#8351中板45#12352中板45#14353中板45#16354中板45#20355中板45#22356中板45#25357中板45#30358中板45#35359中板45#40360中板45#44361中板45#50暂无362中板45#55暂无363中板45#60364中板45#70暂无365中板45#80366中板45#113367花纹板 3.25368花纹板4暂无369花纹板5370钢带0.1371钢带0.2注:表中库存列为"暂无"情况是指目前库房内没有库存,但是设计时可以选择。
角钢规格表:20——200号低碳钢扁钢材质q235(规格只做参考,还不完整,如有需要还请电联)螺纹钢:10mm/12mm / 14mm / 16mm / 18mm / 20mm / 22mm / 25mm /材质:hrb335 / hrb400圆钢:10mm / 12mm / 14mm / 16mm /材质:q235方钢:7.5*7.5mm/8*8mm /9*9mm/ 10*10mm /11*11mm /12*12mm / 13*13mm / 14*14mm/ 15*15mm /16*16mm/17*17 mm /18*18 mm/ 19*19 mm /20*20 mm / 30*30 mm/材质:q235 钢材规格表大全:角钢规格表扁钢规格表螺纹钢规格表圆钢规格表方钢规格表142 10.5 86.1 67.6144 12.5 94.1 73.8146 14.5 102 80.1工字钢规格表热轧普通工字钢尺寸规格(摘自GB/T706—1988)(表一)槽钢规格表型号大全名型号明细规格理论重量槽钢5# 50*37*4.5 5.438 槽钢 6.3# 63*40*4.8 6.634 槽钢8# 80*43*5.0 8.046 槽钢10# 100*48*5.3 10.007 槽钢12# 120*53*5.5 12.059 槽钢14#A 140*58*6.0 14.535 槽钢14#B 140*60*8.0 16.733 槽钢16#A 160*63*6.5 17.24 槽钢16#B 160*65*8.5 19.752 槽钢18#A 180*68*7.0 20.174 槽钢18#B 180*70*9.0 23槽钢20#A 200*73*7.0 22.637槽钢20#B 200*75*9.0 25.777 槽钢22#a 220*77*7.0 24.999 槽钢22#B 220*79*9.0 28.453 槽钢25#A 250*78*7.0 27.41 槽钢25#B 250*80*9.0 31.335 槽钢25#C 250*82*11 35.26 槽钢28#A 280*82*7.5 31.427 槽钢28#B 280*84*9.5 35.823 槽钢28#C 280*86*11.5 40.219 槽钢30#A 300*85*7.5 34.463 槽钢30#B 300*87*9.5 39.173 槽钢30#C 300*89*11.5 43.883 槽钢32#A 320*88*8.0 38.083 槽钢32#B 320*90*10 43.107 槽钢32#C 320*92*12 48.131 槽钢36#A 360*96*9.0 47.814 槽钢36#B 360*98*11 53.466 槽钢36#C 360*100*13 59.118 槽钢40#A 400*100*10.5 58.928 槽钢40#B 400*102*12.5 65.208 槽钢40#C 400*104*14.5 71.488。
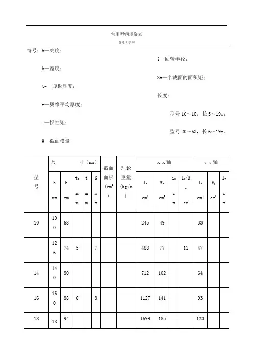
附录常用型钢规格表普通工字钢符号:h—高度;b—宽度;tw—腹板厚度;t—翼缘平均厚度;I—惯性矩;W—截面模量i—回转半径;Sx—半截面的面积矩;长度:型号10~18,长5~19m;型号20~63,长6~19m。
型号尺寸(mm)截面面积(cm2)理论重量(kg/m)x-x轴y-y轴hmmbmmt wmmtmmRmmI xcm4W xcm3i xcmI x/S xcmI ycm4W ycm3I ycm10 100 68 4.5 7.6 6.5 14.3 11.2 245 49 4.14 8.69 33 9.6 1.51 12.6 126 74 5 8.4 7 18.1 14.2 488 77 5.19 11 47 12.7 1.61 14 140 80 5.5 9.1 7.5 21.5 16.9 712 102 5.75 12.2 64 16.1 1.73 16 160 88 6 9.9 8 26.1 20.5 1127 141 6.57 13.9 93 21.1 1.89 18 180 94 6.5 10.7 8.5 30.7 24.1 1699 185 7.37 15.4 123 26.2 2.0020 a200100 711.4 935.5 27.9 2369 237 8.16 17.4 158 31.6 2.11b 102 9 39.5 31.1 2502 250 7.95 17.1 169 33.1 2.0722 a220110 7.512.3 9.542.1 33 3406 310 8.99 19.2 226 41.1 2.32b 112 9.5 46.5 36.5 3583 326 8.78 18.9 240 42.9 2.2725 a250116 813 1048.5 38.1 5017 401 10.2 21.7 280 48.4 2.4b 118 10 53.5 42 5278 422 9.93 21.4 297 50.4 2.3628 a280122 8.513.7 10.555.4 43.5 7115 508 11.3 24.3 344 56.4 2.49b 124 10.5 61 47.9 7481 534 11.1 24 364 58.7 2.4432 a320130 9.515 11.567.1 52.7 11080 692 12.8 27.7 459 70.6 2.62b 132 11.5 73.5 57.7 11626 727 12.6 27.3 484 73.3 2.57c 134 13.5 79.9 62.7 12173 761 12.3 26.9 510 76.1 2.5336 a360136 1015.8 1276.4 60 15796 878 14.4 31 555 81.6 2.69b 138 12 83.6 65.6 16574 921 14.1 30.6 584 84.6 2.64c 140 14 90.8 71.3 17351 964 13.8 30.2 614 87.7 2.640 a400142 10.516.5 12.586.1 67.6 21714 1086 15.9 34.4 660 92.9 2.77b 144 12.5 94.1 73.8 22781 1139 15.6 33.9 693 96.2 2.71c 146 14.5 102 80.1 23847 1192 15.3 33.5 727 99.7 2.6745 a450150 11.518 13.5102 80.4 32241 1433 17.7 38.5 855 114 2.89b 152 13.5 111 87.4 33759 1500 17.4 38.1 895 118 2.84c 154 15.5 120 94.5 35278 1568 17.1 37.6 938 122 2.7950 a500158 1220 14119 93.6 46472 1859 19.7 42.9 1122 142 3.07b 160 14 129 101 48556 1942 19.4 42.3 1171 146 3.01c 162 16 139 109 50639 2026 19.1 41.9 1224 151 2.9656 a560166 12.521 14.5135 106 65576 2342 22 47.9 1366 165 3.18b 168 14.5 147 115 68503 2447 21.6 47.3 1424 170 3.12c 170 16.5 158 124 71430 2551 21.3 46.8 1485 175 3.0763 a630176 1322 15155 122 94004 2984 24.7 53.8 1702 194 3.32b 178 15 167 131 98171 3117 24.2 53.2 1771 199 3.25c 780 17 180 141 102339 3249 23.9 52.6 1842 205 3.2H 型钢符号:h—高度;b—宽度;t1—腹板厚度;t2—翼缘厚度;I—惯性矩;W—截面模量i—回转半径;Sx—半截面的面积矩。
各种钢材规格表大全槽钢规格表大全(最新)30*4 1.786 100*10 15.12 40*25*3 1.484 100*63*10 12. 14240*3 1.852 100*1217.898 40*25*4 1.936 100*80*6 8.3540*4 2.422 100*14 20.611 45*28*3 1.687 100*80*7 9.6 5640*5 2.976 100*16 23.257 45*28*4 2.203 100*80*8 10.94650*3 2.332 110*7 11.928 50*32*3 1.908 100*80*10 13.47650*4 3.059 110*8 13.532 50*32*4 2.494 110*70*6 8.3 550*5 3.77 110*10 16.69 56*36*3 2.153 110*70*7 9.65 50*6 4.465 110*12 19.782 56*36*4 2.818 110*70*8 10. 94660*5 4.57 110*14 22.809 56*36*5 3.466 110*70*10 13. 47660*6 5.42 125*8 15.504 63*40*4 3.185 125*80*7 11.0 6663*4 3.907 125*10 19.133 63*40*5 3.92 125*80*8 12. 55163*5 4.822 125*12 22.696 63*40*6 4.638 125*80*10 15 .47463*6 5.721 125*14 26.193 63*40*7 5.339 125*80*12 18 .3363*8 7.469 140*10 25.522 70*45*5 4.403 140*90*10 17 .47570*6 6.406 140*14 29.49 70*45*6 5.218 140*90*12 20. 72470*7 7.398 140*16 33.393 70*45*7 6.011 140*90*14 23.90870*8 8.373 160*10 24.729 70*50*5 4.808 160*100*10 19.87275*5 5.818 160*12 29.391 70*50*6 5.699 160*100*12 23.59275*6 6.905 160*14 33.987 75*50*8 7.431 160*100*14 2 7.24775*77.976 160*16 38.518 75*50*10 9.098 160*100*16 30.83575*8 9.03 180*12 33.159 80*50*5 5.005 180*110*10 22 .27375*10 11.089180*14 38.383 80*50*6 5.935 180*110*12 26.46480*6 7.376 180*16 43.542 80*50*7 6.848 180*110*14 3 0.58980*8 9.658 180*18 48.634 80*50*8 7.745 180*110*16 3 4.64980*10 11.874 200*14 42.894 90*56*5 5.661 200*125*12 34.43690*6 8.35 200*16 48.68 90*56*6 6.717 200*125*14 39. 04590*8 10.946200*18 54.401 90*56*7 7.756 200*125*16 39.04590*10 13.476 200*20 60.056 90*56*8 8.3779 200*125*18 43.58890*12 15.94 200*24 71.168不锈钢管规格表一览Ф6x1 Ф34x2-8 Ф70x3-10 Ф152x3-20Ф8x1-2 Ф36x2-8 Ф73x3-10 Ф159x3-25Ф10x1-2 Ф38x2-8 Ф76x2-16 Ф168x3-30Ф12x1-3 Ф40x2-8 Ф80x2-16 Ф180x3-30Ф14x1-4 Ф42x2-8 Ф83x2-16 Ф219x4-35Ф16x1-4 Ф45x2-8 Ф89x2-16 Ф245x5-35Ф18x1-4 Ф48x2-8 Ф95x2.5-16 Ф273x5-40Ф20x1-5 Ф50x2-8 Ф102x2.5-18 Ф325x5-40Ф22x1-5 Ф51x2-8 108x2.5-18 Ф355x7-40Ф25x1.5-5 Ф57x2-10 Ф114x2.5-18 Ф377x8-45Ф27x2-5 Ф60x2-10 Ф120x3-18 Ф426x8-50Ф28x2-5 Ф63x2-10 Ф127x3-18 Ф456x8-50Ф30x2-8 Ф65x3-10 Ф133x3-18 Ф530x8-50Ф32x2-8 Ф68x3-10 Ф140x3-20 Ф630x10-40不锈钢管规格产品名称规格、型号标准名称标准号不锈钢管Φ6~630x 1~50mm 流体输送用不锈钢管GB/T14976-2002不锈钢管Φ6~630x 1~50mm 结构用无缝不锈钢管GB/T14975-2002不锈钢管Φ6~630x 1~50mm 锅炉、热交换器用不锈钢管GB13296-91不锈钢焊管Φ219~1200x 3~20mm 流体输送用不锈钢管GB12770-2002钢管种类钢管尺寸(毫米)精度普通级高级冷拔外径6-10 流体输送用不锈钢管Ф355x7-40>10-30 结构用无缝不锈钢管Ф377x8-45>30-50 锅炉、热交换器用不锈钢管Ф426x8-50>50 流体输送用不锈钢管Ф456x8-50(轧)管壁厚0.5-1.0 ±0.15毫米Ф530x8-50>1.0-3.0 ±14%±12%>3.0 ±12% -10%-10% +10%h型钢规格表一览类别型号(高度×宽度) 截面尺寸/nma 截面面积/cm2 理论质量/(kg/m)H×B t1 t2 rHW 100×100 100×100 6 8 10 21.9 17.2125×125 125×125 6.5 9 10 30.31 23.8150×150 150×150 7 10 13 40.55 31.9175×175 175×175 7.5 11 13 51.43 40.3200×200 200×200 8 12 16 64.28 50.5#200×204 12 12 16 72.28 56.7250×250 250×250 9 14 16 92.18 72.4250×255 14 14 16 104.7 82.2300×300 #294×302 12 12 20 108.3 85.O 300×300 1O 15 20 120.4 94.5300×305 15 15 20 135.4 106350×350 #344×348 10 16 20 146 115 350×350 12 19 20 173.9 137400x400 #388×402 15 15 24 179.2 141 #394×398 11 18 24 187.6 147400×400 13 21 24 219.5 172#400×408 21 21 24 251.5 197#414×405 18 28 24 296.2 233#428×407 20 35 24 361.4 284*458×417 30 50 24 529.3 415*498×432 45 70 24 770.8 605HM 150×100 148×100 6 9 13 27.25 21.4 200×150 194×150 6 9 16 39.76 31.2 250×175 244×175 7 11 16 56.24 44.1 300×200 294×200 8 12 20 73.03 57.3 350×250 340×250 9 14 20 101.5 79.7 400×300 390×300 1O 16 25 136.7 107 450×300 440×300 11 18 24 157.4 124 500×300 482×300 11 15 28 146.4 115 488×300 n 18 28 164.4 129600×300 582×300 12 17 28 174.5 137 588×300 12 20 28 192.5 151#594×302 14 23 28 222.4 175HN 100×50 100×50 5 7 1O 12.16 9.54 125×60 125×60 6 8 1O 17.01 13.3150×75 150×75 5 7 10 18.16 14.3175×90 175×90 5 8 10 23.21 18.2200×100 198×99 4.5 7 13 23.59 18.5200×100 5.5 8 13 27.57 21.7250×125 248×124 5 8 13 32.89 25.8 250×125 6 9 13 37.87 29.7300×150 298×149 5.5 8 16 41.55 32.6 300×150 6.5 9 16 47.53 37.3350×175 346×174 6 9 16 53.19 41.8 350×175 7 11 16 63.66 50#400×150 #400×150 8 13 16 71.12 55.8 400×200 396×199 7 1 16 72.16 56.7 400×200 8 13 16 84.12 66#450×150 #450×150 9 14 20 83.41 65.5 450×200 446×199 8 12 20 84.95 66.7 450×200 9 14 20 97.41 76.5#500×150 #500×150****2098.2377.1 500×200 496×199****0101.379.5 500×200 10 16 20 114.2 89.6500×200 #506×201 11 19 20 131.3 103 600×200 596×199 10 15 24 121.2 95.1 600×200 1 17 24 135.2 106#606×201 12 20 24 153.3 120700×300 #692×300 13 20 28 211.5 166 700×300 13 24 28 235.5 185*800×300 *792×300 14 22 28 243.4 191 *800×300 14 26 28 267.4 210*900×300 *890×299 15 23 28 270.9 213 *900×300 16 28 28 309.8 243*912×302 18 34 28 364 286。
钢材规格表i —回转半径;Sx —半截面的面积矩;长度: 型号10〜18,长5〜19m ; 型号20〜63,长6〜19m 。
型 号h mm b mm t wmm t mm R mm 截面面积 (cm 2) 理论重量 (kg/m) I xcm 4 W X cm 3i XcmI/S XXcm I y cm 4 W y cm 3Iycm10 100 68 4.5 7.6 6.5 14.3 11.2 245 49 4.14 8.69 33 9.6 1.5112.6 126 74 5 8.4 7 18.1 14.2 488 77 5.19 11 47 12.71.61 14 140 80 5.5 9.1 7.5 21.5 16.9 712 102 5.75 12.2 64 16.1 1.73 16 160 88 6 9.9 8 26.1 20.5 1127 141 6.57 13.9 93 21.1 1.89 1818094 6.5 10.7 8.530.7 24.1 1699 185 7.37 15.4 123 26.2 2.00a100735.527.9 2369 237 8.16 17.4 158 31.6 2.11 20b200102 9 11.4939.5 31.1 2502 250 7.95 17.1 169 33.1 2.07a1107.542.133 3406 310 8.99 19.2 226 41.1 2.32 22b220112 9.5 12.39.546.5 36.5 3583 326 8.78 18.9 240 42.9 2.27a116848.538.1 5017 401 10.2 21.7 280 48.4 2.4 25b250118 10131053.5 42 5278 422 9.93 21.4 297 50.4 2.36a1228.555.443.5 7115 508 11.3 24.3 344 56.4 2.49 28b280124 10.5 13.710.561 47.9 7481 534 11.1 24 364 58.7 2.44a1309.567.152.7 11080 692 12.8 27.7 459 70.6 2.62 32b 320 132 11.5 15 11.573.5 57.7 11626 727 12.6 27.3 484 73.3 2.57 c 134 13.5 79.9 62.7 12173 761 12.3 26.9 510 76.1 2.53a1361076.460 15796 878 14.4 31 555 81.6 2.69 36b 360 138 12 15.812 83.6 65.6 16574 921 14.1 30.6 584 84.6 2.64 c 140 14 90.8 71.3 17351 964 13.8 30.2 614 87.7 2.6a14210.586.167.6 21714 1086 15.9 34.4 660 92.9 2.77 40b 400 144 12.5 16.512.594.1 73.8 22781 1139 15.6 33.9 693 96.2 2.71 c 146 14.5 102 80.1 23847 1192 15.3 33.5 727 99.7 2.67a15011.510280.4 32241 1433 17.7 38.5 855 114 2.89 45b 450 152 13.5 18 13.5111 87.4 33759 1500 17.4 38.1 895 118 2.84 c 154 15.5 120 94.5 35278 1568 17.1 37.6 938 122 2.79a1581211993.6 46472 1859 19.7 42.9 1122 142 3.07 50b 500 160 14 2014 129 101 48556 1942 19.4 42.3 1171 146 3.01 c 162 16 139 109 50639 2026 19.1 41.9 1224 151 2.96a16612.5135106 65576 2342 22 47.9 1366 165 3.18 56b 560 168 14.5 21 14.5147 115 68503 2447 21.6 47.3 1424 170 3.12c17016.5158124 71430 2551 21.3 46.8 1485 175 3.07 63 a 630 176 1322 15 15512294004298424.753.817021943.32寸(mm ) 尺v-v 轴x-x 轴符号:h —高度;b —宽度; tw 一腹板厚度; t —翼缘平均厚度; I —惯性矩; W 一截面模量符号:h—高度;b—宽度;tl—腹板厚度; t2—翼缘厚度; I—惯性矩;W一截面模量i—回转半径; Sx—半截面的面积矩。
钢材规格表低碳钢扁钢 材质Q235规格 宽度(毫米) 厚度(毫米) 根重(千克) 包装(根) 件重(千克)2.5# 25 3 6.7 368 2480 25 4 8.8 288 2520 3# 30 3 8.2 368 3030 30 4 10.7 288 31003.6#36 3 9.9 307 3000 36 4 13 232 3010 365 15.9 188 2990 4#40 3 11.1 232 2580 40 4 14.5 186 2700 405 17.9 166 2970 5#50 3 14 186 2600 50 4 18.4 166 3050 50 5 22.6 132 2990 506 26.8 112 3000 6.3#63 4 23.4 188 4400 63 5 28.9 156 4520 63 6 34.3 132 4530 63 8 44.8 104 4660 631054.9864720螺纹钢:10mm/12mm / 14mm / 16mm / 18mm / 20mm / 22mm / 25mm /材质:HRB335 / HRB400圆钢:10mm / 12mm / 14mm / 16mm /材质:Q235方钢:7.5*7.5mm/8*8mm /9*9mm/ 10*10mm /11*11mm /12*12mm /13*13mm / 14*14mm/ 15*15mm /16*16mm/17*17 mm /18*18 mm/ 19*19 mm /20*20 mm / 30*30 mm/材质:Q235等边角钢规格表:20——200号槽钢规格表型号大全方钢管规格表500*500*8~25 140*140*4~14135*135*4~14130*130*4~12450*450*8~25 120*120*4~12400*400*8~25 110*110*4~12350*350*8~25 100*100*4~12300*300*8~25 80*80*4~12 280*280*8~25 60*60*4~12250*250*8~25 50*50*4~12220*220*8~25 40*40*4~10200*200*8~25 30*30*2~6180*180*7~20 20*20*2~4160*160*5~16150*150*5~141.可执行GB6728-2002结构用冷弯空心型钢标准。
附录常用型钢规格表普通工字钢符号: h—高度;i —回转半径;b—宽度;Sx—半截面的面积矩;tw—腹板厚度;长度:t —翼缘平均厚度;型号 10~18,长 5~19m;I —惯性矩;型号 20~63,长 6~19m。
W—截面模量尺寸( mm)截面面积理论重量x-x 轴y-y 轴型号h b t w t R I x W x i x I x/S x I y W y I y2(kg/m)mm mm mm mm mm (cm ) cm4 cm3 cm cm cm4 cm 3 cm 10 100 68 4.5 7.6 6.5 14.3 11.2 245 49 4.14 8.69 33 9.6 1.51 12.6 126 74 5 8.4 7 18.1 14.2 488 77 5.19 11 47 12.7 1.61 14 140 80 5.5 9.1 7.5 21.5 16.9 712 102 5.75 12.2 64 16.1 1.73 16 160 88 6 9.9 8 26.1 20.5 1127 141 6.57 13.9 93 21.1 1.89 18 180 94 6.5 10.7 8.5 30.7 24.1 1699 185 7.37 15.4 123 26.2 2.0020 a200100 711.4 935.5 27.9 2369 237 8.16 17.4 158 31.6 2.11b 102 9 39.5 31.1 2502 250 7.95 17.1 169 33.1 2.0722 a220110 7.512.3 9.542.1 33 3406 310 8.99 19.2 226 41.1 2.32b 112 9.5 46.5 36.5 3583 326 8.78 18.9 240 42.9 2.2725 a250116 813 1048.5 38.1 5017 401 10.2 21.7 280 48.4 2.4b 118 10 53.5 42 5278 422 9.93 21.4 297 50.4 2.3628 a280122 8.513.7 10.555.4 43.5 7115 508 11.3 24.3 344 56.4 2.49b 124 10.5 61 47.9 7481 534 11.1 24 364 58.7 2.44 a 130 9.5 67.1 52.7 11080 692 12.8 27.7 459 70.6 2.6232 b 320 132 11.5 15 11.5 73.5 57.7 11626 727 12.6 27.3 484 73.3 2.57c 134 13.5 79.9 62.7 12173 761 12.3 26.9 510 76.1 2.53a 136 10 76.4 60 15796 878 14.4 31 555 81.6 2.6936 b 360 138 12 15.8 12 83.6 65.6 16574 921 14.1 30.6 584 84.6 2.64c 140 14 90.8 71.3 17351 964 13.8 30.2 614 87.7 2.6a 142 10.5 86.1 67.6 21714 1086 15.9 34.4 660 92.9 2.7740 b 400 144 12.5 16.5 12.5 94.1 73.8 22781 1139 15.6 33.9 693 96.2 2.71c 146 14.5 102 80.1 23847 1192 15.3 33.5 727 99.7 2.67a 150 11.5 102 80.4 32241 1433 17.7 38.5 855 114 2.8945 b 450 152 13.5 18 13.5 111 87.4 33759 1500 17.4 38.1 895 118 2.84c 154 15.5 120 94.5 35278 1568 17.1 37.6 938 122 2.79a 158 12 119 93.6 46472 1859 19.7 42.9 1122 142 3.0750 b 500 160 14 20 14 129 101 48556 1942 19.4 42.3 1171 146 3.01c 162 16 139 109 50639 2026 19.1 41.9 1224 151 2.96a 166 12.5 135 106 65576 2342 22 47.9 1366 165 3.1856 b 560 168 14.5 21 14.5 147 115 68503 2447 21.6 47.3 1424 170 3.12c 170 16.5 158 124 71430 2551 21.3 46.8 1485 175 3.07a 176 13 155 122 94004 2984 24.7 53.8 1702 194 3.3263 b 630 178 15 22 15 167 131 98171 3117 24.2 53.2 1771 199 3.25c 780 17 180 141 102339 3249 23.9 52.6 1842 205 3.2H 型钢符号: h—高度;b—宽度;t1 —腹板厚度;i —回转半径;t2 —翼缘厚度;Sx—半截面的面积矩。
1方管20*20*2暂无2方管25*25*2暂无3方管25*25*3暂无4方管30*20*25方管30*30*2暂无6方管30*30*37方管40*20*2暂无8方管40*20*39方管40*30*2暂无10方管40*40*2.511方管40*40*3暂无12方管40*40*413方管50*30*2暂无14方管50*30*315方管50*50*316方管50*50*417方管50*50*518方管60*30*319方管60*40*420方管60*60*521方管60*60*622方管70*50*423方管70*70*324方管70*70*425方管75*75*426方管80*40*2暂无27方管80*40*328方管80*40*4暂无29方管80*60*430方管80*60*531方管80*80*3暂无32方管80*80*4暂无33方管80*80*534方管80*80*6暂无35方管86*86*636方管90*50*4暂无37方管90*60*4暂无39方管100*50*3暂无40方管100*50*541方管100*60*442方管100*60*543方管100*100*3暂无44方管100*100*445方管100*100*5暂无46方管100*100*647方管100*100*8暂无48方管120*60*549方管120*80*450方管120*80*651方管120*120*652方管120*120*853方管140*80*554方管140*140*555方管140*140*6暂无56方管150*75*557方管150*100*5暂无58方管150*150*659方管150*150*7暂无60方管150*150*461方管150*150*862方管160*80*663方管160*160*464方管160*160*6暂无65方管180*180*666方管180*180*7暂无67方管200*100*668方管200*100*869方管200*100*10暂无70方管200*150*671方管200*200*672方管200*200*873方管200*200*12暂无74方管250*150*875方管250*250*1077不锈管φ25*3暂无78不锈管φ27*3暂无79不锈管φ32*3暂无80镀锌焊管DN15*2.7581镀锌焊管DN25*1.5暂无82镀锌焊管DN25*3.25暂无83镀锌焊管DN32*3.2584镀锌焊管DN40*3.585镀锌焊管DN50*3.586镀锌焊管DN60*3.587镀锌焊管DN70*3.7588普通焊管DN2089普通焊管DN2590冷拔方钢45#32*32暂无91冷拔方钢45#400*40092冷拔方钢45#40*4093冷拔方钢Q23512*12暂无94冷六角Q23530暂无95冷六角45#13*1396冷六角45#27*2797冷六角45#30*30暂无98冷六角45#32*32暂无99冷六角45#41*41100钢轨8公斤101钢轨12公斤暂无102钢轨15公斤103钢轨18公斤暂无104钢轨50公斤105H钢100*100*8106H钢125*125*9107H钢150*100*10108H钢150*150*7109H钢150*150*10110H钢200*200*8111H钢300*300*14112角钢20*20*2暂无113角钢25*25*3115角钢30*30*4116角钢40*40*4暂无117角钢40*40*5118角钢50*50*5暂无119角钢50*50*6暂无120角钢60*40*5121角钢63*40*5122角钢60*60*5123角钢70*70*5124角钢75*75*5125角钢75*50*5126角钢80*80*8127角钢90*90*8暂无128角钢100*63*6129角钢100*63*8130角钢100*63*10暂无131角钢100*100*8132角钢100*100*10133角钢140*90*12134角钢160*160*16135角钢200*125*14暂无136角钢200*200*14137槽钢50*37*4.5138槽钢63*40*4.8139槽钢80*43*5140槽钢100*48*5.3141槽钢120*53*5.5142槽钢125*55*6.5143槽钢140*58*6144槽钢150*75*6.5145槽钢160*63*6.5暂无146槽钢180*68*7147槽钢200*75*9148槽钢280*84*9.5149槽钢320*90*10150工字钢100*68*4.5151工字钢120*74*5153工字钢160*88*6154工字钢180*94*6.5暂无155工字钢200*100*7156工字钢220*110*7.5157工字钢250*116*8暂无158工字钢300*126*9159滑轨44*38.5*10*3160滑轨65*60*19*4161滑轨70*70*23.5*4162滑轨80*75*23*5163滑轨97*97*6164无缝管20#14*2165无缝管20#18*2暂无166无缝管20#18*3167无缝管20#18*4.5168无缝管20#20*2.5169无缝管20#22*3暂无170无缝管20#22*3.5171无缝管20#24*5172无缝管20#25*2暂无173无缝管20#25*5174无缝管20#27*3.5暂无175无缝管20#30*4176无缝管20#32*3177无缝管20#32*6178无缝管20#34*3暂无179无缝管20#38*4180无缝管20#38*4.5暂无181无缝管20#38*5暂无182无缝管20#38*6183无缝管20#42*3暂无184无缝管20#42*5185无缝管20#48*4186无缝管20#48*4.5暂无187无缝管20#50*5暂无188无缝管20#57*3.5暂无189无缝管20#57*7191无缝管20#60*10192无缝管20#68*13.5193无缝管20#83*4194无缝管20#89*16暂无195无缝管20#89*4.5196无缝管20#102*6暂无197无缝管20#102*16198无缝管20#121*6199无缝管20#121*8200无缝管20#121*10201无缝管20#121*14202无缝管20#121*25203无缝管20#127*30204无缝管20#133*4.5暂无205无缝管20#146*16206无缝管20#140*5.5207无缝管20#159*16208无缝管20#180*20209无缝管20#194*25210无缝管20#219*14211无缝管20#325*24212无缝管45#89*20暂无213无缝管45#133*30214无缝管45#168*30215圆钢38CRMOALφ40216圆钢38CRMOALφ60217圆钢T8φ30暂无218圆钢T8φ60219圆钢T8φ130220圆钢T10φ8221圆钢T10φ16222圆钢T10φ20223圆钢T10φ40224圆钢T10φ60225圆钢Q235φ8226圆钢Q235φ10227圆钢Q235φ12229圆钢Q235φ16 230圆钢Q235φ20 231圆钢Q235φ22 232圆钢Q235φ25 233圆钢Q235φ32 234圆钢Q235φ35 235圆钢Q235φ40 236圆钢Q235φ45 237圆钢Q235φ50 238圆钢Q235φ55 239圆钢Q235φ65 240圆钢Q235φ70 241圆钢Q235φ75 242圆钢Q235φ80 243圆钢Q235φ85 244圆钢Q235φ90 245圆钢Q235φ130 246圆钢Q235φ150 247圆钢20#φ90 248圆钢20#φ95 249圆钢20#φ100 250圆钢20#φ110 251圆钢20#φ120 252圆钢20#φ130 253圆钢20#φ140 254圆钢20#φ150 255圆钢20#φ180 256圆钢20#φ290 257圆钢40CRMOEAφ45 258圆钢35CRMOφ38 259圆钢35CRMOφ45 260圆钢42CRMOφ40 261圆钢20CRφ25 262圆钢20CRφ45 263圆钢40CRφ16 264圆钢40CRφ20 265圆钢40CRφ25267圆钢40CRφ32暂无268圆钢40CRφ35269圆钢40CRφ40270圆钢40CRφ60271圆钢40CRφ70272圆钢40CRφ90273圆钢40CRφ150274圆钢45#φ14275圆钢45#φ16276圆钢45#φ20277圆钢45#φ22278圆钢45#φ25279圆钢45#φ28280圆钢45#φ30281圆钢45#φ32282圆钢45#φ36283圆钢45#φ40284圆钢45#φ45285圆钢45#φ50286圆钢45#φ55287圆钢45#φ60288圆钢45#φ65289圆钢45#φ70290圆钢45#φ75291圆钢45#φ80292圆钢45#φ85293圆钢45#φ90294圆钢45#φ95295圆钢45#φ100296圆钢45#φ110297圆钢45#φ120298圆钢45#φ130299圆钢45#φ140300圆钢45#φ150301圆钢45#φ160302圆钢45#φ170303圆钢45#φ180305圆钢45#φ210306圆钢45#φ240307圆钢45#φ260308冷板0.5309冷板1310冷板 1.2暂无311冷板 1.5312冷板2313冷板 2.5314热板1315热板2316中板Q2353317中板Q2354暂无318中板Q2355319中板Q2356320中板Q2358321中板Q23510322中板Q23512323中板Q23514324中板Q23516325中板Q23518326中板Q23520327中板Q23522328中板Q23525329中板Q23530330中板Q23535331中板Q23540332中板Q23545333中板Q23550334中板Q23555335中板Q23560336中板Q23565暂无337中板Q23570338中板Q23580暂无339中板Q23590340中板Q235100341中板Q235110343中板Q235130344中板Q235155345中板Q235160346中板Q235180347镀锌板0.2348镀锌板0.3349镀锌板0.5350中板45#8351中板45#12352中板45#14353中板45#16354中板45#20355中板45#22356中板45#25357中板45#30358中板45#35359中板45#40360中板45#44361中板45#50暂无362中板45#55暂无363中板45#60364中板45#70暂无365中板45#80366中板45#113367花纹板 3.25368花纹板4暂无369花纹板5370钢带0.1371钢带0.2注:表中库存列为"暂无"情况是指目前库房内没有库存,但是设计时可以选择。