单级悬臂离心泵检修知识汇总
- 格式:pdf
- 大小:107.36 KB
- 文档页数:7
离心式水泵及其维修知识概述维护离心式水泵十分重要,以下是关于离心式水泵及其维修的一些常见知识:1. 定期检查:定期检查水泵的工作状态和密封件是否完好,以确保泵的正常运行。
2. 清洁:清洁水泵的进水口和排水口,以避免杂质或污泥进入水泵,影响水泵的运行。
3. 紧固螺丝:定期检查水泵的螺丝是否松动,必要时进行紧固,以保证水泵的正常运行。
4. 润滑:定期对水泵的轴承进行润滑,以减少摩擦,延长轴承的使用寿命。
5. 润滑密封件:定期给水泵的密封件进行润滑,以确保密封件的正常运行,防止泄漏。
6. 清理叶轮:定期清理叶轮上的污垢和杂质,以保证水泵的正常运行。
维修离心式水泵时,需要对水泵的各个部件进行检查和保养,及时发现问题并及时修复,以确保水泵的正常运行。
如果水泵出现故障,应当寻求专业人员进行维修,切勿自行拆卸或修理,以避免更严重的损坏。
离心式水泵是一种常见的动力机械设备,广泛应用于工业、农业、建筑和市政等领域。
它以其结构简单、效率高、运行稳定的特点受到了广泛的青睐。
然而,随着使用时间的增加,水泵也会出现一些常见的故障,需要及时维修和保养。
下面将详细介绍离心式水泵的常见故障及其维修措施。
常见故障及维修措施:1. 泵体漏水:水泵在运行中发现泵体漏水的情况,可能是因为密封件磨损或受损所致。
此时需要及时更换密封件或进行加固处理。
另外,排除泵体连接处的螺丝松动或密封面磨损所引起的泄漏。
2. 叶轮磨损或损坏:在运行中,由于叶轮的频繁旋转,叶片容易出现磨损或损坏的情况。
这时需要拆卸泵体,更换叶轮或进行修复。
3. 叶轮偏心:水泵在运行中出现振动加剧、噪音突然增大的情况,可能是因为叶轮出现偏心,需要重新安装叶轮并调整叶轮与泵体的间隙。
4. 泵轴弯曲:水泵长时间在较重的工作条件下运行或由于操作不当,泵轴可能出现弯曲,导致水泵运行不稳定。
这种情况需要通过专业仪器测试泵轴的直线度,如有弯曲则需要更换泵轴。
5. 输液管道堵塞:在输送脏水或颗粒较大的介质时,易造成输液管道堵塞。
单级单吸悬臂式离心泵检修工艺规程
IH型泵结构图
2 构造概述:
2.1 IH型泵
2.1.1 IH型泵为单吸悬臂式耐腐蚀离心泵,用于输送不含固体颗粒,有腐蚀
性液体。
2.1.2 IH型耐腐蚀泵主要有泵体,泵盖、轴、轴套、密封装置、叶轮螺母、托架、联轴器等零部件组成。
2.1.3 泵与电机安装在同一底盘上,用抓性弹性联轴器连接;轴承采用20号机械油润滑。
密封有填料、机械密封两种。
2.1.4 F B型是指输送介质所接触的过流部件为1Cr18Ni9Ti制造。
F m是指过流部件为Cr18Ni12制造。
F S指过流部件为环氧玻璃钢制造。
3 设备检修
3.1 检修周期
3.1.1小修周期:一年。
3.1.2 大修周期:二年。
3.2 大小修项目
3.2.1小修项目
3.2.1.1 解体清洗个零部件。
3.2.1.2 检查叶轮腐蚀。
3.2.1.3 检查轴、轴承、轴封更换。
3.2.1.4 消除运行和检修中发现的缺陷。
3.2.2 大修项目
3.2.2.1 清洗零部件至金属光泽。
3.2.2.2 叶轮找静平衡。
3.2.2.3 轴弯曲、轴颈损坏情况。
3.2.2.4 更换轴承、轴封、垫子。
4 验收项目
4.1试运。
4.2轴清洗修理
4.3叶轮清洗、修理。
4.4对轮间隙、偏差检查。
4.5设备、管道、阀门的标志,油漆完整情况。
4.6检查检修原始记录和工时材料消耗记录。
4.7现场卫生和检修中安全情况。
WORD 格式整理.单级悬臂式离心泵检修方案装置 名 称:设 备 名 称:设 备 位 号:检 修 单 位:检 修 负 责人:编 制 单 位:编 制 人 员:编 制 日 期:年月日中海石油天野股份有限公司装置保运部1总则1.1适用范围本规程适用于化工企业吸入口径小于600mm、型号为IS、IH、型的单级单吸离心泵的维护和检修。
亦可用于BA型、F型离心泵的维护和检修。
其它相似类型的泵可作参考。
1.2结构简述单级离心泵主要由泵体、泵盖、叶轮、轴和托架等部件组成。
单吸泵的叶轮安装在轴端呈悬臂式,轴线端面进水,排出口与泵的轴线垂直。
电动机通过联轴器直接驱动泵。
1.3 技术性能1.3.1 IS型单级单吸离心泵主要性能见表1。
2.完好标准2.1 零、部件2.1.1 泵本体及各零、部件完整齐全。
2.1.2 基础螺栓及各连接螺栓齐全、紧固。
2.1.3 安全防护装置齐全、稳固。
2.1.4 压力表、电流表等仪表齐全、灵敏,量程符合规定,并定期校验2.1.5各部安装配合符合规定。
2.1.6 泵体及附属阀门、管件、管线油漆完整,标志明显。
2。
1.7 基础及底座完整、坚固。
2.2 运行性能2.2.1油路畅通,润滑良好,实行“五定”、“三级过滤”。
2.2.2 运转正常,无异常振动、杂音等现象。
2.2.3 压力、流量平稳,各部温度正常,电流稳定。
2.2.4 能达到铭牌出力或查定能力。
2.3技术资料2.3.1有泵的总图或结构图、易损件图。
2.3.2 有使用说明书、产品合格证、质量证明书。
2.3.3 操作规程、维护检修规程齐全。
2.3.4 设备档案齐全,数据准确可靠,包括:a. 安装及试车验收资料;b. 设备运行记录;c. 历次检修及验收记录;d. 设备缺陷及事故情况记录。
2.4设备及环境2.4.1 设备清洁,外表无尘灰、油垢。
2.4.2 基础及底座整洁,表面及周围无积水、废液,环境整齐、清洁.2.4.3 进出口阀门、管口法兰、泵体等处接合面均无泄漏。
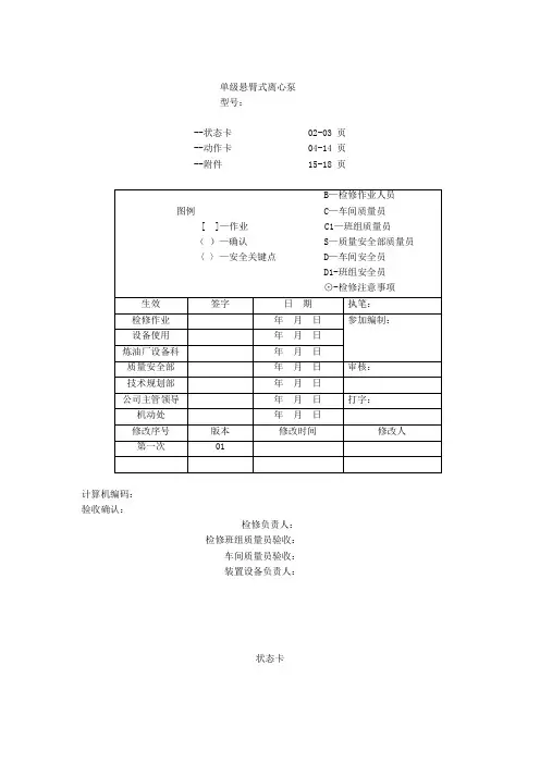
单级悬臂式离心泵型号:--状态卡 02-03 页--动作卡 04-14 页--附件 15-18 页计算机编码:验收确认:检修负责人:检修班组质量员验收:车间质量员验收:装置设备负责人:状态卡000 检修前准备;010 办理施工作业票;100 拆除泵体各部位的水线,油标,压力表等;110 拆除电机与泵之间的联轴器短节,检查对中;120 拆卸泵大盖,整体拆下转子和轴承箱部件;130 将转子和机械密封部件解体;140 将轴承箱部件解体;200 清扫并检查泵壳,泵大盖;210 清洗并检查轴承箱;220 清洗并检查所有轴承;230 清洗并检查油封和机械密封;240 清洗并检查转子部件;300 回装前准备,确认;310 将轴承箱部件组装到主轴上;320 将机封、泵大盖和轴承箱部件组装到轴上;330转子回装;400 联轴器回装;410 检查泵与电机的对中情况;420 附属管线回装;500 现场清扫;510机泵试车及验收;动作卡000 B-()检修前准备;001 B-()查阅停机前泵各部位振动值,轴承温度。
002 B-()查阅上次检修资料和有关图纸,准备检修作业规程。
003 B-()检修施工的主修人员、检修进度及检修原因、项目已经确定。
)004 B-< > 对起吊设施进行检查,应符合安全规定。
)005 B-()检修所需的零配件和相应的材料已备齐。
006 B-()检查检修专用工具和经检验合格的量具,器具已备齐。
010 办理施工作业票及办理作业风险评估报告;011 B-()施工作业票已按规定程序办理审批好。
B-< > 确认施工作业票规定的内容已经全部落实确认电机电源已经切断。
确认机泵出入口阀门关闭。
临时用电票,临时火票办理完毕。
确认泵体温度降低到40℃以下。
签字()012 B-< >-D< > 参加检修人员已经进行了安全教育。
签字()()013 B< >-D< > 办理作业风险评估报告。
离心泵维修的检查事项要点总结1.泵轴的检查1)先用煤油对泵轴进行清洗,用砂纸将泵轴表面打光,检查表面是否有沟槽和磨损。
2)同时检查轴上的键槽的磨损情况,如键槽磨损过大,可在泵轴对面1800处重开键槽。
3)泵主轴的跳动检查:在主轴装入轴承箱内后应检查主轴和轴承箱法兰面的跳动。
要求跳动1<0.05mm;2,3<0.05mm。
4)对关键机泵,如有必要可用超声波或磁性探伤或着色,检查泵轴内部是否有裂纹。
5)检查泵轴的弯曲度,一般应在室温下,将泵轴放在车床上测量最方便,精度也可以满足要求.一般我们采用v型铁作支撑架放置在平台上进行测量,应保持轴本身的水平度。
允差小于0.08mm。
2.叶轮的检查1)检查叶轮口环磨损情况。
如叶轮口环磨损在范围之内,则可以在车床上用胎具胀住叶轮内孔,对磨损部位进行修车,(要保证叶轮口环的外圆与内孔的同心度)。
但口环磨损严重,超过规定口环间隙范围,就必须进行更换。
2)检查叶轮叶片和表面是否有气蚀损坏的现象。
如叶片仅有微小空洞,不会对流量和扬程造成影响,则不必更换。
否则,必须进行修理或更换。
3)检查叶轮键槽、键以及叶轮与轴的配合。
叶轮长期使用,多次拆装,叶轮与轴或叶轮键槽与键的配合变松,影响叶轮的同心度,使泵运行时产生振动。
如发现叶轮与轴配合太松,检查叶轮或轴的磨损情况,对磨损超差的进行更换。
若叶轮键槽与键配合太松时,在叶轮原来键槽相隔180度处重开键槽,并重新配键。
3.轴承的检查1)滚动轴承装配前,先将轴承中的防锈油或润滑脂挖出,然后将轴承放在热机油中使残油熔化,再用煤油冲洗,并用白布或压缩空气吹干。
2)滚动轴承清洗后,应检查以下各项;轴承是否转动灵活、轻快自如,有无卡住现象;轴承间隙是否合适;轴承是否干净,内外圈、滚动体和隔离圈是否有锈蚀、毛刺、碰伤和裂纹;轴承内圈是否与轴肩精密相靠;轴承附件是否齐全。
如有问题则进行更换。
3)检查轴颈和轴承体时,主要用千分尺或游标卡尺测量轴颈及轴承体孔的椭圆度和圆锥度及其与轴承的配合是否符合要求。
------泵的维护、修理规程序言1化工生产对本泵的特殊要求(1)能适应化工工艺要求:压力、温度、流量、扬程、效率。
(2)耐副腐蚀性(3)耐高温、低温(4)耐磨损(5)运行可靠性(6)密封形式(7)能输送临界状态的液体2结构2.1 离心泵2.1.1单级悬臂式离心泵这种泵在我公司用量最大,其结构简单。
图----和---分别为前开门式单级悬臂式离心泵和后开门式单级悬臂式离心泵。
图—前开门式单级悬臂式离心泵图----后开门式单级悬臂式离心泵泵主要由泵体、泵盖、叶轮、泵轴和托架等组成。
托架内装有支承泵转子的轴承,轴承通常由托架内机油润滑,也可以用润滑脂润滑。
轴封装置大都采用填料密封,机械密封。
托架轴封一般采用骨架油封。
在叶轮上一般开有平衡孔,用以平衡轴向力。
3、悬臂化工用泵的主要技术参数;部分化工用泵的主要技术参数化工用泵的运行性能化工用泵在运行过程中、如果液体来源没有变化,进出口管线上阀门的开度未变,而流量或进出口压力变化了,说明泵内或管道有了故障。
要迅速查明原因,及时排除,否则,将造成不良的后果,对于离心泵来说,造成的后果要轻一些,对于容积泵来说,后果是严重的。
如容积泵造成阀门的阀芯脱落。
出口压力会突然升高,这时如果安全阀失灵,则压力会会高到使泵损坏或造成电机烧毁的程度。
图15.4-36和图15.4-37分别为离心泵和容积泵的性能曲线。
图中曲线、是指泵在额定转速下的运行曲线。
从运行性能上来看,可以看出离心泵和容积泵具有不同的特性1、+离心泵的特性流量与扬程之间存在一定的依赖性,他们沿曲线α-Β变化。
对应某一系统阻力,便有一组确定的流量和扬程,例如:对应系统阻力O’-1便有流量Q1和扬程H1。
系统阻力越大,则泵的扬程越大,而流量越小,例如:O’2-2阻力大于O’-1H2>H1Q2>Q1由于系统内摩擦阻力是随液体的流速的减少而减少的,因此,流量的减少又使系统阻力中的摩擦阻力部分减少。
当系统阻力的大小、可以通过调节泵进出口阀门的开度来实现,对于确定的泵系统来说、当出口阀门全开时,系统阻力最小,而对应的流量最大,扬程最小,功率最大。
悬臂式离心泵大修总结汇报悬臂式离心泵大修总结汇报一、悬臂式离心泵大修工作概述悬臂式离心泵作为一种常用的流体输送设备,经过长时间的运行和磨损,可能出现各种故障和性能下降的问题。
本次悬臂式离心泵大修工作主要针对泵的内外部件进行检修、清洗、更换和调整,以保证泵的正常运行和性能恢复。
二、大修前的准备工作1. 对悬臂式离心泵进行全面的检查和记录,包括泵的外观、壳体、内部部件、密封件等。
2. 清理泵的周围环境,确保施工安全和环境整洁。
3. 准备所需的工具、备品备件和相关技术资料,以便于更好地进行大修工作。
三、大修工作具体过程1. 拆卸工作:根据拆卸顺序,依次拆卸泵的进出口法兰、连接管道、连接螺栓等。
2. 内部清洗:将泵的内部部件拆出,进行清洗,包括叶轮、泵壳、轴承等。
采用适当的清洗剂和工具,确保清洗干净。
3. 零部件检查:对泵的零部件进行全面的检查,包括叶轮磨损情况、轴承磨损情况、密封件状态等。
根据检查结果,决定是否需要更换零部件。
4. 零部件更换:对需要更换的零部件,按照技术要求进行更换,确保更换的零部件符合要求。
5. 装配调整:将清洗好的零部件进行装配工作,包括叶轮、轴承、泵壳等,然后进行合理的调整,以保证泵的运转平稳。
6. 泵体检修:对泵的外壳、法兰等进行检修和维护,保证泵的安全和可靠性。
7. 密封件更换:根据泵的使用情况,对密封件进行检查并进行更换,确保泵的密封性能。
8. 清洗泵的内外部:清洗好的泵内外部进行彻底的清洗,保证泵的整洁和卫生。
四、大修后的工作1. 对大修后的悬臂式离心泵进行全面的检查和测试,确保泵的各项性能指标符合要求。
2. 填写相关的检修记录和报告,做好相关的文件整理和归档工作。
3. 定期检查和维护悬臂式离心泵,提前发现和解决问题,以保证其正常运行和延长使用寿命。
五、总结和反思本次悬臂式离心泵大修工作认真负责、按照既定流程进行,确保了泵的正常运行和性能恢复。
但也存在一些问题,比如大修工作周期较长,影响了生产进度,下次应该提前计划好工期;部分备件采购不及时,导致延误施工,需要加强备件管理。
离心泵的检修1、离心泵拆卸前准备:(1)办理作业票证,落实安全措施;(2)准备检修用的表格及了解各部件的装配标准;(3)准备检修所需的工具及量具;2、单级悬臂式离心泵的拆卸方法和顺序:(1)单级悬臂式离心泵(Y/AY/ZA型)的拆卸顺序如下:①拆卸联轴器护罩,固定螺栓重新紧入泵座;②拆卸联轴器中间短节,设定联轴器的定位标记,测量间距作好记录;③拆卸附属管线,做好标记,放出机油箱内润滑油;④松卸机封压盖螺栓,进一步对泵泄压确认,拆卸泵盖螺栓,注意:顶出泵盖前对称留两条螺栓;⑤用顶丝均匀顶出泵盖,移出泵体, 抬泵人员双手握紧机泵联轴器内侧,防止挤伤手;⑥将泵运到检修区域,冲洗干净(特别是原、重油泵),沿流道方向,对叶轮进行清理后,拆卸叶轮背母、叶轮及键(定置摆放);检查蜗壳、叶轮冲蚀情况,口环间隙,不符合要求进行修整或更换⑦拆卸密封压盖螺栓和泵盖连接螺栓,对称轻击泵盖使其与托架脱离,水平拖出泵盖,拖动时用力要均匀;⑧用撬棍对称撬出机泵轴套,轴套过紧时,可用手锤均匀击打轴套两端与轴结合部,必要时可加热处理,并对机封进行清洗后摆放好备用,磨损严重进行更换;⑨将百分表座固定在托架上,固定要牢固,测量轴弯曲度及轴承径向间隙,不符合要求进行修正或更换。
用拉马拉出靠背轮然后拆卸两端轴承压盖(用铜棒轻敲压盖使其松动),检查油封老化磨损情况不符合要求更换;⑩拆下轴承锁母,用轴承拉拔器拆卸前后轴承(清洗后定置摆放);(2)各部件的检查与检测:1)泵轴的检查:①其表面应无裂纹、伤痕,配合面无高点,其弯曲度最大处不应超过0.05mm,轴颈椭圆度不超过轴颈的1/2000,键与键槽应配合紧密,禁止加垫片,其紧力要求应符合下表规定:易脱落,镀铬法优点是零件不易变形,无残余应力;当磨损较大或有凹陷时,可用振动堆焊法,焊前应将轴车圆退火消除应力,焊好后车圆达到技术要求即可。
②轴承的检查:滚动体及跑道无麻点、无明显磨损;③联轴器的检查:靠背轮与轴的配合为H7/js6,表面无伤痕,端面跳动小于0.05mm;2)叶轮及各密封环的检查:①转子跳动度不应超过下表规定:前必须清理干净去毛刺及高点;③叶轮应无砂眼、穿孔、裂纹或因冲蚀壁厚严重减薄,叶轮与轴配合要求为H7/j6,键顶部应留0.1-0.4mm间隙,叶轮口环间隙应符合下表规定:①密封面无裂纹高点,口环不松动,口环间隙符合标准,流道无严重腐蚀;②检测泵盖垫片是否能够压紧,测量泵盖与蜗壳止口的高度差,当泵盖螺栓把紧后应留有0.5—3mm的间隙,通过调整泵盖垫片的厚度来调整。
知识离心泵检修要点汇总离心泵检修小修项目:1 更换填料密封。
2 双支承泵检查清洗轴承、轴承箱、挡油环、挡水环、油标等,调整轴承间隙。
3 检查修复联轴器及驱动机与泵的对中情况。
4 处理在运行中出现的一般缺陷。
5 检查清理冷却水、封油和润滑等系统。
大修项目:1 包括小修项目。
2 检查修理机械密封。
3 解体检查各零部件的磨损、腐蚀和冲蚀情况。
泵轴、叶轮必要时进行无损探伤。
4 检查清理轴承、油封等,测量、调整轴承油封间隙。
5 检查测量转子的各部圆跳动和间隙,必要时做动平衡检验。
6 检查并校正轴的直线度。
7 测量并调整转子的轴向窜动量。
8 检查泵体、基础、地脚螺栓及进出口法兰的错位情况,防止将附加应力施加于泵体,必要时重新配管。
离心泵在进行拆卸检修时,解体、检修、回装三个阶段需要按照要求规定和步骤进行操作。
解体时1、拆止推轴承前应利用百分表测量出平衡盘间隙,并做好记录;2、多级泵解体时必须将各零件按原装配顺序做好记号,以免回装时混乱、装错;3、不便于做记号的小件(比如键)可与同级的叶轮或导叶(中段)等放在一起;4、解体时可直观感觉一下是否有不正常的零件,比如配合松动等。
检修时1、目测各零件表面是否正常,各配合面必须无磕碰划伤、无锈蚀等;2、用量具实测关键配合部位公差是否合格;3、量叶轮密封环、壳体密封环、导叶密封环、级间轴套等处的间隙是否在允差范围内,磨损过大的需要更换;4、检查轴承是否完好;5、所有密封圈、密封垫最好都换新的。
回装时1、先将转子装好,重新进行动平衡试验;2、按拆泵的相反顺序回装各零件,回装时注意再次量各密封环处间隙值,确保无误;3、装平衡盘之前应测量转子总串量;4、装上平衡盘后,测量转子半串量;5、与制造厂总装配图上要求的总串量及半串量对照,应基本符合图纸要求。
一般情况下半串量大约是总串量的一半左右;6、均匀地紧好各主螺栓,注意应对角进行;7、在轴上吸一块百分表,旋转轴对平衡盘进行打表,允差按图纸要求,一般不得超过0.06;8、装止推轴承时应注意调整平衡盘的间隙,应利用轴承前的调整环将平衡盘间隙调整至图纸要求。
单级离心泵常见故障及处理方法1.泵无法启动或无输出液体流量:可能的原因:-电源故障:检查电源是否打开,电缆是否正常连接。
-电机故障:检查电机是否正常,电机轴是否卡住。
-泵被堵塞:检查泵体是否有异物或固体物质,并进行清洁。
处理方法:-确保电源正常,电缆连接牢固。
-检查电机是否正常,必要时更换电机。
-清洁泵体,去除堵塞物。
-检查泵的吸入管道是否有阻塞,清洁或更换阻塞部件。
2.泵有噪音或振动:可能的原因:-泵和电机之间的对中问题:检查电机和泵之间的对中情况,必要时重新对中。
-泵轴弯曲:检查泵轴是否弯曲,必要时更换。
-泵轴承故障:检查泵轴承是否磨损或损坏,必要时更换。
处理方法:-重新对中电机和泵之间的位置。
-更换弯曲的泵轴。
-更换磨损或损坏的泵轴承。
3.泵漏液:可能的原因:-泵密封损坏:检查泵的密封装置是否破损或老化,必要时更换。
-泵体漏损:检查泵体是否有裂缝或破损,必要时更换泵体。
-管道连接松动:检查管道连接是否牢固。
处理方法:-更换破损的泵密封。
-更换破损的泵体。
-紧固管道连接。
4.泵效率下降:可能的原因:-电机转速变慢:检查电机转速是否正常,必要时更换电机。
-泵叶轮磨损:检查泵叶轮是否磨损,必要时更换。
-泵内部堵塞:检查泵内是否有异物或颗粒物质,清洁泵体。
处理方法:-更换转速变慢的电机。
-更换磨损的泵叶轮。
-清洁泵体,去除堵塞物。
5.泵过热:可能的原因:-泵运行时间过长:检查泵运行时间是否符合规范,必要时进行定期维护。
-泵润滑不足:检查泵润滑系统是否正常运行,必要时增加润滑剂。
处理方法:-合理控制泵的运行时间,避免过长。
-检查泵润滑系统,确保润滑充足。
通过了解这些常见故障和处理方法,可以及时发现并解决单级离心泵的问题,确保其正常运行。
同时,定期维护和检查也是预防故障的重要手段,可以延长泵的寿命。
单级离心泵的检修过程及标准下载温馨提示:该文档是我店铺精心编制而成,希望大家下载以后,能够帮助大家解决实际的问题。
文档下载后可定制随意修改,请根据实际需要进行相应的调整和使用,谢谢!并且,本店铺为大家提供各种各样类型的实用资料,如教育随笔、日记赏析、句子摘抄、古诗大全、经典美文、话题作文、工作总结、词语解析、文案摘录、其他资料等等,如想了解不同资料格式和写法,敬请关注!Download tips: This document is carefully compiled by the editor. I hope that after you download them, they can help yousolve practical problems. The document can be customized and modified after downloading, please adjust and use it according to actual needs, thank you!In addition, our shop provides you with various types of practical materials, such as educational essays, diary appreciation, sentence excerpts, ancient poems, classic articles, topic composition, work summary, word parsing, copy excerpts,other materials and so on, want to know different data formats and writing methods, please pay attention!单级离心泵是工业领域中常见的一种泵类,它在各种领域中被广泛应用,如工业生产、建筑工程、农业灌溉等。
单级悬臂离心泵检修知识汇总
(一、泵的拆卸)
检修时首先要熟悉泵的结构,同时要抓住四大重要环节,
正确的拆卸;零件的清洗、检查、修理或更换;精心的组
装;组装后各零件之间的相对位置及各部件间隙的调整。
单级离心泵的拆卸
1.拆卸前的准备工作
a.切断电源,确保拆卸时的安全。
b.关闭进出口阀门,隔绝介质来源。
c.打开放液阀,消除泵体内的残余压力,放尽泵体内的残余介质。
d.拆除两半联轴器的连接装置。
e.拆下电动机座螺栓,将电动机与泵体分离。
2.拆卸顺序
a.泵体的拆卸拆下泵体的极左螺栓及泵后盖紧固螺栓,即可拆下泵体。
泵体机座螺栓位于泵最下方靠近联轴器一侧,它与机座上的螺孔连接,最易受酸、碱等介质的腐蚀和氧化锈蚀。
长时间使用会使得机座螺栓难以拆卸,因而在拆卸时,应用煤油或松动剂涂抹螺栓,使其浸泡一段时间,或用手对螺母进行敲击振动,使其锈蚀脱落,便于地脚螺栓的拆卸。
b.叶轮及泵盖的拆卸拆卸叶轮时,用手用扳手卡住叶轮前段的轴头螺母,沿离心泵叶轮的旋转方向下螺母,并用双手将叶轮从泵轴上拉
出来。
然后将填料压盖的压紧螺母松开,拆除填料,以免拆下泵盖时增加滑动阻力。
最后,旋下连接泵盖与泵体的双头螺母,沿泵轴方向将泵盖拉出来。
如出现锈蚀,可将泵体竖起,泵盖置于下端并悬空,用木锤沿四周敲击泵盖,将其取下。
c.泵轴的拆卸要把泵轴拆卸下来,必须先将轴组(包括泵轴、滚动轴承以及防松动装置)从泵体上拆下来,为此,需按以下程序经行:拆下泵轴后端的大螺母,用拉力器将泵的半联轴器拉下来,并用通芯螺丝刀将平键冲下来
拆下轴承压盖螺栓,并把轴承压盖拆除,同时将润滑油倒出
用手将叶轮端的轴头螺母拧紧在轴上,并用手锤敲击螺母,使轴组向后端退出泵体。
拆除防松动垫片的锁紧装置,用锁紧扳手拆卸滚动轴承的圆形螺母,并取下防松动垫片
用拉力器将滚动轴承拆卸下来。
3.拆卸中注意的问题
a.机座螺栓处的垫片是用来调整电动机轴与泵轴的同轴度的,因此同一个机座螺栓处的垫片应放在一起,回装时仍装在原处
b.拆卸中泵体内有残留介质可用清水冲干净,以免对皮肤造成化学烧伤。
(二、泵零件的清洗)
对零部件进行清洗时拆卸工作后必须进行的一项工序,经
过清洗的零部件才能仔细的进行检查与测量清洗的工作
质量将直接影响检查与测量的精度。
1.清洗工具
a.清洗剂清洗剂应有去污力强,易挥发、不腐蚀、不溶解被清洗件性质。
常有的清洗剂有汽油、煤油、柴油和有溶性清洗剂。
b.油盒油盒是盛放清洗剂的容器,大小可以根据被清洗件的大小来选择。
c.毛刷与面纱用毛刷和面纱粘取清洗剂对零部件进行清洗。
2.清洗时应注意的事项
a.对零部件的清洗应尽量干净,特别应注意对尖角或槽内部的清洗工作。
b.清洗轴承时应先挖去轴承内的润滑脂,并使用新的清洗剂对滚动体及内环外环上跑道的清洗。
(三、泵主要部件的检查与测量)
1.转子的检查与测量
a.叶轮腐蚀与磨损的检查对于叶轮的检查,主要是检查叶轮被介质腐蚀的情况,以及转动过程中的磨损,长期运行的叶轮由于受到介质的冲刷或腐蚀,出现壁厚的减薄,降低了叶轮的强度,同时叶轮也可能与泵体泵盖或密封环相互产生摩擦,而出现局部的磨损,另外铸铁材质的叶轮可能存在气孔或夹渣等缺陷。
上述的缺陷和局部磨损时不
均匀的,极易破坏转子的平衡,使离心泵产生振动,导致离心泵的使用寿命。
因而应对叶轮认真检查。
b.叶轮径向跳动的测量首先把叶轮、滚动轴承与泵轴组装在一起,并穿入原来的泵体内,使叶轮与泵轴能自由转动,放置两块千分表,使千分表的触头分别接触进口端的外圆周和出口端的外圆周,用手缓慢转动叶轮,千分表读数的最大值减去最小值及径向跳到量,要求不超过0.05mm。
c.轴套的检查对轴套磨损情况进行检查时可用千分尺或游标卡尺测量其外径尺寸,将测量的尺寸与标准外径相比较。
一般情况下,轴套外圆周上的圆环形磨痕不超过0.5mm.
d.泵轴的测量与检查对于泵轴应先用外径千分尺对泵各外径经行测量与标准进行比较,还要对直线度进行测量,将泵轴放在车床的两顶尖之间在轴上适当位置设置两块千分表。
用手缓慢转动泵轴,观察千分表读数。
2.密封环的检查与测量
密封环的磨损通常有圆周方向的均匀磨损和局部的偏,磨损,均匀磨损使得密封环的厚度普遍减薄,与叶轮进口的径向间隙增大。
偏磨损使密封环内圆的圆柱度偏差增大,与叶轮进口段的径向间隙也随之增大,任何一种破坏径向间隙的磨损都会造成密封环的报废,密封环与叶轮进口端外圆之间,四周间隙应保持均匀,对于密封环与叶轮之间的轴向间隙一般要求不高,以两者之间有间隙,而不发生摩擦为宜。
3.滚动轴承的检查
仔细检查轴承内外环有无裂痕,有无缺损,滚动体有无斑点,如发现缺陷应更换新的轴承。
4.泵体的检查与测量
a.轴承孔的检查测量用游标卡尺或千分尺对轴承内部经行测量,后与原始尺寸进行比较,确定磨损大小,还要检查轴承孔表面有无裂痕等缺陷,如有缺陷,需要修复才能使用。
b.泵体损伤的检查可采取手锤敲击法。
用手锤敲击泵体各个部位,如发出响声比较清脆,说明泵体上没有裂纹。
如声音浑浊说明可能存在裂纹。
(四、泵主要零部件的修理)
1.叶轮的修理
a.磨损的修理叶轮使用一段时间后会产生正常的磨损或腐蚀,应视不同情况以修复或更换。
叶轮与其他零部件产生的偏磨损可用堆焊法来修理,堆焊后应在车床上将堆焊的层车光到原来的尺寸。
玻璃钢或塑料叶轮不进行修复,用备件更换。
大型化工泵叶轮流道较宽,当它被腐蚀时除用堆焊法外还可以用环氧树脂胶修补。
b.径向跳动的修理径向跳动不超过0.05mm,如超过不多可以在车床上车去0.06~0.1mm,如超过多(超过0.1mm)应检查泵轴的直线度,可以矫直泵轴的方法进行修理,来消除叶轮的跳动。
2.泵轴的修理
a.弯曲泵轴的修理如果弯曲量超过允许范围,则可以利用矫直方法对泵轴进行修理。
b.泵轴的磨损如果磨损深度不太大时,可将磨损部位用堆焊法进行修理,如果磨损深度较大时,可用补充零件法来修理。
磨损很严重或出现裂纹的泵轴不进行修理,用备件进行更换。
3.泵体的修理
a.泵轴承孔的修理轴承孔的内圆尺寸磨大或出现台阶、沟纹时,可用补充零件法来修理。
b.泵体损伤的修理对于铸造泵体出现夹渣或气体时可先将缺陷处理干净,然后进行补焊,泵体因受到振动、碰撞而出现裂纹时,可用氧-乙炔气焊的方法进行补焊。
(五、泵的装配)
离心泵的装配是一项重要步骤,装配质量的好坏,直接关
系到泵的性能和使用寿命。
为顺利进行装配工作,首先应
明确装配要求。
1.装配技术的要求
a.装配合格的离心泵,应盘车轻快,无机械摩擦现象。
b.泵轴不应产生窜动。
c.离心泵的半联轴器与电机半联轴器装配的同轴度偏差符合技术要求。
d.添加的润滑油、润滑脂应适量。
2.装配前的准备工作
a.仔细阅读泵的相关技术要求、图纸、说明书等。
b.熟悉泵的组装质量标准。
c.检查泵的零件是否齐全,质量是否合格。
d.备齐所使用的工具、量具等;
e.准备好泵所需的消耗性物品,如润滑油、石棉盘根等。
3.离心泵装配顺序
各种型号的离心泵,由于其结构不同,装配顺序自然不会一致。
以后开门式的IS型为例,装配应按下列顺序进行:
a.装配轴组,即把轴承装配在泵轴上;
b.将轴组装入泵体;
c.将泵壳安装在机座上;
d.将泵盖套装在泵轴上,并安装叶轮;
e.将泵盖安装在泵壳上,把泵体安装在机座上;
f.装填料;
g.联轴器找正。