场地设计题库
- 格式:doc
- 大小:979.00 KB
- 文档页数:11
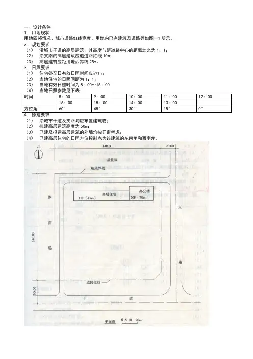
一、设计条件1.用地现状用地四邻情况、城市道路红线宽度、用地内已有建筑及道路等如图—1所示。
2.规划要求(1)沿城市干道的高层建筑,其高度与距道路中心的距离之比为1:1;(2)沿支路的高层建筑应退道路红线10m;(3)高层建筑应距用地西界线25m。
3.日照要求(1)住宅冬至日有效日照时间应≥1h;(2)当地住宅的日照间距为1:1;(3)当地有效日照时间为8:00~16:00时间8:009:0010:0011:0012:00 16:0015:0014:0013:00方位角60°45°30°15°0°(1)沿城市干道及支路均应布置建筑物;(2)拟建高层建筑高度为50m;(3)已建及拟建高层建筑的外墙均按开窗考虑;(4)已建高层住宅的日照方位控制点为该建筑的东南角和西南角。
平面图—1所示的地产是私人出售的,卖方还拥有该地块东面的地产。
卖方对出售的地产在使用上要求买方不得在共同的用地界线(50英尺)以内建造房屋,并有下列限制:1.前院后退:(60英尺)2.边院后退:(40英尺)3.后院后退:(50英尺)4.公用设施用地宽度:(60英尺)在上述后退距离及公用设施用地内均不得修建建筑物。
停车场可设在四周用地界线的(20英尺)以内。
任务要求在平面图—1内:1.用虚线画出所有的控制线,并标明该线的不同性质及尺寸。
2.用实线画出并标明可作为停车场的用地控制线,但可不标注尺寸。
3.用方格网线画出最大可建用地范围。
某平坦场地入图—1所示,其南面和东面为已建办公楼和住宅,业主拟在用地内修建多层住宅低层别墅。
城市规划部门对建设的要求如下:1.建筑控制线:西面和北面分别后退道路红线和用地界线5m;东面和南面后退用地界线3m。
2.距小河中心线5m范围内和距古亭8m范围内不得作为建筑用地。
3.当地日照间距:多层住宅为1:1:2,低层别墅为1:1:7。
不考虑古亭的日照间距。
任务要求1.在用地平面图上,绘出拟建多层住宅和低层别墅的最大可建范围,并标注尺寸。
体育场地设计考试试题一、选择题(每题 3 分,共 30 分)1、标准足球场的长度范围是()A 90 120 米B 100 110 米C 105 120 米D 90 110 米2、篮球场地的三分线半径在国际篮联标准中是()A 675 米B 625 米C 725 米D 75 米3、以下哪种材料不适合用于田径跑道的表面()A 塑胶B 人造草C 水泥D 橡胶4、网球场的双打场地宽度是()A 1097 米B 823 米C 128 米D 100 米5、游泳池的水深一般在()A 18 20 米B 12 18 米C 10 15 米D 20 25 米6、体育场地排水系统中,常用的排水方式不包括()A 地表径流排水B 地下暗管排水C 水泵排水D 人工舀水7、设计室内羽毛球场时,照明灯光的布置应该()A 垂直于场地B 平行于场地C 从上方直射D 无特定要求8、以下关于体育场地观众席的设置,错误的是()A 要保证观众有良好的视野B 观众席的坡度不宜过大C 可以设置不同等级的观众席位D 观众席距离场地越近越好9、足球场草坪的养护,不包括以下哪项工作()A 修剪B 施肥C 浇水D 铺设地毯10、体育场地周围的缓冲区宽度,一般根据()来确定。
A 场地的用途B 场地的面积C 运动员的水平D 观众的数量二、填空题(每题 3 分,共 30 分)1、标准田径场的跑道一圈长度是_____米。
2、排球场地的网高,男子为_____米,女子为_____米。
3、乒乓球台的台面尺寸是_____。
4、高尔夫球场通常由_____、_____、_____等部分组成。
5、体育场地的无障碍设计要考虑_____、_____等方面。
6、体育馆的声学设计主要是为了控制_____和_____。
7、轮滑场地的地面要求_____、_____。
8、健身步道的宽度一般不小于_____米。
9、冰球场的冰面温度通常保持在_____摄氏度左右。
10、体育场地的选址要考虑_____、_____、_____等因素。
场地设计总复习题-答案重点题目一.单选题﹡1.根据广场的性质划分,城市广场可分为(D )。
A.市政广场、纪念广场、交通广场、商业广场等四类B.市政广场、交通广场、商业广场、娱乐广场、集散广场等五类C.市政广场、交通广场、商业广场、娱乐广场、纪念广场、宗教广场、集散广场七类D.市政广场、交通广场、商业广场、休息及娱乐广场、纪念广场、宗教广场等六类﹡3.只有一个双车道汽车疏散出口的地下汽车库,其最大允许停车位是(A )辆。
A.100 B.90 C.80 D.70﹡8.关于规划总用地范围的周界问题下列何项是错误的(C )。
A.自然分界线;B.道路中心线;C.道路红线;D.双方用地的交界处划分﹡12.初步设计说明书中,下列哪一项面积指标一般不列入“总指标”( B )。
A.总建筑占地面积B.总使用面积C.总用地面积D.总建筑面积﹡15、沿街建筑物长度超过多少时,应设不小于( B )面积的消防通道。
A.160m,3m×3m B.160m,4m×4m C.180m,4m×3m D.120m,4m×4m ﹡18、当高层建筑的沿街长度超过( A )米时,应在适中位置设置穿过高层建筑的消防车道。
A.150m B.220m C.160m D.210m﹡29.厂区围墙与厂内建筑之间的间距不宜小于(C)米,且围墙两侧的建筑之间还应满足相应的防火间距要求。
A、1B、3C、5D、10二.多项选择题﹡ 1. 投资估算划分为(ABCD) 阶段:A规划阶段B评审阶段C项目建议书阶段D可行性研究阶段﹡ 2.公共建筑的群体组合方式(ABCD) 。
A对称式B自由式C庭院式D综合式F自由式﹡ 4.住宅群体组合主要有以下(ABCD)基本形式。
A行列式B周边式C点群式D混合式F自由式﹡6.医院选址应符合下列要求(ABCD)。
A 交通方便、面临两条城市道路;B 便于利用城市基础设施、环境安静,远离污染源、地形力求规整;C 远离易燃易爆物品的生产和贮存区;D 远离高压线及其设施、不应邻近少年儿童活动密集场所。
2024年一级注册建筑师之设计前期与场地设计题库附答案(典型题)单选题(共45题)1、地下管线之间遇到矛盾时,按下列原则处理何者有误?( )A.临时管线避让永久管线B.小管线避让大管线C.可弯曲管线避让不可弯曲管线D.重力自流管线避让压力管线【答案】 D2、在下列各类用地土地使用年限的出让最高年限中,正确的是:( )A.居住用地60年B.工业用地40年C.商业、旅游、娱乐用地40年D.教育、科技、文化、卫生、体育用地40年【答案】 C3、下列关于居住区内绿地面积计算的叙述,错误的是( )。
A.对居住区级路算到红线B.对小区路算到路边,当小区路设有人行便道时算到便道边C.带状公共绿地面积计算的起止界同院落或组团绿地D.对建筑物算到散水边,当采用暗埋散水(即绿化可铺到墙边)时算到墙边【答案】 D4、有关道路侧石边缘与乔木或灌木的最小水平净距要求,正确的是( )。
A.与乔木中心0.5m,与灌木中心0.5mB.与乔木中心1.0m,与灌木中心0.5mC.与乔木中心1.0m,与灌木中心1.0mD.与乔木中心1.5m,与灌木中心1.0m【答案】 A5、在进行管线布置时,应符合管线布置原则,下列说法中哪项不妥?( )A.管线应从建筑物向道路方向由浅至深敷设B.各种管线的敷设不应影响建筑物的安全,并防止管线受腐蚀、振动等影响而受破坏C.与道路平行的管线宜设于车行道下,经常翻修的管道设于上方,翻修较少的管道设于下方D.地下管线的走向宜与建筑主体或道路相平行或垂直【答案】 C6、可行性研究阶段宜采用的投资估算法是()。
A.生产能力指数法B.系数估算法C.指标估算法D.比例估算法【答案】 C7、室内运动场内某场地平面尺寸为18m×9m,其应为何种球类运动的场地?()B.网球C.羽毛球D.排球【答案】 D8、下列有关机动车停车场通向城市道路出入口的说法中,错误的是:( )A.出入口应距离城市人行过街天桥、地道、桥梁等的引道口大于50mB.在以出入口边线与车道中心线交点作视点的120°范围内至边线外7.5m以上不应有遮挡视线障碍物C.大中型停车场出入口应不少于两个D.单向行驶时出入口宽度不应小于5m【答案】 B9、下列指标中,不属于详细规划阶段海绵城市低影响开发单项控制指标的是()。
场地设计习题一、设计条件 1. 用地现状用地四邻情况、城市道路红线宽度、用地内已有建筑及道路等如图—1所示。
2. 规划要求沿城市干道的高层建筑,其高度与距道路中心的距离之比为1:1;沿支路的高层建筑应退道路红线10m;高层建筑应距用地西界线25m。
3. 日照要求住宅冬至日有效日照时间应≥1h;当地住宅的日照间距为1:1;当地有效日照时间为8:00~16:00 当地日照参数见下表:时间 8:00 9:00 10:00 11:00 16:00 15:00 14:00 13:00 方位角 60° 45° 30° 15° 4. 修建要求沿城市干道及支路均应布置建筑物;拟建高层建筑高度为50m;已建及拟建高层建筑的外墙均按开窗考虑;已建高层住宅的日照方位控制点为该建筑的东南角和西南角。
12:00 0°1二、设计条件平面图—1所示的地产是私人出售的,卖方还拥有该地块东面的地产。
卖方对出售的地产在使用上要求买方不得在共同的用地界线以内建造房屋,并有下列限制: 1. 前院后退: 2. 边院后退: 3. 后院后退:4. 公用设施用地宽度:在上述后退距离及公用设施用地内均不得修建建筑物。
停车场可设在四周用地界线的以内。
任务要求在平面图—1内:1. 用虚线画出所有的控制线,并标明该线的不同性质及尺寸。
2. 用实线画出并标明可作为停车场的用地控制线,但可不标注尺寸。
3. 用方格网线画出最大可建用地范围。
2三、设计条件某平坦场地入图—1所示,其南面和东面为已建办公楼和住宅,业主拟在用地内修建多层住宅低层别墅。
城市规划部门对建设的要求如下:1. 建筑控制线:西面和北面分别后退道路红线和用地界线5m;东面和南面后退用地界线3m。
2. 距小河中心线5m范围内和距古亭8m范围内不得作为建筑用地。
3. 当地日照间距:多层住宅为1:1:2,低层别墅为1:1:7。
不考虑古亭的日照间距。
大学场地设计考试题目及答案一、单项选择题(每题2分,共20分)1. 下列哪项不是场地设计需要考虑的基本要素?A. 地形地貌B. 植被覆盖C. 建筑风格D. 交通流量答案:C2. 场地设计中的“微气候”主要是指什么?A. 局部地区的气候条件B. 场地内部的气候调节系统C. 场地周边的气候影响D. 场地内部的气候模拟答案:A3. 在进行场地设计时,以下哪项不是必须考虑的环境因素?A. 光照条件B. 噪音污染C. 土壤质量D. 建筑风格答案:D4. 以下哪个不是场地设计的基本原则?A. 功能性B. 美观性C. 经济性D. 随机性答案:D5. 场地设计中的“无障碍设计”主要针对哪类人群?A. 儿童B. 老年人C. 残疾人D. 运动员答案:C6. 在进行场地设计时,通常需要收集哪些基础数据?A. 地质数据B. 气象数据C. 人口统计数据D. 所有以上选项答案:D7. 以下哪项不是场地设计中的景观元素?A. 植物B. 水体C. 铺装D. 照明设备答案:D8. 场地设计中的“绿色基础设施”通常指的是什么?A. 绿色屋顶B. 雨水花园C. 太阳能板D. 所有以上选项答案:D9. 在场地设计中,如何实现雨水的可持续管理?A. 增加硬质铺装B. 建立雨水收集系统C. 减少植被覆盖D. 增加照明设施答案:B10. 下列哪项不是场地设计中的交通规划需要考虑的因素?A. 行人流量B. 车辆流量C. 停车需求D. 建筑风格答案:D二、简答题(每题10分,共30分)1. 简述场地设计中“人性化设计”的重要性。
答案:人性化设计在场地设计中至关重要,因为它关注于满足使用者的需求和提升用户体验。
它包括无障碍设计、儿童游乐区的设置、老年人休息区的规划等,确保所有年龄和能力的人都能在场地中感到舒适和便利。
此外,人性化设计还涉及到安全性、可达性和标识系统的清晰性,这些都是为了提高场地的整体功能性和吸引力。
2. 描述场地设计中如何实现生态可持续性。
2023年-2024年一级注册建筑师之设计前期与场地设计基础试题库和答案要点单选题(共45题)1、关于建筑基地场地竖向设计,说法错误的是()。
A.当基地自然坡度大于8%时,宜采用台阶式布置方式B.当基地自然坡度大于5%时,宜采用台阶式布置方式C.当基地自然坡度小于5%时,宜采用平坡式布置方式D.基地临近挡墙或护坡的地段,宜设置排水沟【答案】 B2、在下列哪种气候区应重点解决住宅冬季的日照、防寒和保温问题?( )A.Ⅰ、Ⅱ气候区B.Ⅳ、Ⅴ气候区C.Ⅱ、Ⅲ气候区D.Ⅲ、Ⅳ气候区【答案】 A3、托儿所、幼儿园宜有集中绿化用地面积,但应注意植物品种的选择,下列植物中( )不宜种在托儿所、幼儿园之中。
A.紫叶小檗B.黄刺玫C.紫丁香D.龙爪槐【答案】 B4、建设工程概算书工程费用直接反映项目场地设计的经济性,但构成工程费用的项目不包括:( )A.场地准备及临时设施费B.室外土方工程费C.道路广场和园林绿化费D.室外管线工程【答案】 A5、关于托儿所、幼儿园的选址要求,以下哪项错误?( )A.必须设置各班专用活动场地,还应设有全园共用的室外游戏场地B.服务半径800m为宜C.基地远离各种污染源D.应设有集中绿化园地,并严禁种植有毒、带刺植物【答案】 B6、相邻台地间高差大于多少时,应在挡土墙或坡比值大于0.5的护坡顶面加设安全防护设施?()A.0.9mB.1.2mC.0.7mD.1.8m【答案】 C7、民用建筑设计中应贯彻“节约”基本国策,其内容是指节约()。
A.用地、能源、用水、建设周期B.用地、能源、用水、投资C.用地、能源、用水、劳动力D.用地、能源、用水、原材料【答案】 D8、村镇道路是村镇规划范围内路面宽度在多少以上道路的总称?( )A.12mB.7mC.5mD.3.5m【答案】 D9、按照《城市居住区规划设计规范》要求,12班普通小学用地面积最小为( )。
A.4000㎡B.5000㎡C.6000㎡D.8000㎡【答案】 C10、建设项目的环境影响报告书(或表),应当在( )阶段完成。
习题1
设计条件:拟在山坡上建一座纪念碑,如图所示,其场地周围雨水完全依靠地形调整要求:
1.地形调整在本场内进行,排水应顺应地势;
2.山坡上的雨水不应流入广场;
3.原有树木保留,并力求土方量工程节省;
4.场地四周作1:2边坡,广场内不得积水
5.排水渠宽度为、深度为,沟底纵坡忽略不计,设计等高距为.。
任务要求:
1.回答下列问题:
(1)广场的设计标高为()m。
最北边的设计等高线与广场北侧的距离为()m。
场地内共有()根设计等高线。
2.确定广场的设计标高(用地内坡度忽略不计)
3.绘出修整后的边坡和排水渠的设计等高线。
图1
习题2
某用地界限及地形如图所示,要求在用地中平整出一块30×30m的平地作为建设场地,其条件为:1、建设场地边与用地界线平行。
2、土方最省
3、建设场地周围做1:2护坡,护坡边不得超越用地界线。
任务要求
1、画出建设场地并标出标高
2、画出建设场地四周1:2护坡
图2
习题3
设计条件:在已有的斜坡上拟建一个设计坡度为3%的建设用地。
所有填方和挖方的边坡坡度为1:3砌筑,设计等高线为1m。
任务要求:
1.回答下列问题:
(1)设计地面比地形高时为(),低时为()A 填方、挖方;B 挖方、填方
(2)用地东侧和西侧的等高线与对应的用地边缘相互()A 平行;B 不平行
(3)用地北侧有()条等高线。
A 2;B3;C4;D5
(4)设计等高线与地形等高线衔接处为()A 相交的直线;B 平顺的曲线2.绘出修整后的地面、边坡和排水渠的设计等高线
北。
2024年一级注册建筑师之设计前期与场地设计题库附答案(典型题)单选题(共45题)1、中小学校校园内用地分类为( )。
A.建筑用地,运动场地,道路用地B.建筑用地,运动场地,其他用地C.建筑用地,运动场地,绿化及室外科学园地,其他用地D.建筑用地,运动用地,园林绿地,道路用地【答案】 C2、设计前期需要收集的资料不包括( )。
A.项目土地出让协议B.水文、气象资料C.规划市政条件D.详细岩土地质资料【答案】 A3、综合医院总平面布局时规定医院出入口不应少于二处,主要基于下列何种考虑?()A.人员出入口不应兼作尸体和废弃物出口B.车辆出入口不应兼作尸体和废弃物出口C.人员出入口不应兼作车辆出入口D.医护人员出入口不应兼作病人出入口【答案】 A4、工程管线平面位置和竖向位置应采用的坐标系统和高程系统,正确的是( )。
A.国际统一的坐标系统和高程系统B.国家统一的坐标系统和高程系统C.城市统一的坐标系统和高程系统D.国家统一的坐标系统和城市统一的高程系统【答案】 C5、在竖向规划阶段,土石方量的估算范围不包括以下哪项?()A.场地平整土石方量B.地面设施的土石方量C.道路的土石方量D.地下工程、管网、建(构)筑物基础等的土石方量【答案】 D6、民用建筑建筑基地非机动车道的纵坡范围是()。
A.0.2%~2.5%B.2%~5%C.5%~8%D.8%~20%【答案】 A7、民用建筑设计应满足室内环境要求,以下哪项是错误的?( )A.内走道长度不超过20m时至少应有一端采光口B.厨房的通风开口面积不应小于其地板面积的1/10C.严寒、寒冷地区不宜设置开敞的楼梯间和外廊。
出入口宜设门斗或采取其他防寒措施D.离地面高度在0.80m以下的采光口不应计入有效采光面积【答案】 A8、下列工程管线布置原则的说法中哪项错误?( )A.地下工程管线的走向宜与道路或建筑物主体相平行或垂直B.工程管线应从建筑物向道路方向由浅至深埋设C.管线与管线、管线与道路应减少交叉D.工程管线布置应短捷、减少转弯【答案】 A9、绿色建筑评价可以通过提高和创新措施获得加分,属于加分项的是()。
场地设计(作图题)模拟题4一、场地分析1. 设计条件:·某用地内拟建办公建筑,用地平面如图1所示。
·用地东北角界线外建有城市绿地水泵房,用地南侧城市道路下有地铁通道。
·拟建办公建筑的控制高度为30m。
·当地的住宅建筑的日照间距系数为1.5。
·规划要求:1.拟建办公建筑地上部分后退城市道路红线不应小于10m,后退用地界线不应小于5m;2.拟建办公建筑地下部分后退城市道路红线、用地界线不应小于3m,后退地铁通道控制线不应小于16m;·拟建办公建筑和用地界线外建筑的耐火等级均为二级。
任务要求:·绘出拟建办公建筑地上部分最大可建范围(用表示)。
·绘出拟建办公建筑地下部分最大可建范围(用表示),标注相关尺寸。
·下列单选题每题只有一个最符合题意的选项。
从各题中选择一个与作图结果对应的选项。
1.拟建办公建筑地下部分最大可建范围南边线与城市道路北侧红线的间距为______。
A.6.00m B.10.00m C.16.00m D.20.00m2.拟建地下部分最大可建范围西边线与西侧住宅的间距为______。
A.5.00m B.8.00m C.10.00m D.13.00m3.拟建办公建筑地上部分最大可建范围线与城市绿地水泵房的间距为______。
A.3.00m B.6.00m C.9.00m D.13.00m4.拟建办公建筑地上部分最大可建范围线与北侧住宅的间距为______。
A.15.00m B.18.00m C.25.00m D.45.00m5.拟建办公建筑地下部分最大可建范围的面积是______。
A.3779m2 B.4279m2 C.5040m2 D.5298m2场地分析试题附图(图1)图1 总平面(单位:m)答案:场地分析试题解题作图(图2)。
场地设计复习题1.根据《民用建筑设计通则》(GB 50352-2005)的对不允许突人道路红线的建筑突出物有哪些规定规定?建筑物的台阶、平台、窗井·地下建筑及建筑基础;·除基地内连接城市管线以外的其它地下管线但属于公益上有需要的建筑物和临时性建筑, 如公共厕所、治安岗亭、公用电话亭、公交调度室等等, 经当地城市规划主管部门批准, 可突人道路红线建造。
而建筑的骑楼、过街楼、空中连廊和沿道路红线的悬挑部分, 其净高、宽度等应符合当地城市规划部门的统一规定, 或经规划部门的批准后方可建造。
允许突入道路红线的建筑物根据《民用建筑设计通则(GB 50352-2005)》的规定, 在符合当地城市规划部门的规定与要求的情况下允许窗罩, 活动遮阳、雨蓬、挑檐等建筑突出物突入道路红线, 但是该突出物必须与建筑本身有牢固的结合, 其建筑于突出物均不得向道路上空排泄雨水, 其突入的高度和宽度还必须满足下列要求:2.场地布局一般应满足哪些基本要求?1.使用要求2.卫生要求3.安全要求4.经济要求5.美观要求3.管线的种类?1给水管2排水管3雨水管4蒸汽管5电力线路6弱电线路7天然气或煤气管8其他管线4.什么是道路红线?规划的城市道路(含居住区级道路)用地的边界线5、什么是建筑红线?建筑红线, 也称“建筑控制线”, 指城市规划管理中, 控制城市道路两侧沿街建筑物或构筑物(如外墙、台阶等)靠临街面的界线。
任何临街建筑物或构筑物不得超过建筑红线。
6.沿街建筑应设置连通街道和内院的人行通道(可利用楼梯间), 其间距不宜超过?沿街建筑应设置连通街道和内院的人行通道(可利用楼梯间), 其间距不宜超过80.Om。
7、人员密集公共场所的室外疏散小巷, 其宽度的要求?人员密集公共场所的室外疏散小巷, 其宽度不应小于3.0m。
8、3000座以上的体育馆、2000座以上的会堂及展厅面积超过3000m2 的展览馆等公共建筑对消防车道的要求?3000座以上的体育馆、2000座以上的会堂及展厅面积超过3000m2 的展览馆等公共建筑宜设置环形消防车道。
填空:1. 场地的构成要素建筑物、构筑物、交通设施、室外活动设施、绿化与环境景观设施工程系统。
2. 按工程建设项目的使用特征场地可分为工业建设场地、民用建设场地。
3.按地形条件场地可分为平坦场地和坡地场地。
4. 按用地的位置划场地可分为市区场地、郊区场地、郊外场地。
5.场地设计的内容包括现状分析,场地布局,交通组织,竖向布置,管线综合,环境设计与保护,技术经济分析。
6. 场地设计在工作的作用1、建设项目立项阶段参与编制项目建议书(预可行性研究)2、建设项目选址阶段场址选择、选址论证,提出选址技术条件,选址用地范围。
3、建设项目用地规划阶段参与工程设计方案或修建性详细规划的制定,提出要求。
4、建设工程规划阶段建筑设计的方案设计,初步设计和施工图设计。
7. 场地自然条件是指场地的自然地理特征,包括地形条件、气候条件、工程地质、水文和水文地质条件。
8.在场址选择时用到的比例尺是9. 在场地设计中坐标系统有两种,分别是建筑坐标系统、测量坐标系统:10. 图例包括地物符号、注记符号、地形符号11. 气候主要包括风象、日照、气温和降水等。
12. 风象包括风向、风速和风级。
13. 风玫瑰图可分为风向玫瑰图、风向频率玫瑰图、平均风速玫瑰图、污染系数玫瑰图。
14. 工程地质条件包括地质结构、构造特性及承受荷载的能力。
15. 场地的建设条件包括区域环境条件、周围环境条件、内部建设现状条件。
16. 市政设施条件(七通一平)主要包括道路和供电、给水、排水、电信、燃气及北方地区的供暖等管网设施,连同场地平整。
17. 场地内绿地包括:公共绿地、专用绿地、防护绿地、宅旁绿地等。
18. 场地总体布局的基本要求使用的合理性、技术的安全性、建设的经济性、环境的整体性。
19. 建筑朝向的选择考虑的因素有日照因素、风向因素,在实践中、还要结合场地具体条件,如道路走向、周围景观、地形变化和用地形状等因素,其中道路走向是影响建筑朝向的重要因素。
20. 建筑间距应根据日照、通风、消防、环保、工程管线埋设、建筑保护和城市设计等要求,依据相关规范或标准规定而合理确定。
21. 当间距一定时,风向入射角由0°~60°渐次增大,则后排建筑窗口的相对风速也相应增大,相当于在逐渐增加建筑间距而加强通风效果。
22. 地形对建筑通风间距的影响,在平原地区当D=2H时,通风效率可视为良好;当D=H时,通风效率为50%。
(D为建筑间距,H为建筑高度)23. 对于学校建筑而言教室楼与教室楼、办公楼、图书楼、实验室、专用教室(不包括音乐教室)等建筑之间长边平行布置时,其建筑防噪间距不应小于25m。
如教室顶棚以吸声材料进行装修时,教室楼与教室楼、图书馆、等其他楼之间的防噪间距不应小于18m。
24.对于学校建筑而言办公楼、图书楼、实验室、专用教室(不包括音乐教室)等建筑之间长边平行布置时,其建筑防噪间距不应小于15m。
24. 居住建筑的群体组合方式行列式、周边式、点群式、混合式。
25. 公共建筑的群体组合方式对称式、自由式、庭院式、综合式。
26. 轴线是空间组织中一种线性关系构件,属概念性元素,具有串联、控制、统辖、组织建筑和暗示、引导空间的作用,建筑或其他环境要素可沿轴线布置,也可在其两侧布置。
27. 在建筑空间组合中包括三个方面的序列:功能序列,空间序列.情感序列。
28. 基地机动车出人口位置与大中城市主干道交叉口的距离,自道路红线交叉点量起不应小于70m;29. 基地机动车出人口位置与人行横道线、人行过街天桥、人行地道(包括引道、引桥)的最边缘线不应小于5m;30. 基地机动车出人口位置距地铁出人口、公共交通站台边缘不应小于15m;31. 基地机动车出人口位置距公园、学校、儿童及残疾人使用建筑的出人口不应小于20m;32.当基地机动车道路坡度大于8%时,应设缓冲段与城市道路连接;33.根据流线进出场地的不同方式,可将场地的整个交通流线体系分为尽端式和通过式两种。
34. 根据场地交通流线的组织方式,道路系统有人车分流、人车混行、人车部分分流基本交通形式。
35. 根据道路系统的分级组织,大型场地内的道路,可依据其功能及特征划分为主干道、次干道和支路等。
35. 居住区内道路可分为居住区道路、小区路、组团路和宅间小路四级。
36. 机动车停车场,根据停车场与场地的关系,可将停车场在场地中的存在形式大致分为三种类型地面停车场、组合式停车场(底层或地下停车)、独立停车库(如立体车库)。
37. 根据自行车停车场的布置要求,车辆停放点至出行目的地的步行距离要适当,以50—100m为限。
38居住区道路:红线宽度不宜小于20m;39. 居住区小区路:路面宽5~8m,建筑控制线之间的宽度,采暖区不宜小于14m;非采暖区不宜小于10m;40. 居住区组团路:路面宽3~5m;建筑控制线之间的宽度,采暖区不宜小于10m;非采暖区不宜小于8m;41. 居住区宅间小路;路面宽不宜小于2.5m;42. 车行道宽度,场地主干道和次干道应设双车道,供小型车通行的宽度不应小于6.0米,供大型车通行的宽度不应小于7.0米;场地支路可以是单车道,宽度为3.5或4.0米。
43. 在车行道路的单侧或双侧设置人行道时,其宽度不宜小于1.5m。
其他地段人行道宽度不宜小于0.75m。
2)基地内人行道路通行轮椅的坡道宽度不应小于1.5m。
居住区公共活动中心无障碍通道宽度为2.5m。
3 )自行车道宽度自行车道路路面宽度宜为1m,双向行驶的最小宽度宜为3.5m。
44. 道路最小转弯半径视道路等级级及通行车辆不同而定。
最小转弯半径为6m。
45. 场地中绿地的基本形态可归纳为点状绿地(独立绿地)、线状绿地(边缘绿地)、面状绿地(集中绿地)三种基本类型。
46. 新建居住区要求绿地率不低于30%,较困难的旧区改造则不低于25%。
47. 根据生态学的研究,一个地区的绿化覆盖率至少在30%以上,才能改良小气候,并起到保护环境和抗震防灾的作用。
48.我国政府在1996年发表的《中华人民共和国人类住区发展报告》中明确,城市绿化覆盖率在2000年达到27%,2010年达到35%。
49. 城市居住区规划设计规范GB 50180—93(2002 年版)要求的绿地率:新区建设不应低于30%;旧区改建不宜低于25%。
50. 地面的竖向设计布置形式平坡式、台阶式和混合式。
51. 自然地面坡度划分:平坡、缓坡、中坡、陡坡、急坡。
52. 场地竖向台阶式布置时台阶高差一般以3.0—4.0m为宜(最高4.0—6.0m),以免道路坡道过长、交通组织困难并增加挡土墙等支挡结构工程量。
台阶高度也不宜过低,一般不小于1.0m。
53. 场地竖向处理边坡的形式有直线型边坡、折线型边坡、台阶式边坡。
54.在处理设计地面与自然地面的连接时常用的处理方法有设置边坡或设置挡土墙。
55. 挡土墙常见的断面形式有以下几种:直立式、倾斜式、台阶式、重力式、悬臂式。
56. 建筑基地地面坡度不应小于0.2%,地面坡度大于8%时宜分成台地,台地连接处应设挡墙或护坡;57.基地机动车道的纵坡不应小于0.2%,亦不应大于8%,其坡长不应大于200m,在个别路段可不大于11%,其坡长不应大于80m;在多雪严寒地区不应大于5%,其坡长不应大于600m;横坡应为1%~2%;58. 基地非机动车道的纵坡不应小于0.2%,亦不应大于3%,其坡长不应大于50m;在多雪严寒地区不应大于2%,其坡长不应大于100m;横坡应为1%~2%;59.基地步行道的纵坡不应小于0.2%,亦不应大于8%,多雪严寒地区不应大于4%,横坡应为1%~2%;60.基地内人流活动的主要地段,应设置无障碍人行道。
61. 竖向设计常用表达方法高程箭头法、设计等高线法、纵横断面法。
62. 场地雨水的排水方式:自然排水、明沟排水、暗管排水、混合排水。
名词解释:1.场地:指基地中包含的全部内容所组成的整体、如建筑物、构筑物、交通设施、室外活动设施等绿化及环境景观设施和工程系统等。
2.场地设计(site design):是针对基地内建设项目的总平面设计,是依据建设项目的使用功能要求和规划设计条件,在基地内外的现状条件和有关法规、规范的基础上,人为地组织与安排场地中各构成要素之间关系的活动。
3. 比例尺:地形图上任意一根线段的长度与其代表地面上相应的实际水平距离之比。
4. 等高距:地形图上相邻两条等高线间的高差。
5. 等高线间距:地形图上相邻两条等高线间的水平距离。
6. 坐标系统:用于确定地面点在该坐标系统中的平面位置及相对尺寸。
测量坐标系统建筑坐标系统7. 高程或标高:地面上一点到大地水准面的铅垂距离,称为该点的绝对高程。
8. 地物:是指地表上自然形成或人工建筑的各种固定性物质。
9. 注记符号:地形图上用文字、数字对地物或地貌加以说明。
9.地形符号:是用来表示地表面的高低起伏状态,方法是等高线。
10.等高线:是将地面上高程相等的各相邻点在地形图上按比例连接而形成的闭合曲线,用以表达地貌的形态。
11. 气候:指任一地点或地区在一年或若干年中所经历的天气状况的总和。
它不仅指统计得出的平均天气状况,也包括其长期变化和极值。
12. 风向频率:在一定时间内累计各风向所发生的次数,占同期观测次数的百分比,称为风向频率。
13. 太阳高度角指直射阳光与水平面的夹角;14.太阳方位角指直射阳光水平投影与正南方位的夹角。
15. 日照间距系数:指满足最低日照要求后,相邻建筑物之间距离与高度的比值。
16. 道路红线:是城市道路(含居住区级道路)用地的规划控制线,一般有城市规划行政主管部门在用地条件图中标明。
16.建筑红线:建筑红线也称建筑控制线,是建筑物基底位置的控制线。
17、城市蓝线:蓝线是城市规划管理部门按城市总体规划确定长期保留的河道规划线。
为保证水利规划设施和城市河道防洪墙安全要求,沿河道新建建筑物应按规定退让河道规划蓝线。
18、城市绿线:城市绿线是在城市规划建设中确定的各种城市绿地的边界线。
19、城市紫线:城市紫线是指国家历史文化名城内的历史文化街区以及县级以上公布保护的历史建筑的保护范围界线。
20. 城市黄线:规划主管部门确定的必须控制的基础设施的用地界线。
21. 建筑限高:建筑限高是指场地内建筑物的最高高度不得超过一定的控制高度。
22.建筑高度:为建筑物室外地坪至建筑物顶部女儿墙或檐口的高度。
23. 容积率:24.绿地率:绿地率=绿化用地总面积/场地总用地面积╳100%25绿化覆盖率绿化覆盖率=植物的垂直投影面积/场地总用地面积╳100%26. 场地分区:就是将用地划分为若干区域,将场地包含的各项内容按照一定关系分成若干部分组合到这些区域之中,场地的各个区域就是特定部分的用地与特定内容的统一体,同时各区域之间形成有机联系。