场地设计作业5(场地开发限制)题目
- 格式:doc
- 大小:202.00 KB
- 文档页数:4
场地设计(作图)一、作图题1.任务书设计条件1.某地块拟建4层(局部可做3层)的商场,层高4m,小区用地尺寸如图所示。
2.西侧高层住宅和东侧多层住宅距用地界线均为3m,北侧道路宽12m。
北侧道路红线距商场5m,距停车场5m。
南侧用地界线距商场22m,距停车场2m。
商场距停车场6 m。
3.当地日照间距系数为1.6。
任务要求1.根据基地条件布置商场和停车场,并使容积率最大。
商场距停车场6m。
2.北侧道路红线距商场5m,距停车场5m。
3.南侧用地界线距商场22m,距停车场2m。
4.停车场面积为1900m(±5%),东、西两侧距用地界线3m。
5.商场为框架结构,柱网9m×9m,均取整跨,南北向为27m,建筑不能跨越人防通道,人防通道在基地中无出入口。
6.标注相关尺寸。
解题要点1.正确理解题意,根据设计条件和任务要求进行分析。
2.根据日照间距系数布置建筑单体。
3.停车场和相邻建筑之间的防火间距一、二级建筑为6m,停车场南侧边界应有2m宽的绿化带。
(出自《汽车库、修车库、停车场设计防火规范》)作图提示1.根据日照间距系数计算建筑单体距北侧住宅的距离:三层建筑距北侧住宅日照间距L=12×1.6=19.2 (m)四层建筑距北侧住宅日照间距L=16×1.6=25.6 (m)三、四层之间跨距为9m,则L+9=19.2+9=28.2 (m)>L=25.6 (m),所以应把建筑北侧一跨做三层,取L大于19.2m。
又有建筑退道路红线5m后距北侧住宅为22m,大于19.2m,所以取L=22 (m)。
2.建筑南侧布置停车场,与建筑物的防火间距为6m,距用地界线2m。
3.要容积率最大即建筑面积最大,又因建筑不能跨越人防通道,所以在通道处将建筑一分为二,取整跨,则西侧建筑长9m×7=63 (m)。
如仅在南侧做停车场,其可做面积为1610m,不满足面积要求,需在两栋单体建筑之间场地也做停车场。
场地设计(作图题)1、设计条件1.如图,拟在某自然坡地内平整出大小为16m×20m的场地一块,场地内标高为50m。
2.高于场地部分拟设置1:1放坡,低于场地部分采用挡土墙。
——[简答题]正确答案:解题要点1.掌握场地护坡的概念。
2.掌握填方、挖方及挡土墙概念。
作图提示1.由于护坡1:1,所以A点沿垂直(竖向)方向至58m等高线的距离为58-50=8m。
同理求出其他各等高线上1:1处点,连接绘制护坡线。
2.从场地零点开始沿低于场地部分均为挡土墙。
答案解析:2、设计条件1.如图,拟在某自然坡地内平整出大小为16m×20m的场地一块,场地内标高为50m。
2.高于场地部分拟设置1:1放坡,低于场地部分采用挡土墙。
——[简答题]正确答案:D答案解析:3、设计条件1.如图,拟在某自然坡地内平整出大小为16m×20m的场地一块,场地内标高为50m。
2.高于场地部分拟设置1:1放坡,低于场地部分采用挡土墙。
——[简答题]正确答案:B答案解析:4、设计条件1.如图,拟在某自然坡地内平整出大小为16m×20m的场地一块,场地内标高为50m。
2.高于场地部分拟设置1:1放坡,低于场地部分采用挡土墙。
——[简答题]正确答案:C参考评分标准答案解析:5、设计条件1.某城市拟建一座综合性展览馆,用地南侧为城市公园,用地范围见图。
2.综合性展览馆包括:展览厅、序厅、库房、餐厅、办公楼、旅馆、过街楼、中心广场、卸货广场、停车场。
各项目层数及尺寸见下图。
当地日照间距系数1.2。
3.规划及设计要求:用地红线后退15m范围内不能安排建筑物及展场,作为绿化带。
——[简答题]正确答案:解题要点1.场地设计的主要任务是:(1)进行合理的功能分区,包括主次、动静、内外、先后、洁污等空间的功能分区:(2)选择建筑与设施的最佳位置,即根据建筑朝向、间距、采光、通风、景观及建筑规模等确定建筑物的落位;(3)布置顺畅便捷的道路。
二、场地选择类作业
场地选择(A)任务书
任务书
设计条件:位于自然区域内的场地如图所示,保持现有地形地貌不变。
场地设计中应符合下列要求:
1.所有现存树木保留。
2.距河岸10m范围内不准建有建筑。
3.建筑必须建在坡度小于10%的地段上。
4.20年一遇洪水淹没线(绝对标高53.m)以下不准建有建筑。
设计任务:1.绘出可建建筑的用地的界线,并简要说明。
2.用网格线表示出可建建筑的区域。
场地选择(B)任务书
设计条件:
某场地位于海边且现状地形不准改变。
在满足下列条件的情况下可进行建设。
1.建筑距离溪流中心线不少于6m。
2.距海岸线10m的区域内不准用于建筑用地。
3.坡度大于10%的区域为非建筑区。
4.现状树木必须保留。
设计任务:1.绘出可建建筑的用地的界线,并简要说明。
2.用网格线表示出可建建筑的区域。
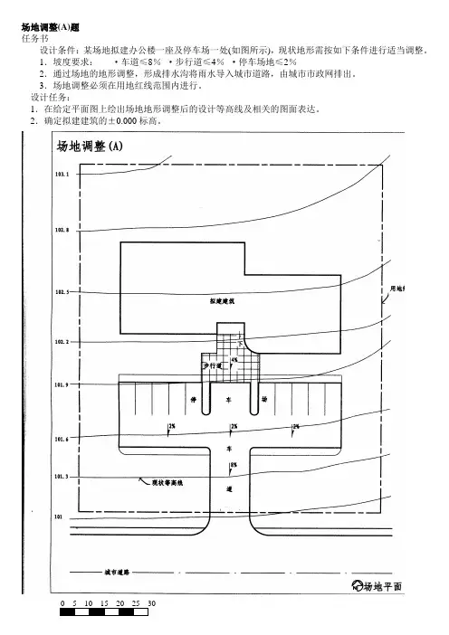
场地调整(A)题
任务书
设计条件:某场地拟建办公楼一座及停车场一处(如图所示),现状地形需按如下条件进行适当调整。
1.坡度要求:·车道≤8%·步行道≤4%·停车场地≤2%
2.通过场地的地形调整,形成排水沟将雨水导入城市道路,由城市市政网排出。
3.场地调整必须在用地红线范围内进行。
设计任务:
1.在给定平面图上绘出场地地形调整后的设计等高线及相关的图面表达。
2.确定拟建建筑的±0.000标高。
0 5 10 15 20 25 30
2.场地调整(B)题
设计条件:
拟在某建筑东侧设计活动场地一块。
为减少工程造价,该活动场地完全依靠场地地形调整达到要求。
活动场地由一座桥与建筑相连(具体条件如图),地形调整后,雨水应能从桥下流过,并排出场地。
调整地形时应遵守如下限制:
1.由建筑至活动场地应为一条无障碍通道。
2.原有树木保留。
3.排水沟的排水方向由北向南。
4.雨水不应流过活动场地。
5.地形调整在本场地内进行。
设计任务:1.确定活动场地四角标高。
2.绘制、标注设计等高线。
0 5 10 15 20 25 30。
场地扩展考试题及答案一、单项选择题(每题2分,共10题,共20分)1. 场地扩展考试中,以下哪项不是场地规划的基本要素?A. 交通流线B. 绿化覆盖C. 建筑密度D. 人口密度答案:D2. 场地扩展考试中,场地规划的首要目标是什么?A. 经济效益最大化B. 环境保护C. 社会效益最大化D. 综合考虑经济效益、环境保护和社会效益答案:D3. 在进行场地扩展时,以下哪项不是必须考虑的环境因素?A. 土壤条件B. 气候条件C. 经济因素D. 政治因素答案:D4. 场地扩展考试中,以下哪项是场地规划中常用的分析工具?A. SWOT分析B. PEST分析C. 5W2H分析D. 以上都是答案:D5. 场地扩展考试中,以下哪项不是场地规划中常用的设计原则?A. 可持续性原则B. 灵活性原则C. 经济性原则D. 随机性原则答案:D6. 场地扩展考试中,以下哪项是场地规划中常用的交通规划方法?A. 交通需求预测B. 交通流模拟C. 交通影响评价D. 以上都是答案:D7. 在场地扩展考试中,以下哪项不是场地规划中常用的绿化设计方法?A. 垂直绿化B. 水平绿化C. 混合绿化D. 无土绿化答案:D8. 场地扩展考试中,以下哪项是场地规划中常用的土地利用分类?A. 居住用地B. 商业用地C. 工业用地D. 以上都是答案:D9. 在场地扩展考试中,以下哪项不是场地规划中常用的空间布局形式?A. 集中式布局B. 分散式布局C. 混合式布局D. 随机式布局答案:D10. 场地扩展考试中,以下哪项是场地规划中常用的环境影响评估方法?A. 环境影响报告书B. 环境影响登记表C. 环境影响评价报告D. 以上都是答案:D二、多项选择题(每题3分,共5题,共15分)1. 场地扩展考试中,场地规划的基本要素包括哪些?A. 交通流线B. 绿化覆盖C. 建筑密度D. 人口密度答案:ABC2. 场地扩展考试中,场地规划的常用分析工具包括哪些?A. SWOT分析B. PEST分析C. 5W2H分析D. 以上都是答案:ABC3. 场地扩展考试中,场地规划中常用的交通规划方法包括哪些?A. 交通需求预测B. 交通流模拟C. 交通影响评价D. 以上都是答案:ABC4. 场地扩展考试中,场地规划中常用的绿化设计方法包括哪些?A. 垂直绿化B. 水平绿化C. 混合绿化D. 无土绿化答案:ABC5. 场地扩展考试中,场地规划中常用的土地利用分类包括哪些?A. 居住用地B. 商业用地C. 工业用地D. 以上都是答案:ABC三、简答题(每题5分,共2题,共10分)1. 简述场地扩展考试中,场地规划的目标是什么?答案:场地规划的目标是综合考虑经济效益、环境保护和社会效益,实现场地的合理利用和可持续发展。
填空:1.场所的组成要素建筑物、修筑物、交通设施、室外活动设施、绿化与环境景观设施工程系统。
2.按工程建设工程的使用特点场所可分为工业建设场所、民用建设场所。
3.按地形条件场所可分为平坦场所和坡地场所。
4.按用地的地址划场所可分为市里场所、郊区场所、田野场所。
5.场所设计的内容包括现状解析,场所布局,交通组织,竖向部署,管线综合,环境设计与保护,技术经济解析。
6.场所设计在工作的作用1、建设工程立项阶段参加编制工程建议书〔预可行性研究〕2、建设工程选址阶段场址选择、选址论证,提出选址技术条件,选址用地范围。
3、建设工程用地规划阶段参加工程设计方案或修筑性详细规划的拟定,提出要求。
4、建设工程规划阶段建筑设计的方案设计,初步设计和施工图设计。
7.场所自然条件是指场所的自然地理特点,包括地形条件、天气条件、工程地质、水文和水文地质条件。
8.在场址选择时用到的比率尺是9.在场所设计中坐标系统有两种,分别是建筑坐标系统、测量坐标系统:10.图例包括地物符号、注记符号、地形符号11.天气主要包括风象、日照、气平易降水等。
12.风象包括风向、风速细风级。
13.风玫瑰图可分为风向玫瑰图、风向频率玫瑰图、平均风速玫瑰图、污染系数玫瑰图。
14.工程地质条件包括地质构造、构造特点及承受荷载的能力。
15.场所的建设条件包括地区环境条件、周围环境条件、内部建设现状条件。
16.市政设施条件〔七通一平〕主要包括道路和供电、给水、排水、电信、燃气及北方地区的供暖等管网设施,连同场所平坦。
17.场所内绿地包括:公共绿地、专用绿地、防范绿地、宅旁绿地等。
18.场所整体布局的根本要求使用的合理性、技术的安全性、建设的经济性、环境的整体性。
19.建筑朝向的选择考虑的要素有日照要素、风向要素,在实践中、还要结合场所详细条件,如道路走向、周围景观、地形变化和用地形状等要素,其中道路走向是影响建筑朝向的重要要素。
20.建筑间距应依照日照、通风、消防、环保、工程管线埋设、建筑保护和城市设计等要求,依照相关标准或标准规定而合理确定。
(5)道路及出入口:选择出入口位置及数量,完成道路规划。
1)出入口三个:人行主出入口、车行次出入口、食堂杂物次出入口。
2)道路按组群消防环线设置:设置四个功能区:生活区、办公区、实验区,会议区,消防环路加两条功能区块间的车行道路。
3)按功能分区的级别逐级设置车行道路、非机动车道路、人行道路……(6)完成题目其他规定的相关内容:广场、活动场地、绿化、停车场等①场地分析内容:线、高、距1)建筑退城市干道20m,支路15m,用地界线10m。
2)高度给定:宿舍、实验楼:18m3)日照间距:D宿=H×L=18×1.5=27m,D实=H×L=18×1.0=18m,4)防火间距:各类建筑防火间距间距6m,9m,13m。
②停车场、广场、绿化等1)行政广场≥5000㎡,用长×宽来界定,70m×75m。
2)机动车停车场≥1800㎡,用长×宽来界定,30m×60m。
3)食堂内院1个。
4)篮球场3个5)实验楼首层设6m宽的连廊1)行政办公楼位于:A.A-B地块B.D-G地块C.E-H地块D.F-I地块2)科研实验楼位于:A.A-B地块B.D-G地块C.E-H地块D.F-I地块3)宿舍楼位于:A.A-B-D地块B.A-B-C地块C.A-D-G地块D.C-F-I地块4)食堂位于:A.A地块B.B地块C.C地块D.D地块答案CD AC(8)绘图与表达:建筑、道路、出入口、停车场、绿化、硬化、广场等绘制方法。
(口诀:线(现)建路口,停车场有绿尺)1)退线2)量尺寸、摆建筑3)逐级画主路网、支路网、非机动车路网(人行路网)4)出入口5)停车场:机动车、非机动车、货车等6)广场、活动场地等7)绿化:楼间、建筑入口标定8)标准尺寸:退线、建筑间距、道路(5m、7m)、总尺寸、广场、停车场等题目要求的内容。
【本章总结】解题技巧口诀:题、场、功、建、路、口;绿、停、场、选、图、纸(体育场建于公路口,绿化停车场选图纸)1. 题目解读:正确读懂题目是做题第一步2. 场地分析:分析场地及周边隐含条件,进行初步布局3. 功能分区:划分功能区,进行场地布局4. 建筑排布:从最容易确定位置的建筑开始展开布局5. 道路及出入口:选择出入口位置及数量,完成道路规划6. 完成题目其他规定的相关内容:广场、活动场地、绿化、停车场等:①场地分析内容,②停车场、广场、绿化等。
大学场地设计考试题目及答案一、单项选择题(每题2分,共20分)1. 下列哪项不是场地设计需要考虑的基本要素?A. 地形地貌B. 植被覆盖C. 建筑风格D. 交通流量答案:C2. 场地设计中的“微气候”主要是指什么?A. 局部地区的气候条件B. 场地内部的气候调节系统C. 场地周边的气候影响D. 场地内部的气候模拟答案:A3. 在进行场地设计时,以下哪项不是必须考虑的环境因素?A. 光照条件B. 噪音污染C. 土壤质量D. 建筑风格答案:D4. 以下哪个不是场地设计的基本原则?A. 功能性B. 美观性C. 经济性D. 随机性答案:D5. 场地设计中的“无障碍设计”主要针对哪类人群?A. 儿童B. 老年人C. 残疾人D. 运动员答案:C6. 在进行场地设计时,通常需要收集哪些基础数据?A. 地质数据B. 气象数据C. 人口统计数据D. 所有以上选项答案:D7. 以下哪项不是场地设计中的景观元素?A. 植物B. 水体C. 铺装D. 照明设备答案:D8. 场地设计中的“绿色基础设施”通常指的是什么?A. 绿色屋顶B. 雨水花园C. 太阳能板D. 所有以上选项答案:D9. 在场地设计中,如何实现雨水的可持续管理?A. 增加硬质铺装B. 建立雨水收集系统C. 减少植被覆盖D. 增加照明设施答案:B10. 下列哪项不是场地设计中的交通规划需要考虑的因素?A. 行人流量B. 车辆流量C. 停车需求D. 建筑风格答案:D二、简答题(每题10分,共30分)1. 简述场地设计中“人性化设计”的重要性。
答案:人性化设计在场地设计中至关重要,因为它关注于满足使用者的需求和提升用户体验。
它包括无障碍设计、儿童游乐区的设置、老年人休息区的规划等,确保所有年龄和能力的人都能在场地中感到舒适和便利。
此外,人性化设计还涉及到安全性、可达性和标识系统的清晰性,这些都是为了提高场地的整体功能性和吸引力。
2. 描述场地设计中如何实现生态可持续性。
场地设计考试题库及答案一、选择题1. 场地设计中,以下哪项不是场地分析的主要内容?A. 地形地貌B. 气候条件C. 植被分布D. 建筑风格答案:D2. 在进行场地设计时,以下哪个因素不需要考虑?A. 交通流线B. 景观视线C. 建筑密度D. 土壤类型答案:C3. 以下哪个不是场地设计中常用的设计方法?A. 线性设计B. 模块化设计C. 随机设计D. 网格设计答案:C4. 场地设计中,景观设计的主要目的是什么?A. 提高建筑的功能性B. 增强场地的美观性C. 增加场地的使用面积D. 减少建设成本答案:B5. 场地设计中,以下哪个因素对环境影响最大?A. 建筑高度B. 建筑密度C. 绿化面积D. 材料选择答案:C二、简答题1. 简述场地设计的基本原则。
答案:场地设计的基本原则包括:功能性原则,确保场地满足使用需求;安全性原则,保障使用者的安全;经济性原则,合理控制成本;生态性原则,保护和利用自然资源;美观性原则,提升场地的视觉吸引力。
2. 场地设计中,如何考虑无障碍设计?答案:在场地设计中考虑无障碍设计,需要确保场地的通道、设施等对残疾人士友好,包括设置无障碍坡道、扶手、宽敞的门道、无障碍卫生间等,以满足不同使用者的需求。
三、论述题1. 论述场地设计在城市更新中的作用和重要性。
答案:场地设计在城市更新中起着至关重要的作用。
首先,它能够改善城市空间结构,提高城市功能和效率。
其次,场地设计通过优化公共空间,增强城市的社交和文化功能。
再次,场地设计有助于提升城市环境质量,通过绿化、水体等元素的引入,改善城市微气候。
最后,场地设计还能够反映和传承城市文化,通过设计手法展现城市特色和历史文脉。
2. 论述如何进行有效的场地分析。
答案:进行有效的场地分析需要以下几个步骤:首先,收集场地的基础信息,包括地形、地貌、气候、植被等自然条件,以及周边建筑、交通等社会条件。
其次,识别场地的优势和问题,如景观视线、日照条件、噪音干扰等。
2021年设计前期与场地设计试题(5)一、单选题(共45题)1.城市中专设的双向行驶的自行车道路,其最小宽度值为:()A:2.6mB:3.0mC:3.5mD:4.0m【答案】:C【解析】:《城市道路交通规划设计规范》第4.3条规定,自行车道路双向行驶的最小宽度宜为3.5m,混有其他非机动车的,单向行驶的最小宽度就应为4.5m。
2.下列有关对大型、特大型的文化娱乐、商业服务、体育、交通等人员密集建筑的基地规定要求中,哪项是错误的?()A:基地应至少有一面直接临接有足够宽度的城市道路,以减少人员疏散时对城市正常交通的影响B:基地沿城市道路的长度应按建筑规模或疏散人数确定,并至少不小于基地周长的1/7C:基地应至少有两个或两个以上不同方向通向城市道路的(包括与基地道路连接的)出口D:建筑物主要出入口前应有供人员集散用的空地,其面积和长宽尺寸应根据使用性质和人数确定【答案】:B【解析】:《民用建筑设计通则》第4.1.6条规定,大型、特大型的文化娱乐、商业服务、体育、交通等人员密集建筑的基地应符合下列规定:(1)基地应至少有一面直接临接城市道路,该城市道路应有足够的宽度,以减少人员疏散时对城市正常交通的影响;(2)基地沿城市道路的长度应按建筑规模或疏散人数确定,并至少不小于基地周长的1/6;(3)基地应至少有两个或两个以上不同方向通向城市道路的(包括以基地道路连接的)出口;(4)建筑物主要出入口前应有供人员集散用的空地,其面积和长宽尺寸应根据使用性质和人数确定。
3.竖向设计的程序,以下哪个是正确的?()A:土方计算——地形设计——道路设计B:地形设计——土方计算——道路设计C:道路设计——土方计算——地形设计D:道路设计——地形设计——土方计算【答案】:D【解析】:4.基地内有建筑面积大于3000㎡的若干建筑物,且只有一条基地道路与城市道路相连接,此时基地道路的最小宽度应为()A:4mB:6mC:7mD:8m【答案】:C【解析】:参见《民用建筑设计通则》基地应与道路红线相邻接,否则应设基地道路与道路红线所划定的城市道路相连接。
场地设计总复习题-答案重点题目一.单选题﹡1.根据广场的性质划分,城市广场可分为(D )。
A.市政广场、纪念广场、交通广场、商业广场等四类B.市政广场、交通广场、商业广场、娱乐广场、集散广场等五类C.市政广场、交通广场、商业广场、娱乐广场、纪念广场、宗教广场、集散广场七类D.市政广场、交通广场、商业广场、休息及娱乐广场、纪念广场、宗教广场等六类﹡3.只有一个双车道汽车疏散出口的地下汽车库,其最大允许停车位是(A )辆。
A.100 B.90 C.80 D.70﹡8.关于规划总用地范围的周界问题下列何项是错误的(C )。
A.自然分界线;B.道路中心线;C.道路红线;D.双方用地的交界处划分﹡12.初步设计说明书中,下列哪一项面积指标一般不列入“总指标”( B )。
A.总建筑占地面积B.总使用面积C.总用地面积D.总建筑面积﹡15、沿街建筑物长度超过多少时,应设不小于( B )面积的消防通道。
A.160m,3m×3m B.160m,4m×4m C.180m,4m×3m D.120m,4m×4m ﹡18、当高层建筑的沿街长度超过( A )米时,应在适中位置设置穿过高层建筑的消防车道。
A.150m B.220m C.160m D.210m﹡29.厂区围墙与厂内建筑之间的间距不宜小于(C)米,且围墙两侧的建筑之间还应满足相应的防火间距要求。
A、1B、3C、5D、10二.多项选择题﹡ 1. 投资估算划分为(ABCD) 阶段:A规划阶段B评审阶段C项目建议书阶段D可行性研究阶段﹡ 2.公共建筑的群体组合方式(ABCD) 。
A对称式B自由式C庭院式D综合式F自由式﹡ 4.住宅群体组合主要有以下(ABCD)基本形式。
A行列式B周边式C点群式D混合式F自由式﹡6.医院选址应符合下列要求(ABCD)。
A 交通方便、面临两条城市道路;B 便于利用城市基础设施、环境安静,远离污染源、地形力求规整;C 远离易燃易爆物品的生产和贮存区;D 远离高压线及其设施、不应邻近少年儿童活动密集场所。
场地设计试题一、在场地设计中,哪个因素不是决定场地布局的关键因素?A. 地形地貌B. 气候条件C. 建筑风格D. 交通流线(答案)C二、以下哪项不属于场地设计的初步阶段工作内容?A. 场地现状分析B. 确定场地出入口位置C. 详细景观设计D. 评估场地容量(答案)C三、场地设计中,关于停车场的规划,以下哪项描述是错误的?A. 停车场应尽可能靠近主要出入口B. 停车场应有良好的排水系统C. 停车场大小应根据周边建筑的功能和规模确定D. 停车场应尽量设置在场地中心,以方便所有使用者(答案)D四、在进行场地竖向设计时,主要考虑的因素不包括以下哪一项?A. 地形坡度B. 土壤承载力C. 建筑高度D. 周边建筑风格(答案)D五、场地设计中,绿化设计的主要目的不包括以下哪一项?A. 美化环境B. 提供休闲空间C. 减少噪音污染D. 增加建筑密度(答案)D六、以下哪项不是场地设计中进行交通规划时需要考虑的内容?A. 人行流线B. 车行流线C. 公共交通接入点D. 建筑内部空间布局(答案)D七、在场地设计中,关于无障碍设计的描述,以下哪项是正确的?A. 无障碍设计仅适用于公共建筑B. 无障碍设计应确保残疾人士能够安全、方便地使用场地C. 无障碍设计会增加建设成本,因此应尽量避免D. 无障碍设计仅包括轮椅通道和盲道(答案)B八、场地设计中,关于雨水收集与利用的描述,以下哪项是错误的?A. 雨水收集系统可以减少城市排水压力B. 雨水可以直接用于灌溉绿地C. 雨水收集系统应与设计场地的整体景观相结合D. 雨水不能经过处理后用于建筑内部用水(答案)D(注:雨水经过适当处理后是可以用于建筑内部某些非饮用用途的)。
场地设计复习题1.根据《民用建筑设计通则》(GB 50352-2005)的对不允许突人道路红线的建筑突出物有哪些规定规定?建筑物的台阶、平台、窗井·地下建筑及建筑基础;·除基地内连接城市管线以外的其它地下管线但属于公益上有需要的建筑物和临时性建筑, 如公共厕所、治安岗亭、公用电话亭、公交调度室等等, 经当地城市规划主管部门批准, 可突人道路红线建造。
而建筑的骑楼、过街楼、空中连廊和沿道路红线的悬挑部分, 其净高、宽度等应符合当地城市规划部门的统一规定, 或经规划部门的批准后方可建造。
允许突入道路红线的建筑物根据《民用建筑设计通则(GB 50352-2005)》的规定, 在符合当地城市规划部门的规定与要求的情况下允许窗罩, 活动遮阳、雨蓬、挑檐等建筑突出物突入道路红线, 但是该突出物必须与建筑本身有牢固的结合, 其建筑于突出物均不得向道路上空排泄雨水, 其突入的高度和宽度还必须满足下列要求:2.场地布局一般应满足哪些基本要求?1.使用要求2.卫生要求3.安全要求4.经济要求5.美观要求3.管线的种类?1给水管2排水管3雨水管4蒸汽管5电力线路6弱电线路7天然气或煤气管8其他管线4.什么是道路红线?规划的城市道路(含居住区级道路)用地的边界线5、什么是建筑红线?建筑红线, 也称“建筑控制线”, 指城市规划管理中, 控制城市道路两侧沿街建筑物或构筑物(如外墙、台阶等)靠临街面的界线。
任何临街建筑物或构筑物不得超过建筑红线。
6.沿街建筑应设置连通街道和内院的人行通道(可利用楼梯间), 其间距不宜超过?沿街建筑应设置连通街道和内院的人行通道(可利用楼梯间), 其间距不宜超过80.Om。
7、人员密集公共场所的室外疏散小巷, 其宽度的要求?人员密集公共场所的室外疏散小巷, 其宽度不应小于3.0m。
8、3000座以上的体育馆、2000座以上的会堂及展厅面积超过3000m2 的展览馆等公共建筑对消防车道的要求?3000座以上的体育馆、2000座以上的会堂及展厅面积超过3000m2 的展览馆等公共建筑宜设置环形消防车道。
场地设计考试题及答案一、单项选择题(每题2分,共10分)1. 场地设计中,以下哪项不是场地规划的主要原则?A. 功能性B. 美观性C. 经济性D. 可持续性答案:B2. 在进行场地设计时,以下哪项不是必须考虑的因素?A. 地形地貌B. 气候条件C. 交通流量D. 土壤类型答案:D3. 场地设计中,以下哪项不是景观元素?A. 植物配置B. 水体设计C. 照明设施D. 建筑结构答案:D4. 以下哪项不是场地设计中常用的空间组织方法?A. 轴线对称B. 线性排列C. 自由布局D. 随机组合答案:D5. 在场地设计中,以下哪项不是植物配置的原则?A. 季节性B. 色彩搭配C. 形态协调D. 随意种植答案:D二、多项选择题(每题3分,共15分)6. 场地设计中,以下哪些因素会影响场地的功能布局?A. 地形地貌B. 气候条件C. 法律法规D. 社会文化答案:ABCD7. 以下哪些是场地设计中常用的材料?A. 混凝土B. 木材C. 石材D. 金属答案:ABCD8. 在场地设计中,以下哪些是照明设计需要考虑的因素?A. 照明效果B. 能源消耗C. 安全性D. 经济性答案:ABCD9. 以下哪些是场地设计中常用的空间划分方法?A. 围合B. 开放C. 渗透D. 隔离答案:ABCD10. 在场地设计中,以下哪些是植物配置需要考虑的因素?A. 植物种类B. 植物生长习性C. 植物色彩D. 植物形态答案:ABCD三、简答题(每题5分,共20分)11. 简述场地设计中如何实现功能性与美观性的平衡。
12. 描述场地设计中如何考虑气候条件对场地的影响。
13. 阐述场地设计中如何利用地形地貌来增加场地的趣味性。
14. 讨论场地设计中如何通过植物配置来提升场地的生态价值。
四、案例分析题(每题10分,共20分)15. 给出一个场地设计案例,分析其在空间组织、功能布局、材料选择和植物配置方面的特点。
16. 针对一个具体的场地设计问题,提出你的解决方案,并解释你的设计思路。
1.场地开发限制(A)题任务书
设计条件:
某建设用地平面如图所示,用地内有一条小河在西北角流过,一条地下管线贯穿南北方向。
场地开发中应符合下列要求:
1.建筑后退道路或用地红线:·南侧城市主干道15m;·西侧城市次干道10m;·北侧和东侧用地红线各7.5m:2.建筑后退河岸线10m:3.建筑后退地下管线5m;4.停车场用地应后退红线5m,并且后退河流岸线5m。
设计任务:
1.表示出所有可建建筑用地界线(建筑控制线),并简要说明。
2.用网格线表示出可建建筑区域。
3.表示出可建停车场用地范围。
0 5 10 15 20 25 30
2.场地开发限制(B)题任务书
设计条件:
某地块三面与城市道路相临,有一条高压线从西南角穿过(平面如图所示)。
场地开发建设中应符合下面规定:
1.建筑后退红线:·城市主干道20m ·城市次干道10m ·城市支路5m ·用地红线后退10m 2.高压走廊宽度为30m
设计任务:
1.绘制出所有建筑控制线,并简要说明。
2.用网格线标出可建建筑区域。
0 5 10 15 20 25 30。