汽车的动力性设计计算公式
- 格式:doc
- 大小:419.50 KB
- 文档页数:12
汽车推动力计算公式在汽车工程领域中,推动力是一个非常重要的概念。
它代表了汽车引擎产生的动力,用于推动汽车前进。
推动力的大小取决于多个因素,包括引擎的输出功率、车辆的重量、轮胎的摩擦力等等。
为了更好地理解汽车推动力的计算方法,本文将对汽车推动力的计算公式进行详细介绍。
汽车推动力的计算公式可以表示为:F = ma + Ff + Fr + Fa。
其中,F代表总推动力,m代表汽车的质量,a代表汽车的加速度,Ff代表摩擦力,Fr代表滚动阻力,Fa代表空气阻力。
首先,我们来看汽车的质量对推动力的影响。
汽车的质量越大,所需的推动力也就越大。
这是因为质量是影响汽车加速度的重要因素,根据牛顿第二定律,加速度与推动力成正比。
因此,汽车的质量m在推动力计算公式中起着重要作用。
其次,摩擦力也是影响汽车推动力的重要因素之一。
摩擦力是指轮胎与地面之间的摩擦力,它取决于轮胎的材质和地面的情况。
当汽车加速时,摩擦力会对推动力产生一定的阻碍,因此在计算推动力时需要考虑摩擦力的影响。
另外,滚动阻力也是影响汽车推动力的重要因素之一。
滚动阻力是指车辆在行驶过程中轮胎与地面之间的滚动阻力,它取决于轮胎的滚动阻力系数和车辆的重量。
滚动阻力会对汽车的推动力产生一定的影响,特别是在低速行驶时,滚动阻力的影响更加显著。
最后,空气阻力也是影响汽车推动力的重要因素之一。
空气阻力是指汽车在行驶过程中受到的空气阻力,它取决于汽车的速度和空气密度。
当汽车速度增加时,空气阻力会增加,从而对汽车的推动力产生一定的影响。
综上所述,汽车推动力的计算公式涉及到多个因素,包括汽车的质量、摩擦力、滚动阻力和空气阻力。
在实际工程中,需要对这些因素进行综合考虑,才能准确计算出汽车的推动力。
只有充分理解和掌握汽车推动力的计算方法,才能更好地设计和改进汽车的动力系统,提高汽车的性能和燃油经济性。
希望本文对读者能有所帮助,谢谢!。
汽车动力性设计计算公式3.1 动力性计算公式3.1.1 变速器各档的速度特性:0377.0i i n r u gi ek ai ⨯⨯=( km/h ) (1)其中:k r 为车轮滚动半径,m;由经验公式:⎥⎦⎤⎢⎣⎡-+=)1(20254.0λb d r k (m) d----轮辋直径,inb----轮胎断面宽度,inλ---轮胎变形系数e n 为发动机转速,r/min ;0i 为后桥主减速速比;gi i 为变速箱各档速比,)...2,1(p i i =,p 为档位数,(以下同)。
3.1.2 各档牵引力汽车的牵引力:t k gi a tq a ti r i i u T u F η⨯⨯⨯=0)()( ( N ) (2)其中:)(a tq u T 为对应不同转速(或车速)下发动机输出使用扭矩,N •m ;t η为传动效率。
汽车的空气阻力:15.212a d w u A C F ⨯⨯=( N ) (3)其中:d C 为空气阻力系数,A 为汽车迎风面积,m 2。
汽车的滚动阻力:f G F a f ⨯=( N ) (4)其中:a G =mg 为满载或空载汽车总重(N),f 为滚动阻尼系数汽车的行驶阻力之和r F :w f r F F F +=( N ) (5)注:可画出驱动力与行驶阻尼平衡图3.1.3 各档功率计算汽车的发动机功率:9549)()(ea tq a ei n u T u P ⨯= (kw ) (6)其中: )(a ei u P 为第)...2,1(p i i =档对应不同转速(或车速)下发动机的功率。
汽车的阻力功率:t aw f r u F F P η3600)(+= (kw ) (7)3.1.4 各档动力因子计算a wa ti a i G F u F u D -=)()( (8)各档额定车速按下式计算0.377.0i i n r u i g ce k i c a = (km/h ) (9)其中:c e n 为发动机的最高转速;)(a i u D 为第)...2,1(p i i =档对应不同转速(或车速)下的动力因子。
1.什么是汽车的动力性:汽车在良好路面上直线行驶时由汽车受到的纵向外力决定的、所能达到的平均行驶速度。
评价指标:最高车速、加速能力、上坡能力。
2.驱动力的计算公式:F t=T tq i g i0εT/r,T tq (N·m)3.汽车行驶速度计算公式:u a=0.377 r*n/i g i0 n(r/min) ,u a (km/h)4.行驶阻力的4个组成部分:滚动阻力F f、空气阻力F w、坡道阻力F i、加速阻力F j5.影响滚阻系数的因素:1行驶车速大于100km/h时,滚阻系数随车速↑而↑。
2子午线轮胎在各种车速下都有较低的滚阻系数。
3轮胎气压↑,滚阻系数↓。
6.空气阻力的分类:压力阻力、摩擦阻力。
压力阻力又分为形状阻力、干扰阻力、内部阻力、诱导阻力。
7.C D值较小的车身具有的特点:○1汽车头部前段应尽量低矮○2车身各部件交接处过度应圆滑。
○3整个车身应前倾1~2°○4轿车的纵向最大的横截面不宜过分前移○5汽车底部最好采用平滑整体的底板○6对于厢式车身结构的客车,应具有圆滑的拐角○7为了减少汽车发动机冷却和车身内部通风所引起的空气阻力,应将空气散热器及通风系统的进气孔布置在汽车前脸和前风窗下部正压力较大的部位。
8.汽车行驶方程式:T tq i g i0εT/r=G f cosα+C D Au a2 /21.15+ Gsinα+δmd u/d t9.汽车行驶的驱动-附着条件:F f+F w+F i≤F t ≤F Zφφ10.附着利用率:汽车的附着力占四轮驱动汽车附着力的百分比。
11.附着利用率:前轮驱动汽车<后轮驱动汽车<四轮驱动汽车。
12.影响附着系数的因素:○1路面越坚硬、微观粗糙,附着系数越高。
松软土壤路面附着系数较小。
潮湿、泥泞土路附着系数有明显的下降。
○2轮胎花纹可提高轮胎的附着系数。
○3子午线轮胎附着系数比一般轮胎高。
○4车速↑附着系数↓。
13.利用驱动力-行驶阻力平衡图确定最高车速:图上F t4 曲线与F t+F w曲线相交点所对应的车速便是汽车的最高车速。
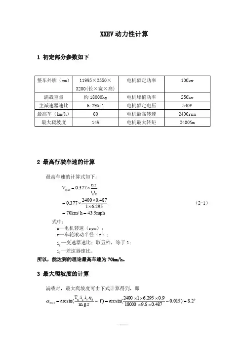
纯电动汽车动力性计算公式XXEV 动力性计算1 初定部分参数如下整车外廓(mm ) 11995×2550×3200(长×宽×高) 电机额定功率100kw满载重量 约18000kg 电机峰值功率 250kw 主减速器速比 6.295:1 电机额定电压 540V 最高车(km/h ) 60 电机最高转速 2400rpm 最大爬坡度 14%电机最大转矩2400Nm2 最高行驶车速的计算最高车速的计算式如下:mphh km i i rn V g 5.43/70295.61487.02400377.0.377.00max ==⨯⨯⨯=⨯=(2-1)式中:n —电机转速(rpm ); r —车轮滚动半径(m );g i —变速器速比;取五档,等于1;0i —差速器速比。
所以,能达到的理论最高车速为70km/h 。
3 最大爬坡度的计算满载时,最大爬坡度可由下式计算得到,即00max 2.8)015.0487.08.9180009.0295.612400arcsin().....arcsin(=-⨯⨯⨯⨯⨯=-=f rg m i i T dg tq ηαkw 100w 5.8810)15.211016.86.08cos 016.08.9180008sin 8.918000(86.036001).15.21..cos ...sin ..(360012002max <k V V A C f g m g m P slopeslope D =⨯⨯⨯+⨯⨯⨯+⨯⨯⨯=++=ααη从以上动力性校核分析可知,所选100kw/540V 交流感应电机的功率符合所设计的动力性参数要求。
5 动力蓄电池组的校核5.1按功率需求来校核电池的个数 电池数量的选择需满足汽车行驶的功率要求,并且还需保证汽车在电池放电达到一定深度的情况下还能为汽车提供加速或爬坡的功率要求。
磷酸锂铁蓄电池的电压特性可表示为:bat bat bat bat I R U E .0+=(4-1)式中:bat E —电池的电动势(V ); bat U —电池的工作电压(V );0bat R —电池的等效内阻(Ω);bat I —电池的工作电流(A )。
(1)汽车动力性设计计算公式3.1动力性计算公式3.1.1变速器各档的速度特性:h 疋n eU a i=O.377 上-I gi ×∣O其中: r k 为车轮滚动半径,m;由经验公式:r k =0.0254 - b(1- ■ )(m)[2d----轮辋直径,in b----轮胎断面宽度,inn e 为发动机转速,r/min ; i °为后桥主减速速比;I gi 为变速箱各档速比,i(i =1,2...p),P 为档位数,(以下同)3.1.2各档牵引力(N ) (2)其中:T tq (U a )为对应不同转速(或车速)下发动机输出使用扭矩,N?m ; t 为传动效率。
汽车的空气阻力:其中:C d 为空气阻力系数,A 为汽车迎风面积,m 2汽车的滚动阻力:F f =G a f其中:G a = mg 为满载或空载汽车总重(N), f 为滚动阻尼系数 汽车的行驶阻力之和F r :F r=F f F W ( N )……⑸注:可画出驱动力与行驶阻尼平衡图(km/h )汽车的牵引力: 错误!未指定书签F ti (U a )=T tq (U a ) i gi ∣OFWC d A U 221.153.1.3 各档功率计算 汽车的发动机功率:T tq (U a M n ePei (Ua"th( kW )......⑹其中:P ei (U a )为第i(i =1,2...p)档对应不同转速(或车速)下发动机的功率 汽车的阻力功率:3.1.4 各档动力因子计算D i (Uar F ti (:)-F W (8)Ga各档额定车速按下式计算r k n ecu ac ∙i =0.377—( km/h ) (9)ig i i其中:n ec 为发动机的最高转速;D i (U a )为第i(i =1,2...p)档对应不同转速(或车速)下的动力因子。
对各档在[0, U acj ]内寻找U a 使得D i (U a )达到最大,即为各档的最大动力因子 Dg x注:可画出各档动力因子随车速变化的曲线3.1.5 最咼车速计算当汽车的驱动力与行驶阻力平衡时,车速达到最高。
汽车的动力性设计计算公式汽车的动力性设计是指通过合适的动力系统来提供足够的功率和扭矩,以满足汽车加速、行驶、超车等操作的要求。
其中最重要的参数是车辆的马力(Horsepower)和扭矩(Torque)。
下面将介绍一些与汽车动力性设计相关的计算公式。
1. 马力(Horsepower)计算公式:马力是衡量汽车动力的重要指标,它表示单位时间内所做功的大小。
马力与车速、时间、车辆重量等参数有关。
一般而言,马力越大,汽车的加速性能越好。
计算公式如下所示:Horsepower = (Torque x RPM) / 5252其中,Torque表示扭矩,RPM表示发动机转速(每分钟转数)。
2. 扭矩(Torque)计算公式:汽车的扭矩是指发动机输出的力矩。
对于一个给定的发动机,扭矩与输出功率呈正比例关系。
计算公式如下所示:Torque = (Horsepower x 5252) / RPM其中,Horsepower表示马力,RPM表示发动机转速。
3. 加速度(Acceleration)计算公式:加速度是衡量汽车动力性能的重要指标之一,它表示单位时间内速度增加或减少的量。
加速度与发动机输出的功率、车辆质量、轮胎抓地力等因素有关。
计算公式如下所示:Acceleration = Horsepower / (Vehicle weight x Rolling resistance)其中,Horsepower表示马力,Vehicle weight表示车辆重量,Rolling resistance表示轮胎的滚动阻力。
4. 风阻(Aerodynamic Drag)计算公式:风阻是汽车行驶时空气阻力对车辆运动的阻碍作用,是影响汽车速度上限和燃油经济性的重要因素之一、计算公式如下所示:Aerodynamic Drag = 0.5 x Air density x Drag coefficient x Frontal area x Vehicle speed^2其中,Air density表示空气密度,Drag coefficient表示阻力系数,Frontal area表示车辆正面投影面积,Vehicle speed表示车速。
XXEV 动力性计算1 初定部分参数如下整车外廓(mm ) 11995×2550×3200(长×宽×高)电机额定功率100kw满载重量 约18000kg 电机峰值功率 250kw 主减速器速比 6.295:1 电机额定电压 540V 最高车(km/h ) 60 电机最高转速 2400rpm 最大爬坡度 14%电机最大转矩2400Nm2 最高行驶车速的计算最高车速的计算式如下:mphh km i i rn V g 5.43/70295.61487.02400377.0.377.00max ==⨯⨯⨯=⨯= (2-1)式中:n —电机转速(rpm ); r —车轮滚动半径(m );g i —变速器速比;取五档,等于1;0i —差速器速比。
所以,能达到的理论最高车速为70km/h 。
3 最大爬坡度的计算满载时,最大爬坡度可由下式计算得到,即00max 2.8)015.0487.08.9180009.0295.612400arcsin().....arcsin(=-⨯⨯⨯⨯⨯=-=f rg m i i T dg tq ηα所以满载时最大爬坡度为tan(m ax α)*100%=14.4%>14%,满足规定要求。
4 电机功率的选型纯电动汽车的功率全部由电机来提供,所以电机功率的选择须满足汽车的最高车速、最大爬坡度等动力性能的要求。
4.1 以最高设计车速确定电机额定功率当汽车以最高车速m ax V 匀速行驶时,电机所需提供的功率(kw)计算式为:max 2max ).15.21....(36001V V A C f g m P d n +=η (2-1)式中:η—整车动力传动系统效率η(包括主减速器和驱动电机及控制器的工作效率),取0.86;m —汽车满载质量,取18000kg ; g —重力加速度,取9.8m/s 2; f —滚动阻力系数,取0.016;d C —空气阻力系数,取0.6;A —电动汽车的迎风面积,取2.550×3.200=8.16m 2(原车宽*车身高);m ax V —最高车速,取70km/h 。
自卸车动力性计算数据一、整车数据满载总质量(kg)m =62500满载总重量(N)G =612500主减速比I0 =10.47STR空气阻力系数×迎风面积C D×A = 6.028车轮滚动半径(m)R =0.618传动系机械效率η =0.85滚动阻力系数 f =0.0076+变速器型号10JSD180档位123变速器传动比Ig14.86011.0208.070旋转质量换算系数δ13.1957.729 4.632发动机型号WD12.375发动机参数最大扭矩转速1500rpm外特性转速 Ne(r/min)800100012001401扭矩 Me(N·m)940134314701500使用外特性转速 Ne(r/min)800100012001401扭矩 Me(N·m)940.001323.811428.001435.61二、计算公式驱动力 Ft=Me×I0×Ig×η/R行驶速度 Va=0.377×R×Ne/I0×Ig滚动阻力系数 f=0.0076+0.000056×Va空气阻力 Fw=CD×A×Va2/21.15滚动阻力 Ff=f×G动力因数 D=(Ft-Fw)/G爬坡度 I=TAN(ASIN(D-f×SQRT(1-D2+f2))/(1+f2))加速度 J=9.8×(D-f)/δ1档Ne Me Va f Ft Fw+Ff D (r/min)(N·M)(km/h)(N)(N)800940.00 1.200.00766720115246970.328 10001323.81 1.500.00768428328547070.463 12001428.00 1.800.00770130557947180.499 14011435.61 2.100.00771730720747280.502 15011434.39 2.250.00772630694747340.501 16001413.34 2.400.00773430244347390.494 18001314.86 2.700.00775128136847500.459 20001205.03 2.990.00776825786647600.421 22001078.20 3.290.00778423072547710.377 Vmax=3.29Dmax=0.5022档Ne Me Va f Ft Fw+Ff D (r/min)(N·M)(km/h)(N)(N)800940.00 1.620.00769014917247110.244 10001323.81 2.020.00771321008147250.343 12001428.00 2.420.00773622661447400.370 14011435.61 2.830.00775822782147540.372 15011434.39 3.030.00777022762847620.372 16001413.34 3.230.00778122428847690.366 18001314.86 3.630.00780420865947830.341 20001205.03 4.040.00782619123047980.312 22001078.20 4.440.00784917110348130.279 Vmax=4.44Dmax=0.3723档Ne Me Va f Ft Fw+Ff D (r/min)(N·M)(km/h)(N)(N)800940.00 2.210.00772410923947320.178 ********.81 2.760.00775415384347520.251 12001428.00 3.310.00778516595147720.271 14011435.61 3.860.00781616683547920.272 15011434.39 4.140.00783216669348020.272 16001413.34 4.410.00784716424748120.268 18001314.86 4.960.00787815280248320.249 20001205.03 5.510.00790914003948530.229 22001078.20 6.070.00794012530048740.205 Vmax=6.07Dmax=0.2724档Ne Me Va f Ft Fw+Ff D (r/min)(N·M)(km/h)(N)(N)800940.00 2.960.0077668148947590.133 ********.81 3.700.00780711476347860.187 ********.00 4.440.00784812379548130.202 14011435.61 5.180.00789012445448400.203 15011434.39 5.550.00791112434948540.203 16001413.34 5.910.00793112252448680.200 18001314.86 6.650.00797311398648960.186 ********.037.390.00801410446549240.171 22001078.208.130.0080559347049530.153 Vmax=8.13Dmax=0.2035档Ne Me Va f Ft Fw+Ff D(r/min)(N·M)(km/h)(N)(N)800940.00 3.990.0078246037347960.099 10001323.81 4.990.0078798502448330.139 ********.00 5.990.0079359171548710.150 ********.61 6.990.0079919220449090.151 ********.397.490.0080199212649280.150 ********.347.980.0080479077449470.148 18001314.868.980.0081038444849860.138 ********.039.980.0081597739450260.126 22001078.2010.980.0082156924950660.113 Vmax=10.98Dmax=0.1516档Ne Me Va f Ft Fw+Ff D (r/min)(N·M)(km/h)(N)(N)800940.00 5.350.0078994507648470.074 10001323.81 6.680.0079746348248970.104 12001428.008.020.0080496847849480.112 14011435.619.360.0081246884350010.112 15011434.3910.030.0081626878450280.112 16001413.3410.690.0081996777550540.111 18001314.8612.030.0082746305251090.103 20001205.0313.360.0083485778551640.094 22001078.2014.700.0084235170452210.084 Vmax=14.70Dmax=0.1127档Ne Me Va f Ft Fw+Ff D (r/min)(N·M)(km/h)(N)(N)800940.007.210.0080043343549170.055 10001323.819.010.0081054708749870.077 12001428.0010.810.0082055079350590.083 14011435.6112.620.0083075106351330.083 15011434.3913.520.0083575102051710.083 16001413.3414.410.0084075027152090.082 18001314.8616.220.0085084676852860.076 20001205.0318.020.0086094286253660.070 22001078.2019.820.0087103835154470.062 Vmax=19.82Dmax=0.0838档Ne Me Va f Ft Fw+Ff D (r/min)(N·M)(km/h)(N)(N)800940.009.840.0081512450150200.040 10001323.8112.290.0082883450551200.05612001428.0014.750.0084263722152230.061 14011435.6117.220.0085653741953300.061 15011434.3918.450.0086333738753850.061 16001413.3419.670.0087023683954400.060 18001314.8622.130.0088393427255540.056 20001205.0324.590.0089773140956710.051 22001078.2027.050.0091152810357910.046 Vmax=27.05Dmax=0.0619档Ne Me Va f Ft Fw+Ff D (r/min)(N·M)(km/h)(N)(N)800940.0013.190.0083381827451570.030 10001323.8116.480.0085232573652980.042 12001428.0019.780.0087082776154450.045 14011435.6123.090.0088932790955990.045 15011434.3924.740.0089862788656780.045 16001413.3426.370.0090772747657580.045 18001314.8629.670.0092622556259240.041 20001205.0332.970.0094462342760960.038 22001078.2036.260.0096312096162740.034 Vmax=36.26Dmax=0.04510档Ne Me Va f Ft Fw+Ff D (r/min)(N·M)(km/h)(N)(N)800940.0017.800.0085971353653560.022 ********.8122.250.0088461906455590.031 12001428.0026.700.0090952056457740.033 14011435.6131.180.0093462067360010.033 15011434.3933.400.0094702065661190.033 16001413.3435.600.0095942035362380.033 18001314.8640.050.0098431893564860.030 20001205.0344.510.0100921735367460.027 ********.2048.960.0103421552770170.024 Vmax=48.96Dmax=0.033发动机外特性曲线轮距2200车高34250.000056×Va456789106.020 4.460 3.330 2.470 1.810 1.350 1.0003.043 2.144 1.660 1.386 1.230 1.150 1.105额定功率转速2200rpm1501160018002000220015101499141613181198150116001800200022001434.391413.341314.861205.031078.20I J1/J Pe(Pw+Pf)/ηACC.Time(m/s2)(s2/m)(kW)(kW)(s)33.91%0.238 4.19878.75 1.840.051.19%0.338 2.960138.63 2.300.356.54%0.365 2.741179.45 2.770.556.95%0.367 2.726210.63 3.240.956.88%0.366 2.729225.47 3.48 1.055.76%0.361 2.770236.82 3.71 1.150.74%0.335 2.981247.85 4.18 1.345.47%0.307 3.258252.39 4.66 1.639.76%0.274 3.650248.41 5.14 1.9Imax=56.95%I J1/J Pe(Pw+Pf)/ηACC.Time(m/s2)(s2/m)(kW)(kW)(s) 24.29%0.299 3.34478.75 2.490.0 35.64%0.425 2.352138.63 3.120.338.93%0.459 2.177179.45 3.750.639.17%0.462 2.166210.63 4.400.9 39.13%0.461 2.168225.47 4.72 1.1 38.45%0.454 2.201236.82 5.04 1.2 35.35%0.422 2.369247.85 5.68 1.4 32.00%0.386 2.591252.39 6.33 1.7 28.24%0.344 2.905248.41 6.99 2.0Imax=39.17%I J1/J Pe(Pw+Pf)/ηACC.Time(m/s2)(s2/m)(kW)(kW)(s) 17.33%0.361 2.77078.75 3.410.0 25.12%0.515 1.942138.63 4.280.4 27.31%0.557 1.796179.45 5.160.6 27.46%0.560 1.787210.63 6.050.9 27.44%0.559 1.788225.47 6.49 1.1 26.99%0.551 1.816236.82 6.94 1.4 24.92%0.511 1.956247.857.84 1.7 22.65%0.467 2.141252.398.75 2.0 20.07%0.416 2.404248.419.66-2.4Imax=27.46%I J1/J Pe(Pw+Pf)/ηACC.Time(m/s2)(s2/m)(kW)(kW)(s) 12.63%0.403 2.47978.75 4.600.018.27%0.578 1.729138.63 5.780.419.82%0.626 1.599179.45 6.980.8 19.93%0.629 1.590210.638.19 1.1 19.91%0.628 1.592225.478.80 1.3 19.59%0.619 1.617236.829.41 1.7 18.11%0.574 1.744247.8510.65 1.9 16.48%0.523 1.911252.3911.90 2.4 14.61%0.465 2.149248.4113.16 2.7Imax=19.93%I J1/J Pe(Pw+Pf)/ηACC.Time(m/s2)(s2/m)(kW)(kW)(s) 9.11%0.415 2.41178.75 6.260.013.21%0.598 1.671138.637.880.614.33%0.648 1.543179.459.53 1.0 14.41%0.651 1.535210.6311.21 1.6 14.39%0.651 1.537225.4712.06 1.9 14.16%0.640 1.561236.8212.91 2.1 13.09%0.593 1.686247.8514.63 2.4 11.90%0.540 1.852252.3916.39 3.0 10.54%0.479 2.088248.4118.17 3.6Imax=14.41%I J1/J Pe(Pw+Pf)/ηACC.Time(m/s2)(s2/m)(kW)(kW)(s) 6.58%0.388 2.57978.758.470.09.61%0.565 1.771138.6310.690.810.43%0.612 1.633179.4512.97 1.4 10.48%0.615 1.625210.6315.30 2.3 10.47%0.615 1.627225.4716.48 2.6 10.30%0.605 1.654236.8217.66 3.0 9.51%0.559 1.790247.8520.08 3.5 8.63%0.507 1.972252.3922.56 4.3 7.61%0.448 2.232248.4125.08 5.2Imax=10.48%I J1/J Pe(Pw+Pf)/ηACC.Time(m/s2)(s2/m)(kW)(kW)(s) 4.66%0.329 3.03778.7511.580.06.89%0.486 2.057138.6314.68 1.37.49%0.528 1.894179.4517.87 2.3 7.52%0.530 1.885210.6321.17 3.7 7.51%0.529 1.889225.4722.85 4.2 7.38%0.520 1.922236.8224.54 4.6 6.79%0.479 2.088247.8528.01 5.4 6.13%0.433 2.309252.3931.59 6.8 5.38%0.380 2.632248.4135.288.1Imax=7.52%I J1/J Pe(Pw+Pf)/ηACC.Time(m/s2)(s2/m)(kW)(kW)(s)3.18%0.253 3.94778.7516.140.04.80%0.382 2.616138.6320.57 2.25.23%0.416 2.403179.4525.18 4.0 5.25%0.417 2.396210.6330.006.5 5.23%0.416 2.403225.4732.487.3 5.13%0.408 2.449236.8234.978.2 4.69%0.374 2.677247.8540.169.5 4.21%0.335 2.987252.3945.5712.0 3.65%0.290 3.446248.4151.1914.3Imax=5.25%I J1/J Pe(Pw+Pf)/ηACC.Time(m/s2)(s2/m)(kW)(kW)(s)2.14%0.182 5.48178.7522.220.03.34%0.284 3.517138.6328.544.1 3.65%0.310 3.221179.4535.207.2 3.65%0.310 3.222210.6342.2612.0 3.63%0.309 3.237225.4745.9113.5 3.55%0.302 3.310236.8249.6315.0 3.21%0.273 3.661247.8557.4417.3 2.83%0.241 4.148252.3965.6722.1 2.40%0.204 4.895248.4174.3526.5Imax=3.65%I J1/J Pe(Pw+Pf)/ηACC.Time(m/s2)(s2/m)(kW)(kW)(s)1.34%0.1148.78878.7531.160.02.21%0.188 5.324138.6340.438.7 2.42%0.206 4.861179.4550.3915.0 2.40%0.204 4.900210.6361.1425.4 2.37%0.202 4.945225.4766.7928.5 2.31%0.196 5.093236.8272.5831.6 2.03%0.173 5.775247.8584.9036.2 1.73%0.148 6.778252.3998.1247.0 1.39%0.1188.448248.41112.2757.4Imax=2.42%。
整车动力学公式主要包括:
1. 驱动力与阻力公式:驱动力(Ft)等于各阻力(Ff、Fw、Fi、Fj)之和,即Ft=Ff+Fw+Fi+Fj。
2. 滚动阻力公式:滚动阻力(Ff)与车轮垂直载荷、轮胎结构与路面情况影响滚动阻力系数(f),即Ff=f×(Fzf+Fzr)。
3. 空气阻力公式:空气阻力(Fw)等于1/2×CD×A×ρ×u^2,其中CD为空气阻力系数,A为迎风面积,ρ为空气密度,u为汽车与空气的相对速度。
4. 坡度阻力公式:坡度阻力(Fi)等于车重(G)乘以道路坡度(i),即Fi=G×i。
5. 加速阻力公式:加速阻力(Fj)等于车重(G)乘以加速度(dudt),即Fj=G×dudt。
6. 马力、扭矩和转速公式:马力=扭矩×转速÷5252;扭矩=马力×5252÷转速;转速=马力×5252÷扭矩。
7. 动能和动量公式:动能=质量×速度^2÷2;动量=质量×速度。
8. 加速度公式:加速度=动力÷质量。
9. 刹车距离公式:刹车距离=(初速度-终速度)÷2×刹车减速度。
10. 阻力公式:阻力=空气密度×面积×滑行系数×速度。
此外,还有一些具体的汽车动力学模型公式,如最高车速计算公式、发动机转速与车速关系公式等。
这些公式在汽车设计和性能分析中非常重要,可以帮助工程师更好地了解和控制车辆的动力学行为。
电动汽车动力性能计算一、功率计算电动汽车的功率一般是指最大功率,即电动机的最大输出功率。
电动机的功率计算公式为:功率=扭矩×转速/9550其中,扭矩单位为牛·米,转速单位为转/分钟,功率单位为千瓦。
为了计算电动汽车的最大功率,需要先知道电动机的最大扭矩和最大转速。
通常,在电动汽车的技术参数中,会标明电动机的最大扭矩和最大转速,可以直接使用这些数值进行计算。
如果没有标明电动机的最大扭矩和最大转速,可以使用车辆的最大速度和最大加速度进行估算。
二、加速性能计算电动汽车的加速性能常用指标是0到100公里/小时的加速时间。
加速时间的计算公式为:加速时间=2×最大速度/最大加速度其中,最大速度单位为千米/小时,最大加速度单位为米/秒²。
为了计算电动汽车的加速时间,需要先知道车辆的最大速度和最大加速度。
最大速度可以在车辆的技术参数中找到,最大加速度可以通过车辆的技术参数或者测试数据进行估算。
三、续航里程计算电动汽车的续航里程是指在充满电的情况下,车辆可以行驶的最大距离。
续航里程的计算公式为:续航里程=蓄电池容量×电机效率/车辆行驶阻力其中,蓄电池容量单位为千瓦时,电机效率单位为%,车辆行驶阻力单位为牛顿。
为了计算电动汽车的续航里程,需要先知道蓄电池的容量、电机的效率和车辆的行驶阻力。
蓄电池的容量可以在车辆的技术参数中找到,电机的效率通常在90%以上,车辆的行驶阻力可以通过车辆的技术参数或者测试数据进行估算。
四、动力分配计算电动汽车的动力分配是指将电动机的动力通过车辆的传动系统分配给各个车轮的比例。
动力分配的计算公式为:动力比例=(车轮所受力×轮胎半径)/(电机输出扭矩×变速器传动比)其中,车轮所受力单位为牛顿,轮胎半径单位为米,电机输出扭矩单位为牛·米,变速器传动比为无单位。
为了计算电动汽车的动力分配,需要先知道车轮所受力、轮胎半径、电机输出扭矩和变速器传动比。
汽车动力性设计计算公式欧阳家百(2021.03.07)3.1 动力性计算公式3.1.1 变速器各档的速度特性:0377.0i i n r u gi ek ai ⨯⨯=( km/h ) (1)其中:k r 为车轮滚动半径,m; 由经验公式:⎥⎦⎤⎢⎣⎡-+=)1(20254.0λb d r k (m) d----轮辋直径,inb----轮胎断面宽度,inλ---轮胎变形系数en 为发动机转速,r/min ;0i 为后桥主减速速比; gi i 为变速箱各档速比,)...2,1(p i i =,p 为档位数,(以下同)。
3.1.2 各档牵引力汽车的牵引力:t k gi a tq a ti r i i u T u F η⨯⨯⨯=0)()( ( N ) (2)其中:)(a tq u T 为对应不同转速(或车速)下发动机输出使用扭矩,N •m ;t η为传动效率。
汽车的空气阻力:15.212a d w u A C F ⨯⨯=( N ) (3)其中:d C 为空气阻力系数,A 为汽车迎风面积,m 2。
汽车的滚动阻力:f G F a f ⨯=( N ) (4)其中:a G =mg 为满载或空载汽车总重(N),f 为滚动阻尼系数 汽车的行驶阻力之和r F :w f r F F F +=( N ) (5)注:可画出驱动力与行驶阻尼平衡图3.1.3 各档功率计算汽车的发动机功率:9549)()(ea tq a ei n u T u P ⨯= (kw ) (6)其中: )(a ei u P 为第)...2,1(p i i =档对应不同转速(或车速)下发动机的功率。
汽车的阻力功率:t aw f r u F F P η3600)(+= (kw ) (7)3.1.4 各档动力因子计算a wa ti a i G F u F u D -=)()( (8)各档额定车速按下式计算0.377.0i i n r u i g ce k i c a = (km/h ) (9)其中:c e n 为发动机的最高转速;)(a i u D 为第)...2,1(p i i =档对应不同转速(或车速)下的动力因子。
汽车动力性计算图解法1LT汽车动力性计算图解法问题:根据所给出的汽车的各项参数计算出该车辆的最高的车速以及该汽车从0至100km/h 的加速时间。
解:1.对于汽车的最高车速,由于汽车发动机的最高转速以及发动机的变速器的最小传动比和主减速器的传动比,因此很容易依 据ogi a i i n r v ***377.0=,代入其发动机的最高转速n=6000r/min 变速器五档的传动比850.05=g i 以及主传动比941.30=i 和轮子的半径r=0.285m后可得汽车的最高车速为:max a v =h km /447.192941.3*850.06000*285.0*377.0==53.458m/s 此为仅根据发动机的最高转速所的出的最高速度,假设此为最高的车速那么可计算出,此时对于汽车的功率需求为 kw kw v A C v f G P P P a D a W f te 74423..75)761403^**3600**(8.01)(1>=+=+=η 故此时汽车不能到达53.458m/s 的车速,因此应当根据五档时汽车的驱动力与汽车所受的阻力相平衡的方法来计算汽车的最高的车速五档的驱动力为N v v F t 416.454*478.562^*834.05++-=汽车在最高速度时所受的阻力为 2^*4345.0500.157632.12^***v N v A C f G F F F D W f +=+=+=阻由二者相等进行解方程那么可以推导出其对应的最高车速为km/h 373.177/270.49max ==s m V a 2.求解汽车从0km/h 加速到100km/h 的加速时间。
〔1〕确定各个参数值首先根据各个档位的传动比以及发动机的最大功率时刻的转速可以求出其个档位换挡时候的车辆的车速如下如下所示: s m h km v s m h km v s m h km v s m h km v a a a a /562.42/224.153941.3*032.15800*285.0*377.0/062.32/422.115941.3*370.15800*285.0*377.0/595.22/341.81941.3*944.15800*285.0*377.0/732.12/834.45941.3*450.35800*285.0*377.04321============由此可以得出汽车在三挡的时候能到达100km/h ,而汽车0-100km/h的加速时间是在附着良好的平直路面上进行的,因此其所受的坡道阻力Fi=0,汽车所受的阻力为滚动阻力Ff ,空气阻力Fw 和加速阻力Fj 。
专用汽车设计常用计算公式1.马力计算公式:马力=扭矩*转速/5252这个公式用于计算发动机的功率,其中扭矩以磅-英尺(lb-ft)为单位,转速以每分钟为单位。
2.转弯半径计算公式:转弯半径=车辆轴距/正切值(转角)这个公式用于计算车辆在转弯时所需的最小转弯半径,其中车辆轴距以英尺为单位,转角以弧度为单位。
3.雷诺数计算公式:雷诺数=流体密度*流体速度*尺寸/流体粘度这个公式用于计算流体力学中的雷诺数,其中流体密度以千克/立方米为单位,流体速度以米/秒为单位,尺寸以米为单位,流体粘度以千克/米·秒为单位。
4.压力损失计算公式:压力损失=管道阻力系数*管道长度*流体密度*流体速度的平方/2这个公式用于计算流体在管道中的压力损失,其中管道阻力系数以无量纲形式表示,管道长度以米为单位,流体密度以千克/立方米为单位,流体速度以米/秒为单位。
5.车辆油耗计算公式:油耗=行驶距离/燃油消耗这个公式用于计算车辆的油耗,其中行驶距离以公里为单位,燃油消耗以升为单位。
6.制动距离计算公式:制动距离=初始速度的平方/2*制动能力这个公式用于计算车辆制动时所需的最小制动距离,其中初始速度以米/秒为单位,制动能力以米/秒²为单位。
7.载荷计算公式:载荷=重力加速度*质量这个公式用于计算物体的重力,其中重力加速度以米/秒²为单位,质量以千克为单位。
8.散热器尺寸计算公式:散热器尺寸=所需散热功率/(散热器效率*温度差)这个公式用于计算散热器的尺寸,其中所需散热功率以瓦特为单位,散热器效率为无量纲值,温度差以摄氏度为单位。
9.轮胎气压计算公式:胎压=轮胎负荷/轮胎接地面积这个公式用于计算轮胎的气压,其中轮胎负荷以牛顿为单位,轮胎接地面积以平方米为单位。
10.加速度计算公式:加速度=(末速度-初速度)/时间这个公式用于计算物体的加速度,其中末速度以米/秒为单位,初速度以米/秒为单位,时间以秒为单位。
汽车动力性设计计算公式3.1 动力性计算公式3.1.1 变速器各档的速度特性:377.0i i n r u gi e k ai ⨯⨯=( km/h ) (1)其中:k r 为车轮滚动半径,m;由经验公式:⎥⎦⎤⎢⎣⎡-+=)1(20254.0λb d r k (m) d----轮辋直径,in b----轮胎断面宽度,inλ---轮胎变形系数e n 为发动机转速,r/min ;0i 为后桥主减速速比; gii 为变速箱各档速比,)...2,1(p i i =,p 为档位数,(以下同)。
3.1.2 各档牵引力 汽车的牵引力:tkgi a tq a ti r i i u T u F η⨯⨯⨯=)()( ( N ) (2)其中:)(a tq u T 为对应不同转速(或车速)下发动机输出使用扭矩,N •m ;t η为传动效率。
汽车的空气阻力:15.212ad w u A C F ⨯⨯=( N ) (3)其中:d C 为空气阻力系数,A 为汽车迎风面积,m 2。
汽车的滚动阻力:fG F a f ⨯=( N ) (4)其中:a G =mg 为满载或空载汽车总重(N),f 为滚动阻尼系数汽车的行驶阻力之和r F :wf r F F F +=( N ) (5)注:可画出驱动力与行驶阻尼平衡图3.1.3 各档功率计算 汽车的发动机功率:9549)()(ea tq a ei n u T u P ⨯=(kw ) (6)其中: )(a ei u P 为第)...2,1(p i i =档对应不同转速(或车速)下发动机的功率。
汽车的阻力功率:taw f r u F F P η3600)(+=(kw ) (7)3.1.4 各档动力因子计算awa ti a i G F u F u D -=)()( (8)各档额定车速按下式计算.377.0i i n r u i g c e k i c a = (km/h ) (9)其中:c e n 为发动机的最高转速;)(a i u D 为第)...2,1(p i i =档对应不同转速(或车速)下的动力因子。
汽车动力因数d是衡量汽车动力性能的重要指标之一,它反映了发动机输出功率与车辆质量之比。
计算公式为:
d = (P / m) * 100%
其中,P表示发动机输出功率,单位为千瓦(kW);m表示车辆质量,单位为千克(kg)。
汽车动力因数d越大,说明车辆的动力性能越好,加速能力和爬坡能力越强。
因此,在设计和选择汽车时,需要根据不同的使用需求和路况要求来确定合适的动力因数。
需要注意的是,汽车动力因数d并不是越高越好。
过高的动力因数会导致燃油消耗增加、排放污染加剧等问题,同时也会增加车辆的制造成本和维护难度。
因此,在实际应用中需要综合考虑各种因素,找到最佳的平衡点。
除了动力因数之外,还有其他一些指标也可以用来衡量汽车的动力性能,例如扭矩、功率密度等。
这些指标都与发动机的设计和参数密切相关,因此在进行汽车研发和改进时需要进行全面的分析和评估。
总之,汽车动力因数d是一个重要的技术指标,它可以反映出车辆的动力性能和效率水平。
通过对动力因数的研究和应用,可以有效地提高汽车的性能和竞争力,满足不同用户的需求和期望。
汽车理论计算公式汽车的运行原理和性能由多个因素决定,通过理论计算可以对汽车的性能和效益进行预测和评估。
以下是一些常见的汽车理论计算公式。
1.马力和扭矩马力和扭矩是衡量发动机输出功率的指标。
常见的计算公式如下:马力(HP)= 扭矩(lb-ft)× 发动机转速(rpm)/ 52522.动力输出汽车的动力输出受到驱动系统的影响。
常见的计算公式如下:动力输出(kW)=马力(HP)×0.74573.转速和车速的关系转速和车速的关系取决于车辆的传动比和车轮半径。
常见的计算公式如下:车速(mps)= 2 × 3.1416 × 轮胎半径(m)× 转速(rpm)× 60 / 10004.油耗油耗是衡量汽车燃油效率的指标。
常见的计算公式如下:油耗(L/100km)= 油耗(升)/ 行驶距离(km)× 1005.推力推力是衡量汽车加速性能的指标。
常见的计算公式如下:推力(N)= 车辆质量(kg)× 加速度(m/s^2)6.停车距离停车距离取决于刹车系统和路面摩擦力。
常见的计算公式如下:停车距离(m)=0.5×刹车系统效率×车辆初速度(m/s)^2/路面摩擦力(m/s^2)7.行驶阻力行驶阻力包括空气阻力、滚动阻力和爬坡阻力。
常见的计算公式如下:行驶阻力(N)=空气阻力(N)+滚动阻力(N)+爬坡阻力(N)空气阻力(N)=0.5×空气密度×面积(m^2)×空气阻力系数×车速(m/s)^2滚动阻力(N)= 车辆质量(kg)× 9.8 × 滚动阻力系数爬坡阻力(N)= 车辆质量(kg)× 9.8 × sin(坡度)8.加速时间加速时间是衡量汽车加速性能的指标。
加速时间(s)=车速(m/s)/加速度(m/s^2)9.弯道转向力弯道转向力是衡量汽车在弯道行驶时的操控性能的指标。
汽车动力性设计计算公式
3.1 动力性计算公式
3.1.1 变速器各档的速度特性:
377.0i i n r u gi e
k ai ⨯⨯= ( km/h ) (1)
其中:k r 为车轮滚动半径,m;
由经验公式:⎥⎦
⎤
⎢⎣⎡-+=)1(20254.0λb d r k (m)
d----轮辋直径,in b----轮胎断面宽度,in
λ---轮胎变形系数
e n 为发动机转速,r/min ;0i 为后桥主减速速比;
gi i 为变速箱各档速比,)...2,1(p i i =,p 为档位数,(以下同)。
3.1.2 各档牵引力 汽车的牵引力:
错误!未指定书签。
t k
gi a tq a ti r i i u T u F η⨯⨯⨯=
)()( ( N ) (2)
其中:)(a tq u T 为对应不同转速(或车速)下发动机输出使用扭矩,N •m ;t η为传动效率。
汽车的空气阻力:
15
.212
a
d w u A C F ⨯⨯= ( N ) (3)
其中:d C 为空气阻力系数,A 为汽车迎风面积,m 2。
汽车的滚动阻力:
f G F a f ⨯= ( N ) ......(4) 其中:a G =m
g 为满载或空载汽车总重(N),f 为滚动阻尼系数 汽车的行驶阻力之和r F :
w f r F F F += ( N ) (5)
注:可画出驱动力与行驶阻尼平衡图
3.1.3 各档功率计算 汽车的发动机功率: 9549
)()(e
a tq a ei n u T u P ⨯=
(kw ) (6)
其中: )(a ei u P 为第)...2,1(p i i =档对应不同转速(或车速)下发动机的功率。
汽车的阻力功率:
t
a
w f r u F F P η3600)(+=
(kw ) (7)
3.1.4 各档动力因子计算
a
w
a ti a i G F u F u D -=
)()( (8)
各档额定车速按下式计算
.377
.0i i n r u i g c e k i c a = (km/h ) (9)
其中:c e n 为发动机的最高转速;
)(a i u D 为第)...2,1(p i i =档对应不同转速(或车速)下的动力因子。
对各档在[0,i c a u .]内寻找a u 使得)(a i u D 达到最大,即为各档的最大动力因子m ax .i D
注:可画出各档动力因子随车速变化的曲线
3.1.5 最高车速计算
当汽车的驱动力与行驶阻力平衡时,车速达到最高。
3.1.5.1 根据最高档驱动力与行驶阻力平衡方程
)()(.a r a highest t u F u F =,
求解a u 。
舍去a u 中的负值或非实数值和超过额定车速的值;若还有剩余的值,则选择它们中最大的一个为最高车速,否则以最高档额定车速c a u 作为最高车速m ax .a u 。
额定车速按下式计算
377
.0i i n r u h g c e k c a = (km/h ) (10)
其中:c e n 为发动机的最高转速 h g i 为最高档传动比
附着条件校验
根据驱动形式计算驱动轮的法向反力n F 驱动形式 4*4全驱 :a n G F =
4*2前驱 :)(a L L
G F a
n -=
4*2后驱: a L
G F a
n =
其中: L 为轴距,a 为满载或空载质心距前轴的距离 若满足下式
ϕ>n
h i g h e s t
t F F .
其中:ϕ——道路附着系数
则表示“超出路面附着能力,达不到计算得出的最高车速值!” 3.1.6 爬坡能力计算
⎪⎪⎭
⎫
⎝⎛+-=a w f a ti i G F F u F )()(arcsin α ......(11) 其中:i α为第)...2,1(p i i =档对应不同转速(或车速)下的爬坡度 3.1.6.1 各档爬坡度在[0,i
ac u .]中对
)(ai i u α寻优,找到最大值1.m i α
3.1.6.2 附着条件校验
计算道路附着系数提供的极限爬坡能力2.m i α 驱动形式 4*4: ϕαarctan 2.=m i ,计算2.m i α
4*2 前驱: )a r c t a n (
2.g
m i h L b ϕϕ
α+=,计算2.m i α 4*2后驱: )a r c t a n (
2.g
m i h L a ϕϕ
α-=,计算2.m i α 其中: b ——满载或空载质心到后轴的距离 ϕ——道路附着系数 L ——轴距
取1.m i α、2.m i α之小者作为一档或直接档的最大爬坡度 3.1.7 最大起步坡度
3.1.7.1 按下式计算最大起步驱动力
tq
F
t k
gq eq q r i i T Fd η⨯⨯⨯=
max (N ) (12)
其中:m ax eq T 为发动机的最大输出扭矩
q g i 为起步档位的传动比,这里分别取一档传动比和二档传动比 0i 为主减速器的传动比
t η为 起步档(一档或二档)的传动效率 3.1.7.2 按下式计算最大起步坡度
q
α
f f
G F a tq
q arctan )1arcsin(
2
-+=α (rad ) (13)
3.1.7.3 附着条件校验
按3.1.6.2 校验附着条件,得到极限爬坡度2m α,取q α和2m α之较小者作为最
大起步坡度。
3.1.8 加速性能计算
3.1.8.1 计算第)...2,1(p i i =档的旋转质量换算系数
i δ
✧ 如果已知经验值1δ,2δ,则按下式计算
2
211gi i i δδδ++= (14)
其中:i g i ——第i 档传动比
✧ 如果已知车轮的转动惯量w I 和飞轮的转动惯量f I ,则按下式计算
)(112
2
22t k i g f k w i r i i I r I m ηδ⨯⨯++=∑ (15)
其中:m ——满载或空载质量 3.1.8.2 按下式计算第)...2,1(p i i =档加速度
)()(f D g
m F u F a i i
q r a ti i -=-=
δδ (16)
其中:i a 为第)...2,1(p i i =档对应不同转速(或车速)下的加速度
注:可画出加速度倒数随车速变化的曲线
3.1.8.3 连续起步换档加速时间和加速距离的计算
✧ 确定最佳换档点:设从第i 档换到1+i 档(1...2,1-=p i )的最佳换档点对应的车速为i ab u
✧ 计算加速时间
⎰
=2
1
)
(1
6.31u u a a i du u a T (s) (17)
✧ 计算加速距离
dt u S t t a i
⎰
=
2
(s) (18)
3.1.8.4 最高档或直接档加速时间和加速距离的计算
⎰=ae
as
u u
a a p p du u a t )
(1
6.31 (19)
其中:)(a p u a 为最高档(或直接档)加速度
ae u ——用户指定的加速终了速度
as u ——用户指定的加速起始速度 3.1.9 比功率计算
按下式计算比功率p P m
P
P p =
(kw/kg ) ......(20) 其中:P 为发动机的最大功率 m 为汽车满载总质量 3.1.10 载质量利用系数计算
按下式计算载质量利用系数m η 0
m m e
m =
η ......(21) 其中: e m 为装载质量。