闪光继电器的运用
- 格式:ppt
- 大小:4.00 MB
- 文档页数:30
常用信号继电器用途1.电力系统保护:在电力系统中,信号继电器被广泛用于保护设备和线路。
通过监测电流、电压、频率等参数,当异常情况发生时,信号继电器可及时切断电路,以保护设备和线路不受损。
2.控制与自动化:在工业自动化控制系统中,信号继电器可以用于控制电动机、开关、阀门等设备的运行。
通过接收控制信号,继电器能够实现设备的启动、停止、转向等功能,实现自动化控制。
3.家庭电器控制:信号继电器在家庭电器中的应用也非常广泛。
通过接收遥控信号或触摸开关输入,继电器可以控制灯光、电视、空调等家电的开关与调节,提高生活的便利性和舒适度。
5.交通与运输:信号继电器在交通信号灯、铁路信号系统、电梯控制等方面也有重要的作用。
它能够根据外部信号,控制信号灯的红绿灯切换,保证交通的顺畅与安全;同时,在铁路信号系统中,信号继电器可以根据轨道上的信号,进行列车运行的控制。
6.医疗设备:信号继电器广泛应用于医疗设备中,如监护仪、心电图仪、呼吸机等。
它可以根据患者体征的变化,对设备进行控制与调节,确保医疗过程的准确与安全。
7.消防安全:信号继电器在消防系统中也有重要的应用。
它可以通过接收烟雾、温度等感应器的信号,控制火灾报警器、喷淋系统等设备的启动与停止,提高火灾报警与灭火的效率。
8.农业与环境监测:信号继电器可应用于农业、环境监测等领域。
通过接收传感器的数据,继电器可以控制灌溉系统、温室通风系统等设备的运行,以实现农业生产的自动化与高效化。
总结起来,常用信号继电器在电力系统保护、控制与自动化、家庭电器控制、电信设备控制、交通与运输、医疗设备、消防安全、农业与环境监测等方面都有广泛应用。
它通过转换信号的方式,起到控制电路的作用,从而实现各种设备的启动、停止和调节等功能。
长城风骏5闪光继电器使用说明书
风骏5闪光继电器使用说明书闪光继电器是利用电磁感应原理,通过电磁场对触发点进行控制的继电器。
它是一种特殊型号的电子控制元件,广泛应用于各种家用电器、仪表、玩具等电气设备中。
它具有控制灵活直观,使用方便,功能多等特点。
适用于各种电路中对信号进行控制。
使用时可按下述方法进行选择:按指示灯亮,为通电信号;指示灯不亮时应检查电源是否接通;指示灯不亮了应检查电源是否已接通;指示灯亮了表示继电器已动作,按下开关即可发出控制信号。
闪光继电器适用于控制汽车点火开关及其他电气设。
1. 应用背景闪烁继电器控制电路是一种常用的电气控制装置,用于控制电路的通断。
它的主要作用是在电路故障发生时,通过闪烁来警示操作人员,以便及时发现和处理故障,保障设备的安全运行。
闪烁继电器控制电路通常应用于各种电力系统、工业自动化设备、交通信号灯等领域。
2. 应用过程闪烁继电器控制电路的应用过程可以分为以下几个步骤:2.1 设计电路首先,需要根据实际需求设计闪烁继电器控制电路。
设计时需要考虑电路的输入电压和电流、继电器的工作电压和电流、控制信号的来源和逻辑关系等因素。
根据设计要求选择合适的继电器和其他电子元器件,并绘制电路图。
2.2 制作电路根据电路设计图,将电子元器件进行焊接和连接。
在制作电路时需要注意保持良好的焊接质量和电路连接可靠性,避免出现虚焊、短路等问题。
制作完成后,对电路进行必要的检查和测试,确保电路正常工作。
2.3 安装电路将制作完成的电路安装到实际应用的设备或系统中。
根据实际情况选择合适的安装位置和安装方式,确保电路与其他设备或系统的连接正确可靠。
在安装过程中,还需要注意避免电路与其他元器件的干扰和损坏。
2.4 调试电路安装完成后,对电路进行调试。
通过给电路输入控制信号,观察继电器的工作情况,检查闪烁效果是否符合设计要求。
如果发现问题,需要进行逐步排查和调整,直到达到预期的效果。
3. 应用效果闪烁继电器控制电路在故障指示应用中具有以下几个优点和效果:3.1 快速发现故障当电路发生故障时,闪烁继电器会迅速地进行开关动作,产生明显的闪烁效果。
操作人员可以通过观察闪烁情况,快速判断出故障的位置和性质,有针对性地进行处理。
这能够大大缩短故障排查时间,提高故障处理效率。
3.2 提高设备安全性闪烁继电器控制电路能够及时发现和指示电路故障,避免故障的继续扩大和损害设备的安全性。
在工业自动化设备等关键领域,设备的故障可能会导致生产中断、人员伤亡等严重后果。
通过应用闪烁继电器控制电路,可以尽早发现故障并采取相应措施,提高设备的安全性和可靠性。
南昌大学信息工程电气与自动化工程系电力系统及其自动化教研室发电厂电气部分课程标准实验报告闪光继电器构成的闪光装置实验闪光继电器构成的闪光装置实验一、实验目的1、掌握闪光继电器的内部结构和工作原理。
2、闪光继电器的结构与平时在机动车转向灯的原理实现功能。
3、结合断路器控制回路,理解闪光装置在控制回路中的作用和接入方法。
4、学会闪光继电器的调整方法和接线。
5、闪光继电器实现闪光信号的目的。
二、原理说明闪光继电器广泛用于具有灯光监视要求的断路器控制回路,闪光既有指示断路器事故跳闸的作用,又有监视断路器操作过程状态的作用(如“预备合闸”或“预备跳闸”)其目的是提高控制回路的监视效果和可靠性,闪光装置与下一个实验项目结合运用,你会得到更全面的认识和深入的理解。
闪光装置的工作原理如图4—1所示。
图中SGJ为闪光继电器,它由中间继电器和电阻、电容所构成。
当装置两端接入直流电压时,由于实验安钮没有受到力的作用,其常开触点SB3-4断开,常闭触点SB1-2闭合,有回路220 V(+) -1FU-SB1-2常闭触点(此时处于闭合状态)-白灯BD-电阻R1-2FU-220V(-)接通,白色指示灯的BD全压发光,由于SB3-4处于断路状态,SGJ闪光继电器此时没有带电,其回路不会发生动作,相应的其回路中的继电器线圈J并不带电,其常开触点J3-4断开,常闭触点J1-2闭合。
当按下实验按钮SB,SB3-4的常开触点闭合,有:电路220 V(+)-1FU-J1-2常闭触点(此时处于闭合状态)-线圈J与电容C组成的并联回路-电阻R2-SB3-4常开触点(此时受外力作用处于闭合状态)-白灯BD-电阻R1-2FU-220V(-)接通。
结果由于电路中的阻抗较大,使得电路中的白灯BD发暗光,由于此时在继电器线圈J上有电压在在,电容器C开始充电,电压逐渐升高,当电容器两端电压达到继电器J的动作电压时,J线圈带电,立即动作,一方面,J的常闭触点J1-2切断了电容器充电回路,另一方面常开触点J3-4闭合,使白灯BD能全压发光。
百度文库- 让每个人平等地提升自我1 DX-2SA、DX-3A、DX-3B闪光继电器1.概述一般说明闪光继电器通常用于直流信号回路,当系统发生故障、断路、跳闸、自动装置动作、断路器合闸等造成位置不对应时,通过信号灯启动闪光继电器使相应的位置信号灯闪光。
DX系列闪光继电器采用全集成电路设计,石英晶体稳频,抗误动、拒动,共正、共负、交直流通用,适用于所有类型的指示灯和其他负载。
在继电器上直接设置了闪光试验按键和指示,用户可不必在直流屏上另接闪光试验线路,简化直流屏的设计,提高系统的可靠性。
DX-2SA采用标准继电器底座安装;DX-3A和DX-3B采用带面板的仪表结构。
特点通用性强,有12-220V全系列电压等级,交直流通用;光耦触发,强抗干扰,晶振稳频,频率稳定度为15PPM;无需另接闪光试验按钮及其指示灯;阻燃壳体;通过8000V静电试验。
2.额定参数工作电压等级:AC/DC 12、24、48、60、90、110、220V频率误差:60次/分钟±15ppm 占空比 50%启动电流:小于1mA功率消耗:小于2W输出容量:双路触点输出 AC/DC 220V/4A3.使用方法闪光继电器共有3个有源接点,分别是+KM、+SM、-KM,接线见图。
如需外接试验指示灯,正输入、负输入、交流输入三种接线方法参考下图。
闪光联动端子:当继电器动作时,也同步动作,在继电器中是无源干触点,可用于输出容量的扩展或与其他指示联动等。
闪光继电器有两个指示灯和一个试验按钮。
当闪光母线有负载使继电器动作时,“工作”指示灯闪烁;“闪光”指示灯在继电器内部直接接在闪光母线上,按下面板上的“试验”按钮时,此灯与“工作”指示灯一同闪烁,用于闪光试验或继电器的在线检查。
DX-2SA接线图百度文库 - 让每个人平等地提升自我2共负极接线图 共正极接线图 交流输入接线图外形图安装开孔图DX-3A 接线图共负极外接试验指示接线图 共正极外接试验指示接线图交流输入接线图*DX-3A 和DX-3B 型接线图的端子号相同。
闪光继电器构成的闪光装置实验一、实验目的1、掌握闪光继电器的内部结构和工作原理。
2、结合断路器控制回路,理解闪光装置在控制线路中的作用和接入方法。
3、学会闪光继电器的调整方法和接线。
二、预习与思考1、闪光继电器中如改变电阻R的阻值,是否能改变闪光频率,为什么?2、图14-1中(+)SM端的作用是什么?3、图14-1中试验按钮SB常闭触点的作用是什么?4、闪光继电器上的直流操作电源正负极性接反后会出现什么情况?为什么?三、原理说明闪光继电器广泛用于具有灯光监视要求的断路器控制回路,闪光既有指示断路器事故跳闸的作用,又有监视断路器操作过程状态的作用(如“预备合闸”或“预备跳闸”)其目的是提高控制回路的监视效果和可靠性,闪光装置与下一个实验项目结合运用,你会得到更全面的认识和深入的理解。
闪光装置的工作原理如图14-1所示。
图中SGJ为闪光继电器,它由中间继电器和电阻、电容构成。
当装置两端接入直流电压时,继电器J不能立即动作指示灯全压发光。
按下实验按钮SB,SB的常开触点闭合,BD发暗光,此时电流从正电源通过继电器的常闭触点和电容器C、电阻R、试验按钮Y A(按下时常开触点闭合)和白色指示灯BD到负极,电容器C开始充电,电压逐渐升高,当电容器两端电压达到继电器J的动作电压时,J立即动作,一方面,J的常闭触点切断了电容器充电回路,另一方面常开触点闭合,使BD能维持一段时间的全发光状态,当电容器C因放电电压逐渐下降至继电器的返回电压时,继电器J复归,常开触点分开,电容器C又开始充电,BD又变暗,当C充电至一定电压时,J又动作,白灯BD又全压发光。
这样周而复始,就会看到灯光一闪一闪的现象。
四、实验设备五、实验步骤和要求1、根据闪光继电器选择操作电源电压。
2、按图14—1用闪光继电器构成闪光装置原理进行安装接线。
3、检查上述接线的正确性,确定无误后,接通电源,白色指示灯BD亮,按下试验按钮SB,闪光继电器开始工作。
项目四闪光继电器的检测
汽车信号灯概述:
一、闪光继电器的就车检查:
(1)在点火开关置于“ON”位时,将转向灯开关打开,观察转向灯的闪烁情况:如果闪光继电器正常,相应转向灯及转向指示灯应随之闪烁;如果转向灯不闪烁(常亮或不亮),则为闪光继电器自身或线路故障。
(2)此时,用万用表检测闪光继电器电源接柱B与搭铁之间的电压,正常值为蓄电池电压;如果无电压或电压过小,则为闪光继电器电源线路故障。
(3)用万用表R×1档检测闪光继电器的搭铁线柱E的搭铁情况,正常时电阻为零;否则为闪光继电器搭铁线路故障。
(4)在闪光继电器灯泡接线柱L与搭铁之间接入一个二极管试灯,正常情况下灯泡应闪烁,否则为闪光继电器内部晶体管元件故障。
二、闪光继电器的独立检测。
将蓄电池、闪光继电器、试灯按照如图所示接入试验电路,检测闪光继电器工作情况。
将蓄电池的输出电压接通试验电路,观察灯泡闪烁情况。
如果灯泡能够正常闪烁,则闪光继电器完好;如果灯泡不亮,则表明闪光继电器损
坏。
闪光继电器测试说明一、闪光继电器印制板更改1.电阻R4更换为10K的电阻。
2.电阻R5更换为20K的电阻3.接上外接灯后,即使在断开状态,外接灯仍然发光较亮,则将电阻R7更换为30K的电阻二、接线示意图三、测试步骤说明四、故障问题分析说明1.继电器上电(1,3脚上24V电)故障现象:上电后印制板上的发光二极管不闪故障原因:发光二级管焊反,或AT89C51电路有问题检查方法:检查印制板上的发光二级管是否焊反,若没有焊反,则表明程序没运行。
解决方法:交技术部分析。
2.合上开关K故障现象:印制板上发光二极管不亮,继电器不吸合,外接灯不亮检查方法:1)检查印制板上的三极管Q3是否接反,若接反,则更换。
2)检查印制板上的光耦U2(TLP521-2)的8脚对地电压是否是低电平,U2的(TLP521-2)的6脚对地电压是否是低电平。
A:不是低电平:换光耦U2。
B:是低电平:检查印制板上的AT89c51的第1脚和地的电平。
ⅰ)电平为高,则将印制板上的小继电器的16脚接地①印制板上的小继电器动作,则表示三极管Q3(9013)损坏,更换三级管。
②印制板上的小继电器不动作,则表示印制板上的小继电器损坏,更换印制板上的小继电器。
ⅱ)电平为低,交技术部分析。
故障现象:印制板上发光二极管常亮,继电器吸合,外接灯常亮检查印制板上的三极管Q3是否接反,若接反,则更换。
2)检查印制板上的光耦U2(TLP521-2)的8脚对地电压是否是高电平,U2的(TLP521-2)的6脚对地电压是否是高电平。
A:不是高电平:换光耦U2。
B:是高电平:检查印制板上的AT89c51的第1脚和地的电平。
ⅰ)电平为低,则将印制板上的三极管Q3(9013)的2脚接地①印制板上的小继电器不动作,则表示三极管Q3(9013)损坏,更换三级管。
ⅱ)电平为高,交技术部分析。
3.其他步骤的故障,交技术部处理。
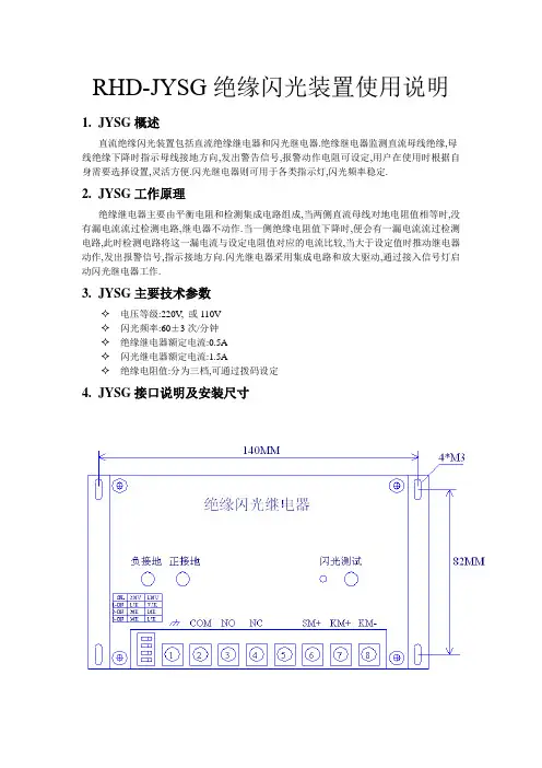
RHD-JYSG绝缘闪光装置使用说明1.JYSG概述直流绝缘闪光装置包括直流绝缘继电器和闪光继电器.绝缘继电器监测直流母线绝缘,母线绝缘下降时指示母线接地方向,发出警告信号,报警动作电阻可设定,用户在使用时根据自身需要选择设置,灵活方便.闪光继电器则可用于各类指示灯,闪光频率稳定.2.JYSG工作原理绝缘继电器主要由平衡电阻和检测集成电路组成,当两侧直流母线对地电阻值相等时,没有漏电流流过检测电路,继电器不动作.当一侧绝缘电阻值下降时,便会有一漏电流流过检测电路,此时检测电路将这一漏电流与设定电阻值对应的电流比较,当大于设定值时推动继电器动作,发出报警信号,指示接地方向.闪光继电器采用集成电路和放大驱动,通过接入信号灯启动闪光继电器工作.3.JYSG主要技术参数✧电压等级:220V, 或110V✧闪光频率:60±3次/分钟✧绝缘继电器额定电流:0.5A✧闪光继电器额定电流:1.5A✧绝缘电阻值:分为三档,可通过拨码设定4.JYSG接口说明及安装尺寸◆ 1. _|_ 接机壳大地◆ 2. COM 绝缘报警输出干节点公共端◆ 3. NO 绝缘报警输出常开节点◆ 4. NC 绝缘报警输出常闭节点◆ 5. 空◆ 6. SM+ 接闪母正◆7. KM+ 接控母正◆8. KM- 接控母负5.JYSG使用说明➢绝缘继电器功能用户根据自己的需要来选择绝缘电阻值,阻值与拨码的关系如下:1—ON 220V系统时阻值为15K, 110V系统时阻值为7.5K2—ON 220V系统时阻值为20K, 110V系统时阻值为10K3—ON 220V系统时阻值为30K, 110V系统时阻值为15K4 内部引脚悬空其中1,2,3号位拨码只能有一个拨到”ON”位置,否则会造成报警错误.当直流正母线对地绝缘降低到设定的绝缘电阻值时,面板上的”正接地”红色指示灯亮,绝缘继电器动作.当直流负母线对地绝缘降低到设定的绝缘电阻值时,面板上的”负接地”红色指示灯亮,绝缘继电器动作.➢闪光继电器功能SM+上接超过5mA以上的负载(一个以上指示灯),闪光继电器以1HZ的频率动作.为了测试闪光继电器是否工作正常,可以按住面板上”闪光测试”键,绿灯以1HZ的频率闪烁表明闪光继电器工作正常.。
继电器的作用
继电器是一种电气设备,主要用于控制电路的开关,起到转换信号、放大信号、隔离信号的作用。
1. 控制电路的开关:继电器通过控制电磁吸合的动作,使得其触点的通断状态发生变化,从而控制电路的开关操作。
当继电器的电磁线圈通电时,会产生足够的电磁力将其磁铁吸引,使得触点闭合,电流得以通路。
反之,当电磁线圈断电时,电磁力减弱,触点打开,电路断开。
2. 转换信号:继电器可以根据输入信号的变化,将其转换成不同的输出信号。
比如,当继电器接收到一个开关信号时,可以通过触点的开关状态改变,将一个电路连接到另一个电路,达到转换信号的目的。
3. 放大信号:如果输入信号的电压或电流较小,继电器可以通过电磁线圈的工作原理,将较小的输入信号转化成更大的输出信号。
这种放大的作用可以将微弱的信号加强,使得信号能够被其他电路或设备识别和处理。
4. 隔离信号:继电器在控制电路中起到隔离信号的作用。
通常情况下,继电器的输入和输出线路是相互隔离的,没有直接的电气连接。
这样做可以避免输入信号对输出信号产生干扰,同时也可以保护控制电路免受外界电气干扰。
综上所述,继电器的作用主要是控制电路的开关,转换信号,
放大信号以及隔离信号,是电气控制系统中常用的重要组件之一。
汽车上闪光继电器的原理全解2023-10-27•闪光继电器概述•闪光继电器的工作原理•闪光继电器的类型与规格•闪光继电器的选用与安装•闪光继电器的故障诊断与排除目•未来发展趋势与新技术应用录01闪光继电器概述定义闪光继电器是一种控制开关,用于控制汽车的转向信号灯或其他外部灯具。
作用通过接收来自汽车控制系统的信号,控制闪光继电器触点的开关状态,从而实现转向信号灯或其他外部灯具的闪烁或常亮。
定义与作用工作电压闪光继电器的工作电压通常为12V或24V,根据车型和系统需求而定。
线圈与触点闪光继电器通常由一个线圈和一对或多个触点组成。
当线圈通电时,磁场产生,触点闭合;当线圈断电时,磁场消失,触点断开。
闪烁与常亮通过控制闪光继电器的线圈的开关状态,可以实现转向信号灯或其他外部灯具的闪烁或常亮。
当线圈持续通电时,触点持续闭合,灯具持续亮起;当线圈断电时,触点断开,灯具熄灭。
通过交替通电断电,实现灯具的闪烁效果。
汽车转弯01当汽车转弯时,控制系统会检测到转向信号,并向闪光继电器发送信号。
闪光继电器根据信号控制触点的开关状态,从而实现转向信号灯的闪烁。
危险报警02在一些特殊情况下,如汽车被盗或遇到危险时,驾驶员可以手动触发危险报警系统。
此时,闪光继电器控制转向信号灯和其他外部灯具以高频闪烁,以引起周围人的注意。
其他应用03除了控制转向信号灯外,闪光继电器还可以用于控制其他外部灯具,如制动灯、倒车灯等。
02闪光继电器的工作原理当有电流通过时,会产生磁场,使铁芯吸合。
线圈触点弹簧由铁芯和触点组成,当铁芯吸合时,触点闭合,电路接通。
当铁芯吸合后,弹簧会拉回铁芯,使触点断开。
03闪光继电器的组成0201电源通过两个触点控制转向灯的闪烁。
闪光继电器连接到闪光继电器的输出端。
转向灯闪光继电器的电路图解析通过点火开关连接到蓄电池。
闪光继电器的动作过程当点火开关打开时,电流通过点火开关和闪光继电器的线圈,产生磁场并吸合铁芯。
铁芯吸合后,触点闭合,电流通过转向灯并使其亮起。
盘点继电器在各领域的应用继电器在控制电路中有独特的电气、物理特性,其断态的高绝缘电阻和通态的低导通电阻,使得其它任何电子元器件无法与其相比,加上继电器标准化程度高、通用性好、可简化电路等优点,所以继电器应用十分广泛。
继电器应用需要注意的问题要正确选型要用好继电器,正确选型是很重要的,首先必须对被控对象的性质、特点和使用要求有透彻的了解,并进行周密考虑。
对所选继电器的原理、用途、技术参数、结构特点、规格型号要掌握和分析。
在此基础上应根据项目实际情况和具体条件,来正确选择继电器。
对接点的认识继电器线圈未带电时处于断开状态的动静接点,称为“常开接点”,反之,则称为“常闭接点”。
一个动接点同时与一个静接点常闭而与另一个静接点常开,就称它们为“转换接点”。
在同一个继电器中,可以具有一对或数对常开接点或常闭接点(两者也可同时具有),也可具有一组或数组转换接点。
消除接点火花的方法由于继电器接点通断的电流较小,接点间不会出现电弧,但会出现“火花放电”,这是由于接点电路中存在电感,则在断开时电感上会出现过电压,它与电源电压一起加在接点间隙上,使刚分开一点距离的接点间隙击穿而放电。
由于能量所限,只会产生火花放电,接点间存在的电容与电感中能量的交替转换,使火花放电时隐时现,而成为一种高频信号,再者火花放电对接点也会造成损伤,而会降低使用寿命,因此必须设法消除,实用的消火花电路有两种,如图1所示。
一.其基本作用原理是,使电感中的能量不通过接点而通过RC;二.在断开时经过二极管V在负载r.L上消耗掉。
在应用中选择一种就行了。
但要注意的是,RC参数要选择适当,参数主要靠实验来决定,通常电容C可按负载电流1A/1微法选择。
使用二极管时其正负极性应连接正确。
增大接点负载的方法在使用中,如果接点的负载能力满足不了使用要求时,可以采取几对接点并联的方法来解决。
但在使用前应进行调整,使之接点的同步性达到要求,否则适得其反。
最好的方法是采用中间继电器或接触器来扩大接点的负载能力。
闪光继电器的概述及工作原理
一种当输入量(电、磁、声、光、热)达到一定值时,输出量将发生跳跃式变化的自动控制器件。
继电器的继电特性继电器的输入信号x从零连续增加达到衔铁开始吸合时的动作值xx,继电器的输出信号立刻从y=0跳跃到y=ym,即常开触点从断到通。
一旦触点闭合,输入量x继续增大,输出信号y将不再起变化。
当输入量x从某一大于xx值下降到xf,继电器开始释放,常开触点断开,我们把继电器的这种特性叫做继电特性,也叫继电器的输入-输出特性。
释放值xf与动作值xx的比值叫做反馈系数。
在充电过程中,随着电容器电荷积累,充电电流逐渐减小,三极管的集电极电流Ic也随之减小,当此电流不足以维持衔铁的吸合而释放时,继电器的触点又重新闭合,转向灯又再次发亮。
这时电容器C通过电阻R2、继电器的常闭触点J,电阻R3放电。
放电电流在R2上产生的电压降为三极管提供反向偏压,加速三极管的截止。
当放电电流接近零时,R1上的电压降为三极管提供正向的偏压使其导通。
这样,电容器不断充电和放电,三极管也就不断导通与截止,控制继电器触点反复打开、闭合,使转向灯闪烁。
由两个中间继电器构成的闪光装置的原理接线见图7图所示。
当某一断路器的位置与其控制开关不对应时,闪光母线(+)WTW经“不对应”回路,信号灯(HR或HG)及操作线圈(YT或YC)与负电源接通,KM1启动,KM1常开触点闭合,KM2相继启动,其常开触点将KM1线圈短接,并使闪光母线直接与正常电源沟通,信号灯(HR或HG)全亮;当KM1触点延时断开后,KM2失磁,其常开触点断开,常闭触点闭合,KM1再次启动,闪光母线(+)WTW经KM1线圈与正电源接通,“不对应”回路中的信号灯呈半亮,重复上述过程,便发出连续的闪光信号。
KM1及KM2带延时复位,是为了使闪光变得更加明显。
图中,试验按钮SE的信号灯HW用于模拟试验。
当揿下SE时,闪光母线(+)WTW经信号灯HW与负电源接通,于是闪光装置便按上述顺序动作,使试验灯HW发出闪光信号。
HW经按钮的常闭触点接在正、负电源之间,因而兼作闪光装置熔断器的监视灯。
图7由两个中间继电器构成的闪光装置接线图。