液体混合装置PLC控制系统模板
- 格式:doc
- 大小:10.18 MB
- 文档页数:50
目录一引言 (2)二系统总体方案设计 (3)2。
1设计课题的要求及主要任务 (3)2.2 主要任务 (3)2。
3 系统方案的选择 (4)2.4系统方案的确定 (6)三控制系统设计 (7)3.1 选择PLC型号 (7)3。
2 PLC程序流程框图 (8)四系统调试及结果分析 (9)4。
1 I/O分配表 (9)4.2 工艺流程 (9)4。
3 工作过程分析 (10)4.4详细过程分析 (11)4.5程序T形图 (12)4。
3 指令表 (15)五参考文献 (16)六个人总结 (17)一引言随着经济的发展和社会的进步,各种工业自动化的不断升级,对于工人的素质要求也逐渐提高。
其中在生产的第一线有着各种各样的自动加工系统,其中多种原材料混合在加工,是其中最为常见的一种。
在工艺加工最初,把多种原料再合适的时间和条件下进行需要的加工以得到产品一直都是在人监控或操作下进行的,在后来多用继电器系统对顺序或逻辑的操作过程进行自动化操作,但是现在随着时代的发展,这些方式已经不能满足工业生产的实际需要。
实际生产中需要更精确、更便捷的控制装置。
在生产过程、科学研究和其他产业领域中,可编程序自动控制技术的应用都是十分广泛的,在自动控制的设备中, 可编程序自动控制亦比其它的控制方法使用得更普遍。
随着科学技术日新月异的发展,特别是大规模集成电路的问世和微处理机技术的应用,使可编程序自动控制技术进入了一个崭新的阶段,因此,了解和学习这些重要技术对高校工程类专业的学生来说,已是必不可少.掺混PLC控制系统这个课题具有其重要的意义.本课题掺混PLC控制系统,其目的就是以PLC为核心,配合智能仪表,完成系统功能控制,状态显示,信息检测和报警硬件组建所需要的PLC和传感器等元件的选择,实现对掺混的自动控制以及运行状态的检测功能和显示功能。
用PLC对掺混进行控制,系统的硬件结构简单、服务功能增强、系统的可靠性大大提高,且节省了成本,使掺混系统的性能价格比提高。
两种液体的混合装置PLC控制系统设计设有两种液体A和B在容器按照一定比例进行混合搅拌,装置结构如图10-1所示。
其中SL1、SL2、SL3为液面传感器,当液面淹没时分别输出信号。
YV1、YV2、YV3为电磁阀,M为搅拌用电动机。
图10-1 两种液体混合装置示意图1.控制要求(1)初始状态此时各阀门关闭,容器是空的。
YV1=YV2=YV3=OFFSL1=SL2=SL3=OFFM=OFF(2)启动操作合上起动开关,开始下列操作:①YVl=ON,液体A流入容器,当液面到达SL3时,YV1=OFF, YV2=ON;②液体B流入,液面达到SL1时,YV2=OFF,M=ON,开始搅拌(设时间为16 s)。
在搅拌期间,为了搅拌的均匀,缩短搅拌时间,要求:正、反转搅拌;③混合液体搅拌均匀后,M=OFF,YV3=ON,放出混合液体。
④当液体下降到SL2时,SL2从ON变为OFF,再过20 s后容器放空,关闭YV3。
(YV3=OFF)完成一个操作周期;⑤只要没断开开关,则自动进入下一操作周期。
(3)停止操作当断开起停开关,待当前混合操作周期结束后,才停止操作,使系统停止于初始状态。
(4)拖动情况搅拌机由一台三相异步电动机拖动,要求电动机可正、反转,直接起动,自由停机。
2.设计要求(1)完成控制要求中的控制过程。
(2)搅拌液体时,要求:正、反搅拌交替进行。
(3)在发生突发事件后(如突然停电)整个控制系统能继续突发事件前工作状态工作,也能通过手动使系统回到原始(循环工作前)状态。
(4)作出I/O分配表、PLC的I/O接线图。
设计流程图、梯形图、指令表、调试操作板布置图。
(5)编制设计使用说明书。
3.设计过程(1) I/O分配表(见表10 -1)在了解了系统工艺要求和控制要求后,首先要做I/O分配,把已知的输入信号和输出信号分配给PLC的指定I/O端子。
表10-1 I/O分配表(2) PLC的I/O接线图(见图10 -2)图10-2 PLC的I/O接线图(3)设计梯形图程序根据控制要求,选择用顺序控制设计两种液体混合装置的系统控制,其步骤如下:①A液体流入(对应的Y11=ON),当SL3液面中位传感器动作(X3=ON),使KV1停止工作( Y11=OFF)。
1.方案设计1.1 设计内容及要求设计一液体混合罐控制程序。
具体要求如下:(1)初始状态。
在液体混合罐投入运行前,液体控制阀门YV1、YV2为关闭状态,混合液体阀门YV3打开30s,将混合罐放空后关闭。
(2)启动与运行。
按下起动按钮SB1后, 液体混合罐按照工艺要求工作。
液体A阀门YV1打开,液体A流入液体混合罐。
当液位到达SL2时,SL2接通,液体A阀门YV1关闭,同时打开液体B阀门YV2。
当液位到达SL1时, 液体B阀门YV2关闭,启动搅拌电动机运转,将罐内A、B两种液体搅拌均匀。
搅拌电动机60秒钟后停止工作。
随后混合液体阀门YV3打开,排放混合液体。
当液面降到SL3以下时,SL3断开,再经过30秒延时后, 液体混合罐排空,混合液体阀门YV3关闭,开始下一个生产周期。
(3)停机。
按下停止按钮SB2后,只有在液体混合工艺过程全部处理完毕,才允许停车,即停在初始状态。
1.2 总体设计方案(1)本方案控制对象电动机由交流接触器KM1完成启停控制。
液体混合罐包含三个液位测定,具有两种液体加液、搅拌、排出的功能。
液位传感器SL1、SL2、SL3,当被液体淹没时接通,A、B两种液体的流入与混合后流出的液体分别由电磁阀YV1、YV2、YV3控制,M为搅拌电动机。
液体混合罐控制系统示意图如下图所示图1-1 液体混合罐控制系统示意图(2)方案采用基本指令定时器指令和保持指令。
系统以欧姆龙公司的CPMA 系列小型机为对象,程序对应液体混合罐控制的启动、运行、停止等多种状态操作,并设计了控制流程图、梯形图和输入输出状态时序图。
(3)I/O 接口配置及功能表如下:表1-1 欧姆龙CPM 系统型机I/O 接口配置输入(I ) 功能 输入 功能00003 SB1-开车按钮 01001 YV1-液体A 电磁阀 00004 SB2-停车按钮 01002 YV2-液体B 电磁阀 00005 SL1-液体传感器 01003 YV3-混合液体电磁阀 00006 SL2-液体传感器 01004 KM1-搅拌电机接触器00007 SL3-液体传感器(4) 欧姆龙PLC 的I/O 接线图如下图所示图1-2 PLC 的I/O 接线图2. 系统设计2.1 输入输出状态时序图图2-1输入输出状态时序图2.2 控制流程图60s启动 停止 YV1 SL1KM1YV2 YV3 30sSL3 SL2图2-2 控制流程图2.3 梯形图图2-3 梯形图3.程序设计的特点和方案的优缺点梯形图设计原理清晰功能完善,结构简单,但适应于较简单混合罐控制。
两种液体的混合装置PLC控制系统设计设有两种液体A和B在容器按照一定比例进行混合搅拌,装置结构如图10-1所示。
其中SL1、SL2、SL3为液面传感器,当液面淹没时分别输出信号。
YV1、YV2、YV3为电磁阀,M为搅拌用电动机。
图10-1 两种液体混合装置示意图1.控制要求(1)初始状态此时各阀门关闭,容器是空的。
YV1=YV2=YV3=OFFSL1=SL2=SL3=OFFM=OFF(2)启动操作合上起动开关,开始下列操作:①YVl=ON,液体A流入容器,当液面到达SL3时,YV1=OFF, YV2=ON;②液体B流入,液面达到SL1时,YV2=OFF,M=ON,开始搅拌(设时间为16 s)。
在搅拌期间,为了搅拌的均匀,缩短搅拌时间,要求:正、反转搅拌;③混合液体搅拌均匀后,M=OFF,YV3=ON,放出混合液体。
④当液体下降到SL2时,SL2从ON变为OFF,再过20 s后容器放空,关闭YV3。
(YV3=OFF)完成一个操作周期;⑤只要没断开开关,则自动进入下一操作周期。
(3)停止操作当断开起停开关,待当前混合操作周期结束后,才停止操作,使系统停止于初始状态。
(4)拖动情况搅拌机由一台三相异步电动机拖动,要求电动机可正、反转,直接起动,自由停机。
2.设计要求(1)完成控制要求中的控制过程。
(2)搅拌液体时,要求:正、反搅拌交替进行。
(3)在发生突发事件后(如突然停电)整个控制系统能继续突发事件前工作状态工作,也能通过手动使系统回到原始(循环工作前)状态。
(4)作出I/O分配表、PLC的I/O接线图。
设计流程图、梯形图、指令表、调试操作板布置图。
(5)编制设计使用说明书。
3.设计过程(1) I/O分配表(见表10 -1)在了解了系统工艺要求和控制要求后,首先要做I/O分配,把已知的输入信号和输出信号分配给PLC的指定I/O端子。
表10-1 I/O分配表(2) PLC的I/O接线图(见图10 -2)图10-2 PLC的I/O接线图(3)设计梯形图程序根据控制要求,选择用顺序控制设计两种液体混合装置的系统控制,其步骤如下:①A液体流入(对应的Y11=ON),当SL3液面中位传感器动作(X3=ON),使KV1停止工作( Y11=OFF)。
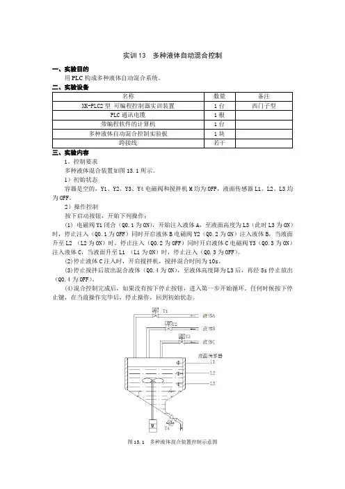
实训13 多种液体自动混合控制一、实验目的用PLC构成多种液体自动混合系统。
三、实验内容1、控制要求多种液体混合装置如图13.1所示。
1)初始状态容器是空的,Y1、Y2、Y3、Y4电磁阀和搅拌机M均为OFF,液面传感器L1、L2、L3均为OFF。
2)操作控制按下启动按钮,开始下列操作:(1) 电磁阀Y1闭合(Q0.1为ON),开始注入液体A,至液面高度为L3(此时L3为ON)时,停止注入(Q0.1为OFF)同时开启液体B电磁阀Y2(Q0.2为ON)注入液体B,当液面升至L2(L2为ON)时,停止注入(Q0.2为OFF)同时开启液体C电磁阀Y3(Q0.3为ON)注入液体C,当液面升至L1(L1为ON)时,停止注入(Q0.3为OFF)。
(2)停止液体C注入时,开启搅拌机,搅拌混合时间为10s。
(3)停止搅拌后放出混合液体(Q0.4为ON),至液体高度降为L3后,再经5s停止放出(Q0.4为OFF)。
(4)混合控制完成后,如果没有按下停止按钮,进入第一步开始循环。
任何时候按下停止键,在当前操作完毕后,停止操作,回到初始状态。
图13.1 多种液体混合装置控制示意图2、I/O分配输入:I0.0 启动按钮 I0.1 停止按钮I0.2 L1 I0.3 L2I0.4 L3输出:Q0.1 电磁阀Y1 Q0.2 电磁阀Y2Q0.3 电磁阀Y3 Q0.4 电磁阀Y4Q0.5 电动机M3、根据控制要求和I/O分配编写控制程序,写出程序清单。
参考程序见PLC图13.1。
PLC图13.1四、实验步骤1、参照图15.2所示进行实验台面板的连接。
图15.2 多种液体混合实验面板接线图2、启动上位机,将“多种液体混合.mwp”程序下载到PLC。
3、调试并运行程序。
1.液体混合装置PLC控制系统设计一、题目控制要求:液体混合装置示意图如图1所示。
初始状态,电磁阀Y1、Y2、Y3以及搅拌电机M 和加热电炉H状态均为OFF,液位传感器L1、L2、L3状态均为OFF。
按下起动按钮SB1,开始注入液体A,当液面高度达到L2时,停止注入液体A,开始注入液体B,当液面上升到L1时,停止注入液体,开始搅拌10S,10S后继续搅拌,同时加热5S,5S后停止搅拌,继续加热8S。
8S后停止加热,同时放出混合液体C,当液面降至L3时,继续放2S,2S后停止放出液体,同时重新注入液体A,开始下一次混合。
按下停止按钮SB2,在完成当前的混合任务后,返回初始状态。
搅拌电机采用三相异步电机,单向运转。
图1 液体混合装置示意图二、设计要求1.进行I/O地址分配;2.画出主电路和程序流程图;3.编写控制程序并调试。
2.总体方案论证本设计要求完成两种溶液混合装置的自动控制,目前在自动化控制领域常用的控制方式主要有:继电器-接触器控制系统、可编程序控制器控制、总线式工业控制机控制、分布式计算机控制系统、单片机控制。
对于两种溶液混合装置的自动控制系统初步选定采用继电器-接触器控制和可编程序控制器控制。
可编程序控制器与继电器-接触器控制系统的区别:继电器-接触器控制系统虽有较好的抗干扰能力,但使用了大量的机械触点,使得设备连线复杂,且触点时开时闭时容易受电弧的损害,寿命短,系统可靠性差。
可编程序控制器的梯形图与传统的电气原理图非常相似,主要原因是其大致上沿用了继电器控制的电路元件和符号和术语,仅个别之处有些不同,同时信号的输入 1输出形式及控制功能基本.上也相同。
但是可编程序控制器与继电器 -接触器控制系统又有根本的不同之处,主要表现在以下几个方面。
1.控制逻辑继电器控制逻辑采用硬接线逻辑,并利用继电器机械触点的串联或并联及时间继电器等组合成控制逻辑,接线多而复杂、体积大、功耗大、故障率高,一旦系统构成后,想改变或增加功能都很困难。
液体混合装置在工业生产中扮演着重要的角色,保障液体混合装置安全、可靠的运转,并提高该系统的自动化水平是本次设计的首要目标。
随着PLC 技术的日益完善以及PLC 在实际工程自动化控制领域中所表现出来的高可靠性、高稳定性等优点逐渐显现,其在自动化控制领域的应用也越来越广泛。
将PLC 应用于工业混合搅拌设备,使得搅拌过程实现了自动化控制、并且提升了搅拌设备工作的稳定性,为搅拌机械可靠、安全、有序的工作提供了强有力的保障。
本文所介绍的两种液体混合装置的 PLC 控制程序可进行连续自动循环工作,在设计的过程中充分进行了设备运行的可靠性分析,并辅助以高分辨率的光电液位传感器严格控制所注入的两种液体的比例,严格保证混合溶液的质量,为后续工序的进行奠定良好的基础。
同时, PLC 所具有的高稳定性和高可靠性可确保该装置长期连续运行,减少了路线检修和维护的时间,大大提高了生产效率。
PLC;液体混合装置;自动化控制1---1.1 设计内容---------------------------------------------------------------------------------------------------------1.2 控制要求----------------------------------------------------------------------------------------------------- --------------------------------------------------------------------------------------------2.1 总体方案论证---------------------------------------------------------------------------------------------- ---2.2 系统硬件配置-------------------------------------------------------------------------------------------------2.3 系统可靠性设计------------------------------------------------------------------------------------------------------------------------------------- --3.1 主电路的设计---------------------------------------------------------------------------------- ---3.2 确定 I/O 数量,选择 PLC 类型-------------------------------------------------------------- 7--3.2.1 I/O 数量的确定 (7)3.2.2 PLC 类型的选择 (7)3.3 I/O 点的分配与编号--------------------------------------------------------------------------- --3.4 控制流程图-------------------------------------------------------------------------------------- 8---3.5 元器件明细表 -------------------------------------------------------------------------------- --0 3.6 I/O 接线图----------------------------------------------------------------------------------- --0 3.7 控制程序梯形图----------------------------------------------------------------------------- --3.8 控制程序语句表-------------------------------------------------------------------------- -3.9 程序调试 -------------------------------------------------------------------------------------- 1--------------------------------------------------------- -9-- ---------------------------------------------------- -0---------------------------------------------------------------------------------------------------------------------参考文献----------------------------------------------------------------------------------------------------------------- 22利用西门子 PLC 的 S7-200 系列设计两种液体混合装置控制系统。
液体自动混合装置的PLC控制系统设计摘要可编程序控制器简称PLC,是近年来一种发展极为迅速,应用极为广泛的工业控制装置。
它是一种专为工业环境应用而设计的数字运行的电子系统,它采用可编程程序的存储器,用来存储用户指令,通过数字或模拟的输入/输出完成确定的逻辑顺序、定时、记数、运算和一些确定的功能来控制各种类型的机械或生产过程。
由于PLC的性能优越,兼具计算机的功能完备,灵活性强,通用性好和继电接触器控制简单易懂,维修方便等优点,形成以微电脑为核心的电子控制设备。
可编程序控制器技术在世界上己广泛应用,成为自动化系统中的基本电控装置PLC在现代工业生产和实际生活中有着广泛的应用,由于可编程控制器(PLC)具有编程梯形图语言易学易懂、控制灵活方便、抗干扰能力强、运行稳定可靠等特点,现在的工业自动化生产控制多采用可编程控制器来实现。
本论文首先介绍PLC的产生和发展及应用,以及它的基本功能和特点。
然后鉴于PLC的原理及其优越性,应用PLC控制液体的自动混合,该程序可进行单周期或连续工作,正常工作时,至少完成一个周期,该程序具有一定的防止误动作能力。
本论文从硬件设计,软件设计,组态王监控设计等方面进行分析,对西门子S7-200的应用有一定的指导意义。
关键词:可编程控制器,液体混合装置,传感器Design of liquid mixing control system based on PLCABSTRACTProgrammable logic controller is called PLC for short.It develops fastly,and has a wide use as industricial controlling device.It is a electronic system which oporates digitally,and it is designed for industrial enviroment application. The memory it adopts is programmable,and it stores user instruction.Through the digital or anolog input/output,PLC can wok by set logic sequence,can time ,can count,can operate, and can complete other else functions.So it can control all kinds of mechanical procejures and production procejures.Because of its high performance ,mutiple functions like a computer,high flexibility,good commonality,simple and pellucid relay-contactor controlling,easy mantainace and other else merits, people begin to take microcompute as the core controlle to control the electronic equipment . PLC was widely used all around the world..Owing to its easy-to-learn and easy-to-undersdand ladder diagram programmable languge,flexible and convenient controlling methods,good capacity of resisting disturbance,reliable operaion and so on features , PLC is extensively used in industricial automatic production.This passage firstly introduces the production,the development of Programmable Logic Controller( Called PLC for short), and its basic function and characteristics.According to its main principle and excellent quality,we can use PLC to control the mixing of two kinds of liquid. This controlling prosess can make a single circle or circle in succession, At work time, it can finish one circle at least.This procedure also has the ability of preventing bad moving.This passage introduces the design of hardware,the design of software and the design of supervisory control using the king of configuration.This will be helpful for the studying of the simens S7-200.KEY WORDS: PLC , Liquid mixing device , Sensors目录前言 (1)第1章绪言 (2)第2章液体混合装置的控制的硬件设计 (6)2.1液体混合装置结构及控制要求 (6)2.2 硬件选用 (7)2.2.1选择接触器 (7)2.2.2选择搅拌电机 (9)2.2.3选择小型三极断路器 (11)2.2.4选择液位传感器 (12)2.2.5选择电磁阀 (13)2.2.6选择泄压阀 (15)2.3 S7-200的CPU的选择 (16)第3章液体混合装置的控制的软件设计 (21)3.1控制要求及分析: (21)3.2两种液体混合装置的输入/输出分配 (23)3.3两种液体混合装置的输入/输出接线图 (24)3.4两种液体混合装置的梯形图 (25)第4章液体混合装置的控制的组态王监控设计 (29)4.1组态王选择 (29)4.2组态画面监视设计 (29)第4章系统常见故障分析及维护 (38)4.1 系统常见故障分析及维护 (38)4.2 系统故障分析及处理 (39)4.3 系统抗干扰性的分析和维护 (41)结论 (43)谢辞 (44)参考文献 (45)附录 (46)前言随着科技的发展,PLC的开发与应用把各国的工业推向自动化、智能化。
实训十二多种液体混合装置控制一、实训目的1.掌握上升沿/下降沿检出指令的使用及编程2.掌握多种液体混合装置控制系统的接线、调试、操作二、实训设备三、面板图四、控制要求1.总体控制要求:如面板图所示,本装置为三种液体混合模拟装置,由液面传感器SL1、SL2、SL3,液体A、B、C阀门与混合液阀门由电磁阀YV1、YV2、YV3、YV4,搅匀电机M,加热器H,温度传感器T组成。
实现三种液体的混合,搅匀,加热等功能。
2.打开“启动”开关,装置投入运行时。
首先液体A、B、C阀门关闭,混合液阀门打开10秒将容器放空后关闭。
然后液体A阀门打开,液体A流入容器。
当液面到达SL3时,SL3接通,关闭液体A阀门,打开液体B阀门。
液面到达SL2时,关闭液体B阀门,打开液体C阀门。
液面到达SL1时,关闭液体C阀门。
3.搅匀电机开始搅匀、加热器开始加热。
当混合液体在6秒内达到设定温度,加热器停止加热,搅匀电机工作6秒后停止搅动;当混合液体加热6秒后还没有达到设定温度,加热器继续加热,当混合液达到设定的温度时,加热器停止加热,搅匀电机停止工作。
4.搅匀结束以后,混合液体阀门打开,开始放出混合液体。
当液面下降到SL3时,SL3由接通变为断开,再过2秒后,容器放空,混合液阀门关闭,开始下一周期。
5.关闭“启动”开关,在当前的混合液处理完毕后,停止操作。
五、功能指令使用及程序流程图1.上升沿/下降沿检出指令使用上升沿/下降沿检出指令,仅在指定位软元件的上升沿或下降沿接通一个扫描周期。
2.程序流程图六、端口分配及接线图1.端口分配及功能表2.PLC外部接线图七、操作步骤1.检查实训设备中器材及调试程序。
2.按照I/O端口分配表或接线图完成PLC与实训模块之间的接线,认真检查,确保正确无误。
3.打开示例程序或用户自己编写的控制程序,进行编译,有错误时根据提示信息修改,直至无误,用SC-09通讯编程电缆连接计算机串口与PLC通讯口,打开PLC主机电源开关,下载程序至PLC中,下载完毕后将PLC的“RUN/STOP”开关拨至“RUN”状态。
目录一、设计目的 (1)二、液体混合装置控制的模拟实验面板图 (1)三、控制要求 (1)四、系统流程图 (2)五、控制主电路及PLC硬件接线图 (3)六、输入\输出接线列表,编写程序梯形图与指令表 (3)七、程序设计及工作过程分析 ................................ 错误!未定义书签。
八、心得体会 (7)参考文献 (7)一、设计目的1、熟练使用各条基本指令2、通过对工程实例的模拟,熟练地掌握PLC的编程和程序调试。
3、学习使用PLC解决生产实际问题二、液体混合装置控制的模拟实验面板图:上图下框中的V1、V2、V3、M分别接主机的输出点Y0、Y1、Y2、Y3;起、停按钮SB1、SB2分别接主机的输入点X0、X1;液面传感器SL1、SL2、SL3分别接主机的输入点X2、X3、X4。
上框中,液面传感器用钮子开关来模拟,起动、停止用动合按钮来实现,液体A阀门、液体B阀门、混合液阀门的打开与关闭以及搅匀电机的运行与停转用发光二极管的点亮与熄灭来模拟。
三、控制要求由实验面板图可知:本装置为两种液体混合装置,SL1、SL2、SL3为液面传感器,液体A、B阀门与混合液阀门由电磁阀YV1、YV2、YV3控制,M为搅匀电机,控制要求如下:1、初始状态:装置投入运行时,液体A、B阀门关闭,混合液阀门打开20秒将容器放空后关闭。
2、起动操作:按下起动按钮SB1,装置就开始按下列约定的规律操作:液体A阀门打开,液体A流入容器。
当液面到达SL2时,SL2接通,关闭液体A阀门,打开液体B阀门。
液面到达SL1时,关闭液体B阀门,搅匀电机开始搅匀。
搅匀电机工作1分钟后停止搅动,混合液体阀门打开,开始放出混合液体。
当液面下降到SL3时,SL3由接通变为断开,再过20秒后,容器放空,混合液阀门关闭,开始下一周期。
3、停止操作:按下停止按钮SB2后,在当前的混合液操作处理完毕后,才停止操作(停在初始状态上)。
欧姆龙PLC多种液体混合控制系统设计1、三种液体搅拌装置在初始状态,容器为空,电磁阀Y1,Y2,Y3,Y4 和搅拌机M以及加热元件H均为OFF,液面传感器L1,L2,L3和温度检测T均为OFF。
液体混合操作过程:按动启动按钮,电磁阀Y1打开(Y1为ON),开始注入液体A ,当液面高度达到L3时(L3为ON)→关闭电磁阀Y1(Y1为OFF),液体A停止注入,同时,开启电磁阀门Y2(Y2为ON)注入液体B , 当液面升至L2时(L2为ON)→关闭电磁阀Y2(Y2为OFF),液体B停止注入,同时,开启电磁阀Y3(Y3为ON),注入液体C ,当液面升至L1时(L1为ON)→关闭电磁阀Y3(Y3为OFF),液体C停止注入,然后开启电动机搅拌M,搅拌2秒→停止搅拌,加热(启动加热器H)→当温度达到设定值时(检测器T动作)→停止加热(H 为OFF),并排放出混合液体(Y4为ON),至液体高度降为L3后,再经3秒延时,液体可以全部放完→停止放出(Y4为OFF)。
液体混合过程结束。
按停止按钮,液体混合操作停止。
2、三种液体混合控制I/O分配如下:输入端:输出端:启动按钮 SB1 00000 电磁阀(液体 A) Y1 01100停止按钮 SB2 00001 电磁阀(液体 B) Y2 01101液面传感器 L3 00002 电磁阀(液体 C) Y3 01102液面传感器 L2 00003 电磁阀(排放液体)Y4 01103液面传感器 L1 00004 电动机 M 01104温度传感器 T 00005 加热器 H 011053、接线图:4、梯形图:欧姆龙PLC多种液体混合控制系统语句表LD 200.06OR 0.00OR 11.00 ANDNOT 200.00 OUT 11.00LD 0.02DIFU(13) 200.00 LD 200.00OR 11.01 ANDNOT 200.01 OUT 11.01LD 0.03DIFU(13) 200.01 LD 200.01OR 11.02 ANDNOT 200.02 OUT 11.02LD 0.04DIFU(13) 200.02 LD 200.02OR 11.04 ANDNOT TIM000 OUT 11.04TIM 000 #20LD TIM000OR 11.05 ANDNOT 200.03 OUT 11.05LD 0.05DIFU(13) 200.03 LD 200.03OR 11.03 ANDNOT TIM001 OUT 11.03LD 0.02DIFD(14) 200.04 LD 200.04OR 200.05 ANDNOT TIM001 OUT 200.05TIM 001 #30LD TIM001OR 200.06 ANDNOT 200.07 ANDNOT 200.00 OUT 200.06LD 0.01OR 200.07 ANDNOT 0.00 OUT 200.07。
重庆工业职业技术学院毕业设计(论文)任务书系部:自动化系专业班级:学生姓名:二O一三年十一月摘要以两种种液体的混合灌装控制为例,将两种液体按一定比例混合,在电动机搅拌后要达到控制要求才能将混合的液体输出容器,并形成循环状态。
液体混合系统的控制设计考虑到其动作的连续性以及各个被控设备动作之间的相互关联性,针对不同的工作状态,进行相应的动作控制输出,从而实现液体混合系统从第一种液体加入到混合完成输出的这样一个周期控制工作的程序实现。
设计以液体混合控制系统为中心,从控制系统的硬件系统组成、软件选用到系统的设计过程(包括设计方案、设计流程、设计要求、梯形图设计、外部连接通信等),旨在对其中的设计及制作过程做简单的介绍和说明。
设计采用西门子公司的S7系列去实现设计要求。
关键词:多种液体,混合装置,自动控制目录前言 (1)第1章多种液体混合灌装机控制系统设计 (3)1.1 方案设计 (3)1.2 方案的介绍 (3)第2章硬件电路设计 (5)2.1 总体结构 (5)2.2 液位传感器的选择 (6)2.3 搅拌电机的选择 (6)2.4 电磁阀的选择 (7)2.5 接触器的选择 (8)2.6 热继电器的选择 (8)2.7 PLC的选择 (8)2.8PLC输入、输出口分配 (10)2.9液体混合装置输入/输出接线 (10)第3章软件电路设计 (13)3.1程序框图 (13)3.2 根据控制要求和I/O地址编制的控制梯形图 (13)第4章系统常见故障分析及维护 (17)4.1系统故障的概念 (17)4.2 系统故障分析及处理 (17)4.3 系统抗干扰性的分析和维护 (18)结论 (20)谢辞 (21)参考文献 (22)前言为了提高产品质量,缩短生产周期,适应产品迅速更新换代的要求,产品生产正在向缩短生产周期、降低成本、提高生产质量等方向发展。
在炼油、化工、制药等行业中,多种液体混合是必不可少的工序,而且也是其生产过程中十分重要的组成部分。
液体混合装置PLC 控制系统
电气与自动化工程学院实训评分表课程名称: PLC控制技术实训
实训题目:液体混合装置PLC控制系统
班级:学号:姓名:
指导老师:
年月日
常熟理工学院
电气与自动化工程学院
《PLC控制技术实训》题目:液体混合装置PLC控制系统
姓名:\
学号:
班级:
指导教师:
起止日期:
目录
《PLC控制技术》实训任务书 0
一、基础实训项目一:变频器对电机的运行控制 0
二、基础实训项目二:模拟量采集与数据处理的综合应用 (1)
三、综合型自主实训项目:液体混合装置PLC控制系统 (2)
一.基础实训项目一 (5)
1.1任务1 变频器的面板操作与运行 (5)
1.1.1 I/O接线 (5)
1.1.2 I/O接线图 (5)
1.1.3 参数设置 (5)
1.2任务2 变频器的外部运行操作 (6)
1.2.1.I/O接线 (6)
1.2.2变频器外部运行操作接线图 (7)
1.2.3 I/O图 (7)
1.2.4 梯形图程序 (8)
1.2.5 参数设置 (8)
1.2.6 变频器运行操作 (9)
1.3任务3 变频器的模拟信号操作控制 (9)
1.3.1 I/O接线 (10)
1.3.2变频器模拟信号控制接线图 (10)
1.3.3 I/O接线图 (11)
1.3.4 梯形图程序 (11)
1.3.5 参数设置 (11)
1.3.6 变频器运行操作 (12)
二.基础实训项目二 (13)
2.1模拟量采集与数据处理的综合应用 (13)
2.1.1 IO分配 (14)
2.1.2 接线图 (14)
2.1.3 梯形图程序 (15)
3.1.4工作流程 (15)
2.1.5调试结果 (16)
2.2模拟量输出通道控制点动执行器 (16)
2.2.1接线图 (16)
2.2.2 流程图 (17)
2.2.3 组态王显示 (17)
2.2.4 调试步骤与结果 (18)
三.综合型自主实训项目 (19)
3.1具体要求 (19)
3.2控制要求 (20)
3.3 I/O接线 (21)
3.4 I/O接线图 (22)
3.5流程图 (23)
3.6 PLC编程 (24)
3.6.1 复位环节 (25)。