PLC 多种液体自动混合控制系统设计
- 格式:doc
- 大小:712.54 KB
- 文档页数:17
(一)课程设计的背景随着科学技术的猛速发展,自动控制技术在人类活动的各个领域中应用越来越广泛。
在炼油、化工、制药等行业中,多种液体混合是必不可少的程序,而且也是其生产过程中十分重要的组成部分。
设计的多种液体混合装置利用可编程控制器可以实现在混合过程中进行精确控制,提高了液体混合比例的稳定性、运行稳定、自动化程度高,适合工业生产的需要。
(二)课程设计的目的及意义在工艺加工最初,把多种原料在合适的时间和条件下进行所需要的加工以得到产品一直都是在人监控或操作下进行的,在后来多用继电器系统对顺序或逻辑的操作过程进行自动化操作,但是随着时代的发展,这些方式已经不能满足工业生产的实际需要。
实际生产中需要更精确、更便捷的控制装置。
随着科学技术的日新月异,自动化程度要求越来越高,原来的液体混合装置远远不能满足当前自动化的需要。
可编程控制器液体自动混合系统集成自动控制技术,计量技术,传感器技术与机电一体化装置。
充分吸收了分散式控制系统和集中控制系统的优点。
采用标准化、模块化、系统化设计,配置灵活、组态方便。
PLC是一种专门为在工业环境下应用而设计的数字运算操作的电子装置。
他采用可以编制程序的储存器用来在其内部储存执行逻辑运算、顺序运算、计时、计数和算数运算等操作的指令,并能通过数字式或模拟式的输入和输出控制各种类型的机械或生产过程。
有以下主要特点:1)使用灵活,通用性强2)可靠性高,抗干扰能力强3)接口简单、维护方便4)体积小、功耗少、性价比高5)编程简单容易掌握6)设计施工调试周期短所以根据多种液体自动混合系统的要求与特点,我们采用PLC作为我们的控制系统。
可编程控制器指令丰富,可以接各种输出、输入扩充设备,有丰富的特殊扩展设备,其中的模拟输入设备和通信设备是系统所必需的,能够方便地联网通信。
本系统就是应用可编程序控制器PLC对多种液体自动混合实现控制。
(三)课程设计的内容实现基于S7-200多种液体混合控制系统设计。
****专科生课程设计报告题目多种液体自动混合控制系统设计课程电气控制及可编程控制器专业电气工程及其自动化班级电气21131学号 2010113141 2010113145 2010113 姓名王喆杨杰田东升指导老师完成日期 2013年 6月目录1.1 课程题目 (1)1.2 设计目的及要求 (1)1。
3 原始资料 (1)1。
4 课题要求 (1)1.5 日程安排 (2)1.2 主要参考书 (2)2 器件选择 (3)2。
1 总体结构 (3)2。
2 具体器件的选择 (3)2.2.1液位传感器的选择 (3)2。
2。
2温度传感器的选择......................................................。
. (4)2.2。
3 搅拌电动机的选择...................................................。
(4)2.2。
4 电磁阀的选择............................................................。
(5)2。
2.5 接触器的选择 (5)2。
2.6 热继电器的选择.........................................................。
(6)3 程序设计..............................................................................。
(7)3.1 总体设计思路…………………………………………………….……。
73。
2 PLC输入输出口分配……………………………………。
…….………。
83.3 主电路设计 (9)3。
4 液体混合装置的输入输出接线图...........................................。
9 3。
5 液体混合装置的梯形图. (11)4 安装、接线及系统联合测试 (13)5 后期工作 (13)7 参考文献 (14)1。
届本科毕业论文(设计)论文题目:基于PLC的多种液体混合控制系统设计学生姓名:所在院系:机电学院所学专业:机电导师姓名:完成时间:年月日摘要本文所介绍的多种液体混合控制系统是一种适用于工业环境下的新型通用自动控制装臵。
在本设计中采用了日本松下公司FP1系列AFP可编程控制器,以三种液体的混合控制为例,将三种液体按一定比例进行混合,加热到特定温度后进行搅拌,待搅拌均匀后从容器中流出,并实现整个控制系统的自动循环控制。
在控制系统中通过程序中的液位传感器控制液体流量,温度传感器控制混合液体的温度,实现了对液体混合装臵的控制。
在设计中具体完成了PLC硬件设计和软件编程,并通过系统调试,达到自动混合液体的目的,提高了液体混合生产的自动化程度和生产效率,可以用于工业上液体混合及后期加工等,基本适合于工业生产要求,其便于维修和保养。
关键词:多种液体,混合装臵,自动控制The Design of Multi-Liquid Mixing Control System based on PLCAbstractThis text is introducing at Counts Various Liquids Automatic to mix with PLC.The control system is a kind of new in general use automatic control device that be applicable to the industry environment,which uses FP1 serise model AFP12417 PLC made by Panasoic of japan to complete the control of the device that used to mix the liquid.The design of the liquid mixture in three control as an example,is to a certain proportion by the three liquid mixture,strirring after the motor to reach a certain temperature can be mixed contains of liquid output,and form a ctcle.It through the process liquid level sensor to control liquid flux,have finished the hardware design of PLC and software programming,and debugged and tested the whole system.In conclusion,the device is capable of mixing the liquid automaticallly.The menthod improve the automation atandard of the liquid production line and productivity.It can used for the liquid on the industry mixs with and the post-process and so on,basic suitable for the industry produces the request,easy operation,repair and maintenance.Keywords: Variety Of Liquid,Mixed Devices,Automatic Control目录1绪论 (1)2总体方案设计 (6)2.1方案设计 (6)2.2 控制方案介绍 (6)3硬件电路设计 (8)3.1 总体结构 (8)3.2 液位传感器的选择 (10)3.3 温度传感器的选择 (11)3.4 搅拌电机的选择 (13)3.4.1电动机主电路 (13)3.4.2计算搅拌器的理论功率 (14)3.4.3 选用电动机 (14)3.5 电磁阀的选择 (15)3.6 接触器的选用 (16)3.7 热继电器的选择 (16)3.8 熔断器的选择 (17)3.9 PLC的选择 (17)3.10 PLC输入输出口的分配 (18)3.11 液体混合装臵输入/输出装臵接线图 (18)4 软件电路设计 (18)4.1 程序框图 (18)4.2 控制程序梯形图 (21)4.3 语句表 (21)5系统常见故障分析及维护 (22)5.1 系统故障的概念 (23)5.2 系统故障分析及处理 (23)5.2.1 PLC故障分析 (23)5.2.2 PLC控制系统故障分布和分层排除 (24)5.3 系统抗干扰性的分析与维护 (25)5.3.1 干扰源及一般分类 (25)5.3.2 PLC系统中干扰的主要来源及途径 (25)5.3.3 主要抗干扰措施 (26)6 结束语 (27)致谢 (27)参考文献 (28)1绪论多种液体混合是将多种液体按照先后顺序,按照一定比例,加热到预定的温度然后进行混合。
多种液体混合PLC课程设计一、课程目标知识目标:1. 理解PLC(可编程逻辑控制器)的基本原理及其在液体混合控制中的应用;2. 掌握液体混合的基本概念,了解不同液体混合的比例计算;3. 学会使用PLC编程软件进行基本的程序编写和调试。
技能目标:1. 能够运用PLC技术设计简单的液体混合控制系统;2. 培养学生动手操作和团队协作能力,通过实际操作完成液体混合实验;3. 培养学生分析和解决实际问题的能力,对液体混合过程中的异常情况进行分析和处理。
情感态度价值观目标:1. 培养学生对自动化技术及PLC应用的兴趣,激发学习热情;2. 增强学生的环保意识,了解液体混合在实际生活中的应用,认识到合理利用资源的重要性;3. 培养学生的创新意识和探索精神,鼓励学生积极思考,勇于实践。
课程性质:本课程为实践性较强的课程,结合理论知识与实际操作,使学生更好地理解和掌握PLC在液体混合控制中的应用。
学生特点:本课程针对具有一定电子、电气基础知识的初中或高中学生,他们对新鲜事物充满好奇,喜欢动手实践。
教学要求:教师需具备丰富的PLC应用经验,注重理论与实践相结合,引导学生通过实际操作掌握课程内容,培养其解决实际问题的能力。
在教学过程中,关注学生的学习进度,确保课程目标的实现。
将目标分解为具体的学习成果,便于教学设计和评估。
二、教学内容1. 理论知识:- PLC基本原理及结构介绍;- 液体混合的基本概念及比例计算方法;- PLC在液体混合控制中的应用案例分析。
2. 实践操作:- PLC编程软件的安装与使用;- 设计简单的液体混合控制程序;- 实际操作:使用PLC完成液体混合实验。
3. 教学大纲:- 第一阶段:PLC基本原理及液体混合概念的学习;- 第二阶段:PLC编程软件的学习与使用;- 第三阶段:设计并完成液体混合控制程序;- 第四阶段:实验操作与结果分析。
4. 教材章节:- 教材第3章:PLC的基本原理与结构;- 教材第4章:PLC编程方法;- 教材第5章:PLC在实际应用中的案例分析。
plc多种液体自动混合课程设计一、课程目标知识目标:1. 学生能理解PLC(可编程逻辑控制器)的基本原理和工作流程;2. 学生能掌握PLC在多种液体自动混合系统中的应用;3. 学生能了解并描述传感器、执行器等在自动混合过程中的作用;4. 学生能解释液体自动混合系统中涉及的数学模型和控制算法。
技能目标:1. 学生能运用PLC编程软件进行程序设计和仿真;2. 学生能通过团队合作完成一个多种液体自动混合系统的设计与搭建;3. 学生能运用相关工具和仪器进行系统调试和故障排查;4. 学生能运用数据分析方法对自动混合系统的性能进行评估。
情感态度价值观目标:1. 学生培养对自动化技术及PLC应用的兴趣,提高学习积极性;2. 学生形成良好的团队合作意识,提升沟通与协作能力;3. 学生培养工程意识,关注实际应用中的技术问题,提高解决问题的能力;4. 学生认识到自动化技术在工业生产中的重要性,增强社会责任感和创新精神。
二、教学内容1. PLC基本原理与结构:介绍PLC的组成、工作原理和性能特点,结合教材相关章节,让学生了解PLC在现代工业控制系统中的应用。
2. PLC编程与仿真:讲解PLC编程语言和编程方法,指导学生使用编程软件进行程序设计和仿真,掌握基本编程技巧。
3. 液体自动混合系统设计:分析液体自动混合系统的组成、原理和数学模型,结合教材内容,引导学生学会系统设计和分析。
4. 传感器与执行器:介绍传感器、执行器在自动混合系统中的应用,让学生了解各类传感器和执行器的工作原理及选型方法。
5. 控制算法与系统调试:讲解液体自动混合系统中常用的控制算法,指导学生进行系统调试和性能优化。
6. 实践操作与案例分析:组织学生进行多种液体自动混合系统的搭建和调试,分析实际案例,提高学生动手能力和问题解决能力。
教学内容安排与进度:1. 第1-2课时:PLC基本原理与结构;2. 第3-4课时:PLC编程与仿真;3. 第5-6课时:液体自动混合系统设计;4. 第7-8课时:传感器与执行器;5. 第9-10课时:控制算法与系统调试;6. 第11-12课时:实践操作与案例分析。
多种液体自动混合PLC课程设计一、教学目标本课程旨在通过多种液体自动混合PLC项目的设计与实践,让学生掌握PLC的基本原理、编程技术和应用方法。
具体目标如下:1.知识目标:使学生了解PLC的工作原理、性能特点和应用领域;掌握PLC编程语言和调试技巧;了解自动混合系统的原理和组成。
2.技能目标:培养学生具备PLC编程和调试能力,能独立完成自动混合系统的设计和搭建;培养学生具备一定的创新能力,能针对实际问题提出合理的解决方案。
3.情感态度价值观目标:培养学生对PLC技术的兴趣和热情,提高学生动手实践和团队协作的能力;使学生认识到PLC技术在现代工业中的重要作用,增强学生的社会责任感和使命感。
二、教学内容本课程的教学内容主要包括以下几个部分:1.PLC基本原理:PLC的概念、发展历程、工作原理和性能特点。
2.PLC编程技术:编程语言、编程步骤、程序调试和优化。
3.自动混合系统设计:系统原理、组成部分、设计方法和实施步骤。
4.典型应用案例分析:分析PLC在工业生产中的应用案例,了解PLC技术的实际应用价值。
三、教学方法为了提高教学效果,本课程将采用多种教学方法相结合的方式进行教学:1.讲授法:用于讲解PLC基本原理、编程技术和自动混合系统设计的基础知识。
2.案例分析法:通过分析典型应用案例,使学生了解PLC技术的实际应用。
3.实验法:让学生动手实践,进行PLC编程和自动混合系统的设计与调试。
4.讨论法:鼓励学生积极参与课堂讨论,培养学生的创新能力和团队协作精神。
四、教学资源为了保证教学质量,我们将准备以下教学资源:1.教材:选用权威、实用的教材,为学生提供系统的学习资料。
2.参考书:提供丰富的参考资料,帮助学生拓展知识面。
3.多媒体资料:制作精美的PPT、视频等多媒体资料,提高课堂教学效果。
4.实验设备:配备齐全的实验设备,确保学生能够顺利进行实验操作。
5.在线资源:利用网络资源,为学生提供更多的学习资料和交流平台。
多种液体自动混合PLC课程设计一、课程目标知识目标:1. 让学生理解PLC(可编程逻辑控制器)的基本原理及其在工业自动化中的应用。
2. 掌握液体自动混合系统中各传感器的工作原理及与PLC的连接方法。
3. 学会使用PLC编程软件,设计并实现多种液体的自动混合控制程序。
技能目标:1. 能够分析液体自动混合系统的工艺流程,明确控制要求和参数设置。
2. 能够运用PLC编程软件进行程序设计,实现液体比例的精确控制。
3. 能够对PLC控制系统进行调试和故障排查,保证系统稳定运行。
情感态度价值观目标:1. 培养学生对自动化技术的兴趣,激发学习热情,提高创新意识。
2. 培养学生的团队协作精神,提高沟通与交流能力。
3. 增强学生的环保意识,认识到自动化技术在节能减排方面的重要性。
课程性质:本课程为实践性较强的课程,结合理论知识与实际操作,培养学生运用PLC技术解决实际问题的能力。
学生特点:高二年级学生,已具备一定的物理、电子和计算机基础知识,对新技术有较强的兴趣,具备一定的动手能力。
教学要求:教师应注重理论与实践相结合,引导学生主动参与,培养实际操作能力。
通过课程学习,使学生能够独立完成液体自动混合PLC控制系统的设计与实现。
二、教学内容1. 理论知识:- PLC的基本结构、工作原理及其在工业自动化中的应用。
- 液体自动混合系统的工艺流程、控制要求和关键参数设置。
- 常用传感器(如流量计、液位传感器等)的工作原理及其在液体自动混合系统中的应用。
2. 实践操作:- PLC编程软件的使用方法,包括程序编写、下载和调试。
- 液体自动混合系统中各传感器与PLC的连接和调试。
- 设计并实现液体比例控制程序,实现多种液体的自动混合。
3. 教学大纲:- 第一周:PLC基本原理及液体自动混合系统工艺流程学习。
- 第二周:常用传感器工作原理学习,传感器与PLC连接方法。
- 第三周:PLC编程软件学习,编写简单的控制程序。
- 第四周:液体自动混合系统PLC程序设计,调试与优化。
多种液体混合装置plc课程设计一、课程目标知识目标:1. 学生能理解PLC(可编程逻辑控制器)的基本原理和功能,掌握其在多种液体混合装置中的应用。
2. 学生能够描述不同类型传感器的工作原理,及其在液体混合装置中的角色和功能。
3. 学生能够解释液体混合过程中涉及的物理和化学概念,并运用数学计算进行比例混合设计。
技能目标:1. 学生能够设计并实施一个基于PLC的液体混合控制程序,实现不同流体的精确配比。
2. 学生将学会使用PLC编程软件,进行程序的编写、调试和优化。
3. 学生能够通过团队协作,解决液体混合过程中出现的问题,提高实际操作和故障排除能力。
情感态度价值观目标:1. 学生将对工程技术和自动化产生兴趣,培养探索精神和创新意识。
2. 学生在团队协作中,增强沟通能力和集体荣誉感,理解合作的重要性。
3. 学生通过实践活动,认识到科技在工业生产中的重要作用,增强社会责任感和工程伦理意识。
课程性质分析:本课程结合工程技术和实际应用,注重理论与实践相结合,通过PLC技术实现液体混合装置的控制,旨在提高学生的动手能力和解决实际问题的能力。
学生特点分析:考虑到学生所在年级的特点,已具备一定的物理、化学基础知识及初步的编程概念,课程设计将结合学生的知识水平,引导他们从理论走向实践。
教学要求分析:教学过程中,要求学生主动参与、积极思考,通过实践活动,掌握PLC技术在液体混合装置中的应用,并将学习成果具体化为操作技能和理论知识。
后续教学设计和评估将以此为基础,确保目标的实现。
二、教学内容1. PLC基础知识:包括PLC的定义、工作原理、结构和功能,重点讲解PLC 在工业自动化中的应用。
教材章节:《自动化控制技术》第三章“可编程逻辑控制器”2. 传感器原理与应用:介绍液体混合装置中常用的传感器类型,如流量计、压力传感器、温度传感器等,并分析其工作原理和作用。
教材章节:《传感器与检测技术》第二章“传感器的工作原理与分类”3. 液体混合原理:讲解液体混合过程中涉及的物理和化学概念,如流体力学的混合原理、溶解度等。
欧姆龙PLC多种液体混合控制系统设计1、三种液体搅拌装置在初始状态,容器为空,电磁阀Y1,Y2,Y3,Y4 和搅拌机M以及加热元件H均为OFF,液面传感器L1,L2,L3和温度检测T均为OFF。
液体混合操作过程:按动启动按钮,电磁阀Y1打开(Y1为ON),开始注入液体A ,当液面高度达到L3时(L3为ON)→关闭电磁阀Y1(Y1为OFF),液体A停止注入,同时,开启电磁阀门Y2(Y2为ON)注入液体B , 当液面升至L2时(L2为ON)→关闭电磁阀Y2(Y2为OFF),液体B停止注入,同时,开启电磁阀Y3(Y3为ON),注入液体C ,当液面升至L1时(L1为ON)→关闭电磁阀Y3(Y3为OFF),液体C停止注入,然后开启电动机搅拌M,搅拌2秒→停止搅拌,加热(启动加热器H)→当温度达到设定值时(检测器T动作)→停止加热(H 为OFF),并排放出混合液体(Y4为ON),至液体高度降为L3后,再经3秒延时,液体可以全部放完→停止放出(Y4为OFF)。
液体混合过程结束。
按停止按钮,液体混合操作停止。
2、三种液体混合控制I/O分配如下:输入端:输出端:启动按钮 SB1 00000 电磁阀(液体 A) Y1 01100停止按钮 SB2 00001 电磁阀(液体 B) Y2 01101液面传感器 L3 00002 电磁阀(液体 C) Y3 01102液面传感器 L2 00003 电磁阀(排放液体)Y4 01103液面传感器 L1 00004 电动机 M 01104温度传感器 T 00005 加热器 H 011053、接线图:4、梯形图:欧姆龙PLC多种液体混合控制系统语句表LD 200.06OR 0.00OR 11.00 ANDNOT 200.00 OUT 11.00LD 0.02DIFU(13) 200.00 LD 200.00OR 11.01 ANDNOT 200.01 OUT 11.01LD 0.03DIFU(13) 200.01 LD 200.01OR 11.02 ANDNOT 200.02 OUT 11.02LD 0.04DIFU(13) 200.02 LD 200.02OR 11.04 ANDNOT TIM000 OUT 11.04TIM 000 #20LD TIM000OR 11.05 ANDNOT 200.03 OUT 11.05LD 0.05DIFU(13) 200.03 LD 200.03OR 11.03 ANDNOT TIM001 OUT 11.03LD 0.02DIFD(14) 200.04 LD 200.04OR 200.05 ANDNOT TIM001 OUT 200.05TIM 001 #30LD TIM001OR 200.06 ANDNOT 200.07 ANDNOT 200.00 OUT 200.06LD 0.01OR 200.07 ANDNOT 0.00 OUT 200.07。
(此文档为word格式,下载后您可任意编辑修改!)目录天津工程师范学院毕业论文[摘要] (3)前言 (4)一、可编程控制器的概述 (5)二、PLC的基本工作原理 (5)(一)、控制系统的组成 (5)(二)、PLC的一般结构和基本工作原理 (5)1.PLC的一般结构 (5)2.PLC的基本工作原理 (5)三、PLC在化工过程中的应用 (7)(一)、多种液体自动混合程序设计 (7)1、控制要求 (7)2、I/O分配 (8)3、连线图 (8)4、流程图 (9)5、逻辑梯形图 (10)6、指令表 (11)(二)、多种液体自动混合加热程序设计 (12)1、控制要求 (12)2、I/O 分配 (12)3、连线图 (12)5、逻辑梯形图 (13)6、指令表 (14)(三)、多种液体自动混合控制 (15)1、控制要求 (15)2、I/O分配 (15)3、连线图 (15)4、逻辑梯形图 (16)5、指令表 (20)四、结束语 (25)五、致谢词 (25)参考文献 (26)附录: (27)PLC计数式多种液体自动混合系统设计天津工程师范学院王磊[摘要]本文所介绍的计数式的多种液体自动混合(PLC)控制系统是一种适用于工业环境下的新型通用自动控制装置。
它通过程序中的液位传感器、温度传感器控制液体流量加热。
使用UDC加减计数器对系统的操作次数进行了记录。
可以用于工业上的液体混合及后期的加热加工等,基本适合于工业生产要求,其便于操作、维修和保养。
[关键词]可编程控制器多种液体自动混合 UDC加减计数器Chemical engineering process PLC control system designWangLeiAbstract:Various liquids of this text a count type for introducing is automatic to mix with( PLC) thecontrol system is a kind of new in general use automatic control device that be applicable to the industry environment to descend.It passes the liquid in the procedure spreads to feel the machine, temperature spreads to feel the machine control liquid discharge heats.The usage UDC added and subtract to count the machine to proceed the record to the operation number of times of the system.Can used for the liquid on the industry mixs with and the in the late heats to process the etc., basic suitable for the industry produces the request, its easy to operation, maintain with maintain.Keywords:Programmable logic controller Software Various liquids is automatic to mix with The UDC adds and subtract to count the machine前言近年来,随着科学技术的进步和微电子技术的迅猛发展,可编程序控制器技术广泛应用于自动化控制领域。
多种液体自动混合装置的PLC控制毕业设计论文一、《多种液体自动混合装置的PLC控制毕业设计论文》本论文主要研究和探讨多种液体自动混合装置的PLC控制系统设计。
随着工业自动化的不断发展,液体的精确混合成为了许多工业生产过程中的关键环节。
多种液体自动混合装置作为一个高效、精确的液体混合解决方案,已经在多个领域得到广泛应用。
本文将从系统设计、PLC控制系统构建、程序设计等方面,对多种液体自动混合装置的PLC控制系统进行详细的阐述和探讨。
在现代工业生产过程中,液体的精确混合是一项至关重要的技术。
这不仅关乎产品质量,还涉及到生产效率和成本控制。
开发一种高效、精确的液体自动混合装置具有重要的实际意义。
PLC(可编程逻辑控制器)作为一种先进的工业控制装置,具有高度的灵活性和可靠性,被广泛应用于各种工业控制系统中。
本文将研究如何将PLC控制系统应用于多种液体自动混合装置中,以提高混合精度和效率。
多种液体自动混合装置主要由液体供应系统、混合系统、控制系统等部分组成。
液体供应系统负责提供需要混合的各种液体;混合系统则负责将各种液体进行混合;而控制系统则是整个装置的核心,负责控制液体的供应和混合过程。
在本设计中,我们将采用PLC作为控制系统的核心。
PLC控制系统主要由PLC控制器、触摸屏、传感器、执行器等部分组成。
PLC控制器是系统的核心,负责接收传感器信号,并根据预设的程序输出控制信号;触摸屏则用于显示混合过程的各种参数和状态,以及进行人工操作;传感器用于检测混合液体的各种参数,如液位、温度、浓度等;执行器则负责执行PLC控制器的控制命令,控制液体的供应和混合过程。
PLC控制系统的程序是系统的灵魂,它决定了系统的运行方式和性能。
在程序设计阶段,我们需要根据混合液体的要求和工艺过程,设计合适的控制算法和逻辑。
还需要考虑系统的安全性和稳定性。
在本设计中,我们将采用模块化程序设计方法,将系统划分为多个模块,每个模块负责一部分功能,这样不仅可以提高程序的清晰度,还可以方便后期的维护和修改。
基于plc的液体混合系统的控制毕业设计一、研究背景随着工业自动化的不断发展,PLC(可编程逻辑控制器)作为一种重要的控制器件,被广泛应用于各个领域。
其中,在液体混合系统中,PLC 也扮演着重要的角色。
液体混合系统是指将两种或多种不同的液体按照一定比例混合,以达到特定的化学反应或工艺要求。
因此,在液体混合系统中,PLC可以通过对各个部件进行精准控制,实现液体流量、温度等参数的精确调节和监控。
二、研究目标本毕业设计旨在基于PLC实现液体混合系统的控制,并能够实时监测和记录各项参数变化。
具体目标如下:1. 设计并构建一个完整的液体混合系统。
2. 选用适当的传感器和执行器,并设计相应的电路。
3. 编写PLC程序,实现对液体流量、温度等参数进行精确调节和监测。
4. 实时记录各项参数变化,并能够生成相应报表。
三、研究内容1. 液体混合系统硬件设计(1)液体混合系统的结构设计液体混合系统的结构设计需要考虑到液体的流动性和混合效果。
一般来说,液体混合系统包括进料系统、混合系统和出料系统三个部分。
其中,进料系统包括进料管道、泵、阀门等部件;混合系统包括搅拌器、加热器等部件;出料系统包括出料管道、阀门等部件。
(2)传感器和执行器的选用在液体混合系统中,需要选用适当的传感器和执行器来实现对各项参数进行监测和调节。
例如,可以选用流量传感器、温度传感器等来监测液体流量和温度;可以选用电磁阀、气动阀等执行器来控制进料管道和出料管道的开关。
(3)电路设计根据所选用的传感器和执行器,需要设计相应的电路。
例如,可以采用模拟量输入模块来接收流量传感器输出的模拟信号;可以采用数字量输出模块来控制电磁阀或气动阀。
2. PLC程序设计根据硬件设计完成后,需要编写PLC程序实现对液体混合系统进行控制。
PLC程序需要实现以下功能:(1)监测液体流量和温度,并实时调节。
(2)实现进料管道和出料管道的开关控制。
(3)实现搅拌器的开关控制。
(4)实时记录各项参数变化,并能够生成相应报表。
摘要在很多行业的工业现场都有多种液体混合装置的精确控制需要,本次设计以三种液体混合为例,将三种液体按一定的比例混合,在电动机搅拌后要达到一定的温度才能将混合液体输出容器。
并形成循环状态。
针对液体混合装置系统不同的工作状态及动作的相连性,进行相应的动作控制输出,从而达到精确的自动控制。
本次设计采用OMRON公司的CPM2AH型PLC为载体,通过对方案选择,I/O分配,工作过程分析,梯形图,指令表,接线图,电气原理图及情况说明, 并经过多次修改和调试,最终实现题目要求。
关键字:多种液体自动混合自动控制 PLC目录引言 (1)一、课题背景 (2)1.1、课题背景 (2)1.2、研究目的和意义 (2)二、多种液体混合控制系统设计 (3)2.1、设计原则 (3)2.2、控制方式的介绍及选择 (3)三、控制系统的I/O接线设计 (5)3.1、多种液体混合装置I/O分配表 (5)3.2、多种液体混合装置接线设计图 (6)四、软件设计 (7)4.1、程序设计指导流程图: (7)4.2、梯形图: (8)4.3、助记符: (9)五、控制系统的工作详细分析 (10)5.1、各元件工作条件分析: (10)5.2、控制系统的工作过程分析: (10)六、尚未涉及的情况及问题 (11)七、专题设计总结 (12)八、致谢 (13)九、参考文献 (13)专题设计任务书设计任务及控制要求初始状态容器是空的,电磁阀F1、F2、F3、F4,搅拌电机M,液面传感器L1、L2和L3,加热器和温度传感器均为OFF。
物料自动混合控制按下启动按钮,开始下列操作。
电磁阀F1开启,开始注入物料A,至高度L3时,关闭阀F1,同时开启电磁阀F2,注入物料B,至高度L2时,关闭阀F2,同时开启电磁阀F3,注入物料C,当液面上升至L1时,关闭F3。
停止物料C注入后,启动搅拌电动机M,使A、B、C三种物料混合10S,同时启动加热器加至设定温度。
10S后停止搅拌,开启电磁阀F4,放出混合物料,当液面高度下降至L3后,再经过5S关闭阀F4。
****专科生课程设计报告题目多种液体自动混合控制系统设计课程电气控制及可编程控制器专业电气工程及其自动化班级电气21131学号 2010113141 2010113145 2010113 姓名王喆杨杰田东升指导老师完成日期 2013年 6月目录1 绪论 (1)1.1 课程题目 (1)1.2 设计目的及要求 (1)1.3 原始资料 (1)1.4 课题要求 (1)1.5 日程安排 (2)1.2 主要参考书 (2)2 器件选择 (3)2.1 总体结构 (3)2.2 具体器件的选择 (3)2.2.1液位传感器的选择 (3)2.2.2温度传感器的选择 (4)2.2.3 搅拌电动机的选择 (4)2.2.4 电磁阀的选择 (5)2.2.5 接触器的选择 (5)2.2.6 热继电器的选择 (6)3 程序设计 (7)3.1 总体设计思路 (7)3.2 PLC输入输出口分配 (8)3.3 主电路设计 (9)3.4 液体混合装置的输入输出接线图 (9)3.5 液体混合装置的梯形图 (11)4 安装、接线及系统联合测试 (13)5 后期工作 (13)6 总结 (14)7 参考文献 (14)1.绪论1.1 课程题目多种液体自动混合控制系统设计1.2 设计目的及要求1、熟悉电气控制系统的一般设计原则、设计内容及设计程序。
2、掌握电气设计制图的基本规范,熟练掌握PLC程序设计的方法和步骤。
3、学会收集、分析、运用电气设计有关资料及数据。
4、培养独立工作和工程设计能力以及综合运用专业知识解决实际工程技术问题的能力。
1.3 原始资料图例是三种液体自动加热搅拌混合示意图,工作过程如下:打开电磁阀Y1加入液体A,加到L3位置时停止,然后打开Y2加入液体B,到L2位置时停止,再打开Y3,加入液体C,到位置L1停止,此时,电炉接通加热,搅拌电机工作。
当温度到后停止加热和搅拌,打开电磁阀Y4,排放加工好的液体,排放时间由拨码开关设定,时间到后关断Y4,加工完成。
拨码开关第一位为设定产量,7段数码管显示当前产量,设计电路,编写程序。
1.4 课题要求1、根据项目技术要求,设计PLC控制系统总体方案;2、根据方案选择相应电气元器件后列写主要元器件清单;3、绘制电路图、控制板电气元件布置图、电气安装接线图;4、在控制板上安装接线;5、系统控制板测试;6、通电联调;7、整理技术资料,编写项目报告,项目验收。
1.5 日程安排本次课程设计时间共一周,进度安排如下:1、设计准备,熟悉有关电气设计规范,熟悉课题设计要求及内容。
(1天)2、分析控制要求、主电路及控制电路方案设计。
(1天)3、绘制控制流程图、I/O端子接线图。
(1天)4、梯形图设计、编制程序及程序说明。
(1天)5、整理计算书及图纸、写课程设计报告。
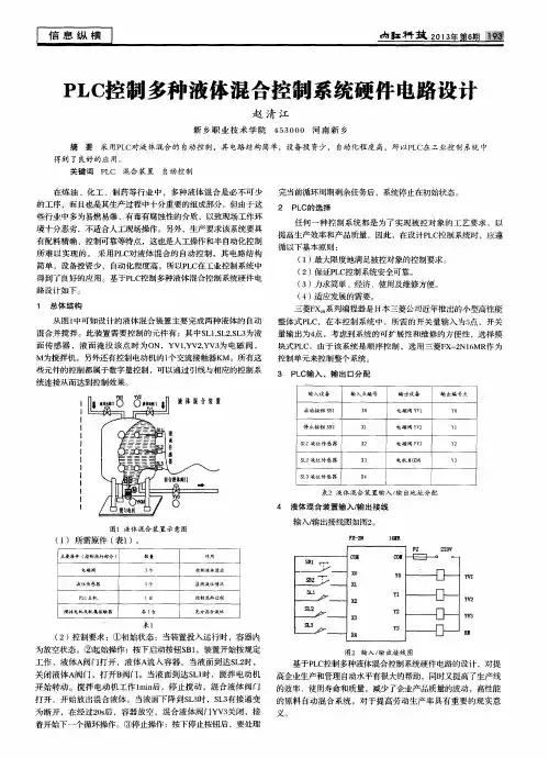
(1天)1.6 主要参考书1、《电气控制与可编程控制器应用技术》郁汉琪主编东南大学出版社2、《工厂电气控制技术》方承远主编机械工业出版社3、《可编程控制器原理应用网络》徐世许主编中国科学技术大学出版社4、《工厂常用电气设备手册》(第2版)上、下册中国电力出版社2.器件选择2.1 总体结构从图2-1中可知设计的液体混合装置主要完成三种液体的自动混合搅拌并控制温度,如图2-1所示。
此装置需要控制的元件有:其中L1、L2、L3为液面传感器,液面淹没该点时为ON。
Y1、Y2、Y3、Y4为电磁阀,M为搅拌电机,T为温度传感器,H为加热器。
另外还有控制电磁阀和电动机的1个交流接触器KM。
所有这些元件的控制都属于数字量控制,可以通过引线与相应的控制系统连接从而达到控制效果。
图2.1 液体混合灌装机2.1 具体器件的选择2.2.1 液位传感器的选择选用LSF-2.5型液位传感器其中“L”表示光电的,“S”表示传感器,“F”表示防腐蚀的,2.5为最大工作压力。
LSF系列液位开关可提供非常准确、可靠的液位检测。
其原理是依据光的反射折射原理,当没有液体时,光被前端的棱镜面或球面反射回来;有液体覆盖光电探头球面时,光被折射出去,这使得输出发生变化,相应的晶体管或继电器动作并输出一个开关量。
应用此原理可制成单点或多点液位开关。
LSF 光电液位开关具有较高的适应环境的能力,在耐腐蚀方面有较好的抵抗能力。
相关元件主要技术参数及原理如下:(1)工作压力可达2.5Mpa(2)工作温度上限为125°C(3)触点寿命为100万次(4)触点容量为70w(5)开关电压为24V DC(6)切换电流为0.5A 3.3在本实验中,I/O接线图中用限位开关来代替液位传感器。
2.2.2 温度传感器的选择选用KTY81-210A型温度传感器其中“T”表示温度KTY系列温度传感器采用进口Philips硅电阻元件精心制作而成,具有精度高,稳定性好,可靠性强,产品寿命长等优点, 该温度传感器已广泛应用于电机变频调速温度控制,太阳能热水器温度测量领域彩印设备温控,汽车油温测量、发动机冷却系统、工业控制系统中过热保护、加热控制系统、电源供电保护等。
选用KTY81-210A型温度传感器。
相关元件主要技术参数及原理如下:(1)测量温度范围为 -50~150℃℃(2)温度系数TC 为 0.79%/K(3)精度等级为 0.5%(4)公称压力为 0.6MPa2.2.3搅拌电动机的选择选用EJ15-3型电动机其中“E”表示电动机,“J”表示交流的,15为设计序号,3为最大工作电流相关元件主要技术参数及原理如下:EJ15系列电动机是一般用途的全封闭自扇冷式鼠笼型三相异步电动机。
(1)额定电压为220V,额定频率为50Hz,功率为2.5KW,采用三角形接法。
(2)电动机运行地点的海拔不超过1000m。
工作温度-15~40°C /湿度≤90%。
(3)EJ15系列电动机效率高、节能、堵转转矩高、噪音低、振动小、运行安全可靠。
2.2.4电磁阀的选择(1)入罐液体选用VF4-25型电磁阀其中“V”表示电磁阀,“F”表示防腐蚀,4表示设计序号,25表示口径(mm)宽度。
相关元件主要技术参数及原理如下:1)材质:聚四氟乙烯。
使用介质:硫酸、盐酸、有机溶剂、化学试剂等酸碱性的液体。
2)介质温度≤150/℃环境温度-20~60°C。
3)使用电压:AC:220 V50Hz/60Hz DC:24V。
4)功率:AC:2.5KW。
5)操作方式:常闭:通电打开、断电关闭,动作响应迅速,高频率。
(2)出罐液体选用AVF-40型电磁阀其中“A”表示可调节流量,“V”表示电磁阀,“F”表示防腐蚀,40为口径(mm) 相关元件主要技术参数及原理如下:1)其最大特点就是能通过设备上的按键设置来控制流量,达到定时排空的效果。
2)其阀体材料为:聚四氟乙烯,有比较强的抗腐蚀能力。
3)使用电压:AC:220 V50Hz/60Hz DC:24V。
4)功率:AC:5KW。
2.2.5接触器的选择选用CJ20-10/CJ20-16型接触器其中“C”表示接触器,“J”表示交流,20为设计编号,10/16为主触头额定电流相关元件主要技术参数及原理如下:(1)操作频率为1200/h(2)机电寿命为1000万次(3)主触头额定电流为10/16(A)(4)额定电压为380/220(A)(5)功率为2.5KW2.2.6热继电器的选择选用JR16B-60/3D型热继电器其中“J”表示继电器,“D”带断相保护相关元件主要技术参数及原理如下:(1)额定电流为20(A)(2)热元件额定电流为32/45(A)3.程序设计3.1总体设计思路经过对上述设计要求的深入思考后,对系统的设计过程有了一定的构架。
具体的想法有一下几点:系统为多种液体自动混合,需要对各种液体的液面的高度监控,因此,需要运用到传感器进行液面高度的监控。
各种液体入池的比例需要应用电磁阀控制,入池后的搅拌,则需要电机控制。
对各个控件的控制,需要一个完整的控制流程,运用PLC技术进行编程,可以实现对各个控件的控制。
具体控制方法根据题目要求,按下启动按钮时,A种液体进入容器,当达到一定值时,停止进入,B种液体开始进入,当达到一定值时,停止进入C种液体开始进入,当达到一定深度停止所有液体进入。
搅拌机进行搅拌,一分钟后搅拌均匀,停止搅拌,放出液体。
经20s后停止放出,按停止键停止操作。
液体的进入和放出,需要电磁阀的控制,液面的深度需要传感器的控制。
对于本课题来说,如果液体混合系统部分是一个较大规模工业控制系统的改造升级,新控制装置需要根据企业设备和工艺现况来构成并需尽可能的利用旧系统中的元器件。
对于人机交互方式改造后系统的操作模式应尽量和改造前的相类似,以便于操作人员迅速掌握。
从企业的改造要求可以看出在新控制系统中既需要处理模拟量也需要处理大量的开关量,系统的可靠性要高,人机交互界面友好,应具备数据储存和分析汇总的能力。
要实现整个液体混合控制系统的设计,需要从怎样实现各电磁阀的开关以及电动机启动的控制这个角度去考虑,现在就这个问题的如何实现以及选择怎样的方法来确定系统方案。
控制流程图如下。
图3.2 PLC输入输出口分配输入/输出地址分配如表1表1 液体混合装置输入/输出地址分配3.3 主电路设计因为只有搅拌机是电动机控制的,所以主电路只需要一个电机控制,并搅拌机只有启动与停止两种工作状态,因此只需要一组主触点。
主电路如下。
图3-1 液体混合装置流程图图3-2 液体混合装置的主电路3.4 液体混合装置的输入输出接线图液体混合装置输人输出接线图如下。
图3-3 液体混合装置的I/O接线图3.5 液体混合装置的梯形图图3-4 液体混合装置的梯形图3.6:拨码开关图3—5拨码开关接线吧版的拨码开关内部已经接到PLC内部,所以只要把00——03和04——07接到com0端口,把10——13和14——17接到com2端口,右边的三个拨码开关是控制电磁阀闭合的时间,当时间一到时电磁阀Y4闭合,从而完成一个循环。
但是要把拨码开关的8421码通过PLC的BIN指令装换成可由7段数码管显示的十进制数这段程序是:而拨码开关的左面第一位是8段数码管的显示,他是显示液体流量的。
它的效果是通过下面的程序来实现的:而7段数码管是效果图如下:3.6 数码管4.安装、接线及系统联合测试按照电气设计图完成接线,对程序系统与电气系统进行联合测试,详细步骤略。
如不满足要求,再回去修改程序或检查接线,直到满足要求为止5.后期工作1、操作过程简要说明本实验在试验箱上模拟了多液体自动混合装置的工作过程,用按钮代替液面出发开关,用信号灯表示阀门和电动机的工作状态打开电磁阀Y1加入液体A,加到L3位置时停止,然后打开Y2加入液体B,到L2位置时停止,再打开Y3,加入液体C,到位置L1停止,此时,电炉接通加热,搅拌电机工作。