试生产方案备案申请
- 格式:docx
- 大小:11.73 KB
- 文档页数:3
试生产方案备案表建设项目试生产(使用)方案备案申请建设项目试生产(使用)方案备案时,应当提交下列文件、资料,并对其真实性负责:1、建设项目试生产(使用)方案,应包括下列有关安全生产的内容:建设项目施工完成情况;生产、储存的危险化学品品种和设计能力;试生产(使用)过程中可能出现的安全问题及对策;采取的安全措施;事故应急救援预案;试生产(使用)起止日期。
2、经建设项目安全设施的设计、施工、监理等单位认可的建设项目试生产(使用)方案申报表和认可表;3、建设项目安全设施设计的安全许可意见书(复印件);4、设计、施工和监理单位的资质证书、建设项目质量监督手续(复印件)。
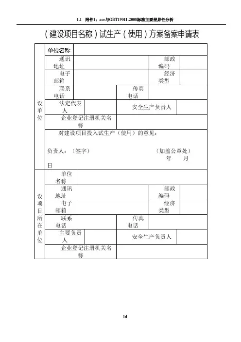
,建设项目名称,试生产,使用,方案备案申报表单位名称通讯地址邮政编码电子邮箱经济类型建联系电话传真电话设法定代表人安全生产负责人单企业登记注册机关名称位意见:负责人:,签字, ,加盖公章处,年月日单位名称通讯地址邮政编码建电子邮箱经济类型设项联系电话传真电话目主要负责人安全生产负责人所企业登记注册机关名称在意见:单位主要负责人:,签字, ,加盖公章处,年月日,建设项目名称,试生产,使用,方案认可表单位名称通讯地址安经济类型联系电话邮政编码全设资质级别经营范围证书编号施法定代表项目负责设人人计意见:单位 ,加盖公章处,负责人:,签字, 年月日单位名称通讯地址安经济类型联系电话邮政编码全设资质级别经营范围证书编号施法定代表项目负责施人人工意见:单位 ,加盖公章处,负责人:,签字, 年月日单位名称通讯地址经济类型联系电话邮政编码监资质级别经营范围证书编号理法定代表项目负责单人人位意见:,加盖公章处,负责人:,签字, 年月日。
小家电零部件生产与制造项目项目环保试生产申请报告石家庄市高新区环保局:我公司(石家庄诚博家电零部件制造有限公司)小家电零部件生产与制造项目已获贵局审批,2012年月日开始建设,目前工程建设已完毕,设备安装调试已完成。
根据公司计划,拟定于年月日开始进入试生产,恳请批准。
一、项目概况1.项目名称和性质项目名称:小家电零部件生产与制造项目项目地址:石家庄高新技术产业开发区恒山街389号格力配套产业园1﹟厂房建设单位:石家庄诚博家电零部件制造有限公司建设性质:新建2.环保批复文件:(情况说明:为配合格力的生产石家庄市高新区管委会特批先生产同时进行环评手续。
)3.项目主要内容本项目租用格力配套产业园的1﹟厂房(租赁协议详见附件),占地面积㎡。
厂房东西两侧均为办公区中间区域为生产仓储区。
项目主要建设内容包括公用工程机环保工程,其中公用工程中的配电室在租赁厂房内分割出一间作为配电室,锅炉房及空压机房和环保工程中的污水处理间均为自建。
项目的产品方案有冲压成型零件、电子产品组装及涂装,生产规模为年产150万套零件。
4.主要生产设备5.主要原料辅料及消耗6.主要生产工艺:1).冲压成型件工艺流程:以板料为原材料,由剪板机按照规定尺寸进行剪切,再经过冲压机、弯管机、音网冲孔机或钢丝折弯机按照规定的形状进行成型操作,检验合格后包装出厂。
2).焊接件工艺流程线材或板材经过压平机、分网机、断网机或者剪切机下料后,先进行分总成(分焊)操作之后按照规格要求进行总成(焊接)操作(焊接采用较为先进的CO2保护焊),最后经检验合格后包装出厂。
3).电子产品工艺流程简述各种控制线缆、接线板、铜板作为电子产品的原材料,由端子成型机切断后,进行钎焊,检验合格后装配出厂。
4).注塑件工艺流程简述注塑级化工原料(PP、PE、PA、ABS)作为原材料,经全封闭高速搅拌机充分搅拌上色后,由自动上料机上料进入注塑机注塑成型,再由冷却系统(冷却水循环使用)进行冷却后,检验合格之后包装出厂。
生产设施试生产备案申请书——(海事海商,申请书)
第一篇:生产设施试生产备案申请书——(海事海商,申请书) 综合法律门户网站
法律家·法律法规大全提供最新法律法规、司法解释、地方法规的查询服务。
第二篇:生产设施(海底管线)试生产备案申请书——(海事海商,申请书)范文
综合法律门户网站
法律家·法律法规大全提供最新法律法规、司法解释、地方法规的查询服务。
第三篇:作业设施备案延期申请书——(海事海商,申请书) 综合法律门户网站
法律家·法律法规大全提供最新法律法规、司法解释、地方法规的查询服务。
第四篇:支付令申请书(海事诉讼文书)——(海事海商,申请书) 综合法律门户网站
法律家·法律法规大全提供最新法律法规、司法解释、地方法规的查询服务。
第五篇:债权登记申请书(海事诉讼文书)——(海事海商,申请书) 综合法律门户网站法律家·法律法规大全提供最新法律法规、司法解释、地方法规的查询服务。
试生产申请报告(样本)
×××公司(单位)关于申请×××项目试生产的报告(格式)
南宁市环境保护局:
我公司(单位)×××项目工程于×年×月×日开工建设,×年×月×日建成。
该项目在建设过程中认真执行环保“三同时”规定,现已按项目环评批复要求配套相关环保设施及措施,为检验实际运行效果,特向你局申请该项目投入试生产。
经对照项目环评批复要求,将有关具体情况报告如下:
×××公司(单位)
××年××月××日
(备注:若项目较大,填写内容复杂,以上表格内容不够填写的,可按表格填项要求另行文字表述作为附件。
)。
试生产方案备案申请表试生产方案备案申请表1. 项目基本信息•项目名称:•项目负责人:•项目备案编号:•申报单位:•申报单位联系人:•联系电话:2. 试生产方案概述在本部分,详细描述试生产方案的目标、背景和计划,包括但不限于以下方面的信息:•试生产目标:•试生产背景:•试生产内容:•试生产计划:–试生产时间安排:–试生产工作流程:–试生产设备及材料准备工作:3. 试生产方案实施计划本部分概述将试生产方案付诸实施的安排和计划,包括但不限于以下方面的信息:•试生产步骤及流程:•试生产所需资源:–试生产设备资源:–试生产人员资源:–试生产原材料资源:–其他资源:•试生产进度计划:–各项任务的时间安排:–辅助支持工作的协调计划:–风险应急预案:4. 试生产方案评估在本部分,针对试生产方案的可行性和效果进行评估和分析,包括但不限于以下方面的信息:•试生产方案可行性评估:–技术可行性:–经济可行性:–环境可行性:•试生产方案效果评估:–试生产目标达成情况:–试生产过程中出现的问题及解决方案:–对产品质量和生产效率的影响:5. 试生产方案申请本部分以申请方式列出申请试生产方案的相关事宜,包括但不限于以下方面的信息:•试生产申请事项:•申请材料:•申请提交方式:•审批及备案要求:6. 补充信息在本部分提供任何与试生产方案相关的其他信息。
7. 审批意见在本部分填写审批方对试生产方案申请的意见。
•审批人:•审批日期:•审批意见:以上是试生产方案备案申请表的模板,请根据具体项目情况进行填写和适当修改。
一、项目概况(一)项目名称:XX项目(二)项目地点:XX省XX市XX区(三)项目业主:XX有限公司(四)项目规模:XX万吨/年(五)项目总投资:XX亿元二、项目审批及建设情况(一)项目于XX年XX月获得XX省发展和改革委员会的核准批复,批准文号:XX。
(二)项目于XX年XX月正式开工建设,XX年XX月完成主体工程建设。
(三)项目设备安装调试工作于XX年XX月完成。
(四)项目环保设施建设已按照环评批复要求完成,并通过了环保验收。
(五)项目安全设施已按照相关规定建设,并通过了安全验收。
三、试生产方案(一)试生产时间:XX年XX月XX日至XX年XX月XX日(二)试生产范围:项目全部生产线(三)试生产产量:XX万吨(四)试生产目的:1. 验证生产线的运行稳定性;2. 验证环保设施的处理效果;3. 验证安全设施的有效性;4. 收集生产数据,为正式生产提供依据。
四、试生产组织及人员(一)成立试生产领导小组,负责试生产的组织、协调和指挥。
(二)成立试生产技术组,负责试生产的技术指导和设备调试。
(三)成立试生产安全组,负责试生产期间的安全管理和事故处理。
(四)成立试生产环保组,负责试生产期间的环保监测和排放控制。
五、试生产保障措施(一)设备保障:确保设备运行稳定,及时排除设备故障。
(二)环保保障:加强环保设施运行管理,确保污染物达标排放。
(三)安全保障:加强安全设施运行管理,确保生产安全。
(四)人员保障:加强试生产人员培训,提高安全生产意识。
(五)物资保障:确保试生产所需物资供应充足。
六、试生产预期效果(一)验证生产线运行稳定性,为正式生产提供依据。
(二)确保环保设施处理效果,满足环保要求。
(三)确保安全设施有效性,保障生产安全。
(四)收集生产数据,为优化生产流程提供参考。
七、试生产申请根据《中华人民共和国安全生产法》和《建设项目安全设施“三同时”监督管理办法》等相关法律法规,我公司特向贵局申请试生产。
恳请贵局批准,并给予监督指导。
一、报告概述尊敬的安监局领导:为了确保我公司在试生产阶段的安全、稳定、高效运行,根据《中华人民共和国安全生产法》及《安全生产许可证条例》等相关法律法规的要求,现将我公司试生产情况及安全措施报告如下,恳请安监局领导予以审批。
二、企业基本情况1. 公司名称:XX科技有限公司2. 法定代表人:张三3. 注册地址:XX省XX市XX区XX路XX号4. 注册资本:人民币壹仟万元整5. 经营范围:研发、生产、销售XX产品三、试生产项目简介1. 项目名称:XX生产线试生产2. 项目地点:XX市XX区XX工业园区3. 项目规模:年产XX产品XX万吨4. 投资总额:人民币伍仟万元整5. 项目简介:本项目旨在通过引进先进的生产设备和技术,提高XX产品的生产效率和质量,满足市场需求。
四、试生产时间安排1. 试生产开始时间:2023年X月X日2. 试生产结束时间:2023年X月X日3. 试生产周期:30天五、试生产安全措施1. 人员培训:对参与试生产的员工进行安全教育培训,确保员工掌握安全生产知识和技能。
2. 设备安全:对试生产设备进行安全检查,确保设备安全可靠,符合国家标准。
3. 生产环境:严格控制生产现场的环境,确保空气质量、噪音、温度等符合国家标准。
4. 应急预案:制定完善的应急预案,确保在发生突发事件时,能够迅速、有效地进行处置。
5. 安全检查:定期对试生产现场进行安全检查,及时发现并消除安全隐患。
6. 安全防护设施:配备必要的安全防护设施,如防护栏、安全帽、防尘口罩等。
7. 事故报告:建立健全事故报告制度,确保事故发生后及时上报,并采取措施防止事故扩大。
六、试生产期间的主要工作1. 人员配备:合理配置生产、技术、安全等岗位人员,确保试生产顺利进行。
2. 设备调试:对试生产设备进行调试,确保设备正常运行。
3. 原材料采购:严格按照采购计划,采购合格的原材料,确保产品质量。
4. 生产工艺优化:对生产工艺进行优化,提高生产效率。
(建设项目名称)试生产(使用)方案备案申请表单位名称通讯地址邮政编码电子邮箱经济类型建联系电话传真电话设法定代表人安全生产负责人单企业登记注册机关名称位对建设项目投入试生产(使用)的意见:负责人:(签字)(加盖公章处)年月日单位名称通讯地址建电子邮箱邮政编码经济类型设联系电话传真电话项主要负责人安全生产负责人目企业登记注册机关名称所申请试生产(使用)的理由及试生产(使用)准备情况:在单位主要负责人:(签字)(加盖公章处)年月日通讯地址经济类型联系电话邮政编码资质等级证书编号业务范围法定代表人项目负责人对建设项目投入试生产(使用)的意见(包括建设项目是否按设设计全部内容完成施工;是否同意建设项目具备试生产(使用)条计件等):单位负责人:(签字)(加盖公章处)年月日单位名称通讯地址经济类型联系电话邮政编码资质等级证书编号业务范围法定代表人项目负责人对建设项目投入试生产(使用)的意见(包括建设项目是否按设施计全部内容完成施工,施工质量是否合格;是否同意建设项目具工备试生产(使用)条件等):单位负责人:(签字)(加盖公章处)年月日通讯地址经济类型联系电话邮政编码资质等级证书编号业务范围法定代表人项目负责人对建设项目投入试生产(使用)的意见(包括建设项目是否按设计全部内容完成施工,施工质量是否合格;是否同意建设项目具备试生产(使用)条件等):监理单位负责人:(签字)(加盖公章处)年月日申请文件、材料清单(在“□”中用“√”勾):选一、国家安监总局第45号令第25条规定的文件材料(14项):□试生产(使用)方案备案表;□试生产(使用)方案;□设计、施工、监理单位对试生产(使用)方案以及是否具备试生产(使用)条件的意见;□专家对试生产(使用)方案的审查意见;□安全设施设计重大变更情况的报告;□施工过程中安全设施设计落实情况的报告;□组织设计漏项、工程质量、工程隐患的检查情况,以及整改措施的落实情况报告;□建设项目施工、监理单位资质证书(复制件);□建设项目质量监督手续(复制件);□主要负责人、安全生产管理人员、注册安全工程师资格证书(复制件),以及特种作业人员名单;□从业人员安全教育、培训合格的证明材料;□劳动防护用品配备情况说明;□安全生产责任制文件,安全生产规章制度清单、岗位操作安全规程清单;□设置安全生产管理机构和配备专职安全生产管理人员的文件(复制件)。
(建设项目名称)试生产(使用)方案备案申请表建设单位单位名称通讯地址邮政编码电子邮箱经济类型联系电话传真电话法定代表人安全生产负责人企业登记注册机关名称对建设项目投入试生产(使用)的意见:负责人:(签字)(加盖公章处)年月日建设项目所在单位单位名称通讯地址邮政编码电子邮箱经济类型联系电话传真电话主要负责人安全生产负责人企业登记注册机关名称申请试生产(使用)的理由及试生产(使用)准备情况:主要负责人:(签字)(加盖公章处)年月日设计单位通讯地址经济类型联系电话邮政编码资质等级证书编号业务范围法定代表人项目负责人对建设项目投入试生产(使用)的意见(包括建设项目是否按设计全部内容完成施工,施工质量是否合格;是否同意建设项目具备试生产(使用)条件等):负责人签字:(加盖公章处)年月日施工单位通讯地址经济类型联系电话邮政编码资质等级证书编号业务范围法定代表人项目负责人对建设项目投入试生产(使用)的意见(包括建设项目是否按设计全部内容完成施工,施工质量是否合格;是否同意建设项目具备试生产(使用)条件等):负责人签字:(加盖公章处)年月日监理单位通讯地址经济类型联系电话邮政编码资质等级证书编号业务范围法定代表人项目负责人对建设项目投入试生产(使用)的意见(包括建设项目是否按设计全部内容完成施工,施工质量是否合格;是否同意建设项目具备试生产(使用)条件等):负责人签字:(加盖公章处)年月日申请文件、材料清单(在“□”中用“√”勾选):□试生产(使用)方案备案表;□试生产(使用)方案;□设计、施工、监理单位对试生产(使用)方案以及是否具备试生产(使用)条件的意见;□专家对试生产(使用)方案的审查意见;□安全设施设计重大变更情况的报告;□施工过程中安全设施设计落实情况的报告;□组织设计漏项、工程质量、工程隐患的检查情况,以及整改措施的落实情况报告;□建设项目施工、监理单位资质证书(复制件);□建设项目质量监督手续(复制件);□主要负责人、安全生产管理人员、注册安全工程师资格证书(复制件),以及特种作业人员名单;□从业人员安全教育、培训合格的证明材料;□劳动防护用品配备情况说明;□安全生产责任制文件,安全生产规章制度清单、岗位操作安全规程清单;□设置安全生产管理机构和配备专职安全生产管理人员的文件(复制件)。
尊敬的XX公司领导:您好!我代表XX项目团队,向您提交本次试生产申请。
首先,请允许我简要介绍一下该项目的情况。
一、项目背景及目标随着市场需求的变化和公司战略的发展,我公司决定投资研发一款具有竞争力的新产品。
该产品经过前期充分的市场调研和技术论证,已完成了设计研发阶段。
为了确保产品质量和性能达到预期目标,我公司计划进行为期个月的试生产。
二、试生产的目的和意义1. 验证产品设计合理性:通过试生产,对产品的设计进行验证,确保产品在实际生产过程中能够稳定运行,满足市场需求。
2. 检验生产工艺:试生产有助于发现并优化生产工艺中的不足,提高生产效率,降低生产成本。
3. 验证供应链管理:通过试生产,检验我公司供应链管理的能力,确保原材料及零部件的质量和供应。
4. 培养生产团队:试生产过程中,将锻炼和培养我公司的生产团队,提高其业务能力和团队协作精神。
5. 为市场推广积累经验:试生产期间,我们将收集产品在实际使用过程中的数据和反馈,为产品上市后的市场推广提供有力支持。
三、试生产计划1. 试生产时间:预计为期个月,具体时间可根据实际情况调整。
2. 试生产地点:我公司生产车间。
3. 试生产规模:初步计划生产台套产品。
4. 试生产人员:安排专门的生产团队,负责试生产过程中的各项事宜。
5. 试生产费用:预计试生产费用为万元,具体费用可根据实际情况调整。
四、风险评估及应对措施1. 技术风险:试生产过程中可能出现技术问题,导致生产进度延误。
应对措施:加强技术团队沟通,确保技术问题及时解决。
2. 质量风险:试生产产品可能存在质量问题,影响公司声誉。
应对措施:严格把控生产过程,加强质量检验,确保产品质量。
3. 供应风险:原材料及零部件供应可能出现波动,影响试生产进度。
应对措施:加强与供应商的沟通,确保供应链稳定。
4. 人员风险:试生产过程中,可能出现人员不足、技能不达标等问题。
应对措施:提前培训相关人员,确保生产团队具备所需技能。
试生产方案备案申请
1. 申请目的
本申请旨在向相关部门提交试生产方案备案申请,以便于组织和管理试生产工作,并保证试生产工作的安全与顺利进行。
2. 申请事项
根据公司研发部门的研发成果,我们计划开展试生产工作。
为了确保试生产过程的合规性与规范性,我们特此申请备案。
3. 试生产方案概述
3.1 项目背景
为了满足市场需求和公司战略规划,研发部门成功研发出一种新型产品,需要进行试生产工作,以获取试验数据和验证工艺流程的可行性。
3.2 试生产目标
试生产旨在验证产品设计、工艺流程和生产设备的可行性,获取生产过程中的实际数据,并优化生产工艺。
同时,根据试生产的结果,确定最终的生产方案,为后续的正式生产做好准备。
3.3 试生产内容
试生产将包括以下内容:
•制定相关试生产工艺流程,包括原材料采购、生产工序安排、生产设备选择等;
•进行试验生产,录取并分析相关数据;
•验证产品设计和工艺流程的可行性;
•优化试生产过程中发现的问题,以提高产品质量和生产效率;
•制定正式生产方案,并制定后续工作计划。
3.4 试生产计划
根据初步估算,试生产计划如下:
试生产阶段时间安排人员安排
准备阶段第1周至第2周技术部、采购部、生产部等
试验生产阶段第3周至第6周生产部、质量部等
数据分析与优化阶段第7周至第8周技术部、质量部等
编制正式生产方案第9周至第10周技术部、生产规划部等
4. 申请材料清单
请提交以下申请材料供备案:
1.试生产方案;
2.试生产计划;
3.试生产人员名单;
4.试生产所需的原材料清单;
5.试生产所需的设备清单;
6.试生产过程中的风险评估报告;
7.其他相关资料。
5. 申请人责任
作为试生产的申请人,本人将承担以下责任:
1.确保试生产方案的合法合规性,并遵守相关法律法规;
2.组织实施试生产工作,确保按照试生产方案进行;
3.监督试生产过程,及时发现和解决问题,确保试生产的顺利进行;
4.提供必要的支持与资源,确保试生产工作的顺利进行;
5.协助相关部门做好试生产的评估与后续工作。
6. 各相关部门责任
各相关部门应承担以下责任:
1.技术部门:负责制定试生产方案,并监督试生产的实施过程;
2.采购部门:负责采购试生产所需的原材料和设备等物资,并及时供应;
3.生产部门:负责试生产工作的实施,并配合其他部门做好试生产工作;
4.质量部门:负责试生产过程的监督和数据分析,提出改进建议;
5.生产规划部门:负责编制正式生产方案,并制定后续工作计划。
7. 审批流程
试生产方案备案申请的审批流程如下:
1.申请人填写并提交试生产方案备案申请;
2.技术部门审核并提出建议;
3.采购部门核实试生产所需的原材料和设备等物资的情况;
4.生产部门负责组织试生产工作,并进行风险评估;
5.质量部门负责监督试生产过程,并进行数据分析;
6.生产规划部门编制正式生产方案。
8. 结束
试生产方案备案申请是确保试生产工作的安全和顺利进行的重要步骤。
通过备案申请的审批和实施,将有助于优化产品设计和工艺流程,并为正式生产打下坚实基础。
为了确保试生产的质量和顺利进行,各相关部门应有序合作,积极配合,做好试生产工作的组织和实施。
同时,申请人也要承担相应的责任,确保试生产按照计划和方案进行。
希望相关部门能够认真审批并批准本申请,以便于我们尽快开始试生产工作,为公司的发展贡献力量。