车多线螺纹学习目标
- 格式:ppt
- 大小:2.69 MB
- 文档页数:18
浅论多线螺纹的实践教学多线螺纹的加工主要是解决螺纹的分线问题,根据多线螺纹各螺旋线在轴向和圆周方向等距分布特点,常见的分线方法有轴向分线法和圆周分线法两种。
一、轴向分线法当车好一条螺旋槽后,把车刀沿轴线方向移动一个螺距,再车第二条螺旋槽。
这种方法主要是解决如何精确移动螺距的问题。
具体方法如下。
1.小滑板刻度分线法这种方法是利用小滑板刻度盘的刻线值使车刀沿轴向移动一个螺距,以达到分线的目的。
这种方法不需要其他附件和装置,利用车床固有的小滑板及刻度就能达到分线的目的,其分线精度取决于小滑板刻线移动的精确度和操作方法的正确性。
分线是的注意事项有:(1)分线前必须保证小滑板导轨与工作轴线的平行度,否则会产生误差。
简单校正的方法是:在车床上车长度约150mm的外圆(100mm以上)处量其直径,看有无锥度误差,然后将百分表安装在刀架上,使百分表测头与加工的表面接触,移动小滑板就可得工件轴线与小滑板移动轨迹的平行度。
一般校正差值在0.02范围内。
(2)螺纹分线时应注意小滑板手柄旋转方向,否则会产生误差。
每次分线小滑板手柄转动方向要相同,转动时要消除空行程,以免因丝杆与螺母的间隙而产生分线误差。
(3)车削精度较高、导程较大的多线螺纹时,应把各条螺旋槽都粗车完毕后,再进行精车。
精车时小滑板手柄进给方向要相同,小滑板进给数要正确,并最后反复2~3次以免各线(侧面)由于余量不匀而产生分线误差。
2.利用百分表(或千分表)和量块分线法车好一条螺旋线后,移动小滑板使百分表读数等于多线螺纹的一个螺距,再车下—个螺旋槽。
当车削较大螺距的多线螺纹时,百分表移动的数值受到限制,可在百分表与挡块之间垫一厚度等于所车多线螺纹螺距的量块,车好第一条螺旋槽后,取掉量块、移动小滑板,使百分数表测头与挡块接触,其读数与量块接触时一样;然后再车下一螺旋槽,依次分线。
这种方法可获较高的分线精度,但操作时除上述三点之外还应注意:百分表必须固定牢固可靠并经常找正,以防工作时产生走动,而产生分线误差。
模块三车削中级工技能训练本项目参考节数:8节单线螺纹和多线螺纹a)单线螺纹b)多线螺纹n=1:P h=P 多线螺纹时:P h=nP采取比较法来学习效果会更好。
注意比较单线螺纹和多线螺纹基本要素的计算、标记、【组织教学】检查学生出勤,作好学生考勤记录。
强调课堂纪律,活跃课堂气氛。
强调实习纪律,做好安全文明生产。
【复习巩固】1.复习 上次课主要学习了蜗杆车刀的几何角度和刃磨要求、车刀的检验、刃磨蜗杆车刀的注意事项、蜗杆的分类、蜗杆主要参数的名称、符号及计算、蜗杆的齿形、蜗杆车刀和工件的装夹、蜗杆的车削和测量方法。
播放了车削蜗杆的视频。
同学们也进行了相应的练习。
通过讲解和演示及练习,使学生进一步增强对重点内容的认识和理解。
更加深了对车蜗杆的感性认识。
2.提问1)如何选择蜗杆粗、精车刀的几何角度?2)蜗杆齿形分类及各自的特点是什么? 3)如何正确安装蜗杆车刀?3.作业讲评作业完成情况统计表【课题导入】展示单线和多线螺杆实物,如图16-1所示。
播放车多线螺纹的视频。
让学生去实习车间观看车多线螺纹。
以加深学生对多线螺纹的理解,增强感性认识。
从教材图16-1和多线螺纹的应用开始讲起,用自制模型(可用多根φ5mm ×200mm 不同颜色的线绳缠绕在一根φ40mm ×200mm 的轴上,如教材图16-1a 所示)演示,见下图。
由此导引到多线螺纹,并开始讲授新课a) 单线蜗杆b)多线螺纹c)双线螺纹d)双线和三线螺杆图16-1【讲授新课】(2课时)项目16 车多线螺纹一、多线螺纹的概念、参数与代号1.多线螺纹的概念2.多线螺纹的导程3.多线螺纹的代号二、多线螺纹的分线方法1.轴向分线法2.圆周分线法三、多线螺纹的车削方法四、车多线螺纹的注意事项【技能训练】(6小时)一、目标任务1.了解多线螺纹的概念与标注。
2.掌握多线螺纹的分线方法。
3.学会车多线螺纹。
二、示范操作多线螺纹的分线方法、多线螺纹的车削方法和车多线螺纹的注意事项。
韶关市高级技工学校一、课前准备:1、图纸:2、料:材料为45#,规格Φ40×152mm。
3、根据课题需要备好刀具、量具、工具等。
4、检查学生的穿戴安全等事项。
5、集中点名考勤。
二、教学过程(二)讲授指导:1、多线螺纹的特点及应用:(1)纹旋转一周,移动单头螺纹的几倍螺距(L=np)。
(2)导程大,螺旋升角大比加工单头螺纹困难常应用在快速传动机构。
2、螺纹车刀的几何参数。
刃磨多线螺纹车刀,刀尖角、刀头宽度,前面形状与单头螺纹车刀相同,两侧刃后角必须按螺旋升角进行修磨。
3、多线螺纹的技术条件:(1)多线螺纹的螺距必须相等。
(2)多线螺纹每条螺纹的牙型角、中径处螺距要相等。
4、螺纹的分线方法:分线方法有轴向分线和圆周分线法两种。
(1)轴向分线法:可采用小拖板刻度盘、百分表或块规控制,分线时小拖板应沿轴线方向准确移动一螺距。
(2)圆周分线法:当主动轮齿数与螺纹头数之比为整数时,可用挂轮分头,也可采用专用分度盘进行分头。
5、车削多线螺纹的方法:(1)按零件标准导程L调整车床各手柄位置或搭配挂轮。
(2)采用直进法或左右切削法。
车削多线螺纹时,决不可将一条螺旋槽车好后,再车另一条螺旋槽。
加工时应按下列步骤进行:①车第一条螺旋槽,记住中、小滑板的刻度值。
②进行分母线,粗车第二条、第三条……螺旋槽。
如用轴向分线法,中滑板刻度值应与车第一条螺旋槽时相同。
如用圆周分线法,中、小滑板的刻度应与车第一条螺旋槽时相同。
③采用左、右切削法加工多线螺纹时,为了保证线螺纹的螺距精度,车削每一条螺旋槽时的车刀轴向移动量(借刀量)必须相等。
④按上述方法精车各条螺旋槽。
(二)示范指导1、根据导程L调整机床各手柄位置或搭挂轮。
2、校小滑板与主轴回转中心线保持平行。
3、分头示范:(1)粗车用小拖板刻度值控制轴向移动一个螺距。
(2)精车用百分表控制轴向移动一个螺距。
4、示范多线螺纹的车削顺序。
(三)巡回指导1、着重检查,指导学生刃磨螺纹刀的两侧刃后角是否正确。
《车工工艺技能训练》实施性教学大纲一、编写依据根据年月由中国劳动社会保障出版社出版发行的《车工工艺技能训练》并结合我校专业课教学计划进行编写。
二、教学任务和要求本课程的任务是使学生掌握中级车工应具备的专业理论知识和操作技能。
教学目标:学生学完本课程后应达到如下要求:1、了解常用车床的结构及其作用,并掌握共使其使用和维护方法。
2、熟悉安全生产和文明生产的要求。
3、合理地选用常用刀具,并掌握刀磨步骤。
4、掌握车工常用量具的使用和保养方法。
5、掌握车削加工中的计算方法。
6、保证加工零件的精度要求。
7、熟悉常夹具的安装方法。
8、较合理地选用切削用量。
9、熟悉一般零件的车削工艺过程。
10、会查阅有关的技术手册。
三、教学要求与内容第一单元车削的基本知识教学要求:1、了解车床主要组成部分的名称、作用及传动关系。
2、熟悉车床的基本操作。
3、认识掌握车刀的几何要素的名称,主要作用及刀磨方法。
4、掌握切削用量的基本概念。
5、熟悉车床润滑、维护保养知识。
6、熟悉车削安全、文明知识。
教学内容:课题一安全文明生产课题二车床简介课题三车床的润滑和维护保养课题四车刀简介课题五切削液重点和难点:重点是车刀角度和切削用量,难点是确定车刀角度的三个辅助平面和刃倾角。
第二单元车外圆柱面教学要求:1、掌握车削轴类工件及用车刀的几何角度和刃磨方法。
2、掌握轴类工件的安装和车削方法。
4、了解简单轴类工件的车削工艺分析。
教学内容:课题一车外圆、液面和阶台课题二车槽和切断课题三简单轴类零件的车削工艺分析及综合训练。
重点和难点:重点是车轴类零件用车刀几何参数的正确选择以及游标卡尺和千分尺的读数方法。
难点是选择轴类工件的装夹方法。
第三单元车内圆柱面教学要求:1、掌握孔加工刀具的几何形状、选用及刃磨办法。
2、掌握钻孔及车削方法。
3、掌握正确安装套类工件的方法。
教学内容:课题一钻孔和扩孔课题二车孔课题三铰孔课题四车内槽和端面槽课题五保证套类零件技术要求的方法课题六套类零件的测量课题七套类件车削工艺分析及综合训练重点和难点:重点是车孔的方法及保证套类工件形位精度的方法。
车多线螺纹任务8 车多线螺纹多线螺纹是螺纹的一种特殊情况,它能够实现旋转一击移动多个螺距的功能,这种传动运用是比较广泛的。
本项目主要介绍多线螺纹的概念、特点、分线、加工方法及加工时的技巧与注意事项。
学习目标1.了解多线螺纹的概念与标注。
2.掌握多线螺纹的分线方法。
3.学会车多线螺纹。
相关理论一、多线螺纹的概念、参数与代号1.多线螺纹的概念沿一条螺旋线所形成的螺纹称为单线螺纹;沿两条或两条以上螺旋线且螺旋线在轴向等距颁分布所形成的螺纹称为单线螺纹。
多线螺纹旋转一击能移动单线螺纹的几倍螺距,所以多线螺纹常用于快速移动机构中。
判定螺纹的线数可根据螺纹尾部螺旋槽为数目或从端面上看螺纹的线数,如图8-14所示。
图 8-14 单线和多线螺纹2.多线螺纹的导程(L)多线螺纹的导程是指在同一条螺旋线上相邻两牙在中径线上的对应两点间的轴向距离。
多线螺纹的导程与螺距的关系是:L=nP式中样 n——螺旋线的线数;P——螺纹的螺距。
图8-15 百分表分线图 8-16 百分表量块分线(3)利用百分表和量块分线在对螺距精度要求较高的螺纹分线时,可采用百分表和量块控制小滑板的移动距离,如图8-16所示。
在车削过程中应经常找正百分表的零位。
(4)利用开合螺母结合移动小滑板分线车削大导程的多线螺纹时,在车好一条螺旋线后,打开开合螺母,摇动床鞍手柄,使床鞍移动一个或几个丝杠螺距,然后合上开合螺母,再移动小滑板,使车刀得到一个所需要的移动螺距。
2.圆周分线法(1)利用三爪自定心卡盘、四爪单动卡盘分线当工件采用两顶尖装夹,并用卡盘的卡爪代替拨盘时,可利用卡爪对二、三、四线的多线螺纹进行分线。
车好一条螺旋槽后,只需松开卡盘,把工件连同鸡心夹头转过一个角度,由卡盘上的另一只卡爪拨动,再用顶尖支撑好后就可车削另一条螺旋槽,这种分线方法比较简单,但精度较差。
(2)利用交换齿轮分线当车床主轴上交换齿轮齿数是螺纹线数整数倍进,就可利用交换齿轮进行分线,如图8-17所示。
浅论华中数控车多线螺纹编程刘志勇(湖南有色金属职业技术学院,湖南 株洲412006)摘 要:螺纹是机械的连接者,是机械设备必不可少的,螺纹加工有多种方式,对于大批量的标准螺纹,常采 用冷镦,搓丝等快速生产,对于尺寸较大,数量不多,尺寸精度较高的螺纹,常采用数控车加工,华中数控车性能优越,螺纹加工有3种指令,分别是G32,G82,G76,其中G32是单步螺纹,编程不方便,用的较多的是G82和G76。
本文主要研究G82和G76在单线螺纹,多线螺纹的编程。
关键词:螺纹;华中数控车;G82;G76.在机械加工中,螺纹是在一根圆柱形的轴上,沿着 螺旋线所形成的具有规定牙型的连续凸起,用刀具在 圆柱或圆锥表面上切成的,工件转一转,刀具沿着工件 轴向移动一定的距离,刀具在工件上切出的痕迹就是 螺纹。
在外圆表面形成的螺纹称外螺纹。
在内孔表面 形成的螺纹称内螺纹。
螺纹的基础是圆轴表面的螺旋 线。
通常若螺纹的断面为三角形,则叫三角螺纹;断面 为梯形叫做梯形螺纹;断面为锯齿形叫做锯齿形螺纹; 断面为方形叫做方牙螺纹;断面为圆弧形叫做圆弧形 螺纹等。
按螺纹的螺旋线不同,又可以分为单线螺纹,多线 纹,由一条螺旋线形成的螺纹叫单线(单头)螺纹, 由两条或两条以上的轴向等距分布的螺旋线所形成的 螺纹叫多线(多头)螺纹。
多线螺纹的各螺旋线沿轴 向等距分布,解决等距分布的问题叫分头(分线),等 距误差的大小小响螺纹的啮合精度及使用寿命。
多线 螺纹每旋转一周时,能移动几倍的螺距,它多用于快速 机构中。
在数控车床上加工多线螺纹是常用的加工 方法。
螺纹的表示方法,以公称直径M20,螺距为2为 例,单线螺纹表示方法为“M20 $ 2%双线螺纹“M20 $ 4 双线”,三线螺纹“M20 $ 6三线%其中M20是公称直 径,2是螺距,4和6是导程。
螺纹的大径和小小计算方法,外螺纹的大径用公称直径—螺距$ 0. 1,小径用公称直径—1. 0825 $螺距,如公称直径为20.螺距为2的螺纹,大径取20 — 2$ 0. 1 = 19.8,小小取 20 — 1. 0825 $ 2 = 17. 835。
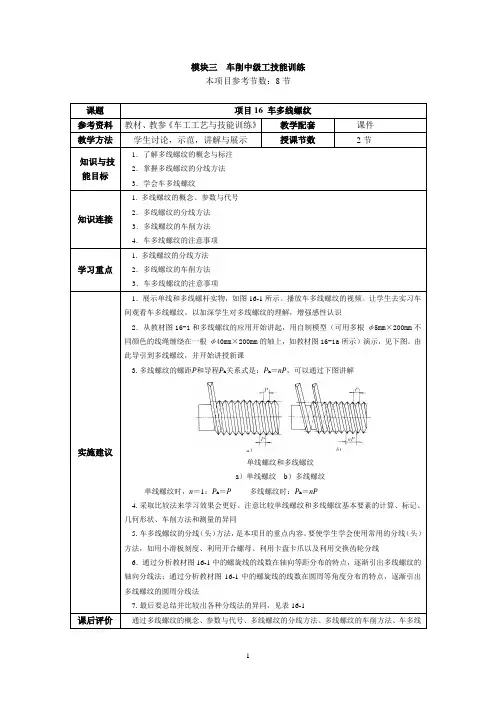
模块三车削中级工技能训练本项目参考节数:8节课题项目16 车多线螺纹参考资料教材、教参《车工工艺与技能训练》教学配套课件教学方法学生讨论,示范,讲解与展示授课节数2节知识与技能目标1.了解多线螺纹的概念与标注2.掌握多线螺纹的分线方法3.学会车多线螺纹知识连接1. 多线螺纹的概念、参数与代号2.多线螺纹的分线方法3.多线螺纹的车削方法4.车多线螺纹的注意事项学习重点1. 多线螺纹的分线方法2.多线螺纹的车削方法3.车多线螺纹的注意事项实施建议1.展示单线和多线螺杆实物,如图16-1所示。
播放车多线螺纹的视频。
让学生去实习车间观看车多线螺纹。
以加深学生对多线螺纹的理解,增强感性认识2.从教材图16-1和多线螺纹的应用开始讲起,用自制模型(可用多根φ5mm×200mm不同颜色的线绳缠绕在一根φ40mm×200mm的轴上,如教材图16-1a所示)演示,见下图。
由此导引到多线螺纹,并开始讲授新课3.多线螺纹的螺距P和导程P h关系式是:P h=nP,可以通过下图讲解单线螺纹和多线螺纹a)单线螺纹b)多线螺纹单线螺纹时,n=1:P h=P 多线螺纹时:P h=nP4.采取比较法来学习效果会更好。
注意比较单线螺纹和多线螺纹基本要素的计算、标记、几何形状、车削方法和测量的异同5.车多线螺纹的分线(头)方法,是本项目的重点内容。
要使学生学会使用常用的分线(头)方法,如用小滑板刻度、利用开合螺母、利用卡盘卡爪以及利用交换齿轮分线6.通过分析教材图16-1中的螺旋线的线数在轴向等距分布的特点,逐渐引出多线螺纹的轴向分线法;通过分析教材图16-1中的螺旋线的线数在圆周等角度分布的特点,逐渐引出多线螺纹的圆周分线法7.最后要总结并比较出各种分线法的异同,见表16-1课后评价通过多线螺纹的概念、参数与代号、多线螺纹的分线方法、多线螺纹的车削方法、车多线【组织教学】检查学生出勤,作好学生考勤记录。
强调课堂纪律,活跃课堂气氛。
螺纹的规定画法一、教材内容分析螺纹紧固件是一种标淮件,在各种机器中有着非常广泛的应用,起着传递运动、连接紧固等作用。
和典型零件一样,是一台完整机器中不可缺少的组成部分。
这些标准件大部分均已标准化,所以对这些已标准化的零件和要素,只需用一些规定画法与简化画法及有关规定格式的标记与代号,来说明它们的整体结构和尺寸。
这一内容既是零件图的补充,同时又是装配图的一个组成部分。
所以,这一内容也是第二教学阶段的中心内容之一。
二、教学目标1.知识目标:掌握内外螺纹的规定画法,熟练读懂螺纹的零件图。
为螺纹连接的画法及读懂螺纹连接装配图打下基础。
2.能力发展目标:通过录像、参观,培养学生兴趣,让学生积累感性认识,为今后到实习车间实习打下基础。
3.思想目标:培养学生认真严谨的学习作风,提高学用结合的技能,增强学生成为技术能手的信心。
三、教学重点、难点1.重点:内、外螺纹的规定画法;2.难点:保证内外螺纹规定画法中线型的标准性。
四、教学设计思路本节课通过观看录像(有条件的上课前可以带学生到实习车间参观),以增强学生对螺纹形成过程的感性认识,从加工方法来记忆内外螺纹的规定画法,并为学生今后的实习打下基础。
另一方面,通过手触摸法,形成口诀,让学生更深刻地记忆,这对今后装配图的绘图和看图都有一定意义。
五、教学过程㈠.复习(2′)出示螺纹示教模型。
老师:上节课我们已经认识了螺纹,确定螺纹结构形状有哪几个要素呢?(提问)师生一起回答:五要素:牙型、直径、线数、螺距(或导程)、旋向。
老师:那么,对于结构复杂的螺纹,哪位同学能准确地把它真实表达出来呢?(绘图高手?)因为螺纹紧固件是一种标准件,各结构要素已经标准化,所以只要按照《国家机械制图标准》的规定画出,并按照规定格式标注,就能清晰地表达出来了。
(引入)本节课我们来学习螺纹的规定画法。
㈡.新课内容:(35′)(板书)螺纹的规定画法1.外螺纹的规定画法(板书)播放录像,让学生仔细观察外螺纹的形成过程。
实训课题七车螺纹一、教学基本要求(1)熟悉螺纹的种类及主要参数。
(2)掌握螺纹车刀主要角度的作用及对加工的影响(3)能对螺纹车刀进行正确的刃磨合装夹。
(4)初步掌握螺纹车削方法及测量方法二、讲解与示范1、螺纹的分类螺纹根据用途的不同,有很多种,目前主要分成两大类:一种为标准螺纹,另一种为特殊螺纹和非标准螺纹。
标准螺纹有较高的通用性和互换性,应用较广泛。
而特殊和非标准螺纹主要应用在一些特殊机构里。
2、螺纹的断面形状(牙型)螺纹的种类很多,其断面形状略有不同。
三角螺纹和管螺纹的断面基本相同,都是三角形,方牙螺纹断面形状为方形。
梯形螺纹和蜗杆断面形状呈等腰梯形。
3、螺纹的作用(1)联接螺纹若两个零件若需联接,可装上几只螺丝或在两个零件上分别做出内、外螺纹。
如车床的卡盘用螺纹,来实现与主轴的连接。
(2)传递作用如车床上的大拖板依靠丝杆带动开合螺母,实现传递作用。
(3)紧固作用例如:车刀依靠刀架上的螺丝压紧,实现固紧作用。
(4)测量作用如外径千分尺利用螺纹的螺距原理,实现测量作用。
4、螺纹的基本参数1)螺纹各部分名称及尺寸计算普通螺纹的基本牙型为三角形,螺纹配合由一个外螺纹和一个内螺纹组合而成。
要使两个螺纹能相配且合格,必须具备以下的技术参数:(1)大径:与外螺纹牙顶或内螺纹牙底相重合的假想圆柱的直径。
内螺纹大径用D表示,外螺纹大径用d表示。
螺纹外径的基本尺寸称为螺纹的公称直径。
(2)中径:其母线通过牙型上沟槽的凸起宽度相等处的假想圆柱的直径。
内螺纹中径用D2表示。
外螺纹中径用d2表示。
(3)小径:与外螺纹牙底或内螺纹牙顶相重合的假想圆柱的直径。
内螺纹小径用D1表示,外螺纹小径用d1表示。
(4)螺距P:相邻牙在平行于螺纹轴线方向对应两点的距离。
(5)牙型角:在螺纹轴向剖面上,相邻两牙侧面的夹角。
牙侧与螺纹轴线的垂线间的夹角为牙型半角。
普通公制螺纹的牙型号为60°,牙型是原始等边三角形的两条边。
英制螺纹的牙形角是55°,原始三角形是等腰三角形。
课题车削外螺纹【教学目标】1.知识目标了解外螺纹相关参数及螺纹计算掌握外螺纹刀的结构、刃磨及安装掌握外螺纹的加工2.技能目标掌握外螺纹刀的刃磨及安装掌握外螺纹的加工3.发展目标学习外螺纹的车削,为后续单件及组合件的加工打基础。
【教学重点】外螺纹的加工【教学难点】外螺纹刀的刃磨及安装【教学设想】螺纹加工是车削工艺中重要项目之一。
它包括内、外螺纹的加工,在此只介绍外螺纹的加工,对于内螺纹将作链接知识介绍。
整个项目的教学设计围绕“理论知识讲授→观看教学录相→车间操作演示→实践练习→发现问题→分析问题→解决提高”的主线展开,通过教师讲授、演示,学生讨论、练习,借助于视频、动画等多媒体手段,全方位调动学生学习的主动性、积极性,引导学生层层深入,激发其好奇心及求知欲,主动地去探究问题。
课时安排:【教学准备】图纸、螺纹刀、60º角度样板、车床、工件【教学过程】(展示螺纹图片,介绍螺纹的参数)1.螺纹参数:(可由学生自学后,老师整理讲授)1)牙型:平面图形的形状,螺纹分三角螺纹、梯形螺纹、矩形螺纹、锯齿形螺纹等,三角螺纹主要用来联接,后几种螺纹主要作用是传动。
本次课主要介绍三角螺纹的加工。
2)直径:螺纹有三个直径,分别为大径、小径、中径。
上图中M22×1.5—6g中的22代表所需加工螺纹的大径。
3)线数(n)螺旋线的数目。
螺纹可分为单线螺纹和多线螺纹,为了制造方便,螺纹的线数一般不超过4。
4)螺距(p)和导程(s)S=np(如图所示)5)旋向螺纹分左旋螺纹和右旋螺纹,在机械制造中,一般采用右旋螺纹,有特别要求时,才使用左旋螺纹。
2.螺纹刀(分发、展示三角螺纹刀,介绍其结构):(如图所示)三角形普通螺纹有前刀面、主后刀面、副后刀面,有主切削刃,副切削刃,刀尖,刀尖角应等于60°。
3.外螺纹的加工方法外螺纹常用的加工方法有开合螺母法及倒顺车法。
(在实训车间,由教师演示、讲解,学生观察)1.刃磨螺纹车刀螺纹车刀的刃磨分粗磨和精磨两步完成:1)粗磨在氧化铝粗粒度砂轮上刃磨刃磨主后刀面刃磨副后刀面刃磨前刀面磨刀尖圆弧2)精磨在氧化铝细粒度砂轮上精磨。