耐热铸钢的常用牌号
- 格式:doc
- 大小:20.50 KB
- 文档页数:1
耐高温球墨铸铁型号耐高温球墨铸铁是一种高强度、耐腐蚀、可锻性良好的材料,由于其优良的耐高温性能,逐渐被广泛应用于热电站、化工设备、冶金设备、船舶、汽车工业等领域。
为了方便生产、使用、管理,目前市面上出现了多种不同型号的耐高温球墨铸铁,下面将重点介绍几种较为常见的型号。
1、GXL25GXL25是一种低磷微合金耐高温球墨铸铁,适用于近红外线炉、电磁感应炉和其他高温、高压下的工作环境。
该型号的材料在高温下表现优异,能快速适应温度变化,同时具有很好的耐酸碱、耐腐蚀和抗蚀性能。
GXL25在高温下具有较高的屈服强度、抗拉强度和断裂韧性,因此常被用于制造汽车、冶金设备、热电站等高温工况下的机械零件或构件。
2、GXL35GXL35也是一种低磷微合金耐高温球墨铸铁,与GXL25相比,它在高温环境下性能更加出色。
该型号的球墨铸铁能承受高达850℃的高温环境,具有良好的抗热性和抗氧化性。
除此之外,它还具有优秀的耐磨性和耐腐蚀性,适用于热电站、船舶、化工设备等高温、高压、大负荷的场合。
3、GXL45GXL45是一种高磷微合金耐高温球墨铸铁,特点是具有较高的强度和硬度,同时优秀的热膨胀性能,不易发生拉伸应力腐蚀裂纹。
该型号的材料也因此适用于制造高温下的机械零件、气门座圈、柴油机活塞、汽缸盖等。
除了以上列举的几种型号,还有GXL55、GXL65等不同型号的耐高温球墨铸铁,每种型号的特点和应用领域不尽相同,根据需要选择合适的型号可以更好地发挥其性能,实现高效的生产和应用。
综上所述,耐高温球墨铸铁的应用范围不断扩大,不同型号的材料也越来越丰富。
根据使用环境和要求合理选择耐高温球墨铸铁型号,可以提高加工效率,延长使用寿命,降低成本,同时也能更好地保障机械设备的稳定运行。
耐热钢板牌号摘要:一、耐热钢板牌号的概述二、耐热钢板牌号的分类1.按化学成分分类2.按制造工艺分类三、耐热钢板牌号的选用1.考虑使用环境2.考虑机械性能3.考虑成本和效益四、耐热钢板牌号的国内外发展状况五、耐热钢板牌号的展望正文:耐热钢板牌号是指用于制造各种耐热结构件的钢材的型号和规格。
耐热钢板牌号的选择对设备的正常运行和使用寿命至关重要。
本文将对耐热钢板牌号进行详细介绍,包括其分类、选用以及国内外发展状况等。
首先,耐热钢板牌号可以按照化学成分和制造工艺进行分类。
按化学成分分类,耐热钢板牌号主要有以下几种:1.铬钼耐热钢:如1Cr13、2Cr13 等,具有良好的抗氧化性和耐热性。
2.铬镍耐热钢:如3Cr13Ni7Si2、1Cr18Ni9Ti 等,具有较高的耐热性和耐腐蚀性。
3.镍基耐热钢:如Inconel 600、Inconel 690 等,具有极高的耐热性和耐腐蚀性。
按制造工艺分类,耐热钢板牌号主要有以下几种:1.热轧耐热钢板:通过热轧工艺制造,具有良好的延展性和可塑性。
2.冷轧耐热钢板:通过冷轧工艺制造,具有较高的精度和光洁度。
3.热处理耐热钢板:通过热处理工艺制造,具有较高的强度和硬度。
在选用耐热钢板牌号时,需要考虑以下几点:1.使用环境:根据设备所承受的热负荷和使用温度,选择合适的耐热钢板牌号。
2.机械性能:根据设备的结构和性能要求,选择合适的强度、硬度和塑性等机械性能的耐热钢板牌号。
3.成本和效益:在满足使用环境和机械性能要求的前提下,综合考虑耐热钢板牌号的价格和效益。
耐热钢板牌号在国内外的发展状况良好。
随着工业技术的进步,对耐热钢板牌号的需求不断增加,推动了耐热钢板牌号的研究和开发。
目前,国内外已经形成了较为完善的耐热钢板牌号体系,可以满足不同行业和领域的需求。
总之,耐热钢板牌号的选择需要综合考虑使用环境、机械性能和成本效益等因素。
铸钢牌号对照(一)普通铸钢棒牌号对照中国美国德国日本法国英国GB AISI、ASTM DIN JIS NF BSZG1Cr13CA-15(ACI)G-X8Cr14(1.4008)X15Cr13(1.4024)SUS1Z12C13M410C21ZG2Cr3CA-40(ACI)G-X20Cr14(1.4027)SUS2Z20C13M420C24 ZGCr28G-X70Cr29(1.4085)ZG00Cr18Ni10CF-3(ACI)G-X2CrNi189(1.4306)SUS19Z2CN18.10M304C12 ZG0Cr18Ni9CF-8(ACI)G-X6CrNi189(1.1308)SUS13Z6CN18.10M304C15 ZG1Cr18Ni9CF-20(ACI)G-X10CrNi188(1.4312)SUS12Z10CN18.9M302C25 ZG0Cr18Ni9Ti CF-8C(ACI)G-X7CrNiNb189(1.4552)SUS21Z6CNNb18.10MZG0Cr18Ni12Mo2Ti G-X10CrNiMoNb1810(1.4580)G-X5CrNiMoNb1810(1.4581)USU22Z6CNDNb18.12MZG1Cr18Ni12Mo2Ti CB7-Cu(ACI)G-X10CrNiMoNb1810(1.4580)ZG0Cr17Ni4CU4Nb SUS24ZG2Cr13Ni G-X2Cr14(1.4027)SUS2Z20C13M420C29铸钢牌号对照(二)耐热铸钢棒牌号对照不锈耐热钢牌号对照(一)耐热钢棒牌号对照中国美国德国日本法国英国国际GB1221-92AISI、ASTMDIN17440DIN17224JISNF A35-572/584NF A35-576~582BS970BS1449ISO683/13ISO683/165CrmN9Ni4N SUH35349S528(注①) 2Cr21Ni2N2Cr23Ni13309,S30900SUH309Z15CN24.13309S242Cr25Ni20310,S31000CrNi2520SUH31012CN25.20310S241Cr16Ni35330SUH330Z12NCS35.160Cr15Ni25Ti2MoA1VB660,K66286SUH660Z6NCTDV25.15B0Cr18Ni9304,S30400X5Cr189SUS304N6CN18.09304S15110Cr23Ni13309S,S30908SUS309S0Cr25Ni20310S,S31008SUS310S0Cr17Ni12Mo2316,S31600X5CrNiMo1810SUS316Z6CND17.12316S1620,20a4Cr14Ni4W2Mo2 3Cr18Mn12Si2N 2Cr20Mn9Ni2Si2NOCr19Ni13Mo3317,S31700SUS317317S16251Cr18Ni9Ti X10CrNiTi1890Cr18Ni10Ti321,X10CrNiTi189SUS321Z6CNT18.10321S12,15S3*******S200Cr18Ni11Nb 347,S34700X10CrNiNb189SUS347Z6CNNb18.10347S17160Cr18Ni13Si4XM15,S38100SUSXM15J11Cr20Ni14Si21Cr25Ni20Si22Cr25N446,S44600SUH4460Cr13A1405,S40500X7CrA113SUS405Z6CA13405S172 00Cr12SUS410L1Cr17430,S43000X8CT17SUS430Z8C17430S158 1Cr5Mo5024CrSi2Z45CS94CrSi2Mo Z40CSD108Cr20Si2Ni443S65SUH4280CN20.024(注①) 1Cr11MoV1Cr12Mo2Cr12MoVNbN SUH600Z20CDNbV111Cr2WMoV2Cr12NiMoWV616SUH6161Cr13410X10Cr13SUS410Z12C13410S213 1Cr13Mo SUS410J12Cr13420,S42000X20Cr13SUS420J1Z20C13420S374 1Cr17Ni2431,S43100X22CrNi17SUS431Z15CN16-02431S2991Cr11NiW2MoV0Cr17Ni4Cu4Nb630,S17400SUS630Z6CNU17.042(注②) 0CR17NI7A1631,S17700X7CrNiA1177SUS631N8CNA17.72(注②)注①为ISO683/15中的牌号注②为ISO683/16中的牌号不锈耐热钢牌号对照(二)不锈钢棒牌号对照中国美国德国日本法国英国国际GB1220-92AISI、ASTM DIN17440DIN17224JISNF A35-572NF A35-576~582NFA35-584BS970BS1449ISO683/13ISO683/161Cr17MN6Ni5N201,S2010SUS201A-2 1Cr18Mn8Ni5N202,S20200SUS202284S16A-3 1Cr18Mn10Ni5Mo3N1Cr17Ni7301,S30100SUS301Z12CN17.07301S2114 1Cr18Ni9302,S30200X12CrNi188SUS302Z10CN18.09302S2512 Y1Cr18Ni9303,S30300X12CrNiS188SUS303Z10CNF18.09303S2117 Y1Cr18Ni9Se303Se,S30323SUS303Se303S4117 0Cr18Ni9304,S30400X5CrNi189SUS304Z6CN18.09304S1511 00Cr19Ni10304L,S30403X2CrNi189SUS304L Z2CN18.09304S1210 0Cr19Ni9N SUS304N1304N,S304510Cr19Ni10NbN XM21,S30452SUS304N200Cr18Ni10N X2CrNiN1810SUS304LN Z2CN18.10N1Cr18Ni12305,A30500X5CrNi1911SUS305Z8CN18.12305S1913 0Cr23Ni13309S,S30908SUS309S0Cr25Ni20310S,S31008SUS310S0Cr17Ni12Mo2316,S31600X5CrNiMo1810SUS316Z6CND17.12316S1620,20a 1Cr18Ni12Mo2X10CrNiMoTi1810Z8CNDT17.12320S170Cr18Ni12Mo2Ti X10CrNiMoTi1810Z6CNDT17.12320S1700Cr17Ni14Mo2316L,S31603X2CrNiMo1810SUS316L Z2CND17.12316S1219,19a 0Cr17Ni12Mo2N316N,S31651SUS316N00Cr17Ni13Mo2N X2CrNiMoN1812SUS316LN Z2CND17.12N0Cr18Ni12Mo2Cu2SUS316J100Cr18Ni14Mo2Cu2SUS316JIL0Cr19Ni13Mo3317,S31700SUS317317S1625 00Cr19Ni13Mo3317L,S31703X2CrNiMo1816SUS317L Z2CND19.15317S1224 1Cr18Ni12Mo3Ti0Cr18Ni12Mo3Ti0Cr18Ni16Mo5SUS317J11Cr18Ni9Ti X10CrNiTi1890Cr18Ni10Ti321,S32100X10CrNiTi189SUS321Z6CNT18.10321S12,321S2015 0Cr18Ni11Nb347,S34700X10CrNiNb189SUS347Z6CNNb18.10347S1716 0Cr18Ni9Cu3XM7SUSXM7Z6CNU18.10D32①0Cr18Ni13Si4XM15,S38100SUSXM15JI0Cr26Ni5Mo2SUS329JI1Cr18Ni11Si4A1Ti00Cr18Ni5Mo3Si20Cr13A1405,S40500X7CrA113SUS405Z6CA13405S172 00Cr12SUS410L1Cr17430,S43000X8Cr17SUS430Z8C17430S158 Y1Cr17430F,S43020X12CrMoS17SUS430F Z10CF178a 1Cr17Mo434,S43400X6CrMo17SUS434Z8CD17.01434S199c 00Cr30Mo2SUS44JI00Cr27Mo XM27,S44625SUSXM27Z01CD26.11Cr12403,S40300SUS403403S171Cr13410,S41000X10Cr13SUS410Z12C13410S213 0Cr13410S X7Cr13SUS410S Z6C13403S171 Y1Cr131Cr13Mo SUS410JI2Cr13420,S42000X20Cr13SUS420JI Z20C13420S374 3Cr13420,S45SUS420J25 Y3Cr13420F,S42020US42F Z30CF133Cr13Mo4Cr13X4DCr13US420J2Z40C135 1Cr17Ni2431,S43100X22CrNi17SUS431Z15CN16-02431S299 7Cr17440A,A44002US440A8Cr17440B,S44003USU440B9Cr18440C X105CrMo17SUS440C Z100CD1711Cr17440C,S44004SUS440C Z100CD17A-1b Y11Cr17440F,S44020SUS440F9Cr18Mo440C,S44004SUS440C A-1b 9Cr18MoV440B X90CrMoV18SUS440B Z6CNND17.120Cr17Ni4Cu4Nb630,S17400SUS630Z6CNU17.041②OCr17Ni7A1631,S17700X7CrNiAl177SUS631Z8CNA17.72②OCr15Ni7Mo2A1632,S15700Z8CND15.73②①为ISO4954中的牌号②为ISO683/16中的牌号碳素结构钢牌号对照(一)中国美国德国日本法国英国国际GB700ASTM DIN17100JIS NF BS4360ISO630/1052A35-501Q195St33(St33-1)G3113-87SAPH32A33Fe310-0 St33(St33-2)G3113-87SAPH32A33Fe310-0Q215A283GRB(RSt34-1)G3112-87SPHT2A34-2 A113GRBA283GRB(USt34-1)G3101-87SS34A342-1 AA306GR50A283GRB(RSt34-2)G3112-87SPHT2A34-2 A113GRBA283GRB(USt3-2)G3101-87SS34A34-2Q235A283GRCA306GR55RSt37-2(RSt37-2)G3113-87SAPH38E24-2(A37-2)Fe360BA284GRBUSt37-2(USt37-2)G3113-87SAPH38E24-1(A37-1)Fe360BA283GRCA306GR55St37-3(St37-3)G3113-87SAPH38E24-3(A37-3)Fe360D A284GRBUSt37-2(USt37-2)G3113-87SAPH38E24-2(A37-2)Fe360CQ255A36GRBA131GBRA573GRBSt44-2(RSt42-2)G3106-88SM41BE26-2(A42-2)GR40CGR43CFe430BA36GRDA131GRDA283GRD(USt42-2)G3101-87SS41E26-1(A42-1)GR40AGR43AFe430CA36GRB A131GBR A573GRBSt44-3(St42-3)G3106-88SM41BE26-3(A42-3)GR40CGR43CFe430DA36GDA131GRD A283GRD (USt42-2)G3106-88SM41AE26-3(A42-3)GR40AGR43AFe430AQ275A573GR70St50-2(St50-1)G3106-88SM50AA50-2GR50A1052Fe490 A573GR70St50-2(St50-2)G3106-88SM50AA50-2GR50A1052Fe490碳素结构钢牌号对照(二)中国美国德国日本法国英国国际GB699AISI DIN JIS NF A35-501BS4360ISO630/1052 08F USt14SPH110F USt13SPH215F SPH3081008S9CK 140A04 050A04101010C10CK10S10CC10XC10040A10045A10060A10151015C15CK15S15CS15CKC15XC15040A15050A15060A15201020C22CK22S20CS20CC20XC18040A20050A20060A20251025C25S25C C25060A25C25CK25XC25070M26C25E4C25M2301030C30CK30S30CC30XC32060A30(C30)(C30E4)(C30M2)351035C35CK35S35CC35XC35060A35C35C35E4C35M2401040C40CK40S40CC42XC42060A40(C40)(C40E4)(C40M2)451045C45CK45S45CC45XC45060A42060A47C45C45E4C45M25010491050C50CK50S50CC50XC48060A52(C50)(C50E4)(C50M2)551055C55CK55S55CC55XC55060A57070M35C55C55E4C55M2601060C60CK60S58CC60XC60060A62C60C60E4C60M26510641065C67CK67C65XC65060A677010691070C70CK70C70XC70060A72070A727510741075C75CK75XC75060A78070A78。
耐热铸铁牌号及化学成分关注我们请点后面铸造工业网 3天前进铸造行业群,加微信132****1807耐热铸铁件化学成分(见表2.1-11、表2.1-12)1.GB/T9437-2009,《耐热铸铁件》代替GB/T9437一1988。
适用于砂型铸造或导热性与砂型相仿的铸型中浇注而成的且工作在1100℃以下的耐热铸铁件。
2.铸件的几何形状与尺寸应符合图样的要求。
其尺寸公差和加工余量应符合GB/t6414的规定,其重量偏差应符合GB/T11351的规定。
3.铸件表面粗糙度应符合GB/T6060.1的规定,由供需双方商定标准等级。
4.铸件应清理干净,修整多余部分,去除浇冒口残余、芯骨、枯砂及内腔残余物等。
铸件允许的浇冒口残余、披缝、飞刺殊余、内腔清洁度等,应符合需方图样、技术要求或供需双方订货协定。
5.铸件上允许的缺陷,其形态、数量、尺寸与位里、可否修补及修补方法等由供需双方商定。
耐热铸铁室温力学性能、高温短时力学性能及应用(摘自GB/t9437-2009)HTRCr使用条件:在空气炉气中,耐热温度到550℃。
具有高的抗氧化性和体积稳定性应用举例:适用于急冷急热的,薄壁,细长件。
用于炉条、高炉支梁式水箱、金属型、玻璃模等HTRCr2使用条件:在空气炉气中,耐热温度到550℃。
具有高的抗氧化性和体积稳定性应用举例:适用于急冷急热的,薄壁,细长件。
用于煤气炉内灰盆、矿山烧结车挡板等HTRCr16使用条件:在空气炉气中耐热温度到900℃。
具有高的室温及高温强度,高的抗氧化性,但常温脆性较大,耐硝酸的腐蚀。
应用举例:可在室温及高温下作抗磨件使用。
用于退火罐、煤粉烧嘴、炉栅、水泥焙烧炉零件、化工机械等零件。
HTRSi5使用条件:在空气炉气中,耐热温度到700℃。
耐热性较好,承受机械和热冲击能力较差。
应用举例:用于炉条、煤粉烧嘴、锅炉用梳形定位析、换热器针状管、二硫化碳反应瓶等。
QTRSi4使用条件:在空气炉气中耐热温度到650℃。
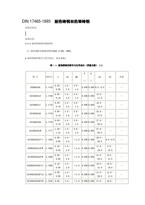
耐热铸钢和热强铸钢标准对照表:
标准内容:
5.3.3 耐热铸钢和热强铸钢*
(1)德国DIN标准耐热铸钢[DIN 17465—1993]
a.耐热铸钢的钢号与化学成分,见表5-64。
表5-64 耐热铸钢的钢号与化学成分(质量分数)(%)
b.耐热铸钢的室温力学性能,见表5-56。
表5-56 耐热铸钢的室温力学性能
c.耐热铸钢的高温力学性能,见表5-66。
表5-66 耐热铸钢的高温力学性能
(2)德国DIN标准铁素体热强铸钢[DIN 17245—1987]
a.铁素体热强铸钢的钢号与化学成分,见表5-67。
表5-67 铁素体热强铸钢的钢号与化学成分(质量分数)(%)
b.铁素体热强铸钢的力学性能,见表5-68。
表5-68 铁素体热强铸钢的力学性能。
耐热铸铁件的牌号和化学成分耐热铸铁件(摘自GB9437-88)耐热铸铁件1 适用范围本标准适用于工作在1100℃以下的耐热铸铁件。
本标准适用于砂型铸造或导热性与砂型相仿的铸型中浇成的耐热铸铁件。
2 引用标准GB 5612 铸铁牌号表示方法GB 6414 铸件尺寸公差GB 6010.1表面粗糙度比较样块铸造表面GB 9441 球墨铸铁金相检验GB 7216 灰铸铁金相GB 222 钢的化学分析用试样采取法及化学成分允许偏差GB223.1~223.12钢铁及合金化学分析方法GB 223.26~223.28钢铁及合金化学分析方法GB 9439 灰铸铁件GB 977 灰铸铁机械性能试验方法GB228 金属拉力试验法GB 231 金属布氏硬度试验法3 牌号耐热铸铁牌号符合GB 5612的规定,分为10种牌号,见表1。
4 技术要求4.1 耐热铸铁的化学成分应符合表1的规定。
4.2 铸件的几何形状与尺寸应符合图样的要求。
其尺寸公差应符合GB 6414的规定,其重量偏差和加工余量应符合有关标准的规定。
表1 耐热铸铁的化学成分4.3 铸件表面粗糙度应符合GB 6061.1的规定,由供需双方商定标准等级。
4.4 铸件应清除浇冒口与泥芯,清除粘砂、结疤、飞边、夹砂等。
4.5 铸件上允许的缺陷,其形态、数量、尺寸与位置、可否修补等及修补方法等由供需双方按铸件的要求商定。
4.6 铸铁的室温机械性能应符合表2的规定,短时高温抗拉性能列于附录A 中。
4.7 硅系、铝硅系耐热球墨铸铁件一般应进行消除内应力的热处理,其它牌号如需方有要求时,消除内应力的热处理按订货条件进行。
4.8 耐热铸铁的金相组织,根据耐热铸铁的牌号参照GB 9441、GB 7216的规定,由供需双方商定具体要求。
对于硅系耐热铸铁,其基体组织应以铁素体为主。
4.9 在使用温度下,铸件的平均氧化增重速度不大于0.5g/m2·h,生长率不大于0.2%。
表2 耐热铸铁的室温机械性能注:允许用热处理方法达到上述性能。
耐热钢板牌号耐热钢板是一种具有良好耐高温性能的钢铁材料,广泛应用于电力、石油、化工、核能等高温环境下的设备制造。
根据不同的化学成分和性能特点,耐热钢板可分为多种牌号。
以下将介绍几种常见的耐热钢板牌号及其性能特点,并举例说明其在实际应用中的优势。
1.常见耐热钢板的牌号及性能特点(1)奥氏体不锈钢:如304、316等牌号,具有优良的耐腐蚀和耐高温性能,可在600℃以下的高温环境下长期使用。
(2)马氏体不锈钢:如4Cr13、1Cr17等牌号,具有较高的耐磨性和耐高温性能,可在高温环境下保持良好的力学性能。
(3)铁素体不锈钢:如409、430等牌号,具有良好的耐热性和耐腐蚀性,适用于500℃以下的高温环境。
2.耐热钢板的应用领域耐热钢板可根据不同牌号的性能特点,应用于以下领域:(1)电力行业:锅炉、汽轮机、发电机等高温部件的制造。
(2)石油化工行业:高温反应釜、管道、阀门等设备的制造。
(3)核能行业:核反应堆、蒸汽发生器等高温、高辐射环境的设备制造。
3.如何选择合适的耐热钢板牌号在选择耐热钢板牌号时,需考虑以下几个方面:(1)工作温度:根据设备工作温度选择相应耐热性能的钢板。
(2)耐腐蚀性:根据工作环境选择具有相应耐腐蚀性的钢板。
(3)力学性能:考虑钢板在高温下的强度、硬度等力学性能。
(4)经济性:在满足性能要求的基础上,选择性价比高的钢板。
4.我国耐热钢板产业的发展现状与展望近年来,我国耐热钢板产业呈现出良好的发展态势。
在技术创新、产品研发方面取得了一系列成果,部分钢板性能已达到国际先进水平。
然而,与发达国家相比,我国在耐热钢板的生产工艺、产品质量和应用领域仍有较大差距。
未来,我国耐热钢板产业将继续加大研发投入,提高产品性能和质量,拓宽应用领域,以满足国家高温、耐腐蚀等领域的发展需求。
总之,耐热钢板作为一种关键的高温应用材料,在我国的产业发展前景广阔。
耐热铸铁件的牌号和化学成分耐热铸铁件 (摘自GB9437-88)耐热铸铁件1 适用范围本标准适用于工作在1100℃以下的耐热铸铁件。
本标准适用于砂型铸造或导热性与砂型相仿的铸型中浇成的耐热铸铁件。
2 引用标准GB 5612 铸铁牌号表示方法GB 6414 铸件尺寸公差GB 6010.1表面粗糙度比较样块铸造表面GB 9441 球墨铸铁金相检验GB 7216 灰铸铁金相GB 222 钢的化学分析用试样采取法及化学成分允许偏差GB223.1~223.12钢铁及合金化学分析方法GB 223.26~223.28钢铁及合金化学分析方法GB 9439 灰铸铁件GB 977 灰铸铁机械性能试验方法GB228 金属拉力试验法GB 231 金属布氏硬度试验法3 牌号耐热铸铁牌号符合GB 5612的规定,分为10种牌号,见表1。
4 技术要求4.1 耐热铸铁的化学成分应符合表1的规定。
4.2 铸件的几何形状与尺寸应符合图样的要求。
其尺寸公差应符合GB 6414的规定,其重量偏差和加工余量应符合有关标准的规定。
4.4 铸件应清除浇冒口与泥芯,清除粘砂、结疤、飞边、夹砂等。
4.5 铸件上允许的缺陷,其形态、数量、尺寸与位置、可否修补等及修补方法等由供需双方按铸件的要求商定。
4.6 铸铁的室温机械性能应符合表2的规定,短时高温抗拉性能列于附录A 中。
4.7 硅系、铝硅系耐热球墨铸铁件一般应进行消除内应力的热处理,其它牌号如需方有要求时,消除内应力的热处理按订货条件进行。
4.8 耐热铸铁的金相组织,根据耐热铸铁的牌号参照GB 9441、GB 7216的规定,由供需双方商定具体要求。
对于硅系耐热铸铁,其基体组织应以铁素体为主。
4.9 在使用温度下,铸件的平均氧化增重速度不大于0.5g/m2·h,生长率不大于0.2%。
5 试验方法5.1 化学分析取样方法按GB 222的规定进行。
化学仲裁分析方法只能按GB 223.1~223.12、GB 223.26~223.28的规定进行。
铸钢材料牌号及应用范围铸钢材料是一种常用的金属材料,广泛应用于工业领域中的各种铸造工艺中。
不同的牌号的铸钢材料具有不同的化学成分和力学性能,因此适用范围也有所差异。
下面将介绍几种常见的铸钢材料牌号及其应用范围。
1. HT250HT250是一种常见的灰铸铁材料,其主要由铁(Fe)和碳(C)组成。
具有低成本、良好的铸造性能和韧性,并且有较高的耐磨性。
常用于制造机床床身、发动机缸体等要求强度、耐磨性和抗压性能较高的零件。
2. HT350HT350是一种中碳多元合金铸钢材料,其主要成分为碳(C)、硅(Si)、锰(Mn)和铬(Cr)。
具有较高的强度、硬度和韧性,同时具备一定的耐磨性。
常用于制造起重机构、压力容器、钢球磨机的球磨体等工程机械和矿山机械的重要零部件。
3. ZG35CrMoZG35CrMo是一种低合金高强度铸钢材料,其主要成分为碳(C)、铬(Cr)、钼(Mo)和锰(Mn)。
具有较高的抗拉强度、屈服强度和冲击韧性,适用于高负荷、高冲击负载的工作环境。
常用于制造铁路车轮、机床滑枕等要求耐磨、耐冲击的零部件。
4. 45#45#是一种碳素结构钢,主要成分为碳(C)、硅(Si)、锰(Mn)和磷(P)。
具有良好的热处理性能、可焊性和耐磨性。
常用于制造汽车、机械设备的传动零件,如齿轮、轴承和螺杆等。
5. 40CrNiMo40CrNiMo是一种合金结构钢,主要成分为碳(C)、硅(Si)、锰(Mn)、铬(Cr)和镍(Ni)。
具有较高的强度、硬度和抗疲劳性能,适用于制造高负荷、高强度、高精度的机械零件,如汽车发动机曲轴、滚动轴承等。
以上只是常见的几种铸钢材料牌号及其应用范围的简单介绍,实际应用中还有很多其他种类的铸钢材料。
在选择材料时,需要根据具体的使用环境、工作负载和性能要求综合考虑。
通过合理选择适合的铸钢材料,可以保证工件的使用寿命和性能要求。
耐热钢牌号
耐热钢牌号中文翻译:
1、09CrCuSb:0.09%硫化铬锰硫
2、10CrCuSb:0.10%硫化铬锰硫
3、10CrMoAl:10%铬钼铝
4、12CrMoV:12%铬钼磷
5、12CrMoWV:12%铬钼钨磷
6、15Cr1Mo1V:15%铬一钼一磷
7、15Cr2Mo1V:15%铬二钼一磷
8、18Cr2Mo1W1V:18%铬二钼一钨一磷
9、20Cr2Mo1VNb:20%铬二钼一磷铌
10、20Cr3Mo1VNb:20%铬三钼一磷铌
11、25Cr:25%铬
12、25Cr2Mo1V:25%铬二钼一磷
13、30Cr1Mo1V:30%铬一钼一磷
14、30Cr2Mo1V:30%铬二钼一磷
15、35Cr1Mo1V:35%铬一钼一磷
16、40Cr1MoV:40%铬一钼磷
17、45Cr1MoV:45%铬一钼磷
18、50Cr1MoV:50%铬一钼磷
耐热钢是采用高温条件成型的钢类材料,因其具备了良好的抗热强度、抗腐蚀性及耐磨性而被广泛应用于热力机械、风能、冶金及建筑行业等。
按照美标和中
国国家标准,耐热钢产品型号分为一般耐热钢及高温耐热钢。
一般热钢常用型号有09CrCuSb、10CrCuSb、10CrMoAl等,高温耐热钢型号有12CrmoV、12CrmoWV、15Cr1Mo1v、15Cr2Mo1v、18Cr2Mo1W1v、20Cr2Mo1vNb、20Cr3Mo1vNb、25Cr、
25Cr2mo1v、30Cr1Mo1v、30Cr2Mo1v、35Cr1mo1v、40Cr1MoV、45Cr1moV和50Cr1MoV等,这些型号代表的是耐热钢的焊接性能和高温流动强度。
常用铸钢牌号铸钢是由铸钢原料加热软化,然后铸造成形,冷却后经过热处理而得到的一种金属材料。
由于铸钢可以在非常低的温度下进行加工,并且具有良好的力学性能和可靠性,因此被广泛应用于各种工业和民用领域,如机械、电子、汽车、航空、船舶等。
铸钢牌号是用来标识铸钢材料的名称,是铸钢材料的一种最简单的表示方式。
现在国内常用的铸钢牌号分为国家标准牌号和企业自定义牌号。
常用的国家标准牌号主要有:Q345、20、35、45、16Mn、27SiMn、40Cr、27MnCr、20CrMnTi、15CrMo、20CrMnMo、35CrMo、42CrMo、45Cr、50CrVA、20Mn2等。
Q345钢是一种低合金钢,由碳、硅、磷、硫和微量元素钼、硼、铬组成。
具有良好的强度和延性,弹性模量大,焊接性能优良,常用于制造结构件、构件制造,是一种廉价的构件材料。
20钢是一种高碳钢,可以获得高强度与硬度的件。
它的含碳量高,强度和硬度也高,但延性较低,热处理性能好,常用于船舶制造、管道建造以及制造化工设备的各种零部件。
35钢是一种中碳钢,常用于制造具有良好机械性能的件,具有高强度和良好的硬度,但延性较低,耐蚀性较差。
45钢是一种低碳钢,常用于制造机械结构件,具有良好的机械性能和可焊性,且耐腐蚀性能好,使用寿命长。
16Mn钢是一种低合金钢,由碳、硅、磷、硫等组成,具有良好的抗冲击性,耐磨性,可用于制造机械零部件、汽车零部件和管道零部件。
27SiMn钢是一种热变形钢,具有优良的耐磨性,常用于制造汽车零部件、摩托车零部件和挖掘机零部件。
40Cr钢是一种中碳素钢,是一种极具综合性能的钢材,具有良好的韧性,耐磨性,延性及强度,常用于制造机械零部件、汽车零部件和块料零部件。
27MnCr钢是一种高碳钢,是一种优质的耐磨材料,具有良好的抗冲击性,耐磨性,耐热性和耐腐蚀性,常用于制造矿井机械、重型车辆和工业用具。
20CrMnTi钢是一种中高碳钢,具有良好的机械性能,可以用于制造机械零部件、建筑螺栓和机械螺母等零部件。
耐热铸钢的常用牌号
供铸造用的高合金耐热钢牌号。
在化学成分相同的情况下,铸态比轧态具有较高的热强性。
铸造工艺简单,成本较低,且解决了高合金钢难以变形加工的问题,所以铸造材在耐热钢领域中占有较大的比重。
20世纪80~90年代,由于石油化工、冶金机械、建材工业的迅猛发展推动了中国耐热铸钢的发展,最有代表性的是大型合成氨转化炉管及乙烯裂解炉管采用了大量的高合金奥氏体耐热钢,采用离心铸管及普通铸造技术制成。
大型冶金厂连续加热炉和热处理炉中的炉底辊和辐射管亦采用了大量的高合金耐热铸钢。
中国典型牌号有
5Cr28Ni48W5(HV.NA22-H)、4Cr25Ni35Mo、4Cr25Ni20、
4Cr25Nil3(HH)、4Cr22Ni10和3Cr24Ni7SiNRE。
在建材、机械工业窑炉及热处理炉中使用的耐热钢还有3Cr24Ni7SiN(RE)、
2Cr20Mn9Ni2Si2N、3Crl8Mn12Si2N等节镍耐热铸钢。
上述材料使用温度较高达1000~1200℃,个别为1250℃,有的还承受较高的应力,并且多在渗碳气氛、燃气条件下工作,石油化工方面要求材料使用寿命达6~10年。
要求材料在使用温度下有较高的持久强度,良好的抗渗碳性、抗氧化性及长时间使用后的组织稳定性。
所以在铬镍含量较高的基础上还加入了钨、钼、铌、钴等强化元素以满足使用要求。