兔舍建设标准与图纸
- 格式:doc
- 大小:377.00 KB
- 文档页数:7
兔舍建设标准及图纸On May 16, 2022, I was in my prime and had a good time.兔舍建设标准及图纸为提高养兔标准化规模生产水平,以“资源节约、质量安全、环境友好”为基本目标,按照相对统一,同时兼顾条件差别,特制定兔舍建设标准如下:一、选址要求首先必须满足在城市建设、工业建设及其他建设的规划区外的大前提下,按照肉兔养殖的相关技术要求进行兔舍建设的选址,选址应满足以下的条件:一地势、地形:兔场应选在地势高、有适当坡度、背风向阳、地下水位低、排水良好的地方,场址的地下水位应在2 米以上,为便于排水,兔场地面要平坦或稍有坡度以1%-3%为宜;地形要开阔、整齐、紧凑,不宜过于狭长或边角过多,利于建筑物布局和建立防护设施;可利用天然地形、地物如林带、山岭、河川等作为天然屏障和场界;二地质、土壤:应避开断层、滑坡、塌陷和地下泥沼地段;要求土质透气透水性强、吸湿性和导热性小、质地均匀、抗压性强,以砂壤土类最为理想;三气候、环境:所在地应有较详细的气象资料;环境应安静,具备绿化、美化条件;无噪声干扰或干扰少,无污染;四水源、水质:要求水源充足,水质良好,符合饮用水标准;水源以自来水、泉水、井水比较理想,其次是流动江水,禁用死塘水和被工业及生活污水污染的江、河、湖水;五交通:兔场场址应选择在环境安静、交通方便的地方,距离村镇不少于 500 米,离交通干线300 米,距一般道路 100 米以上,便于草料、物资、粪肥及销售车辆的进出;六电源:不仅要保证满足最大电力需要量,还要求常年正常供电,接用方便、经济;最好是有双路供电条件或自备发电机;七卫生防疫的要求:应建在居民区500 米之外,处于居民区的下风向方,地势低于居民区,并且远离居民点的排污口,尤其是远离学校、医院、部队、化工厂、屠宰场、制革厂、造纸厂、牲口市场等1000米以上,并处于它们的平行风向或上风向方;兔场内兽医室、病畜隔离室、贮粪池、尸体坑等应位于兔舍的下坡下风向方,以避免场内疾病传播;二、建设原则一“人兔分离、独立建圈、沼气配套”的原则;兔舍建设必须将人的住房与兔舍分开,以免人畜共患病的发生,同时,配套进行沼气池建设,使养殖产生的粪污能及时得到处理,确保环境卫生;二“整体打造、综合示范、适度集中、严格防疫”原则;在建设中着力发展适度规模养殖户或联户建设养殖小区,并严格按照防疫要求进行修建;三“因地制宜、科学规划、合理布局”的原则;建设前由专业技术人员进行规划,并在专业技术人员指导下开展兔舍的建设工作;四“农户自愿、量力而行”的原则;圈舍规模由农户根据自身条件经济条件、身体条件以及自身养殖基础进行选择,特别是修建兔舍投资大,不能因为发展项目使农户承担过重的经济压力;三、兔舍建筑布局兔场布局应从人和兔的保健角度出发,按其功能和特点不同,可分为生产区、生产辅助区和管理区等;一生产区:生产区包括种兔舍、繁殖舍、育成舍、育肥舍或幼兔舍等,是兔场的核心部分,其排列方向应面对该地区的长年风向,与生活区并列排列并处偏下风位置,而优良种兔舍即核心群应置于环境最佳的位置,育肥舍和幼兔舍应靠近兔场一侧的出口处,以便于出售;生产区入口处以及各兔舍的门口处,应有相应的消毒设施,如车辆消毒池、脚踏消毒池、喷雾消毒室、紫外灯消毒室等;生产区的运料路线与运粪路线不能交叉;二生产辅助区:生产辅助区主要包括饲料加工车间、饲料库原料库和成品库、维修车间、尸体处理处、粪场、变电室、兽医诊断室、病兔隔离室、供水设施等,应单独成区,与生产区隔开,但为了缩短管线和道路长度,应与生产区保持较短的距离;由于饲料加工有粉尘污染,兽医诊断室、病兔隔离室经常接触病原体,因此,辅助区必须设在生产区、管理区和生活区的下风,以保证整个兔场的安全;三管理区:管理区是办公和接待来往人员的地方,其位置应尽可能靠近大门口,减少对生产区的直接干扰;四、兔舍建设标准一兔舍的走向以座北朝南为宜,具体朝向以利通风又能避暑为主;二兔舍长度、高度和跨度:兔舍长度根据地势确定,双坡单列式兔舍屋顶高米,屋檐高米,兔舍两面屋檐滴水之边墙内宽米;兔舍内可安置四列兔笼,两列为一组,组与组之间为舍内走廊宽米,一组中的两列兔笼背靠背排列在兔舍中间,两列兔笼之间为清粪沟,粪沟宽米,靠近南北墙各一条工作走道,走道宽1米;兔舍栋与栋之间距离为8米-10米;三墙体的处理:内外墙用水泥砂浆抹平,墙高3米,墙离地米下沿设窗户,窗户规格为米×米,可做成玻璃推拉窗,冬季可封死;墙体上设屋架;前墙设米高,米宽的门,冬季设保温门;四兔舍地面的处理:兔舍地面高出舍外地平面20-30 厘米,用水泥沙浆抹平,排粪沟左浅右深,沿蓄粪池方向成1%的坡度,兔尿随排粪沟排到舍外的积粪池或沼气池中;五屋顶的处理:1、兔舍屋顶采用人字形钢架结构作为屋梁;2、兔舍屋顶铺盖蓝色夹心彩钢,泡沫厚度为3CM以上;一是有利炎热夏季防暑防温;二是有利于冬季保暖;六门、窗的处理:兔舍门的大小以方便饲料车和清粪车的进出为宜,一般门高为米,宽为米;兔舍窗户的采光面积为地面面积的15 %,阳光的入射角度不低于25-30 度,窗户高为米,宽为米;七兔笼的设计:根据家兔的生物学特性,兔笼应耐啃咬、耐腐蚀;结构合理,易清扫、易消毒、易维修、易更换,大小适中,可保持卫生;管理方便,劳动效率高;选材经济,质轻而坚固耐用;1、兔笼由笼体及附属设备组成;笼体由笼门、笼壁、笼底板和承粪板组成;1笼门应安装于笼前,要求启闭方便,能防兽害、防啃咬;可用竹片、打眼铁皮、镀锌冷拔钢丝等制成;一般以右侧安转轴,向右侧开门为宜;为提高工效,草架、食槽、饮水器等均可挂在笼门上,以增加笼内实用面积,减少开门次数;2笼壁一般用水泥板或砖、石等砌成,也可用竹片或金属网钉成,要求笼壁保持平滑,坚固防啃,以免损伤兔体和钩脱兔毛;如用砖砌或水泥预制件,需预留承粪板和笼底板的搁肩厘米;如用竹木栅条或金属网条,则以条宽厘米,间距厘米为宜;3承粪板承粪板的功能是承接家兔排出的粪尿,以防污染下面的家兔及笼具;通常承粪板选用石棉瓦、油毡纸、水泥板、玻璃钢、石板等材料制作,要求表面平滑,耐腐蚀,质量轻;安装承粪板应呈前高后低式倾斜,并且后边要超出下面兔笼8-15 厘米,以便粪便顺利流出而不污染下面的笼具;4笼底网一般用镀锌冷拔钢丝制成,要求平而不滑,坚而不硬,易清理,耐腐蚀,能够及时排除粪便,宜设计成活动式,以利清洗、消毒或维修;网孔要求断乳后的幼兔笼厘米,成兔厘米;2、笼层高度:一般2-3 层的多层兔笼,上下笼体完全重叠,层间设承粪板;最底层兔笼的离地高度应在25 厘米以上,以利通风、防潮,使底层兔亦有较好的生活环境;八排水沟及污水沟处理;肉兔舍左右屋檐滴水处建排水沟,最浅沟深20㎝,沟宽30㎝,坡度%,用水泥沙浆抹面;肉兔舍左右墙角建排污沟,最浅沟深15㎝,沟宽50㎝,坡度1%,用水泥砂浆抹面,构面用水泥板盖沟;九肉兔舍附属设施——硬件标准A、配置兽医室和饲料房;B、配套建立蓄粪池,沼气池等附属设施,并做好沼气和沼液的综合利用;C、配置照明灯、电风扇、自动饮水装置等设施;D、肉兔舍门口,亦按规定设有消毒踏池,旁边备有更换鞋;E、选择合理的兔粪堆放点;F、保温设施、农膜、彩条布齐备;G、水井的位置应选在肉兔舍的上方,或地势较高处,用水泥铺好,并挖好周围的排水沟用水泥沙浆抹面,使井水不易受到污染;四、兔舍建设示意图:。
肉兔舍建设方案
1、存栏基础母兔63只,公兔7只;
2、兔舍为砖木结构,单列式,建筑高度为4.2米,建筑面积100平方米;
3、舍内地面可用水泥砂浆、石板等,需保持地面平整;
4、舍内安装风扇、排风机等降温和通风设备,并配置照明;
5、内外墙用水泥砂浆抹平,并对内墙1.2米以上和外墙喷白色涂料;
6、需兔笼192个,每个兔笼均采用水泥板制作,水泥板厚度为3--5厘米;
7、兔笼前面使用金属笼门,后面用镀锌网作背网;笼底板采用楠竹制作,舍内安装自动饮水器;
8、紧邻兔舍应配套蓄水池、沼气池,容量分别为2m3和15m3;
9、兔舍与居民住地间距至少5米;
10、门为简易木门,宽为1.4米,高为2.1米,窗宽为1.5米,高度为1.5米。
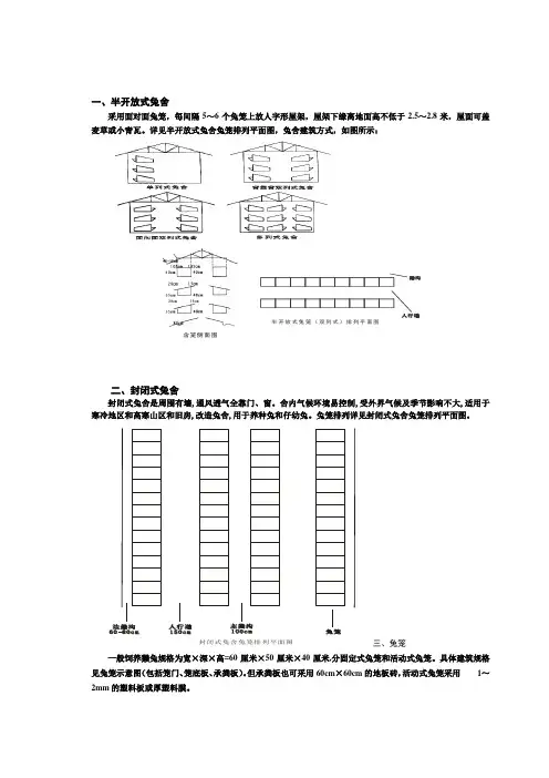
一、半开放式兔舍
采用面对面兔笼,每间隔5~6个兔笼上放人字形屋架,屋架下缘离地面高不低于2.5~2.8米,屋面可盖麦草或小青瓦。
详见半开放式兔舍兔笼排列平面图,兔舍建筑方式,如图所示:
半开放式兔笼(双列式)排列平面图
舍笼侧面图
二、封闭式兔舍
封闭式兔舍是周围有墙,通风透气全靠门、窗。
舍内气候环境易控制,受外界气候及季节影响不大,适用于寒冷地区和高寒山区和旧房,改造兔舍,用于养种兔和仔幼兔。
兔笼排列详见封闭式兔舍兔笼排列平面图。
封闭式兔舍兔笼排列平面图三、兔笼
一般饲养獭兔规格为宽×深×高=60厘米×50厘米×40厘米,分固定式兔笼和活动式兔笼。
具体建筑规格见兔笼示意图(包括笼门、笼底板、承粪板)。
但承粪板也可采用60cm×60cm的地板砖,活动式兔笼采用1~2mm的塑料板或厚塑料膜。
401325
1
兔笼背面图 2332030
兔笼侧面图 34m
1单列三层活动式兔笼舍(半开放式兔舍)
兔笼预制件构筑隔墙示意图
笼底板
四、设备
(一)产仔箱用1厘米厚木板做成长×宽×高=40厘米×30厘米×14厘米。
产仔箱
(二)保温柜用三层板做成,长1354个万向轮,便于移动。
(三)饮水器养殖场或养户均常用乳头式饮水器。
兔用饮水器
(四)食槽是盛精饲料的容器,要求采食方便,不易被踩翻和摔破,洗刷方便,无毒无害。
食槽一般采用铝铁皮制做成半月马蹄型,安置在笼门上时半月后部伸出笼门外2~3厘米,便于添加精饲料。
食槽
笼门。
兔子养殖场建筑布局笼舍建筑环境参数兔舍适宜的温度为5-30℃,最适温度15-25℃,相对湿度60%-65%,采光系数1:10,气流速度0.20-0.25米/秒。
兔舍建筑要求獭兔良种扩繁场和规模化商品场应设生产区、生活区、办公区、兽医隔离区。
养殖獭兔专业户将兔舍与住宅之间留有一定距离。
兔舍排列方向(朝向)为南北朝向,舍间距离房舍为3-4米,每幢舍前设消毒池,舍内的人行道1.2-1.5米和粪沟0.6米。
场址应具行以下几个方面的条件:1、地形地势:地势稍高、平坦、排水良好、背风向阳,夏季避免太阳直接照射,冬季避免寒风直吹,做到冬暖夏凉,兔舍朝向为坐北朝南。
2、地理位置:兔舍应建在交通方便、电力充足、水源良好、远离交通主干线、远离居住闹市区,尽量避免噪声干扰和环境污染的地方。
笼舍建筑及设备采用面对面兔笼,每间隔5-6个兔笼上放入字形屋架,屋架下缘离地面高不低于2.5-2.8米,屋面可盖麦草或小青瓦。
详见半开放式兔舍兔笼排列平面图,兔舍建筑方式,如图所示:1、兔舍外观效果图(双列式)兔舍外观2、兔笼双列式排列平面图兔笼双列式排列平面图3、兔笼构件的规格尺寸如下图示(单位:厘米)①承粪板,板厚2.2厘米。
承粪板②中、下层笼侧板,板厚2.4厘米。
中、下层笼侧板③上层笼侧板,板厚2.4厘米。
上层笼侧板④中、下层笼后档板,板厚2.2厘米。
中、下层笼后档板⑤上层笼后档板,板厚2.2厘米。
上层笼后档板⑥上层笼顶板,板厚2.2厘米。
上层笼顶板⑦兔笼侧板基部,板厚7厘米。
兔笼侧板基部⑧兔笼底侧板基部,板厚7厘米。
兔笼底侧板基部。
养兔的舍室设计技术养兔子是一项越来越受欢迎的爱好和养殖业务。
无论是作为宠物还是商业养殖,兔子都需要一个舒适、安全的舍室来生活。
本文将介绍一些养兔舍室设计的技术,以帮助兔友们提供一个理想的养殖环境。
一、舍室的位置选择1. 养兔舍室应选择离人类居住区较远的地方,以避免兔子受到噪音和污染的干扰。
2. 舍室应选择阳光充足、通风良好的地方,确保适宜的温度和湿度。
二、舍室的结构设计1. 所选建筑应有足够的面积容纳兔子,并确保兔子有足够的活动空间。
2. 舍室的高度应根据兔子的种类而定,大型兔子需要更高的天花板以适应它们的身高。
3. 舍室内应设置兔子的窝棚、饮水器、饲料器等器具,并合理规划,方便清洁和维护。
三、舍室的保温措施1. 养兔舍室在寒冷季节需要增加保温措施,如在墙壁和地板上加设保暖材料。
2. 在冬季,可以提供兔子温暖的床铺,如稻草或木屑,保持兔子的体温。
四、舍室的通风系统1. 舍室应设置良好的通风装置,确保新鲜空气的流通,避免湿气和异味滞留。
2. 避免在通风口附近设置兔子的窝棚,以免受到直接的气流和寒冷空气的影响。
五、舍室的光照设计1. 兔子需要一定的光照来维持身体健康,因此舍室应有足够的自然光照或人工照明设备。
2. 兔子对强烈的阳光敏感,舍室内应设置遮光设备,以防止兔子受到紫外线的伤害。
六、舍室的卫生管理1. 定期清洁和消毒舍室,确保兔子的健康环境。
2. 舍室内的废弃物和粪便应及时清除,避免异味滋生和感染疾病。
七、舍室的安全措施1. 舍室应采取措施防止兔子逃脱,如设置坚固的栏杆和门。
2. 防止兔子受到其他动物的袭击,如使用铁丝网或其他防护设备。
3. 舍室内的器具和设备应安全可靠,避免兔子受到意外伤害。
养兔的舍室设计技术是兔子养殖中重要的一环。
只有提供一个舒适、安全、干净的生活环境,兔子才能健康生长。
通过合理规划舍室结构、光照、通风、卫生和安全等方面,可以提供最佳的养殖条件,为兔子的生活质量和养殖效益提供保障。
实验一现代化兔舍设计与建造一、实验目的1、了解兔舍建造与兔笼设计的一般要求。
2、比较理论值与实习测量值的差距,并找出其合理性。
3、提出合理的改革方案。
二、内容和方法(一)现代兔舍兔笼设计理论值1、兔舍(1)大小兔舍长度可根据场地条件、家兔饲养量以及通风换气、清粪机能力确定,一般控制在50m以内。
兔舍跨度一般以兔笼排列多少而进行设计。
舍内兔笼排列方式为单列,跨度为3m左右;双列兔笼,舍内跨度一般为4-8m;3列兔笼,舍内跨度一般为8~12m。
(建子龙《兔舍设计建造中几项关键技术参数研究及某新建兔舍使用效果分析》)兔舍坐北朝南,东西走向,宽3.5米,长50米,前墙高2.8米,后墙高2.2米。
前墙窗户距地面50厘米,规格为3米×1.5米,;后墙同样留有窗户,规格为1米×1.2米。
兔舍面积应根据家兔存栏数确定,最大宽度不应超过5米。
大型兔场一般以存入100-150只种兔笼位的面积最为合适。
(褚方钢《建好兔舍好养兔》)(2)建筑材料兔舍屋顶可模仿普通民房,也可用其他材料,关键是能防晒,有保暖性,墙体用砖砌成。
地面及出粪道用砖砌好后,水泥抹面。
(褚方钢《建好兔舍好养兔》)兔舍四周墙可用砖、石砌成,舍顶可用石板或三合土坯做成,上顶用草苫、草泥,上面用石灰抹平。
门可以用工厂下角料花铁叶代替,食槽直径在10-12厘米,可用圆竹筒一劈两半做成。
舍底可用竹片或刨光的木条(宽3-5厘米,长60厘米)钉成或编成,上面最好涂上一层油漆。
(张凤辉《介绍二种兔舍》)(3)布局兔场整体布局应依据兔子健康卫生和节省人工为基本原则。
最基本的应该是兔场的净道和脏道区分开。
人、饲料车等通道不能与运输粪便和死亡兔子的道路共用,场区脏水和雨水分开,减少排污量,污水流向脏道端集中处理排放;整个场区不应该容易积水;最好兔舍排成一排,一旦超过两排将产生严重的、无法规避的污浊空气、脏净道等交叉污染问题,这对于兔子真菌皮肤病等疾病防控带来严重风险。
兔舍建设规划布局1.规划的基本原则建筑紧凑,同时考虑将来技术提高和改造的能性。
2.兔场的分区兔场建筑设施必须明确分为生产区、管理区、隔离区三个,各区之间界限明显,联系方便。
管理区占全场的上风和地势较高的地段,依次为生产区,隔离区建在下风和地势较低处。
生产区包括各种类型的兔舍和有关生产辅助设施;管理区包括工作人员的生活设施、办公设施及生产辅助设施(饲料间、车库和防疫消毒设施等);隔离区包括兽医室、病死兔处理间和粪尿处理设施。
各个功能区之间的间距大于50m,并用防疫隔离带或墙隔开。
3.道路设置种兔场与外界需有专用道路连通,场内主干道5.5m~6.0m,支干道2m~3m。
场内道路分净道和污道,净道不能与污道通用或交叉,隔离区必须有单独的道路。
道路应坚实,排水良好。
四、兔舍建筑1.兔舍建筑要求(1)根据条件做到因地制宜,就地取材,经济耐久,科学实用。
(2)兔舍结构设计上要符合肉兔的生活习性、有利于兔群的生长发育和兔肉品质的提高,有利于积肥,有利于防止疾病的传播,便于管理和清洁消毒。
(3)选择材料时,要坚固耐用,防止肉兔啃咬破坏,建筑上应有防止肉兔打洞逃跑的措施。
(4)由于肉兔怕热、怕湿、怕脏、怕兽害,因此,兔舍建筑应有防雨、防潮、防风、防寒、防暑和防兽害(狗、猫、鼠等)的设计。
要求兔舍内干燥,空气流通,光线充足,冬季易于保温,夏季通风良好。
实践证明,肉兔的生长发育与兔舍内的环境条件紧密相关,不同的舍内环境条件对肉兔有不同的影响。
因此,建兔舍时,要注意舍内小气候的调节,力争为肉兔创造适宜的环境条件,有利于肉兔的健康。
①温度:温度过高或过低都使肉兔的生产力下降,甚至影响到肉兔的健康和生命。
一般成年兔的适宜温度为15~25℃(最适宜温度14~16℃),产房的最适宜温度为15~18℃,产箱的环境温度25℃,靠近仔兔的适宜温度为30~32℃。
兔舍内温度在上述范围内有所升降比持续为好,但要避免气温急剧变化。
②湿度:相对湿度以60~65%为宜。
兔舍建设标准及图纸 Prepared on 22 November 2020兔舍建设标准及图纸为提高养兔标准化规模生产水平,以“资源节约、质量安全、环境友好”为基本目标,按照相对统一,同时兼顾条件差别,特制定兔舍建设标准如下:一、选址要求首先必须满足在城市建设、工业建设及其他建设的规划区外的大前提下,按照肉兔养殖的相关技术要求进行兔舍建设的选址,选址应满足以下的条件:(一)地势、地形:兔场应选在地势高、有适当坡度、背风向阳、地下水位低、排水良好的地方,场址的地下水位应在2 米以上,为便于排水,兔场地面要平坦或稍有坡度(以1%-3%为宜)。
地形要开阔、整齐、紧凑,不宜过于狭长或边角过多,利于建筑物布局和建立防护设施。
可利用天然地形、地物(如林带、山岭、河川等)作为天然屏障和场界。
(二)地质、土壤:应避开断层、滑坡、塌陷和地下泥沼地段。
要求土质透气透水性强、吸湿性和导热性小、质地均匀、抗压性强,以砂壤土类最为理想。
(三)气候、环境:所在地应有较详细的气象资料。
环境应安静,具备绿化、美化条件。
无噪声干扰或干扰少,无污染。
(四)水源、水质:要求水源充足,水质良好,符合饮用水标准。
水源以自来水、泉水、井水比较理想,其次是流动江水,禁用死塘水和被工业及生活污水污染的江、河、湖水。
(五)交通:兔场场址应选择在环境安静、交通方便的地方,距离村镇不少于 500 米,离交通干线300 米,距一般道路 100 米以上,便于草料、物资、粪肥及销售车辆的进出。
(六)电源:不仅要保证满足最大电力需要量,还要求常年正常供电,接用方便、经济。
最好是有双路供电条件或自备发电机。
(七)卫生防疫的要求:应建在居民区500 米之外,处于居民区的下风向方,地势低于居民区,并且远离居民点的排污口,尤其是远离学校、医院、部队、化工厂、屠宰场、制革厂、造纸厂、牲口市场等1000米以上,并处于它们的平行风向或上风向方。
兔场内兽医室、病畜隔离室、贮粪池、尸体坑等应位于兔舍的下坡下风向方,以避免场内疾病传播。
兔场规划图种兔场建设标准1、范围本标准规定了种兔场的建设规模、场址选择与建场条件、规划与布局、工艺与设备、兔舍建筑、卫生防疫和环境保护等。
本标准适用于种兔场新建、改建和扩建工程项目。
2、规范性引用文件下列文件中的条款通过本标准的引用而成为本标准的条款。
凡是注日期的引用文件,其随后所有修改单(不包括勘误的内容)或修订版均不适用于本标准,然而,鼓励根据本标准达成协议的各方研究是否可使用这些文件的最新版本。
凡是不注日期的引用文件,其最新版本适用于本标准。
GB 14554 恶臭污染物排放标准GB 15618 土壤环境质量标准GBJ 39 村镇建筑设计防火规范GB 5749 生活饮用水卫生标准GB 7959 粪便无害化卫生标准GB 8978污水综合排放标准3、定义本标准采用以下定义。
3.1、种兔的配套现货养兔生产中,许多采用品种(系)育种、系间杂交的方法来制种。
生产中将各世代、各亲本群的相互关系统称为“种兔的配套”或配套系。
3.2、祖代种兔场专门饲养祖代兔的兔场为祖代兔场。
3.3、父母代兔场专门饲养父母代兔的兔场为父母代兔场。
3.4、密闭式兔舍又称无窗兔舍,外围护结构密封,舍内环境可人为控制与调节的兔舍。
3.5、开敞式兔舍外围护结构为开敞或有窗,环境条件主要靠自然条件,可辅人工调控的兔舍为开敞式兔舍。
3.6、室外笼养兔舍在露天环境条件下放置兔笼,笼顶设盖,笼内养兔,兔笼和兔舍合二为一。
3.7、哺育舍专供饲养哺乳期仔兔的兔舍。
4、要求4.1、建设规模4.1.1、建场要求种兔场建设应根据建设地区资源、建设地区和周边地区市场需求量及社会经济发展状况,以及技术、经济和管理水平等因素综合确定。
4.1.2、建设规模要求种兔场的建设规模以年出栏兔或存栏基础母兔的数量表示,按下表1划分建设规模。
表 1 种兔场建设规模小型中型大型年出栏兔(只)≤5000 5000—20000 ≥20000年存栏基础母兔(只)≤200 200—800 ≥8004.2、选址与建场条件4.2.1、地势、地形及面积地势高燥,地下水位2m 以下;背风向阳,避开产生空气涡流的山坳和谷地;地面平坦或稍有坡度,坡度1%—3%;地形开阔、整齐和紧凑,不过于狭长和边角过多;可利用自然地形地物如林带、山岭、河川、沟河等作为场界和天然屏障。
养殖兔子兔舍怎样建
兔舍可以搭建在距离地面三十厘米高的位置,并使用带有孔隙的木板制作兔舍底板,使用水泥建造兔舍围墙,而正面则应该用铁丝制作兔舍的笼门,并在笼门上安装食槽以及饮水器,养殖过程中,要为兔子每天清理一次兔舍,保证环境的干净。
兔舍如何搭建
1、搭建方法
搭建兔舍要选择背风向阳的场地,并使用砖头将兔舍的地面抬高三十厘米,然后使用木板建造兔舍地面,用水泥制成的石板将兔舍分为若干个小隔间,并向每个隔间的正面单独安装一个铁丝,作为兔舍的门。
2、提供食物
养殖兔子的过程中,要将每只兔子单独养殖,而且笼门上应该安装食槽和饮水器。
在给兔子喂食时,可以将谷物、玉米、豆粕等谷物饲料直接倒入食槽中,兔子就会自行起来觅食。
3、定期清理
兔子是一种爱干净的动物,养殖过程中要为其每天清理一次圈舍,将兔舍中的粪便、食物残渣清理干净,减少细菌的滋生,并使用高锰酸钾溶液将食槽和饮水器消毒一次,以免影响兔子的生长。
4、疾病预防
每只兔子的活动空间有限,如果长期处于兔舍中,就会导致其免疫力下降,容易患上疾病,因此在养殖的过程中,要每天将兔子赶出兔舍,放入活动场地中,使其活动量增加,减少患病几率。
兔舍建设标准及图纸
为提高养兔标准化规模生产水平,以“资源节约、质量安全、环境友好”为基本目标,按照相对统一,同时兼顾条件差别,特制定兔舍建设标准如下:
一、选址要求
首先必须满足在城市建设、工业建设及其他建设的规划区外的大前提下,按照肉兔养殖的相关技术要求进行兔舍建设的选址,选址应满足以下的条件:
(一)地势、地形:兔场应选在地势高、有适当坡度、背风向阳、地下水位低、排水良好的地方,场址的地下水位应在2 米以上,为便于排水,兔场地面要平坦或稍有坡度(以1%-3%为宜)。
地形要开阔、整齐、紧凑,不宜过于狭长或边角过多,利于建筑物布局和建立防护设施。
可利用天然地形、地物(如林带、山岭、河川等)作为天然屏障和场界。
(二)地质、土壤:应避开断层、滑坡、塌陷和地下泥沼地段。
要求土质透气透水性强、吸湿性和导热性小、质地均匀、抗压性强,以砂壤土类最为理想。
(三)气候、环境:所在地应有较详细的气象资料。
环境应安静,具备绿化、美化条件。
无噪声干扰或干扰少,无污染。
(四)水源、水质:要求水源充足,水质良好,符合饮用水标准。
水源以自来水、泉水、井水比较理想,其次是流动江水,禁用死塘水和被工业及生活污水污染的江、河、湖水。
(五)交通:兔场场址应选择在环境安静、交通方便的地方,
距离村镇不少于500 米,离交通干线300 米,距一般道路100 米以上,便于草料、物资、粪肥及销售车辆的进出。
(六)电源:不仅要保证满足最大电力需要量,还要求常年正常供电,接用方便、经济。
最好是有双路供电条件或自备发电机。
(七)卫生防疫的要求:应建在居民区500 米之外,处于居民区的下风向方,地势低于居民区,并且远离居民点的排污口,尤其是远离学校、医院、部队、化工厂、屠宰场、制革厂、造纸厂、牲口市场等1000米以上,并处于它们的平行风向或上风向方。
兔场内兽医室、病畜隔离室、贮粪池、尸体坑等应位于兔舍的下坡下风向方,以避免场内疾病传播。
二、建设原则
(一)“人兔分离、独立建圈、沼气配套”的原则。
兔舍建设必须将人的住房与兔舍分开,以免人畜共患病的发生,同时,配套进行沼气池建设,使养殖产生的粪污能及时得到处理,确保环境卫生。
(二)“整体打造、综合示X、适度集中、严格防疫”原则。
在建设中着力发展适度规模养殖户或联户建设养殖小区,并严格按照防疫要求进行修建。
(三)“因地制宜、科学规划、合理布局”的原则。
建设前由专业技术人员进行规划,并在专业技术人员指导下开展兔舍的建设工作。
(四)“农户自愿、量力而行”的原则。
圈舍规模由农户根据自身条件(经济条件、身体条件以及自身养殖基础)进行选
择,特别是修建兔舍投资大,不能因为发展项目使农户承担过重的经济压力。
三、兔舍建筑布局
兔场布局应从人和兔的保健角度出发,按其功能和特点不同,可分为生产区、生产辅助区和管理区等。
(一)生产区:生产区包括种兔舍、繁殖舍、育成舍、育肥舍或幼兔舍等,是兔场的核心部分,其排列方向应面对该地区的长年风向,与生活区并列排列并处偏下风位置,而优良种兔舍(即核心群)应置于环境最佳的位置,育肥舍和幼兔舍应靠近兔场一侧的出口处,以便于出售。
生产区入口处以及各兔舍的门口处,应有相应的消毒设施,如车辆消毒池、脚踏消毒池、喷雾消毒室、紫外灯消毒室等。
生产区的运料路线与运粪路线不能交叉。
(二)生产辅助区:生产辅助区主要包括饲料加工车间、饲料库(原料库和成品库)、维修车间、尸体处理处、粪场、变电室、兽医诊断室、病兔隔离室、供水设施等,应单独成区,与生产区隔开,但为了缩短管线和道路长度,应与生产区保持较短的距离。
由于饲料加工有粉尘污染,兽医诊断室、病兔隔离室经常接触病原体,因此,辅助区必须设在生产区、管理区和生活区的下风,以保证整个兔场的安全。
(三)管理区:管理区是办公和接待来往人员的地方,其位置应尽可能靠近大门口,减少对生产区的直接干扰。
四、兔舍建设标准
(一)兔舍的走向以座北朝南为宜,具体朝向以利通风又能避暑为主。
(二)兔舍长度、高度和跨度:兔舍长度根据地势确定,双坡单列式兔舍屋顶高4.2米,屋檐高3.0米,兔舍两面屋檐滴水之边墙内宽7.6米。
兔舍内可安置四列兔笼,两列为一组,组与组之间为舍内走廊宽1.2米,一组中的两列兔笼背靠背排列在兔舍中间,两列兔笼之间为清粪沟,粪沟宽0.3米,靠近南北墙各一条工作走道,走道宽1米。
兔舍栋与栋之间距离为8米-10米。
(三)墙体的处理:内外墙用水泥砂浆抹平,墙高3米,墙离地1.2米(下沿)设窗户,窗户规格为1.5米×1.5米,可做成玻璃推拉窗,冬季可封死;墙体上设屋架。
前墙设2.1米高,1.4米宽的门,冬季设保温门。
(四)兔舍地面的处理:兔舍地面高出舍外地平面20-30 厘米,用水泥沙浆抹平,排粪沟左浅右深,沿蓄粪池方向成1%的坡度,兔尿随排粪沟排到舍外的积粪池或沼气池中。
(五)屋顶的处理:
1、兔舍屋顶采用人字形钢架结构作为屋梁。
2、兔舍屋顶铺盖蓝色夹心彩钢,泡沫厚度为3CM以上;一是有利炎热夏季防暑防温。
二是有利于冬季保暖。
(六)门、窗的处理:兔舍门的大小以方便饲料车和清粪车的进出为宜,一般门高为2.1米,宽为1.4米。
兔舍窗户的采光面积为地面面积的15 %,阳光的入射角度不低于25-30 度,窗户高为1.5米,宽为1.5米。
(七)兔笼的设计:根据家兔的生物学特性,兔笼应耐啃咬、耐腐蚀;结构合理,易清扫、易消毒、易维修、易更换,大小适中,可保持卫生;管理方便,劳动效率高;选材经济,质轻而坚固耐用。
1、兔笼由笼体及附属设备组成。
笼体由笼门、笼壁、笼底板和承粪板组成。
(1)笼门应安装于笼前,要求启闭方便,能防兽害、防啃咬。
可用竹片、打眼铁皮、镀锌冷拔钢丝等制成。
一般以右侧安转轴,向右侧开门为宜。
为提高工效,草架、食槽、饮水器等均可挂在笼门上,以增加笼内实用面积,减少开门次数。
(2)笼壁一般用水泥板或砖、石等砌成,也可用竹片或金属网钉成,要求笼壁保持平滑,坚固防啃,以免损伤兔体和钩脱兔毛。
如用砖砌或水泥预制件,需预留承粪板和笼底板的搁肩(1.5厘米);如用竹木栅条或金属网条,则以条宽1.5-3.0厘米,间距1.5-2.0厘米为宜。
(3)承粪板承粪板的功能是承接家兔排出的粪尿,以防污染下面的家兔及笼具。
通常承粪板选用石棉瓦、油毡纸、水泥板、玻璃钢、石板等材料制作,要求表面平滑,耐腐蚀,质量轻。
安装承粪板应呈前高后低式倾斜,并且后边要超出下面兔笼8-15 厘米,以便粪便顺利流出而不污染下面的笼具。
(4)笼底网一般用镀锌冷拔钢丝制成,要求平而不滑,坚而不硬,易清理,耐腐蚀,能够及时排除粪便,宜设计成活动式,以利清洗、消毒或维修。
网孔要求断乳后的幼兔笼1.0-1.1
厘米,成兔1.2-1.3 厘米。
2、笼层高度:一般2-3 层的多层兔笼,上下笼体完全重叠,层间设承粪板。
最底层兔笼的离地高度应在25 厘米以上,以利通风、防潮,使底层兔亦有较好的生活环境。
(八)排水沟及污水沟处理。
肉兔舍左右屋檐滴水处建排水沟,最浅沟深20㎝,沟宽30㎝,坡度0.5%,用水泥沙浆抹面;肉兔舍左右墙角建排污沟,最浅沟深15㎝,沟宽50㎝,坡度1%,用水泥砂浆抹面,构面用水泥板盖沟。
(九)肉兔舍附属设施——硬件标准
A、配置兽医室和饲料房。
B、配套建立蓄粪池,沼气池等附属设施,并做好沼气和沼
液的综合利用。
C、配置照明灯、电风扇、自动饮水装置等设施。
D、肉兔舍门口,亦按规定设有消毒踏池,旁边备有更换鞋。
E、选择合理的兔粪堆放点。
F、保温设施、农膜、彩条布齐备。
G、水井的位置应选在肉兔舍的上方,或地势较高处,用水泥铺好,并挖好周围的排水沟(用水泥沙浆抹面),使井水不易受到污染。
四、兔舍建设示意图:。