城市公共汽车客运企业安全生产标准化达标评分表(试行)
- 格式:docx
- 大小:59.48 KB
- 文档页数:26
汽车客运站安全生产标准化达标考评指标实施细则(试行)-
汽车客运站安全生产达标考评指标实施细则(试行)
“★”为一级达标企业必备条件,“★★”为二级达标企业必备条件,“★★★”为三级达标企业必备条件。
本标准共计1000分。
评为一级达标企业的考评分数不低于900分且完全满足所有达标企业必备条件,评为二级达标企业的考评分数不低于700分且完全满足二、三级达标企业必备条件,评为三级达标企业的考评分数不低于600分且完全满足三级达标企业必备条件。
二、考评方式
考评组实施考评可采取提问、交谈、查阅文件和记录、现场检查与抽查等方式。
若有必要,可以进行现场检测与测量。
抽样数量根据企业规模大小决定,最低抽样数为3个,最大抽样数为具有同类属性的样本基数开方。
三、扣分原则
1.各项扣分均以本项分值为扣分上限。
不同考评员在几个部门考评,同一考评扣分项扣分不迭加,在考评组内部沟通时,以本项考评指标分值为上限扣分。
2.法律法规要求的、国家强制性规定的,发现不符合一次扣全分。
3.标为“★★★”的项目,发现不符合,申报一、二、三级达标的企业考评不达标,对存在的问题在一个月内整改完毕并申请考评组验证合格,可视同达标。
标为“★★”的项目,发现不符合,申报一级、二级达标的企业考评不达标,对存在的问题在一个月内整改完毕并申请考评组验证合格,可视同达标;申报三级达标的企业,酌情扣分。
标为“★”的项目,发现不符合,申报一级达标的企业考评不达标,对存在的问题在一个月内整改完毕并申请考评组验证合格,可视同达标;申报二级、三级达标的企业,视情况酌情扣分。
汽车客运站安全生产达标考评指标。
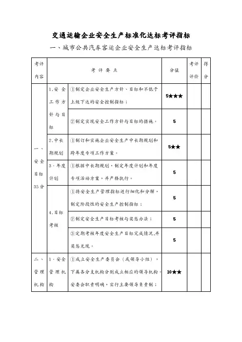
交通运输企业安全生产标准化达标考评指标一、城市公共汽车客运企业安全生产达标考评指标
考评员(签名):年月日注:1.“★”为一级必备条件;“★★”为二级必备条件;“★★★”为三级必备条件。
必备条件为考评指标中申请相应达
标级别的企业必须完全满足的指标项。
2.评为一级达标企业的考评分数不低于900分(满分1000
分,下同)且满足所有必备条件,评为二级达标企业的考
评分数不低于700分且满足二、三级必备条件,评为三级
达标企业的考评分数不低于600分且满足三级必备条件。
道路旅客运输企业安全生产标准化达标考评表
企业名称: 申报等级:
考评员(签名): 考评时间:年月日
ﻬ注:1.“★”为一级必备条件;“★★”为二级必备条件;“★★★”为三级必备条件。
必备条件为考评指标中申请相应达标级别的企业必须完全满足的指标项。
2.评为一级达标企业的考评分数不低于900分(满分1000分,下同)且满足所有必备条件,评为二级达标企业的考评分数不低于700分且满足二、三级必备条件,评为三级达标企业的考评分数不低于600分且满足三级必备条件。
3、考核要严格对照标准,该扣分的要严格扣分,并提出整改要求,以利企业及时整改,并为以后抓提升晋级时改进。
相应等级中带“★”、“★★”、“★★★”的项目未落实,应责成限期整改;限期整改不到位的属于不达标,不予发证,直至停业整顿。
未扣分的项目可视为得分。
扣分以该项总分为限,扣完为止。
对可量化的指标在抽查和项目考核中均不合格的,应严格按规定全面扣分。
4、考评表中的“查文件”为企业正式颁发的文件。
汽车客运站安全生产达标考评指标实施细则(试行)
“★”为一级达标企业必备条件,“★★”为二级达标企业必备条件,“★★★”为三级达标企业必备条件。
本标准共计1000分。
评为一级达标企业的考评分数不低于900分且完全满足所有达标企业必备条件,评为二级达标企业的考评分数不低于700分且完全满足二、三级达标企业必备条件,评为三级达标企业的考评分数不低于600分且完全满足三级达标企业必备条件。
二、考评方式
考评组实施考评可采取提问、交谈、查阅文件和记录、现场检查与抽查等方式。
若有必要,可以进行现场检测与测量。
抽样数量根据企业规模大小决定,最低抽样数为3个,最大抽样数为具有同类属性的样本基数开方。
三、扣分原则
1.各项扣分均以本项分值为扣分上限。
不同考评员在几个部门考评,同一考评扣分项扣分不迭加,在考评组内部沟通时,以本项考评指标分值为上限扣分。
2.法律法规要求的、国家强制性规定的,发现不符合一次扣全分。
3.标为“★★★”的项目,发现不符合,申报一、二、三级达标的企业考评不达标,对存在的问题在一个月内整改完毕并申请考评组验证合格,可视同达标。
标为“★★”的项目,发现不符合,申报一级、二级达标的企业考评不达标,对存在的问题在一个月内整改完毕并申请考评组验证合格,可视同达标;申报三级达标的企业,酌情扣分。
标为“★”的项目,发现不符合,申报一级达标的企业考评不达标,对存在的问题在一个月内整改完毕并申请考评组验证合格,可视同达标;申报二级、三级达标的企业,视情况酌情扣分。
汽车客运站安全生产达标考评指标。