高压设备预防性试验收费明细
- 格式:docx
- 大小:10.00 KB
- 文档页数:2
附表:
南京苏逸实业有限公司对外服务收费项目及标准
二、电气试验
2 接地网元/系统
(网)
系统
(网)
3500
2 电缆故障测寻(交
流)
条6500
如客户提供电缆路径资料不全或
现场与图纸不符,电缆路径测寻
定位参照地下管线测寻另行收
费。
八、变压器修理
说明:1、小修指一般渗漏油处理;添加油;更换硅胶、配置部分铜罗母、垫圈;外壳一般性清洗;预防性试验(含油简化)。
2、吊芯检修指芯体吊芯检查、缺陷处理及清洗;渗漏油处理;更换硅胶、配置部分铜罗母、垫圈;外壳一般性清洗;油过滤、添加油;吊芯前、后试验共二次(含油简化);场内起吊、运输。
3、一般大修指芯体检查、检修及清洗;芯体干燥;更换所有密封垫及部分配件;换油;外壳清洗、检漏、油漆;检修前、后试验二次(含油简化);4、现场大修指芯体大修、缺陷处理及清洗;渗漏油处理;渗漏油处理;更换所有密封垫及部分配件;油过滤、添加油;检修前后试验二次(含油简化)。
预防性试验收费标准1.收费原则:a.供电部门的变电设备、公用变压器、电力电缆、避雷器等电气设备的试验及其费用由供电部门承担.b。
客户用电项目配套的变电设备、配电变压器、电力电缆、避雷器等电气设备的试验及其收费有客户自行承担。
2.收费标准:一、高压电气设备预防性试验:10KV室内电气设备每两年试验一次。
二、10KV、35KV避雷器每一年试验一次。
三、电力电缆项目:绝缘电阻每一年一次.四、电力变压器项目:直流电阻、绕组绝缘电阻和系数比两年一次.五、绝缘工具(绝缘鞋、绝缘手套、高压试电笔、高压绝缘棒等)每半年试验一次.六、电流互感器、电压互感器项目:绕组的绝缘电阻和变比两年一次。
七、油开关项目:绝缘电阻一年一次。
八、继电保护装置项目:10KV、35KV两年一次.九、10KV、35KV变电所设备三年测量一次;接地体每五年开挖检查一次;变压器10KV以上接地电阻值不得大于10欧姆。
三、预防性试验费1绝缘工具耐压试验元/件*次502接地电阻测量试验元/处3003高压避雷器试验元/组900元(绝缘、泄露电流测试)4变压器预试250KV A及以下元/台1800315KV A及以下元/台2200800KV A及以下元/台29002000KV A及以下元/台59006300KV A及以下元/台6800(变压器油绝缘耐压、介损、绕组直流电阻、绝缘极化比、泄露测试)5电压互感器试验元/台1200(整体绝缘、一次、二次直阻测试)5移相式电容器预试元/台250(绝缘、电容值测试对比) 6电缆泄漏试验元/根次900 (绝缘、泄露测试)7高压开关预试元/台2200 (整体耐压、端口耐压、直流接触电阻、绝缘、合闸最低动作电压、分闸最低掉闸电压、三相不同期及开关分和闸时间测试)8继保调试元/套2000(外观及接线检查、绝缘电阻测试、通电前检查、保护装置通电自检、模拟量检验、母线接地报警、PT断线试验、保护定值核对及一次通电试验跳闸正常)注1:变压器防腐除锈处理费用3000元注2:三个35KV高压开关柜更换端子排及控制回路接线所需材料表导轨3根30元/根90元电流端子60个8元/个480元电压端子150个3元/个450元NDB2Z-B4直流断路器6个60元/个360元NDB2-B2三相断路器3个80元/个240元分、合闸控制按钮6个10元/个60元2。
公司电器试验检验收费标准
电气设备试验附加收费说明:
一、以上收费标准为预防性试验,如果为交接试验按预防性试验收费的定额乘以系数1.2.
二、同步电动机和绕线式电动机按交流电动机定额乘以系数1.5。
三、三绕组电力变压器的定额乘以系数1。
2。
四、有载调压变压器的定额乘以系数1.1。
五、三相干式变压器、整流变压器的定额乘以系数0.8。
六、电容式互感器按相应的定额乘以系数1。
2。
七、三相式电压互感器按相应的定额乘以系数2.0。
八、负荷开关按隔离开关定额乘以系数2.0。
电器试验检验收费标准
m3。
电力设备试验等收费项目和收费标准1、继电保护试验收费标准试验设备试验性质试验费(元)备注10KV主变保护交流电流回路定校350/台交流电压回路定校100/台直流回路定校350/台信号回路定校100/台升流试验300/台改定值350/台传动试验250/台故障检查200-500/台根据故障性质10KV(6.3KV)线路保护交流电流回路定校350/条直流回路定校300/条信号回路定校100/条升流试验300/条改定值300/条传动试验200/条故障检查200-400/条根据故障性质直流、中央信号保护定校600/套故障检查200-400/套根据故障性质指示仪表校验或更换30/只注:在保护定校中发现回路故障则不再重复算故障检查费2、预防性试验收费标准试验设备试验项目试验费(元)备注10KV真空开关绝缘电阻100回路电阻100真空度试验200预试40010KV母线耐压(次) 750电流互感器10KV干式200/台3、配变试验收费标准10Kv配变试验收费标准一、电气试验变压器试验序号项目单位规格收费标准备注1 变压器预试元/台变压器容量≤800KVA1800变压器试验包括绝缘试验、电压比试验、线圈直流电阴试验、空载试验等。
另:特种变压器加收50%;有载调压变压器加收20%;三绕组电力变压器乘以系数1.2;单项电力变压器组如配有备用相变压器乘以系数1.2;若为三相干式变压器、整流变压器乘以系数0.8。
元/台变压器容量≤3200KVA26002 变压器交接试验元/台变压器容量≤800KVA2300 元/台变压器容量≤3200KVA33003 变压器预试(35KV)元/台变压器容量≤6300KVA4400 变压器预试(35KV)元/台变压器容量>6300KVA6800 变压器预试(110KV)元/台变压器容量≤31500KVA8500 变压器预试(110KV)元/台变压器容量>31500KVA110004 变压器检查元/次120 不含变压器试验5 变压器调档元/次500避雷器、电容器试验序号项目单位规格收费标准备注1 氧化锌避雷器元/组10KV及以下800避雷器试验包括:绝缘电阻、电导电流、泄漏电流、持续电流、参考电压、工频放电电压测量及过压保护装置试验、放电记录试验。
变配电高压设备试验收费标准(总4页)本页仅作为文档封面,使用时可以删除This document is for reference only-rar21year.March变配电高压设备试验收费标准各型号的变压器、开关、避雷器、互感器、电缆等试验收费标准根据《电力建设工程预算定额——第六册调试工程》(2006年版)的规定,“各型号的变压器、开关、避雷器、互感器、电缆等试验收费标准”如下:一、三相电力变压器容量800kVA以下每台=8工日×370元=2960元容量3200kVA以下每台=14工日×370元=5180元容量7500kVA以下每台=18工日×370元=6660元容量20000kVA以下每台=27工日×370元=9990元容量40000kVA以下每台=33工日×370元=12210元二、断路器(即您说的开关)额定电压1kV以下(有综合继电保护)每台=1工日×370元=3700元额定电压10kV以下每台=4工日×370元=1480元额定电压35kV每台=10工日×370元=3700元额定电压110k每台=15工日×370元=5550元额定电压220kV每台=18工日×370元=6660元三、避雷器(不包括运行电压下持续电流测量)额定电压20kV以下每组=3工日×370元=1110元额定电压35kV每组=4工日×370元=1480元额定电压110kV每组=6工日×370元=2220元额定电压220kV每组=8工日×370元=2960元四、互感器额定电压1kV以下每只=工日×370元=37元额定电压10kV以下每只=工日×370元=148元额定电压35kV以下每只=1工日×370元=370元额定电压110kV以下每只=2工日×370元=740元额定电压220kVA以下每只=工日×370元=925元五、电力电缆额定电压3-10kV每组=工日×370元=259元额定电压35kV每组=2工日×370元=740元额定电压110kV每组=4工日×370元=1480元额定电压220kV每组=6工日×370元=2220元。
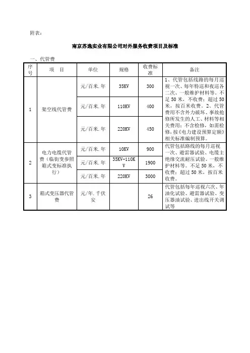
附表:
南京苏逸实业有限公司对外服务收费项目及标准
二、电气试验
2 接地网元/系统
(网)
系统
(网)
3500
2 电缆故障测寻(交
流)
条6500
如客户提供电缆路径资料不全或
现场与图纸不符,电缆路径测寻
定位参照地下管线测寻另行收
费。
八、变压器修理
说明:1、小修指一般渗漏油处理;添加油;更换硅胶、配置部分铜罗母、垫圈;外壳一般性清洗;预防性试验(含油简化)。
2、吊芯检修指芯体吊芯检查、缺陷处理及清洗;渗漏油处理;更换硅胶、配置部分铜罗母、垫圈;外壳一般性清洗;油过滤、添加油;吊芯前、后试验共二次(含油简化);场内起吊、运输。
3、一般大修指芯体检查、检修及清洗;芯体干燥;更换所有密封垫及部分配件;换油;外壳清洗、检漏、油漆;检修前、后试验二次(含油简化);4、现场大修指芯体大修、缺陷处理及清洗;渗漏油处理;渗漏油处理;更换所有密封垫及部分配件;油过滤、添加油;检修前后试验二次(含油简化)。
高压电气试验收费标准一、前言。
高压电气试验是对电气设备进行安全性能检测的重要环节,也是保障电气设备运行安全的必要手段。
为了规范高压电气试验收费标准,保障测试服务的质量和公平性,制定了以下收费标准。
二、收费项目。
1. 高压电气试验基本收费。
高压电气试验基本收费根据被试验设备的额定电压、额定电流、试验时间等因素进行计费。
具体收费标准如下:针对额定电压在10kV以下的设备,收费标准为每小时XX元;针对额定电压在10kV以上的设备,收费标准为每小时XX元;针对额定电流在100A以下的设备,收费标准为每小时XX元;针对额定电流在100A以上的设备,收费标准为每小时XX元。
2. 高压电气试验附加收费。
除了基本收费外,根据实际情况可能会产生以下附加收费项目:设备搬运费,根据设备的型号、重量和搬运距离进行计费;试验报告费,提供试验报告的打印、盖章等服务,收费标准为每份XX元;其他费用,如特殊试验需求、特殊设备使用等,将根据实际情况进行收费。
三、收费标准执行。
1. 收费标准的公示。
收费标准将在试验机构的官方网站、门店等场所进行公示,确保用户能够清晰了解试验收费标准。
2. 收费标准的执行。
试验机构将严格按照收费标准执行,不得私自调整收费标准或违规收费。
用户有权要求机构提供合理的收费明细,确保收费公正合理。
四、结语。
高压电气试验收费标准的制定旨在保障用户的权益,规范试验服务市场秩序。
试验机构将严格按照标准执行,确保试验服务的公平、公正和透明。
同时,希望用户能够理性对待收费标准,理解试验机构的成本和服务价值,共同维护好试验服务市场的良好秩序。
高压电气试验收费标准附表:南京苏逸实业有限公司对外服务收费项目及标准一、代管费序收费标项目单位规格备注号准1、代管包括线路的每月巡元/百米.年 35KV 300 视一次、每年特巡和夜巡各二次、一般维护材料等。
不足50米,不收费;超过50米,按百米收费。
2、代管元/百米.年 110KV 400 1 架空线代管费费用不含外力破坏、事故抢修所发生的人工、材料等相关费用;不含检修,如需检元/百米.年 220KV 450 修,按《电力建设预算定额》相关标准编制预算。
代管包括路线的每月巡视元/百米.年 10KV 900 电力电缆代管一次、避雷器试验、电缆主费(临街变参照35KV-110K绝缘交流耐压试验、一般维2 元/百米.年1900 箱式变标准执V 护材料等。
不足50米,不行) 收费;超过50米,按百米元/百米.年 220KV 3000 收费。
代管包括每年巡视六次、年箱式变压器代管元/年.千伏油化试验、避雷器试验、变3 26 费安压器油试验、进出线开关调试等二、电气试验、变压器试验 1序收费标项目单位规格备注号准元/变压器容量?1800 台 800KVA 1 变压器预试元/变压器容量?2600 变压器试验包括绝缘试台 3200KVA 验、电压比试验、线圈直元/变压器容量?2300 流电阴试验、空载试验台 800KVA 变压器交接试2 等。
另:特种变压器加收验元/变压器容量?3300 50%;有载调压变压器加台 3200KVA 收20%;三绕组电力变压变压器预试元/变压器容量?器乘以系数1.2;单项电4400 (35KV) 台 6300KVA 力变压器组如配有备用变压器预试元/变压器容相变压器乘以系数1.2;6800 (35KV) 台量>6300KVA 若为三相干式变压器、整3 变压器预试元/变压器容量?流变压器乘以系数0.8。
8500 (110KV) 台 31500KVA变压器预试元/变压器容11000 (110KV) 台量>31500KVA元/4 变压器检查 120 不含变压器试验次元/5 变压器调档 500 次2、避雷器、电容器试验序收费标项目单位规格备注号准10KV及以下 800 元/1 氧化锌避雷器 110KV 3000 避雷器试验包括:绝缘电组220KV 4000 阻、电导电流、泄漏电流、35KV及以下 150 避雷器预防性元/持续电流、参考电压、工2 试验组 110KV 及以下 600 频放电电压测量及过压保护装置试验、放电记录35KV及以下 900 避雷器交接试元/3 试验。
附表:
南京苏逸实业有限公司对外服务收费项目及标准、代管费
、电气试验
1、变压器试验
2、避雷器、电容器试验
3、电缆试验(直流)
4、电缆试验(交流)
5、隔离开关、负荷开关试验
6、接地装置试验
&母线耐压试验及保护校验
三、电缆故障测寻
四、电缆故障测寻
五、油样试验
六、备自投调试
七、安全用具试验
八、变压器修理
1、10KV配电变压器修理(单位:元/次?台)
2、35KV及以上变压器修理(单位:元/次?台)
说明:1、小修指一般渗漏油处理;添加油;更换硅胶、配置部分铜罗母、垫圈;外壳一般性清洗;预防性试验(含油简化)。
2、吊芯检修指芯体吊芯检查、缺陷处理及清洗;渗漏油处理;更换硅胶、配置部分铜罗母、垫圈;外壳一般性清洗;油过滤、添加油;吊芯前、后试验共二次(含油简化);场内起吊、运输。
3、一般大修指芯体检查、检修及清洗;芯体干燥;更换所有密封垫及部分配件;换油;外壳清洗、检漏、油漆;检修前、后试验二次(含油简化);4、现场大修指芯体大修、缺陷处理及清洗;渗漏油处理;渗漏油处理;更换所有密封垫及部分配件;油过滤、添加油;检修前后试验二次(含油简化)。
附表:南京苏逸实业对外效劳收费工程及标准一、代管费序号123工程单位规格收费标备注准元/百米.年35KV3001、代管包括线路的每月巡视一次、每年特巡和夜巡各二次、一般维护材料等。
不元/百米.年110KV400足50米,不收费;超过50米,按百米收费。
2、代管架空线代管费费用不含外力破坏、事故抢修所发生的人工、材料等相元/百米.年220KV450关费用;不含检修,如需检修,按?电力建设预算定额?相关标准编制预算。
元/百米.年10KV900代管包括路线的每月巡视电力电缆代管一次、避雷器试验、电缆主费〔临街变参照元/百米.年35KV-110K1900绝缘交流耐压试验、一般维箱式变标准执V护材料等。
缺乏50米,不行〕元/百米.年220KV3000收费;超过50米,按百米收费。
代管包括每年巡视六次、年箱式变压器代管元/年.千伏安26油化试验、避雷器试验、变费压器油试验、进出线开关调试等二、电气试验1、变压器试验序 工程单位规格号元/ 变压器容量≤ 1变压器预试台 800KVA元/ 变压器容量≤台 3200KVA元/ 变压器容量≤ 2变压器交接试 台 800KVA验元/ 变压器容量≤台 3200KVA变压器预试元/ 变压器容量≤ 〔35KV 〕台 6300KVA变压器预试元/ 变压器容3〔35KV 〕台 量>6300KVA 变压器预试元/ 变压器容量≤〔110KV 〕台 31500KVA 变压器预试元/ 变压器容〔110KV 〕 台 量>31500KVA4变压器检查元/次5 变压器调档元/ 次2、避雷器、电容器试验序 工程单位规格号元/ 10KV 及以下 1氧化锌避雷器110KV组220KV2避雷器预防性 元/ 35KV 及以下 试验组 110KV 及以下3避雷器交接试 元/ 35KV 及以下 验组 110KV 及以下元/ 20KV 及以下避雷器、耦合电 组 4容器试验元/35KV 及以下组收费标备注准 18002600 变压器试验包括绝缘试 2300 验、电压比试验、线圈直 流电阴试验、空载试验 3300等。
附表:
南京苏逸实业有限公司对外服务收费项目及标准
二、电气试验
2 接地网元/系统
(网)
系统
(网)
3500
2 电缆故障测寻(交
流)
条6500
如客户提供电缆路径资料不全或
现场与图纸不符,电缆路径测寻
定位参照地下管线测寻另行收
费。
八、变压器修理
说明:1、小修指一般渗漏油处理;添加油;更换硅胶、配置部分铜罗母、垫圈;外壳一般性清洗;预防性试验(含油简化)。
2、吊芯检修指芯体吊芯检查、缺陷处理及清洗;渗漏油处理;更换硅胶、配置部分铜罗母、垫圈;外壳一般性清洗;油过滤、添加油;吊芯前、后试验共二次(含油简化);场内起吊、运输。
3、一般大修指芯体检查、检修及清洗;芯体干燥;更换所有密封垫及部分配件;换油;外壳清洗、检漏、油漆;检修前、后试验二次(含油简化);4、现场大修指芯体大修、缺陷处理及清洗;渗漏油处理;渗漏油处理;更换所有密封垫及部分配件;油过滤、添加油;检修前后试验二次(含油简化)。
电气设备预防性试验收费明细
高压检测费通知单
您单位变电所高压、继电保护部分按规程规定试验完毕。
根据沈阳市物价局核准批复的收费标准,应收取实验费元。
请在三日内前往沈阳电业局*****公司用户试验所交款,并取回试验报告书。
开户;银行:
帐号:
地点:沈阳市**********
邮编:
电话:
联系人:
沈阳电业局************* 用户实验所
附:10KV及以下电气设备预防性试验收费明细
名称数量单价
(元)名称数量单价
(元)
变压器180KVA 台220.00 二次回路绝缘相50.00 180—560KVA 台330.00 CT二次接线相150.00 560—1000KVA 台400.00 PT二次接线
相d
150.00 1000KVA以上台500.00 绝缘棒根30.00 1250—1600KVA 台960.00 验电器支30.00 1600—2500KVA 台1320.00 绝缘靴
双1
20.00「2500—5000KVA 台1600.00 手套双20.00 SF6断路器台200.00 绝缘油瓶160.00 少油断路器组120.00 定相相300.00 真空断路器组
:
130.00 发电机台50.00 :电流互感器只30.00
试验
车
市区台180.00 电压互感器只120.00 郊区台350.00 FS避雷器节
1
30.00 县城台400.00 氧化锌避雷器节
J
120.00 记事:
套管只60.00
母线耐压处:400.00
隔离开关
组I
30.00
单芯电缆条200.00
电力电缆相:200.00
电力电容器台50.00
电动机
1000KW 台540.00
1500KW 台810.00
2000KW 台1620.00
350.00
电网电组处
独立避雷针处300.00
速断保护件70.00
过流保护件80.00
核算员:电压保护件100.00
相互保护件;100.00
用户核准:中央信号件1,200.00。