铝模安全+技术交底课件
- 格式:pptx
- 大小:98.53 MB
- 文档页数:48
铝模安全技术交底1. 引言铝模安全技术交底是指在施工过程中,对于使用铝模的相关安全知识进行交底和培训。
铝模是一种常见的施工工具,用于建筑结构的浇注,在使用过程中需要注意各种安全事项,以确保施工过程的顺利进行和工人的身体健康与安全。
本文将从以下几个方面详细介绍铝模的安全技术交底内容,以提高施工人员对于铝模安全的认识和理解。
2. 铝模安全技术交底的目的铝模安全技术交底的目的是:•提高施工人员对于铝模安全的重视程度;•增强施工人员的安全意识和技能;•防范和减少铝模使用过程中的事故发生;•保护施工人员的身体健康和生命安全。
3. 铝模的基本认识3.1 铝模的定义铝模是一种由铝合金制成的结构模板,用于建筑结构的混凝土浇注。
它具有重量轻、易拆卸、耐腐蚀等特点,被广泛应用于各类建筑工程中。
3.2 铝模的组成铝模一般由以下几部分组成:•铝合金框架:提供模板的结构支撑和连接功能;•模板板面:用于混凝土的浇注,一般采用铝合金或其他复合材料;•支撑系统:用于支撑和固定铝模的立柱、横梁等构件。
3.3 铝模的使用范围铝模适用于各类建筑结构的施工,包括但不限于:•墙体的浇注;•楼板的浇注;•梁柱的浇注;•隧道的浇注。
4. 铝模安全操作规程为了保证铝模的安全使用,施工人员需要遵守以下操作规程:4.1 铝模安装前的准备工作•检查铝模的各个部件是否完好无损;•清理安装地面,确保平整稳固;•准备好所需工具和辅助设备。
4.2 铝模的搭建过程•根据施工图纸进行铝模的组装;•严格按照连接方式进行固定,确保结构牢固。
4.3 铝模的使用注意事项•遵循铝模的使用限制,不超过其承载能力;•严禁随意改变模板结构;•在施工过程中避免铝模受力过大。
4.4 铝模的拆除与存放•在混凝土达到强度要求后,按照规范程序进行铝模的拆除;•拆卸过程中注意安全,防止模板倾倒或坠落;•拆卸后的铝模需进行分类存放,并注意防潮和防锈。
5. 铝模常见安全风险及预防措施铝模使用过程中存在一些常见的安全风险,施工人员需要提前了解并采取相应的预防措施。
铝模板施工安全技术交底技术交底记录编号工程名称衡阳维泰人和丽景分项工程名称主体工程施工单位南通二建集团有限公司交底日期2017-03-05交底提要铝模板安装施工技术、质量、安全交底一、施工准备本工程4#楼4层以上为标准层,标准层层高3米,采用快拆式铝合金模板体系施工,,施工现场每栋楼格才永一套模板主系统,三套楼板底系统,三套梁底支撑,首次安装,计划工期10天,第二次计划工期7天(考虑铝模配备、现场施工配合等因素),以上按每层5天的施工速度。
主模板在该层混凝土达到强度要求后,拆除并传送至上层。
楼板底及梁底支撑系统每15天周转一次使用,确保混凝土达到设计要求的强度后拆除并用于上部楼层。
二、铝模板安装步骤2.1墙板体系本工程内墙模板标准尺寸400×2700mm,外墙模板标准尺寸400×2650mm。
墙模板型材高65mm,铝板材4mm厚。
墙模板处需设置对拉螺杆,其横向设置间距≤800mm、纵向设置间距≤800mm。
对拉螺杆起到固定模板和控制墙厚的作用。
对拉螺杆为T18梯形牙螺杆,材质为45#。
墙模板背面设置有背楞,背楞设置间距≤800mm。
背楞材料为60mm×40mm×2.5mm的矩形钢管。
本工程外墙面共设置5道背楞。
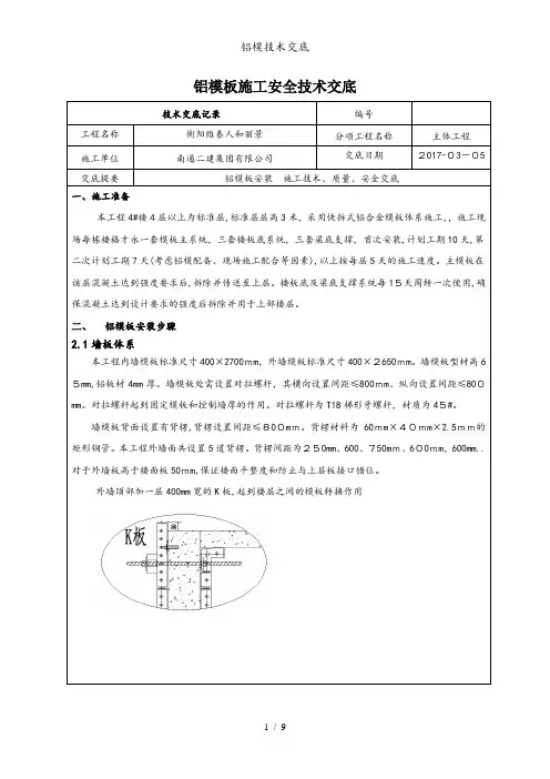
背楞间距为250mm、600、750mm、600mm,600mm..对于外墙板高于楼面板50mm,保证楼面平整度和防止与上层板接口错位。
外墙顶部加一层400mm宽的K板,起到楼层之间的模板转换作用墙板安装示意图2.2顶板体系板底铝合金模板标准尺寸400x1200mm,局部按实际结构尺寸调整配模。
铝模板厚3.7m m,楼面设置100mm宽承梁(俗称龙骨),底部支撑立杆间距为1200mm×1300mm。
2.3梁板体系本工程标准层高3.0m。
梁底采用早拆头设计模式,梁底支撑间距不大于1200mm,梁底早拆头宽150mm,早拆头之间为1100mm铝模板。
铝模板工程安全技术交底一、项目背景铝模板工程是一种常见的建造施工技术,它具有轻便、高效、环保等优点,被广泛应用于各类建造项目中。
然而,由于铝模板工程涉及高空作业、重物搬运等风险较大的工作环境,必须严格遵守相关的安全技术规范,确保施工过程中的安全。
二、安全技术交底的目的安全技术交底是为了让施工人员充分了解铝模板工程的安全要求和操作规程,提高他们的安全意识和技能,减少事故发生的可能性,确保施工过程安全可靠。
三、安全技术交底的内容1. 铝模板工程的基本概念和特点铝模板工程是指使用铝合金模板进行建造施工的工程。
它具有轻便、耐用、拆装方便等特点,适合于各类建造结构的施工。
2. 铝模板工程的安全要求(1)施工前的准备工作:包括施工方案设计、材料准备、施工现场的平整和清理等。
(2)安全设施的设置:包括安全网、防护栏杆、安全带等,确保施工人员的人身安全。
(3)高空作业的安全要求:包括高处坠落防护、悬挑作业的防护、起重机械的使用等。
(4)重物搬运的安全要求:包括合理的起吊点选择、使用合适的起重设备、注意重物的平衡等。
(5)电气安全:包括电气设备的安装和维护、用电安全等。
3. 铝模板工程的操作规程(1)施工人员的安全要求:包括佩戴安全帽、穿戴防护服、戴好防护手套等。
(2)模板的搭设和拆除:包括模板的组装、支撑系统的搭建、拆除时的注意事项等。
(3)模板的使用和维护:包括模板的放置、调整、固定等操作规程,以及模板的清洁、保养等维护要求。
四、安全技术交底的流程1. 培训计划的制定:根据施工进度和人员情况,制定安全技术交底的培训计划,并确定培训的时间、地点和参预人员。
2. 培训材料的准备:准备包括铝模板工程的安全要求、操作规程、案例分析等内容的培训材料,并确保其准确性和可理解性。
3. 培训的开展:由专业的安全培训人员对施工人员进行安全技术交底的培训,采用多种教学方法,如讲解、示范、互动等,确保培训效果。
4. 培训记录的保存:对每次安全技术交底的培训进行记录,包括培训的日期、内容、参预人员等信息,以备查阅和追溯。
技术部分:一、铝合金模板施工工艺流程图模板安装前准备①模板的安装②混凝土浇筑及养护③模板的拆除④清洁模板、循环施工技术及安全交底测量放线、地坪标高、钢筋及预埋施工检查定位筋及水泥内撑条安装材料调运墙、柱铝合金模板安装同时涂刷脱模背楞及斜撑安装及初步校正梁板安装楼面模板安模板的整体校正及验收模板堵缝背楞、墙、柱模板的拆除梁板的拆除楼面板的拆除支撑的拆除二、安装工艺流程详解1、技术及安全交底:铝合金模板安装前应向劳务班组作业人员进行技术及安全的交底工作。
技术交底主要包括:模板的吊运、安装及拆卸等具体施工工艺,以及实际的操作方法、注意事项和现场文明施工、安全隐患、施工难点、关键控制点等。
2、测量放线、地坪标高、钢筋及预埋施工检查:首先应检查并确认地面的平整度控制要求范围内(±5mm),尤其是模板下角,若不在范围内,对高于标高5mm 部分要进行剔凿,对低于 5mm 部位要用垫块调平;其次检查施工放线(轴线、边线、控制线)完整性及正确性,控制线距离模板边线 200 ㎜或 300 ㎜;再次检查钢筋安装是否影响模板安装,检查主要包括:查看竖筋下角是否超出模板边线、箍筋是否超出模板边线、有盖板处钢筋是否超出盖板高度、主筋是否影响对拉螺杆安装等;最后预埋施工验收,主要确保预埋施工已验收合格,预埋件不影响模板安装。
3、定位筋、水泥内撑条和外墙木方的安装: 定位筋材料选用Ф8钢筋,定位筋安装要符合以下要求:1、墙头及转角处必须安装定位筋;2定位筋间距不大于400mm。
另外为确保施工质量,在剪力墙上应绑扎定位钢筋或水泥内撑条,间距按1000*1000安装,材料长度应与墙同宽,偏差在2mm以内.。
首层拼装时外墙、楼电梯井和空洞位置的墙模板下脚需垫设木方(外墙提50mm的地方木方上表面位置也需提50mm)。
4、材料吊运:材料调运应按安装顺序进行。
首先吊墙模板,再吊背楞,然后吊梁板,之后吊顶板,最后吊K板吊模。
吊运材料时应按照区域分包布置图准确吊运,避免材料在吊运过程中发生混乱现象和造成模板不必要的二次搬运且先吊上板面的材料必须安装基本完成才能继续吊后面的材料。
交底内容:
一、施工前准备
1、焊定位钢筋:在墙柱根部离地约50mm,间距600mm焊接定位钢筋,封口的位置焊井字形。
2、模板的摆放:按区域把模板分区分房间整齐摆放,涂刷铝模脱模剂。
二、墙模系统
1、墙模系统结构主要包括主墙板、墙头板、内墙板角铝、对拉螺杆、钢背楞及导墙板(K板)。
模板之间用销钉连接,使用穿墙螺栓对拉,螺杆横向间距小于等于800mm。
背楞第1、
2、3道用两条60×40×δ2.5矩形钢管矩形钢管焊接而成,第4道背楞用两条50×30×δ2.5矩形钢管矩形钢管焊接而成,背楞有直背楞和直角背楞两种,首道背楞距结构面200mm,第二道背楞距结构面800mm,第三道背楞距结构面1400mm,第四道背楞距结构面2150 mm。
对拉螺栓、背楞、斜撑示意图
销钉及穿墙螺栓连接示意
2、梁模系统
梁模系统主要包括梁底阴角、梁底模板、转角连接阳角模板、梁底早拆头及独立钢支撑。
在梁底模板设置梁底早拆模板,在梁底早拆模板下安装独立钢支撑,支撑间距最大不超过1.3米。
梁底板在安装销钉时严禁大头方向向下
3、楼面系统
楼面系统主要包括楼面板、楼面龙骨、早拆头及独立钢支撑。
配用早拆支撑系统可提高模板的周转效率,使用独立钢支撑,支撑间距为1300mm×1200mm。
楼面板配模示意图。
一、工程概况1. 工程名称:____________________2. 工程地点:____________________3. 施工单位:____________________4. 施工班组:____________________5. 施工时间:____________________二、铝模施工安全注意事项1. 人员安全(1)进入施工现场必须正确佩戴安全帽、安全带、防尘口罩等个人防护用品。
(2)所有工人必须参加三级教育和各种安全教育活动,提高安全意识。
(3)施工现场应设立专职安全员,负责现场安全监督检查。
2. 施工现场安全(1)施工现场应设置明显的安全警示标志,提醒工人注意安全。
(2)施工现场应保持整洁,不得随意堆放杂物,防止绊倒、滑倒事故发生。
(3)施工现场应定期检查设备设施,确保其正常运行。
3. 铝模施工安全操作规程(1)铝模安装前,应熟悉图纸,了解施工工艺,掌握操作技能。
(2)模板安装前,必须复核剪力墙、梁的边线尺寸,确保模板安装准确。
(3)剪力墙必须在端头和中部设置定位筋,墙的长度较大时按间距600设置定位筋。
(4)模板安装时,先装墙模再装梁模最后装板模,墙模先拼装内墙再装外墙,梁模先拼装底模再装侧模。
(5)支撑立杆的间距为1200×1200mm,墙身加固采用4道背楞加斜撑。
(6)模板安装前将模板表面清理干净并涂刷脱模剂,墙模安装从两端向中部同时安装,对拉螺栓直径为16mm,间距900×900mm。
(7)楼面梁模板先安装底模,校正垂直后安装侧模。
(8)楼面模板安装前,需检查墙模对角线,楼面模板安装完成后用激光水准仪调整平整度。
(9)墙侧必须按图纸要求设置斜撑以保证墙模垂直度和稳定性。
(10)销钉等紧固件必需按间距300mm设置。
(11)楼梯模板必须按图纸要求拼装,模板上的预留排气孔不能全部堵死。
(12)墙模下口用砂浆将缝隙堵牢。
(13)模板尺寸必须符合要求:轴线偏移不大于5mm,截面内部尺寸误差不大于8mm。