东风雪铁龙爱丽舍轿车安全气囊系统电路图
- 格式:pdf
- 大小:41.69 KB
- 文档页数:1
汽车安全气囊系统结构原理经典课件一、安全气囊系统的结构安全气囊系统的主要电子元器件有ECU、碰撞传感器(集中式系统安置于ECU 内部,分散式系统安置在ECU外部)、警示装置、安全气囊组件、乘员位置传感装置及接头和线束等。
二、安全气囊系统典型ECU结构对於单点碰撞传感器-集中式安全气囊ECU,采用了与放大和滤波电路相关联的电子加速度计(传感器),能稳定地保持对汽车加速度跟踪(即能按照汽车的加速度成比例地输出电压)。
与单片微机相关联的装置包括:电源供给装置,给所有的电路提供工作电压。
属於这部分的两个重要电气装置包括电荷泵和能量贮备(又称备用电源,在碰撞过程中,一旦蓄电池连接松脱,仍能提供足够的贮电容量触发引爆管使安全气囊张开)。
电荷泵具有提升能量贮备电压,使其高於汽车工作电压的能力。
当蓄电池、充电系统或发电机出现故障时,电荷泵能维持能量贮备装置的最低工作电压。
另外,在提升能量贮备电压的同时,能检测引爆电路电阻偏高等类似的故障;供单片微机监控用的监视计时器;供警示灯控制和故障诊断用的接口电路;触发司机或乘客侧充气组件的引爆电路。
引爆电路一般由ECU内部电路及ECU的外部元器件组成。
外部元器件有:接头、电缆、滑环/盘簧(仅司机路才有)引爆管,对於分散式安全气囊系统还有电子机械碰撞传感器等。
ECU监控的首要任务,是在碰撞过程中监测可能妨碍成功引爆安全气囊的所有故障;进一步的任务是监测使安全气囊发生致伤、甚至致死的不适时引爆;与ECU集成在一起的机-电安全传感器;选择输入电路。
“选择输入”是用来向安全气囊ECU提供乘客座位、司机和乘客安全带的状态信息,这些信息经ECU处理後,除了具有前面提到能改变安全气囊充气速率的功能外,还有安全抑制功能。
对于乘客安全气囊,只有在乘客座位被占用、乘客安全带扣上以及安全气囊在较高阀值的情况下,才会引爆充气。
将司机安全气囊与乘客安全气囊分开控制,可以减少安全气囊不必要的张开;方便接入外部诊断设备,帮助维修的串行数据线路。
四、故障码的检查在进行故障码检查之前,应先进行“安全气囊故障诊断系统检查”。
1.故障码15——副驾驶员安全气囊回路电阻过高(1)安全气囊控制电路见图10-17。
图10-17 安全气囊控制电路1-SDM 2-接触线圈3-驾驶员侧安全气囊组件4-副驾驶员侧安全气囊组件5-电阻(不装备副驾驶员侧安全气囊)6-短接条(2)检查程序见图10-18。
图10-18 副驾驶员安全气囊回路电阻过高的检查2.故障码16——副驾驶员侧触发回路电阻过低控制电路见图10-17,检查程序见图10-19。
图10-19 副驾驶员侧触发回路电阻过低的检查3.故障码21——驾驶员侧触发回路电阻过高控制电路图见图10-17,检查程序见图10-20。
图10-20 驾驶员侧触发回路电阻过高的检查4.故障码22——驾驶员侧触发回路电阻过低控制电路图见图10-17,检查程序见图10-21。
图10-21 驾驶员侧触发回路电阻过低的检查5.故障码24——触发回路对搭铁短路(1)触发电路见图10-22。
图10-22 安全气囊触发电路1-SDM 2-接触线圈3-驾驶员侧安全气囊组件4-副驾驶员侧安全气囊组件5-电阻(未装备副驾驶员侧安全气囊)6-熔丝盒内的“安全气囊”熔丝7-接至点火开关8-短接条(2)检查程序见图10-23。
图10-23 触发回路对搭铁短路的检查6.故障码25——触发回路对电源短路电路图见图10-22,检查程序见图10-24。
图10-24 触发回路对电源短路的检查7.故障码31——电源电压过高(1)电源电路见图10-25。
图10-25 安全气囊电源电路1-接至蓄电池正极2-点火开关3-熔丝盒内的“安全气囊”熔丝4-SDM图10-26 安全气囊电源电压过高的检查8.故障码32——电源电压过低电路图见图10-25,检查程序见图10-27。
图10-27 安全气囊电源电压过低的检查9.故障码51——识别正面冲撞检查程序见图10-28。
图10-28 识别正面冲撞的检查10.故障码61——AIR BAG报警灯回路故障(1)AIR BAG报警灯电路见图10-29。
东风雪铁龙·爱丽舍轿车ABS系统及其检修东风雪铁龙·爱丽舍轿车在雪铁龙毕加索同一平台上生产,其ABS系统由博世公司专为中国路况适配最新一代ABS系统,为16位处理器、四传感器独立通道控制方式。
ABS系统组成如图1所示。
1—感载比例阀;2—制动信号灯开关;3—制动主缸;4—真空助力器;5—液压控制单元及电控单元;6—ABS故障指示灯;7—故障诊断接头;8—制动轮缸;9—传感器感应齿圈;10—轮速传感器图1 东风雪铁龙·爱丽舍轿车ABS系统的组成驾驶员踩下制动踏板,轮速传感器将车轮制动过程中车速变化信息传给ABS电控单元。
ABS电控单元经过计算和内部存储信息比较,发出指令给液压控制单元,液压控制单元通过8个电磁阀调节每个车轮制动压力,使其车轮不抱死,控制车轮滑移率在15%~20%范围内,使其地面附着力达到峰值,取得最佳制动效果。
这个过程反复进行,每秒约进行4-10次,直至车辆停止行进。
其工作原理和工作过程和其他车型ABS基本相同,故略述。
一、ABS系统的主要部件1.轮速传感器每个车轮配有一个轮速传感器,用于测量车轮的转速,结构如图2所示。
1—导线;2—壳体;3—永久磁铁;4—衬套;5—带滩头的磁极;6—感应齿圈;7—线圈;8—衬套图2 轮速传感器的结构感应齿圈上的每一个齿经过轮速传感器时,引起传感器线圈和磁铁的磁场发生变化,导致感应线圈端子电压的波动。
轮速传感器电压波动的大小和频率与车轮的转速及感应齿圈的齿数成正比。
其信息传输给ABS电控单元。
2.液压控制单元液压控制单元包括开关电磁阀。
每个车轮两个电磁阀,一个输入阀,一个输出阀,两个储液器,两个减振器和一个液压泵(两条回路共用一个);液压泵由电动机带动。
其功用是接受ABS电控单元信息,控制调节制动器制动压力,结构如图3所示。
1—电动机;2—输入电磁阀;3—电动泵;4—输出电磁阀;5—减振器;6—储液器图3 液压控制单元的结构(1)液压控制单元管路接口该车制动管路为X型双回路系统,所以液压控制单元有两个相同的调节部分组成。
栏目编辑:高中伟 ******************90·February-CHINA 东风雪铁龙C5各电控系统电路图解析(九)—ESP 电控系统下篇(接2015年第12期)三、ESP电控系统电路解析C5轿车ESP 电控系统的电路原理图如图15所示,经过对ESP 电控系统电路原理图的分析,可将该系统的工作原理简化成图16所示的框图,对框图的说明见表1。
现根据图15和图16将ESP 电控系统的电路原理解读如下。
1.蓄电池通过导线BB02为发动机舱控制盒PSF1供电;PSF1通过导线BM04、BM08为智能控制盒BSI 供电;PSF1通过导线BM02、B725A、B725C 为ESP 电控单元供电;PSF1通过导线BH16D、BH16E 为自动变速器ECU1630供电;BSI 通过导线B860为转向盘下转换模块CV00供电。
2.接通点火开关M 位(点火档),点火开关将点火信号通过导线1065传送到智能控制盒BSI ;BSI 收到点火信号后唤醒CAN 高速网、CAN 车身网、CAN 舒适网、LIN 网等车载网络进入工作状态。
3.全车网络工作后,BSI 一方面通过网线Z12为组合仪表0004提供+CAN 供电,一方面通过CAN 车身网线9017B、9018B 通知发动机舱控制盒PSF1为电控单元和用电器供电;PSF1收到BSI 的指令后,控制内部继电器R1(图中未画出)、R6等工作,分别通过导线1203D 和C6702为发动机电控单元1320和制动开关2120供电;全车网络工作后,CV00通过导线BE 为集控式方向盘VMF 供电;ESP 电控单元通过导线7112和7112B 为转向盘角度传感图15 C5轿车ESP电控系统电路原理图O位:关闭档M位:点火档D位:启动档BHF1熔丝盒器7130和偏航率传感器7804供电。
4.各电控单元得到供电后,立即控制各电控系统的传感器、执行器进入工作状态;汽车行驶时,ESP 电控单元主要通过转向盘角度传感器7130、制动开关2120、制动压力传感器(在ESP 总成内,见图5)、加速踏板位置传感器、自动变速器的挡位、限速和巡航控◆文/湖北 宋波舰Copyright ©博看网. All Rights Reserved.栏目编辑:高中伟 ******************912016/02·汽车维修与保养图16 C5轿车ESP电控系统原理框图图17 车辆稳定性控制工作过程简图表1 C5轿车ESP电控系统原理框图的说明制按键等检测驾驶员的意愿,通过偏航率传感器780,四个车轮的轮速传感器7810、7815、7820、7825等检测车辆的行驶轨迹;当ESP 电控单元检测到驾驶员的意愿与汽车的行驶轨迹不一致时,首先计算对车辆进行调整修正的参数,然后通过CAN 高速网9000、9001向发动机ECU 和自动变速器ECU 发出修正指令,同时通过控制ESP 液压单元内的电磁阀和液压电动泵对4个制动分泵的制动压力进行合理分配和调整。
13.5.2.1 安全气囊系统示意图电源、搭铁、串行数据和指示灯正面安全气囊、传感器和预紧器侧碰撞传感器和安全气囊13.5.3.1 安全气囊系统标识视图下图为安全气囊系统标识视图,显示了车辆上所有可用的安全气囊系统部件的大概位置。
该图有助于确定特定维修程序所需的相应安全气囊系统的解除和启用,参见“安全气囊系统的解除和启用”。
图标(1) 中央正面碰撞传感器—位于发动机舱盖下车辆中央处(2) 前发动机舱盖支撑杆—位于前发动机舱盖下的一个气体减振装置,在乘客侧(3) 乘客仪表板安全气囊—位于仪表板下右侧顶部(4) 右侧车顶纵梁安全气囊—位于车顶内衬下,从乘客前挡风玻璃立柱延伸到乘客后窗立柱(5) 安全气囊系统传感和诊断模块(SDM) —位于中心架下(6) 乘客感知系统(PPS) —位于乘客前排座椅上,在座椅底部装饰件下(7) 乘客安全带锚定器张紧器—位于乘客座椅的外侧(8) 右前侧碰撞传感器—门槛板下的B 柱处(9) 右侧车顶纵梁安全气囊充气模块—位于B 柱上车顶内衬后侧(10) 乘客座椅侧安全气囊—位于乘客座椅靠背上(11) 乘客安全带卷收器预紧器—位于车辆乘客侧中柱底部附近的装饰板下(12) 右后侧碰撞传感器—位于门槛下C 柱(13) 后舱盖支撑杆—位于乘客侧行李厢盖下的一个气体减振装置(14) 后舱盖支撑杆—位于驾驶员侧行李厢盖下的一个气体减振装置(15) 左后侧碰撞传感器—位于门槛下C 柱(16) 驾驶员安全带卷收器预紧器—位于车辆驾驶员侧中柱底部附近的装饰板下(17) 驾驶员座椅侧安全气囊—位于驾驶员座椅靠背上(18) 左侧车顶纵梁安全气囊充气模块—位于B 柱上车顶内衬后侧(19) 左前侧碰撞传感器—门槛板下的B 柱处(20) 驾驶员安全带锚定器张紧器—位于驾驶员座椅的外侧(21) 左车顶纵梁安全气囊—位于车顶内衬下,从驾驶员前挡风玻璃立柱延伸到驾驶员后窗立柱(22) 驾驶员方向盘安全气囊—位于方向盘上(23) 前舱盖支撑杆—位于驾驶员侧前舱盖下的一个气体减振装置(24) 车辆蓄电池—位于发动机舱盖下左侧。
任务三 汽车安全气囊构造及控制电路5.3.1 概述汽车在行驶过程中,由于一些意外交通情况的出现,往往会导致交通事故。
而且交通事故一般发生时间极短使驾乘人员没有足够的反应时间来主动保护自己,只能采用被动安全保护装置来减少事故对人体的伤害。
现代汽车普遍装有安全气囊,以减少汽车发生正面碰撞时对驾驶员所造成的伤害。
有些汽车在驾驶员副座前的杂物箱上端也装有安全气囊,以保护乘客免受伤害。
还有些汽车同时装有侧向安全气囊,在汽车发生侧向碰撞时,以减少侧向碰撞时对驾乘人员的伤害。
实验和实践证明,汽车装用安全气囊后,汽车发生碰撞事故对驾乘人员的伤害程度大大减小。
5.3.2 安全气囊的分类汽车安全气囊系统(Supplemental Restraint System,简称SRS),可按如下方式分类:3.2.1 按传感器类型分类(1)机械式安全气囊系统。
机械式安全气囊系统不需用电源,全部零件组装在转向盘装饰盖板下面,检测碰撞动作和引爆点火剂都是利用机械动作来完成的。
(2)电子式安全气囊。
电子式安全气囊系统有两种布置方式,早期的电子式传感器在汽车的前端部安装,气囊引爆装置安装在转向盘上,前端的传感器需要引线连接。
现在开发出的整体式安全气囊,它是把电子式传感器后移,和点火引爆装置作为一个整体安装在转向盘上,可以取消线束,消除了由于线路短路或断路导致气囊失效的故障。
5.3.2.2 按保护对象的不同分类(1)驾驶员防撞安全气囊。
驾驶员防撞安全气囊装在转向盘上,美式安全气囊体积较大,约60L这是按没有座椅安全带设计的。
欧式安全气囊按有驾驶员座椅安全带设计的,其体积较小,约40L。
日本车一般配有安全带多采用欧式。
(2)乘员防撞安全气囊。
由于乘员在车内位置不固定,因此为保护其撞车时免受伤害,设计的安全气囊体积也较大。
美式的约160L左右,欧式的约75L左右。
有些车上还配有后排乘员防撞安全气囊,装在前排座椅后面。
(3)侧面防撞安全气囊。
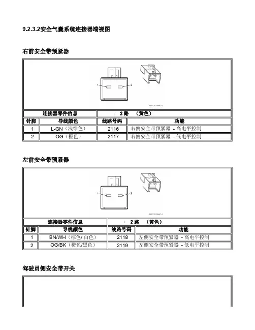
9.2.3.2安全气囊系统连接器端视图右前安全带预紧器左前安全带预紧器驾驶员侧安全带开关连接器零件信息l2路 (黄色)针脚 导线颜色 线路号码 功能1 L-GN (浅绿色) 2116 右侧安全带预紧器 - 高电平控制 2OG (橙色)2117右侧安全带预紧器 - 低电平控制连接器零件信息l2路(黄色)针脚 导线颜色 线路号码 功能1 BN/WH (棕色/ 白色) 2118 左侧安全带预紧器 - 高电平控制 2OG/BK (橙色/黑色)2119左侧安全带预紧器 - 低电平控制左前安全气囊系统前端传感器右前安全气囊系统前端传感器连接器零件信息l针脚 导线颜色 线路号码功能A D-BU (深蓝色) 1363 左侧安全带开关 - 低电平参考电压 BBN/WH (棕色/白色)238左侧安全带开关连接器零件信息l针脚导线颜色 线路号码功能1 YE (黄色) 354 识别传感器 - 信号2BN/YE (棕色/黄色)5045识别传感器 - 低电平参考电压连接器零件信息l乘客侧安全气囊 - X1乘客侧安全气囊 - X2安全气囊系统左侧车顶纵梁模块针脚 导线颜色 线路号码功能1 D-GN (深绿色) 1409 识别传感器 - 信号2GY (灰色)5600识别传感器 - 低电平参考电压连接器零件信息 l2路(黄色)针脚导线颜色 线路号码 功能X1-1 D-BU (深蓝色) 3024 乘客侧安全气囊 - 1 级 - 低电平控制 X1-2YE (黄色)3025乘客侧安全气囊 - 1 级 - 高电平控制连接器零件信息 l2路(浅绿色)针脚导线颜色 线路号码 功能X2-1 PU (紫色) 3026 乘客侧安全气囊 - 2 级 - 低电平控制 X2-2L-GN(浅绿色)3027乘客侧安全气囊 - 2 级 - 高电平控制安全气囊系统右侧车顶纵梁模块安全气囊系统传感和诊断模块 - X1连接器零件信息l2路(浅绿色)针脚 导线颜色 线路号码 功能1 BN/BK (棕色/黑色) 5019 左侧车顶纵梁模块 - 高电平控制 2PK (粉红色)5020左侧车顶纵梁模块 - 低电平控制连接器零件信息l针脚 导线颜色 线路号码功能1 PU/YE (紫色/黄色) 5021 右侧车顶纵梁模块 - 高电平控制 2WH/BK (白色/黑色)5022右侧车顶纵梁模块 - 低电平控制安全气囊系统传感和诊断模块 - X2连接器零件信息l针脚 导线颜色 线路号码功能X1-1 BN (棕色) 3020 方向盘模块 - 1 级 - 低电平控制 X1-2 BN (棕色) 3021 方向盘模块 - 1 级 - 高电平控制 X1-3 WH (白色) 3023 方向盘模块 - 2 级 - 高电平控制 X1-4 PK (粉红色) 3022 方向盘模块 - 2 级 - 低电平控制 X1-5 YE/BK (黄色/黑色)2138 左前侧碰撞模块 - 低电平控制 X1-6 BN (棕色)2137 左前侧碰撞模块 - 高电平控制 X1-15 - - 未使用 X1-16 - - 未使用 X1-17 -- 未使用 X1-18 -- 未使用X1-19 BN/YE (棕色/黄色)5045 左侧识别传感器 - 低电平参考电压 X1-20 YE (黄色) 354 左侧识别传感器 - 信号 X1-21 PK/BU(粉红色) 339 点火1电压 X1-22 OG/YE(橙色/黄色) 1340 蓄电池正极电压 X1-23 -- 未使用 X1-24BK/WH(黑色/白色)1751搭铁连接器零件信息l针脚导线颜色线路号码功能X2-1 BN/BK(棕色/黑色)5019 左侧车顶纵梁模块- 高电平控制X2-2 PK(粉红色)5020 左侧车顶纵梁模块- 低电平控制X2-3 WH/BK(白色/黑色)5022 右侧车顶纵梁模块- 低电平控制X2-4 PU/YE(紫色/黄色)5021 右侧车顶纵梁模块- 高电平控制X2-5 BN/WH(棕色/ 白色)2135 右前侧碰撞模块- 高电平控制X2-6 L-GN(浅绿色)2136 右前侧碰撞模块- 低电平控制X2-7 PU(紫色)3026 乘客侧气囊- 2 级- 低电平控制X2-8 GY(灰色)3027 乘客侧气囊- 2 级- 高电平控制X2-9 YE(黄色)3025 乘客侧气囊- 1 级- 高电平控制X2-10 OG(橙色)3024 乘客侧气囊- 1 级- 低电平控制X2-11 - - 未用X2-12 - - 未用X2-13 - - 未用X2-14 - - 未用X2-15 BN/WH(棕色/白色)2118 左侧安全带预紧器- 高电平控制X2-16 OG/BK(橙色/黑色)2119 左侧安全带预紧器- 低电平控制X2-17 OG(橙色)2117 右侧安全带预紧器- 低电平控制X2-18 L-GN(浅绿色)2116 右侧安全带预紧器- 高电平控制X2-19 - - 未用X2-20 - - 未用X2-21 - - 未用X2-22 - - 未用X2-23 D-GN(深绿色)1409 右侧识别传感器- 信号X2-24 GY(灰色)5600 右侧识别传感器- 低电平参考电压X2-25 PU/WH(紫色/白色)6628 左侧侧碰撞传感模块- 低电平参考电压X2-26 WH(白色)2132 左侧侧碰撞传感模块- 信号X2-27 D-GN(深绿色)2134 右侧侧碰撞传感模块- 信号X2-28 WH/BK(白色/黑色)6629 右侧侧碰撞传感模块- 低电平参考电压安全气囊系统左前侧碰撞传感器 (SIS)安全气囊系统右前侧碰撞传感器 (SIS)X2-29 - - 未用X2-30 - - 未用 X2-31 - - 未用 X2-32 - - 未用 X2-33 - - 未用 X2-34 -- 未用X2-35 -- 未用X2-36 BN/WH (棕色/白色) 238 左前安全带开关 X2-37 -- 未用X2-38 D-BU (深蓝色) 1363 左前安全带开关 - 低电平参考电压 X2-39 -- 未用X2-40D-GN (深绿色)5060低速 GMLAN 串行数据连接器零件信息l针脚 导线颜色 线路号码功能1 WH (白色) 2132 左侧侧碰撞传感模块 - 信号2PU/WH (紫色/白色)6628左侧侧碰撞传感模块 - 低电平参考电压安全气囊系统方向盘模块 - X1安全气囊系统方向盘模块 - X2连接器零件信息l针脚导线颜色 线路号码功能1 D-GN (深绿色) 2134 右侧侧碰撞传感模块 - 信号2WH/BK (白色/黑色)6629右侧侧碰撞传感模块 - 低电平参考电压连接器零件信息 l2路(橙色)针脚导线颜色 线路号码 功能X1-1 BN (棕色) 3020 方向盘模块 - 1 级 - 低电平控制 X1-2TN (棕黄色)3021方向盘模块 - 1 级 - 高电平控制连接器零件信息l2路(深蓝色)安全气囊系统方向盘模块线圈 - X1安全气囊系统方向盘模块线圈 - X2针脚 导线颜色 线路号码 功能X2-1 PK (粉红色) 3022 方向盘模块 - 2 级 - 低电平控制 X2-2WH (白色)3023方向盘模块 - 2 级 - 高电平控制连接器零件信息l插头针脚 导线颜色 线路号码 功能X1-A GY/BU (灰色/蓝色) 7367 方向盘梯形电阻右侧信号 #2 X1-B BN/GN (棕色/绿色)7364 方向盘梯形电阻右侧信号 #1 X1-C BN (棕色) 7312 方向盘梯形电阻左侧信号 #1 X1-D L-BU (浅蓝色) 7313 方向盘梯形电阻左侧信号 #2 X1-E BN/WH(棕色/白色) 897 驾驶员信息中心开关低电平参考电压 X1-F OG/BK (橙色/黑色)5201 方向盘控制装置信号 X1-G BK (黑色) 850 搭铁X1-H PU/WH (紫色/白色) 7005 仪表板变光控制 X1-J BN/BK (棕色/黑色)28 喇叭继电器控制 X1-K---安全气囊系统方向盘模块线圈 - X3安全气囊系统方向盘模块线圈 - X3连接器零件信息 l插头针脚导线颜色 线路号码 功能A-1 BN (棕色) 3021 方向盘模块 - 1 级 - 高电平控制 A-2 BN (棕色) 3020 方向盘模块 - 1 级 - 低电平控制 B-1 WH (白色) 3023 方向盘模块 - 2 级 - 高电平控制 B-2PK (粉红色)3021方向盘模块 - 2 级 - 低电平控制连接器部件信息l阳针脚导线颜色 线路号码功能A-1 BN/RD (棕色/红色)3021 方向盘模块 - 1 级 - 高电平控制 A-2 BN (棕色) 3020 方向盘模块 - 1 级 - 低电平控制 B-1 WH (白色) 3023 方向盘模块 - 2 级 - 高电平控制 B-2PK (粉红色)3022方向盘模块 - 2 级 - 低电平控制连接器部件信息 l阴针脚 导线颜色 线路号码 功能A-1 BN (棕色) 3021 方向盘模块 - 1 级 - 高电平控制 A-2BN (棕色)3020方向盘模块 - 1 级 - 低电平控制B-1 WH(白色)3023 方向盘模块- 2 级- 高电平控制B-2 PK(粉红色)3022 方向盘模块- 2 级- 低电平控制。
正常气囊系统电气线路图〔从2000年车型起〕正常气囊电气线路图如图2-2-75~图2-2-78所示。
熔丝支架:〔a〕微型中心电器盒:(b)熔丝颜色:30A-绿色25A-白色20A-黄色15A-蓝色10A-红色棕色5A-米色熔丝支架上的保险从23号位置开始,在电路图上标有号码223,依次类推。
图2-2-75熔丝支架、微型中心继电器盒ws=白色sw=黑色ro=红色br=棕色gn=绿色bi=蓝色gr=灰色li=紫色ge=黄色D-点火开关F138-正常气囊/带滑环的回位环螺旋弹簧J218-仪表板内组合处理器J234-正常气囊操纵单元K75-正常气囊警报灯N95-驾驶员一侧正常气囊触发器N131-副驾驶员一侧正常气囊触发器N153-驾驶员一侧正常带张紧触发器1N154-副驾驶员一侧正常带张紧触发器2T2a-插头,2孔,黄色,左侧A柱分线器T2e-插头,2孔,黄色,右侧A柱分线器T2ac-插头,2孔,黄色,在仪表板右后部T5d-插头,5孔,黄色,转向开关装饰板后T5e-插头,5孔,在方向盘内T10aw-插头,10孔,黄色,右侧A柱分线器T32-插头,32孔,蓝色,在组合仪表板上-接地点,左侧A柱下部-正极连接〔15〕,在仪表板线束内-连接〔58s〕,在仪表板线束内〔开照看明〕图2-2-76驾驶员和副驾驶员正常气囊和正常带张紧器ws=白色sw=黑色ro=红色br=棕色gn=绿色bi=蓝色gr=灰色li=紫色ge=黄色C22-正常气囊抗干扰电感线圈E3-警报灯开关F145-开关:左后座正常带F146-开关:右后座正常带J234-正常气囊操纵单元J429-中心门锁操纵单元K-自诊断接头N196-左后座正常带张紧触发器N197-右后座正常带张紧触发器T1d-插头,1孔,棕色,,右侧A柱分线器T10av-插头,10孔,黄色,右侧A柱分线器T16a-插头,10孔,自诊断接头-连接〔自诊断K线〕,在仪表板线束内图2-2-77前座侧面正常气囊、后座正常带张紧器ws=白色sw=黑色ro=红色br=棕色gn=绿色bi=蓝色gr=灰色li=紫色ge=黄色E224-副驾驶员正常气囊切断开关F158-正常带张紧器开关1J234-正常气囊操纵单元K145-副驾驶员一侧正常气囊关闭警报灯K198-后座中间正常带张紧触发器T2ce-插头,2孔,黄色,在后座中间T8l-插头,8孔,在仪表板右后部T10av-插头,10孔,黄色,右侧A柱分线器T10av-插头,15孔,灰色,左侧A柱分线器-接地点,左侧A柱下部-接地连接2,在仪表板线束内-接地连接3,在仪表板线束内拔下插头时,短路跨接生效*折叠式后座椅**非折叠式后座椅#两种都可能图2-2-78后座中间正常带张紧器、后坐侧面正常气囊七、防抱死制动系统〔ABS〕〔带EDS电子差速锁和ASR驱动防滑装置〕电气线路图〔从2000年车型起〕防抱死制动系统〔ABS〕〔带EDS电子差速锁和ASR驱动防滑装置〕电气线路图如图2-2-79~图2-2-83所示。
1.东风雪铁龙爱丽舍轿车AL4自动变速器电路图2.东风雪铁龙爱丽舍轿车安全气囊系统电路图3.东风·雪铁龙爱丽舍发动机电喷系统东风雪铁龙爱丽舍轿车AL4自动变速器电路说明线束代号线束名称A V主线束PB仪表板线束52蓄电池东风雪铁龙爱丽舍轿车安全气囊系统电路图东风·雪铁龙爱丽舍发动机电喷系统东风·雪铁龙爱丽舍轿车配备TU5JP/K发动机,电喷系统系BOSCH MP5.2。
其电路图见下:35、蓄电池;50、电源盒;300、点火开关;52、座舱熔断器盒;40、仪表盘;784、16通道诊断插头;67、防盗控制盒;589、危险信号灯开关;178、应答器模拟模块;430、碳罐排放电磁阀;52、座舱熔断器盒;154、电子车速传感器;807、喷射双密封继电器;432、怠速调节电磁阀;570、喷油器;620、惯性开关;100、火花塞;270、点火线圈上电容器;822、空调压缩机切断继电器;861、进气预热器;755、燃油泵;255、空调压缩机;900、氧传感器;770、节气门位置传感器;903、进气压力传感器;909、水温传感器;907、进气温度传感器;152、发动机转速传感器;CN、负极电缆;CP、正极电缆;A V、主线束;MT、发动机线束;PB、仪表板线束;一、就车提取故障码方法是点火钥匙处于M位,将784的1161N端子接地(搭铁)3秒后断开,仪表板上的自诊灯开始闪烁,闪烁代码为两位数码,先闪十位数码,再闪个位数码。
每接地触发一次,读取一组故障码。
可按下列故障自诊断清单查找故障件。
故障码自诊灯故障部位故障码自诊灯故障部位12开始34亮碳罐电磁阀13 亮进气温度传感器41亮发动机转速传感器14 亮发动机温度传感器42亮喷油器15 亮燃油泵继电器(即870)51 亮氧传感器21亮节气门位置传感器53 亮蓄电池22亮怠速调节电磁阀54 不亮计算机27 亮车速传感器56 亮密码锁死防盗33 亮进气压力传感器65亮发动机转速/上止点传感器二、主要元件及线路检查1 、进气压力传感器(参阅图1、2)(903)2、空气温度传感器(参阅图1、3、4)(907)项目检查方法数据及要求处理检查电源线路点火开关置于“OFF”位,拔除907接插件,再将点火开关置于“ON”位,检查ECU端子5257N与端子5256N间电压U=5V否则更换907 点火开关置于“OFF”位,检查5257N与907端子2G1间导通导通检查插接件及线束检查地线点火开关置于“OFF”位,检查907端子2G2与5256N间导通导通检查插接件及线束检查电阻点火开关置于“OFF”位,拔下ECU接插器,检查ECU端子5256N与端子5257N 间随温度变化电阻按图4要求电阻值接上ECU接插器,拔下907接插件,检查907端子2G1与2G2间随温度变化电阻按图4要求电阻值不符换907线束间电阻接上ECU、907接插件,检查ECU端子5257N 与2G1间电阻R≤1Ω检查插接件及线束检查ECU端子5256N 与2G2间电阻R≤1Ω检查插接件及线束检查电源线路点火钥匙打开,检查907端子2G1与2G2间电压U=5V否则更换9073、节气门位置传感器(参阅图1、5)(770)项目检查方法数据及要求处理。
爱丽舍轿车安全气囊系统的原理与诊断
陈昌建;王忠良;王再宙;贾琳
【期刊名称】《汽车电器》
【年(卷),期】2008(000)001
【摘要】爱丽舍轿车采用全电子式安全气囊系统.本文介绍其安全气囊系统的组成、工作原理和故障诊断方法,并对安全气囊系统的检修注意事项进行了说明.
【总页数】4页(P52-55)
【作者】陈昌建;王忠良;王再宙;贾琳
【作者单位】河北工业职业技术学院;河北师范大学;河北师范大学;邯郸市职教中心,河北,石家庄,050091
【正文语种】中文
【中图分类】U463.99
【相关文献】
1.安全气囊系统自诊断原理的探析 [J], 吴良胜
2.宝马轿车安全气囊系统的工作原理及故障诊断 [J], 王忠良
3.凯迪拉克CTS安全气囊系统原理与诊断(下) [J], 文爱民
4.凯迪拉克CTS安全气囊系统原理与诊断(上) [J], 文爱民
5.凌志轿车安全气囊系统的结构原理与故障自诊断 [J], 付百学;关怀
因版权原因,仅展示原文概要,查看原文内容请购买。
安全气囊系统电气原理设计
1、安全气囊系统组成:
由碰撞传感器、气囊ECU、时钟弹簧(螺旋线圈)、气体发生器等组成。
安全气囊一般有主驾驶员侧、副驾驶员侧、侧气帘、座椅侧气囊。
电气设计时应对安全带预紧器、副气囊开关等予以考虑。
2、电路边界条件:
与组合仪表之间有故障指示信号的输出、安全带未系指示灯、与诊断接口诊断信息输出、有车速信号输入、有制动信号输入等。
3、设计过程:
第一步:根据设计任务书确定安全气囊系统的类型和档次;
第二步:与甲方、气囊厂共同确定输入输出信号形式、协议及控制方案。
并会签会议纪要;
第三步:设计原理图;
第四步:检查接线是否错误,保险容量是否合适。
4、电气参数及注意事项:
1)、安全气囊供电应非常可靠,在时钟弹簧处需采用双电源供电;
2)、碰撞传感器一般为两根引线,接气囊ECU,时钟弹簧四根引线;
3)、安全气囊注意爆炸空间;
4)、有的气囊ECU内置碰撞传感器,ECU应布置在车辆中部,以保证传感器的灵敏度及发生碰撞时不会影响ECU装置的正常工作,常见布置在仪表台下地板正中;
5)、传感器应固定牢固可靠,不能在任何方向有松动,以保证传感器对加速度的敏感性。
5、原理参考图如下:。