制作规范格式的三线表
- 格式:doc
- 大小:491.50 KB
- 文档页数:5
怎样用word做三线表——论文规定表格格式实验测量和计算数据是科技论文的核心内容,作为数据表述主要形式之一的表格,因具有鲜明的定量表达量化信息的功能而被广泛采用。
三线表以其形式简洁、功能分明、阅读方便而在科技论文中被推荐使用。
三线表通常只有3条线,即顶线、底线和栏目线(见图,注意:没有竖线)。
其中顶线和底线为粗线,栏目线为细线。
当然,三线表并不一定只有3条线,必要时可加辅助线,但无论加多少条辅助线,仍称做三线表。
三线表的组成要素包括:表序、表题、项目栏、表体、表注。
以下是在Microsoft Word中制作三线表的方法顶线项目栏栏目线表身底线图1 三线表的组成要素ﻫﻫ(1)先制作一个普通表格。
打开菜单“表格-插入表格”,选择列数“3”、行数“4”,文档中出现一个三列四行的带框线表格。
输入内容,注意要选“左对齐”。
ﻫﻫ(2)鼠标移到在表格左上角,出现四向箭头时选中表格(点黑),打开菜单“格式-边框和底纹”,在设置中选择“无”,取消表格的所有框线。
ﻫﻫ(3)再选中表格,打开菜单“格式-边框和底纹”,在线型宽度下拉列表中选择一条粗一点的线,如1又1/2磅,在右边的各种实框线中,为表格添加“上”、“下”框线。
确定。
(4)下面需要添加标题栏的横线。
打开“视图-工具栏-绘图”,添加绘图工具栏。
点击绘图中的直线工具,按住shift键,手画一条与表格线等长的细线。
(5)此时手绘线可能不在合适的位置,偏上或偏下,按住Alt键,用鼠标移动直线到合适的位置上。
点击工具栏上的“打印预览”,就可以看到一个简单的三线表已经画好了。
还可以修饰一下内容文字,使其与标题文字的位置相配。
表1 试验合金的马氏体相变温度Ms及反铁磁转变温度T N1# 2# 3# 4#Mn(at%) 86.4 80.8 71.3 61.4TN/℃173 157 128 208Ms/℃180 20 -40 <-60 --。
word中制作三线表格的四种方法论文中怎么添加一个三线表,让自己的论文格式变得正确,老师也挑不出毛病呢,那么下面就由小编为您分享下在word中制作三线表格的几种方法,希望能帮助您,有需要的朋友可以来看看哦。
Word制作三线表格的四种方法制作三线表格方法一步骤一:在word中菜单栏中找到插入表格,选择一个适合的行列。
步骤二:留下最后一行,其余的选中,右键单击,选边框和底纹。
步骤三:会出现如图所示的内容,点击中横线、左侧线、右侧线、中竖线,点击确定。
步骤四:如图所示,刚才选中的地方已经只有横线了,之后选中最后一行,右键单击,选边框和底纹。
步骤五:点击左侧线、右侧线、中竖线,确定后,三线表格就做好了。
步骤六:图中就是已经做好了的三线表格,之后就可以输入内容了,当然线与线之间的距离可以自己调节。
制作三线表格方法二:简明型三线表的绘制步骤一:选择工具栏的表格-插入-表格插入表格,选择需要的行数和列数,点自动套用格式按钮,选择简明型1,然后把底部的末行勾掉,选好点确定即可;步骤二:用鼠标选中现在的表的第一行,再次点右键-边框与底纹,对三线表表栏更改其颜色,颜色自己选择,以及线的宽度,然后在右边预览框中点上边框按钮,注意看一下右下角的应用于是否为单元格,点确定。
上边框修改之后,再对中线和底线同样的方法为其更改颜色和宽度大小。
制作三线表格方法三:实用型三线表步骤一:选择菜单栏表格-插入表格,插入一个行4,列数3的表格,然后在对其表格将边框去掉,选择整个表格,在点击菜单栏上的格式-边框和底纹即可将表格的边框全部去掉边框线条。
步骤二:先对表格添加底线和顶线条,同样的方法将表格选中,打开菜单栏上格式-边框和底纹然后在右边的各种线条上,为其添加顶线和底线,在设置其线条宽度大小粗细,点击确定即可。
步骤三:为其表格加第三线。
选择第一行的表格,在选择边框和底纹再右边的线条上选择添加下框线,在设置线条粗细大小即可。
这样就制作了三线表了。
word中制作三线表格的四种方法制作三线表格方法一:步骤一:在word中菜单栏中找到“插入——表格”,选择一个适合的行列。
步骤二:留下最后一行,其余的选中,右键单击,选“边框和底纹”。
步骤三:会出现如图所示的内容,点击中横线、左侧线、右侧线、中竖线,点击确定。
步骤四:如图所示,刚才选中的地方已经只有横线了,之后选中最后一行,右键单击,选“边框和底纹”。
步骤五:点击左侧线、右侧线、中竖线,确定后,三线表格就做好了。
步骤六:图中就是已经做好了的三线表格,之后就可以输入内容了,当然线与线之间的距离可以自己调节。
制作三线表格方法二:简明型三线表的绘制步骤一:选择工具栏的“表格-插入-表格”插入表格,选择需要的行数和列数,点“自动套用格式”按钮,选择“简明型1”,然后把底部的“末行”勾掉,选好点“确定”即可;步骤二:用鼠标选中现在的表的第一行,再次点“右键”-“边框与底纹”,对三线表表栏更改其颜色,颜色自己选择,以及线的宽度,然后在右边“预览”框中点上边框按钮,注意看一下右下角的应用于是否为“单元格”,点“确定”。
上边框修改之后,再对中线和底线同样的方法为其更改颜色和宽度大小。
制作三线表格方法三:实用型三线表步骤一:选择菜单栏“表格”-“插入表格”,插入一个行4,列数3的表格,然后在对其表格将边框去掉,选择整个表格,在点击菜单栏上的“格式”-“边框和底纹”即可将表格的边框全部去掉边框线条。
步骤二:先对表格添加底线和顶线条,同样的方法将表格选中,打开菜单栏上“格式”-“边框和底纹”然后在右边的各种线条上,为其添加顶线和底线,在设置其线条宽度大小粗细,点击确定即可。
步骤三:为其表格加第三线。
选择第一行的表格,在选择“边框和底纹”再右边的线条上选择添加“下框线”,在设置线条粗细大小即可。
这样就制作了三线表了。
制作三线表格方法四:比较广泛,直接套用即可(适用于word2022制作) 步骤一:首先当鼠标悬停在表格上的时候就会出现一个“田”字型,选择“田”字型的标记按钮,然后单击右键,再选择工具菜单栏上的“表格自动套用格式”,弹出一个窗口。
word三线表格制作三线表格是一种用来展示数据的常见形式,在Word中制作三线表格可以有效地整理和呈现大量数据。
以下是关于如何在Word 中制作三线表格的详细步骤。
准备工作:在开始制作三线表格之前,你需要先准备好所需的数据。
将数据整理成一列或多列,并确保每列都有清晰的标题。
步骤一:打开Word文档首先,打开你需要添加三线表格的Word文档。
如果你还没有创建新文档,可以选择“新建文档”或使用快捷键“Ctrl + N”来创建一个新文档。
步骤二:插入表格在打开的Word文档中,将光标放置在你想要插入三线表格的位置。
然后,点击Word菜单栏上的“插入”选项。
在“插入”选项中,你将看到一个名为“表格”的按钮。
点击“表格”按钮,选择“插入表格”。
此时,会弹出一个对话框,你可以在这里选择表格的行数和列数。
根据你的需要,选择你想要插入的行数和列数,然后点击“确定”按钮。
这样,一个简单的表格就会被插入到你的Word文档中。
步骤三:设置表格样式默认情况下,Word会自动给插入的表格应用一种预设的表格样式。
如果你想要改变表格的样式,可以对表格进行设置。
首先,选中你想要设置样式的整个表格,然后点击Word菜单栏上的“布局”选项。
在“布局”选项中,你将看到一系列可供选择的表格样式。
通过点击不同的样式,可以实时预览样式效果。
选择你喜欢的表格样式后,点击相应的样式,就可以将样式应用到你的表格中。
步骤四:添加表头在制作三线表格时,通常会添加一个表头,用来描述每一列的内容。
要添加表头,可以将光标移动到表格的第一行,并在第一行中输入表头内容。
步骤五:添加数据在表格的每个单元格中填入数据,确保数据与你准备的数据一致。
可以通过点击表格单元格并开始输入来向表格中添加数据。
可以使用“Tab”键在表格的不同单元格之间移动。
步骤六:调整表格格式如果需要,可以根据需要自由调整表格的格式。
可以调整表格的边框粗细、颜色、背景色等。
要调整边框粗细和颜色,可以选中整个表格,然后在“布局”选项中找到“边框”选项。
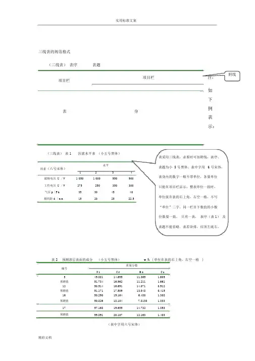
实用标准文案三线表的规范格式(三线表)表序表题项目栏注:附线项目栏如下表身例表示:(三线表)表 1 因素水平表(小五号黑体)表采用三线表,必要时可加附线,表序、因素(六号宋体)水平表题为小 5 号黑体;表中字用 6 号宋体,1 2 3 4源极电压 U /V 1 050 1 000 950 900表身内的数字一般不带单位,各量单位工件电压 U /V 275 250 350 300 只能在项目栏显示,整表单位一致时,气压 p/Pa 35 30 45 40极间距 d /mm 15 20 25 22.5单位放在表的右上角,右空一格,不写“单位”二字。
同一栏目下数值的小数位数要一致。
只有一表,表序(表 1)及表题不能省略.表若卧排,应顶左底右。
表 2 预测渗层表面的成分(小五号黑体)w/% (单位在表的右上角,右空一格) 编号质量分数Ni Cr Mo Cu5 49.881 14.695 11.365 1.605预测值51.734 16.962 11.211 1.66112 50.514 16.691 14.071 0.912预测值51.171 17.509 13.048 0.41516 50.290 19.164 6.480 1.308预测值50.826 18.104 7.8130 1.33317 57.168 19.655 14.732 1.353预测值59.891 20.107 12.163 1.403(表中字用六号宋体)表 3 人工神经网络训练与预测值(小五号黑体)源极电压工件电压极间距气压吸收率% 渗层厚度μm 元素总质量分数% 试验编号s∕δ∕w ∕U∕V U ∕V d∕mm p ∕Pa 试验值预测值试验值预测值试验值预测值1 1 1 1 1 70.900 70.587 34.5 34.579 87.496 87.4372 1 2 2 2 61.200 60.871 36.5 36.380 89.796 89.2373 1 3 3 3 33.330 32.847 19.0 19.245 84.895 84.5084 1 4 4 4 44.650 44.401 21.0 20.871 77.579 77.3215* 2 1 2 3 48.100 47.753 25.5 24.950 77.546 76.796 17* 1 2 1 1 79.340 80.920 38.0 38.459 92.908 92.210 注: *为检测样本值,试验编号17 为正交优化工艺(六号宋体)表 X 不同被试对 3 类棋局的线索回忆成绩(M SD)棋手完全随机棋局合法随机棋局满子连照棋局高水平8.17 1.17 20.17 1.47 20.00 1.90低水平7.67 1.21 18.00 0.89 18.33 1.21注:基线概率为 2.30 。
怎样用word做三线表——论文规定表格格式实验测量和计算数据是科技论文的核心内容,作为数据表述主要形式之一的表格,因具有鲜明的定量表达量化信息的功能而被广泛采用。
三线表以其形式简洁、功能分明、阅读方便而在科技论文中被推荐使用。
三线表通常只有3条线,即顶线、底线和栏目线(见图,注意:没有竖线)。
其中顶线和底线为粗线,栏目线为细线。
当然,三线表并不一定只有3条线,必要时可加辅助线,但无论加多少条辅助线,仍称做三线表.三线表的组成要素包括:表序、表题、项目栏、表体、表注。
以下是在Microsoft Word中制作三线表的方法顶线项目栏栏目线表身底线图1 三线表的组成要素(1)先制作一个普通表格。
打开菜单“表格-插入表格",选择列数“3”、行数“4”,文档中出现一个三列四行的带框线表格。
输入内容,注意要选“左对齐”。
(2)鼠标移到在表格左上角,出现四向箭头时选中表格(点黑),打开菜单“格式-边框和底纹",在设置中选择“无”,取消表格的所有框线.(3)再选中表格,打开菜单“格式-边框和底纹",在线型宽度下拉列表中选择一条粗一点的线,如1又1/2磅,在右边的各种实框线中,为表格添加“上"、“下”框线.确定。
(4)下面需要添加标题栏的横线。
打开“视图-工具栏-绘图”,添加绘图工具栏。
点击绘图中的直线工具,按住shift键,手画一条与表格线等长的细线.(5)此时手绘线可能不在合适的位置,偏上或偏下,按住Alt键,用鼠标移动直线到合适的位置上。
点击工具栏上的“打印预览",就可以看到一个简单的三线表已经画好了。
还可以修饰一下内容文字,使其与标题文字的位置相配。
表1 试验合金的马氏体相变温度Ms及反铁磁转变温度T N1# 2#3#4#Mn(at%)86.4 80。
8 71。
3 61。
4TN/℃173 157 128 208Ms/℃180 20 -40 <-60。
制作规范格式的三线表在写毕业论文、科技论文的时候,要求用三线表。
咋一听三线表,不知道是什么,其实三线表是常用标准用表。
三线表通常只有3条线——顶线、底线和栏目线(没有竖线)。
其中的顶线、底线是粗线,栏目线是细线。
三线表并不一定只有3条线,需要时加辅助线,但无论加多少条辅助线,仍称做三线表。
三线表的组成要素包括:表序、表题、项目栏、表体、表注。
制作一个规范格式的三线表呢?方法/步骤打开文档,点“插入”→“表格”→“插入表格”,设置好行、列,先制作一个普通表格。
在写毕业论文、科技论文的时候,要求用三线表。
咋一听三线表,不知道是什么,其实三线表是常用标准用表。
三线表通常只有3条线——顶线、底线和栏目线(没有竖线)。
其中的顶线、底线是粗线,栏目线是细线。
三线表并不一定只有3条线,需要时加辅助线,但无论加多少条辅助线,仍称做三线表。
三线表的组成要素包括:表序、表题、项目栏、表体、表注。
制作一个规范格式的三线表呢?打开文档,点“插入”→“表格”→“插入表格”,设置好行、列,先制作一个普通表格。
.把鼠标放到表的左上角,在十字标志上右击,点“边框和底纹”。
1.在“边框”栏点“无”;2.颜色设置为黑;3.宽度设置为1.54.在“预览”里点表格的上边框和下边框;。
”确定“点5.此时是“两线”表,继续制作三线表:1.点“设计”,设置边框0.75磅(根据你的需要来设)。
2.点“绘制表格”,光标变成笔形时,在表格的第二行从左到右画一条线。
三线表制作完成。
1.表序:表格的序号。
按出现的先后顺序,用阿伯数字连续编号,如“表1”、等。
2”表“2.表题:表格的名称。
要准确得体,简短精炼。
避免用泛指性的词语做表题,如“数据表”、“计算结果”等。
中间不用标点,末尾不加句号。
每个表都必须有表序和表题,表序和表题之间留1个汉字的空格,期间不用任何点号。
3.表头(标目栏):顶线和栏目线之间的横标目和左侧的纵标目部分,栏目是该栏的名称,反映表身中该栏信息的特征或属性。
三线表的规范格式(新)一、表格表格应简洁明了,概括表格内容,并位于表格上方居中。
过长时,可考虑使用换行或斜体字来优化排版。
二、表头表头应包括行和列,行位于表格左侧,列位于表格上方。
行和列应简洁明了,概括所代表的数据内容。
表头与表格内容之间应有一条粗线分隔。
三、表格内容表格内容应清晰、简洁,避免冗长。
数据应按行和列的顺序排列,确保行和列的对应关系。
数字、日期、百分比等数据应遵循一定的格式规范,如保留小数位数、使用千位分隔符等。
文字内容应尽量简短,避免使用复杂的句子。
四、表格线条三线表的线条包括表头与表格内容之间的粗线、表格内容之间的细线和表格底部的粗线。
线条应简洁明了,避免使用过多的线条和复杂的样式。
表格线条的颜色应与表格背景颜色形成对比,以便于阅读。
五、表格注释表格注释用于解释表格中的特殊符号、缩写词或数据来源等。
注释应位于表格下方,并与表格内容之间用一条细线分隔。
注释文字应简短明了,避免使用复杂的句子。
六、表格引用在文档中引用表格时,应注明表格的编号和。
引用表格的编号应位于引用文字之前,如“见表1”。
引用表格的应简洁明了,与表格保持一致。
七、表格排版表格应尽量紧凑,避免占用过多的页面空间。
当表格过长时,可考虑将表格分为多个部分,并在每个部分上方注明“续表”字样。
表格应与文档的其他内容保持一致,如字体、字号、行距等。
八、表格更新在文档中添加或修改表格时,应确保表格编号、、内容等信息的准确性。
对于已发布的文档,应注明更新日期和版本号,以便读者了解表格的更新情况。
九、表格对齐表格中的文字和数据应按照一定的对齐方式排列,以增强表格的可读性。
通常,文字内容左对齐,数字和日期等内容右对齐,百分比等内容居中对齐。
对齐方式应根据表格内容的特点进行调整,以确保表格的整体美观。
十、表格宽度表格的宽度应根据文档的版面和内容进行调整。
在保证表格内容清晰、完整的前提下,尽量减少表格的宽度,以便于阅读和排版。
当表格宽度超过页面宽度时,可考虑将表格分为多个部分或调整表格的列宽。
三线表的规范格式新文件编码(GHTU-UITID-GGBKT-POIU-WUUI-8968)
三线表的规范格式
(三线表)表序 表题
注:
如下例表示:
表7 预测渗层表面的成分(小四号黑体) w /% (单位在表
的右上角,右空一格)
编号 质量分数
Ni Cr Mo
Cu
5
预测值
12
预测值
16
预测值
17
表
身
极间距d /mm
15 20
25
(表中字用五号宋体)
完毕
表3人工神经网络训练与预测值(小五号黑体)
试验编号源极
电压
U∕V
工件
电压
U∕V
极间
距
d∕mm
气压
p∕Pa
吸收率s∕%渗层厚度δ∕μ
m
元素总质量分数
w∕%
试验值
预测值
试验值
预测值
试验值
预测值
11111
21222
31333
41444
5*2123
17*
1211
注:*为检测样本值,试验编号17为正交优化工艺(六号宋体)项目字体字号文题黑、宋、楷2,3
责任者署名楷、宋、仿小4,5
文摘楷、宋、仿小5,5
关键词楷、宋小5,5
文摘、关键词标题黑小5,5
1级标题黑、宋、仿、楷4,小4
2级标题黑、宋、仿5
3级标题仿、宋5
正文宋5
图题、图表黑、宋小5
图、表内文宋小5,6
短文题黑、楷、仿、宋4
短文宋小5
参考文献宋小5
参考文献标题黑4,小4,5注释、脚注宋6
致谢宋、楷、仿5。
怎样用word做三线表——论文规定表格格式实验测量和计算数据是科技论文的核心内容,作为数据表述主要形式之一的表格,因具有鲜明的定量表达量化信息的功能而被广泛采用。
三线表以其形式简洁、功能分明、阅读方便而在科技论文中被推荐使用。
三线表通常只有3条线,即顶线、底线和栏目线(见图,注意:没有竖线)。
其中顶线和底线为粗线,栏目线为细线。
当然,三线表并不一定只有3条线,必要时可加辅助线,但无论加多少条辅助线,仍称做三线表。
三线表的组成要素包括:表序、表题、项目栏、表体、表注。
以下是在Microsoft Word中制作三线表的方法项目栏顶线栏目线表身底线图1 三线表的组成要素(1)先制作一个普通表格。
打开菜单“表格-插入表格”,选择列数“3”、行数“4”,文档中出现一个三列四行的带框线表格。
输入内容,注意要选“左对齐”。
(2)鼠标移到在表格左上角,出现四向箭头时选中表格(点黑),打开菜单“格式-边框和底纹”,在设置中选择“无”,取消表格的所有框线。
(3)再选中表格,打开菜单“格式-边框和底纹”,在线型宽度下拉列表中选择一条粗一点的线,如1又1/2磅,在右边的各种实框线中,为表格添加“上”、“下”框线。
确定。
(4)下面需要添加标题栏的横线。
打开“视图-工具栏-绘图”,添加绘图工具栏。
点击绘图中的直线工具,按住shift键,手画一条与表格线等长的细线。
(5)此时手绘线可能不在合适的位置,偏上或偏下,按住Alt键,用鼠标移动直线到合适的位置上。
点击工具栏上的“打印预览”,就可以看到一个简单的三线表已经画好了。
还可以修饰一下内容文字,使其与标题文字的位置相配。
表1 试验合金的马氏体相变温度Ms及反铁磁转变温度T N1# 2# 3# 4#Mn(at%) 86.4 80.8 71.3 61.4TN/℃173 157 128 208Ms/℃180 20 -40 <-60。
三线表格制作方法大全(1)先制作一个普通表格。
打开菜单“表格-插入表格”,选择列数“3”、行数“4”,文档中出现一个三列四行的带框线表格。
输入内容,然后将表格各列除第一行外合并单元格(选中要合并的单元格右击选择合并单元格。
(2)鼠标移到在表格左上角,出现四向箭头时选中表格(点黑),打开菜单“格式-边框和底纹”,在设置中选择“无”,取消表格的所有框线。
(3)在线型宽度下拉列表中选择一条粗一点的线,如1又1/2磅,在右边的各种实框线中,为表格添加“上”、“下”和“中间”框线(注:选中间线并不是表示只在中间加一根线,而是加上中间原来存在的线),然后点确定。
完成4.弹出的窗口如图:“名称”一栏可以随便填,这里我们填“三线表”。
“样式基于”这一项可以让你在已有样式的基础上添加一些新的属性,这里我们选择普通表格就行了。
5.重点在“格式应用于”这一栏,我们先选择“整个表格”,然后设置表格的上框线和下框线(点击图中的那个“田”字标记),左边那两个下拉菜单可以设置框线类型和粗细。
6.上面的做好之后再重新选择“格式应用于”一栏,选择“标题行”,设置标题行的下框线,按照要求设置框线类型和粗细。
7.设置好之后点击确定,然后点击应用,当前表格就会被应用上三线表的样式了,大功告成。
8.其它表格只要在第2步的操作之后不新建样式,而是选中列表中的“三线表”直接应用样式就好了。
(提示,有时候设置会不太好使,比如会把三条线设置为同样粗细,这种情况下,你可以在第5步之后直接应用,然后修改“三线表”样式,直接进行第6步再应用,把第5步和第6步分别设置并且应用应该可以解决问题。
)BTW,我们的要求是上下框线1磅,中间那条框线0.75磅,我们把页面放大到500%才看出那么点区别,这论文要求……无语了。
由于缺乏我的指导,寝室的一个家伙是这么画三线表的:在设置好上下框线之后,用绘图工具开始绘制标题行下面那条线,他的表格又挺多,结果搞了一个下午………… Word 排版还是有必要专门学习一下的!(1)先制作一个普通表格。
三线表的规范格式
(三线表)表序 表题
注:
如下例表示:
\
表7 预测渗层表面的成分(小四号黑体) w /% (单位在表的右上角,右空一格)
编号
质量分数
Ni Cr Mo Cu
;
5 预测值
; 12 预测值 { 16 预测值
表
身 ,
¥
极间距d /mm
15
] 20
25
…
17
预测值
-
(表中字用五号宋体)
完毕
《
表3人工神经网络训练与预测值(小五号黑体)
试验编号
源极电压
U∕V 工件电压
U∕V
极间距
d∕mm
气压
~
p∕Pa
吸收率s∕%渗层厚度δ∕μm元素总质量分数w∕%
试验值预测值~
试验值预测值
试验值预测值
11111
—21222
-
31333
?
41444
—
5*212% 3
17*12?
1
1
注:*为检测样本值,试验编号17为正交优化工艺(六号宋体)
|
项目
字体字号
文题黑、宋、楷2,3
责任者署名楷、宋、仿小4,5
文摘—
楷、宋、仿
小5,5
关键词楷、宋小5,5
文摘、关键词标题黑小5,5
1级标题黑、宋、仿、楷·
4,小4 2级标题黑、宋、仿5
3级标题仿、宋5
正文宋5
黑、宋小5
/
图题、图表
图、表内文宋小5,6
短文题黑、楷、仿、宋4
短文宋小5
参考文献宋小5
参考文献标题黑4,小4,5注释、脚注宋6
致谢宋、楷、仿5。
制作规范格式的三线表
操作方法
首先在word在中建立一个表格,需要3行以上
表格建好后,全选表格,可以从word顶部的工具栏里找到“边框和底纹”也可以在选中区域右击,然后选择“边框和底纹”
弹出“边框和底纹”页面后,将各类线全部取消(红色箭头所指的是所应用的边框,将其全部变成蓝色箭头所指的样子)
然后在样式中选择实线,在宽度中选择1.5磅
选择好线条样式后,将其应用到上框线和下框线上,即点亮红圈内的按钮,然后点击确认
成功设置完顶线和底线后,选中第一行,然后右击选择“边框和底纹”
设置选择实线,宽度选择为0.5磅,然后再选择将其运用到下框线(红圈所框),需要注意的是,不要去动上框线(橙圈所框),最后点击确认
最后,便可以获得符合规范的三线表。
制作规范格式的三线表
在写毕业论文、科技论文的时候,要求用三线表。
咋一听三线表,不知道是什么,其实三线表是常用标准用表。
三线表通常只有3条线——顶线、底线和栏目线(没有竖线)。
其中的顶线、底线是粗线,栏目线是细线。
三线表并不一定只有3条线,需要时加辅助线,但无论加多少条辅助线,仍称做三线表。
三线表的组成要素包括:表序、表题、项目栏、表体、表注。
制作一个规范格式的三线表呢?
方法/步骤
打开文档,点“插入”→“表格”→“插入表格”,设置好行、列,先制作一个普通表格。
在写毕业论文、科技论文的时候,要求用三线表。
咋一听三线表,不知道是什么,其实三线表是常用标准用表。
三线表通常只有3条线——顶线、底线和栏目线(没有竖线)。
其中的顶线、底线是粗线,栏目线是细线。
三线表并不一定只有3条线,需要时加辅助线,但无论加多少条辅助线,仍称做三线表。
三线表的组成要素包括:表序、表题、项目栏、表体、表注。
制作一个规范格式的三线表呢?
打开文档,点“插入”→“表格”→“插入表格”,设置好行、列,先制作一个普通表格。
把鼠标放到表的左上角,在十字标志上右击,点“边框和底纹”。
1.在“边框”栏点“无”;
2.颜色设置为黑;
3.宽度设置为1.5
4.在“预览”里点表格的上边框和下边框;
5.点“确定”。
此时是“两线”表,继续制作三线表:
1.点“设计”,设置边框0.75磅(根据你的需要来设)。
2.点“绘制表格”,光标变成笔形时,在表格的第二行从左到右画一条线。
三线表制作完成。
1.表序:表格的序号。
按出现的先后顺序,用阿伯数字连续编号,如“表1”、“表2”等。
2.表题:表格的名称。
要准确得体,简短精炼。
避免用泛指性的词语做表题,如“数据表”、“计算结果”等。
中间不用标点,末尾不加句号。
每个表都必须有表序和表题,表序和表题之间留1个汉字的空格,期间不用任何点号。
3.表头(标目栏):顶线和栏目线之间的横标目和左侧的纵标目部分,栏目是该栏的名称,反映表身中该栏信息的特征或属性。
4.表身(内容栏):栏目线以下的部分。
表身内的数字一般不带单位,百分数也不带百分号,均归并在栏目中;表身中不应有空项,如确无数字,在表注中简要说明,不能轻易写“0”或画“—”线等填空。
表内不宜用“同上” 、“同左” 、“″”一律填入具体的数字或文字。
5.表注:必要时,应将表中的符号、标记、代码,以及需要说明的事项,以最简练的文字,横排于表题下,作为表注,也可以附注于表下。