富士达电梯控制屏操作方法
- 格式:doc
- 大小:34.00 KB
- 文档页数:1
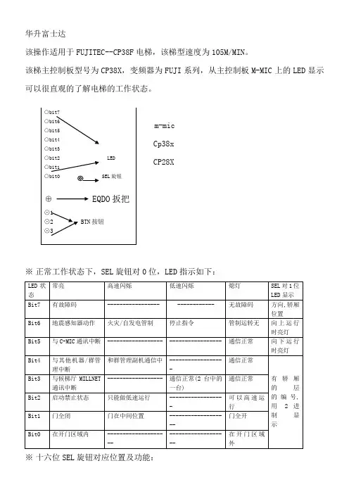
华升富士达该操作适用于FUJITEC--CP38F电梯,该梯型速度为105M/MIN。
该梯主控制板型号为CP38X,变频器为FUJI系列,从主控制板M-MIC上的LED显示可以很直观的了解电梯的工作状态。
Cp38xCP28X※正常工作状态下,SEL旋钮对0位,LED指示如下:※十六位SEL旋钮对应位置及功能:※SEL旋钮对F位,LED显示故障代码:该故障码为十六进制,采用的是BCD码,具体如下:例,显示bit7与bit1,读作82显示bit7,bit6与bit3,读作C8注:清除故障码的方法将SEL旋钮对F位,按住BTN3持续4秒以上,显示bit0----bit7闪烁即可。
※当SEL旋钮对F位,按BTN1显示故障码,每按一次显示一个故障代码,当按住BTN1时,则显示楼层数,此楼层数代表故障发生时电梯所在的楼层。
※机房之检修运行方法:1、在按住BTN3(下)的同时,将EQDO的扳把向上,放松开BTN(下)。
2、按住BTN1(上)时,电梯上升。
按住BTN3(下)时,电梯下降。
3、放下EQDO的扳把,完成操作LED显示:与SEL位置相对应的显示。
※机房之呼叫登录(快车运行)方法:1、在按住BTN2(中)的同时,将EQDO的扳把向上,放松开BTN2(中)。
2、登录层之设定:按BTN1(上),则选定目前位置之上面一层,(连续按2秒,则选定最上层)。
按BTN3(下),则选定目前位置之下面一层,(连续按2秒,则选定最下层)。
3、登录:按住BTN2(中)。
4、放下EQDO的扳把,完成操作。
LED显示登录层。
※FD运行方法(FD自学习模式):1、在按住BTN2(中)的同时,将SEL旋钮放成(2)后,松开BTN2(中),LED闪烁期间再次按BTN2(中)。
2、在按住BTN3(下)或BTN1(上),使门关闭时如果轿厢在高出平层的位置,则开始下降。
其它位置的话,向上运行。
3、将BTN2按住持续4秒以上,完成操作。
LED显示:FD专用显示。
华升富士达电梯调试与维修手册NEW CSVF型第一章慢车调试一、绝缘及电压测量1.低压绝缘电阻测试1)断开与控制变压器相连接的L30线路的接地线(黄绿线)。
2)测量除动力电源、照明电源、开关盒的输出端以外的所有电流断路器,电路保护器的两端与地表间的电阻值。
3)测量通向盘外的所有配线(终端及插件)4)用低压绝缘电阻计(外加电压在5V以下)测量,测量值在5MΩ以上。
2.电源测量1)合上CB3开关变压器1、2号桩AC380V11、12号桩(L30、L40)AC100V13、15号桩AC19VVS20X电源板JB插座A侧B侧间电压均为DC24V。
MC15X继电器断相检测器PW灯亮。
2)合上1SW A开关MC15X继电器板B2、B3(L41、L30)AC100V二、机房独立运行的测试(检测控制屏是否有故障)1.接线确认1)至电机三相动力线U、V、W及接地线E接线正确无误。
2)至旋转编码器的接线及屏蔽接地正确无误。
3)至制动器B10、B20接线正确无误。
4)至限速器P1、P2接线正确无误。
2.短接线路1)MC15X继电器板●TA1-5(P2)↔T2-3(P8)↔T2-5(P8A)井道安全回路●C1-B6(P8C)↔T2-7(P10)轿厢安全回路●T1-3(C1-A4)↔T2-6 (C1-B1)轿门锁●T2-4(P1 5)↔T2-2(P1)厅门联锁●T1-2(P23)↔T1-1(P24)轿顶优先开关2)IF118板●H31-A6(P17)↔H31-B6(C-1)井道上终端限位(LS11)●H32-A6(P18)↔H32-B6(C-2)井道下终端限位(LS21)3.控制慢车运转1)送电后,MC15X继电器板A、B、C、E、F、G二极管亮。
#1E吸合,#6吸合。
2)按住下按钮BTN3,同时打开EQDO开关,然后松开下按钮。
(完成这个操作后,按下中按钮,如果LED的BIT6灯亮的话,说明没有进入“安装运行),此时,关闭EQSO开关,再重新进行一次操作)3)一直按住上按钮,轿厢慢车上行。
精心整理华升富士达电梯调试与维修手册NEWCSVF型第一章慢车调试一、绝缘及电压测量VS20X电源板JB插座A侧B侧间电压均为DC24V。
MC15X继电器断相检测器PW灯亮。
2)合上1SWA开关MC15X继电器板B2、B3(L41、L30)AC100V二、机房独立运行的测试(检测控制屏是否有故障)1.接线确认1)至电机三相动力线U、V、W及接地线E接线正确无误。
2)至旋转编码器的接线及屏蔽接地正确无误。
3)至制动器B10、B20接线正确无误。
3.控制慢车运转1)送电后,MC15X继电器板A、B、C、E、F、G二极管亮。
#1E吸合,#6吸合。
2)按住下按钮BTN3,同时打开EQDO开关,然后松开下按钮。
(完成这个操作后,按下中按钮,如果LED的BIT6灯亮的话,说明没有进入“安装运行),此时,关闭EQSO开关,再重新进行一次操作)3)一直按住上按钮,轿厢慢车上行。
一直按住下按钮,轿2)轿厢顶?轿顶操纵箱连接无误3)控制屏?轿厢顶连接无误4)控制屏?井道各限位连线无误5)轿厢安全回路接通,地坑安全回路接通6)轿厢照明电路接通3.轿顶运转把轿顶上的服务开关AUTO-INSPECT(自动-手动)切到INSPECT(手动)一侧,在安全回路、门锁全部接通的状态下,同时按住RUN和UP,电梯慢车上行。
同时按住RUN和DOWN,效。
3)CTL与OTL开关:开关门终端光电应在门开关闭前3-4mm位置,LED电灯动作,开关检测板与光电管的间隙为2.5±0.5mm。
使马达在能耗制动力距与锁紧弹簧作用下把门关闭与打开,保持良好的自锁状态,无撞击声。
门开足时运行平滑,无撞击声,轿门缩进门套16mm。
4)2IR-1U、2IR-1D、2IR-3三只轿顶感应器与井道感应板的插入尺寸为三位一样10±1mm,感应器与感应板保持安装垂直。
5)光幕:安装应缩进轿门内15mm,离地坎高度为230Ω。
c.当电机动作时,可观察DR8板,DBD,CR6发光二极管信号是否点灯。
华升富士达电梯调试与维修手册NEW CSVF型电梯结构原理及调整和使用管理机房操作功能表:对上表内所列出状态,可用以下操作步骤进行检测:①将SEL调到所要检测的项目后,按住下按钮,SEL的位置则在LED上显示。
②按住上按钮,确认LED的灯全部熄灭。
(若有任何灯亮,则长按上按钮4秒种消灯)③放开上按钮,2秒种后LED的灯一瞬全部点亮,LED上显示出所要检查的状态,如下:门输入(3,3)负载感应器电压(8,0)用LED 确认安全回路的操作方法: ① 将SEL 调到“4”, ② 按4次上按钮,③ 2秒种后LED 的灯一瞬全部点亮,④ LED 上显示出安全回路检测点状态如下:步骤② 步骤③ ④停止时 ④运行时 异常 平常BIT7 ○ ○ ○ ○ ● ○ ○ ● (*K ) BIT6 ○ ○ ○ ○ ● ● ● ● (*I ) BIT5 ○ ○ ○ ○ ● ● ● ● (*H ) BIT4 ○→○→○→ ○→ ● → ● ○ ○ (*D ) BIT3 ○ ○○ ○ ● ● ○ ○ (*E ) BIT2 ○ ○ ○ ○ ● ○ ● ● (*C ) BIT1 ○ ○ ● ● ● ● ● ● (*B ) BIT0 ○ ● ○ ● ● ● ● ● (*A )对上表内所列出的运行方式,可用以下操作步骤进行设定:①按住中间按钮,同时将SEL调到所要设定的项目后,放开中间按钮。
②在LED的灯闪烁时(4秒种内),再按一次中间按钮并放开。
这样,就成了SEL所显示的运转方式。
这以后直到进行第③步为止,再调节SEL或重新启动电源,运转方式都不会改变。
③持续按住中间按钮4秒钟以上,运转方式变为通常运转。
LED的灯全亮,手可放开按钮。
华升富士达电梯调试与维修手册NEW CSVF型第一章慢车调试一、绝缘及电压测量1.低压绝缘电阻测试1)断开与控制变压器相连接的L30线路的接地线(黄绿线)。
2)测量除动力电源、照明电源、开关盒的输出端以外的所有电流断路器,电路保护器的两端与地表间的电阻值。
控制屏上的一般操作方法【安装运行】开始:将轿顶、轿内的自动/手动开关均切换到自动位。
按住下按钮,同时将EQDO开关切到ON,然后放开按钮。
运转:按动上按钮,轿厢慢车向上。
按动下按钮,轿厢慢车向下。
结束:将EQDO开关切到OFF。
【呼叫记录】开始:按动上按钮,同时将EQDO开关切到ON,然后放开。
实行:按动上按钮,上面的一层(按住2秒以上,顶层)即被预约。
按动下按钮,下面的一层(按住2秒以上,底层)即被参预约。
按住中按钮,以上被预约的楼层即被记录下来。
保持按住中按钮,门将被关闭。
结束:将EQDO开关切到OFF。
【楼层选择器的错开】开始:按住上按钮,同时将EQDO开关切到ON,然后放开按钮实行:按动上按钮,上面的一层(按住2秒以上,顶层)即被预约。
按动下按钮,下面的一层(按住2秒以上,底层)即被预约。
按住中按钮,以上被预约的楼层上的选择器即错开。
结束:将EQDO开关切到OFF在“呼叫记录”,“楼层选择器的错开”的实行过程中,所记录的呼叫楼层和选择器错开的楼层将会在LED的bit0~bit7上以2进制数显示出来。
(操作开始之初显示的是当时轿厢所处的楼层)bit7□□□□□□□□□□□□□bit6□□□□□□□□□□□□□bit5□□□□□□□□□□□□□bit4□□□□□□□□□□□□□bit3□□□□□□□■■■■■■bit2□□□■■■■□□□□■■bit1□■■□□■■□□■■□□bit0■□■□■□■□■□■□■12345678910111213……【用LED确认运转方式的方法】将SEL开关调到〖2〗(1)按住下按钮,SEL的位置会在LED上显示出来。
Bit7bit6bit5bit4bit3bit2bit1bit0■□□□□□□□SEL的位置显示(2)按住上按钮,确认LED的灯全部熄灭。
(如果LED中有任何一个灯是亮的,按住上按钮4秒钟以上,LED的灯会全部熄灭)手放开上按钮,2秒钟以后LED灯一瞬全部点亮,接着“运转方式”以2进制数显示在LED上。
华升富士达电梯调试与维修手册NEW CSVF型第一章慢车调试一、绝缘及电压测量1.低压绝缘电阻测试1)断开与控制变压器相连接的L30线路的接地线(黄绿线)。
2)测量除动力电源、照明电源、开关盒的输出端以外的所有电流断路器,电路保护器的两端与地表间的电阻值.3)测量通向盘外的所有配线(终端及插件)4)用低压绝缘电阻计(外加电压在5V以下)测量,测量值在5MΩ以上。
2.电源测量1)合上CB3开关变压器1、2号桩AC380V11、12号桩(L30、L40)AC100V13、15号桩AC19VVS20X电源板JB插座A侧B侧间电压均为DC24V。
MC15X继电器断相检测器PW灯亮.2)合上1SW A开关MC15X继电器板B2、B3(L41、L30)AC100V二、机房独立运行的测试(检测控制屏是否有故障)1.接线确认1)至电机三相动力线U、V、W及接地线E接线正确无误.2)至旋转编码器的接线及屏蔽接地正确无误。
3)至制动器B10、B20接线正确无误。
4)至限速器P1、P2接线正确无误.2.短接线路1)MC15X继电器板●TA1—5(P2)↔T2-3(P8)↔T2—5(P8A)井道安全回路●C1—B6(P8C)↔T2—7(P10) 轿厢安全回路●T1—3(C1-A4)↔T2-6 (C1-B1) 轿门锁●T2—4(P1 5)↔T2—2(P1) 厅门联锁●T1—2(P23)↔T1—1(P24)轿顶优先开关2)IF118板●H31—A6(P17)↔H31—B6(C—1) 井道上终端限位(LS11)●H32—A6(P18)↔H32-B6(C-2)井道下终端限位(LS21)3.控制慢车运转1)送电后,MC15X继电器板A、B、C、E、F、G二极管亮.#1E吸合,#6吸合。
2)按住下按钮BTN3,同时打开EQDO开关,然后松开下按钮。
(完成这个操作后,按下中按钮,如果LED的BIT6灯亮的话,说明没有进入“安装运行),此时,关闭EQSO开关,再重新进行一次操作)3)一直按住上按钮,轿厢慢车上行。
CP28型电梯维修手册(电气故障排除内部使用)华升富士达电梯有限公司上海工程部目录一.电气元件说明八.变频器输出电压的调整与设定1. 电源开关与保险丝的代号与说明 1.G11S变频器密码打开的方法2. 接触器继电器代号 2.变频器输出电压的调整对应数据3. 电器元件代号九.变频器故障确认二.M-MIC上3个按钮的作用 1. G11S变频器报警画面层次三.M-MIC的LED显示与操作 2. G11S变频器故障确认图1 .操作方法 3. SLI900变频器故障确认图2. M-MIC的LED显示全部配置内容3. M-MIC的LED的普通显示4. 01编号内容6. 远行模式与显示值的对应四.M-MIC事件码一览表五.变频器事件码一览表六.载重信息有关功能1.修正载重信息2 .载重信息功能有关的数据3. AJ相关的数据七.FD相关的尺寸与地址1. 井道限位开关尺寸2. FD运行后井道限位开关的数据一.电气元件说明:1.电源开关与保险丝的代号与作用2.接触器继电器代号3.电器元件代号二.M-MIC(CP28板)上3个按钮的作用上部按钮(BTN1)——UP、增大、ON/中部按钮(BTN2)——确定、补助/下部按钮(BTN3)——DN、减少、OFF三.M-MIC的LED显示与操作1.操作方法2.M-MIC的LED显示全部配置内容确认与操作: 按下部按钮确认,按上部按钮4秒消灯为0 0再按计数 (见下图)●按下部按钮时 ○Bit7亮灯 ○ ○位置 3.M-MIC 的LED 的普通显示4. 0.1编号内容5.SEL 与 LED 数据编号内容 (前位为LED.后位为十六进制数)6.运行模式与显示值的对应;数据编号(2.0)(也可用PMC¥2180 BYTE确认)四.M-MIC事件码一览表1.按上部按钮显示前一个事件码,连续按可显示20个事件码2.按下部按钮显示SLE设定位置3.松开下部按钮显示最后一个事件码,连续按住下部按钮4秒事件码清除M-MIC事件码一览表五.变频器事件码一览表一览表六.载重信息有关功能1.修正载重信息在ASR窗口,把地址80B0形式INT由4660→0这样在一瞬间会自动返回原来4660值。
华升富士达电梯调试与维修手册NEW CSVF型第一章慢车调试一、绝缘及电压测量1.低压绝缘电阻测试1)断开与控制变压器相连接的L30线路的接地线(黄绿线)。
2)测量除动力电源、照明电源、开关盒的输出端以外的所有电流断路器,电路保护器的两端与地表间的电阻值。
3)测量通向盘外的所有配线(终端及插件)4)用低压绝缘电阻计(外加电压在5V以下)测量,测量值在5MΩ以上。
2.电源测量1)合上CB3开关变压器1、2号桩AC380V11、12号桩(L30、L40)AC100V13、15号桩AC19VVS20X电源板JB插座A侧B侧间电压均为DC24V。
MC15X继电器断相检测器PW灯亮。
2)合上1SW A开关MC15X继电器板B2、B3(L41、L30)AC100V二、机房独立运行的测试(检测控制屏是否有故障)1.接线确认1)至电机三相动力线U、V、W及接地线E接线正确无误。
2)至旋转编码器的接线及屏蔽接地正确无误。
3)至制动器B10、B20接线正确无误。
4)至限速器P1、P2接线正确无误。
2.短接线路1)MC15X继电器板●TA1-5(P2)↔T2-3(P8)↔T2-5(P8A)井道安全回路●C1-B6(P8C)↔T2-7(P10)轿厢安全回路●T1-3(C1-A4)↔T2-6 (C1-B1)轿门锁●T2-4(P1 5)↔T2-2(P1)厅门联锁●T1-2(P23)↔T1-1(P24)轿顶优先开关2)IF118板●H31-A6(P17)↔H31-B6(C-1)井道上终端限位(LS11)●H32-A6(P18)↔H32-B6(C-2)井道下终端限位(LS21)3.控制慢车运转1)送电后,MC15X继电器板A、B、C、E、F、G二极管亮。
#1E吸合,#6吸合。
2)按住下按钮BTN3,同时打开EQDO开关,然后松开下按钮。
(完成这个操作后,按下中按钮,如果LED的BIT6灯亮的话,说明没有进入“安装运行),此时,关闭EQSO开关,再重新进行一次操作)3)一直按住上按钮,轿厢慢车上行。
富士达电梯控制屏操作方法开始:将轿顶、轿内的自动 / 手动开关均切换到自动位。
按住下按钮,同时将 EQDO 开关切到 ON ,然后放开按钮。
运转:按动上按钮,轿厢慢车向上。
按动下按钮,轿厢慢车向下。
结束:将 EQDO 开关切到 OFF 。
富士达CP28(38)故障码读取方法富士达CP28(38)故障码读取方法 2.故障代码的读识故障代码由两位16进制数组成,bit0~bit3组成低位数,bit4~bit7组成高位数 bit7--------=8 bit6--------=4 bit5--------=2 bit4-- -----=1 bit3 -----------=8 bit2-----------=4 bit1-----------=2 bit0-----------=1 例如:bit0,bit1,bit2,bit 6,bit7亮,其余都熄灭。
由bit6,bit7亮,8+4=12(十进制)=C(十六进制),作为高位数由bit0,bit1, bit2亮,4+2+1=7(十进制)=7(十六进制),作为低位数得出此故障代码为C7,经查故障代码表,可以得知为“门光电装置不动作”故障。
/viewthread.php?tid=1275327&fromuid=335192富士达故障码E9是什么故障?求教!我有一台富士达电梯,用户报修电梯停在3楼平层,无法运行,我到现厂检查后故障码是,bit7,bit6,bit5,bi t3bit0,亮。
我算故障是E9,但是无此故障,最后查明是电梯底坑涨绳轮开关动作,复位后电梯运行正常。
此故障是我算的不对还是故障码不全啊?请高手指教!有呀查的是给信息显示的通信异常。
富士达故障代码识别1、障码的读取方法将 SEL 开关旋到“ F ”位置,则会显示最新的故障码。
如无故障码则 LED 全部闪烁。
按住上按钮不放,显示前面故障码的附加信息。
松开上按钮,显示下一个故障码。
以此类推,可显示 20 个故障码,全部故障码显示后, LED 全部闪烁。
华升富士达电梯调试与维修手册NEW CSVF型电梯结构原理及调整和使用管理机房操作功能表:对上表内所列出状态,可用以下操作步骤进行检测:①将SEL调到所要检测的项目后,按住下按钮,SEL的位置则在LED上显示。
②按住上按钮,确认LED的灯全部熄灭。
(若有任何灯亮,则长按上按钮4秒种消灯)③放开上按钮,2秒种后LED的灯一瞬全部点亮,LED上显示出所要检查的状态,如下:用LED 确认安全回路的操作方法: ① 将SEL 调到“4”, ② 按4次上按钮,③ 2秒种后LED 的灯一瞬全部点亮,④ LED 上显示出安全回路检测点状态如下:步骤② 步骤③ ④停止时 ④运行时 异常 平常BIT7 ○ ○ ○ ○ ● ○ ○ ● (*K ) BIT6 ○ ○ ○ ○ ● ● ● ● (*I ) BIT5 ○ ○ ○ ○ ● ● ● ● (*H ) BIT4 ○→○→○→ ○→ ● → ● ○○ (*D ) BIT3 ○ ○ ○ ○ ● ● ○ ○ (*E ) BIT2 ○ ○ ○ ○ ● ○ ● ● (*C ) BIT1 ○ ○ ● ● ● ● ● ● (*B ) BIT0 ○ ● ○ ● ● ● ● ● (*A )对上表内所列出的运行方式,可用以下操作步骤进行设定:①按住中间按钮,同时将SEL调到所要设定的项目后,放开中间按钮。
②在LED的灯闪烁时(4秒种内),再按一次中间按钮并放开。
这样,就成了SEL所显示的运转方式。
这以后直到进行第③步为止,再调节SEL或重新启动电源,运转方式都不会改变。
③持续按住中间按钮4秒钟以上,运转方式变为通常运转。
LED的灯全亮,手可放开按钮。
华升富士达电梯调试与维修手册NEW CSVF型第一章慢车调试一、绝缘及电压测量1.低压绝缘电阻测试1)断开与控制变压器相连接的L30线路的接地线(黄绿线)。
2)测量除动力电源、照明电源、开关盒的输出端以外的所有电流断路器,电路保护器的两端与地表间的电阻值。
CP28型电梯维修手册(电气故障排除内部使用)华升富士达电梯有限公司上海工程部目录一.电气元件说明八.变频器输出电压的调整与设定1. 电源开关与保险丝的代号与说明 1.G11S变频器密码打开的方法2. 接触器继电器代号 2.变频器输出电压的调整对应数据3. 电器元件代号九.变频器故障确认二.M-MIC上3个按钮的作用 1. G11S变频器报警画面层次三.M-MIC的LED显示与操作 2. G11S变频器故障确认图1 .操作方法 3. SLI900变频器故障确认图2. M-MIC的LED显示全部配置内容3. M-MIC的LED的普通显示4. 01编号内容6. 远行模式与显示值的对应四.M-MIC事件码一览表五.变频器事件码一览表六.载重信息有关功能1.修正载重信息2 .载重信息功能有关的数据3. AJ相关的数据七.FD相关的尺寸与地址1. 井道限位开关尺寸2. FD运行后井道限位开关的数据一.电气元件说明:1.电源开关与保险丝的代号与作用2.接触器继电器代号3.电器元件代号二.M-MIC(CP28板)上3个按钮的作用上部按钮(BTN1)——UP、增大、ON/中部按钮(BTN2)——确定、补助/下部按钮(BTN3)——DN、减少、OFF三.M-MIC的LED显示与操作1.操作方法2.M-MIC的LED显示全部配置内容确认与操作: 按下部按钮确认,按上部按钮4秒消灯为0 0再按计数 (见下图)●按下部按钮时 ○Bit7亮灯 ○ ○位置 3.M-MIC 的LED 的普通显示4. 0.1编号内容5.SEL 与 LED 数据编号内容 (前位为LED.后位为十六进制数)6.运行模式与显示值的对应;数据编号(2.0)(也可用PMC¥2180 BYTE确认)四.M-MIC事件码一览表1.按上部按钮显示前一个事件码,连续按可显示20个事件码2.按下部按钮显示SLE设定位置3.松开下部按钮显示最后一个事件码,连续按住下部按钮4秒事件码清除M-MIC事件码一览表五.变频器事件码一览表一览表六.载重信息有关功能1.修正载重信息在ASR窗口,把地址80B0形式INT由4660→0这样在一瞬间会自动返回原来4660值。
最近楼层服务运转(安全停靠)当电梯在层与层之间发生故障而未能自动排除,电梯自动检出并判明不影响运行安全时,电梯会以低速自动行至最近楼层停靠开门,让乘客离开轿厢。
不能开门时救出运转(安全停靠)当电梯平层时,因为厅门地坎夹有小石头等异物门不能打开时,按"开门按钮"、"关门按钮"、"选层按钮"或者安全触板动作时,电梯将运行到邻接的楼层,将乘客救出。
故障电梯自动分离(联控、群控)当联控或群控系统中的一台电梯发生故障时,会自动脱离系统以保证其他电梯的正常运行。
基准层返回(联控、群控)当下列条件满足时,轿厢会自动返回基准层,开门待机:a )应答最后呼叫后在设定的时间内没有其他呼叫。
b )其他轿厢没有进入基准层返回运行状态。
c )在基准层上没有其他轿厢停靠。
司机操作a )轿厢可应答轿厢内与候梯厅的呼叫。
b )当轿厢在停止状态时,可使用轿厢操作盘内的"上行"或"下行"按钮设定运行方向,可连续按压"上行"或"下行"按钮,亦可使门关闭。
c )如操作"通过"按钮时,轿厢即超越候梯厅呼叫,直达轿厢呼叫的最近楼层。
专用运转轿厢操作盘上设有专用运转开关,打开此开关后电梯只应答轿厢内选层,不应答候梯厅的呼叫,此钥匙只能在退出专用运转状态后方能拔出。
开门报警电梯运行中或停止于平层区以外时,如果有人在轿厢里强行扒门,则蜂鸣器发出连续的报警声以示警告。
如果电梯运行中警告声已经响起,乘客却继续扒门,导致门被打开,则电梯将保护性停车,直到确认门关上后再启动。
超载报警超过电梯载重量110%时,轿厢蜂鸣器发出断续的警告声,并且轿厢操作盘显示"超载",同时阻止轿厢的关门动作。
防捣乱功能如同时按下三个按钮或在短时间内按下四个以上按钮,或者即使轿厢内载重在100公斤以下,有4个以上的轿厢被呼叫时,则会取消所有轿厢呼叫。
富士FFA电梯控制系统使用说明书编写单位:波力国际贸易(上海)有限公司版本号:000出版说明内容提要感谢使用富士FFA智能型串行电梯控制系统。
本手册对富士FFA智能型串行电梯控制系统及其辅件的结构原理、调试使用等进行了简洁系统的阐述。
本手册可作为采用我司电梯专用控制器进行系统设计的参考资料,也可作为系统安装、调试、维护的使用资料。
读者对象用户电梯控制设计人员电梯调试人员工程维护人员用户技术支援人员目录第一章简要介绍 (4)第二章各控制器详细介绍 (7)第三章参数菜单 (13)第四章安装及调试 (20)第五章故障说明 (22)第一章简要介绍1.1 前言富士FFA串行电梯控制系统是一款包含日本富士电机生产的原装中央处理板、I/O接口板和国内成熟电梯控制系统器件厂家生产的外部设备构成的一套高性能低价格电梯控制系统。
她是以可靠、低价、功能全、易维护、易使用、美观为设计思想。
系统采用原装中央处理板,具有快速的处理电梯运行程序、数据信号交换、显示屏人机界面;确保可靠运行电梯控制程序;且速度快,PHILIPS公司SJA1000T现场CAN总线;以及TJA1050BUS接口,最新串行存贮技术记录数据;外部看门狗及控制芯片内部看门狗功能组成两级程序监视,确保控制程序正常运行;大电流开关电源LM2596确保系统工作电源稳定,且对供电电源要求低;高速光电隔离光藕及微机内部分频技术,使NW3P08-41C(42C)中央处理板可接收高达1相100KHZ*2CH或2相50KHZ*1CH432bit的计数脉冲。
较少的集成电路,加上全新的电梯控制编程方法,NW3P08-41C(42C)实现了简单则可靠、简单则低价、简单则易维护等设计要求。
微机各功能器件模块式集中布局,电路原理一目了然,具有极高的抗干扰能力。
整板设计美观,接线方便。
NW3P08-41C(42C)用户可自行编制电梯程序,并且三级密码保护功能。
由于有以上的优点,NW3P08-41C(42C)微机自推出以来赢得众多用户使用和好评,是一款性价比极高的微机。
富士FFA电梯控制系统使用说明书编写单位:波力国际贸易(上海)有限公司版本号:000出版说明内容提要感谢使用富士FFA智能型串行电梯控制系统。
本手册对富士FFA智能型串行电梯控制系统及其辅件的结构原理、调试使用等进行了简洁系统的阐述。
本手册可作为采用我司电梯专用控制器进行系统设计的参考资料,也可作为系统安装、调试、维护的使用资料。
读者对象用户电梯控制设计人员电梯调试人员工程维护人员用户技术支援人员目录第一章简要介绍 (4)第二章各控制器详细介绍 (7)第三章参数菜单 (13)第四章安装及调试 (20)第五章故障说明 (22)第一章简要介绍1.1 前言富士FFA串行电梯控制系统是一款包含日本富士电机生产的原装中央处理板、I/O接口板和国内成熟电梯控制系统器件厂家生产的外部设备构成的一套高性能低价格电梯控制系统。
她是以可靠、低价、功能全、易维护、易使用、美观为设计思想。
系统采用原装中央处理板,具有快速的处理电梯运行程序、数据信号交换、显示屏人机界面;确保可靠运行电梯控制程序;且速度快,PHILIPS公司SJA1000T现场CAN总线;以及TJA1050BUS接口,最新串行存贮技术记录数据;外部看门狗及控制芯片内部看门狗功能组成两级程序监视,确保控制程序正常运行;大电流开关电源LM2596确保系统工作电源稳定,且对供电电源要求低;高速光电隔离光藕及微机内部分频技术,使NW3P08-41C(42C)中央处理板可接收高达1相100KHZ*2CH或2相50KHZ*1CH432bit的计数脉冲。
较少的集成电路,加上全新的电梯控制编程方法,NW3P08-41C(42C)实现了简单则可靠、简单则低价、简单则易维护等设计要求。
微机各功能器件模块式集中布局,电路原理一目了然,具有极高的抗干扰能力。
整板设计美观,接线方便。
NW3P08-41C(42C)用户可自行编制电梯程序,并且三级密码保护功能。
由于有以上的优点,NW3P08-41C(42C)微机自推出以来赢得众多用户使用和好评,是一款性价比极高的微机。
富士达电梯控制屏操作方法
【安装运行】
开始:将轿顶、轿内的自动/ 手动开关均切换到自动位。
按住下按钮,同时将EQDO 开关切到ON ,然后放开按钮。
运转:按动上按钮,轿厢慢车向上。
按动下按钮,轿厢慢车向下。
结束:将EQDO 开关切到OFF 。
【呼叫记录】
开始:按动上按钮,同时将EQDO 开关切到ON ,然后放开。
实行:按动上按钮,上面的一层(按住 2 秒以上,顶层)即被预约。
按动下按钮,下面的一层(按住 2 秒以上,底层)即被预约。
按住中按钮,以上被预约的楼层即被记录下来。
保持按住中按钮,门将被关闭。
结束:将EQDO 开关切到OFF 。
【楼层选择器的错开】
开始:按住上按钮,同时将EQDO 开关切到ON ,然后放开按钮
实行:按动上按钮,上面的一层(按住 2 秒以上,顶层)即被预约。
按动下按钮,下面的一层(按住 2 秒以上,底层)即被预约。
按住中按钮,以上被预约的楼层上的选择器即错开。
结束:将EQDO 开关切到OFF
在“呼叫记录”,“楼层选择器的错开”的实行过程中,所记录的呼叫楼层和选择器错开的楼层将会在LED 的bit0~bit7 上以2 进制数显示出来。
(操作开始之初显示的是当时轿厢所处的楼层)
bit 7 □ □ □ □ □ □ □ □ □ □ □ □
bit 6 □ □ □ □ □ □ □ □ □ □ □ □
bit 5 □ □ □ □ □ □ □ □ □ □ □ □
bit 4 □ □ □ □ □ □ □ □ □ □ □ □
bit 3 □ □ □ □ □ □ □ ■ ■ ■ ■ ■
bit 2 □ □ □ ■ ■ ■ ■ □ □ □ □ ■
bit 1 □ ■ ■ □ □ ■ ■ □ □ ■ ■ □
bit 0 ■ □ ■ □ ■ □ ■ □ ■ □ ■ □
表示--1--2--3--4--5--6--7--8--9--10-11-12 ……
平常表示【SEL=0 数据=0 】时LED 的显示。