公共场所卫生行政许可现场审核表.doc
- 格式:doc
- 大小:28.00 KB
- 文档页数:6
江苏省卫生厅关于下发《江苏省公共场所卫生行政许可审批程序(试行)》的通知正文:---------------------------------------------------------------------------------------------------------------------------------------------------- 江苏省卫生厅关于下发《江苏省公共场所卫生行政许可审批程序(试行)》的通知(苏卫监督〔2007〕50号)各市卫生局,省卫生监督所:为进一步规范全省公共场所卫生行政许可行为,根据《中华人民共和国行政许可法》、《公共场所卫生管理条例》和《卫生行政许可管理办法》等规定,我们组织有关人员制定了《江苏省公共场所卫生行政许可审批程序(试行)》,现印发给你们,请遵照执行。
执行中有何问题和建议,请及时与我厅卫生监督处联系。
附件:江苏省公共场所卫生行政许可审批程序(试行)二○○七年八月六日附件:江苏省公共场所卫生行政许可审批程序(试行)一、依据《中华人民共和国行政许可法》、《公共场所卫生管理条例》和卫生部《卫生行政许可管理办法》的规定,制定本程序。
二、凡我省境内的公共场所经营单位,应当先向县级以上卫生行政部门提出申请,取得卫生许可证后,方可向有关行政管理部门申请登记营业,并在许可范围内的从事经营活动。
实行卫生行政许可的公共场所的范围,按国家规定确定。
三、县级以上卫生行政部门承担本辖区内的公共场所卫生监督管理工作,负责公共场所经营单位卫生行政许可的申报受理、现场审核工作和日常卫生监督工作。
四、拟从事公共场所经营的单位(以下简称申请人)应当向所在地县级以上卫生行政部门申请卫生许可,申请时应当提交下列有关材料(一式两份):(一)江苏省公共场所卫生行政许可申请表;(二)法定代表人或负责人资格证明材料;(三)公共场所经营单位总体平面图和周围环境平面图;(四)公共场所经营项目布局及卫生设施平面布局图;(五)卫生设备和消毒、检验设备清单;(六)卫生行政部门认可的检验机构出具的公共场所卫生检测报告书;(七)从业人员健康检查、卫生知识培训合格证明材料;(八)卫生质量控制体系相关材料(包括卫生管理组织、管理制度、卫生安全保障措施等)。
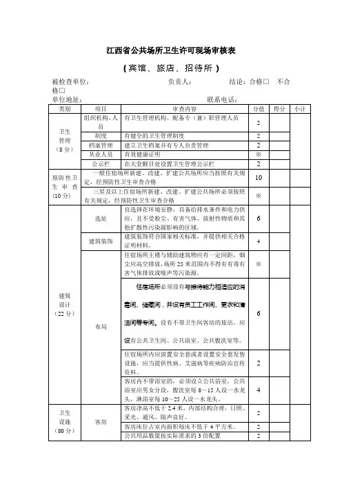
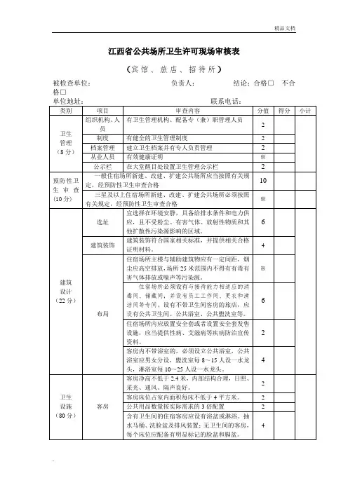
江西省公共场所卫生许可现场审核表(宾馆、旅店、招待所)被检查单位:负责人:结论:合格□不合格□注:1、该表格适用于住宿业;2、※是关健审查项目,如果有一项不符合要求,则评为不合格。
3、审查内容单项分值“6分、4分、2分”是按风险大小而定。
符合要求,该单项得满分;不符合要求,该单项不得分。
4、可以有合理缺项,但需标化,标化分=所得分数÷该单位应得分数×1005、关键项目全部合格,同时标化分≥60分,判为合格;否则为不合格。
得分:标化得分:关键项目:合格不合格陪同检查人:现场审核人员:检查时间:年月日时江西省公共场所卫生许可现场审核表(公共浴室)被检查单位:负责人:结论:合格□不合格□注:1、该表格适用于一切从事经营服务的沐浴场所,包括浴场(含会馆、会所、俱乐部内所设的浴场)、桑拿中心(含宾馆、饭店、酒店、娱乐城内设的桑拿部和水吧SPA)、浴室(含浴池、洗浴中心)、温泉浴、足浴等,不含婴儿洗浴。
2、※是关健审查项目,如果有一项不符合要求,则评为不合格。
3、审查内容单项分值“10分、5分”是按风险大小而定。
符合要求,该单项得满分;不符合要求,该单项不得分。
4、可以有合理缺项,但需标化,标化分=所得分数÷该单位应得分数×1005、关键项目全部合格,同时标化分≥60分,判为合格;否则为不合格。
得分:标化得分:关键项目:合格不合格陪同检查人:现场审核人员:检查时间:年月日时江西省公共场所卫生许可现场审核表(理发店、美容店)被检查单位:负责人:结论:合格□不合格□单位地址:联系电话:计、修剪造型、发质养护和烫染等服务的场所和运用手法技艺、器械设备并借助化妆、美容护肤等产品,为顾客提供非创伤性和非侵入性的洁肤、护肤、保养、护理、修饰等服务的场所。
含婚纱摄影场所,不包括开展医疗美容项目的场所和流动理发摊点。
2、※是关健审查项目,如果有一项不符合要求,则评为不合格。
3、审查内容单项分值“10分、5分”是按风险大小而定。
附件1东营市公共场所卫生行政许可现场审查表说明一、卫生管理(一)卫生管理组织机构、人员。
要求公共场所经营者根据自身单位规模大小建立相应的组织机构,大型以上的单位应建立卫生管理委员会,内设主任、副主任、成员;中型场所应建立卫生管理小组,内设组长、副组长、组员;小型场所也应设置卫生负责人。
要根据本单位情况明确各人的岗位和承担的卫生管理职责。
管理组织机构配置的卫生管理人员必须是具备一定卫生管理水平和相应卫生知识的专职或兼职人员。
(二)卫生管理制度。
公共场所经营者应根据自身实际情况建立以下制度:公共场所突发公共卫生事件应急预案或制度(中型以上公共场所单位制定);公共场所传染病防治制度(中型以上公共场所单位制定);证照管理制度;从业人员健康检查、卫生知识培训考核及个人卫生管理制度;卫生管理档案制度;公用用品用具购买、验收、储存及清洗、消毒、保洁更换制度;消毒工作规程(根据所使用的消毒方式制定);场所自身检查与检测制度;禁烟制度;岗位卫生责任制(根据场馆服务人员的岗位制定);卫生检查制度;集中空调通风系统卫生管理制度(有集中空调的单位制定);二次供水设施卫生管理制度(有二次供水设施的单位制定);禁止出租游泳衣裤管理制度、水质循环净化消毒制度和水质监测制度(有游泳场所的单位制定);设施设备保养维护制度。
(三)从业人员管理要求。
公共场所从业人员上岗前必须持有有效的健康体检合格证和卫生知识培训合格证。
(四)公示栏。
要求在公共场所前厅(台)醒目位置设置卫生管理公示栏,内容为与卫生管理有关的内容,包括卫生许可证、负责人、卫生管理员、从业人员健康证明、公共场所信誉等级、日常卫生监督意见书和卫生监测报告等信息。
(五)禁止标示。
公共场所各功能区要设置醒目的禁止吸烟警语和标志。
游泳场所应在醒目处设置“严禁肝炎、重症沙眼、急性出血性结膜炎、中耳炎、肠道传染病、精神病、性病等患者和酗酒者进入”的明显标志。
公共浴室应在醒目处设置“禁止患性病和各种传染性皮肤病的顾客就浴”的明显标志。
公共场所卫生行政许可现场审查意见书2012-013 被审查单位:通江县紫云轩茶楼负责人:赵松涛经营地址:通江县诺江镇瑞景新城2楼联系电话:186****9917审查项目:茶座营业面积:260平方米现场审查意见:经现场审查:一、该茶楼未建立卫生管理制度和公共用品、用具清洗、消毒、保洁卫生制度。
二、从业人员应体检6人,已体检1人;卫生知识培训04人,考核合格0人。
三、有对顾客使用的公共用具(茶具、茶杯)洗刷设施、无消毒设施和消毒记录。
四、不能提供经营场所卫生指标检测合格报告书。
五、该茶楼不符合申办公共场所《卫生许可证》条件。
以上审查意见上报大队请领导审核。
现场审查人员:2012年4月 27 日卫生监督机构意见:负责人签名:公共场所卫生行政许可现场审查意见书2011-039 被审查单位:美希造型发屋负责人:屈建国经营地址:通江县诺江镇钟鼓楼街联系电话:180****8678审查项目:理发营业面积:20平方米现场审查意见:经现场审查:一、该店不能提供经营场所卫生指标检测合格报告书。
二、该店不符合申办公共场所《卫生许可证》条件,上报大队请领导审核。
现场审查人员:2011年8月29日卫生监督机构意见:负责人签名:年月日公共场所卫生行政许可现场审查意见书2011-040 被审查单位:通江县汽车运输158队车站旅馆负责人:张清芳经营地址:通江县诺江镇诺江西路联系电话:7188818审查项目:住宿营业面积:160平方米现场审查意见:经现场审查:一、该店经营面积160平方米。
二、从业人员应体检2人,已体检2人;卫生知识培训2人,考核合格2人。
三、有对顾客使用的公共用具洗刷设施、消毒设施。
四、能提供经营场所卫生指标检测合格报告书。
五、该店符合申办公共场所《卫生许可证》条件,上报大队请领导审核。
现场审查人员:2011年9月13日卫生监督机构意见:负责人签名:年月日公共场所卫生行政许可现场审查意见书2011-041 被审查单位:金华百度负责人:雷秀英经营地址:通江县诺江镇文庙街5号联系电话:135****3821审查项目:茶座营业面积:360平方米现场审查意见:经现场审查:一、该店经营面积360平方米。
江西省公共场所卫生许可现场审核表(宾馆、旅店、招待所)被检查单位:负责人:结论:合格□不合格□单位地址:联系电话:注:1、该表格适用于住宿业;2、※是关健审查项目,如果有一项不符合要求,则评为不合格。
3、审查内容单项分值“6分、4分、2分”是按风险大小而定。
符合要求,该单项得满分;不符合要求,该单项不得分。
4、可以有合理缺项,但需标化,标化分=所得分数÷该单位应得分数×1005、关键项目全部合格,同时标化分≥60分,判为合格;否则为不合格。
得分:标化得分:关键项目:合格不合格陪同检查人:现场审核人员:检查时间:年月日时江西省公共场所卫生许可现场审核表(公共浴室)被检查单位:负责人:结论:合格□不合格□注:1、该表格适用于一切从事经营服务的沐浴场所,包括浴场(含会馆、会所、俱乐部内所设的浴场)、桑拿中心(含宾馆、饭店、酒店、娱乐城内设的桑拿部和水吧SPA)、浴室(含浴池、洗浴中心)、温泉浴、足浴等,不含婴儿洗浴。
2、※是关健审查项目,如果有一项不符合要求,则评为不合格。
3、审查内容单项分值“10分、5分”是按风险大小而定。
符合要求,该单项得满分;不符合要求,该单项不得分。
4、可以有合理缺项,但需标化,标化分=所得分数÷该单位应得分数×1005、关键项目全部合格,同时标化分≥60分,判为合格;否则为不合格。
得分:标化得分:关键项目:合格不合格陪同检查人:现场审核人员:检查时间:年月日时江西省公共场所卫生许可现场审核表(理发店、美容店)被检查单位:负责人:结论:合格□不合格□单位地址:联系电话:烫发等产品,为顾客提供发型设计、修剪造型、发质养护和烫染等服务的场所和运用手法技艺、器械设备并借助化妆、美容护肤等产品,为顾客提供非创伤性和非侵入性的洁肤、护肤、保养、护理、修饰等服务的场所。
含婚纱摄影场所,不包括开展医疗美容项目的场所和流动理发摊点。
2、※是关健审查项目,如果有一项不符合要求,则评为不合格。
江西省公共场所卫生许可现场审核表(宾馆、旅店、招待所)被检查单位:负责人:结论:合格□不合格□注:1、该表格适用于住宿业;2、※是关健审查项目,如果有一项不符合要求,则评为不合格。
3、审查内容单项分值“6分、4分、2分”是按风险大小而定。
符合要求,该单项得满分;不符合要求,该单项不得分。
4、可以有合理缺项,但需标化,标化分=所得分数÷该单位应得分数×1005、关键项目全部合格,同时标化分≥60分,判为合格;否则为不合格。
得分:标化得分:关键项目:合格不合格陪同检查人:现场审核人员:检查时间:年月日时江西省公共场所卫生许可现场审核表(公共浴室)被检查单位:负责人:结论:合格□不合格□注:1、该表格适用于一切从事经营服务的沐浴场所,包括浴场(含会馆、会所、俱乐部内所设的浴场)、桑拿中心(含宾馆、饭店、酒店、娱乐城内设的桑拿部和水吧SPA)、浴室(含浴池、洗浴中心)、温泉浴、足浴等,不含婴儿洗浴。
2、※是关健审查项目,如果有一项不符合要求,则评为不合格。
3、审查内容单项分值“10分、5分”是按风险大小而定。
符合要求,该单项得满分;不符合要求,该单项不得分。
4、可以有合理缺项,但需标化,标化分=所得分数÷该单位应得分数×1005、关键项目全部合格,同时标化分≥60分,判为合格;否则为不合格。
得分:标化得分:关键项目:合格不合格陪同检查人:现场审核人员:检查时间:年月日时江西省公共场所卫生许可现场审核表(理发店、美容店)被检查单位:负责人:结论:合格□不合格□单位地址:联系电话:计、修剪造型、发质养护和烫染等服务的场所和运用手法技艺、器械设备并借助化妆、美容护肤等产品,为顾客提供非创伤性和非侵入性的洁肤、护肤、保养、护理、修饰等服务的场所。
含婚纱摄影场所,不包括开展医疗美容项目的场所和流动理发摊点。
2、※是关健审查项目,如果有一项不符合要求,则评为不合格。
3、审查内容单项分值“10分、5分”是按风险大小而定。
公共场所使用审批表
注:1、校外单位使用公共场所,一律由校级领导批示。
2、校内单位申报必须如实填表,并由单位主要领导签字。
3、活动期间的一切安全责任由活动申请单位负责,使用单位和组织者必须事前制定安全预案。
根据国家有关规定需要提前向有关部门如公安、保卫、消防等管理部门申报的活动,由组织进行申报。
如所有场不具备实验表演的演示条件,使用者不得携带各类实验液体、明火、化学药剂等试验材料入场。
4、遇到特殊情况或发生意外事故,学校管理部门有权立即取消或终止活动。
不得延长使用时间,或改变使用用途,否则管理部门随时有权勒令退场。
5、申请学校公共场所主要用于会议、演出、竞赛、体育比赛等。
原则上不能进行商业活动。
6、慎思楼报告厅、逸夫美术楼6层会议室只能用于讲座、开会使用。
不能搞文艺演出、音乐、舞蹈等表演。
不得使用喷漆彩条、彩喷桶烘托气氛设备。
7、使用者必须爱护场内设施、设备,造成损失的照价赔偿。
8、公共场所申请使用一律不收任何费用。
若场所条件达不到使用者要求,由申请方自行处理。
河北省住宿场所卫生许可现场审核表(量化评分表)一、被审查单位基本情况被审查单位(个人)联系电话注册地址邮政编码经营地址组织机构代码法定代表人(负责人)身份证件名称号码证件号码在岗职工数人其中:专职从业人员数人持健康合格证明人数人卫生知识培训合格人数人建筑面积m2 营业面积 m2主经营项目次经营项目客房间数间床位数张消毒间个数个布草间个数个集中空调通风系统:有□(定期清洗:是□否□)无□集中空调通风系统类型:全空气系统□全水系统□空气+水系统□饮用水:集中式供水(公共供水□自建设施供水□分质供水□)二次供水□分散式供水□安装水质处理器□其他□二、申请资料现场审核情况经营地址是否与提供材料相符合:是□否□不符合理由周围环境建筑布局是否与提供材料相符合:是□否□不符合理由卫生设施平面布局图是否与现场相符合:是□否□不符合理由其它:是□否□不符合理由※注:如果申请资料与现场审核情况不符合,不予现场审查。
三、现场审查表(量化评分表)被监督单位陪同人(签字):卫生监督人员(签字):、年月日年月日填表说明1.“项目”栏为一级指标,“评查内容”栏为二级指标,“评查标准栏”为三级指标。
2. 标化分﹦100×实得分/应得分,应得分=151-合理缺项总分。
3. 依照标化分进行卫生许可与评定等级,具体标准如下:(1)标化分为90分以上者,评为优秀,核定为A级;(2)标化分为70-89分者,评为良好,核定为B级;(3)标化分为60-69分者,评为合格,核定为C级;(4)标标化分低于60分者,不予许可。
4.※为关键项,不合格不予许可。
5.评查内容扣分,均扣完为止,不能出现负分。
河北省游泳场所卫生许可现场审核表(量化评分表)一、被审查单位基本情况被审查单位(个人)联系电话注册地址邮政编码经营地址组织机构代码法定代表人(负责人)身份证件名称号码证件号码在岗职工数人其中:专职从业人员数人持健康合格证明人数人卫生知识培训合格人数人建筑面积m2营业面积 m2主经营项目次经营项目泳池:长×宽×深(深水区) m 池水量 m3 面积 m2 成人池设计最大接待人数人儿童池设计最大接待人数人集中空调通风系统:有□(定期清洗:是□否□)无□集中空调通风系统类型:全空气系统□全水系统□空气+水系统□饮用水:集中式供水(公共供水□自建设施供水□分质供水□)二次供水□分散式供水□安装水质处理器□其他□二、申请资料现场审核情况经营地址是否与提供材料相符合:是□否□不符合理由周围环境建筑布局是否与提供材料相符合:是□否□不符合理由卫生设施平面布局图是否与现场相符合:是□否□不符合理由其它:是□否□不符合理由※注:如果申请资料与现场审核情况不符合,不予现场审查。
公共场所卫生行政许可现场审核表公共场所卫生行政许可现场审核表————————————————————————————————作者: ————————————————————————————————日期:公共场所卫生行政许可现场审核表(住宿场所)单位名称:地址:法定代表人/业主: 联系人:联系电话:审核时间:审查项目审查内容分值得分备注建筑与布局(10分)选址周围无污染源,或与污染源保持必要的卫生防护间距,位置合理。
* 建筑装饰材料建筑、装饰材料应无毒、无害、无异味、坚固耐用。
* 布局设有消毒间、备用品库房等功能房间。
* 面积床位占地面积不得少于4m2/人。
10通风换气(17分)有新风系统或有机械通风设备。
5 机械通风装置过滤网,有定期清洗、消毒记录7新风系统或通风设备进风口设在室外距地面2米以上,且远离污染源。
3门窗自然通风良好。
2卧具卫生(15分) 洗衣房星级以上宾馆有专用洗涤房间,有专业洗涤设施,卫生设施齐全。
10普通旅店、招待所有洗涤专间或区域,配备洗衣机,卫生设施完善。
* 配置床上用品按3倍于床位数以上配置,并做到一客一换一消毒。
5外送清洗接受送洗单位有专业洗涤设备。
*用具卫生(55分) 消毒间有专用清洗消毒间。
*每楼层设置专用消毒间或每20间客房设置一间。
8墙壁铺贴1.5米以上瓷砖,地面使用耐磨防水材料,易于清洗,有一定坡度。
5有与用具种类相对应的固定清洗消毒设施,上下水系统完善。
* 清洗消毒设施分类设置。
5保洁设施完善。
5清洗消毒操作规程上墙。
2有洗消物品、工具和存放柜橱。
5 备用品库房每层楼设置或每20间客房设置一间。
5有保洁柜橱。
*备用物品分类分架存放,隔地离墙,保洁符合要求。
5 配置茶具、拖鞋应按2倍于床位数以上配置。
5无卫生间客房应每床配置脸脚盆,标识明显。
5存放容器清洁物品存放容器与污染物品回收容器分开,标识明显、无交叉污染。
5生活饮用水卫生(5分) 使用市政管网供水。
公共场所卫生行政许可现场审核表(住宿场所)单位名称:地址:法定代表人/业主:联系人:注:1、*为关键项目,是每类场所的基本卫生条件。
有一项不符合则评为不合格。
2、基本卫生条件具备,得分超过60%评为合格。
公共场所卫生行政许可现场审核表(沐浴场所)单位名称:地址:法定代表人/业主:联系人:注:1、*为关键项目,是每类场所的基本卫生条件。
有一项不符合则评为不合格。
2、基本卫生条件具备,得分超过60%评为合格。
公共场所卫生行政许可现场审核表(美容美发场所)单位名称:地址:法定代表人/业主:联系人:联系电话:审核时间:注:1、*为关键项目,是每类场所的基本卫生条件。
有一项不符合则评为不合格。
2、基本卫生条件具备,得分超过60%评为合格。
公共场所卫生行政许可现场审核表(游泳场所)单位名称:地址:法定代表人/业主:联系人:注:1、*为关键项目,是每类场所的基本卫生条件。
有一项不符合则评为不合格。
2、基本卫生条件具备,得分超过60%评为合格。
公共场所卫生行政许可现场审核表(公共交通等候室)单位名称:地址:法定代表人/业主:联系人:注:1、*为关键项目,是每类场所的基本卫生条件。
有一项不符合则评为不合格。
2、基本卫生条件具备,得分超过60%评为合格。
生活饮用水集中式供水单位卫生许可现场审核表单位名称:地址:法定代表人/业主:联系人:注:1、*为关键监督项目,是每类场所的基本卫生条件。
有一项不符合则评为不合格。
2、基本卫生条件具备,得分超过60%评为合格。
11。
xx省公共场所卫生行政许可现场审查表(住宿场所)单位名称:申报经营项目:法定代表人/负责人:地址:联系人:联系电话:审查项目审查内容合格不合格不适用备注建筑选址周围25米范围内无有毒有害气体排放或噪声等污染源。
场所布局客房净高不低于2.4米,客房床位占室内面积每床不低于4平方米。
清洗消毒间有独立清洗消毒间,其面积满足饮具、用具等清洗消毒保洁的需要。
地面与墙面使用防水、防霉、可洗刷的材料,墙裙高度1.5米以上,地面有一定坡度。
储藏间有专用储藏间,并能满足备用物品存放的需要。
洗衣房设置专用洗衣房的,功能分区设置合理,并配备专业洗涤设施。
采用社会化洗涤服务的,提供与承洗单位签订的有效合同。
公共卫生间客房不带卫生间的场所,设有公共卫生间。
地面略低于客房,墙壁和地面铺贴防水易洗刷材料。
卫生设施通风设施有新风系统或有机械通风/排风装置,机械通风/排风装置安装防护网罩。
公共卫生间设置独立机械排风装置。
新风系统或通风设备进风口设在室外距地面2米以上,且远离污染源。
门窗自然通风良好。
用具卫生配置含有卫生间的客房设有浴盆或淋浴、抽水马桶、洗脸盆。
无卫生间的客房每床配置脸脚盆,标识明显。
公共卫生间有洗漱池,采用水冲蹲式便器,上下水系统完善,采用座式便器须提供一次性座垫。
床上用品按3倍于床位数以上配置。
茶具、拖鞋按2倍于床位数以上配置。
有与浴盆、便器等相对应的清洁工具,工具分类使用且标识明显。
审查项目审查内容合格不合格不适用备注卫生设施用具卫生清洗消毒有与用具种类相对应的固定清洗、消毒、保洁设施,上下水系统完善,设施分类设置。
有洗消物品、工具和存放柜橱。
储藏存放储藏间配置数量足够的物品保洁柜橱或货架。
备用物品分类分架存放,隔地离墙,保洁符合要求。
存放容器清洁物品存放容器与污染物品回收容器分开,标识明显,无交叉污染。
病媒生物防治客房安装纱窗。
下水道有防鼠设施。
供水水质供水水质符合《生活饮用水卫生标准》要求。
二次供水符合《二次供水设施卫生规范》要求。
公共场所卫生行政许可现场审核表
公共场所卫生行政许可现场审核表(住宿场所)单位名称:地址:法定代表人/业主:联系人:联系电话:审核时间:审查项目审查内容分值得分备注建筑与布局(10分)选址周围无污染源,或与污染源保持必要的卫生防护间距,位置合理。
*建筑装饰材料建筑、装饰材料应无毒、无害、无异味、坚固耐用。
*布局设有消毒间、备用品库房等功能房间。
*面积床位占地面积不得少于4m2/人。
10通风换气(17分)有新风系统或有机械通风设备。
5机械通风装置过滤网,有定期清洗、消毒记录7新风系统或通风设备进风口设在室外距地面2米以上,且远离污染源。
3门窗自然通风良好。
2卧具卫生(15分)洗衣房星级以上宾馆有专用洗涤房间,有专业洗涤设施,卫生设施齐全。
10普通旅店、招待所有洗涤专间或区域,配备洗衣机,卫生设施完善。
*配置床上用品按3倍于床位数以上配置,并做到一客一换一消毒。
5外送清洗接受送洗单位有专业洗涤设备。
*用具卫生(55分)消毒间有专用清洗消毒间。
*每楼层设置专用消毒间或每清洗消毒一次。
7分散式空调室内有机械通风设备。
*空调滤网定期清洗、清洁无尘。
15无空调门窗自然通风良好,有机械通风设施。
10配有电扇,扇叶定期清洗,清洁无尘。
5公共用品(茶具)(30分)消毒间有与用具种类相对应的清洗消毒设施(为有上下水的固定专用设施)。
*清洗消毒设施能有效避免交叉污染,分类使用。
5保洁设施完善。
5有清洗消毒操作规程。
2有洗涤剂、消毒剂等洗消物品和存放柜橱。
8不放置与清洗消毒无关物品。
2卫生状况公共用具清洁,茶具无水渍、无污渍、无茶垢。
4存放容器清洁物品与污染物品存放容器分开,标识明显、无交叉污染。
4生活饮用水卫生(5分)旅客饮用水符合《生活饮用水卫生标准》,公共饮用水桶加盖加锁。
瓶装水索取卫生许可证、检测报告。
*符合《二次供水设施卫生规范》要求,有检测合格报告。
5禁烟管理有灯箱式“禁烟标志”。
*禁烟区域不配置烟缸。
*有专用吸烟室,有标志,有独立机械排风设施。
*卫生间(10分)通风有机械排风设施。
10卫生设施分设男女厕所,水冲蹲式便器,有洗手设施。
*卫生监测指标(5分)主要卫生指标符合卫生标准。
*非主要卫生指标符合卫生标准。
5卫生管理制度及组织等(15分)有健全的卫生管理制度5有卫生管理网络组织5从业人员持有效健康证明和卫生知识培训合格证。
*从业人员掌握本场所、本岗位基本卫生知识。
5注:1、*为关键项目,是每类场所的基本卫生条件。
有一项不符合则评为不合格。
2、基本卫生条件具备,得分超过60%评为合格。
生活饮用水集中式供水单位卫生许可现场审核表单位名称:地址:法定代表人/业主:联系人:联系电话:审核时间:审查项目审查内容分值得分备注水源选择(10分)水质良好、水量充沛、便于防护的水源。
取水点设在城市和工矿企业的上游。
*生活饮用水水源水质符合《地表水环境质量标准》(GB3838)或《地下水质量标准》(GB/T14848)的规定要求。
*新建、改建、扩建供水工程项目,经所在地的卫生行政部门的预防性卫生监督。
10卫生防护(40分)防护范围及标记(20分)生产区外围30米范围内保持良好的卫生状况,无生活居住区,无渗水厕所、渗水坑,无垃圾、粪便、废渣和铺设污水渠道的修建。
*单独设立的泵站、沉淀池和清水池的外围30米的范围内,其卫生要求与集中式供水单位生产区相同。
10在防护地带设置固定的告示牌,并采取相应的水源保护措施。
10地表水(10分)取水点周围半径100米的水域内,无捕捞、网箱养殖、停靠船只、游泳和从事其他可能污染水源的任何活动。
*取水点上游1000米至下游100米的水域内无工业废水和生活污水排放,其沿岸防护范围内无垃圾、废渣堆放,无有毒、有害化学物品仓库和装卸垃圾、粪便及有毒有害化学物品的码头;无有毒气体、放射性物质排放;无从事放牧等有可能污染该段水域水质的活动。
*输水明渠或暗渠有防护措施。
10地下水水源(10分)地下水水源保护区、构筑物的防护范围及影响半径的范围,应根据生活饮用水水源地所处的地理位置、水文地质条件、供水的数量、开采方式和污染源的分布,由供水单位及其主管部门会同卫生、环保及规划设计、水文地质等部门研究确定。
*在单井或井群的影响半径范围内,无渗水厕所、渗水坑,无堆放废渣或铺设污水渠道,无从事破坏深层土层的活动。
*工业废水和生活污水严禁排入渗坑或渗井。
*人工回灌的水质应符合生活饮用水水质要求。
10卫生设施(20分)配备的水净化处理设备、设施满足净水
工艺要求,有消毒设施,正常运转。
*输水、蓄水和配水等设施密封,不与排水设施及非生活饮用水的管网相连接。
*新建水处理设备、设施、管网投产前,及设备、设施、管网修复后,必须严格冲洗、消毒,经水质检验合格后方可正式通水。
10水处理剂、消毒剂的投加和贮存间通风良好,防腐蚀、防潮,备有安全防范事故的应急处理设施,有防止二次污染的措施。
10涉及饮用水卫生安全产品符合产品卫生安全标准的有关规定,持有省级以上卫生行政部门颁发的卫生许可批准文件。
*购入的涉及饮用水卫生安全产品,索取产品卫生许可批准文件,经验收合格后入库待用,按品种、批次分类贮存于原料库,无混杂。
*检验设施与能力(15分)有水质检验室,配备与供水规模和水质检验要求相适应的检验人员和仪器设备。
开展检验水源水、净化构筑物出水、出厂水和管网水的水质。
5采样点的设置设在水源取水口、集中式供水单位出水口和居民经常用水点处。
10按规定开展生活饮用水的检验,测定项目及检验频率符合卫生标准要求。
*从业人员卫生要求从业人员持有有效健康证明和卫生知识培训合格证明。
*卫生管理制度和组织(15分)有健全的生活饮用水卫生管理规章制度,对可能发生污染的环节,制订和落实防范措施,加强检查,严防污染事件发生,制定突发事件应急预案。
10有健全的卫生管理网络,设置专职或兼职卫生管理人员。
5注:1、*为关键监督项目,是每类场所的基本卫生条件。
有一项不符合则评为不合格。
2、基本卫生条件具备,得分超过60%评为合格。
12。