隔声量的测量方法概述
- 格式:doc
- 大小:237.50 KB
- 文档页数:4
混凝土隔音性能评定标准一、前言混凝土作为一种建筑材料,具有较好的隔音性能,广泛应用于建筑物内隔墙、地面、屋顶等部位。
然而,随着城市化进程加快,城市噪声污染问题逐渐凸显,对建筑物隔音性能的要求也越来越高。
因此,建立混凝土隔音性能评定标准,对于保障建筑物隔音性能、改善城市环境具有重要意义。
二、混凝土隔音性能的评定指标1.隔声量隔声量指的是材料在声波作用下对声能的吸收和反射能力,通常用声传递损失量R来表示。
混凝土隔声量的评定需以R值为指标,根据国家标准《建筑声环境标准》GB/T 12534-2011的要求,混凝土隔声量需满足相应的等级要求。
2.空气声隙空气声隙指的是混凝土内部存在的孔隙或空气层,对声波的传播起到一定的影响。
评定混凝土空气声隙需采用声学测量法,根据国家标准《混凝土结构设计规范》GB 50010-2010的要求,混凝土空气声隙需满足相应的等级要求。
3.密度混凝土的密度是影响其隔音性能的重要因素之一,密度越大,隔音性能越好。
因此,评定混凝土的密度需满足相应的等级要求。
三、混凝土隔音性能评定标准1.材料性能要求混凝土隔音性能评定需满足以下要求:(1)混凝土的水泥等级应为不低于C30的普通水泥。
(2)混凝土的密度应满足相应的等级要求。
(3)混凝土的空气声隙应满足相应的等级要求。
(4)混凝土的抗压强度应满足相应的等级要求。
2.评定方法混凝土隔音性能的评定需采用声学测量法,具体评定方法如下:(1)在实验室中制备混凝土试样,试样尺寸应符合国家标准的要求。
(2)将试样放置在隔音室中,通过声学测量仪器对其隔声量进行测试。
(3)根据测试结果,评定混凝土的隔声等级。
3.评定标准混凝土隔音性能的评定标准需根据国家标准《建筑声环境标准》GB/T 12534-2011的要求,分为以下等级:(1)一级:R≥50dB,适用于需要高隔声等级的场所,如音乐厅、剧院等。
(2)二级:R≥45dB,适用于一般隔声要求的场所,如办公室、酒店等。
隔声量的测量⽅法通常有实验室测量⽅法和现场测量⽅法两类。
①实验室隔声测量:实验室测量要求在由两个专门设计的混响室组成的隔声试验室进⾏。
把试验结构放在两个互相隔声的混响试验室间壁上,⼀个混响室作为声源室,另⼀个混响室作为接收室。
②现场声压级差测量:使⽤声压级差D来表征隔声结构的实际隔声效果,它定义为隔声结构两侧空间内的声压级差:现场测量可以在相邻近的两个房间的⼀个房间作为声源室,放置声源,另⼀个房间为接收室,测量两个房间的平均声压级差,来表⽰现场测量的隔声性能。
如果考虑接收室混响时间的修正,则可以得到标准声压级差:③插⼊损失测量:⽤插⼊损失来表征隔声结构的实际隔声效果,也是现场测量经常使⽤的⼀种⽅法。
它定义为离声源⼀定距离某固定测点,测得⽆隔声构件(或隔声罩、隔声间等隔声结构)时间的声压级和有隔墙(或隔声罩、隔声间等隔声结构)时的声压级之差:。
插⼊损失经常被⽤来评价隔声罩、隔声间、隔声屏障等的实际隔声效果。
建筑物建筑声学测量标准建筑声学测量是建筑物设计、建设和运营过程中必不可少的一项工作。
为了确保建筑物的声学性能满足相关标准和要求,需要进行合理、准确的测量和评估。
本文将介绍建筑物建筑声学测量的标准和方法。
一、测量标准概述建筑声学测量标准主要包括噪声标准和隔声标准。
噪声标准用于评估室内或室外噪声的水平,包括环境噪声、设备噪声和交通噪声等。
隔声标准用于评估建筑物内部各个房间之间、室内外空间之间的隔声效果。
二、噪声测量标准1. 环境噪声测量环境噪声测量用于评估建筑物周围环境的噪声水平。
在测量时,需要选择代表性的测点,并按照规定的时间间隔进行测量。
常用的测量指标包括等效声级(L_eq)和噪声频谱。
2. 设备噪声测量设备噪声测量用于评估建筑物内部设备的噪声水平。
测量时,应选取适当的测点,并按照设备运行状态进行测量。
通常采用的测量指标有噪声级(L_A)和声功率级(L_W)。
3. 交通噪声测量交通噪声测量用于评估建筑物周围交通道路、铁路等交通噪声的水平。
测量时,应选择典型的交通时间段和测点,并记录相关参数,如车辆类型、车速等。
常用的测量指标包括等效声级(L_eq)和噪声频谱。
三、隔声测量标准1. 室内隔声测量室内隔声测量用于评估建筑物内部各个房间之间的隔声效果。
测量时,应选择典型的房间和墙体,并按照规定的频率范围进行测量。
常用的测量指标有隔声衰减量(D)和声传递类别(STC)。
2. 室内外隔声测量室内外隔声测量用于评估建筑物室内与室外空间之间的隔声效果。
测量时,应选择典型的空间和界面,并按照规定的频率范围进行测量。
常用的测量指标有隔声衰减量(D)和声传递类别(STC)。
四、测量方法建筑声学测量方法主要包括现场测量和实验室测量两种。
1. 现场测量现场测量是对实际建筑物进行的测量,其结果更为真实准确。
在进行现场测量时,需要注意选择合适的测点和测量设备,避免干扰因素对测量结果的影响。
2. 实验室测量实验室测量通常用于对材料和构件的声学性能进行评估。
混凝土材料的隔声性能分析随着城市化进程的加快,噪声污染问题越来越严重,给人们的健康和安宁带来了很大的困扰。
在建筑设计中,隔声性能成为了一个重要的考虑因素。
本文将对混凝土材料的隔声性能进行分析,以探讨如何通过混凝土材料改善建筑的隔声性能。
一、混凝土的隔声机理混凝土作为一种常见的建筑材料,其隔声性能主要通过吸声、反射声和传导声来实现。
首先,混凝土的孔隙结构可以吸收部分声波能量,从而降低声音的强度。
其次,混凝土表面的几何形状可以反射部分声波,使其不进入建筑内部。
最后,混凝土的质量和材料厚度会对声波的传导产生影响,厚重的混凝土材料会阻挡声波的传播。
二、影响混凝土隔声性能的因素1. 混凝土密度:混凝土密度越大,声波在其中传播的速度越慢,从而提升了隔声效果。
2. 材料厚度:混凝土的厚度越大,声波通过的路径越长,隔声效果越好。
3. 材料质量:混凝土密实度越高,材料内的孔隙越少,隔声效果越好。
4. 表面形状:混凝土表面的形状、平整度等因素同样会对声波的反射产生影响,不规则表面能够有效地削弱声波的反射。
三、混凝土隔声性能的测量方法1. 隔声量测量法:该方法利用声源和接收器,通过测量声压级的差值来评估隔声性能。
常见的测量参数有声传递损失等级、隔声指数等。
2. 声阻抗测量法:该方法通过测量材料对声波的阻抗特性,即材料的反射、传导和吸收声波的能力来评估隔声性能。
常见的测量参数有声阻抗、声传递损失因子等。
四、混凝土材料的隔声改进方法1. 降低结构共振:混凝土结构在声波作用下容易产生共振效应,从而降低隔声性能。
通过合理的结构设计和增加隔音层等方法可以有效地降低共振效应。
2. 增加材料密度:提高混凝土的密度可以增加材料对声波的阻隔能力,从而改善隔声性能。
可以选择高密度的骨料和适当掺入添加剂等方法来提高混凝土的密度。
3. 引入吸声材料:在混凝土结构中引入吸声材料,如玻璃纤维、泡沫塑料等,可以提高混凝土的吸声性能,从而改善隔声效果。
建筑和建筑构件隔声测量方法
建筑和建筑构件隔声测量方法是用于评估建筑物或建筑构件隔音
性能的一种方法。
隔音性能是指建筑物或建筑构件抵御声音传递的能力。
隔声测量方法包括室内声学测试和室外声学测试。
在室内声学测
试中,使用声学测试仪器测量由声源发出的声音在建筑物或建筑构件
中的传递和衰减情况。
在室外声学测试中,将声源放置在建筑物外部,测量声音经过建筑物或建筑构件后的衰减情况。
隔声测量方法还可以通过开展模拟测试进行。
模拟测试是使用计
算机模拟声波传播的情况,同时考虑包括建筑物或建筑构件本身的声
学特性和周围环境的影响。
基于测量结果,可以评估建筑物或建筑构件的隔声性能是否符合
相关的标准和要求。
同时,还可以通过优化建筑物或建筑构件设计和
选择合适的材料来提升其隔声性能。
建筑混凝土隔声性能检测技术规程一、前言建筑混凝土隔声性能检测技术规程是为了确保建筑混凝土隔声性能的合格性,并对建筑混凝土隔声性能检测的方法和要求进行规范,以保证建筑物在使用过程中的隔声效果达到国家标准。
本文将详细介绍建筑混凝土隔声性能检测的技术规程。
二、适用范围本技术规程适用于各类建筑中使用的混凝土隔声墙、隔音板、隔音条等混凝土制品的隔声性能检测。
三、检测方法1. 声场法声场法是建筑混凝土隔声性能检测中常用的方法。
具体步骤如下:(1)在被测墙面的正面挂上扬声器,并将扬声器与信号源相连;(2)在被测墙面的背面安装测量麦克风,并将麦克风与信号检测器相连;(3)调整信号源的输出,使其输出的声压级为100dB;(4)记录测量麦克风接收到的声压级值;(5)将信号源和测量麦克风在被测墙面上的位置交换,并重复以上步骤。
(6)计算两次测量结果的平均值,即为被测墙面的隔声量。
2. 间接法间接法是建筑混凝土隔声性能检测中另一种常用的方法。
具体步骤如下:(1)在被测墙面的正面和背面各挂上一个扬声器;(2)将正背面的扬声器与信号源相连;(3)在被测墙面的一侧安装测量麦克风,并将麦克风与信号检测器相连;(4)调整信号源的输出,使其输出的声压级为100dB;(5)记录测量麦克风接收到的声压级值;(6)将被测墙面的正背面交换位置,并重复以上步骤。
(7)计算两次测量结果的平均值,即为被测墙面的隔声量。
四、检测过程要求1. 温度和湿度检测时要求室内温度为20±2℃,相对湿度为40%~70%。
2. 噪音干扰在被测墙面的两侧应该避免产生杂音干扰,如机器噪音、人声等。
3. 测量时间每次测量时间应该在5秒以上,以保证测量结果的准确性。
4. 测量点每个被测墙面应该至少选择3个不同位置进行测量,并取其平均值。
五、检测结果评定建筑混凝土隔声性能检测结果应该按照国家标准进行评定。
1. 隔声量建筑混凝土隔声量应该符合国家规定的标准。
2. 隔声等级根据建筑混凝土隔声量的大小,可以评定出其隔声等级。
实验九构件隔声测量一、实验目的掌握构件隔声量的测量原理及测试方法二、实验要求1.正确理解隔声量的定义,熟悉混响室法测隔声量的原理。
2.了解Pulse 3560C的基本功能及其应用。
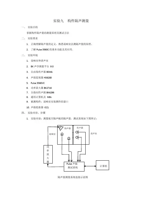
三、实验环境1.混响室和消声室2.BK声学测量平台9.03.自由场传声器BSWA4.声级监视器HS62885.Pulse 3560VC6.功率放大器BK27167.全指向性声源BK42968.通用计算机及M6k9.被测构件:混响室安装测件的窗口10.声级校准器4321四、实验内容、步骤1.实验内容:测量航空隔声板的隔声量。
测试系统如下图所示:隔声量测量系统连接示意图2. 实验原理:假设发声室有一声源以声功率W 辐射时,则发声室内混响声能密度114R c W=ε 式中R 1为发声室中的房间常数,c 为声速。
经过计算可得入射到试件上的声功率为11141cS W ε=(S l 为试件面积)假设试件的传递系数为τ,则透过试件的声功率W 2为111241cS W W τετ==于是,接收室内的混响声能密度为2224cR W =ε 式中R 2为接收室内的房间常数,利用声能密度与声压有效p 之间的关系cp ρε2= 根据以上四式,并利用声压级与声压关系,可得到2121lg10R S L L TL +-= 式中L 1,L 2分别为发声室和接收室内的声压级。
3. 试验方法和计算(1) 声源室内声场的产生将球形声源放在试件对面的角落处,在所考虑的频率范围内有—个连续的频谱,使它产生一个尽可能稳定的扩散声场,并且距实验试件有一定距离,使它对试件的直接辐射不占主要成分。
(2) 测量平均声压级可按下式计算出在室内不同点测量结果的平均声压级222221 lg 10np p p p L n+++=(dB ) 式中p 1,p 2,…,p n 是室内n 个不同位置上的有效均方根声压。
μ200=p Pa 是参考声压,n 是测点数目。
(3) 测量的频率范围应采用1/3倍频程的滤波器测量声压级。
密封条隔声测试方法的介绍与比较密封条隔声测试方法介绍与比较密封条隔声测试是一种实验,用于测量墙壁、窗户或其他结构之间的声学隔离性能。
它可以测量空气中传播的声音或噪声,以便确定结构之间的隔音效果。
密封条隔声测试也被称为密封条隔声测量(STC),它是一种通过应用特殊的隔离技术来测量建筑物之间的隔声能力的测试方法。
在密封条隔声测试中,首先在需要测试的结构上安装一个密封条。
这种密封条是由一块厚实的吸声材料制成的,可以将声波有效地封闭在结构内部,从而避免受外界干扰。
随后,研究人员可以在测试结构的内部和外部放置两个麦克风,以监测声波的传播情况。
在测量过程中,研究人员可以使用一种称为“听音”的方法来测量声波的传播情况。
该方法可以帮助判断空气声的衰减情况,从而得出结构之间的隔声能力。
密封条隔声测试的优点在于它几乎不受外界影响,并可以提供准确的隔声结果。
因此,它被广泛应用于建筑物和家具的隔声测试中。
但是,由于该测试方法本身的复杂性,在实际应用中会产生一些局限性。
例如,该测试方法需要非常准确的设备、材料和专业知识,而且需要花费大量时间才能完成测试。
与密封条隔声测试相比,声学模拟器也是一种常用的测试方法,可以用来测量结构之间的隔声能力。
它的优点是快速、精确、可靠,而且它可以在短时间内完成测试,测试结果也可以得出很快。
相比之下,它的缺点在于它受外界环境影响较大,而且它也受到限制,而且测量结果不太准确。
总的来说,密封条隔声测试方法是一种实用的测试方法,可以提供准确的隔声数据。
然而,它的缺点也很明显,尤其是测试复杂性和耗时就可能成为一个问题。
相比之下,声学模拟器可以提供更快的测试结果,但它的精确性受到限制。
因此,在选择测试方法时,应根据实际需要进行选择,以便获得最佳的测试结果。
隔声检测方法隔声检测方法是用于测量建筑物、车辆、机器等噪声源的隔声性能的一种测试方法。
通过对隔声材料、隔声结构和隔声门窗等进行测试,可以评估它们的隔声性能是否符合相关标准和要求。
本文将介绍几种常见的隔声检测方法。
1. 声阻抗管法声阻抗管法是一种常用的隔声检测方法。
它通过测量隔声材料在不同频率下的声阻抗系数来评估隔声性能。
测试时,将声源放在一侧,声阻抗管放在另一侧,通过管内的麦克风和声压传感器测量隔声材料的声阻抗系数。
该方法适用于测量较薄的材料和结构。
2. 隔声室法隔声室法是一种精确的隔声检测方法。
它通过在隔声室内测量声压级差来评估隔声性能。
测试时,将隔声材料或隔声结构放置在隔声室中,分别在室内和室外放置声源,测量两侧的声压级差。
由于隔声室可以控制环境噪声和反射声的影响,因此该方法的测量结果更加准确。
3. 声学摄像法声学摄像法是一种新兴的隔声检测方法。
它通过使用声学摄像仪捕捉声波的传播和反射情况来评估隔声性能。
测试时,将声源放置在一侧,声学摄像仪放置在另一侧,通过分析摄像仪捕捉到的声波图像来评估隔声材料的隔声性能。
该方法可以直观地显示声波的传播和反射情况,可以更加准确地评估隔声性能。
4. 声透射法声透射法是一种常用的隔声检测方法。
它通过测量隔声材料对声波的透射率来评估隔声性能。
测试时,将声源放置在一侧,隔声材料放置在另一侧,测量两侧的声压级差,从而计算出隔声材料对声波的透射率。
该方法适用于测量较厚的材料和结构。
隔声检测方法有多种,每种方法都有其适用范围和局限性。
在实际应用中,应根据需要选择合适的检测方法,并结合实际情况进行综合评估。
通过科学的隔声检测方法,可以保证建筑物、车辆、机器等的隔声性能符合相关标准和要求,减少噪声对人们的影响,提高生活和工作质量。
隔声测量- 隔声测量编辑本段回目录隔声测量- 正文测量建筑构件(如门、窗和隔墙)的隔声量,可以在现场或实验室进行。
测量时入射的声波可以是无规的,也可以是垂直入射的。
测量原理如入射到构件上的声强度为Ii,传透过构件后的声强度被衰减为It,则构件的隔声能力可用传声系数τ表示,τ=It/Ii。
τ是小数值, 如千分之一或万分之一,它的倒数1/τ就表示声能损失为一千倍或一万倍,采用10 lg(1/τ)式进行运算,即为声能损失的分贝数,称为传声损失(TL)或通常称为隔声量(R),用计算式表达上述概念,即:TL=10 lg(1/τ)=10 lg(Ii/It)=L1-L2式中L1、L2分别为构件前、后两侧的声压级。
因此在理论上只要测量构件前后两侧的声压级就可以求出构件的隔声量。
但实际上,声的传播总是由一个空间(房间)透过构件后进入另一个空间,透过构件的声音强弱,不仅与构件本身的隔声性能有关,而且与构件的透射面积S和声波透过构件进入空间内的吸声量A等因素有关,所以,构件的隔声量除测量构件前后两侧的声压级之差外,在计算时还须加上一个10lg(S/A)的修正项。
测量方法①混响室法:1951年提出,1958年国际标准化组织(ISO)正式推荐,作为测试构件隔声的标准方法。
1964年中国的《隔声测量规范》(草案)也是以此法为依据制定的。
此法规定实验室由两间相邻的混响室组成,体积均在50平方米以上,试件放在公共墙的开口上,开口面积为10平方米。
对于小于10平方米的门窗(包括边框结构)则按实际尺寸砌筑在开口处的隔墙上。
试件的隔声量可用下式计算:测量时声源发出经过滤波的1/3倍频带带宽的白噪声,测量的中心频率范围为100~4000赫,也可以测量中心频率为125、250、500、1000、2000、4000赫6个倍频带。
测量时传声器在声源室和接收室混响区内,低频500赫及以下各取5点,高频500赫以上取3点。
现场测量方法与实验室相似,一般测量后计算标准声压级差Ds式中Ao是在接收室中的标准吸声量,一般取10米2。
隔声分析报告1. 引言隔声是指材料或结构对声波的传播具有一定的阻隔作用的能力。
在建筑设计和室内装修中,隔声是一个重要的考虑因素,它能够有效地降低噪音对室内环境和人们的影响。
本文将对某个建筑结构进行隔声分析,评估其隔声性能及改善措施。
2. 隔声性能评估2.1 隔声量符号表示在隔声分析中,常用隔声量R表示材料或结构对声波的隔离能力。
隔声量R的单位是分贝(dB),表示隔离声源的能力。
一般情况下,隔声量越大,表示材料或结构的隔声性能越好。
2.2 测量方法隔声量的测量一般采用实验室条件下的声学实验方法,常用的方法有声传递法和衰减法。
声传递法通过测量材料或结构两侧的声压水平差来评估隔声量。
衰减法通过测量穿过材料或结构的声能损失来评估隔声量。
2.3 当前隔声性能评估结果经过实验测量,我们获得了该建筑结构的隔声量数据如下:材料/结构隔声量 R (dB)墙体A 35墙体B 40窗户20门25从表中数据可以看出,墙体B的隔声量最高,达到了40dB,其次是墙体A,达到了35dB。
窗户和门的隔声量较低,分别为20dB和25dB。
这表明墙体B对声音的隔离效果最好,窗户和门的隔音效果相对较差。
3. 隔声改善措施为了提高建筑结构的隔声性能,可以采取以下措施:3.1 墙体隔声改善墙体是建筑结构中最主要的隔声屏障之一,因此可以采取一些措施来改善墙体的隔声性能,例如:•使用密度较高的隔声材料填充墙体,如岩棉、玻璃纤维等,以提高隔声量;•在墙体内部设置隔声板或隔声膜,增加隔声层的厚度。
3.2 窗户隔声改善窗户是建筑结构中较为薄弱的隔声部分,所以在设计和装修过程中需要特别注意窗户的隔声性能。
以下是一些窗户隔声改善的建议:•使用双层玻璃窗户,其间的空气层可以起到一定的隔声作用;•在窗户边缘采用密封材料,增加隔声效果;•安装窗帘或窗户遮挡物,可以减少声音的传播。
3.3 门隔声改善门也是影响隔声效果的重要因素之一,以下是一些建议来改善门的隔声性能:•选择使用密封效果好的门,例如实木门或复合门;•在门缝、门边缘处使用密封胶条等材料,防止声音泄漏;•考虑在门的内部设计隔声结构或使用隔音型材,提高隔声效果。
建筑隔声测量标准
建筑隔声测量主要包括空气声隔声测量和撞击声隔声测量。
测量标准如下:
1.空气声隔声测量:
在声源室选择至少5个传声器位置,同一房间内各传声器位置在水平和垂直方向上均匀分布于房间的空间内,水平方向以对角线均匀布点方式平均布置,垂直方向以传声器可以达到的最大高度(1.7m)与最低距离要求之间平均布置。
两个传声器位置的间距应不小于0.7米,任一传声器与房间边界或扩散体的间距不小于0.5米,任一传声器位置与声源的间距至少为1.0米。
2.撞击声隔声测量:
撞击器有五个锤子,排列在一条直线上,两端锤子中心的距离为400毫米。
连续撞击的时间间隔为100±5毫秒。
锤子无摩擦自由下落的距离为40毫米(±25%)。
每个锤子的有效质量为0.5公斤(±2.5%)。
锤子撞击楼板的部分用黄铜或钢材制成,与楼板的接触部分是一个半径约500毫米的球面。
撞击室至少随机布置4个撞击器位置,撞击器与房间边界墙面成45度角放置以保证一排锤的连线与梁或肋的方向成45度角,标准撞击器的位置与楼板边界之间的距离应不小于0.5m,当
楼板为有梁或肋等的各向异性楼板结构时,要放置更多位置。
以上标准仅供参考,如需更详细的建筑隔声测量标准,建议查阅国家、地区或国际标准,或者咨询专业的建筑声学顾问或工程师。
隔声量的丈量方法概括下边内容主假如简单的介绍了一下当前常用的几种隔声量的测试方法,分别包含其测试原理原理、测试装置图及测试时所需要注意的问题,还剖析了各样方法的利与弊。
主要包含以下几种丈量方法:混响室法测隔声量、驻波管法测隔声量,此中在驻波管法测隔声量包含三传感器丈量法和四传感器丈量法。
1混响室法丈量隔声量1.1 混响室隔声量丈量原理图 1-1 丈量原理图使用两间紧邻的混响室,一件作声源室,另一间作接受室,两件之间有一个公共墙面,墙面上有一个安装洞孔,用于安装丈量资料。
噪声发生器发出白噪声或许粉红噪声,经过滤波器滤波,滤除所需要的频段的信号,经过功率放大器放大信号,由扬声器将电信号转为声信号,在此中一间混响室内发出声波,待室内声场稳固后,由两间混响室内的传声器对室内声压进行丈量,将声信号转变成电信号,再经过滤波器滤波出所需要频段的信号。
最后依据混响室隔声量的丈量公式计算出所测资料的隔声量。
混响室隔声量丈量要求进行隔声量丈量的实验室的侧向传声一定遇到克制,不然没法确立所测得的隔声量可否代表建立自己。
两个混响室之间的传声门路共有两部分构成。
一部分是直接透过构件部分,如图 1-2 中的 C,也就是我们希望用以表征构件隔声量的那一部分:另一部分有许多旁路,如图 1-2 中的 A、B、D,他们都有周围的墙壁参加,统称为侧向传声。
后者在实验室测试设施中一定女里清除,或许尽量把他们克制,知道对所要测试的参数产生不了大的影响为止。
图 1-2 传声门路图所以,混响实验室的房间应切合以下要求:(1)在大的房间中,被激发的低频次许多,声场可较为扩散。
也就是说在相同精度要求下,测定频次能够低一些,但室内声程会较长,空气汲取惹起的声场不均匀性依序考虑。
故体积大小应选择一个折中数值。
别的,声源室和接受室两个房间的容积和形状要求不完整相同,这是为了防止两室的简正频次经过实践振动方式的耦合而使隔声量降低。
所以,测试房间的体积不该小于50m3,两个房间的体积和形状不该完整相同,其体积相差不该小于 10%。
住宅隔音检测标准
一、楼板撞击声隔声检测
楼板撞击声隔声检测主要检测住宅楼板上承受的撞击声及其传递特性。
测试方法为在住宅楼板的上方设置声源,在住宅室内和楼板下方分别设置测点,测量并记录各测点的声压级大小。
测试结果以楼板撞击声隔声性能等级进行评价,等级越高表示楼板的撞击声隔声性能越好。
二、空气声隔声检测
空气声隔声检测主要检测住宅楼板和墙体对空气声的隔绝能力。
测试方法为在住宅室内和楼板下方设置声源和测点,测量并记录各测点的声压级大小。
测试结果以空气声隔声性能等级进行评价,等级越高表示楼板和墙体的空气声隔声性能越好。
三、墙体隔声量测试
墙体隔声量测试主要检测住宅墙体的隔声性能。
测试方法为在墙体的一侧设置声源,在墙体的另一侧设置测点,测量并记录各测点的声压级大小。
测试结果以墙体隔声量的大小进行评价,数值越高表示墙体的隔声性能越好。
四、窗户隔声检测
窗户隔声检测主要检测住宅窗户的隔声性能。
测试方法为在窗户的一侧设置声源,在窗户的另一侧设置测点,测量并记录各测点的声压级大小。
测试结果以窗户隔声量的大小进行评价,数值越高表示窗户的隔声性能越好。
总之,住宅隔音检测标准是评价住宅隔音性能的重要依据,通过对楼板撞击声隔声、空气声隔声、墙体隔声量和窗户隔声等指标的检测和评价,可以有效保障居民的居住环境质量,提高住宅的隔音性能。
驻波管中隔声量的四传感器测量法曲波, 朱蓓丽(上海交通大学振动、冲击、噪声国家重点实验室,上海200030)摘要:本文研究了驻波管中隔声量测试的一种新方法———四传感器测试法。
它可以有效地消除透声部分末端反射波,尤其能提高低频段隔声量的测试精度。
本文推导了四传感器法的隔声量计算公式,并进行了实验验证和分析。
结果表明:采用四传感器法可更加精确地测定小样品垂直入射时的隔声量。
关键词:驻波管;隔声量;吸声末端;四传感器法中图分类号: TU112 . 2 + 1 文献标识码:AFour2microphone Method of Soun d T ransmission in the Stan ding Wave T ubeZ H U B ei2l iQ U B o ,( S tate K ey L a bo r ato r y of Vibrat i o n , Shock & Noise ShanghaiJ i ao To n g U n iversit y , Shanghai 200030 , China)Abstract :A new met ho d , fo ur2microp ho ne met ho d t hat is used to measure so und t ransmissi o n l o s s i n t he standing wave t ube , has been st udied in t his paper . The met ho d separated t he t ransm issi o n wave f ro m t he ref lected wave in t he abso rbent ending. We co nducted t he fo r mula and made an ex peri2 ment o n t he wave t ube . The result s t ur n o ut :t hat t he new met ho d can raise t he p recisi o n of t h e m ea2 surement , especially in t h e l ow f requency range .K ey w ords : standing wave t u be ; so u nd t r ansmissi o n l o s s ; abso r bent ending ; fo u r2microp h o n emet h o d前言隔声是研究在各种结构或设备中声传递现象的一门理论与技术。
隔声量的测量方法概述
下面内容主要是简单的介绍了一下目前常用的几种隔声量的测试方法,分别包括其测试原理原理、测试装置图及测试时所需要注意的问题,还分析了各种方法的利与弊。
主要包括如下几种测量方法:混响室法测隔声量、驻波管法测隔声量,其中在驻波管法测隔声量包含三传感器测量法和四传感器测量法。
1 混响室法测量隔声量
1.1 混响室隔声量测量原理
图1-1 测量原理图
使用两间紧邻的混响室,一件作声源室,另一间作接受室,两件之间有一个公共墙面,墙面上有一个安装洞孔,用于安装测量材料。
噪声发生器发出白噪声或者粉红噪声,经过滤波器滤波,滤除所需要的频段的信号,经过功率放大器放大信号,由扬声器将电信号转为声信号,在其中一间混响室内发出声波,待室内声场稳定后,由两间混响室内的传声器对室内声压进行测量,将声信号转化为电信号,再经过滤波器滤波出所需要频段的信号。
最后根据混响室隔声量的测量公式计算出所测材料的隔声量。
1.2 混响室隔声量测量要求
进行隔声量测量的实验室的侧向传声必须受到抑制,否则无法确定所测得的隔声量能否代表构建本身。
两个混响室之间的传声途径共有两部分组成。
一部分是直接透过构件部分,如图1-2中的C,也就是我们希望用以表征构件隔声量的那一部分:另一部分有许多旁路,如图1-2中的A、B、D,他们都有四周的墙壁参与,统称为侧向传声。
后者在实验室测试设备中必须女里排除,或者尽量把他们抑制,知道对所要测试
的参数产生不了大的影响为止。
图1-2 传声途径图
所以,混响实验室的房间应符合下列要求:
(1)在大的房间中,被激发的低频率较多,声场可较为扩散。
也就是说在同样精度要求下,测定频率可以低一些,但室内声程会较长,空气吸收引起的声场不均匀性依序考虑。
故体积大小应选择一个折中数值。
此外,声源室和接受室两个房间的容积和形状要求不完全相同,这是为了避免两室的简正频率通过实践振动方式的耦合而使隔声量降低。
因此,测试房间的体积不应小于50m3,两个房间的体积和形状不应完全相同,其体积相差不应小于10%。
(2)一般来说,声音透过试件后传入接受室内任一频带的声压级应比环境噪声级至少高出10dB,所以接受室内环境噪声直接影响到试件隔声量的可测范围,因此,接受室内环境噪声应足够低,并应估计好声源室的输出功率和实验室内准备安装的试件隔声量。
(3)在测量隔声量的实验装置中,任何简介传声与通过试件的传声相比课予以忽略。
声源室与界首市之间的结构应采取有效的隔振措施。
测量标准及结果的修正要求:
(1)测量声压级用的是声级计或其他测量仪器,应符合国家标准《声级计的电声性能及测试方法》中的2型或2型以上的声级计的有关规定。
1.3 混响室隔声量的计算公式
混响室隔声量测量中所使用呢的计算公式,根据国家标准《声学建筑和建筑构件隔声量测量第三部分:建筑构件空气声隔声的实验室测量》得出。
入射的隔声量应按式(1-1)计算:
R=L p1-L p2+10lg(S/A)
式中,R ——隔声量(分贝);
L p1——声源室内的平均声压级(分贝);
L p2——接收室内的平均声压级(分贝);
S ——试件面积(m2),一般等于试件孔面积;
A ——接收室的吸声量(m2);
2 驻波管隔声量测量
混响室对声学材料隔声量的测量,对材料的面积要求比较大,一般达到10m2。
因此,在项目进行到工程转化阶段的时候,才会制作大的声学材料样品进行测量。
在研究初期,往往需要对声学材料的小样品进行隔声量测量。
驻波管
中进行隔声量的测量,不仅方便快捷, 而起利用管内产生的平面声场可严格按隔声量的定义进行测量,有利于理论的研究。
2.1 三传感器测量法
三传感器测量隔声量的原理图如图2-1所示:
图 2-1 三传感器测量原理图
由上可知声压的透射系数为:
Q H
p P P t =
其中H P 为被测样品后表面处的声压级: Q P 为被测样品后表面处的声压级。
则材料的隔声量为: ||lg 20p t TL -=
该三传感器测量法通过两个传感器分离出了驻波管中的正向波和反向波,可以实现完全按隔声量定义在驻波管中进行隔声量的测量。
但测试原理中时假设透射波遇到吸声尖劈后,几乎全部被吸收,并且没有反射波的前提的。
因此在测试中对吸声尖劈的要求分厂高,要求其在高于截至频率的频段,吸声系数应达0.99以上。
当尖劈的吸声系数为0.99以上时,声压反射系数还有0.1,透射声场中仍有驻波存在,测得的透射声压的最大误差为正负10%,导致隔声量的最大误差为正负1dB. 但实际情况往往达不到这么高,这成为了该测试方法的一个制约因素。
2.2 四传感器测量法
该测量法的原理图如图2-2所示,信号发生器发出信号,经扬声器变为声波进入声源管后产生平面入射波A ,遇到测试样品,一部分被吸收,一部分被反射形成平面反射声波B ;一部分经测试样品,进入接收管,形成平面投射声波C ;平面透射声波遇到吸声末端,一部分被吸收,一部分被反射形成平面反射声波D 。
在测试样品前后分别放置两个传声器,用于测量所在位置的声压。
图 2-2 四传感器测量法原理图
由此,可以根据声压投射系数计算公式得到:
)()(214)(33421322134)](sin[)](sin[X X jk X X jk X X jk A C p e e
p p p e p X X k X X k p p t +---⨯--⨯--== 那么隔声量:
||lg 20p t TL -=
该四传感器测量法,较三传感器测量法更加简捷,它只需要对材料进行一次测量便可得到被测材料的隔声量。
但要提高该方法隔声量的测试精度,关键一点是保证四个测试通道频响的一致性,这样才能使对应的相位差值准确,所以对传声器及其传声器通道的要求比较高。