试验四光开关特性测量
- 格式:doc
- 大小:264.50 KB
- 文档页数:5
中国计量学院实验报告课程名称:《电子基础实验》实验项目:光电开关实验实验报告人:金莹莹实验时间:2010.10.21实验(一)透射式光电开关一、实验目的了解透射式光电开关组成原理及应用。
二、实验仪器光电实验装置、光电器件实验模块(一)、普通发光二极管、光敏二极管、主机箱见图1光敏器件实验装置图。
三、实验原理光电开关可以由一个光发射管和一个接收管组成(光耦、光断续器)。
当发射管和接收管之间无遮挡时,接收管有光电流产生,一旦此光路中有物体阻挡时光电流中断,利用这种特性可制成光电开关用于工业零件计数、控制等。
四、实验内容与步骤1、将发光二极管两端接入实验模板光敏器件输入两端(注意极性),将实验模板上的电流表的两个插孔用线短接,再将光敏二极管(接收管)两端引入实验模块的光敏接收器件两端,再将实验模块上的VCC插孔与“⊥”插孔接到主机箱的+5V电源的相应插孔上。
2、开启主机箱电源,用手或者其他物体挡住发光二极管与光敏二极管之间的光路,接收管接收不到光,实验模板上的发光二极管不点亮,当光路中无物体阻隔畅通时,实验模板上的发光二极管亮,由此形成了开关功能。
五、实验结果当接收管和发射管间无遮挡时,开关指示灯亮;当有遮挡时,开关指示灯灭。
六、注意事1)避免强光源光电开关在环境照度较高时,一般都能稳定工作。
但应回避将传感器光轴正对太阳光、白炽灯等强光源。
在不能改变传感器(受光器)光轴与强光源的角度时,可在传感器上方四周加装遮光板或套上遮光长筒。
2)防止相互干扰防止相互干扰最有效的办法是投光器和受光器交叉设置,超过2组时还拉开组距。
当然,使用不同频率的机种也是一种好办法。
实验(二)红外线反射式光电开关一、实验目的了解红外线光耦开关的组成及基本原理。
二、实验仪器光电器件实验(光开关)模板、主机箱、反射光耦三、基本原理红外线开关模块(OW2152反射式光耦)中有一个红外发射二极管和红外三极管组成。
当物体接近时,发射管发射的红外线被物体反射回来接收管上,被接收管接收。
第1篇一、实验目的1. 理解液晶光开关的基本工作原理,掌握其电光特性。
2. 通过实验测量液晶光开关的电光特性曲线,并从中得到液晶的阈值电压和关断电压。
3. 探究驱动电压周期变化对液晶光开关性能的影响。
二、实验原理液晶是一种具有光学各向异性的有机化合物,其分子在电场作用下会改变排列方向,从而影响光线的传播。
液晶光开关利用这一特性,通过施加电压来控制光的透过。
TN(扭曲向列)型液晶光开关是最常用的液晶光开关之一。
其基本工作原理如下:1. 在两块玻璃板之间夹有液晶层,其中液晶分子在未加电压时呈扭曲排列,使得入射光发生偏振。
2. 当施加电压后,液晶分子排列方向改变,扭曲消失,光线的偏振状态也随之改变。
3. 通过控制电压的大小,可以调节光线的透过情况,从而实现光开关的功能。
三、实验仪器与材料1. 液晶电光效应实验仪一台2. 液晶片一块3. 可变电压电源一台4. 光强计一台5. 记录仪一台6. 连接线若干四、实验步骤1. 将液晶片放置在实验仪中,并调整光路,使光线垂直照射到液晶片上。
2. 连接可变电压电源,设置初始电压为0V。
3. 使用光强计测量透过液晶片的光强,记录数据。
4. 逐渐增加电压,每次增加0.5V,重复步骤3,记录数据。
5. 绘制电光特性曲线,分析阈值电压和关断电压。
6. 改变驱动电压的周期,重复实验,观察液晶光开关性能的变化。
五、实验结果与分析1. 电光特性曲线:根据实验数据,绘制电光特性曲线,如图1所示。
曲线呈现出典型的非线性关系,表明液晶光开关的电光特性。
图1 电光特性曲线2. 阈值电压和关断电压:根据电光特性曲线,确定阈值电压和关断电压。
阈值电压为液晶光开关开始工作的电压,关断电压为液晶光开关完全关闭的电压。
3. 驱动电压周期变化对性能的影响:改变驱动电压的周期,观察液晶光开关性能的变化。
实验结果表明,驱动电压周期变化对液晶光开关性能有一定影响,但影响程度较小。
六、结论1. 本实验成功实现了液晶光开关的电光特性测量,并得到了阈值电压和关断电压。
实验四pn结特性测量实验四 pn 结特性测量⼀、前⾔早在六⼗年代初,⼈们就试图⽤PN 结正向压降随温度升⾼⽽降低的特性作为测温元件,由于当时PN 结的参数不稳定,始终未进⼊实⽤阶段。
随着半导体⼯艺⽔平的提⾼及⼈们不断的探索,到七⼗年代时,PN 结以及在此基础上发展起来的晶体管温度传感器,已成为⼀种新的测温技术跻⾝于各个领域了。
众所周知,常⽤的温度传感器有热电偶、测温电阻器和热敏电阻等,这些温度传感器均有各⾃的优点,但也有它的不⾜之处,如热电偶适⽤温度范围宽,但灵敏度低、线性差且需要参考温度;热敏电阻灵敏度⾼、热响应快、体积⼩,缺点是⾮线性,这对于仪表的校准和控制系统的调节均感不便;测温电阻器如铂电阻虽有精度⾼、线性好的长处,但灵敏度低且价格贵;⽽PN 结温度传感器则具有灵敏度⾼、线性好、热响应快和体⼩轻巧等特点,尤其是温度数字化、温度控制以及⽤微机进⾏温度实时信号处理等⽅⾯,仍是其它温度传感器所不能⽐的,其应⽤势必⽇益⼴泛。
⽬前结型温度传感器主要以硅为材料,原因是硅材料易于实现功能化,即将测温单元和恒流、放⼤等电路组成⼀块集成电路。
美国Motorola 电⼦器件公司在1979年就开始⽣产测温晶体管及其组件,如今灵敏度⾼达100mV/℃、分辨率不低于0.1℃的硅集成电路温度传感器也已问世。
但是以硅为材料的这类传感器也不是尽善尽美的,在⾮线性不超过标准值0.5%的条件下,其⼯作温度⼀般不超为-50℃~150℃,与其它温度传感器相⽐,测温范围的局限性较⼤,如果采⽤不同材料如锑化铟或砷化镓的PN 结可以展宽低温区或⾼温区的测量范围。
⼋⼗年代中期我国就研制成功以SiC 为材料的PN 结温度传感器,其⾼温区可延伸到500℃,并荣获国际博览会⾦奖。
⾃然界有丰富的材料资源,⽽⼈类具有⽆穷的智慧,理想的温度传感器正期待着⼈们去探索、开发。
⼆、实验⽬的1. 了解PN 结正向压降随温度变化的基本关系式。
2. 在恒流供电条件下,测绘PN 结正向压降随温度变化曲线,并由此确定其灵敏度和被测PN 结材料的禁带宽度。
液晶电光效应实验液晶是介于液体与晶体之间的一种物质状态。
一般的液体内部分子排列是无序的,而液晶既具有液体的流动性,其分子又按一定规律有序排列,使它呈现晶体的各向异性,当光通过液晶时,会产生偏振面旋转,双折射等效应。
液晶分子是含有极性基团的极性分子,在电场作用下,偶极子会按电场方向取向,导致分子原有的排列方式发生变化,从而液晶的光学性质也随之发生改变,这种因外电场引起的液晶光学性质的改变称为液晶的电光效应。
一、实验目的(1)在掌握液晶光开关的基本工作原理的基础上,测量液晶光开关的电光特性,由光开关的特性曲线,得到液晶的阈值电压和关断电压,上升时间和下降时间。
(2)测量液由液晶光开关矩阵所构成的液晶显示器的视角特性以及在不同视角下的对比度,了解液晶的工作条件。
(3)了解液晶光开关构成图像矩阵的方法,学习和掌握这种矩阵所组成的液晶显示器构文字和图形的的显示模式,从而了解液晶显示器件的工作原理。
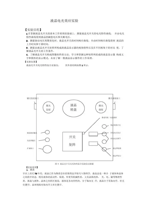
二、实验仪器简介本实验所用仪器为液晶电光效应综合实验仪,其外部结构如图1所示,下面简单介绍仪器各个按钮的功能。
模式转换开关:切换液晶的静态和动态(图像显示)两种工作模式。
在静态时,所有的液晶单元所加电压相同,在动态图像显示时,每个单元所加的电压由开关矩阵控制。
同时,当开关处于静态时打开发射器,当开关处于动态时关闭发射器;静态闪烁/动态清屏切换开关:当仪器工作在静态的时候,此开关可以切换到闪烁和静止两种方式;当仪器工作在动态的时候,此开关可以清除液晶屏幕因按动开关矩阵而产生的斑点;供电电压显示:显示加在液晶板上的电压,范围在0.00V-7.60V之间;供电电压调节按键:改变加在液晶板上的电压,调节范围在0V-7.6V之间。
其中单击“+”按键或“-”按键可以增大或减小0.01V。
一直按住“+”按键或“-”按键2秒以上可以快速增大或减小供电电压,但当电压大于或小于一定范围时需要单击按键才可以改变电压;透过率显示:显示光透过液晶板后光强的相对百分比;透过率校准按键:在接收器处于最大接收状态的时候(即供电电压为0V时),如果显示值大于“250”,则按住该键3秒可以将透过率校准为100%;如果供电电压不为0,或显示小于“250”,则该按键无效,不能校准透过率;液晶驱动输出:接存储示波器,显示液晶的驱动电压;光功率输出:接存储示波器,显示液晶的时间响应曲线,可以根据此曲线来得到液晶响应时间的上升时间和下降时间;扩展接口:连接LCDEO信号适配器的接口,通过信号适配器可以使用普通示波器观测液晶光开关特性的响应时间曲线,此时用信号适配器的液晶驱动输出和光功率输出接双踪示波器;发射器:为仪器提供较强的光源;液晶板:本实验仪器的测量样品;接收器:将透过液晶板的光强信号转换为电压输入到透过率显示表;开关矩阵:此为16×16的按键矩阵,用于液晶的显示功能实验;液晶转盘:承载液晶板一起转动,用于液晶的视角特性实验;电源开关:仪器的总电源开关。
一、实验目的1. 了解光电接近开关的基本原理和工作原理。
2. 掌握光电接近开关的安装、调试和应用方法。
3. 通过实验验证光电接近开关在不同环境下的工作性能。
二、实验原理光电接近开关是一种利用光电效应原理实现物体检测的传感器。
当被检测物体进入光电开关的检测区域时,光电开关会输出一个信号,从而实现对物体的检测。
其基本原理如下:1. 发光器件(如LED)发出光束。
2. 光束经过被检测物体时,部分光束被遮挡或反射。
3. 接收器件(如光电二极管)接收反射光束,并将其转化为电信号。
4. 根据电信号的变化,判断物体是否存在。
三、实验器材1. 光电接近开关1套2. 信号发生器1台3. 测量仪器1套4. 实验电路板1块5. 连接线若干四、实验步骤1. 安装与调试:- 将光电接近开关按照说明书要求安装到实验电路板上。
- 连接好信号发生器和测量仪器。
- 对光电接近开关进行调试,确保其正常工作。
2. 实验一:检测距离实验:- 调整光电接近开关的检测距离,记录不同距离下光电开关的输出信号。
- 分析光电接近开关的检测距离与输出信号的关系。
3. 实验二:环境适应性实验:- 在不同光照条件下(如强光、弱光、无光)进行实验,观察光电接近开关的输出信号变化。
- 在不同温度、湿度等环境下进行实验,观察光电接近开关的输出信号变化。
4. 实验三:物体材料适应性实验:- 使用不同材料(如金属、塑料、木材)进行实验,观察光电接近开关的输出信号变化。
- 分析光电接近开关对不同材料的检测效果。
5. 实验四:光电开关应用实验:- 将光电接近开关应用于实际场景中,如自动门、流水线检测等。
- 观察光电接近开关在实际应用中的工作性能。
五、实验结果与分析1. 检测距离实验:- 实验结果表明,光电接近开关的检测距离与输出信号呈线性关系。
当检测距离增大时,输出信号逐渐减小。
2. 环境适应性实验:- 实验结果表明,光电接近开关在不同光照条件下仍能正常工作,但在强光环境下,输出信号会受到干扰。
液晶电光效应实验【实验目的】1在掌握液晶光开关的基本工作原理的基础上,测量液晶光开关的电光特性曲线,并由电光特性曲线得到液晶的阈值电压和关断电压。
2、测量驱动电压周期变化时,液晶光开关的时间响应曲线,并由时间响应曲线得到液晶的上升时间和下降时间。
3、测量由液晶光开关矩阵所构成的液晶显示器的视角特性以及在不同视角下的对比度,了解液晶光开关的工作条件。
4、了解液晶光开关构成图像矩阵的方法,学习和掌握这种矩阵所组成的液晶显示器构成文字和图形的显示模式,从而了解一般液晶显示器件的工作原理。
【实验仪器】液晶光开关电光特性综合实验仪,其外部结构如图1所示。
1、液晶早在上世纪70年代,液晶已作为物质存在的第四态开始写入物理学。
液晶态是一种介于液体和晶体之间的中间态,既有液体的流动性、粘度、形变等机械性质,又有晶体的热、光、电、磁等物理性质。
液晶与液体、晶体之间的区别是:液体是各向同性的,分子取向无序;液晶分子有取向序,但无位置序;晶体则既有取向序又有位置序。
就形成液晶方式而言,液晶可分为热致液晶和溶致液晶。
热致液晶又可分为近晶相、向列相和胆甾相。
其中向列相液晶是液晶显示器件的主要材料。
2、液晶电光效应液晶分子是在形状、介电常数、折射率及电导率上具有各向异性特性的物质,如果对这样的物质施加电场(电流),随着液晶分子取向结构发生变化,它的光学特性也随之变化,这就是通常说的液晶的电光效应。
液晶的电光效应种类繁多,主要有动态散射型(DS)、扭曲向列相型(TN)、超扭曲向列相型(STN)、有源矩阵液晶显示(TFT)、电控双折射(ECB)等。
其中应用较广的有:TFT型——主要用于液晶电视、笔记本电脑等高档产品;STN型------ 要用于手机屏幕等中档产品;TN型——要用于电子表、计算器、仪器仪表、家用电器等中低档产品,是目前应用最普遍的液晶显示器件。
TN型液晶显示器件显示原理较简单,是STN、TFT等显示方式的基础。
本仪器所使用的液晶样品即为TN型。
目录实验一金属箔式应变计三种桥路性能比较 (2)实验二电容传感器性能实验 (5)实验三霍尔式传感器—直流激励特性 (7)实验四光电开关传感器转速测量 (9)实验五光纤位移传感器静态实验 (11)实验一 金属箔式应变计三种桥路性能比较一、实验目的1、掌握应变传感器的基本工作原理;2、掌握应变传感器的测量电路(电桥电路);3、学习传感器与计算机进行通信的方法;4、掌握利用虚拟仪器技术进行数据采集;5、掌握对测试数据进行静态特性分析的方法;6、验证单臂、半桥、全桥的性能及相互之间关系。
二、预习要求1、认真阅读实验指导书,明确本次实验的目的,首先从理论上明白三种桥式电路的工作原理以及在本次实验中作用。
2、按照实验指导书的实验内容及步骤写出详细的实验步骤。
3、绘制与之对应的实验线路图,并说明详细的接线方法。
三、实验原理电阻丝在外力作用下发生机械变形时,其电阻值发生变化,这就是电阻应变效应,描述电阻应变效应的关系式为:/R R K ε∆=。
式中/R R ∆为电阻丝电阻的相对变化,K 为应变灵敏系数,/l l ε=∆为电阻丝长度相对变化,金属箔式应变片就是通过光刻、腐蚀等工艺制成的应变敏感元件,通过它转换被测部位的受力状态变化,电桥的作用是完成电阻到电压的比例变化,电桥的输出电压反映了相应的受力状态。
单臂电桥输出电压/4o U EK ε=,只有一个桥臂电阻是应变片,其余为固定电阻。
半桥测量电路中,将受力性质相反的两应变片接入电桥邻边,其余两个临边接固定电阻,输出电压/2o U EK ε=,其输出灵敏度比单臂桥提高了一倍;全桥测量电路中,将受力性质相同的两应变片接入电桥对边,不同的接入邻边,当应变片初始阻值:R1= R2= R3= R4,其变化值ΔR1=ΔR2=ΔR3=ΔR4时,其桥路输出电压o U KE ε=。
其输出灵敏度比半桥提高了一倍,非线性误差和温度误差均得到改善。
四、实验仪器(所需单元及部件)直流稳压电源、差动变换器I 、电桥、电压表、砝码、应变片传感器、电源。
光电开关实验报告光电开关实验报告引言:光电开关是一种常见的光电传感器,主要通过感应光的存在或消失来控制电路的开关状态。
本实验旨在通过搭建光电开关电路并观察其工作原理,进一步了解光电开关的应用和特性。
一、实验器材和原理1. 实验器材:- 光电开关模块- 电源- 电线- 电阻- 数字万用表2. 实验原理:光电开关模块由发光二极管和光敏三极管组成。
当光线照射到光敏三极管上时,光敏三极管会产生电流,经过放大后驱动继电器闭合,从而控制电路的开关状态。
当光线被遮挡时,光敏三极管不再产生电流,继电器断开,电路断开。
二、实验步骤和结果1. 搭建电路:将光电开关模块与电源、电阻和数字万用表连接,保证电路连接正确。
2. 确定光电开关的感应距离:将光电开关模块与物体放置在一定距离上,逐渐调整距离,观察光电开关的工作状态。
记录当光电开关感应到物体时,继电器闭合,电路导通,数字万用表显示电流值;当光电开关未感应到物体时,继电器断开,电路断开,数字万用表显示电流值为零。
3. 测量光电开关的响应时间:在确定的感应距离上,将物体快速移动至光电开关前方,观察继电器闭合的时间。
使用计时器记录响应时间。
4. 测量光电开关的稳定性:在确定的感应距离上,保持物体静止不动,观察光电开关的工作状态是否稳定。
记录光电开关感应到物体时的电流值,并持续观察一段时间,确认电流值保持稳定。
5. 分析实验结果:根据实验数据,分析光电开关的感应距离、响应时间和稳定性。
比较不同条件下的实验结果,讨论光电开关的特点和应用场景。
三、实验结果分析1. 感应距离:根据实验结果,确定了光电开关的感应距离为X厘米。
在此距离下,当物体靠近光电开关时,继电器闭合,电路导通,数字万用表显示电流值;当物体离开光电开关时,继电器断开,电路断开,数字万用表显示电流值为零。
这说明光电开关对物体的感应距离较近,适用于近距离控制电路的开关状态。
2. 响应时间:根据实验结果,光电开关的响应时间为Y秒。
目录实验一发光二极管、光电二极管和光电三极管的应用实例(光开关)实验二光电器件伏安特性测试实验实验三光电器件光照特性测试实验实验四制作简易光功率计和测量激光器的光功率实验五LED光源I —P特性曲线测试实验一发光二极管、光电二极管和光电三极管的应用实例(光开关)实验目的:1. 具体了解常用半导体光电器件的使用方法和电路,培养同学的动手能力。
2. 通过实验中的应用光电器件的电路的制作,提高分析和解决实际问题的能力。
实验器材:1. 半导体光电器件:发光二极管、光电二极管、光电三极管、反射型光电开关。
2. 电子器件:半导体三极管(NPN型:9013)、电阻3. 电路板(Light Switch Circuit )、导线、焊接材料、干电池(6V )。
4. 工具:万用电表、电烙铁、剪刀、镊子。
实验内容和步骤:1. 发光二极管(LED的研究1)按照图1-1连接电路板(Light Switch Circuit )中Fig.1所示的电路,发光二极管相对于电源处于正向连接。
观察发光二极管的发光情况,记录毫安表的电流及其方向;发光二极管引脚图图1-12)按照图1-2连接电路板(Light Switch Circuit )中Fig.1所示的电路,发光二极管相对于电源处于反向连接,观察发光二极管的发光情况,记录毫安表的电流及其方向;图1-22. 光电二极管(photodiode)的研究1)按照图1-3连接电路板(Light Switch Circuit对于电源处于正向连接。
测量并记录其电流及其方向;2)按照图1-4连接电路板(Light Switch Circuita)有光照时和b)无光照时时电流,并作记录(包括电流的方向);3. 光电三极管的研究1)按照图1-5连接电路板(Light Switch Circuit对于电源处于反向连接。
图1-3图1-5光电三极管引脚图)中Fig.2所示的电路,光电二极管相)中Fig.2所示的电路,光电二极管相对于电源处于反向连接。
图2光电流与入射光强度的关系实验四 光 电 效 应在物理学史上,光电效应现象的发现,对光的本性------波粒二象性的认识,具有极为重要的意义,它给量子论以直观,明确的论证.光电效应有助于学习和理解量子理论。
【实验目的】1、 了解光的量子性,光电效应的规律,加深对光的量子性的理解。
2、 验证爱因斯坦方程,并测定普朗克常数h 。
3、 学习作图法处理数据。
【实验仪器】1、 光源用高压汞灯做光源,配以专用镇流器,光谱范围为320.3nm~872.0nm 可用谱线为365.0nm 、404.7nm 、435.8nm 、546.1nm 、577.0nm 共五条强线谱线。
2、 滤光片滤光片的主要指标时半宽度和透过率。
透过某种谱线的滤光片不允许其附近的谱线透过(我们精心设计制作了一组高性能的滤光片,保证了在测量某一谱显时无其他谱线干扰,避免了谱线相互干扰带来的测量误差)。
高压汞灯发出的可见光中,强度较大的谱线有5条,仪器配以相应的5种滤光片。
3、光电管暗盒采用测h 专用光电管,由于采用了特殊结构,使光不能直接照射到阳极,由阴极发射照到阳极的光也很少,加上采用新型的阴、阳极材料及制造工艺,使得阳极反向电流大大降低,暗电流也很低(≤2×10-12A )。
4、微电流测量仪在微电流测量中采用了高精度集成电路构成电流放大器,对测量回路而言,放大器近似于理想电流表,对测量回路无影响,使测量仪具有高灵敏度(电流测量范围10-18~10-13A )搞稳定性(零漂小于满刻度的0.2%),从而使测量精度、准确度大大提高。
测量结果由三位半LED 显示。
5、 光电管工作电源普朗克常数测量仪提供了两组光电管工作电源(-2~+2V,-2~+30V ),连续可调,精度为0.1%,最小分辨率为0.01伏,电压值由三位半LED 数显。
【实验原理】光电效应实验原理如图1所示:其中S 为真空光电管,K 为阴极,A 为阳极,当无光照射阴极时,由于阴极与阳极是断路,所以检流计G 中无电流通过,当用一波长比较短的单色光照射到阴极K 上时,将形成光电流,光电流随加速电位差U 变化的伏安特性曲线如图2所示。
⼤学物理实验---液晶光电效应实验题⽬:液晶电光效应实验⽬的:1、在掌握液晶光开关的基本⼯作原理的基础上,测量液晶光开关的电光特性曲线;2、观察液晶光开关的时间响应曲线,并求出液晶的上升时间和下降时间;3、测量液晶显⽰器的视⾓特性;4、了解⼀般液晶显⽰器件的⼯作原理。
实验原理:TN型液晶光开关⼯作原理两张偏振⽚贴于玻璃的两⾯,上下电极的定向⽅向相互垂直,P1的透光轴与上电极的定向⽅向相同,P2的透光轴与下电极的定向⽅向相同,于是P1和P2的透光轴相互正交。
在未加驱动电压的情况下,来⾃光源的⾃然光经过偏振⽚P1后只剩下平⾏于透光轴的线偏振光,该线偏振光到达输出⾯时,其偏振⾯旋转了90°。
这时光的偏振⾯与P2的透光轴平⾏,因⽽有光通过。
(见原理⽰意图)当施加⾜够电压时(⼀般为1~2伏),在静电场的作⽤下,液晶分⼦趋于平⾏于电场⽅向排列。
原来的扭曲结构被破坏,从P1透射出来的偏振光的偏振⽅向在液晶中传播时不再旋转,保持原来的偏振⽅向到达下电极。
这时光的偏振⽅向与P2正交,因⽽光被关断。
由于上述光开关在没有电场的情况下让光透过,加上电场的时候光被关断,因此叫做常⽩模式。
液晶光开关电光特性曲线液晶驱动电压和时间响应曲线实验步骤:1、校准透过率为100%,2、液晶电光特性的测量:静态模式下使电压从0v到6v记录相应的透射率。
绘制电光曲线图求出阈值电压与关断电压。
3、液晶时间特性曲线测定:静态闪烁状态,透过率为100%,电压为2v,由⽰波器观察到驱动电压波形及时间特性曲线,并求出上升时间与下降时间。
4、液晶视⾓特性的测量(1) ⽔平视⾓的测量电压在0v下,⾓度从-75度⾄+75度,读出每⼀⾓度下透射率的最⼤值。
电压在2v下,⾓度从-75度⾄+75度,读出每⼀⾓度下透射率的最⼩值。
计算对⽐度,绘制曲线图。
(2) 垂直视⾓的测量(同上)电压在0v下,⾓度从-75度⾄+75度,读出每⼀⾓度下透射率的最⼤值。
实验四PIN光电⼆极管特性测试实验四PIN光电⼆极管特性测试⼀、实验⽬的1、学习掌握PIN光电⼆极管的⼯作原理2、学习掌握PIN光电⼆极管的基本特性3、掌握PIN光电⼆极管特性测试的⽅法4、了解PIN光电⼆极管的基本应⽤⼆、实验内容1、PIN光电⼆极管暗电流测试实验2、PIN光电⼆极管光电流测试实验3、PIN光电⼆极管伏安特性测试实验4、PIN光电⼆极管光电特性测试实验5、PIN光电⼆极管时间响应特性测试实验6、PIN光电⼆极管光谱特性测试实验三、实验器材1、光电探测综合实验仪1个2、光通路组件1套3、光照度计1台4、PIN 光电⼆极管及封装组件1套5、2#迭插头对(红⾊,50cm)10根6、2#迭插头对(⿊⾊,50cm)10根7、三相电源线1根8、实验指导书1本9、⽰波器1台四、实验原理光电探测器PIN管的静态特性测量是指PIN光电⼆极管在⽆光照时的P-N结正负极、击穿电压、暗电流Id以及在有光照的情况下的输⼊光功率和输出电流的关系(或者响应度),光谱响应特性的测量。
图5-1 PIN光电⼆极管的结构和它在反向偏压下的电场分布图5-1是PIN光电⼆极管的结构和它在反向偏压下的电场分布。
在⾼掺杂P型和N型半导体之间⽣长⼀层本征半导体材料或低掺杂半导体材料,称为I层。
在半导体PN结中,掺杂浓度和耗尽层宽度有如下关系:LP/LN=DN/DP其中:DP和DN 分别为P区和N区的掺杂浓度;LP和LN分别为P区和N区的耗尽层的宽度。
在PIN中,如对于P层和I层(低掺杂N 型半导体)形成的PN结,由于I层近于本征半导体,有DN<LP<即在I层中形成很宽的耗尽层。
由于I层有较⾼的电阻,因此电压基本上降落在该区,使得耗尽层宽度W可以得到加宽,并且可以通过控制I层的厚度来改变。
对于⾼掺杂的N 型薄层,产⽣于其中的光⽣载流⼦将很快被复合掉,因此这⼀层仅是为了减少接触电阻⽽加的附加层。
要使⼊射光功率有效地转换成光电流,⾸先必须使⼊射光能在耗尽层内被吸收,这要求耗尽层宽度W⾜够宽。
光控开关实验报告光控开关实验报告引言:光控开关是一种能够根据光照强度自动控制电路开关的装置。
它利用光敏电阻的特性,通过光敏电阻的电阻值变化来控制电路的通断,实现对电路的自动控制。
本实验旨在探究光控开关的工作原理以及其在实际应用中的效果。
一、实验原理光控开关的工作原理基于光敏电阻的感光特性。
光敏电阻是一种能够根据光照强度改变电阻值的器件。
当光照强度增加时,光敏电阻的电阻值减小;当光照强度减小时,光敏电阻的电阻值增加。
因此,通过光敏电阻的电阻值变化,可以控制电路的通断。
二、实验材料和仪器本实验所使用的材料和仪器有:1. 光敏电阻2. 电位器3. LED灯4. 电池5. 电线6. 万用表三、实验步骤1. 将光敏电阻与电位器连接在一起,形成电路。
2. 将LED灯与电池连接在一起,形成另一个电路。
3. 将两个电路通过电线连接在一起,使得光敏电阻的电阻值变化能够控制LED 灯的通断。
4. 将光敏电阻放置在不同的光照条件下,观察LED灯的亮灭情况。
5. 使用万用表测量光敏电阻的电阻值随光照强度变化的情况。
四、实验结果与分析通过实验观察和测量,我们得到了光敏电阻的电阻值随光照强度变化的数据。
根据实验结果可以发现,当光照强度增加时,光敏电阻的电阻值减小;当光照强度减小时,光敏电阻的电阻值增加。
这与光敏电阻的感光特性相吻合。
根据实验结果,我们可以进一步分析光控开关的工作原理。
当光敏电阻的电阻值较小时,电路中的电流较大,LED灯会亮起;当光敏电阻的电阻值较大时,电路中的电流较小,LED灯会熄灭。
因此,通过光敏电阻的电阻值变化,我们可以实现对电路的自动控制。
五、实际应用光控开关在实际生活中有着广泛的应用。
以室内照明为例,光控开关可以根据室内光照强度的变化,自动控制灯光的亮度。
在白天阳光充足时,光控开关会使灯光亮度降低,从而节省能源;而在夜晚或光线不足时,光控开关会使灯光亮度增加,以提供足够的照明。
此外,光控开关还可以应用于智能家居系统中。
光敏电阻基本特性测量实验报告光敏电阻基本特性测量实验报告引言:光敏电阻是一种能够感知光线强度并将其转化为电阻变化的器件。
它在光电传感、光控开关和光电自动控制等领域有着广泛的应用。
本实验旨在通过测量光敏电阻的基本特性,了解其工作原理和性能。
一、实验目的通过测量光敏电阻在不同光照条件下的电阻变化,了解光敏电阻的光敏特性和光照强度与电阻之间的关系。
二、实验器材1. 光敏电阻:采用具有高灵敏度的光敏电阻器件,如CdS光敏电阻。
2. 光源:使用恒定光源,如白炽灯或LED灯。
3. 变阻器:用于调节电阻值,以控制电路中的电流。
4. 电流表:用于测量电路中的电流。
5. 电压表:用于测量光敏电阻两端的电压。
三、实验步骤1. 搭建电路:将光敏电阻与变阻器、电流表和电压表连接成电路,确保电路连接正确。
2. 测量电阻:通过调节变阻器的阻值,使电流表读数保持恒定,记录此时光敏电阻的电阻值。
3. 测量电压:调节光源的亮度,记录光敏电阻两端的电压值。
4. 重复步骤2和步骤3,分别在不同的光照条件下进行测量。
四、实验结果与分析根据实验步骤所得到的数据,我们可以绘制光敏电阻的电阻-光照强度曲线。
根据实验结果,我们可以得出以下结论:1. 光敏电阻的电阻随光照强度的增加而减小。
这是因为光敏电阻的材料在光照下会发生光致电离,导致载流子浓度增加,从而降低了电阻值。
2. 光敏电阻的响应速度较快,但存在一定的时间延迟。
当光源亮度发生变化时,光敏电阻的电阻值并不会立即改变,而是在一定时间内逐渐调整到新的稳定值。
3. 光敏电阻的灵敏度取决于材料的特性和制造工艺。
不同的光敏电阻材料对不同波长的光源具有不同的响应特性,因此在实际应用中需要根据具体需求选择合适的光敏电阻。
五、实验误差分析在实验过程中,可能存在以下误差源:1. 光源的稳定性:光源的亮度可能会随时间变化,导致光敏电阻的测量结果存在一定的误差。
2. 电路接线的稳定性:电路接线不牢固或接触不良可能会导致电流和电压的测量值不准确。
实验4.18.1 液晶的电光特性及应用姓名 班级 教师 实验时间 实验组号 一、预习要点1. 液晶光开关工作原理; 2. 液晶的响应时间和视角特性; 3. 液晶的基本物理特性;二、实验注意事项1. 透射光强的测量在实验过程中直接记录光强的大小,数据处理时再作归一化处理。
三、实验内容1. 液晶光开关电光特性测量2. 液晶光开关视角特性的测量3. 液晶显示器显示原理四、数据表格:1. 液晶光开关电光特性测量1) 阈值电压和关断电压的测量 电压(伏) 0 0.50.8 1.0 1.2 1.3 1.4 1.5 1.6 1.7 2.0 3.0 4.0 5.0 6.012 3 光强 (mW)平均2) 响应时间的测量(可用数字示波器的测量功能自动测量)用数字存储示波器在液晶静态闪烁状态下观察此光开关时间响应特性曲线,可以根据此曲线得到液晶的上升时间Δt1= 和下降时间Δt2= 。
2. 液晶光开关视角特性的测量水平视角特性(供电电压分别设为0V 和1.4V)角度(度) -80 -75 -70 -65 -60 -55 -50 -45 -40 -35 -300V 1.4V 角度(度)-25 -20 -15 -10 -5 0 5 10 15 20 250V 1.4V 角度(度) 30 35 40 45 50 55 60 65 70 75 800V 1.4V垂直视角特性(供电电压分别设为0V和1.4V)角度(度)-80 -75 -70 -65 -60 -55 -50 -45 -40 -35 -30 0V1.4V角度(度)-25 -20 -15 -10 -5 0 5 10 15 20 25 0V1.4V角度(度)30 35 40 45 50 55 60 65 70 75 80 0V1.4V3.液晶显示器显示原理教师签字:五、数据处理要求1.作液晶光开关的电光特性曲线,并根据曲线得出阈值电压和关断电压;2.根据测量的响应时间,估计该液晶能够响应的最高频率(要求液晶稳定显示的时间 不稳定的时间);3.作液晶的水平视角特性曲线(在一个坐标下作两条曲线)和垂直视角特性曲线(在一个坐标下作两条曲线)。
光电成像器件实验报告实验题目实验二线阵CCD特性测试实验日期2016.6.1 姓名杨智超组别双2 班级13光电子班学号134090340 【实验目的】通过对典型线阵CCD在不同驱动频率和不同积分情况下输出信号的测量,进一步掌握CCD的有关特性,掌握积分时间的意义,以及驱动频率与积分时间对CCD输出信号的影响。
【实验器材】光电技术创新综合实验平台 1台双踪同步示波器(20MHz以上) 1台线阵CCD模块 1块连接导线若干光源特性测量模块 1块 CCD光路组件 1套航空插座连接线 1根【实验原理】两相线阵CCD电荷传输原理示意图如图1所示:图1 两相线阵CCD电荷传输原理示意图每一相有两个电极(即原理中的一个CCD转移寄存器的MOS电容实际中用两个),这两个电极与半导体衬底间的绝缘体厚度不同,在同一外加电压下产生两个不同深度的势井,绝缘体薄的那个MOS电容比绝缘体厚的那个MOS电容势井深,只要不是过多的电荷引入,电荷总是存于右边那个势井。
图b显示了相位相差180O的驱动脉冲Φ1为高电位,Φ2为低电位时MOS电容的势井深度及电荷存储情况。
图c表示Φ1和Φ2电位相等时的情况,这时电荷还不能移动;图d显示了Φ1为低电位,Φ2为高电位时的情况,这时电荷流入Φ2相的势井。
当Φ1和Φ2电位再相等时停止流动。
电荷传输机理证明,电荷从一个势井传输到下一个势井需要一定的时间,且电荷传输随时间的变化遵循指数衰减规律,只有由Φ1和Φ2的频率所确定的电荷传输时间大于或等于电荷传输所需要的时间,电荷才能全部传输。
但在实际应用中,从工作速率考虑,由频率所确定的电荷传输时间往往小于电荷本身传输所需要的时间。
这就是说,电荷的转移效率与驱动频率有关。
驱动频率越低,输出信号越强。
积分时间为光电转换的时间,显然,积分时间越长,光敏区的MOS电容存储的电荷越多,相应输出信号越强。
【实验步骤及注意事项】【实验结果与数据处理】。
液晶电光特性及应用摘要:实验通过测量液晶光开关的电光特性曲线,得到液晶的阈值电压和关断电压,并且通过测量液晶的时间响应曲线,得出了液晶的上升时间和下降时间,并计算出了液晶能够响应的最高频率。
进一步又研究了液晶显示器的视角特性以及在不同视角下的对比度。
实验的重点是作图,实验测量过程比较简单,通过测量作图,结果也比较符合理论。
关键字::1.液晶光开关;2.透射率;3响应;4.视角液晶是介于液体与晶体之间的一种物质状态。
一般的液体内部分子排列是无序的,而液晶既具有液体的流动性,其分子又按一定规律有序排列,使它呈现晶体的各向异性。
当光通过液晶时,会产生偏振面旋转,双折射等效应。
液晶分子是含有极性基团的极性分子,在电场作用下,偶极子会按电场方向取向,导致分子原有的排列方式发生交化,从而液晶的光学性质也随之发生改变,这种因外电场引起的液晶光学性质的改变称为液晶的电光效应。
一、实验目的1.在掌握液晶光开关的基本工作原理的基础上,测量液晶光开关的电光特性曲线,并由电光特性曲线得到液晶的阈值电压和关断电压。
2.测量驱动电压周期变化时,液晶光开关的时间响应曲线,并由时间响应曲线得到液晶的上升时间和下降时间。
3.测量由液晶光开关矩阵所构成的液晶显示器的视角特性以及在不同视角下的对比度,了解液晶光开关的工作条件。
二、实验原理1.液晶光开关的工作原理液晶显示的原理主要是给予光开关,若在加电压钳两个偏振片刚好处于消光位置,当电压超过阈值电压时,整个装置将有消光变为通光。
同样,也可以先使检偏器处于通光位置,高电压时变为通光。
液晶的种类很多,仅以常用的TN (扭曲向列)型液晶为例。
TN型光开关的结构如图I所示。
液晶光开关是由外加电压来控制的。
液晶在电场作用下透光强度将发生变化,通光强度与外加电压的关系曲线称为电光曲线。
以常白模式为例,当电压小于一定数值时,透过率基本不变,加到一定电压时,透光强度开始变化,随着电压的增加,透光强度减弱,当电压声道一定值后,透光强度将不再随外加电压变化了。
实验四光开关特性测量
一. 实验目的
1.了解光开关的工作原理和内部结构。
2.学习光开关的使用方法。
二. 实验原理
光开关是一种具有一个或多个可选择的传输端口,可对光传输线路或集成光路中的光信号进行相互转换或逻辑操作的器件。
端口是指连接于光器件中允许光输入或输出的光纤或光纤连接器。
光开关可用于光纤通信系统、光纤网络系统、光纤测量系统或仪器以及光纤传感系统,起到开关切换作用。
根据其工作原理,光开关可分为机械式和非机械式两大类。
机械式光开关靠光纤或光学元件移动,使光路发生改变。
它的优点是:插入损耗较低,一般不大于2dB;隔离度高,一般大于45dB;不受偏振和波长的影响。
不足之处是:开关时间较长一般为毫秒数量级,有的还存在回跳抖动和重复性较差的问题。
机械式光开关又可细分为移动光纤,移动反光镜,移动耦合器等种类。
非机械式光开关则依靠电光效应、磁光效应、声光效应以及热光效应来改变波导折射率,使光路发生改变。
这类开关的优点是:开关时间短,达到毫微妙数量级甚至更低;体积小,便于集成。
不足之处是插入损耗大,隔离度低。
本实验所用的光开关属于机械式中的移动反射镜2X2类型。
其外形如图4.1所示,结构示意图如图4.2所示。
图4.1 光开关的外形图
(a ) (b )
图4.2 光开关的结构示意图
这种光开关有四个输出端口,还有控制光路转换用的连接电源的正、负两个电极。
在这种移动反射镜型光开关中,输入输出端口的光纤都是固定的,球面镜置于受外电场控制的旋转器上。
它依靠旋转球面反射镜,使输入光与不同的输出端口接通。
当光开关不接DC5V 电压时,球面镜的位置如图4.2(a )中所示。
此时,端口1与2、3与4接通。
当光开关接上DC5V 电压时,球面镜旋转90º,此时,端口1与3、2与4接通。
因此,通过此光开关可以达到光路切换的目的。
三. 实验设备
1. A V38124A 1.55μm 单模调制光源
2. A V38121A 1.31μm 单模调制光源
3. A V2498 光纤多用表
4. 2X2光开关
5. 一条2kM 的光纤链路和一条10kM 的光纤链路
6. 光时域反射计(OTDR )
7. 直流稳压稳流电源
四. 实验步骤
1.按图4.3将各设备连接起来。
2kM 的光纤链路和10kM 的光纤链路分别通过光纤 活动连接器与光开关的端口1、4连接起来。
光开关的端口2也通过光纤活动连接器接入OTDR 的光输出端。
球面镜
光纤
1
2
3 4
10km光纤链路2km光纤链路
图4.3 光开关与OTDR组合测试图
3.光开关工作电压电流的调整。
光开关的工作电压为DC4.6V~6.0V,工作电流为DC36mA~48mA。
光开关的两电极先不接上稳压电源,调节稳压电源的输出电压:首先将稳流调节旋钮旋钮顺时针调到最大,然后打开稳压源的电源开关,调节电压调节旋钮,使输出直流电压到约5V左右。
再反时针将稳流调节旋钮调到最小,光开关的正、负电极分别与直流稳压电源的正、负极相接,并顺时针调节稳流调节旋钮到约40mA左右。
注意:供给电压、电流不能超过光开关要求的工作电压、电流范围。
否则会损坏光开关。
4.光开关的直流电源先不接通,打开OTDR的电源。
调整OTDR的有关测量参数,然后打开“START/STOP”键,OTDR发出激光,在OTDR屏幕上可看见10kM光纤链路的测量曲线。
这说明光开关的端口1、2是连通的,并且可以双向传输光信号。
(为什么?)
5.关闭“START/STOP”键,OTDR停止发出激光,接通光开关的直流电源,调整OTDR的有关测量参数,然后打开“START/STOP”键,OTDR发出激光,在OTDR屏幕上可看见2kM光纤链路的测量曲线。
这说明光开关的端口4、2是连通的,并且可以双向传输光信号。
6.将OTDR接到光开关的端口3,重复步骤(3)、(4)。
类似可以证明光开关不接电源时,端口4、3接通;接上电源后,端口4、2通。
因此,实验证明:光开关不接DC5V电源时,端口1和2、4和3相通;接
上DC5V电源后,端口1和3,4和2相通。
再测试光开关各通道对1.55μm LD光源和1.31μm LD光源的插入损耗,请将下面的测试数据填入表4-1中。
7.用光纤多用表分别测出1.55μm LD光源和1.31μm LD光源的输出光功率P0。
8.按图4.3将1.31μm LD光源、1.55μm LD光源、光开关、光纤多用表和直流
稳压稳流电源连接起来。
1.31μm LD光源接光开关的端口1, 1.55μm LD光源接光开关的端口4。
光开关先不接通DC5V电源,此时端口1和2、4和3相通,用光纤多用表在端口2和端口4分别测出输出光功率P1-2、P4-3,从而测出光开关端口1-2对1.31μm LD光源、光开关端口4-3对1.55μm LD光源的插入损耗A1-2、A4-3。
9.光开关接上DC5V电源,此时端口1和3、4和2相通,类似用光纤多用表在端口2和端口4分别测出光开关端口1-3对1.31μm LD光源、光开关端口4-2对1.55μm LD光源的插入损耗A1-3、A1-4。
10.断开光开关的DC5V电源,交换1.31μm LD光源、1.55μm LD光源的位置,即1.55μm LD光源接光开关的端口1, 1.31μm LD光源接光开关的端口4,用类似方法测出光开关端口1-2、1-3对1.55μm LD光源、光开关端口4-2、4-3对1.31μm LD 光源的插入损耗。
五. 实验报告
1.测试光开关各通道的插入损耗时的相关结果填入表4-1中。
2. 为什么用OTDR测出光纤链路的特性曲线,就说明这两个端口可以双向传输光信
号?
3.如果要将一路光信号分时传输给两个不同的目标,或者一个探测器要分时检测两
路光信号,应该将它们如何连接?
4.对测试结果进行分析。
图4.3 光开关插入损耗测试图。