仪器设备期间核查记录
- 格式:doc
- 大小:60.50 KB
- 文档页数:2
机动车检测专用轴(轮)重仪期间核查一、范围适用于机动车检测专用轴(轮)重仪期间核查的期间核查。
二、核查标准砝码或测力仪可任选其一。
-------砝码:准确度不低于M 22等级; -------测力仪:准确度不低于0.5级。
三、核查的项目(或参数) 载荷示值误差。
四、核查环境条件温 度:(0~40)°C 相对湿度:0~85%核查应在周围无影响测量的污染、振动、噪音和电磁干扰的环境下进行。
五、技术条件按照JJG 1014-2006《机动车检测专用轴(轮)重仪》的技术要求,确定控制限为核查点载荷的示值误差不超过±2.0%。
仪器使用说明书 六、核查方法核查方法的选择采用传递测量法核查。
砝码法和测力仪法可任选其一进行核查。
1、砝码法轴(轮)重仪调整零点后,向被核查轴(轮)重仪的承载器上砝码,选取常用称量点作为核查点,加载至核查点后读取轴(轮)重仪示值,按式计算该核查点的示值误差。
%100⨯-=mmx m δ 式中:m δ------砝码法核查点的示值误差;x ------核查点轴(轮)重仪的示值,单位为千克(kg );m ------核查点加载砝码质量值,单位为千克(kg )。
2、测力仪法按照说明书安装专用反力架后,使用千斤顶加力使得压力通过测力仪传感器轴线垂直作用在轴(轮)重仪的承载器上。
将轴(轮)重仪与测力仪调整至零点,选取常用称量点作为核查点,加载至核查点后读取仪表示值,按式计算该核查点的示值误差。
%100⨯-⨯=FFg x F δ 式中:F δ------测力仪法核查点的示值误差;x ------核查点轴(轮)重仪的示值,单位为千克(kg );g ------重力加速度,单位为米每二次方秒(2/s m ); F ------核查点测力仪示值,单位为千牛(kN )。
七、核查结果的判定及处理1、如果%2≤m δ或%2≤F δ,则本次核查通过,表明被核查的轴(轮)重仪保持了检定或校准的状态,处于受控状态,可继续使用。
期间核查检验记录陕西建工机械施工集团有限公司试验检测中心二零一六年度期间核查仪器一览表1.电子天平‥‥‥‥‥‥‥‥‥‥‥‥‥‥‥‥‥‥‥‥‥JXSG/QJHC-89-20162.浸水天平‥‥‥‥‥‥‥‥‥‥‥‥‥‥‥‥‥‥‥‥‥JXSG/QJHC-89-20163.电子秤‥‥‥‥‥‥‥‥‥‥‥‥‥‥‥‥‥‥‥‥‥‥JXSG/QJHC-90-20164.电动击实仪‥‥‥‥‥‥‥‥‥‥‥‥‥‥‥‥‥‥‥‥JXSG/QJHC-91-20165.水泥混凝土试模‥‥‥‥‥‥‥‥‥‥‥‥‥‥‥‥‥‥JXSG/QJHC-92-20166.水泥砂浆试模‥‥‥‥‥‥‥‥‥‥‥‥‥‥‥‥‥‥‥JXSG/QJHC-92-20167.石料压碎值测定仪‥‥‥‥‥‥‥‥‥‥‥‥‥‥‥‥‥JXSG/QJHC-93-20168.坍落度筒及捣棒‥‥‥‥‥‥‥‥‥‥‥‥‥‥‥‥‥‥JXSG/QJHC-94-20169.雷氏夹‥‥‥‥‥‥‥‥‥‥‥‥‥‥‥‥‥‥‥‥‥‥JXSG/QJHC-95-201610.水泥稠度及凝结时间测定仪‥‥‥‥‥‥‥‥‥‥‥‥JXSG/QJHC-96-201611.电热鼓风干燥箱‥‥‥‥‥‥‥‥‥‥‥‥‥‥‥‥‥JXSG/QJHC-97-201612.雷氏沸煮箱‥‥‥‥‥‥‥‥‥‥‥‥‥‥‥‥‥‥‥JXSG/QJHC-98-2016期间核查校验方法一、电子天平期间核查方法1、引用标准JJG 1036-2008 电子天平检定规程2、准备工作2.1两次检定时间间隔内进行核查。
2.2查看天平水平仪中的气泡是否在中间位置,如否则应调整天平地脚螺栓高度,直至水平仪内气泡位于圆环中央位置。
2.3接电预热:打开电源开关,接通电源,电子天平在初次接通或长时间断电之后,应至少预热30分钟。
3、操作步骤3.1 天平的偏载误差的核查,选择量程1/3的砝码放置于天平或电子称中间测试,在将天平或电子称四个角的位置测试记录示值。
3.2 重复性误差核查,测量中每次加载前先将天平或电子称调到零位,试验选择80%-100%最大量程的单个砝码,测试次数不少于6次,测试结果中的最大值与最小值之差即为示值重复性误差。
环保仪器设备运行期间核查记录表填写这里有份你可以参考一下,谢谢!内审检查表(硬件)受审核部门:审核员:审核时间:审核要素审核子条款审核方法审核材料或活动审核记录审核结果5.1人员5.1.1审查材料1、查人员一览表,关键岗位人员是否有任命文件,聘用人员是否劳动合同,2、关键岗位如技术负责人、质量负责人、授权签字人的资格5.1.2审查材料1、所有抽样、检测、授权签字人的能力证明及技能确认的记录如上岗培训、考核记录、上岗证书5.1.3审查材料1、人员培训程序2、人员年度培训计划3、人员培训记录包括检测技术、法规、体系培训5.1.4审查材料1、培训中人员的监督规定及其记录5.1.5审查材料1、人员技术档案是否进行了管理,如保持更新2、人员技术档案是否包括资格、培训、技能和经历材料5.1.6审查材料1、授权签字人是否具体工程师以上职称,有本专业领域工作证明、培训证明、工作经历5.1.7审查材料和询问1、授权签字人的任职条件规定是否满足要求2、是否熟悉业务5.2设施和环境条件5.2.1现场查看1、对照标准规范设施和环境条件是否符合要求5.2.2审查材料1、相关程序文件及标准2、核查配备的监控设施和监控记录5.2.3审查材料现场查看1、安全作业程序的完整性2、是否有安全控制措施,是否配备相关安全设备、检查记录3、是否有应急措施、配备应急设施、检查记录5.2.4审查材料现场查看1、环境保护程序的完整性2、是否配备相应的设备设施3、对三废是否有处理记录4、是否有应急措施、配备应急设施、检查记录5.2.5审查材料1、区域间是否有不利影响,是否有效隔离5.2.6审查材料现场查看1、检查是否有限制进入的标识2、是否有对进入环境受控的规定3、是否有相关的内务管理文件规定4、检查记录5.3检测方法5.3.1审查材料1、检验方选择法的控制程序2、检查标准、作业指导书的发放记录3、抽查报告标准是否使用的适宜4、对于标准不规范的是否有作业指导书补充5.3.2审查材料1、检验标准是否现行有效2、标准变更是否报发证部门确认3、对新的标准方法是否进行了确认4、方法变化是否有重新确认5、有无作废标准在使用6、是否有新项目的程序规定5.3.3审查材料1、现场检查标准方法的有效性2、是否方便人员取阅5.3.4审查材料1、查资质认定证书是否采用了国际标准,是否翻译为中文5.3.5审查材料1、是否制定了非标准的方法2、非标准方法是否进行了确认和验证5.3.6审查材料1、是否有允许偏离的程序2、是否有客户委托检测合同5.3.7审查材料1、是否有数据转换的程序及其有效性2、抽查检验报告及原始记录是否按规定进行了计算及数据转换3、是否有专人进行网络维护和数据保护4、计算机应用文件的管理是否符合要求5.4设备和标准物质5.4.1审查材料1、《仪器设备管理程序》2、设备一览表及设备能力分析3、仪器设备的采购、验收使用、维修、保养、报废、标识等相关记录。
实验室测量设备的期间核查测量设备的期间核查过去称为测量设备运行检查,是实验室认可和计量认证要求的质量管理的一种方式。
不同的行业、不同的测量设备,期间核查的操作的方法均不同。
以下介绍测量设备期间核查实施方法,谨供参考。
一.术语:1.测量设备:测量仪器、测量标准、参考物质、辅助设备以及进行测量所必需的资料的总称。
2. 期间核查:是用简单实用的方法,对测量仪器的某些参数,在两次相邻检定/校准之间进行的对测设备校准状态的可信度的一种技术核查。
3. 核查标准为了对某个测量过程进行控制,通过对该过程的测量来收集数据所使用的测量设备、产品或其它物体。
二.期间核查的对象一般应对处于以下七种情况之一的仪器进行核查;1、使用频繁的;2、使用或贮存环境严酷或发生剧烈变化的;3、使用过程中容易受损、数据易变或对数据存疑的;4、脱离实验室直接控制,诸如借出后返还的;5、使用寿命临近到期的;6、首次投入运行,不能把握其性能的;7、测量结果具有重要价值或重大影响的。
实验室通常不需要对仪器的所有功能与全部测量范围进行核查,主要针对使用的稳定性不佳的某些参数、范围和测点。
三.测量设备和标准物质期间核查的目的及与计量检定、校准的区别实验室测量设备期间核查的目的在于确认仪器上次检定、校准时的性能相对不变,或及时发现其量值失准并缩短失准后的追溯时间,以便尽可能降低成本和风险。
就检定而言,虽然检定证书给出了有效期,但仪器在实际使用的复杂性,并不能确保在此期间其性能始终维持在允许范围内。
测量设备的检定、校准与期间核查的区别。
1、测量设备的检定、校准是由法定技术机构或授权机构来完成。
而测量设备的期间核查是由实验室人员来完成的,不需要经过授权,只需实验室授权即可。
2、测量设备的检定、校准依据是国家颁布的现行有效的检定规程和校准规范。
测量设备的期间核查依据是实验室根据测量设备的使用参数要求自己制订的测量设备期间核查的作业指导书,也就是期间核查的方法,由实验室进行核验并且备案受控。
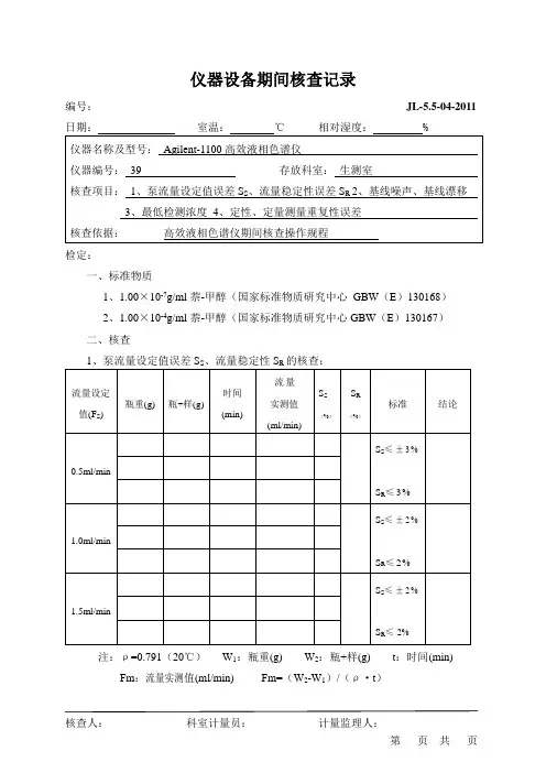
仪器设备期间核查记录编号:JL-5.5-04-2011检定:一、标准物质1、1.00×10-7g/ml萘-甲醇(国家标准物质研究中心GBW(E)130168)2、1.00×10-4g/ml萘-甲醇(国家标准物质研究中心GBW(E)130167)二、核查注:ρ=0.791(20℃)W1:瓶重(g) W2:瓶+样(g) t:时间(min) Fm:流量实测值(ml/min) Fm=(W2-W1)/(ρ·t)J L-5.5-04-2011S S=(Fm-Fs)/Fs×100% S R=(Fmax-Fmin)/F×100%2、基线漂移和基线噪声的核查:(图谱见第页)色谱柱:C18 流动相:甲醇流速:1 ml/min 波长:254nm①基线漂移= Au/h(规定:基线漂移≤5×10-3AU/h)规定②基线噪声= Au(规定:基线噪声≤5×10-4AU)规定3、最低检测浓度的核查:(图谱见第页)色谱条件同2项进样量:20ul(定量环)最低检测浓度:Cl=2·Nd·C/H== g/ml注:Cl:最小检测浓度Nd :基线噪声峰-峰高C:标准溶液浓度H:标准溶液色谱峰高(规定:Cl≤1×10-7g/ml)规定4、定性、定量测量重复性试验的核查:(图谱见第页)色谱条件同2项进样量:20ul(定量环)标准溶液的配制:精取标准物质萘-甲醇溶液(1.00×10-4g/ml)4ml,置10ml 量瓶中,加甲醇稀释至刻度,摇匀,即得4.00×10-5g/ml的标准溶液。
峰保留时间:RSD= %(规定:RSD≤1.5%)规定峰面积:RSD= %(规定:RSD≤1.5%)规定核查结论:按照《高效液相色谱仪期间核查操作规程》核查,结果规定。
仪器设备核查记录模板仪器设备核查记录模板1.仪器设备基本信息:-仪器设备名称:-仪器设备型号:-仪器设备编号:-设备所在部门:-设备责任人:-上次核查日期:-下次核查日期:2.核查内容:-设备完整性:检查设备外观是否完好无损,无明显磕碰、刮擦或裂纹等问题。
-设备功能:检查设备的各项基本功能是否正常,如开关、显示屏、控制按钮、电源等。
-设备精度:根据设备的规格和要求,对设备的精度进行验证测试。
-设备安全:检查设备的防护装置是否完好,避免使用过程中出现安全隐患。
-设备清洁:检查设备的内外部环境是否清洁,如有脏污需进行清洗。
3.核查步骤及结果记录:-核查步骤一:对设备进行外观检查,记录设备是否存在任何外部损坏或磨损等问题。
-结果记录:设备外观完好无损,未发现任何明显问题。
-核查步骤二:检查设备各项基本功能(开关、显示屏、控制按钮、电源等)是否正常。
-结果记录:设备各项基本功能正常,无异常。
-核查步骤三:根据设备的规格和要求,进行精度验证测试。
-结果记录:设备精度符合规格和要求,无明显偏差。
-核查步骤四:检查设备的防护装置是否完好,避免使用过程中出现安全隐患。
-结果记录:设备防护装置完好,能够正常保护使用人员安全。
-核查步骤五:检查设备的内外部环境是否清洁,并进行必要的清洁工作。
-结果记录:设备内外部环境清洁,无脏污。
4.核查结论和建议:-核查结论:设备在本次核查中表现良好,各项功能正常,精度符合规格要求,并未发现明显问题及安全隐患。
-建议:在下次核查前,继续保持设备的清洁和安全,定期对设备进行维护保养,确保其良好的运行状态。
5.核查人员:-核查人员姓名:-核查日期:-签名:以上是仪器设备核查记录的模板,条理清晰,覆盖了设备的基本信息、核查内容、核查步骤及结果记录、核查结论和建议以及核查人员的相关信息。
通过使用这样的模板,可以确保核查记录的完整性和准确性,方便设备管理和维护工作的进行。
重庆南川至两江新区高速公路项目2019年仪器设备期间核查方法及记录四川东坤工程检测有限公司重庆南川至两江新区高速公路第JL2总监理工程师办公室工地试验室WES-1000B数显万能材料试验机期间核查方法一、总则1.1 核查目的:为确保试验机在两次检定之间能够准确正常运转、制定期间核查办法。
1.2 核查次数:在每个检定周期(即两次相邻检定之间)中间进行一次期间核查。
二、核查内容2.1 检查整个机器的油路系统是否漏油、缺油。
2.2 检查上、下压板及上、下钳口是否正常,运行是否自如。
2.3 检查电路是否正常,有无短路、断路等现象。
2.4 检查试验机的示值是否正确或在误差范围以内,误差在±1%以内。
三、核查用器具3.1同厂家、同型号WES-1000B液压万能材料试验机、(同一根、同规格、同牌号)钢筋。
四、核查方法4.1 油路、电路等的核查采用目测法。
4.2 启动电源,关闭回油阀,打开送油阀,慢慢加压,观察电路是否正常,以及有无漏油处。
4.3 采用一模拟试件,启动上、下压板观察运行是否灵活,以及钳口有无破损,是否能正常夹持试件。
4.4 试验机示值的核查,比对法,4.4.1 在同一根、同牌号、同规格钢筋上,截取四根试样备用,试样编号分别为,G1、G2、G3、G4。
4.4.2 启动WES-1000B万能材料试验机电源,缓慢送油,使试验机慢慢向上行走,此时调整零点,再使机器复位。
4.4.3 将G1、G2钢筋试样分别夹至WES-1000B试验机钳口,慢慢开动机器,按试验操作规程进行试验,直至钢筋试件断裂。
4.4.4 在4.4.3操作过程中,分别记下三根钢筋的屈服值和极限强度值,并求出屈服强度的平均值δ 、s1和极限强度平均值δ、b1。
4.4.5 再用同规格、同型号WES-1000B试验机,重复4.4.2 ,4.4.4 操作,求出G4、G5 钢筋的屈服强度的平均值δ s2 和极限强度平均值δ b2。
五、结果评定5.1 电路、油路、夹板、钳口等应无短路、断路,油路无漏油,夹板、钳口无损坏且运行自如判为合格,否则应维修。