仪器设备期间核查方法
- 格式:doc
- 大小:718.00 KB
- 文档页数:70
1.使用有证标准物质的方法适用范围:仅限于有标准物质的仪器设备,并已知标准物质的不确定度。
En=式中:X lab—测量值;X ref—标准物质指定值;U lab—本实验室测量结果的不确定度;U ref—参考标准物质的不确定度。
接受准则:当E n≤1时,表明被核查的仪器设备的校准/检定状态得到保持。
拒绝准则:当E n>1时,表明被核查的仪器设备校准/检定状态没有得到保持,必须查找原因或重新送检定/校准。
2.对两台同等精度的仪器设备进行比较的方法。
适用范围:实验室中两台相同(技术指标相同)的仪器设备。
En=式中:X1是被核查仪器A的测得的某参数的数值;X2是被核查仪器B的测得的某参数的数值;U lab是实验室测量结果的不确定度。
接受准则:当E n≤1时,表明被核查的仪器设备的校准/检定状态得到保持。
拒绝准则:当E n>1时,表明被核查的仪器设备校准/检定状态没有得到保持,必须查找原因或重新送检定/校准。
3.对保留样品的量值重新测量的方法适用范围:仅适用于当实验室无参考标准,并仅有一台被考核设备时,同时在此种条件下,实验室还应有一个或一组在保留期间内,被测性能稳定的样品。
操作方法:将被考核设备送上一级法定计量单位检定回来后,立即测量核查样品的某个参数,得X 1,作为该设备进行期间核查时的参考值。
在该设备的时间间隔内,再次测量该核查样品,得X i 。
公式:En =式中:X i -第i 次测量样品得到的值;X 1-将被考核设备送上一级法定计量单位检定回来后,测量样品得到的值;U lab -实验室测量结果的不确定度。
接受准则:当E n ≤1时,表明被核查的仪器设备的校准/检定状态得到保持。
拒绝准则:当E n >1时,表明被核查的仪器设备校准/检定状态没有得到保持,必须查找原因或重新送检定/校准。
4.百分比差方法适用范围:该仪器送计量检定部门检定后给出了允差△%。
操作方法:某一样本身具有固定值X 1,用被考核仪器测定得X 2。
仪器设备期间核查方法
1.核查是否与仪器设备规格书相符。
2.核查仪器设备是否有明显损坏或变形。
3.核查仪器设备的电源、通信线路、传感器、控制器、显示器等基础组件是否正常运转。
4.核查仪器设备的读数、测量值与标准值是否相符,查看仪器设备是否精准度高,是否准确无误。
5.核查仪器设备的使用方法和操作流程是否规范,查看使用说明书是否一致和用户以前已经了解内容。
6.核查仪器设备的防护措施是否在位。
7.核查仪器设备的环境温度、湿度等实验条件是否符合要求。
8.核查仪器设备的维修保养记录是否完整。
实验室仪器期间核查的要点和方法一、仪器核查主要内容1、仪器的功能是否正常。
2、仪器的主要性能指标是否符合技术规范或预期要求。
由于仪器运行原理较为复杂,各部分功能的发挥有时有交叉性,有的作用的发挥有一定的隐含性,且检定、校准、期间核查对整机检测能力而言往往会有一定的局限性,功能核查和准确性、稳定性核查不能互为替代。
二、仪器核查基本要点1、将核查的技术实施与实际开展的检测项目的技术要求相结合,提高核查结果对保证检测结果质量的有效性;2、核查不同种类的仪器需区别对待。
应该考虑的因素包括仪器的工作原理、复杂程度、使用频次、标准物质的作用等等;3、对复杂仪器的功能性核查,不同部件有时要从频次、管理层次等区别要求,充分体现其功能特点;4、为提高仪器核查工作的效率,可尽量将核查工作与具体检测工作过程相结合,相关记录的方式也可以灵活设置。
三、仪器部件功能核查的一般方法1、针对不同仪器确定其性能容易发生变化的部件及辅助设备,确定核查重点。
通常可参考仪器厂商的建议;2、针对不同的部件及其特性,确定必要的核查频次和方法。
四、仪器的性能指标核查的一般方法1、确认定期检定校准或期间核查结果;2、使用有证标准物质核查;3、使用质控样品复测或留样复测;4、实验室内部或实验室间比对;5、实验室内部比对应尽可能安排不同操作人员,使用当天配置的工作曲线。
五、其它核查方法1、对仪器性能指标核查应考虑数据重复性、仪器检出限、信噪比、灵敏度和测量不确定度等要求,可主要针对实验室经常开展的检测项目。
2、选择核查使用的有证标准物质时,并不一定要严格按照仪器的检定规程或校准规范中列明的标准物质。
适当时也可选用实验室经常开展的检测项目所对应的标准物质。
仪器期间核查的9种方法及结果判断1、传递测量法当对计量标准进行核查时,如果实验室内具备高一等级的计量标准,则可方便地用其对被核查计量标准的功能和范围进行检查,当结果表明被核查的相关特性符合其技术指标时,可认为核查通过。
当对其他测量设备进行核查时,如果实验室具备更高准确度等级的同类测量设备或可以测量同类参数的设备,当这类设备的测量不确定度不超过被核查设备不确定度的的1/3时,则可以用其对被核查设备进行检查,当结果表明被核查的相关特性符合其技术指标时,认为核查通过。
当测量设备属于标准信号源时,也可以采用此方法。
2、多台套设备比对法当实验室没有高一等级的计量标准或其它测量设备,但具有多台套同类的具有相同准确度等级的计量标准或测量设备时,可以采用这一方法。
首先用被核查的测量设备对核查标准进行测量,得到的测量值为y 1 。
然后用其它几台设备分别对核查标准进行测量,得到的测量值分别为y 2、y 3……y n ,计算y 1、y 2、y 3……y n 的平均值为()n y y y n x +++= 211,则当U nn y y i 1+≤-时,认为核查结果满意,式中U 为用被核查设备对核查标准进行测量时的扩展不确定度。
3、两台套设备比对法当实验室只有两台套同类测量设备时,可用它们对核查标准进行测量,得到的测量值分别为y 1、y 2。
假如它们的测量不确定度分别为U 1、U 2,则当满足:212212U U y y +≤- 认为核查结果满意。
若这两台套设备是溯源到同一计量标准,它们之间具有相关性,在评定不确定度时应予考虑。
4、标准物质法当实验室具有被核查设备的标准物质时,可用标准物质作为核查标准。
若用标准物质去检查被核查设备的参数,得到的测量值为,判别准则为:1≤∆-Y y 式中:y ——测量值;Y ——标准物质标准值;△——被核查设备的最大允许误差。
用于期间核查的标准物质应能溯源至SI ,或是在有效期内的有证标准物质。
实验室仪器设备的期间核查仪器设备的期间核查一、摘要二、期间核查的方法来源三、期间核查的方法及其判定原则四、期间核查结果处理及核查频次五、期间核查的实施一、摘要1.1“期间核查”是I S0/I E C17025:2005《检测和校准实验室能力的通用要求》中5.5.10提出的一个概念,所谓期间核查是指核查仪器设备的系统漂移,以保持其校准状态的置信度,期间核查并不是校准,校准是为了满足法定要求,而期间核查是为了满足对校准状态的信心。
检测机构为完成大量的检验任务,往往要配置各种仪器设备。
为了保证检测结果的准确性,仪器设备的可信度至关重要。
检测机构除了通过控制采购、校准等环节保证仪器设备的可靠性之外,期间核查也是一个重要的方法,同时它是标准中的一项规定,也是国家实验室认可和计量认证所要求的质量管理的一种方式,应纳入日常工作,并应有明确的规定1.2不同实验室的测量设备期间核查要求是不尽相同的。
按照I S O/I E C17025和J J F1069-2007的要求校准实验室和法定计量检定机构必须对其计量标准和标准物质进行期间核查,对其他测量设备以及检测实验室的一般测量设备,需要进行期间核查的有使用频次高的,使用环境恶劣的,对检测结果有重大影响的,移动使用的,漂移较大、稳定性较差的,用于现场检测的,曾经过载或怀疑有质量问题的。
二、期间核查的方法来源期间核查并不是一次再校准,但校准的某些方法可用于期间核查,具体方法来源一般有以下几种:2.1检测标准中规定了核查方法。
许多标准方法已经详细规定了校准等方法和要求,可以直接作为期间核查的方法。
2.2仪器设备检定或校准规程,仪器设备检定或校准规程往往详细规定了整个检定过程,期间,核查可以采用其中的需要核查部分。
如果没有该类仪器,设备的检定规程,还可以参照类似仪器检定规程。
2.3仪器设备使用说明书或供应商提供的方法。
如测斜仪一般,电器检测实验室可将仪器设备大致分类如下:时间类(如计数器)、温度记录类(如多点测温仪)、电参数类(如功率表、万用表)、电气安全类(如接地电阻仪、耐压仪)、力学检测类(如拉力计、扭力扳手)和称量类(如电子秤)每类设备由于功能相近,核查方法往往也相近,其作业指导书无异于给出了一个总体原则,具体到每一个仪器设备的核查方法可以据此细化。
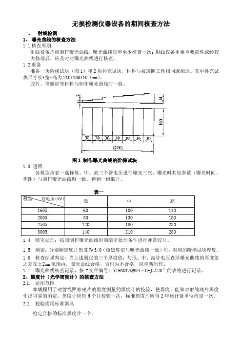
管电压(KV)无损检测仪器设备的期间核查方法一、射线检测1、曝光曲线的核查方法1.1核查周期射线设备均应制作曝光曲线,曝光曲线每年至少核查一次;射线设备更换重要部件或经较大修理后,应及时对曝光曲线进行核查。
1.2准备准备一块阶梯试块(图1)和2块补充试块,材料与被透照工件相同或相近。
其中补充试块尺寸长*宽*高为210*100*10(mm)。
胶片、增感屏等材料与制作曝光曲线时一致。
图1 制作曝光曲线的阶梯试块1.3 透照各机型按表一选择低、中、高三个管电压进行曝光三次,曝光时其他参数(曝光时间、焦距)与制作曝光曲线时一致。
得到一组胶片。
表一机型低中高1605 60 100 1402005 80 130 1802505 120 180 2303005 140 210 2801.4 暗室处理:按照制作曝光曲线时的暗室处理条件进行冲洗胶片。
1.5 测定:分别测定底片黑度为3.0(该黑度值与曝光曲线一致)时,对应的阶梯试块厚度。
1.6 核查结果判定:当上述测定的三个厚度值,与低、中、高管电压查原曝光曲线的厚度值之差在±2mm范围内,曝光曲线合格。
否则为不合格,应重新制作。
1.7 曝光曲线核查记录,按“文件编号:YTHNDT/QM04–C-JL120”的表格进行记录。
2、黑度计(光学密度计)的核查方法2.1. 适用范围本规程用于对射线照相底片的黑度测量的黑度计的校验,使黑度计能够对射线底片黑度作出可靠的测定。
黑度计应每6个月校验一次,标准黑度片应每2年送计量单位检定一次。
2.2. 校验需用标准器具检定合格的标准黑度片一个。
2.3 操作步骤2.3.1 接通黑度计电源和测量开关,预热10min 左右。
2.3.2 用标准黑度片的零黑度点校准黑度计零点。
校准后顺序测量黑度片上不同黑度的各点的黑度,记录测量值。
2.3.3 按3.2的规定反复测量三次。
2.3.3 计算出各点测量值的平均值,以平均值与黑度片该点的黑度值之差作为黑度计的测量误差。
计量标准(测量设备)期间核查---------常用方法及判定原则一、期间核查定义期间核查(intermediate checks)是指为保持对设备校准状态的可信度,在两次检定之间进行的核查,包括设备的期间核查和参考标准器的期间核查。
相当于ISO/IEC导则25(1990)中的运行检查。
这种核查应按规定的程序进行。
通过期间核查可以增强实验室的信心,保证检测数据的准确可靠。
定义解释:实验室一般对仪器进行定期检定或校准,以保证其量值的溯源性,并加以必要的维护和保养,以保证设备的有效性和可靠性。
因此,大多数实验室认为,只要对仪器进行了定期检定或校准,仪器就是可靠的,出具的数据就是有效的,使仪器的期间核查成为实验室最易忽视也最不重视的环节。
实际上,使用频率高、易损坏、性能不稳定的仪器在使用一段时间后,由于操作方法,环境条件(电磁干扰、辐射、灰邕、温度、湿度、供电、声级),以及移动、震动、样品和试剂溶液污染等因素的影响,并不能保证检定或校准状态的持续可信度。
因此,实验室应对这些仪器进行期间核查。
二、期间核查的重点设备实验室建立的最高计量标准项目的主标准器;现场使用频繁的主要计量标准器;新建项目的计量标准器及量值易发生变化的计量标准器;参加各类量值比对项目所用主要计量标准器在使用前应进行期间核查。
并不是对所有的仪器均需期间核查,仅对不太稳定的或使用频次较高的仪器进行期间核查,期间核查应按规定进行。
需要期间核查的仪器设备由仪器设备管理员制定仪器设备期间核查计划。
三.核查对象及核查时间间隔通常情况下,在仪器设备两次周期检定(校准)间隔时间的中期进行期间核查。
量值比对项目所用主要计量标准器使用前进行期间核查,检测人员对计量标准、检测设备的技术性能发生疑问时,及时对所怀疑装置(设备)进行期间核查,特殊情况根据需要而定,质量管理部门根据计量标准器、检测设备的周检时间制定期间核查实施计划。
期间核查通常在下述情况下进行:(1)按照年核查次数进行;(2)仪器设备导出数据异常;(3)仪器设备故障维修或改装后;(4)常期脱离实验室控制的仪器设备在恢复使用前(如外界);(5)仪器设备经过运输和搬迁;(6)使用在中心控制范围以外的仪器设备。
仪器设备期间核查方法1、期间核查的目的检查被测仪器、测量标准或标准物质的校准状态是否得到保持。
2、进行期间核查的仪器(1)所有测量标准、标准物质都必须进行期间核查(2)对于新购设备,选择使用频次高的和使用环境恶劣的检测设备(3)选择对关键参量的检测质量影响较大的检测设备(4)分析历年校准证书,选择示值的校准状态变动较大的检测设备(5)曾经过载或怀疑有质量问题的设备3、进行期间核查的参数和量值(1)选择使用最频繁的参数和量值(2)选择示值变动性最大的参数和量程(3)新购设备,选择基本参数和基本量程4、期间核查方法及结果评价方法期间核查应尽可能理想的环境条件下和理想的测量系统中进行,重复测量次数应充分大(例如10次),以消除随机因素的影响,因此应取X1、X2的平均值给出测量结果。
(1)“核查标准”是“有证标准物质”或已知校准/实际值X R的情况如果采取“有证标准物质”或已知校准/实际值X R的“核查标准”,因为已知测量标准复现的量值(即已知约定真值),则可不进行第一次测量,但要注意“有证标准物质”或已知校准/实际值X R的扩展不确定度必须比被核查仪器设备最大允许误差△小3倍以上。
判据式为:H =|∆-R X X 2| 【建议】优先采取“有证标准物质” 或已知校准/实际值X R 的“核查标准”。
(2)如果使用仪器设备的校准值X S ,则两次测量值X 2和X 1都必须使用示值误差进行修正,因为固定的系统误差相互抵消,此时示值误差的影响可以不予考虑。
判据式为:H =UX X ||12- 注意:上式分母是被核查仪器设备的校准值X S 的扩展不确定度U ,不是被核查仪器测量结果的不确定度。
接受准则:H ≤0.7,表明被核查的仪器设备的校准状态得到保持;拒绝准则:H >1,表明被核查的仪器设备的校准状态没有得到保持,必须查找原因并迅速采取纠正措施或重新送校准。
临界预防准则:0.7<H ≤1,表明被核查的仪器设备的校准状态接近临界,这是必须查找原因并采取适当的预防措施。
仪器期间核查9种方法仪器的期间核查非常重要,但很多实验室不重视,认为官方检定或校准就可以了,自己无需核查。
其实这种做法是非常错误的。
检定或校准的周期一般是一年,而仪器和设备可能会在使用过程中慢慢的灵敏度降低,这就需要你定时的期间核查,发现它们的潜在问题。
一、传递测量法当对计量标准进行核查时,如果实验室内具备高一等级的计量标准,则可方便地用其对被核查计量标准的功能和范围进行检查,当结果表明被核查的相关特性符合其技术指标时,可认为核查通过。
当对其他测量设备进行核查时,如果实验室具备更高准确度等级的同类测量设备或可以测量同类参数的设备,当这类设备的测量不确定度不超过被核查设备不确定度的的1/3时,则可以用其对被核查设备进行检查,当结果表明被核查的相关特性符合其技术指标时,认为核查通过。
当测量设备属于标准信号源时,也可以采用此方法。
二、多台套设备比对法当实验室没有高一等级的计量标准或其它测量设备,但具有多台套同类的具有相同准确度等级的计量标准或测量设备时,可以采用这一方法。
首先用被核查的测量设备对核查标准进行测量,得到的测量值为y1。
然后用其它几台设备分别对核查标准进行测量,得到的测量值分别为y2、、y3……yn,计算y1、、y2、y3……yn的平均值为,则当时,认为核查结果满意,式中U为用被核查设备对核查标准进行测量时的扩展不确定度。
三、两台套设备比对法当实验室只有两台套同类测量设备时,可用它们对核查标准进行测量,得到的测量值分别为y1、y2。
假如它们的测量不确定度分别为U1、U2,则当满足:认为核查结果满意。
若这两台套设备是溯源到同一计量标准,它们之间具有相关性,在评定不确定度时应予考虑。
四、标准物质法当实验室具有被核查设备的标准物质时,可用标准物质作为核查标准。
若用标准物质去检查被核查设备的参数,得到的测量值为,判别准则为y:式中:y─测量值;Y─标准物质代表的值;△─与被核查设备准确度等级对应的允差限。
环境监测仪器期间核查常用方法及结果判断方法1.传递测量法当对计量标准进行核查时,如果实验室内具备高一等级的计量标准,则可方便地用其对被核查计量标准的功能和范围进行检查,当结果表明被核查的相关特性符合其技术指标时,可认为核查通过。
当对其他测量设备进行核查时,如果实验室具备更高准确度等级的同类测量设备或可以测量同类参数的设备,当这类设备的测量不确定度不超过被核查设备不确定度的1/3时,则可以用其对被核查设备进行检查,当结果表明被核查的相关特性符合其技术指标时,认为核查通过。
当测量设备属于标准信号源时,也可以采用此方法。
2.多台套设备比对法当实验室有两台(套)以上的设备具有相同测量范围及准确度等级时,可采用多台(套)设备比对的方法。
选择一稳定性好的样品,分别用多台(套)设备对该样品的某个参数进行校准,得到测量结果x1、x2、x3…xn。
采用多台(套)设备测量结果的平均值作为被测量的最佳估计值,即:x=xl+x2+…xn该设备应符合下式要求:|x i- x |=[n-1/n]1/2U lab式中,x为第i台(套)仪器的测量结果;a为仪器的台(套)数;U lab为设备的测量不确定度。
3.两台套设备比对法当实验室只有两台(套)同类测量设备时,可用它们对核查标准进行测量,选择一稳定性好的样品,分别用两台(套)设备对该样品的某个参数进行校准,得到测量结果X1、X2。
该设备应符合下式要求|X1-X2|≤[U12+U22]1/2式中,U1、U2分别是仪器1和仪器2的测量结果不确定度。
若这两台(套)设备是溯源到同一计量标准,它们之间具有相关性,在评定不确定度时应予考虑。
4.标准物质法使用标准物质校准。
标准物质在此是个泛指概念,不仅是指某个标准物质而且还包括标准仪器、参考标准(例如:量块、砝码等)。
用参考标准对需做“期间核查”的设备进行校准:在该设备的有效检定或准证书中,找出最大误差点,在进行“期间核查”的时间间隔内,用参考标准对该点再次进行检定或校准得到误差x。
仪器期间核查方法
仪器期间核查方法是指在对仪器进行使用和操作的过程中进行检查和核对的方法。
以下是一些常见的仪器期间核查方法:
1. 外观检查:仪器使用前应进行外观检查,确保仪器没有明显的损坏或磨损。
同时,检查仪器的标识是否清晰可见,以及各个部件是否安装正确。
2. 功能测试:仪器的功能测试是在使用前或使用过程中进行的,以确保仪器能够正常工作。
测试的方法可以根据仪器的不同而异,可以使用标准物质进行测试,或者根据仪器的说明书进行操作。
3. 校准检查:仪器的校准是指对仪器的各个参数进行核对和调整,以确保仪器的测量结果是准确和可靠的。
校准检查一般需要依据仪器的校准程序进行操作,可以使用校准标准物质进行检验。
4. 清洁维护:仪器在使用过程中需要进行定期的清洁和维护,以保持仪器的正常运行和延长仪器的使用寿命。
清洁维护的方法可以根据仪器的不同而异,可以使用特定的清洁剂和工具进行清洁,定期更换易损件。
5. 日志记录:在仪器使用过程中,应及时记录仪器的使用情况和操作步骤,以便后续的核查和分析。
日志记录可以包括仪器的启动和关闭时间,参数设定和测量结果等信息。
以上是一些常见的仪器期间核查方法,根据具体的仪器和实验要求,可能会有一些额外的核查方法。
在进行仪器期间核查时,应严格按照相关的操作规程和安全操作要求进行操作,确保仪器的正常运行和使用的精确性。
设备期间核查怎么做?1设备期间核查周期的确定实验室应根据设备的稳定性和使⽤情况来确定是否需要进⾏期间核查。
实验室应确定期间核查的⽅法与周期,并保存记录。
注:并不是所有设备均需要进⾏期间核查。
判断设备是否需要期间核查⾄少需考虑以下因素:·设备校准周期;·历次校准结果;·质量控制结果;·设备使⽤频率和性能稳定性;·设备维护情况;·设备操作⼈员及环境的变化;·设备使⽤范围的变化等。
设备的期间核查的周期通常在两次检定或校准周期之间,但是考虑以上因素的设备,在使⽤中出现⽐较⼤的变动,这些变动包括⼈员、环境、溯源结果、使⽤范围等的变化,实验室应考虑适当增加期间核查的频率来保证设备的信⼼。
2设备期间核查⽅式实验室根据需要对设备进⾏期间核查,期间核查不同于检定和校准,不需要全量程、全参数进⾏核查,但应该对设备使⽤过程中的主要的参数选择性的进⾏核查,核查⽅式可以包括但不限于以下⼏种:·设备之间⽐对;·标准物质或参考标准进⾏核查;·使⽤稳定的被测对象进⾏核查;·留存样品(样品⽐较稳定)的再检测;·参加能⼒验证或实验室间⽐对;·制作质量控制图。
期间核查⽅式的选择应根据设备的使⽤特性来选择,考虑成本和效率以及可实施性,例如实验室温度测量设备的核查,可以采⽤⽐对的⽅式,⼆不需要专门去购买校准温度计⽤的环境箱和露点仪。
3核查的结果的评价设备期间核查之后需要对核查的结果进⾏评价,评价的⽅式应有充分的数据证明设备的状态,以下推荐⼏种设备⽐对的评价⽅式:1 两台设备⽐对当⼀台设备与另⼀台⾼准确度等级设备进⾏⽐对时,将⾼准确度等级设备的测定值作为参考值,⽐对试验结果按式(1)进⾏评价:式中:y1——⽐对⽅的测定值;y0——参考⽅的测定值;U1——⽐对⽅测定值的测量不确定度,k=2;U0——参考⽅测定值的测量不确定度,k=2。
仪器期间核查的9种方法及结果判断1、传递测量法当对计量标准进行核查时,如果实验室内具备高一等级的计量标准,则可方便地用其对被核查计量标准的功能和范围进行检查,当结果表明被核查的相关特性符合其技术指标时,可认为核查通过。
当对其他测量设备进行核查时,如果实验室具备更高准确度等级的同类测量设备或可以测量同类参数的设备,当这类设备的测量不确定度不超过被核查设备不确定度的的1/3时,则可以用其对被核查设备进行检查,当结果表明被核查的相关特性符合其技术指标时,认为核查通过。
当测量设备属于标准信号源时,也可以采用此方法。
2、多台套设备比对法当实验室没有高一等级的计量标准或其它测量设备,但具有多台套同类的具有相同准确度等级的计量标准或测量设备时,可以采用这一方法。
首先用被核查的测量设备对核查标准进行测量,得到的测量值为y 1 。
然后用其它几台设备分别对核查标准进行测量,得到的测量值分别为y 2、y 3……y n ,计算y 1、y 2、y 3……y n 的平均值为()n y y y n x +++= 211,则当U nn y y i 1+≤-时,认为核查结果满意,式中U 为用被核查设备对核查标准进行测量时的扩展不确定度。
3、两台套设备比对法当实验室只有两台套同类测量设备时,可用它们对核查标准进行测量,得到的测量值分别为y 1、y 2。
假如它们的测量不确定度分别为U 1、U 2,则当满足:212212U U y y +≤- 认为核查结果满意。
若这两台套设备是溯源到同一计量标准,它们之间具有相关性,在评定不确定度时应予考虑。
4、标准物质法当实验室具有被核查设备的标准物质时,可用标准物质作为核查标准。
若用标准物质去检查被核查设备的参数,得到的测量值为,判别准则为:1≤∆-Y y 式中:y ——测量值;Y ——标准物质标准值;△——被核查设备的最大允许误差。
用于期间核查的标准物质应能溯源至SI ,或是在有效期内的有证标准物质。
仪器设备期间核查作业指导书编制: ____________________审核: ____________________批准:____________________**至**高速公路工地试验室**年**月一、目的为使试验仪器设备在相邻两次校准/检定期间,保持校准/检定状态的可信度,保持测量数据的准确可靠,特制定本指导书。
二、一般原则需要进行期间核查的试验仪器为:主要的或重要的检测设备;不够稳定、易漂移、易老化且使用频繁的检测设备;经常携带到现场的仪器设备;其他被认为对检测结果有重要影响的检测设备。
要充分利用现有的资源尽量降低运行成本,同时又要确保仪器设备能够可靠运行。
三、本试验室需要实施期间核查的仪器设备电子天平、万能材料试验机、回弹仪、钢筋保护层测定仪。
四、期间核查方法一)万能试验机期间核查操作方法1、核查对象WE-600B、WE-300B液压万能材料试验机2、核查项目检查试验机的示值是否正确或在误差范围以内,误差在±1%以内。
3、核查用器具液压万能材料试验机、(同一根、同规格、同牌号)钢筋4、核查方法4.1油路、电路等的核查采用目测法。
4.2启动电源,关闭回油阀,打开送油阀,慢慢加压,观察电路是否正常,以及有无漏油处。
4.3采用一模拟试件,启动上、下压板观察运行是否灵活,以及钳口有无破损,是否能正常夹持试件。
4.4在同一根钢筋上截取六个试件,按随机的方法分为两组;4.5在万能材料试验机检定合格的近期内,对同一根钢筋的两组试件中的一组进行抗拉强度试验。
4.6另一组试件封存保管。
4.7在两次检定周期的中间时期,将封存的另一组钢筋试件在同一台万能材料试验机上进行抗拉强度试验。
4.8试验按下列要求进行4.8.1试验按GB/T228-2002《金属材料室温拉伸试验方法》进行;4.8.2计算抗拉强度的受力面积,采用钢筋的公称截面积;4.8.3每次试验取其平均值作为本次试验的结果。
5、结果评定5.1电路、油路、夹板、钳口等应无短路、断路,油路无漏油,夹板、钳口无损坏且运行自如判为合格,否则应维修。
质量管理体系文件JCC12-2012仪器设备期间核查作业指导书发行版本: C/12012-10-10发布2012-10-15实施建设工程质量检测站颁布质量管理体系文件JCC12-2012仪器设备期间核查作业指导书发行版本:C/1编制:审核:批准:受控状态:发放编号:持有者:2012-10-10发布2012-10-15实施建设工程质量检测站颁布一、总则1.1 核查目的:为确保试验机在两次检定之间能够准确正常运转,制定期间核查办法。
1.2 核查次数:在每个检定周期(即两次相邻检定之间)中间进行一次期间核查。
二、核查内容2.1 检查整个机器的油路系统是否漏油、缺油。
2.2 检查上、下压板及上、下钳口是否正常,运行是否自如。
2.3 检查电路是否正常,有无短路、断路等现象。
2.4检查试验机的示值是否正确或在误差范围以内,误差在±1%以内。
三、核查用器具:WE-300A液压万能材料试验机、(同一根、同规格、同牌号)钢筋四、核查方法4.1油路、电路等的核查采用目测法。
4.2启动电源,关闭回油阀,打开送油阀,慢慢加压,观察电路是否正常,以及有无漏油处。
4.3采用一模拟试件,启动上、下压板观察运行是否灵活,以及钳口有无破损,是否能正常夹持试件。
4.4 试验机示值的核查(比对法)4.4.1在同一根、同牌号、同规格钢筋上,截取六根试样备用,试样编号分别为:G1、G2、G3、G4、G5、G6。
4.4.2启动WE-100万能材料试验机电源,缓慢送油,使试验机慢慢向上行走,此时调整零点,再使机器复位。
4.4.3将G1、G2、G3钢筋试样分别夹至WE-100A试验机钳口,慢慢开动机器,按试验操作规程进行试验,直至钢筋试件断裂。
4.4.4在4.4.3操作过程中,分别记下三根钢筋的屈服值和极限强度值,并求出屈服强度的平均值δs1和极限强度平均值δb1。
4.4.5再用WE-300A试验机,重复4.4.2~4.4.4操作,求出G4、G5、G6钢筋的屈服强度的平均值δs2和极限强度平均值δb2。
五、结果评定5.1电路、油路、夹板、钳口等应无短路、断路,油路无漏油,夹板、钳口无损坏且运行自如判为合格,否则应维修。
5.2示值评定为两个试验机读数是否一致,二者误差在±1%内为合格,否则判为不合格,并进行及时维修,重新检定合格后方可使用。
建设工程质量检测站仪器设备期间核查记录表校验:核查:仪器设备运行检查校核结果分析批准:审核:分析:日期:年月日一、总则1.1 核查目的:为确保试验机在两次检定之间能够准确正常运转,制定期间核查办法。
1.2 核查次数:在每个检定周期(即两次相邻检定之间)中间进行一次期间核查。
二、核查内容2.1 检查整个机器的油路系统是否漏油、缺油。
2.2 检查上、下压板及上、下钳口是否正常,运行是否自如。
2.3 检查电路是否正常,有无短路、断路等现象。
2.4检查试验机的示值是否正确或在误差范围以内,误差在±1%以内。
三、核查用器具:WE-600A液压万能材料试验机、(同一根、同规格、同牌号)钢筋四、核查方法4.1油路、电路等的核查采用目测法。
4.2启动电源,关闭回油阀,打开送油阀,慢慢加压,观察电路是否正常,以及有无漏油处。
4.3采用一模拟试件,启动上、下压板观察运行是否灵活,以及钳口有无破损,是否能正常夹持试件。
4.4 试验机示值的核查(比对法)4.4.1在同一根、同牌号、同规格钢筋上,截取六根试样备用,试样编号分别为:G1、G2、G3、G4、G5、G6。
4.4.2启动WE-300A万能材料试验机电源,缓慢送油,使试验机慢慢向上行走,此时调整零点,再使机器复位。
4.4.3将G1、G2、G3钢筋试样分别夹至WE-100A试验机钳口,慢慢开动机器,按试验操作规程进行试验,直至钢筋试件断裂。
4.4.4在4.4.3操作过程中,分别记下三根钢筋的屈服值和极限强度值,并求出屈服强度的平均值δs1和极限强度平均值δb1。
4.4.5再用WE-600A试验机,重复4.4.2~4.4.4操作,求出G4、G5、G6钢筋的屈服强度的平均值δs2和极限强度平均值δb2。
五、结果评定5.1电路、油路、夹板、钳口等应无短路、断路,油路无漏油,夹板、钳口无损坏且运行自如判为合格,否则应维修。
5.2示值评定为两个试验机读数是否一致,二者误差在±1%内为合格,否则判为不合格,并进行及时维修,重新检定合格后方可使用。
建设工程质量检测站仪器设备期间核查记录表校验:核查:仪器设备运行检查校核结果分析批准:审核:分析:日期:年月日一、总则1.1 核查目的:为确保试验机在两次检定之间能够准确正常运转,制定期间核查办法。
1.2 核查次数:在每个检定周期(即两次相邻检定之间)中间进行一次期间核查。
二、核查内容2.1 检查整个机器的油路系统是否漏油、缺油。
2.2 检查上、下压板是否正常,运行是否自如。
2.3 检查电路是否正常,有无短路,断路等现象。
2.4检查试验机的示值是否正确或在误差范围以内,误差在±1%以内。
三、核查用器具:WE-1000A液压万能材料试验机、(同一根、同规格、同牌号)钢筋四、核查方法4.1油路、电路等的核查采用目测法。
4.2启动电源,关闭回油阀,打开送油阀,慢慢加压,观察电路是否正常,以及有无漏油处。
4.3采用一模拟试件,启动上、下压板观察运行是否灵活,以及钳口有无破损,是否能正常夹持试件。
4.4 试验机示值的核查(比对法)4.4.1在同一根、同牌号、同规格的钢筋上,截取六根试样备用,试样编号分别为:G1、G2、G3、G4、G5、G6。
4.4.2启动WE-600A万能材料试验机电源,缓慢送油,使试验机慢慢向上行走,此时调整零点,再使机器复位。
4.4.3将G1、G2、G3钢筋试样分别夹至WE-600A试验机钳口,慢慢开动机器,按试验操作规程进行试验,直至钢筋试件断裂。
4.4.4在4.4.3操作过程中,分别记下三根钢筋的屈服值和极限强度值,并求出屈服强度的平均值δs1和极限强度平均值δb1。
4.4.5再用WE-1000A试验机,重复4.4.2~4.4.4操作,求出G4、G5、G6钢筋的屈服强度的平均值δs2和极限强度平均值δb2。
五、结果评定5.1电路、油路、夹板、钳口等应无短路、断路,油路无漏油,夹板、钳口无损坏且运行自如判为合格,否则应维修。
5.2示值评定为两个试验机读数是否一致,二者误差在±1%内为合格,否则判为不合格,并进行及时维修,重新检定合格后方可使用。
建设工程质量检测站仪器设备期间核查记录表DYQJCC4044.3-2012校验:核查:仪器设备运行检查校核结果分析DYQJCC4085.3-2012批准:审核:分析:日期:年月日一、总则1.1 核查目的:为确保试验机在两次检定之间能够准确正常运转,制定期间核查办法。
1.2 核查次数:在每个检定周期(即两次相邻检定之间)中间进行一次期间核查。
二、核查内容2.1 检查整个机器的油路系统是否漏油、缺油。
2.2 检查上、下压板是否正常,运行是否自如。
2.3 检查电路是否正常,有无短路,断路等现象。
2.4检查试验机的示值是否正确或在误差范围以内,误差在±1%以内。
三、核查用器具:WE-600A液压万能材料试验机、(同一根、同规格、同牌号)钢筋四、核查方法4.1油路、电路等的核查采用目测法。
4.2启动电源,关闭回油阀,打开送油阀,慢慢加压,观察电路是否正常,以及有无漏油处。
4.3采用一模拟试件,启动上、下压板观察运行是否灵活,以及钳口有无破损,是否能正常夹持试件。
4.4 试验机示值的核查(比对法)4.4.1在同一根、同牌号、同规格的钢筋上,截取六根试样备用,试样编号分别为:G1、G2、G3、G4、G5、G6。
4.4.2启动WE-1000A万能材料试验机电源,缓慢送油,使试验机慢慢向上行走,此时调整零点,再使机器复位。
4.4.3将G1、G2、G3钢筋试样分别夹至WE-600A试验机钳口,慢慢开动机器,按试验操作规程进行试验,直至钢筋试件断裂。
4.4.4在4.4.3操作过程中,分别记下三根钢筋的屈服值和极限强度值,并求出屈服强度的平均值δs1和极限强度平均值δb1。
4.4.5再用WE-600A试验机,重复4.4.2~4.4.4操作,求出G4、G5、G6钢筋的屈服强度的平均值δs2和极限强度平均值δb2。
五、结果评定5.1电路、油路、夹板、钳口等应无短路、断路,油路无漏油,夹板、钳口无损坏且运行自如判为合格,否则应维修。
5.2示值评定为两个试验机读数是否一致,二者误差在±1%内为合格,否则判为不合格,并进行及时维修,重新检定合格后方可使用。
建设工程质量检测站仪器设备期间核查记录表DYQJCC4044.4-2012校验:核查:仪器设备运行检查校核结果分析DYQJCC4085.4-2012批准:审核:分析:日期:年月日一、总则1.1 核查目的:为确保试验机在两次检定之间能够准确正常运转,制定期间核查办法。
1.2 核查次数:在每个检定周期(即两次相邻检定之间)中间进行一次期间核查。
二、核查内容2.1 检查整个机器的油路系统是否漏油、缺油。
2.2 检查上、下压板是否正常,运行是否自如。
2.3 检查电路是否正常,有无短路、断路等现象。
2.4检查试验机的示值是否正确或在误差范围以内,误差在±1%以内。
三、核查用器具:WE-1000A液压万能材料试验机四、核查方法4.1油路、电路等的核查采用目测法。
4.2启动电源,关闭回油阀,打开送油阀,慢慢加压,观察电路是否正常,以及有无漏油处。
4.3采用一模拟试件,启动上、下压板观察运行是否灵活,以及钳口有无破损,是否能正常夹持试件。
4.4 试验机示值的核查(比对法)4.4.1取同一规格的石子、砂子,同一型号的水泥,做三个(基准、上、下限)配合比。
4.4.2 C30混凝土6组,C25混凝土6组,标准养护28天后试压。
4.4.3将12组混凝土试件分别在YE-2000和WE-1000A设备上试压。
4.4.4按程序操作设备4.4.5试验误差不超过±1%为合格。
五、结果评定5.1电路、油路、夹板、钳口等应无短路、断路,油路无漏油,夹板、钳口无损坏且运行自如判为合格,否则应维修。
5.2示值评定为两个试验机读数是否一致,二者误差在±1%内为合格,否则判为不合格,并进行及时维修,重新检定合格后方可使用。
建设工程质量检测站仪器设备期间核查记录表DYQJCC4044.5-2012校验:核查:仪器设备运行检查校核结果分析DYQJCC4085.5-2012批准:审核:分析:日期:年月日一、总则1.1 核查目的:为确保试验机在两次检定之间能够准确正常运转,制定期间核查办法。