钢材力学性能指标汇总表
- 格式:doc
- 大小:95.50 KB
- 文档页数:4
建筑钢材性能指标中属于力学性能指标建筑钢材的力学性能是评价其质量和适用性的重要指标之一、以下是常见的建筑钢材力学性能指标:1.弹性模量:弹性模量是衡量材料抵抗变形的能力,也称为刚度或弹性系数。
它与材料的应力和应变有关,用于计算结构的变形和变形极限。
2.屈服强度:屈服强度是指材料在受力后开始发生塑性变形的应力水平。
它也是材料的抵抗力,用于承受外部荷载并保持基本稳定性。
3.抗拉强度:抗拉强度是指材料在受力后能够承受的最大拉伸力。
它反映了材料的韧性和抗拉性能。
4.延伸率:延伸率是指材料在拉伸破坏前,长度的增加与原始长度之比。
它是一种衡量材料塑性变形能力的重要指标。
5.冷弯性能:冷弯性能是指材料在低温下的弯曲变形能力。
根据建筑设计和施工需求,建筑钢材在施工过程中可能要进行冷弯加工,因此冷弯性能对建筑钢材的选择至关重要。
6.抗冲击性能:抗冲击性能是指材料在受冲击载荷下的抵抗能力,包括动态冲击和静态冲击。
对于建筑结构来说,抗冲击性能的好坏对碰撞和震动的影响至关重要。
7.硬度:硬度是衡量材料抵抗划伤或穿刺等形式的抵抗能力的指标。
建筑钢材的硬度必须适中,既要保证结构的稳定性,又要方便施工和维护。
8.疲劳强度:疲劳强度是指材料在长期重复荷载下能够承受的最大应力。
建筑结构经常受到周期性或脉冲性荷载,因此建筑钢材的疲劳强度对结构的持久性和安全性至关重要。
9.化学成分:除了力学性能指标外,建筑钢材的化学成分也是一个重要的性能指标。
正确的化学成分可以确保材料的强度和韧性,以及抗腐蚀性能等。
以上是建筑钢材力学性能指标的一些常见指标,它们直接影响着建筑结构的安全性、可靠性和经济性。
在选择和设计建筑钢材时,需要综合考虑这些指标,以确保结构性能可以满足设计需求和正常使用条件。
钢材的物理力学性能和机械性能表钢材的主要机械性能(也叫力学性能)通常是指钢材在标准条件下均匀拉伸.冷弯和冲击等.单独作用下所显示的各种机械性能。
钢材通常有五大主要的机械性能指标:通过一次拉伸试验可得到抗拉强度,伸长率和屈服点三项基本性能;通过冷弯试验可得到钢材的冷弯性能;通过冲击韧性试验可得到冲击韧性。
1.屈服点(σs)钢材或试样在拉伸时,当应力超过弹性极限,即使应力不再增加,而钢材或试样仍继续发生明显的塑性变形,称此现象为屈服,而产生屈服现象时的最小应力值即为屈服点。
设Ps为屈服点s处的外力,Fo为试样断面积,则屈服点σs =Ps/Fo(MPa),MPa称为兆帕等于N(牛顿)/mm2,(MPa=106Pa,Pa:帕斯卡=N/m2)2.屈服强度(σ0.2)有的金属材料的屈服点极不明显,在测量上有困难,因此为了衡量材料的屈服特性,规定产生永久残余塑性变形等于一定值(一般为原长度的0.2%)时的应力,称为条件屈服强度或简称屈服强度σ0.2。
3.抗拉强度(σb)材料在拉伸过程中,从开始到发生断裂时所达到的最大应力值。
它表示钢材抵抗断裂的能力大小。
与抗拉强度相应的还有抗压强度、抗弯强度等。
设Pb为材料被拉断前达到的最大拉力,Fo为试样截面面积,则抗拉强度σb= Pb/Fo (MPa)。
4.伸长率(δs)材料在拉断后,其塑性伸长的长度与原试样长度的百分比叫伸长率或延伸率。
5.屈强比(σs/σb)钢材的屈服点(屈服强度)与抗拉强度的比值,称为屈强比。
屈强比越大,结构零件的可靠性越高,一般碳素钢屈强比为0.6-0.65,低合金结构钢为0.65-0.75合金结构钢为0.84-0.86。
6.硬度硬度表示材料抵抗硬物体压入其表面的能力。
它是金属材料的重要性能指标之一。
一般硬度越高,耐磨性越好。
常用的硬度指标有布氏硬度、洛氏硬度和维氏硬度。
⑴布氏硬度(HB)以一定的载荷(一般3000kg)把一定大小(直径一般为10mm)的淬硬钢球压入材料表面,保持一段时间,去载后,负荷与其压痕面积之比值,即为布氏硬度值(HB),单位为公斤力/mm2 (N/mm2)。
常用钢材化学成分及力学性能01.碳素钢板(一)Q235-A.F钢(二)Q235-A钢板(三)Q235-B钢板(四)Q235-C钢板(五)20HP钢板(六)15MnHP钢板(七)20R钢板02.低合金高强度钢板(一)16MnR钢板15MnVR(三)15MnVNR钢板(四)18MnMoNbR钢板(五)13MnNiMoNbR钢板03.低温钢板(一)16MnDR钢板(二)09Mn2VDR钢板(三)15MnNiDR钢板(四)09MnNiDR钢板(五)07MnNiCrMoVDR钢板04.中温抗氢钢板(一)15CrMoR钢板(二)12Cr2Mo1R钢板05.不锈钢板(一)0Cr13钢板(二)0Cr18Ni9钢板(三)1Cr18Ni9Ti钢板(四)0Cr18Ni10Ti钢板(五)0Cr17Ni12Mo2钢板(六)0Cr18Ni12Mo2Ti钢板(七)0Cr19Ni13Mo3钢板( 八)00Cr19Ni10钢板(九)00Cr17Ni14Mo2钢板(十)00Cr19Ni13Mo3钢板(十一)00Cr18Ni5Mo3Si2钢板(十二)铁素体型或马素体型钢板)奥氏体型钢管(十三(十四)奥氏体--铁素体型钢板06.碳素钢和低合金高强度钢钢管(一)GB8163中的10和20钢管(无缝管)(二)GB9948中的10和20钢管(无缝管)(三)GB6479中的10、20G、16Mn和15MnV钢管(无缝管)07.低温钢管(一)GB6479中的10、20G和16Mn钢管(无缝管)(二)09Mn2VD钢管(无缝管)08.中温抗氢钢管(一)GB9948中的12CrMo和15CrMo钢管(无缝管)(二)GB6479中的12CrMo、15CrMo、10MoWVNb、12Cr2Mo和1Cr5Mo钢管(无缝管)(三)GB5310中的12Cr1MoV钢管(无缝管)09.不锈钢管 (一)GB/T14976 中的钢管表 9-12 钢管的许用应力(二)GB13296 中的钢管表9~14 钢管的常温力学性能表9-15 GB150 推荐的钢管高温屈服强度表 9-16 钢管的许用应力10.碳素钢和低温合金钢锻件表10-1 常用钢号(一)20 钢锻件表10-2 钢的化学成分表10-3 钢锻件的常温力学性能表10-4 GB150 标准推荐的高温屈服强度表10-5 钢锻件的许用应力(二)35 钢锻件的许用应力表10-6 化学成分表10-7 钢锻件的常温力学性能表10-8 GB150 标准推荐的高温屈服强度表10-9 钢锻件的许用应力(三)16Mn 钢锻件表10-10化学成分表10-11 钢锻件的常温力学性能表10-12 GB150 标准推荐的高温屈服强度表10-13 钢锻件的许用应力(四)15MnV 钢锻件 表10-14化学成分表10-15 钢锻件的常温力学性能表10-16 GB150标准推荐的高温屈服强度表10-17 钢锻件的许用应力(五)20MnMo 钢锻件表10-18化学成分表10-19 钢锻件的常温力学性能表10-20 JB4726对钢锻件高温屈服强度的规定表10-21 钢锻件的许用应力(六)20MnMoNb 钢锻件表10-22化学成分注:对真空碳脱氧钢,允许Si含量小于或等于0.12%表10-23 钢锻件的常温力学性能表10-24 JB4726对钢锻件高温屈服强度的规定表10-25 钢锻件的许用应力(七)15CrMo 钢锻件表10-26化学成分注:对真空碳脱氧钢,允许Si含量小于或等于0.12%表10-27 钢锻件的常温力学性能表10-28 JB4726对钢锻件高温屈服强度的规定表10-29 15CrMo钢锻件的许用应力(八)35CrMo钢锻件表10-30化学成分注:对真空碳脱氧钢,允许Si含量小于或等于0.12%表10-31 钢锻件的常温力学性能表10-32 JB4726对钢锻件高温屈服强度的规定表10-33 钢锻件的许用应力(九)12Cr1MoV钢锻件表10-34化学成分注:对真空碳脱氧钢,允许Si含量小于或等于0.12%表10-35 钢锻件的常温力学性能表10-36 JB4726对钢锻件高温屈服强度的规定表10-37 钢锻件的许用应力(十)12Cr2Mo1 钢锻件注:对真空碳脱氧钢,允许Si含量小于或等于0.12%表10-38 钢锻件的常温力学性能表10-39 JB4726对钢锻件高温屈服强度的规定表10-40 钢锻件的许用应力(十一)1Cr5Mo钢锻件表10-41化学成分注:对真空碳脱氧钢,允许Si含量小于或等于0.12%表10-42 钢锻件的常温力学性能表10-43 GB150 标准推荐的高温屈服强度表10-44 钢锻件的许用应力11.低温钢锻件表11-1 中国常用钢号(一)20D 钢锻件表11-2 钢的化学成分表11-3 钢锻件的常温拉伸和低温冲击性能表11-4 钢锻件的许用应力(二)16MnD 钢锻件表11-5化学成分表11-6 钢锻件的常温拉伸和低温冲击性能表11-7 钢锻件的许用应力(三)09Mn2VD 钢锻件表11-8化学成分表11-9 钢锻件的常温拉伸和低温冲击性能表11-10 钢锻件的许用应力(四)09MnNiD 钢锻件表11-11化学成分表11-12 钢锻件的常温拉伸和低温冲击性能表11-13 钢锻件的许用应力(五)16MnMoD 和20MnMoD 钢锻件表11-14 钢的化学成分表11-15 钢锻件的常温拉伸和低温冲击性能表11-16 钢锻件的许用应力(六) 08MnNiCrMoVD 钢锻件表11-17化学成分表11-18 钢锻件的常温拉伸和低温冲击性能表11-19 钢锻件的许用应力(七)10Ni3MoVD 钢锻件表11-20化学成分表11-21 钢锻件的常温拉伸和低温冲击性能表11-22 钢锻件的许用应力12.不锈钢锻件(一)0Cr13和1Cr13钢锻件(二)0Cr18Ni9和00Cr19Ni10钢锻件(三)0Cr17Ni12Mo2和00Cr17Ni14Mo2钢锻件(四)1Cr18Ni9和0Cr18Ni10Ti钢锻件(五)00Cr18Ni5Mo3Si2钢锻件13.超高压容器锻件1、34CrNi3MoA钢化学成分2、34CrNi3MoA钢锻件的力学性能14.螺柱用钢材(一)Q235-A镇静钢(二)35钢(三)螺柱用合金结构钢15.碳素钢和低温合金钢铸件 (一)ZG200-400H铸钢(二)ZG230-450H铸钢(三)ZG275-485H铸钢16.不锈钢铸件(一)ZG1Cr13铸钢(二)ZG0Cr18Ni9和ZG00Cr18Ni10(三)ZG1Cr18Ni9Ti和ZG0Cr18Ni9Ti铸钢(四)ZG0Cr18Ni12Mo2Ti铸钢。
钢材力学性能指标汇总表钢筋的公称横截面积与公称重量公称直径,mm 公称横截面积m m 2 公称重量,Kg/m6.5 33.188 50.27 0.39510 78.54 0.61712 113.1 0.88814 153.9 1.2116 201.1 1.5818 254.5 2.0020 314.2 2.4722 380.1 2.9825 490.9 3.8528 615.8 4.8332 804.2 6.3136 1018 7.9940 1257 9.8750 1964 15.42注:表中公称重按密度为7.85g/cm3计算。
一、钢筋混凝土用热轧带肋钢精G B1499-19981、力学性能牌号公称直径mm屈服点σsMp a 抗拉强度σbM pa 伸长率δs%不小于HRB335 6~25 28~50 335 490 16HRB400 6~25 28~50 400 570 14HRB500 6~25 28~50 500 630 122、弯曲性能(按下表规定的弯心直径弯曲180°后,钢筋受弯曲部位表面不得产生裂纹)牌号公称直径mm弯曲试验弯心直径HRB335 6~25 28~50 3a 4aHRB400 6~25 28~50 4a 5aHRB500 6~25 28~50 5a 7a二、钢筋混凝土用热轧光圆钢筋G B13013-91表面形状钢筋级别强度等级代号公称直径mm屈服点σsMp a 抗拉强度σbM pa 伸长率δs% 冷弯d弯心直径a公称直径不小于光圆Ι R235 8~20 235 370 25180°d=a三、低碳钢热轧圆盘条GB/T701-1997牌号屈服点σsMp a 抗拉强度σbM pa 伸长率δs% 冷弯180°d弯心直径a公称直径不小于Q215 215 375 27 d=0Q235 235 410 23 d=0.5a四、冷轧扭钢筋JG3046-1999表一轧扁厚度、节距类型标志直径d 轧扁厚度T不小于节距L1不大于Ι型 6.58101214 3.74.25.36.28.0 7595110150170Ⅱ型 12 8.0 145表二公称横截面积与公称重量类型标志直径d 公称横截面积m m 2 公称重量,Kg/m Ι型 6.58101214 29.545.368.393.3132.7 0.2320.356 0.5360.7331.042Ⅱ型 12 97.8 0.768表三力学性能抗拉强度σbMpa 伸长率δ10% 冷弯180°(弯心直径=3d)≥580≥4.5受弯曲部位表面不得产生裂纹五、冷轧带肋钢筋G B13788-2000级别代号抗拉强度σbM pa 伸长率不小于% 冷弯180°d弯心直径a公称直径应力松弛σ=0.7σb不小于δ10 δ100 1000H不大于% 10H不大于%CRB550 550 8 -- d=3a -- -- CRB650 650 -- 4 -- 8 5 CRB800 800 -- 4 -- 8 5 CRB970 970 -- 4 -- 8 5 CRB1170 1170 -- 4 -- 8 5六、碳素结构钢GB700-88表一拉伸及冲击试验牌号等级拉伸试验冲击试验屈服点σs Mpa 抗拉强度σbM pa 伸长率δ5,% 温度℃ V型冲击功(纵向)J钢材厚度(直径),mm 钢材厚度(直径),mm≤16 16~40 40~60 60~100 1 00~150 >150 ≤16 16~40 40~60 60~100 100~150 >150不小于不小于不小于Q195 -- 195 185 -- -- -- -- 315-390 33 32 -- -- -- -- -- --Q215 A 215 205 195 185 175 165 335-410 31 30 29 2827 26 -- --B20 27Q235 A 235 225 215 205 195 185 375-460 26 25 24 2322 21 -- --B20 27CD -20Q255 A 255 245 235 225 215 205 410-510 24 23 22 2120 19 -- --B20 27Q275 -- 275 265 255 245 235 225 490-610 20 19 18 17 16 15 -- --表二冷弯试验牌号试样方向冷弯试验B=2 a 180°钢材厚度(直径), mm≤60 >60~100 >100~200弯心直径dQ195 纵 0 ————横 0.5 aQ215 纵 0.5 a 1.5 a 2 a横 a 2 a 2.5 aQ235 纵 a 2 a 2.5 a横 1.5 a 2.5 a 3 aQ255 2 a 3 a 3.5 aQ275 3 a 4 a 4.5 a七、钢筋搭接焊(搭接长度)钢筋级别焊缝形式搭接长度Ⅰ单面焊双面焊≥8 d≥4 dⅡ、Ⅲ单面焊双面焊≥8 d ≥4 d注:d为主筋直径(mm),钢筋帮条焊中的帮条长度与钢筋搭接焊中的搭接长度相同,见上表。
钢材力学性能指标汇总表钢筋的公称横截面积与公称重量公称直径,mm 公称横截面积mm 2 公称重量,Kg/m6.5 33.188 50.27 0.39510 78.54 0.61712 113.1 0.88814 153.9 1.2116 201.1 1.5818 254.5 2.0020 314.2 2.4722 380.1 2.9825 490.9 3.8528 615.8 4.8332 804.2 6.3136 1018 7.9940 1257 9.8750 1964 15.42注:表中公称重按密度为7.85g/cm3计算。
一、钢筋混凝土用热轧带肋钢精GB1499-19981、力学性能牌号公称直径mm 屈服点σsMpa 抗拉强度σbMpa 伸长率δs%不小于HRB335 6~25 28~50 335 490 16HRB400 6~25 28~50 400 570 14HRB500 6~25 28~50 500 630 122、弯曲性能(按下表规定的弯心直径弯曲180°后,钢筋受弯曲部位表面不得产生裂纹)牌号公称直径mm 弯曲试验弯心直径HRB335 6~25 28~50 3a 4aHRB400 6~25 28~50 4a 5aHRB500 6~25 28~50 5a 7a二、钢筋混凝土用热轧光圆钢筋GB13013-91表面形状钢筋级别强度等级代号公称直径mm 屈服点σsMpa 抗拉强度σbMpa 伸长率δs% 冷弯d弯心直径a公称直径不小于光圆Ι R235 8~20 235 370 25180°d=a三、低碳钢热轧圆盘条GB/T701-1997牌号屈服点σsMpa 抗拉强度σbMpa 伸长率δs% 冷弯180°d弯心直径a公称直径不小于Q215 215 375 27 d=0Q235 235 410 23 d=0.5a四、冷轧扭钢筋JG3046-1999表一轧扁厚度、节距类型标志直径d 轧扁厚度T不小于节距L1不大于Ι型 6.58101214 3.74.25.36.28.0 7595110150170 Ⅱ型 12 8.0 145表二公称横截面积与公称重量类型标志直径d 公称横截面积mm 2 公称重量,Kg/m Ι型 6.58101214 29.545.368.393.3132.7 0.2320.356 0.5360.7331.042Ⅱ型 12 97.8 0.768表三力学性能抗拉强度σb Mpa 伸长率δ10 % 冷弯180°(弯心直径=3d)≥580≥4.5受弯曲部位表面不得产生裂纹五、冷轧带肋钢筋GB13788-2000级别代号抗拉强度σbMpa 伸长率不小于 % 冷弯180°d弯心直径a公称直径应力松弛σ=0.7σb不小于δ10 δ100 1000H不大于% 10H不大于%CRB550 550 8 -- d=3a -- -- CRB650 650 -- 4 -- 8 5 CRB800 800 -- 4 -- 8 5 CRB970 970 -- 4 -- 8 5 CRB1170 1170 -- 4 -- 8 5六、碳素结构钢GB700-88表一拉伸及冲击试验牌号等级拉伸试验冲击试验屈服点σs Mpa 抗拉强度σbMpa 伸长率δ5,% 温度℃ V型冲击功(纵向)J钢材厚度(直径),mm 钢材厚度(直径),mm≤16 16~40 40~60 60~100 1 00~150 >150 ≤16 16~40 40~60 60~100 100~150 >150不小于不小于不小于Q195 -- 195 185 -- -- -- -- 315-390 33 32 -- -- -- -- -- --Q215 A 215 205 195 185 175 165 335-410 31 30 29 2827 26 -- --B20 27Q235 A 235 225 215 205 195 185 375-460 26 25 24 2322 21 -- --B20 27CD -20Q255 A 255 245 235 225 215 205 410-510 24 23 22 2120 19 -- --B20 27Q275 -- 275 265 255 245 235 225 490-610 20 19 18 17 16 15 -- --表二冷弯试验牌号试样方向冷弯试验B=2 a 180°钢材厚度(直径), mm≤60 >60~100 >100~200弯心直径dQ195 纵 0 ————横 0.5 aQ215 纵 0.5 a 1.5 a 2 a横 a 2 a 2.5 aQ235 纵 a 2 a 2.5 a横 1.5 a 2.5 a 3 aQ255 2 a 3 a 3.5 aQ275 3 a 4 a 4.5 a七、钢筋搭接焊(搭接长度)钢筋级别焊缝形式搭接长度Ⅰ单面焊双面焊≥8 d≥4 dⅡ、Ⅲ单面焊双面焊≥8 d ≥4 d注:d为主筋直径(mm),钢筋帮条焊中的帮条长度与钢筋搭接焊中的搭接长度相同,见上表。
钢材的主要力学指标
钢材是现代工程的重要材料之一,其主要力学指标对工程的设计
与实施至关重要。
在这篇文章中,我们将重新整理钢材的主要力学指标,以便更好地了解其特性和使用。
一、弹性模量
弹性模量是描述钢材弹性变形特性的指标。
它是指单位面积的应
力和应变之比。
弹性模量越大,钢材的刚性也越大,不易弯曲和变形。
其数值一般在200-220 GPa之间。
二、屈服强度
屈服强度是指钢材在受到一定应力后开始产生塑性变形的起始应
力值。
它是钢材的重要力学指标之一。
屈服强度越大,材料的抗变形
能力越强。
一般情况下,冷轧钢的屈服强度高于热轧钢。
三、抗拉强度
抗拉强度是指钢材在承受拉应力时所能承受的最大应力值。
它是
钢材材料的最大承载能力之一。
抗拉强度越大,钢材的强度越高。
四、延伸率
延伸率是指钢材在拉伸过程中,断口前的伸长量与原始长度之比。
它是描述材料塑性变形程度的指标。
延伸率越高,钢材的刚度越小,
塑性变形能力越强。
五、断裂韧性
断裂韧性是指材料抵抗脆性破坏的能力。
它是通过测量断裂前及
断裂后的能量差值得出。
断裂韧性越高,钢材的抗破坏能力越强。
综上所述,钢材的主要力学指标包括弹性模量、屈服强度、抗拉
强度、延伸率和断裂韧性。
这些指标共同反映了钢材的强度、塑性、
刚度和抗破坏能力等特性。
在工程实践中,针对不同的应用场景和要求,选择合适的钢材材料和合理的设计方案,可以更好地发挥钢材的
优良特性。
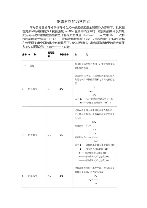
钢铁材料的力学性能序号名称量的符号单位符号含义一强度强度指金属在外力作用下,抵抗塑性变形和断裂的能力1抗拉强度ζbMPa金属试样拉伸时,在拉断前所承受的最大负荷与试样原横截面面积之比称为抗拉强度Pbζb=——Fo式中Pb——试样拉断前的最大负荷(N)Fo——试样原横截面积(mm2)2抗弯强度ζbbMPa试样在位于两支承中间的集中负荷作用下,使其折断时,折断截面所承受的最大正压力8PL对圆试样:ζbb=——πd38P序号名称量的符号单位符号含义一强度强度指金属在外力作用下,抵抗塑性变形和断裂的能力1 抗拉强度ζb MPa 金属试样拉伸时,在拉断前所承受的最大负荷与试样原横截面面积之比称为抗拉强度P bζb=——Fo式中 P b——试样拉断前的最大负荷(N) Fo——试样原横截面积(mm2)2 抗弯强度ζbb MPa 试样在位于两支承中间的集中负荷作用下,使其折断时,折断截面所承受的最大正压力8PL对圆试样:ζbb=——πd38PL对矩形试样:ζbb=——2bh2式中 P——试样所承受最大集中载荷(N) L——两支承点间的跨距(mm)d——圆试样截面之外径(mm)b——矩形截面试样之宽度(mm)h——矩形截面试样之宽度(mm)3 抗压强度ζbc MPa 材料在压力作用下不发生碎、裂所能承受的最大正压力,称为抗压强度P bcζbc=——Fo式中 P b c——试样所受最大集中载荷(N) Fo——试样原横截面积(mm2)4 抗剪强度r、ζr MPa 试样剪断前,所承受的最大负荷下的受剪截面具有的平均应力P双剪:ζr=——;2FoP单剪:ζr=——;Fo式中 P——剪切时的最大负荷(N)Fo——受剪部位的横截面积(mm2)5 抗扭强度ηb MPa 指外力是扭转力的强度极限3M bηb≈——(适用于钢材)4W pM bηb≈——(适用于铸铁)W p式中M b——扭转力矩(N·mm)W p——扭转时试样截面的极断面系数(mm2)6 屈服点ζs MPa 金属度样在拉伸过程中,负荷不再增加,而试样仍继续发生变形的现象称为“屈服”。
常用钢材化学成分及力学性能01.碳素钢板(一)Q235-A.F钢(二)Q235-A钢板(三)Q235-B钢板(四)Q235-C钢板(五)20HP钢板(六)15MnHP钢板(七)20R钢板02.低合金高强度钢板(一)16MnR钢板(三)15MnVNR钢板(四)18MnMoNbR钢板(五)13MnNiMoNbR钢板03.低温钢板(一)16MnDR钢板(二)09Mn2VDR钢板(三)15MnNiDR钢板(四)09MnNiDR钢板(五)07MnNiCrMoVDR钢板04.中温抗氢钢板(一)15CrMoR钢板(二)12Cr2Mo1R钢板05.不锈钢板(一)0Cr13钢板(二)0Cr18Ni9钢板(三)1Cr18Ni9Ti钢板(四)0Cr18Ni10Ti钢板(五)0Cr17Ni12Mo2钢板(六)0Cr18Ni12Mo2Ti钢板(七)0Cr19Ni13Mo3钢板( 八)00Cr19Ni10钢板(九)00Cr17Ni14Mo2钢板(十)00Cr19Ni13Mo3钢板(十一)00Cr18Ni5Mo3Si2钢板(十二)铁素体型或马素体型钢板(十三)奥氏体型钢管(十四)奥氏体--铁素体型钢板06.碳素钢和低合金高强度钢钢管(一)GB8163中的10和20钢管(无缝管)(二)GB9948中的10和20钢管(无缝管)(三)GB6479中的10、20G、16Mn和15MnV钢管(无缝管)07.低温钢管(一)GB6479中的10、20G和16Mn钢管(无缝管)(二)09Mn2VD钢管(无缝管)08.中温抗氢钢管(一)GB9948中的12CrMo和15CrMo钢管(无缝管)(二)GB6479中的12CrMo、15CrMo、10MoWVNb、12Cr2Mo和1Cr5Mo钢管(无缝管)(三)GB5310中的12Cr1MoV钢管(无缝管)09.不锈钢管(一)GB/T14976 中的钢管表9-12 钢管的许用应力(二)GB13296 中的钢管表9~14 钢管的常温力学性能表9-15 GB150 推荐的钢管高温屈服强度表9-16 钢管的许用应力10.碳素钢和低温合金钢锻件表10-1 常用钢号(一)20 钢锻件表10-2 钢的化学成分表10-3 钢锻件的常温力学性能表10-4 GB150 标准推荐的高温屈服强度表10-5 钢锻件的许用应力(二)35 钢锻件的许用应力表10-6 化学成分表10-7 钢锻件的常温力学性能表10-8 GB150 标准推荐的高温屈服强度表10-9 钢锻件的许用应力(三)16Mn 钢锻件表10-10化学成分表10-11 钢锻件的常温力学性能表10-12 GB150 标准推荐的高温屈服强度表10-13 钢锻件的许用应力(四)15MnV 钢锻件表10-14化学成分表10-15 钢锻件的常温力学性能表10-16 GB150 标准推荐的高温屈服强度表10-17 钢锻件的许用应力(五)20MnMo 钢锻件 表10-18化学成分表10-19 钢锻件的常温力学性能表10-20 JB4726对钢锻件高温屈服强度的规定表10-21 钢锻件的许用应力(六)20MnMoNb 钢锻件表10-22化学成分注:对真空碳脱氧钢,允许Si含量小于或等于0.12%表10-23 钢锻件的常温力学性能表10-24 JB4726对钢锻件高温屈服强度的规定表10-25 钢锻件的许用应力(七)15CrMo 钢锻件表10-26化学成分注:对真空碳脱氧钢,允许Si含量小于或等于0.12%表10-27 钢锻件的常温力学性能表10-28 JB4726对钢锻件高温屈服强度的规定表10-29 15CrMo钢锻件的许用应力(八)35CrMo钢锻件表10-30化学成分注:对真空碳脱氧钢,允许Si含量小于或等于0.12%表10-31 钢锻件的常温力学性能表10-32 JB4726对钢锻件高温屈服强度的规定表10-33 钢锻件的许用应力(九)12Cr1MoV钢锻件表10-34化学成分注:对真空碳脱氧钢,允许Si含量小于或等于0.12%表10-35 钢锻件的常温力学性能表10-36 JB4726对钢锻件高温屈服强度的规定表10-37 钢锻件的许用应力(十)12Cr2Mo1 钢锻件注:对真空碳脱氧钢,允许Si含量小于或等于0.12%表10-38 钢锻件的常温力学性能表10-39 JB4726对钢锻件高温屈服强度的规定表10-40 钢锻件的许用应力(十一)1Cr5Mo钢锻件表10-41化学成分注:对真空碳脱氧钢,允许Si含量小于或等于0.12%表10-42 钢锻件的常温力学性能表10-43 GB150 标准推荐的高温屈服强度表10-44 钢锻件的许用应力11.低温钢锻件表11-1 中国常用钢号(一)20D 钢锻件表11-2 钢的化学成分表11-3 钢锻件的常温拉伸和低温冲击性能表11-4 钢锻件的许用应力(二)16MnD 钢锻件表11-5化学成分表11-6 钢锻件的常温拉伸和低温冲击性能表11-7 钢锻件的许用应力(三)09Mn2VD 钢锻件表11-8化学成分表11-9 钢锻件的常温拉伸和低温冲击性能表11-10 钢锻件的许用应力(四)09MnNiD 钢锻件表11-11化学成分表11-12 钢锻件的常温拉伸和低温冲击性能表11-13 钢锻件的许用应力(五)16MnMoD 和20MnMoD 钢锻件表11-14 钢的化学成分表11-15 钢锻件的常温拉伸和低温冲击性能表11-16 钢锻件的许用应力(六)08MnNiCrMoVD 钢锻件表11-17化学成分表11-18 钢锻件的常温拉伸和低温冲击性能表11-19 钢锻件的许用应力(七)10Ni3MoVD 钢锻件表11-20化学成分表11-21 钢锻件的常温拉伸和低温冲击性能表11-22 钢锻件的许用应力12.不锈钢锻件(一)0Cr13和1Cr13钢锻件(二)0Cr18Ni9和00Cr19Ni10钢锻件(三)0Cr17Ni12Mo2和00Cr17Ni14Mo2钢锻件(四)1Cr18Ni9和0Cr18Ni10Ti钢锻件(五)00Cr18Ni5Mo3Si2钢锻件13.超高压容器锻件1、34CrNi3MoA钢化学成分2、34CrNi3MoA钢锻件的力学性能14.螺柱用钢材(一)Q235-A镇静钢(二)35钢(三)螺柱用合金结构钢15.碳素钢和低温合金钢铸件(一)ZG200-400H铸钢(二)ZG230-450H铸钢(三)ZG275-485H铸钢16.不锈钢铸件(一)ZG1Cr13铸钢(二)ZG0Cr18Ni9和ZG00Cr18Ni10(三)ZG1Cr18Ni9Ti和ZG0Cr18Ni9Ti铸钢(四)ZG0Cr18Ni12Mo2Ti铸钢。
钢材
1、钢棒试验规定要求达到,主筋宜采用预应力混凝土钢棒其质量应符合YB/111规定,常用的D类低松弛异形钢棒力学性能符合下表要求:
主筋墩头必须符合下表要求规定:
2、螺旋钢筋采用冷拨低碳钢丝低碳钢热扎圆盘条其质量符合GB/T701规定,其冷拨低碳钢丝机械性能符合下表要求:
根据管桩规格而确定一般,外径Φ500以下管桩螺旋筋直径应不小于Φ4,外径Φ500~Φ600以下管桩螺旋筋直径应不小于Φ5。
螺旋筋螺距不得大于110mm、两端1~1.5m范围内螺距应控制40~60m范围两边要密2~3圈。
钢筋笼焊接后预应力钢筋间距偏差不得超过±5m,螺距不得超过±10m,。
3、端板、桩套箍及桩尖的钢材A3或AY3钢板应符合GB/T700 中Q235的规定。
端部锚固筋采用热扎带肋钢筋,焊条采用E4300~4313, 焊缝质量不应低于二级。
规定,其冷拨低碳钢丝机械性能符合下表要求:。
1 常用钢材化学成分及力学性能01.碳素钢板一Q235-A.F钢表1-10 钢的化学成分化学成分 C Si Mn P S 0.140.22 ≤0.07 0.300.60 ≤0.045 ≤0.050 表1-11 钢板的力学性能和冷弯性能板厚mm бbMpa бsMpa δs 冷弯试验180 ?? 23 375500 ≥235 ≥20d1.5a gt33.5 ≥21 gt3.54 ≥22 gt416 375500 ≥235 ≥25 d1.5a 表1-12 钢板的许用应力板厚mm 在下列温度℃下的许用应力Mpa ≤20 100 150 200 250 34 113 113 113 105 94 4.516 113 113 113 105 94 二Q235-A钢板表1-13 钢的化学成分化学成分C Si Mn P S 0.140.22 0.120.30 0.300.65 ≤0.045 ≤0.050 表1-14 钢板的力学性能和冷弯性能板厚mm бbMpa бsMpa δs 冷弯试验180 ?? 23 375500 ≥235 ≥20 d1.5a gt33.5 ≥21 gt3.54 ≥22 gt416 37550 ≥235 ≥25 d1.5a gt1640 37550 ≥225 ≥24 d1.5a 表1-15 钢板的许用应力板厚mm 在下列温度℃下的许用应力Mpa ≤20 100 150 200 250 300 350 2 34 113 113 113 113 94 94 86 4.516 113 113 113 113 94 94 86 gt1640 113 113 113 107 91 91 83 三Q235-B钢板表1-16 钢的化学成分化学成分C Si Mn P S ≤0.220.120.30 ≤0.70 ≤0.045 ≤0.045 表1-17 钢板的力学性能和冷弯性能板厚mm бbMpa бsMpa δs Akv纵J 冷弯试验180 ?? 23 375500 ≥235 ≥20 --- d1.5a gt33.5 ≥21 gt3.54 ≥22 gt416 37550 ≥235 ≥25 ≥27 d1.5a gt1640 37550 ≥225 ≥24 ≥27 d1.5a 表1-18 钢板的许用应力板厚mm 在下列温度℃下的许用应力Mpa ≤20 100 150 200 250 300 350 34 113 113 113 105 94 86 77 4.516 113 113 113 105 94 86 77 gt1640 113 113 107 99 91 83 75 四Q235-C钢板表1-19 钢的化学成分化学成分C Si Mn P S ≤0.18 0.120.300.350.80 ≤0.040 ≤0.040 表1-20 钢板的力学性能和冷弯性能板厚mm бbMpa бsMpa δs 0℃Akv纵J 冷弯试验180 ?? 23 375500 ≥235 ≥20 --- d1.5a gt33.5 ≥21 gt3.54 ≥22gt416 37550 ≥235 ≥25 ≥27 d1.5a gt1640 37550 ≥225 ≥24 ≥27 d1.5a 表1-21 钢板的许用应力板厚mm 在下列温度℃下的许用应力Mpa 3 ≤20 100 150 200 250 300 350 400 34 125 125 125 116 104 95 86 79 4.516 125 125 125 116 104 95 86 79 gt1640 125 125 119 110 101 92 83 77 五20HP钢板表1-22 钢的化学成分化学成分C Si Mn P S ≤0.22 ≤0.35 0.350.65 ≤0.035 ≤0.035 表1-23 钢板的力学性能和冷弯性能板厚mm бbMpa бsMpa δs Akv横J 冷弯试验180 ?? 2.51.2 ≥390 ≥245 ≥25 ≥27 d1.5a 六15MnHP 钢板表1-24 钢的化学成分化学成分C Si Mn P S 0.120.20 ≤0.35 0.651.00 ≤0.035 ≤0.035 表1-25 钢板的力学性能和冷弯性能板厚mm бbMpa бsMpa δs Akv横J 冷弯试验180 o 2.51.2 ≥440 ≥295 ≥26 ≥27 d2a 七20R钢板表1-26 钢的化学成分化学成分 C Si Mn P S 〈0.20 0.150.30 0.400.90 ≤0.035 ≤0.030 表1-27 钢板的力学性能和冷弯性能板厚mm бbMpa бsMpa δs 0℃Akv纵J 冷弯试验180 ?? 616 400520 ≥245 ≥25 ≥31d2a gt1636 ≥235 gt3660 ≥225 gt60100 390510 ≥205 ≥24 表1-28 钢板的高温屈服强度板厚mm 在下列温度℃下的屈服强度Mpa不小于200 250 300 350 400 450 2136 186 167 153 139 129 121 gt3660 178 161 147 133 123 116 gt60100 164 147 135 123 113 106 表1-29 钢板的许用应力板厚mm 在下列温度℃下的许用应力Mpa≤20 100 150 200 250 300 350 400 425 450 475 616 133 133 132 123 110 101 92 86 83 61 41 gt1636 133 132 126 116 104 95 86 79 78 61 41 gt3660 133 126 119 110 101 92 83 77 75 61 41 gt60100 128 115 110 103 92 84 77 71 68 61 41 02.低合金高强度钢板一16MnR钢板表29 钢的化学成分化学成分C Si Mn P S ≤0.20 0.200.55 1.201.60≤0.035 ≤0.030 表210 钢板的力学性能和冷弯性能板厚mm бbMpa бsMpa δs Akv横J 冷弯试验180° 616 510640 ≥345 ≥21 ≥31 d2a gt1636 490620 ≥325 ≥21 d3a gt3660 470600 ≥305 ≥21 gt60100 460590 ≥285 ≥20 gt100120 450580 ≥275 ≥20 表211 钢板的高温屈服强度5 板厚mm 在下列温度℃下的屈服强度Mpa不小于200 250 300 350 400 450 2136 255 235 215 200 190 180 gt3660 240 220 200 185 175 165 gt60100 225 205 185 175 165 155 gt100120 220 200 180 170 160 150 表212 钢板的许用应力板厚mm 在下列温度℃下的许用应力Mpa ≤20 100 150 200 250 300 350 400 425 450 475 616 170 170 170 170 156 144 134 125 93 66 43 gt1636 163 163 163 159 147 134 125 119 93 66 43 gt3660 157 157 157 150 138 125 116 109 93 66 43 gt60100 153 153 150 141 128 116 109 103 93 66 43 100120 150 150 147 138 125 113 106 100 93 66 43 15MnVR 表213钢的化学成分化学成分C Si Mn P S V ≤0.18 0.200.55 1.201.60≤0.035 ≤0.030 0.040.12 表214 钢板的力学性能和冷弯性能板厚mm бbMpa бsMpa δs Akv横J 冷弯试验180 ° 616 530665 ≥390 ≥19 ≥31 d3a gt1636 510645 ≥370 ≥19gt3660 490625 ≥350 ≥19 表215 钢板的高温屈服强度板厚mm 在下列温度℃下的屈服强度Mpa不小于200 250 300 350 400 450 2136 295 280 260 240 220 205 6gt3660 280 265 245 225 210 195 表216 钢板的许用应力板厚mm 在下列温度℃下的许用应力Mpa ≤20 100 150 200 250 300 350 400 616 177 177 177 177 177 172 159 147 gt1636 170 170 170 170 170 163 150 138 gt3660 163 163 163 163 163 153 141 131 三15MnVNR钢板表217 钢的化学成分化学成分C Si Mn P S V N ≤0.20 0.200.55 1.301.70 ≤0.035 ≤0.030 0.100.20 0.0100.020 表218 钢板的力学性能和冷弯性能板厚mm бbMpa бsMpa δs Akv横J 冷弯试验180° 616 570710 ≥440 ≥18 ≥34 d3a gt1636 550690 ≥420 ≥18 gt3660 530670 ≥400 ≥18 表219 钢板的高温屈服强度板厚mm 在下列温度℃下的屈服强度Mpa不小于200 250 300 350 400 450 2136 340 315 290 270 250 235 gt3660 320 300 275 255 235 220 表220 钢板的许用应力板厚mm 在下列温度℃下的许用应力Mpa ≤20 100 150 200 250 300 350 400 616 190 190 190 190 190 190 175 163 7 gt1636 183 183 183 183 183 181 169 156 gt3660 177 177 177 177 177 172 159 147 四18MnMoNbR钢板表221钢的化学成分化学成分C Si Mn P S Mo Nb ≤0.22 0.150.50 1.201.60 ≤0.035 ≤0.030 0.0450.0.65 0.0250.050 表222 钢板的力学性能和冷弯性能板厚mm бbMpa бsMpa δs Akv横J 冷弯试验180 ° 3060 590740≥440 ≥17 ≥34 d3a gt60100 570720 ≥410 ≥17 表223 钢板的高温屈服强度板厚mm在下列温度℃下的屈服强度Mpa不小于200 250 300 350 400 450 3060 380 370 360 350 335 315 gt60100 360 350 340 330 315 295 表224 钢板的许用应力板厚mm 在下列温度℃下的许用应力Mpa ≤20 100 200 300 400 425 450 475 3060 197 197 197 197 197 197 177 117 60100 190 190 190 190 190 190 177 117 五13MnNiMoNbR钢板表225钢的化学成分化学成分C Si Mn P S Ni Mo Gr Nb ≤0.15 0.150.50 1.201.60≤0.025 ≤0.025 0.601.00 0.200.40 0.200.40 0.0250.050 表226 钢板的力学性能和冷弯性能8 板厚mm бbMpa бsMpa δs 0℃Akv横J 冷弯试验180 ° 30100 570720 ≥390 ≥18 ≥31 d3a gt100120 570720 ≥380 ≥18 ≥31 d3a 表227 钢板的高温屈服强度板厚mm在下列温度℃下的屈服强度Mpa不小于200 250 300 350 400 30100 355 350 345 335 305 gt100120 345 340 335 325 300 表228 钢板的许用应力板厚mm 在下列温度℃下的许用应力Mpa ≤20 100 150 200 250 300 350 400 30100 190 190 190 190 190 190 190 190 gt100120 190 190 190 190 190 190 190 188 表229钢的化学成分化学成分C Si Mn P S Ni Gr Mo V B Pcm ≤0.09 0.15 0.40 1.201.60 ≤0.030 ≤0.020 ≤0.030 0.100.30 0.100.30 0.020.06 ≤.0030 ≤0.20 表230钢板的力学性能和冷弯性能板厚mm 取样方向及部位拉伸试验冲击试验冷弯试验180 ° бbMpa бsMpa δs 试验温度℃AkvJ1659 横向1/4t 610740 ≥490 ≥17 -20 ≥47 d3a 03.低温钢板一16MnDR钢板表39钢的化学成分化学成分C Si Mn P S Als ≤0.20 0.150.50 1.201.60 ≤0.030 ≤0.025 ≥0.015 9 表310钢板的力学性能和冷弯性能板厚mm бbMpa бsMpa δ5 Akv横J 冷弯试验180 °616 490620 ≥315 ≥21 -40℃≥24 d2a gt1636 470600 ≥295 d3a gt3660 450580 ≥275-30℃≥24 gt60100 450580 ≥255 表311钢板的许用应力板厚mm 在下列温度℃下的许用应力Mpa ≤20 100 150 200 250 300 350 616 163 163 163 156 144 131 122 gt1636 157 157 156 147 134 122 113 gt3660 150 150 147 138 125 113 106 gt60100 150 147 138 128 116 106 100 二09Mn2VDR钢板表312钢的化学成分化学成分C Si Mn P S V Als ≤0.12 0.150.50 1.401.80 ≤0.030 ≤0.025 0.020.06 ≥0.015 表313钢板的力学性能和冷弯性能板厚mm бbMpa бsMpa δ5 Akv横J 冷弯试验180 ° 616 440570 ≥290≥22 -50℃≥27 d2a gt1636 430560 ≥270 三15MnNiDR钢板表314钢的化学成分化学成分 C Si Mn P S Ni V Als ≤0.18 0.150.50 1.201.60 ≤0.030 ≤0.025 0.200.60 ≤0.06≥0.015 表315 钢板的力学性能和冷弯性能板厚mm бbMpa бsMpa δ5 Akv横J 冷弯试验180 ° 10 616 490630 ≥325 ≥20 -40℃≥27 d3a gt1636 470610 ≥305 gt3660 460600 ≥290 四09MnNiDR钢板表316钢的化学成分化学成分C Si Mn P S Ni Nb Als≤0.12 0.150.50 1.201.60 ≤0.025 ≤0.020 0.300.80 ≤0.04 ≥0.015 表317 钢板的力学性能和冷弯性能gt 板厚mm бbMpa бsMpa δ5 Akv横J 冷弯试验180 ° 616 440670 ≥300≥23 -70℃≥27 d2a gt1636 430560 ≥280 gt3660 430560 ≥260 表318钢板的许用应力板厚mm 在下列温度℃下的许用应力Mpa ≤20 100 150 200 250 300 350 616 147 147 147 147 147 147 138 gt1636 143 143 143 143 143 138 128 gt3660 143 143 143 141 134 128 119 五07MnNiCrMoVDR钢板表319钢的化学成分化学成分C Si Mn P S Ni Gr Mo V B Pcm ≤0.09 0.150.40 1.201.60 ≤0.030 ≤0.020 0.200.50 0.100.30 0.100.300.020.06 ≤.0030 ≤0.21 表320钢板的力学性能和冷弯性能板厚mm 取样方向及拉伸试验冲击试验冷弯试验11 部位бbMpa бsMpa δs 试验温度℃AkvJ 180 ° 1650 横向1/4t 610740 ≥490 ≥17 -40 ≥47 d3a 04.中温抗氢钢板一15CrMoR钢板表49钢的化学成分化学成分 C Si Mn P S Cr Mo 0.120.18 0.150.40 0.400.70 ≤0.030 ≤0.030 0.801.20 0.450.60 表410 钢板的力学性能和冷弯性能板厚mm 钢板状态бbMpaбsMpa δ5 Akv横J 冷弯试验180 ° 660 正火加回火450590 ≥295 ≥19 ≥31 d3a gt60100 ≥275 ≥18 表411 钢板的高温屈服强度钢板状态板厚mm 在下列温度℃下的屈服强度Mpa不小于100 150 200 250 300 350 400 450 500 正火加回火3660 270 255 240 225 210 200 189 179 174 gt60100 250 235 220 210 196 186 176 167 162 表412 钢板的许用应力钢板状态板厚mm 在下列温度℃下的许用应力Mpa ≤20 100 150 200 250 300 350 400 425 450 475 500 525 550 正火加回火660 150 150 150 150 141 131 125 118 115 112 110 88 58 37 gt60100 150 150 147 138 131 123 116 110 107 104 103 88 58 37 二12Cr2Mo1R钢板表413钢的化学成分化学成分C Si Mn P S Cr Mo≤0.15 ≤0.50 0.300.60 ≤0.025 ≤0.025 2.002.50 0.901.10 表414 钢板的力学性能和冷弯性能12 板厚mm 钢板状态бbMpa бsMpa δ5 Akv横J 冷弯试验180 ° 660 正火加回火515690 ≥310 ≥18≥31 d3a gt60150 ≥17 表415 钢板的高温屈服强度板厚mm 在高温℃下的屈服强度Mpa不小于100 150 200 250 300 350 400 450 500 6150 280 270 260 255 250 245 240 230 215 表416钢板的许用应力板厚mm 在下列温度℃下的许用应力Mpa ≤20 100 150 200 250 300 350 400 425 450 475 500 525 550 575 6150 172 172 169 163 159 156 153 150 147 144 119 89 61 46 37 05.不锈钢板一0Cr13钢板表59钢的化学成分化学成分C Si Mn P S Cr Ni ≤0.08 ≤1.00 ≤1.00 ≤0.035 ≤0.03011.5013.50 ≤0.60 表510 钢板的力学性能和冷弯性能拉伸试验硬度试验冷弯试验180 ° бbMpa б0.2Mpa δ5 HB HRB HV ≥410 ≥205 ≥20 ≤183 ≤88 ≤200 d2a 表511GB150推荐的的高温屈服强度板厚mm 在下列温度℃下的屈服强度Mpa不小于100 150 200 250 300 350 400 450 500 550 260 189 184 180 178 175 168 163 150 133 108 表512 钢板的许用应力板厚mm 在下列温度℃下的许用应力Mpa 13 ≤20 100 150 200 250 300 350 400 450 500 260 128 118 115 113 111 109 105 102 94 72 二0Cr18Ni9钢板表513钢的化学成分化学成分C Si Mn P S Cr Ni ≤0.07 ≤1.00 ≤2.00 ≤0.035 ≤0.030 17.019.00 8.0011.00 表514 钢板的力学性能拉伸试验硬度试验бbMpa б0.2Mpa δ5 HB HRB HV ≥520 ≥205 ≥40 ≤187 ≤90 ≤200 表515GB150推荐的的高温屈服强度板厚mm 在下列温度℃下的屈服强度Mpa不小于100 150 200 250 300 350 400 450 500 550 260 171 155 144 135 127 123 119 114 111 106 表516 钢板的许用应力板厚mm 在下列温度℃下的许用应力Mpa ≤20 100 150 200 300 400 550 550 600 650 700 260 137 137 137 130 114 107 100 91 64 42 27 137 114 103 96 85 79 74 71 62 42 27 三1Cr18Ni9Ti钢板表517 钢的化学成分化学成分C Si Mn P S Cr Ni Ti ≤0.12 ≤1.00 ≤2.00 ≤0.035 ≤0.030 17.019.00 8.0011.00 5C-0.020.80 表518 钢板的力学性能拉伸试验硬度试验бbMpa б0.2Mpa δ5 HB HRB HV ≥540 ≥205 ≥40 ≤187 ≤90 ≤200 14 四0Cr18Ni10Ti钢板表519 钢的化学成分化学成分C Si Mn P S Cr Ni Ti ≤0.08 ≤1.00 ≤2.00 ≤0.035 ≤0.030 17.019.00 9.0012.00 ≥5XC 表520 钢板的力学性能拉伸试验硬度试验бbMpa б0.2Mpa δ5 HB HRB HV ≥520 ≥205 ≥40 ≤187 ≤90≤200 表521 GB150推荐的的高温屈服强度板厚mm 在下列温度℃下的屈服强度Mpa不小于100 150 200 250 300 350 400 450 500 550 260 171 155 144 135 127 123 120 117 114 111 表522 钢板的许用应力板厚mm 在下列温度℃下的许用应力Mpa ≤20 100 150 200 300 400 500 550 600 650 700 260 137 137 137 130 114 108 103 83 44 25 13 137 114 103 96 85 80 76 74 44 25 13 五0Cr17Ni12Mo2钢板表523 钢的化学成分化学成分 C Si Mn P S Cr Ni Mo ≤0.08 ≤1.00 ≤2.00 ≤0.035 ≤0.030 16.0018.00 10.0014.00 2.003.00 表524 钢板的力学性能拉伸试验硬度试验бbMpa б0.2Mpa δ5 HB HRB HV ≥520 ≥205 ≥40 ≤187 ≤90 ≤200 表525 GB150推荐的的高温屈服强度板厚mm 在下列温度℃下的屈服强度Mpa不小于15 100 150 200 250 300 350 400 450 500 550 260 175 161 149 139 131 126 123 121 119 117 表526 钢板的许用应力板厚mm 在下列温度℃下的许用应力Mpa ≤20 100 150 200 300 400 500 550 600 650 700 260 137 137 137 134 118 111 107 105 81 50 30 137 117 107 99 87 82 79 78 73 50 30 六0Cr18Ni12Mo2Ti钢板表527 钢的化学成分化学成分C Si Mn P S Cr Ni Mo Ti ≤0.08 ≤1.00 ≤2.00 ≤0.035 ≤0.030 16.0019.00 11.0014.00 1.802.50 ≥5XC0.70 表528 钢板的力学性能拉伸试验硬度试验бbMpa б0.2Mpa δ5 HB HRB HV ≥530 ≥205≥35 ≤187 ≤90 ≤200 表529 GB150推荐的的高温屈服强度板厚mm 在下列温度℃下的屈服强度Mpa不小于100 150 200 250 300 350 400 450 500 550 260 175 161 149 139 131 126 123 121 119 117 表530 钢板的许用应力板厚mm 在下列温度℃下的许用应力Mpa ≤20 100 150 200 250 300 350 400 450 475 500 650 260 137 137 137 134 125 118 113 111 109 108 107 50 137 117 107 99 93 8.。
钢材的主要力学指标
钢材是一种广泛应用于建筑、工程、制造以及其他领域的材料。
在设计和使用钢材时,其主要力学指标是非常重要的。
以下是钢材的主要力学指标:
1. 抗拉强度:钢材的抗拉强度是指其在拉伸过程中所能承受的最大应力值。
这个值通常以兆帕为单位来表示。
2. 屈服强度:钢材的屈服强度是指其在拉伸过程中所能承受的应力值,达到这个值时钢材开始产生塑性变形。
这个值通常也以兆帕为单位来表示。
3. 延伸率:钢材的延伸率是指其在拉伸过程中能够发生塑性变形的程度,以百分比表示。
4. 冲击韧性:冲击韧性是指钢材在受到冲击或撞击时所能承受的能量吸收能力。
这个指标通常以焦耳或千克米为单位。
5. 硬度:钢材的硬度是指其抵抗划痕和压痕的能力。
硬度可以用多种方法来测试,例如布氏硬度和洛氏硬度等。
这些力学指标在钢材的设计、制造、选择和使用中都非常重要,设计人员和工程师需要根据具体的应用场景来选择合适的钢材材料。
- 1 -。