钢材的力学性能
- 格式:pdf
- 大小:962.93 KB
- 文档页数:7
钢材的技术性质主要包括力学性能力学性能力学性能和工艺性能工艺性能工艺性能两个方面。
一、力学性能力学性能::力学性能又称机械性能,是钢材最重要的使用性能。
在建筑结构中,对承受静荷载作用的钢材,要求具有一定的力学强度,并要求所产生的变形不致影响到结构的正常工作和安全使用。
对承受动荷载作用的钢材,还要求具有较高的韧性而不致发生断裂。
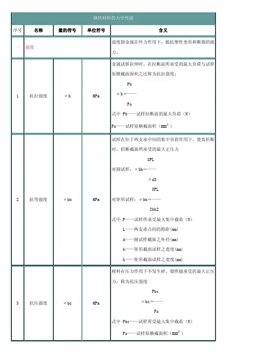
(一)、)、强度强度强度::在外力作用下在外力作用下,,材料抵抗变形和断裂的能力称为强度材料抵抗变形和断裂的能力称为强度。
测定钢材强度的方法是拉伸试验,钢材受拉时,在产生应力的同时,相应的产生应变。
应力-应变的关系反映出钢材的主要力学特征。
因此,抗拉性能是钢材最重要的技术性质。
根据低碳钢受拉时的应力低碳钢受拉时的应力低碳钢受拉时的应力--应变曲线应变曲线(如图6-1),可了解到抗拉性能的下列特征指标。
1、弹性模量和比例极限弹性模量和比例极限::钢材受力初期,应力与应变成正比例增长,应力与应变之比是常数,称为弹性模量弹性模量弹性模量即E =σ/ε。
这个阶段的最大应力(P 点的对应值)称为比例极限比例极限σp 。
E 值越大,抵抗弹性变形的能力越大;在一定荷载作用下,E 值越大,材料发生的弹性变形量越小。
一些对变形要求严格的构件,为了把弹性变形控制在一定限度内,应选用刚度大的钢材。
2、弹性极限弹性极限::应力超过比例极限后,应力-应变曲线略有弯曲,应力与应变不再成正比例关系,但卸去外力时,试件变形仍能立即消失,此阶段产生的变形是弹性变形。
不产生残留塑性变不产生残留塑性变形的最大应力形的最大应力(e 点对应值)称为弹性极限弹性极限σe 。
事实上,σp 和σe 相当接近。
3、屈服强度屈服强度::屈服强度屈服强度::钢材开始丧失对变形的抵抗能力钢材开始丧失对变形的抵抗能力,,并开始产生大量塑性变形时所对应的应力并开始产生大量塑性变形时所对应的应力。
在屈服阶段,锯齿形的最高点所对应的应力称为屈服上限屈服上限屈服上限;锯齿形的最低点所对应的应力称为屈服下限屈服下限屈服下限。
钢材的物理力学性能和机械性能表钢材的主要机械性能(也叫力学性能)通常是指钢材在标准条件下均匀拉伸.冷弯和冲击等.单独作用下所显示的各种机械性能。
钢材通常有五大主要的机械性能指标:通过一次拉伸试验可得到抗拉强度,伸长率和屈服点三项基本性能;通过冷弯试验可得到钢材的冷弯性能;通过冲击韧性试验可得到冲击韧性。
1.屈服点(σs)钢材或试样在拉伸时,当应力超过弹性极限,即使应力不再增加,而钢材或试样仍继续发生明显的塑性变形,称此现象为屈服,而产生屈服现象时的最小应力值即为屈服点。
设Ps为屈服点s处的外力,Fo为试样断面积,则屈服点σs =Ps/Fo(MPa),MPa称为兆帕等于N(牛顿)/mm2,(MPa=106Pa,Pa:帕斯卡=N/m2)2.屈服强度(σ0.2)有的金属材料的屈服点极不明显,在测量上有困难,因此为了衡量材料的屈服特性,规定产生永久残余塑性变形等于一定值(一般为原长度的0.2%)时的应力,称为条件屈服强度或简称屈服强度σ0.2。
3.抗拉强度(σb)材料在拉伸过程中,从开始到发生断裂时所达到的最大应力值。
它表示钢材抵抗断裂的能力大小。
与抗拉强度相应的还有抗压强度、抗弯强度等。
设Pb为材料被拉断前达到的最大拉力,Fo为试样截面面积,则抗拉强度σb= Pb/Fo (MPa)。
4.伸长率(δs)材料在拉断后,其塑性伸长的长度与原试样长度的百分比叫伸长率或延伸率。
5.屈强比(σs/σb)钢材的屈服点(屈服强度)与抗拉强度的比值,称为屈强比。
屈强比越大,结构零件的可靠性越高,一般碳素钢屈强比为0.6-0.65,低合金结构钢为0.65-0.75合金结构钢为0.84-0.86。
6.硬度硬度表示材料抵抗硬物体压入其表面的能力。
它是金属材料的重要性能指标之一。
一般硬度越高,耐磨性越好。
常用的硬度指标有布氏硬度、洛氏硬度和维氏硬度。
⑴布氏硬度(HB)以一定的载荷(一般3000kg)把一定大小(直径一般为10mm)的淬硬钢球压入材料表面,保持一段时间,去载后,负荷与其压痕面积之比值,即为布氏硬度值(HB),单位为公斤力/mm2 (N/mm2)。
《钢结构要点及练习题》第一章到第二章钢结构的材料及性能的要点一、钢材的力学性能主要有:强度、塑性(延伸率)、冷弯性能、韧性、。
1. 强度:y f决定材料的承载力,结构用钢的主要指标有屈服点y f 和抗拉强度u f 。
下屈服点y f 为设计时可达到的最大应力值,称为设计强度标准值。
抗拉强度u f 是钢材破坏时达到的最大应力值。
钢材达到u f 时,已产生很大的塑性变形而失去使用功能,但钢材的u f 高可以增加结构的安全保障,故y u f f 的值可看作钢材的强度储备系数。
2. 塑性:钢材的塑性为应力超过屈服点后,试件产生明显的残余塑性变形而不断裂的性质。
塑性的好坏可通过静力拉伸试验的伸长率δ表示。
材料塑性的好坏往往决定了结构是否安全可靠,因此钢材的塑性指标比强度指标更重要。
3. 韧性:韧性是钢材在塑性变形和断裂过程中吸收能量的能力,也是钢材抵抗冲击荷载的能力,它是强度和塑性的综合表现。
钢结构设计规范对钢材的冲击韧性k α(或kv A )有常温和负温要求的规定。
选用钢材时,根据结构的使用情况和要求提出相应温度的冲击韧性的要求。
4. 冷弯性能:冷弯性能是钢材在冷加工(常温下)产生塑性变形时,对产生裂缝的抵抗能力。
冷弯性能的好坏。
通过使钢材承受规定弯曲程度的弯曲变形后,检查试件弯曲部分的表面不出现裂纹和分层为合格。
二、影响钢材性能的主要因素有:1. 化学成分:钢的基本元素为铁,约占99%。
此外,还有C 、Si 、Mn (有益);有害S 、P 、O 、N 等,这些元素中含量约1%,但对力学性能有很大影响。
2. 成材影响(冶练、浇筑、扎制及热处理):(1)冶练及浇筑结构用钢主要有三种冶炼方法,即碱性平炉炼钢法、顶吹氧气转炉炼钢法、碱性侧吹转炉炼钢法。
平炉钢和顶吹氧气转炉钢力学性能指标较接近;而碱性侧吹转炉钢的冲击韧性、可焊性、冷脆性、抗锈蚀性等都较差,故这种炼钢法已被淘汰。
钢在冶炼及浇铸过程中会不可避免地产生冶金缺陷。
钢材的物理力学性能和机械性能表钢材的主要机械性能(也叫力学性能)通常是指钢材在标准条件下均匀拉伸.冷弯和冲击等.单独作用下所显示的各种机械性能。
钢材通常有五大主要的机械性能指标:通过一次拉伸试验可得到抗拉强度,伸长率和屈服点三项基本性能;通过冷弯试验可得到钢材的冷弯性能;通过冲击韧性试验可得到冲击韧性。
1.屈服点(σs)钢材或试样在拉伸时,当应力超过弹性极限,即使应力不再增加,而钢材或试样仍继续发生明显的塑性变形,称此现象为屈服,而产生屈服现象时的最小应力值即为屈服点。
设Ps为屈服点s处的外力,Fo为试样断面积,则屈服点σs =Ps/Fo(MPa),MPa称为兆帕等于N(牛顿)/mm2,(MPa=106Pa,Pa:帕斯卡=N/m2)2.屈服强度(σ0.2)有的金属材料的屈服点极不明显,在测量上有困难,因此为了衡量材料的屈服特性,规定产生永久残余塑性变形等于一定值(一般为原长度的0.2%)时的应力,称为条件屈服强度或简称屈服强度σ0.2 。
3.抗拉强度(σb)材料在拉伸过程中,从开始到发生断裂时所达到的最大应力值。
它表示钢材抵抗断裂的能力大小。
与抗拉强度相应的还有抗压强度、抗弯强度等。
设Pb为材料被拉断前达到的最大拉力,Fo为试样截面面积,则抗拉强度σb= Pb/Fo (MPa)。
4.伸长率(δs)材料在拉断后,其塑性伸长的长度与原试样长度的百分比叫伸长率或延伸率。
5.屈强比(σs/σb)钢材的屈服点(屈服强度)与抗拉强度的比值,称为屈强比。
屈强比越大,结构零件的可靠性越高,一般碳素钢屈强比为0.6-0.65,低合金结构钢为0.65-0.75合金结构钢为0.84-0.86。
6.硬度硬度表示材料抵抗硬物体压入其表面的能力。
它是金属材料的重要性能指标之一。
一般硬度越高,耐磨性越好。
常用的硬度指标有布氏硬度、洛氏硬度和维氏硬度。
⑴布氏硬度(HB)以一定的载荷(一般3000kg)把一定大小(直径一般为10mm)的淬硬钢球压入材料表面,保持一段时间,去载后,负荷与其压痕面积之比值,即为布氏硬度值(HB),单位为公斤力/mm2 (N/mm2)。
Q235钢材一、概述Q235钢材,是中国国家标准GB/T 700-2006《碳素结构钢》中的一种普通碳素钢材。
该标准是中国钢铁行业中最常用的标准之一,适用于各种结构件和构件的制造。
Q235钢材具有优良的焊接和加工性能、良好的弯曲性能和可靠的耐候性能,被广泛应用于建筑、机械制造、船舶制造、铁路建设等领域。
在本文档中,我们将介绍Q235钢材的化学成分、力学性能、加工工艺以及应用领域。
同时,我们还会提供一些有关钢材选择、质量标准和注意事项的建议。
二、化学成分Q235钢材的化学成分如下:元素C Si Mn P S含量(%)0.14~0.22≤0.300.30~0.65≤0.045≤0.050三、力学性能Q235钢材的力学性能如下:强度指标试样状态额定厚度(mm)屈服强度(MPa)抗拉强度(MPa)伸长率(%)钢板/钢带(简配强度不大于16mm的钢)热轧≤16≥235375-500≥26钢板/钢带(简配强度大于16mm 的钢)热轧>16-40≥225370-500≥25四、加工工艺Q235钢材具有优良的可塑性和可焊性,适合进行各种冷热加工工艺。
1. 切割切割是将Q235钢材进行尺寸切割的加工工艺。
常用的切割方法包括火焰切割、等离子切割和机械切割等。
切割时应注意选择适当的切割方法和工艺参数,以保证切割面质量,并避免切割过程中产生过多的热影响区。
2. 弯曲Q235钢材具有良好的弯曲性能,可以通过冷弯或热弯的方式进行弯曲加工。
在进行弯曲加工时,应选择适当的弯曲半径和弯曲角度,避免产生裂纹或过度变形。
3. 焊接Q235钢材是一种良好的焊接材料,可以通过常规的电弧焊、角焊、埋弧焊、闪光焊等方法进行焊接。
在焊接过程中,应注意选择合适的焊接材料和工艺参数,预防焊接缺陷的产生。
4. 表面处理Q235钢材的表面处理通常包括除锈、喷涂和镀锌等工艺。
这些表面处理方法可以提高钢材的耐腐蚀性和美观度,延长使用寿命。
五、应用领域由于Q235钢材具有良好的综合性能和广泛的加工性能,被广泛应用于以下领域:1.建筑结构:Q235钢材常用于制造钢结构建筑,如工业厂房、桥梁、塔吊等。
钢材的力学性能钢材的主要力学性能有抗拉性能、冲击韧性、耐疲劳性等。
1.抗拉性能拉伸是建筑钢材的主要受力形式,因而抗拉性能是建筑钢材最重要的力学性能。
钢材受拉时,在产生应力的同时,相应地产生应变。
低碳钢从受拉开始至断裂经历了4个阶段。
1)弹性阶段在此初始瞬时效应阶段内,若去除外力,试件恢复原状。
应力应变材抵抗弹性变形的能力,是钢材重要的力学指标。
建筑工程中常用钢材的弹性模量为(2.0~2.1)×105MPa。
2)屈服阶段应力超过弹性极限后,材料开始出现塑性变形,材料暂时失去了对变形的抵抗能力,应变增长很快而应力变化很小,这种现象称为屈服。
由于钢材力达到屈服极限后已不能满足正常使用要求,因此结构设计中以屈服强度作为钢材强度取值的依据。
3)强化阶段过了屈服阶段材料恢复了对变形的抵抗能力,应力增加,变形增大,曲线上最高点C对应的应力称为强度极限,用o表示。
强度极限是钢材抵抗断裂破坏能力的一个重要指标。
屈服强度与强度极限之比称为屈强比,屈强比是评价钢材使用可靠性和强度利用率的一个参数。
屈强比越小,结构的可靠性越高,但屈强比过小时,钢材强度的利用率偏低,造成浪费。
建筑结构用钢的合理屈强比一般为0.60~0.75。
4)颈缩断裂阶段应力达到强度极限后,试件在薄弱处的断面产生“颈缩”现象,直至断裂伸长率是衡量钢材塑性的一个重要指标,2.冲击韧性冲击韧性是指钢材抵抗冲击荷载作用而不破坏的能力。
影响钢材冲击韧性的因素很多。
当钢材中的磷、硫含量较高时,化学成分不均匀,含有非金属夹杂物以及焊接中形成的微裂纹等都会使冲击韧性显著降低。
温度对钢材冲击韧性的影响也很大。
某些钢材在常温(20℃)条件下呈韧性断裂,而当温度降低到一定程度时,ak值急剧下降而使钢材呈脆性断裂,这一现象称为低温冷脆性,这时的温度称为脆性临界温度。
脆性临界温度越低,说明钢材抗低温冲击性能越好。
另外,钢材随时间的延长,强度会逐渐提高,冲击韧性下降,这种现象称为时效。
建筑常用钢材的力学性能和工艺性能讲解钢材的技术性能包括力学性能、工艺性能和化学性能等。
力学性能主要包括拉伸性能、冲击韧性、疲劳强度、硬度等;工艺性能是钢材在加工制造过程中所表现的特性,包括冷弯性能、焊接性能、热处理性能等。
只有了解、掌握钢材的各种性能,才能正确、经济、合理地选择和使用各种钢材。
一、力学性能(一)拉伸性能钢材的拉伸性能,典型地反映在广泛使用的软钢(低碳钢)拉伸试验时得到的应力σ与应变ε的关系上,如图7.7所示。
钢材从拉伸到拉断,在外力作用下的变形可分为四个阶段,即弹性阶段、屈服阶段、强化阶段和颈缩阶段。
图7.7低碳钢受拉应力-应变1.弹性阶段在OA范围内应力与应变成正比例关系,如果卸去外力,试件则恢复原来的形状,这个阶段称为弹性阶段。
弹性阶段的最高点A所对应的应力值称为弹性极限σp。
当应力稍低于A点时,应力与应变成线性正比例关系,其斜率称为弹性模量,用e表示。
弹性模量反映钢材的刚度,即产生单位弹性应变时所需要应力的大小。
2.屈服阶段当应力超过弹性极限σp后,应力和应变不再成正比关系,应力在B上和B 下小范围内波动,而应变迅速增长。
在σ-ε关系图上出现了一个接近水平的线段。
试件出现塑性变形,AB称为屈服阶段,B下所对应的应力值称为屈服极限σs。
钢材受力达到屈服强度后,变形即迅速发展,虽然尚未破坏,但已不能满足使用要求。
所以设计中一般以屈服强度作为钢材强度取值的依据。
对于在外力作用下屈服现象不明显的钢材,规定以产生残余变形为原标距长度0.2%时的应力作为屈服强度,用σ0.2表示,称为条件屈服强度。
3.强化阶段当应力超过屈服强度后,由于钢材内部组织产生晶格扭曲、晶粒破碎等原因,阻止了塑性变形的进一步发展,钢材抵抗外力的能力重新提高。
在σ-ε关系图上形成BC段的上升曲线,这一过程称为强化阶段。
对应于最高点C的应力称为抗拉强度,用σb来表示,它是钢材所能承受的最大应力。
钢材屈服强度与抗拉强度的比值(屈强比σs/σb),是评价钢材受力特征的一个参数,屈强比能反映钢材的利用率和结构安全可靠程度。
钢材材料属性钢材是一种常见的金属材料,具有许多优良的属性,因此在各种领域得到了广泛的应用。
钢材的属性主要包括力学性能、化学性能和物理性能等方面。
下面将对钢材的这些属性进行详细介绍。
首先,钢材的力学性能是其最重要的属性之一。
力学性能包括强度、韧性、硬度等指标。
强度是指材料抵抗外部力量破坏的能力,而韧性是指材料在受到外部冲击或挤压时不易断裂的能力。
硬度则是材料抵抗划伤或穿刺的能力。
钢材通常具有较高的强度和硬度,但韧性也较好,这使得钢材成为制造工程结构和机械零件的理想材料。
其次,钢材的化学性能也是其重要的属性之一。
化学性能包括化学成分、耐蚀性等指标。
钢材的化学成分主要是铁和碳,同时还含有少量的其他合金元素,如铬、镍、钼等。
这些合金元素可以改善钢材的性能,使其具有更好的耐蚀性和耐磨性。
此外,钢材的耐蚀性也是其重要的化学性能之一,可以通过表面处理或合金元素的添加来提高钢材的耐蚀性,从而延长其使用寿命。
另外,钢材的物理性能也不容忽视。
物理性能包括密度、导热性、导电性等指标。
钢材通常具有较高的密度,良好的导热性和导电性,这使得钢材在建筑结构和电气设备等领域得到了广泛的应用。
总的来说,钢材具有优良的力学性能、化学性能和物理性能,这使得其在工程领域得到了广泛的应用。
然而,钢材也存在一些缺点,如容易生锈、重量较大等,因此在使用时需要注意防止钢材的腐蚀和合理减轻结构的自重。
通过对钢材的属性进行全面了解,可以更好地选择和应用钢材,从而发挥其最大的作用。
在未来的发展中,钢材将继续发挥重要作用,并不断改进和完善其性能,以满足不同领域的需求。
常用钢材化学成分及力学性能01.碳素钢板(一)Q235-A.F钢(二)Q235-A钢板(三)Q235-B钢板(四)Q235-C钢板(五)20HP钢板(六)15MnHP钢板(七)20R钢板02.低合金高强度钢板(一)16MnR钢板(三)15MnVNR钢板(四)18MnMoNbR钢板(五)13MnNiMoNbR钢板03.低温钢板(一)16MnDR钢板(二)09Mn2VDR钢板(三)15MnNiDR钢板(四)09MnNiDR钢板(五)07MnNiCrMoVDR钢板04.中温抗氢钢板(一)15CrMoR钢板(二)12Cr2Mo1R钢板05.不锈钢板(一)0Cr13钢板(二)0Cr18Ni9钢板(三)1Cr18Ni9Ti钢板(四)0Cr18Ni10Ti钢板(五)0Cr17Ni12Mo2钢板(六)0Cr18Ni12Mo2Ti钢板(七)0Cr19Ni13Mo3钢板( 八)00Cr19Ni10钢板(九)00Cr17Ni14Mo2钢板(十)00Cr19Ni13Mo3钢板(十一)00Cr18Ni5Mo3Si2钢板(十二)铁素体型或马素体型钢板(十三)奥氏体型钢管(十四)奥氏体--铁素体型钢板06.碳素钢和低合金高强度钢钢管(一)GB8163中的10和20钢管(无缝管)(二)GB9948中的10和20钢管(无缝管)(三)GB6479中的10、20G、16Mn和15MnV钢管(无缝管)07.低温钢管(一)GB6479中的10、20G和16Mn钢管(无缝管)(二)09Mn2VD钢管(无缝管)08.中温抗氢钢管(一)GB9948中的12CrMo和15CrMo钢管(无缝管)(二)GB6479中的12CrMo、15CrMo、10MoWVNb、12Cr2Mo和1Cr5Mo钢管(无缝管)(三)GB5310中的12Cr1MoV钢管(无缝管)09.不锈钢管(一)GB/T14976 中的钢管表9-12 钢管的许用应力(二)GB13296 中的钢管表9~14 钢管的常温力学性能表9-15 GB150 推荐的钢管高温屈服强度表9-16 钢管的许用应力10.碳素钢和低温合金钢锻件表10-1 常用钢号(一)20 钢锻件表10-2 钢的化学成分表10-3 钢锻件的常温力学性能表10-4 GB150 标准推荐的高温屈服强度表10-5 钢锻件的许用应力(二)35 钢锻件的许用应力表10-6 化学成分表10-7 钢锻件的常温力学性能表10-8 GB150 标准推荐的高温屈服强度表10-9 钢锻件的许用应力(三)16Mn 钢锻件表10-10化学成分表10-11 钢锻件的常温力学性能表10-12 GB150 标准推荐的高温屈服强度表10-13 钢锻件的许用应力(四)15MnV 钢锻件表10-14化学成分表10-15 钢锻件的常温力学性能表10-16 GB150 标准推荐的高温屈服强度表10-17 钢锻件的许用应力(五)20MnMo 钢锻件 表10-18化学成分表10-19 钢锻件的常温力学性能表10-20 JB4726对钢锻件高温屈服强度的规定表10-21 钢锻件的许用应力(六)20MnMoNb 钢锻件表10-22化学成分注:对真空碳脱氧钢,允许Si含量小于或等于0.12%表10-23 钢锻件的常温力学性能表10-24 JB4726对钢锻件高温屈服强度的规定表10-25 钢锻件的许用应力(七)15CrMo 钢锻件表10-26化学成分注:对真空碳脱氧钢,允许Si含量小于或等于0.12%表10-27 钢锻件的常温力学性能表10-28 JB4726对钢锻件高温屈服强度的规定表10-29 15CrMo钢锻件的许用应力(八)35CrMo钢锻件表10-30化学成分注:对真空碳脱氧钢,允许Si含量小于或等于0.12%表10-31 钢锻件的常温力学性能表10-32 JB4726对钢锻件高温屈服强度的规定表10-33 钢锻件的许用应力(九)12Cr1MoV钢锻件表10-34化学成分注:对真空碳脱氧钢,允许Si含量小于或等于0.12%表10-35 钢锻件的常温力学性能表10-36 JB4726对钢锻件高温屈服强度的规定表10-37 钢锻件的许用应力(十)12Cr2Mo1 钢锻件注:对真空碳脱氧钢,允许Si含量小于或等于0.12%表10-38 钢锻件的常温力学性能表10-39 JB4726对钢锻件高温屈服强度的规定表10-40 钢锻件的许用应力(十一)1Cr5Mo钢锻件表10-41化学成分注:对真空碳脱氧钢,允许Si含量小于或等于0.12%表10-42 钢锻件的常温力学性能表10-43 GB150 标准推荐的高温屈服强度表10-44 钢锻件的许用应力11.低温钢锻件表11-1 中国常用钢号(一)20D 钢锻件表11-2 钢的化学成分表11-3 钢锻件的常温拉伸和低温冲击性能表11-4 钢锻件的许用应力(二)16MnD 钢锻件表11-5化学成分表11-6 钢锻件的常温拉伸和低温冲击性能表11-7 钢锻件的许用应力(三)09Mn2VD 钢锻件表11-8化学成分表11-9 钢锻件的常温拉伸和低温冲击性能表11-10 钢锻件的许用应力(四)09MnNiD 钢锻件表11-11化学成分表11-12 钢锻件的常温拉伸和低温冲击性能表11-13 钢锻件的许用应力(五)16MnMoD 和20MnMoD 钢锻件表11-14 钢的化学成分表11-15 钢锻件的常温拉伸和低温冲击性能表11-16 钢锻件的许用应力(六)08MnNiCrMoVD 钢锻件表11-17化学成分表11-18 钢锻件的常温拉伸和低温冲击性能表11-19 钢锻件的许用应力(七)10Ni3MoVD 钢锻件表11-20化学成分表11-21 钢锻件的常温拉伸和低温冲击性能表11-22 钢锻件的许用应力12.不锈钢锻件(一)0Cr13和1Cr13钢锻件(二)0Cr18Ni9和00Cr19Ni10钢锻件(三)0Cr17Ni12Mo2和00Cr17Ni14Mo2钢锻件(四)1Cr18Ni9和0Cr18Ni10Ti钢锻件(五)00Cr18Ni5Mo3Si2钢锻件13.超高压容器锻件1、34CrNi3MoA钢化学成分2、34CrNi3MoA钢锻件的力学性能14.螺柱用钢材(一)Q235-A镇静钢(二)35钢(三)螺柱用合金结构钢15.碳素钢和低温合金钢铸件(一)ZG200-400H铸钢(二)ZG230-450H铸钢(三)ZG275-485H铸钢16.不锈钢铸件(一)ZG1Cr13铸钢(二)ZG0Cr18Ni9和ZG00Cr18Ni10(三)ZG1Cr18Ni9Ti和ZG0Cr18Ni9Ti铸钢(四)ZG0Cr18Ni12Mo2Ti铸钢。
Q345B力学性能报告根据题目要求,以下是关于Q345B钢材力学性能的报告,该报告将探讨Q345B钢材的拉伸性能、冲击韧性和弯曲性能。
首先,我们将从拉伸性能方面进行讨论。
拉伸试验是评估材料强度和延展性的常用方法。
Q345B钢材的拉伸强度为:最小屈服强度345MPa,抗拉强度470-630MPa,断裂伸长率在大于21%。
这些数据显示Q345B钢材具有较高的屈服强度和抗拉强度,且断裂伸长率相对较好。
这表明Q345B钢材在承受外部载荷时具有较高的强度和延展性,能够有效避免变形和破坏。
接下来,我们将讨论Q345B钢材的冲击韧性。
冲击韧性是材料抵抗冲击载荷时吸收能量的能力。
对于结构材料而言,较高的冲击韧性可以提高材料的耐用性和安全性。
Q345B钢材的冲击韧性通常通过吸收能量的冲击试验来评估。
根据试验结果显示,Q345B钢材的吸收能量通常在34-40J之间。
这些结果表明Q345B钢材具有良好的冲击韧性,能够在受到冲击载荷时吸收大量能量,从而降低结构的破坏风险。
最后,我们将讨论Q345B钢材的弯曲性能。
弯曲性能是材料在弯曲载荷下的变形能力。
对于一些工程应用,如桥梁和建筑结构,材料的弯曲性能至关重要。
根据Q345B钢材的实验结果,该材料具有较好的弯曲性能。
当受到弯曲载荷时,Q345B钢材的变形能力较高,不易发生断裂和破坏,可保持结构的完整性和稳定性。
综上所述,Q345B钢材具有较高的屈服强度和抗拉强度,且具有良好的断裂伸长率、冲击韧性和弯曲性能。
这些力学性能使得Q345B钢材在结构工程中具有广泛的应用潜力。
然而,在实际应用中,需要根据具体情况进行合理设计和施工,以确保钢材的力学性能得到最大限度的发挥。
钢材的质量等级abcd依据钢材的质量等级是衡量钢材质量的重要指标,而钢材的质量等级abcd依据则是为了保证钢材在使用过程中具有较高的耐久性和可靠性。
本文将从钢材的力学性能、工艺性能、耐腐蚀性能以及安全性等方面,详细阐述钢材的质量等级abcd依据。
首先,钢材的力学性能是衡量其质量等级的一个重要指标。
钢材的力学性能通常包括屈服强度、抗拉强度、抗压强度和伸长率等。
其中,屈服强度和抗拉强度是评价钢材刚度和抗拉强度的重要指标,而抗压强度和伸长率则是评价钢材韧性和延展性的重要指标。
这些指标越高,说明钢材的力学性能越好,质量等级也越高。
其次,钢材的工艺性能也是其质量等级评价的重要指标。
钢材的工艺性能包括可焊性、可加工性和可淬性等。
可焊性是指钢材在焊接过程中是否会出现焊接性断裂,可加工性是指钢材在加工过程中是否会出现加工性损伤,而可淬性则是指钢材在淬硬性加工后是否会出现淬硬性回火裂纹。
这些指标越高,说明钢材的工艺性能越好,质量等级也越高。
再次,钢材的耐腐蚀性能也是其质量等级评价的重要指标。
钢材的耐腐蚀性能包括耐大气腐蚀性、耐水腐蚀性、耐酸腐蚀性等。
这些指标越高,说明钢材在腐蚀环境中具有更好的耐腐蚀性能,质量等级也越高。
最后,钢材的安全性也是其质量等级评价的重要指标。
钢材的安全性包括表面质量、可燃性、毒性等。
其中,表面质量越高,说明钢材的表面质量越好,安全性也越高。
综上所述,钢材的质量等级abcd依据主要是为了保证钢材在使用过程中具有较高的耐久性和可靠性。
钢材的质量等级越高,表明其屈服强度、抗拉强度、抗压强度和伸长率等指标越高,而且其工艺性能、耐腐蚀性能和安全性能也越好。
35号钢:一、热处理状态:正火、回火1、截面尺寸≤25平方毫米:抗拉强度:54公斤/平方毫米;屈服点:32公斤/平方毫米;伸长率:≥20%;断面收缩率:≥45%;冲击韧性:7公斤米/平方厘米;HB:热轧钢≤187。
2、截面尺寸≤100平方毫米:抗拉强度:52公斤/平方毫米;屈服点:27公斤/平方毫米;伸长率:≥18%;断面收缩率:≥43%;冲击韧性:3.5公斤米/平方厘米;HB:≤149-1873、截面尺寸>100-300平方毫米:抗拉强度:50公斤/平方毫米;屈服点:26公斤/平方毫米;伸长率:≥18%;断面收缩率:≥40%;冲击韧性:3.0公斤米/平方厘米;HB:≤149-1874、截面尺寸>300-500平方毫米:抗拉强度:48公斤/平方毫米;屈服点:24公斤/平方毫米;伸长率:≥17%;断面收缩率:≥37%;冲击韧性:3.0公斤米/平方厘米;HB:≤143-1875、截面尺寸>500-750平方毫米:抗拉强度:46公斤/平方毫米;屈服点:23公斤/平方毫米;伸长率:≥16%;断面收缩率:≥32%;冲击韧性:2.5公斤米/平方厘米;HB:≤143-1876、截面尺寸>750-1000平方毫米:抗拉强度:44公斤/平方毫米;1 / 2屈服点:22公斤/平方毫米;伸长率:≥15%;断面收缩率:≥28%;冲击韧性:2.5公斤米/平方厘米;HB:≤137-187二、热处理状态:调制1、截面尺寸≤100平方毫米:抗拉强度:55公斤/平方毫米;屈服点:30公斤/平方毫米;伸长率:≥19%;断面收缩率:≥48%;冲击韧性:6.0公斤米/平方厘米;HB:≤156-2072、截面尺寸>100-300平方毫米:抗拉强度:54公斤/平方毫米;屈服点:28公斤/平方毫米;伸长率:≥18%;断面收缩率:≥40%;冲击韧性:5.0公斤米/平方厘米;HB:≤156-2071温馨提示:最好仔细阅读后才下载使用,万分感谢!。