海德堡保养细则
- 格式:doc
- 大小:93.00 KB
- 文档页数:15
xxCD102常规保养规程
一、每日保养
1、下班前清洗所有滚筒表面及滚枕。
2、刮xx装置下班前清洗干净。
3、各机组刮墨器清洁干净。
4、机身和踏板要清洁干净。
5、下班前将墨路硬塑墨辊表面xx清除。
6、清洗橡皮滚筒、压印滚筒的废液要倒掉。
二、每周保养
1、传动侧供气冷凝水要排放干净。
2、各机组传动侧水辊和计量辊三个油嘴打油。
3、机器驱动面拉规装置一个油嘴打油。
4、所有牙排油嘴打油。
5、收纸牙排及吸气辊上喷粉清扫干净。
6、各电眼、检测器清洁干净。
三、每月保养
1、输纸机转动侧妨护门后链条两个油嘴打油。
2、飞达进纸处两个朝前的辊子各二个油嘴打油。
3、输纸台下满驱动链条加油。
4、台板输送带和相关轴的轴套刷油。
5、各牙排凸轮表面各一个油嘴打油。
6、润版单元计量辊驱动一个油嘴打油,水斗辊和计量辊的驱动齿轮上油。
7、墨路单元串动辊子杆轴承两侧各一个油嘴打油,水墨斗辊的控制杆一个油嘴打油。
8、收纸单元吸气带三个油嘴打油。
9、上光单元水都辊驱动面两个油嘴打油,水斗辊调节处两侧上油,水斗辊驱动齿传动侧海。
10、墨辊、水辊及橡皮布清洗装置部分拆卸进行清洗。
11、冷冻水箱进行全面清洗。
12、每周保养内容同时进行。
四、手工润滑
1、红色每天润滑一次。
2、黄色每周润滑一次。
3、蓝色每周润滑一次。
4、绿色每六个月润滑一次。
胶印机滚筒维护保养方法现代企业制度要企业领导重视对职工的技术培训工作,把此工作列入年度计划中去,分期分批对职工进行技术理论培训,用规范化、数据化、标准化来严格工艺技术管理,以上的事故,主要是在工艺管理上没有控制好版面水分和水斗溶液pH值浓度,管理不到位,胶印机台人员想怎么做就怎么做,是人为造成事故的原因。
加强企业内部工艺技术管理,提高职工技术素质,讲究工作质量,就能保证产品质量。
一、印版滚筒表面应涂铬和镍四色海德堡胶印机和八色胶轮,印版滚筒如果表面是涂锌或铁,那么金属锌或铁都会与水斗溶液里的酸起化学置换反应(生锈、氧化),滚筒体不能紧贴衬垫物和印版,如滚筒面长期泡在酸液里,肯定会产生腐蚀生锈,如果印版滚筒体改成涂铬或涂镍就绝对不会产生以上的事故。
二、水斗溶液不应渗透到印版滚筒体表面机台上的操作员工,如果没有按照装版操作工艺技术规范要求去做,印版衬垫(0.3mm厚的涤纶片剂,俗称炮底胶)衬得不平整或破损后没及时更换新的,导致印版在印版滚筒上不平整不服贴,特别是破损后的衬垫与上面印版及下面印版滚筒体的两端不吻合,把酸性水斗溶液渗透到印版滚筒体表面。
酸性水斗溶液与印版滚筒表面接触,必然造成印版滚筒体表面腐蚀生锈。
装版一定要把印版紧贴衬垫,衬垫紧贴滚筒体表面,它们之间不能有任何间隙,这样就可完全避免酸性水斗溶液渗透到印版滚筒体表面,印版滚筒就不会腐蚀生锈。
三、水斗溶液pH值没控制好,酸性太强在胶印印刷工艺中,机台人员应严格控制水斗溶液的浓度,操作工艺中,应在满足图纹清晰、版面空白无油腻、版面不脏不糊的前提下,pH值控制在5~6.5之间为佳,在强酸中印刷,还会产生印版耐印率低、油墨乳化值高,印刷品油墨不易干燥而引起背面粘脏、墨色暗淡无光亮不鲜艳等。
四、版面水分太大胶印印刷过程中,机台操作工没能严格控制印版表面水分,因为水分控制略大,印版不易显脏,水分控制较少,一旦受气候或外部环境的影响,印版很容易挂脏,产品会报废。
本文摘自再生资源回收-变宝网()维护保养海德堡印刷机的方法海德堡印刷机在市面上占有很大份额,以其高性能俘虏了广大用户。
那么,海德堡印刷机使用过后如何维护和保养达到延长使用期限的作用?一、维护保养印刷机是印刷厂所有设备中利用率最高的设备之一。
保证印刷机的正常运转,日常维护和保养是必不可少的也是非常必要的。
下面从以下几个方面简单谈一谈机器的日常维护与保养。
二、静态保养印刷机的静态保养是指机器处于静态状态下对机器进行的保养。
1、建立机器保养的规章条例。
胶印机保养应以机器的说明书为准。
如定期换油、清洗过滤器、定期检测机器精度等。
2、加强重要部件的保养。
齿轮、凸轮、链轮、滚筒和轴承这些部件是印刷机上最重要的部件,对它们的保养要有别于其它部件,因为它们精度的变化将影响设备运行的效果。
弹簧是机器上用于力平衡机构最多的部件,它们工作的好坏直接决定了运动部件相互配合的精度高低,弹簧一定要有敏弹性,而滞弹性和不可恢复的塑性变形对弹簧的工作是极其不利的。
如发现以上问题需要立即对弹簧进行更换。
3、进行技术改革,加强机器保养。
机器保养要求机器在设计的时候充分考虑到机器保养的方便。
但是由于印刷机的复杂性,把每个因素都考虑到显然是不可能的,而且环境变化,机器保养的内容也会有所变化。
因此要对那些不利于机器保养的结构在不影响正常工作的前提下加以改进。
三、动态保养印刷机的动态保养是指印刷机处于动态状态下对机器进行的保养。
机器静态保养是机器动态保养的前提,同时机器的动态运转又能够反过来检测机器静态保养的水平。
机器的动态保养是相当重要的。
下面从几个方面来分析机器动态下应保养的主要内容。
1、机器准备状态检测。
机器的准备状态如何,可通过点动或盘车来检测。
如工具等其它物品卡在机器内;印版安装位置是否合适,如果不合适则有可能使印版损坏或给找规矩带来极大困难;橡皮布安装是否合适,如果不合适,则有可能造成印刷故障,严重时可能使或机器损坏。
2、机器的润滑状态。
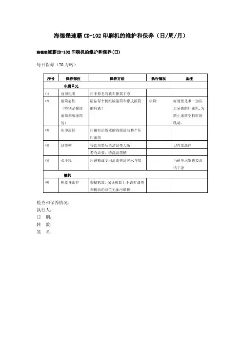
海德堡速霸CD102维护保养~,海德量遮霸CD102每日保养细则1清洁所有大滚筒(版滚筒,橡皮滚筒,压印滚筒)滚枕.2洗墨刮刀,每次洗完后需清洁附着于橡皮刮刀上的脏物.3.清洁输纸装置板下的电眼.4.自动洗橡皮布及洗压筒装置容器.5.未开电前检查单元循环油是否在上下限间.6.放掉高压空气压力表集水玻璃杯中的水.并检查工作压力6一5bayo7每日清洁保护酒精水槽.8.每日用恢复液来保护清洗橡皮布.9以风压吹轨道拉规座下.二,海德量速霸CO102每周保养细则1给酒精水槽辊及钢辊传动齿轮上黄油孔上油.2给齿轮边版滚筒圆周方向调整装置上的机油孔上油.3.给收纸牙排系统之凸轮上的黄油孔上油.4.清洁吸风轮.5检查链条油油量.6.清洁吸风轮及纸尾整平器之吸风的滤清器7.给水循环系统更换水及清洁滤清器.8清洁静电消防器.9.清理并保养输纸装置头.l0.清理中央髀气滤网△型宙型. lI.检查胶片(CPC)是否破损.三,海德量遮霸CD102输纸装置每月保养细则1给齿轮边保护门后的黄油孔上油.2.给前导轮上的机油孔上油.3输纸装置传运链条(输纸装置板下)用机油淋油.4.给输纸装置皮带的转动轴(于输纸装置之前后端)黄油孔上油.5给昕有牙排的张台油嘴上油. 6.清洁所有气泵鼢昔器瞎醐听型的中央供气,需清洁后盖两边入口). 四,海德量遮霸CD102每月保养细则l2给3给收纸系统的收纸牙排中间及左右两端的黄油孔上油.(链条轨导润滑油:LA8.o05803275)4给吸风袍上的黄油孔上油.5.给上光系统的水槽辊黄油孔上油.6.将自动洗橡皮布系统所有装置拆下并清洁.7清洁红外线灯管及反射罩.(洗墨刮刀:41010.180/M,洗橡皮布刮刀≈81.205.123/02).五,海德量遮霸CD102每季保养细则1给昕有牙排上的打油孔上油.2给所有油式气泵更按机油(视配备而定).3.检查主马达碳剧.4.干式气泵检壹碳剧片(视配备而定).5.拆下所有水墨辊进行清洁并检查表面及直径,重新调整水曼辗匿力6以六,海德量遮霸CD102输纸装置每半年保养细则1清洁输纸装置头风量分配闷(保养油oo58o.261[).给前导轮传动轴的打油孔上油.2.给边规传动轴上的打油孔上油(操作边).七,海德量速霸CD102每半年保养细则1.给水墨混台辊上的打油孔E油. 2给匀墨辊打油孔上油.3.清洁底座.4.测试所有安全装置.5检查传动皮带紧度.八,海德量遮霸CD102每年保养细则2若中央润滑油的机油滤清器显示红色时需拆下清洁.3.随时注意外部清洁圈(弗-'蔓印捌t提*)量H壬■l■I/事丹广东印尉2OOO/249一一。
印刷机的保养(一)主机的保养对于印刷机的保养,一般按机器本身的性能及运动副的特点可分为日保养、周保养、月保养及年保养。
这里以海德堡印刷机为例,谈谈印刷机主机的保养。
一、日保养1.飞达部分①各吹嘴、吸嘴的清洁、检查,用干布擦拭,注意不能将油粘在吹嘴、吸嘴上:②气管及气阀的清洁、检查:③进纸压轮及输纸板压纸轮的清洁、检查:④前规及其上挡片的清洁;⑤侧规及压轮的清洁、检查:⑥前规、侧规处控制电眼的清洁。
2.印刷部分①印版滚筒、橡皮滚筒及压印滚筒的清洁(不必卸版及橡皮布);②三大滚筒滚枕及滚枕清洁器的清洁、检查,将清洁器加少许机油;③润湿系统的检查;④清洁全部水辊;⑤清洁回水过滤器:⑥将墨路喷上防干剂。
3.收纸部分①收纸导纸板上的气孔清洁;②收纸链条的检查.并测试加油系统:③收纸纸尾减速风路及过滤器的清洁:④收纸机观察玻璃的清洁。
4.其他部分①全机机身、踏板及附属设施的清洁;②空压机及高压气路的维护,并放冷凝水:③主马达、各风泵、各链条的检查;④工具归位。
1.飞达部分①输纸皮带的检查(检查根数不少于6根)②输纸板的检查,调节输纸压轮的压力:③前规、侧规电眼的灵敏度检查。
2.印刷部分①卸下印版,清洁并检查印版及衬垫;②拆下橡皮布.更换橡皮布衬纸并清洁橡皮滚筒;③彻底清洁墨斗,更换墨斗上边的PVC片及两侧的密封海绵条;④用换色膏洗车,彻底清洁所有水,墨路(不必拆水、墨路)⑤水箱换水并清洁制冷机;⑥清洁水斗槽、回水管及水箱里的酒精稳定器:⑦洗车后清洁洗车刮刀。
3.收纸部分①检查清洁纸尾减速轮、消卷风孔,并彻底清洁其过滤器:②清洁喷粉管上的喷粉孔.检查喷粉机的工作情况;③清洁收纸链排及开牙凸轮。
4.其他部分①主马达的清洁(过滤网及碳刷部分);②空压机及各油泵的油位检查,包括油的充填:③按“润滑表”对所有规定每周加油有眼加油或油脂。
1.飞达部分①分纸吸风头旋转阀清洁、检查;②全部输纸机清洁、检查。
2.印刷部分①更换墨路②更换水路③清洁全部牙排.调整检查叼牙。
海德堡色彩管理客户前期准备、执行及保持维护色彩管理的终极目标就是让所有的技术人员更深入的了解印刷,了解影响色彩还原的因素和解决方法。
做到有能力提前预知,有能力提前预防。
为什么要做色彩管理1:在屏幕上看来漂亮的色彩,在印刷后却晦暗浑浊,黯然失色,与屏幕所见到的却是两回事。
2:一幅图用彩色打印机打印时颜色令人满意,而印刷时则颜色灰暗。
3:同样的数据在不同的设备上得不到同样的颜色。
4:不能确定客户的文件印刷出来是什么样子(不可预见)。
5:需要多次打样调色,才能追到客户的标准色样,浪费了成本,延误了交样时间,影响了客户的信任度。
色彩管理系统的目的,就是通过对所有设备的管理、补偿和控制这些设备间的差别,以得到精确的可预测的色彩。
一个色彩管理系统应该包括:1.一个色彩匹配处理程序。
即色彩管理模块。
2.一个与设备无关的色彩空间。
通常叫做参考色彩空间或特性文件连接空间,在转换过程中起着连接的作用。
3. 设备特性文件。
设备特性化是用以界定输入设备可辨识的色域范围与输出设备可复制的色域范围的工作,并将不同设备之间RGB或CMYK的色彩与CIE所制定的设备色彩建立设备色彩与设备独立色彩间的色彩转换对应文件,该文件被称为设备特性文件。
满足三大特性:高度可预见性高度可还原性高度一致性核心工作:a.实现屏幕打样的印刷色彩模拟b.实现数码打样的高度色彩还原c.实现印刷机的可重复操作性。
稳定压倒一切!!!项目开始前明确目的:1.参照国标,确立公司的印刷标准;2.找准CTP制版的线性,确立出版的要求;3.确立印刷机的各类参数,以书面形式做记录;4.得到公司自己的标样,围绕此标样进行数码打样的线性校正与参数设置,并得到印刷机的ICC;5.正确设置工作流中的色彩参数匹配,尽可能实现“所见即所得”;数据的建立生成与正确的调用;7.发掘可能存在的问题,找出解决方案。
什么是印刷色彩管理• 它一种方法校准整个从印前到印刷流程• 目标是使流程标准化,允许以最小的损耗达到希望的印刷结果• 包括培训操作人员色彩管理的核心在于色彩校正技术维持色彩稳定的核心在于标准化作业的执行只有将材 料、印 刷 机、及 环 境都做到标准化了,才可能谈得上印刷品质的稳定控制,因为这是保证产品质量的基础。
HD102型海德堡四色胶印机技术标准───────────────────────────────1. 主题内容及范围本标准规定了海德堡胶印机的技术要求.维护保养和操作规程.•润滑要求。
适用本厂胶印车间使用的HD102型四色胶印机。
2. 引用标准使用说明书。
3. 技术要求3.1 印刷工艺要求(单位毫米)3.1.1 最大印刷纸张尺寸: 710*1020. 最小印刷纸张尺寸: 360*5203.1.2 最低印刷速度: 2800张/小时. 最高印刷速度: 10000张/小时3.1.3 印刷面积: 690*10203.2 主要部件技术参数3.2.1 压印.橡皮.版辊筒的辊枕直径为270毫米。
3.2.2 压印辊筒直径为269.3毫米, 调整间隙为+-0.35。
3.2.3 橡皮辊筒直径为263.6毫米, 调整间隙为0-0.05 (垫层为3.2毫米)。
3.2.4 版辊筒直径为269毫米, 调整间隙为0.1-0.3 (垫层为0.5毫米)。
4. 操作规程4.1 一般的要求4.1.1 上机操作人员需要经安全培训考试合格后方可上机.应正确穿戴劳防用品,不得敞衣穿拖鞋操作。
不带任何物品上机工作,以防物体落入机内。
4.1.2 要确保机器周围和通道畅通,地面环境整洁无油污和积水,•不准将物品、工具堆放在机帮.梯子.踏脚板上。
卸下的胶辊和附件应放在专门的胶辊架上和安全的地方,不准依靠在机器的任何地方,以免倒下伤人。
4.2 印刷和操作4.2.1 在启动机器时,应明确发出信号,•在各岗位人员准备完毕后方可开机.各岗位人员在装卸印版.橡皮或调整机件.维护保养时必须关闭保险以防他人动机伤人。
4.2.2 在对机器各部件作机械校调.调换印版.橡皮及拆卸胶辊时,只能用点动或慢速进行。
不准在机器上抛.扔转递工具或物品.不得做易出危险的冒险动作。
4.2.3 在机器运转中不清洗和调整所有转动部分的零部件,不准用手或布去擦摸胶辊上的墨迹杂物。
必须停机进行处理。
印刷机的保养(一)主机的保养对于印刷机的保养,一般按机器本身的性能及运动副的特点可分为日保养、周保养、月保养及年保养。
这里以海德堡印刷机为例,谈谈印刷机主机的保养。
一、日保养1.飞达部分①各吹嘴、吸嘴的清洁、检查,用干布擦拭,注意不能将油粘在吹嘴、吸嘴上:②气管及气阀的清洁、检查:③进纸压轮及输纸板压纸轮的清洁、检查:④前规及其上挡片的清洁;⑤侧规及压轮的清洁、检查:⑥前规、侧规处控制电眼的清洁。
2.印刷部分①印版滚筒、橡皮滚筒及压印滚筒的清洁(不必卸版及橡皮布);②三大滚筒滚枕及滚枕清洁器的清洁、检查,将清洁器加少许机油;③润湿系统的检查;④清洁全部水辊;⑤清洁回水过滤器:⑥将墨路喷上防干剂。
3.收纸部分①收纸导纸板上的气孔清洁;②收纸链条的检查.并测试加油系统:③收纸纸尾减速风路及过滤器的清洁:④收纸机观察玻璃的清洁。
4.其他部分①全机机身、踏板及附属设施的清洁;②空压机及高压气路的维护,并放冷凝水:③主马达、各风泵、各链条的检查;④工具归位。
1.飞达部分①输纸皮带的检查(检查根数不少于6根)②输纸板的检查,调节输纸压轮的压力:③前规、侧规电眼的灵敏度检查。
2.印刷部分①卸下印版,清洁并检查印版及衬垫;②拆下橡皮布.更换橡皮布衬纸并清洁橡皮滚筒;③彻底清洁墨斗,更换墨斗上边的PVC片及两侧的密封海绵条;④用换色膏洗车,彻底清洁所有水,墨路(不必拆水、墨路)⑤水箱换水并清洁制冷机;⑥清洁水斗槽、回水管及水箱里的酒精稳定器:⑦洗车后清洁洗车刮刀。
3.收纸部分①检查清洁纸尾减速轮、消卷风孔,并彻底清洁其过滤器:②清洁喷粉管上的喷粉孔.检查喷粉机的工作情况;③清洁收纸链排及开牙凸轮。
4.其他部分①主马达的清洁(过滤网及碳刷部分);②空压机及各油泵的油位检查,包括油的充填:③按“润滑表”对所有规定每周加油有眼加油或油脂。
1.飞达部分①分纸吸风头旋转阀清洁、检查;②全部输纸机清洁、检查。
2.印刷部分①更换墨路②更换水路③清洁全部牙排.调整检查叼牙。
3.收纸部分①对全部收纸机进行吸尘;②检查、调整收纸牙排;③检查收纸链条润滑情况并添加润滑油。
4.其他部分①检查润滑主油箱油位及油过滤器:②电源柜的清洁和吸尘;③清洁各接水盘和接油盘:④疏通各排油管及排油槽;⑤按“润滑表”对所有规定月加油的部位加油及油脂。
四、年保养1.飞达部分①到纸时间的检查、调整;②飞达与主机间传动链条的检查与调整。
2.印刷部分①检查并调整所有的叼牙力;②检查所有水墨路轴承并更换老化的轴承;③清洁、检查版夹并检查其叼力;④清洁橡皮布夹:⑤检查压印滚筒及递纸滚筒开牙球。
3.收纸部分①检查、调整收纸链排的松紧;②检查开牙凸轮的磨损情况。
4.其他部分①主油箱换油:每机组不少于1 5升油;②水箱制冷机的检查.并充填制冷剂:③其他所有气路、水路、油路的疏通检查:④按《润滑手册》对要求加油的部位加机油及油脂。
注:如果是新机器,运转一个月(或满2500小时)需换油,以后一年更换一次即可。
印刷机的保养(二)一、气泵目前.胶印机用的气泵有两种.一种是干式泵(如BECKER 系列和RIETSCHLE的TR系列);一种是油泵(RIETSCI"1LE的CLFG系列)。
1.干式泵是通过石墨片旋转滑动产生高压气流给印刷机供气,其一般保养项目有以下几种。
①每周清洁泵进风口过滤器,打开压盖,取出过滤芯.用高压风清洁;②每月清洁马达散热扇和气泵调压阀:③每3个月对轴承进行加油.用黄油枪向油嘴加指定品牌的黄油;④每半年检查石墨片的磨损情况,拆开外罩取出石墨片.用游标卡尺测量其尺寸,并清洁整个气腔;⑤每年(或工作2500小时)进行1次大型检修.将全机拆开,清洁,检查。
2.油泵是通过不锈钢弹簧片在气腔内旋转滑动产生高压气流的泵,不同于干式泵的是油泵是通过油来完成降温.过滤及润滑的。
其保养项目有以下几项。
①每周检查油位,看是否需要填充(要关掉电源让油回流完后观察);②每周清洁进风口过滤器,打开盖板.取出滤芯,用高压风清洁;③每月清洁马达散热扇;④每3个月换1次油,将油泵油腔内的油完全倒出,清洁油腔,再加入新油,其中新机工作2周(或100小时)就应换油:⑤每工作1年(或2500小时)进行1次大型检修.检查各主要磨损部件的磨损情况。
二、空气压缩机在胶印机中,水墨路、离合压等的气压控制动作是由空气压缩机供给高压气来实现的。
其保养项目有以一几种。
1.每日检查压缩机油位.不能低于红线标志位;2.每日排放储气罐中的冷凝水;3.每周清洁进风口过滤器芯.用高压风吹:4.每月检查传动皮带松紧.用手指下压皮带后,其弹动范围应为1 O~1 5mm;5.每月清洁马达及散热片;6.每3个月换1次油.而且彻底清洁油腔(如果是新机,工作2周或100小时需换油);7.每年更换进风口过滤器芯:8.每工作1年检查气压下降(漏气)情况,具体方法是关掉所有的供气设施,让空压机旋转打足气,观察30分钟,如果压力下降超过10%,就要检查压缩机各密封件,并更换损坏的密封件;9.每工作2年大修1次,拆开进行全面检查维修。
三,喷粉设备不论是海德堡印刷机用的GRAFIX的Betatronic100、Jumor 或Exactornat系列.还是小森机用的TOHO SEIKI TB一32RZ 型喷粉机,都是用高压气.在收纸机周期性收纸的控制下.将喷粉机中的喷粉吹到收纸机上方.通过喷粉小孔喷到印刷品表面。
其保养项目有以下几种。
1.每周清洁气泵过滤器芯;2.每周清洁喷粉控制凸轮.在收纸链条轴上.感应凸轮会因积太多粉尘而失去其周期性准确度的控制,所以要定期清洁; 3.每月清洁马达及散热扇;4.每月疏通喷粉管,必要情况下拆下来用高压气吹或高压水来冲洗,收纸机上方的喷粉小孔用针疏通;5.每月清洁喷粉容器及搅拌器,将粉全部倾出,按下喷粉机上的“TEXT”键.则会吹出容器内的残渣;6.每6个月检查泵石墨片磨损情况;7.每工作1年对压力气泵进行大型检修。
四,主电柜主电柜是全机的动力中心,如果散热不好,主机会自动保护停机,散热不良会引起火灾。
1.每月清洁主线路上的开关处的粉尘,用吸尘器吸.高压气吹:2.每月清洁可控硅整流装置及散热扇的粉尘;3.每月清洁主线路上排风扇处的粉尘。
保养时一定要切断供电电源.印刷机的主电源关掉后,电柜内还有一部分器件带电,所以要多加注意。
五、主油箱现在的胶印机均采用雨淋式润滑方式润滑,要求主油箱有一泵将油压到各机组.再淋到齿轮等传动件上润滑。
1.每周检查主油箱油标位,不能低于红色标志线。
由于要让压到各个机组的油回到油箱,一般需要关掉电源2~3小时后观察;2.每月检查油泵工作情况,泵吸管头上的过滤网及油过滤器芯是否老化:3.每半年更换过滤器芯,新机工作300小时或1个月后需更换过滤器芯。
方法:关掉主电源,下边放一容器,旋下过滤器体,取出过滤芯,将新的过滤器芯放入,注满同样型号的新机油,旋上过滤器体,开电试机。
4.每年更换1次油,彻底清洁油箱,疏通油管,并更换吸油管过滤网。
新机工作300小时或1个月就应换1次油,此后1年换1次即可。
六、收纸链条加油装置收纸链条由于在高速、重载的状态下工作,所以要有周期性加油装置。
保养项目有以下几种。
1 .每周检查油位,及时补充;2.每月检查油路,疏通油管;3.每半年清洁油泵一次。
印刷机的保养(三)在胶印中水十分重要.随着胶印机自动化程度的进一步提高,对供水的要求也越来越高,因此很多厂商又生产出高效且自动化程度高的水箱。
例如海德堡印刷机用BALDWlN RCW L.831、832系列和TECI-INOTRANS FK—C 2000L.1000L .系列;小森印刷机采用BA LDWIN NBAL.CONTROL .730;曼罗兰印届9机采用TECIHINOTRAixJS系列。
一、水箱的构成不论哪一种水箱,其基本结构都相似。
一般由5大部分构成:1.循环装置,指由水箱给印刷机润湿系统供水,然后,再回流到水箱的全部装置;2.水的补充装置,完成印刷中耗水的补充;3.酒精的充加系统;4.水斗液的充加系统;5.制冷系统。
二、胶印对水的要求现在的胶印机几乎均用酒精润湿方式润湿。
在酒精润版系统中,润版液由酒精、水斗液和水组成,并由水箱自动将三者按一定比例混合成可满足印刷要求的润版液。
在印刷中对所需的润版液有以下几个方面的要求:①硬度小于1 5度;②pH值在4.7~5.3之间;③电导率在700~1700之间;④酒精浓度在5%~1 5%之间;⑤润版液温度在8~1 2度之间。
三、水箱的保养如果胶印中的润版液不能满足以上任意一个参数都会产生很多问题。
例如硬度过高,会由于水中大量的钙、镁离子沉积到印刷机的水辊、墨辊上,使辊子表面晶化.产生严重的传水、传墨不良现象;如pH值过高,印刷时会产生严重的水墨乳化现象。
所以,控制好每一个参数是水箱管理的必要条件。
1.换水由于印刷中会有大量的喷粉、纸粉等杂物进入润版液,使其性能改变,所以要求每周要放掉所有的循环润版液.对润湿系统进行全面清洁,并换新水。
2.水的软化如果印刷公司本地水的硬度大于15度.则要求对水进行软化。
一般软化装置有阴阳离子交换器、阳离子交换器与反渗透装置等。
这些装置要及时清理,特别是由于钙、镁离子的增加会使沉淀物沉积在容器壁上.因此必须定期按说明书进行清理与保养。
3.水的循环装置水被泵抽到印刷机的润湿系统中.然后经副水箱回到主水箱。
保养项目有以下几点。
(1)水辊每日至少要清洁2次,每隔4小时一次.以减少粉尘与残墨回流入水箱;(2)水槽每日清洁一次;(3)每日保养清洁回水过滤网;(4)每周换水时清洁进清水过滤网;(5)循环管每月至少彻底清洁一次,步骤为:①关掉电源及供水补充阀门;②在主水箱处断掉水箱的回水管,插接到一个容器里(体积要足够)。
如果有副水箱,只要关掉主水箱与副水箱间的泵即可;③将20升70~80℃的温水由水槽的回水管孔注入;④将泵移入容器中循环(容器一泵一上水管一机器一回水管一容器);⑤换新的温水再清洁一次。
要注意的是,一定不能将热水注入主水箱中,否则会造成温度传感器不准,严重时会造成温控失灵。
(6)循环泵的保养,每月清洁一次。
①马达冷却扇的清洁。
长时间不清洁会造成马达卡死,从而导致马达因过热而烧毁;②循环泵叶片的清洁。
一些油墨、纸张中的杂质与水中的钙、镁离子形成沉淀物沉积在叶片上.因此,要拆下叶片,加以清洁。
4.酒精稳定装置其工作原理如下:由于润版液中酒精含量不同,则浮瓶受到的浮力不同,因此.浮瓶浸入溶液中的体积就不同,瓶的高低位置使电磁阀接通与断开.进而打开与关闭加酒精装置。
酒精的吸入由高压原理完成,外接水源压力很大(一般为1~4bar)。
在这样的压力下水流速度很大,从而使内部的气压低于外部气压,致使酒精在电磁阀打开的情况下进入水箱。