电子元件基础知识
- 格式:docx
- 大小:133.56 KB
- 文档页数:15
电子元器件基础知识大全
1、电子元器件
电子元器件是一种用于电子设备的基本元素,由电路板、电子集成电路、电容器、电阻器、变压器、晶体管和开关等组成。
它们可以用来控制电子设备的功能和性能。
2、电路板
电路板是电子元器件的基础,它是一种由电子元件连接在一起的平面结构,用于连接电子元件,以实现电子设备的功能。
3、电子集成电路
电子集成电路是由一组电子元件集成在一个小型的半导体器件上,它可以实现电子设备的多种功能。
4、电容器
电容器是一种电子元件,它可以存储电能,并在需要的时候释放出来。
它们常用于滤波器和电源线路中,以防止电路中的颠簸。
5、电阻器
电阻器是一种电子元件,它可以限制电路中通过的电流,以稳定电路的电压和电流。
它们常用于电源线路和控制电路中,以防止过载和短路。
6、变压器
变压器是一种电子元件,它可以将一个电压转换为另一个电压,以满足电子设备的需求。
它们常用于电源线路中,以提供不同
的电压。
7、晶体管
晶体管是一种电子元件,它可以控制电路中的电流,从而实现电子设备的功能。
它们常用于控制电路中,以控制电子设备的功能和性能。
8、开关
开关是一种电子元件,它可以控制电路中的电流,从而实现电子设备的开启和关。
电子元器件基础知识大全篇一:电子元器件基础知识第一讲电子元器件基础知识课程大纲:第一章电子元器件分类第二章集成电路的基础知识第三章集成电路的发展及分类第四章集成电路的命名第五章集成电路的封装第六章集成电路的第七章集成电路的品牌分销商第一章电子元器件分类第一节电子元器件分类●概念:●电子元器件分为两类:半导体、电子元件第二节行业概念●被动组件是电子产品中不可缺少的基本组件。
电子电路有主动与被动两种装置,所谓被动组件是不必接电就可以动作,而产生调节电流电压,储蓄静电、防治电磁波不干扰、过滤电流杂质等的功能。
相对应主动组件,被动足是在电压改变的时候,电阻和阻抗都不会随之改变。
被动组件可以涵盖三大类产品:电阻器、电感器和电容器。
●半导体分立器件主要包括半导体二极管、三极管、三极管阵列、MOS场效应管、结型场效应管、光电耦合器、可控硅等各种两端和三端器件。
●有源器件和无源器件简单地讲就是需能(电)源的器件叫有源器件,无需能(电)源的器件就是无源器件。
有源器件一般用来信号放大、变换等,无源器件用来进行信号传输,或者通过方向性进行“信号放大”。
电容、电阻、电感都是无源器件,IC、模块等都是有源器件。
●摩尔定律INTEL公司创建人之一戈登・摩尔的经验法则,他曾经这样描述:“随着芯片上的电路复杂度提高,元件数目必将增加,然而每个元件的成本却每年下降一半。
”摩尔定律看似非常简单,实则对于半导体工业的发展的指导意义深远。
一些分析家预测摩尔定律终将实效――一种自我激励的机制,只要半导体技术和经济的发展还能满足市场需要,摩尔定律还将继续生存下去,只不过是速度上的减缓。
第二章集成电路的基础知识第一节集成电路的基础介绍我们通常说的“芯片”是指集成电路,它是微电子技术的主要产品。
所谓微电子是相对“强电”、“弱电”等概念而言,指它处理的电子信号极其微小,它是现代信息技术的基础,我们通常所接触的电子产品,包括通讯、电脑、智能化系统、自动控制、空间技术、电台、电视等等都是在微电子技术的基础上发展起来的。
目录第一章电阻基础知识与检测方法1.1 基础知识1.1.1 分类1.1.2 主要性能指针1.1.3 命名方法1.1.4 选用常识1.2 检测方法与经验1.2.1 固定电阻器的检测1.2.2 水泥电阻的检测1.2.3 熔断电阻的检测1.2.4 电位器的检测1.2.5 正温度系数热敏电阻(PTC)的检测1.2.6 负温度系数热敏电阻(NTC)的检测1.2.7 压敏电阻的检测1.2.8 光敏电阻的检测第二章电容分类说明2.1 基础知识2.1.1 常用电容的结构和特点2.1.2 主要性能指标2.1.3 命名方法2.1.4 选用常识2.2 电容器检测的一般方法2.2.1 固定电容器的检测2.2.2 电解电容器的检测2.2.3 可变电容器的检测第三章晶体二极管基础知识及检测方法3.1 二极管基础知识3.1.1 二极管的主要参数3.1.2 常用二极管3.2 TVS的特性及主要参数3.2.1 TVS的特性曲线3.2.2 TVS的特性参数3.2.3 TVS二极管的分类3.2.4 TVS的选用技巧3.2.5 TVS与压敏电阻的比较3.3 二极管的选用常识3.4 二极管的检测方法3.4.1 普通二极1管的检测3.4.2 普通发光二极管的检测3.4.3 红外发光二极管的检测第四章三极管基础知识及检测方法4.1 晶体管基础4.4.1 晶体管基础4.4.2 晶体管的命名方法4.4.3 用万用表测试三级管一电阻基础知识与检测方法1.1 基础知识电阻器是电路组件中应用最广泛的一种,在电子设备中约占组件总数的30%以上,其质量的好坏对电路工作的稳定性有极大影响。
它的主要用途是稳定和调节电路中的电流和电压,其次还作为分流器分压器和负载使用。
1.1.1分类在电子电路中常用的电阻器有固定式电阻器和电位器,按制作材料和工艺不同,固定式电阻器可分为:膜式电阻(碳膜RT、金属膜RJ、合成膜RH和氧化膜RY)、实芯电阻(有机RS和无机RN)、金属线绕电阻(RX)、特殊电阻(MG型光敏电阻、MF型热敏电阻)四种。
电子元器件基础知识第一篇:电子元器件基础知识1. 电子元器件的种类电子元器件是指用于电子设备中的各种组件,包括半导体器件、电容器、电阻器、电感器、变压器、晶体管、二极管、三极管、集成电路等几十种,每种电子元器件都有其特殊的功能和用途。
2. 电子元器件的作用电子元器件是构成电子设备的基础,不同的元器件具有不同的作用。
例如,半导体器件可以控制电流的通过,实现电路的开关功能;电容器可以储存电能,实现能量的转换;电阻器可以调节电路中的电压和电流;电感器可以产生电场和磁场,被广泛应用于变压器和电源等方面。
3. 电子元器件的工作原理电子元器件的工作原理基本上都是基于物理的原理,例如,半导体器件的工作原理是利用电子、空穴和杂质之间的复杂相互作用、电容器的工作原理是利用电场的效应,电阻器的工作原理是利用电流通过材料的阻力效应,电感器的工作原理是利用磁场的效应等等。
4. 电子元器件的分类电子元器件根据其用途和功能的不同,可以分成几大类,例如,功率元器件、信号元器件、封装元器件、芯片元器件等等。
其分类标准包括尺寸、电气性能、功能、材料、工作环境、结构等因素。
5. 电子元器件的选型选择适当的电子元器件是组成各种电路的关键所在。
正确的选型应该考虑电气规格、尺寸、质量、价格和供应等因素。
根据实际需求,可以通过参考电子元器件数据手册、供应商提供的技术参数、试验和模拟仿真等手段,选择最适合的电子元器件。
6. 常用电子元器件的名称和图示电子元器件的命名方式有时比较独特,例如罗马数字、字母等。
通过电子元器件的标识,可以快速准确地进行元器件的售后维修、更换和选型。
常见的电子元器件还包括二极管、电容器、电阻器、电感器、晶体管、集成电路等。
第二篇:电子元器件的应用领域1. 电子元器件在通信领域的应用通信领域是电子元器件的主要应用领域之一。
在通信领域,电子元器件主要用于移动通信、室内通信、卫星通信、电视广播、无线电广播、军事通信等。
应用的电子元器件包含了射频芯片、Baseband芯片、功率放大器、滤波器、晶振、电容器等。
第二部分电子元件基本知识第一章电阻一,定义:各种材料的物体对通过它的电流呈现一定的阻力,这种阻力电流的作用叫电阻。
二,图形代号:通常用英文字母“R”表示。
三,基本单位:欧姆(Ω)-----千欧(KΩ)----兆欧(MΩ)-----吉欧(GΩ)1 GΩ=103 MΩ=106 KΩ=109Ω四,分类:1,按材质分:碳膜电阻,线绕电阻,水泥电阻。
2,按功能分:可调电阻,固定电阻。
可调电阻又可分为自动(如光敏电阻,热敏电阻,压敏电阻,磁敏电阻,力敏电阻)和手动两种。
3,按封装形式分:DIP和SMD4,按体积规格尺寸分:0201,0402,0603,0805,1206,2010,2512等。
5,按功率分:1/20W,1/16W,1/10W,1/8W,1/4W,3/4W,1W….七,标识及编码规则1色环标识法:A用不同色环按一定原则进行标识,一般用于DIP电阻。
各色代码如上。
B编码规则:以靠近引脚第一色环为开始,第一,第二,第三环表示有效数,倒数第一环为允许误差,倒数第二环为倍乘数。
C精密与非精密之分:一般四色环为非精密,五色环为精密。
D例:一个色环电阻用橙,灰,棕,金表示即为:38*101 =380Ω,+5%2字符标识法:用R,K,M,G,分别表示,GΩ,MΩ,KΩ,Ω表示电阻的基本单位。
所在位置表示小数点位。
一般用在表示10Ω表示10.2G Ω3,数字代码法:即用阿拉伯数字,按一定规则,表示电阻值,一般用在SMD 电阻上,常用三位法和四位法。
A , 编码规则:最后一位表示10的倍乘数即10N;前两位或三位表示有效数字。
B , 5%以上,四码表示精密1%以下。
C , 其中39表示有效数字照写“39”,2表示102三位码表 示误差为5%。
即:3900Ω+5%。
D , 其中390表示有效数字照写“390”,1表示101 四位码表示误差为1%。
即:3900Ω+5%4,特殊代码标识法:即用两位阿拉伯数字和一位英文字母表示,常用于SMD 电阻。
电子元器件基础知识一 .常见元器件类型:1. 二极管、三极管、电阻、电容、电感、晶振或钟振、IC 、插座等。
二、PCB 和PCBA 的定义:1. PCB :未贴片或未插件的基板叫PCB 。
2. PCBA :已插件或贴片的板叫PCBA 。
三、元器件的介绍:1. 电阻Resistance (Ω) 1.1. 什么叫电阻:电子在物体内流动所遇到的阻力就叫电阻,就象水在水管中流动必须克服管壁或其它障碍物对水流动的阻力一样。
1.2.电阻的单位:欧姆简称“欧”,用字母R 表示为计算方便常用于千欧(K Ω),兆欧(M Ω)为单位。
1兆欧=1000千欧=1000000欧1.3.欧姆定律:电阻两端的电压与电流成正比,即R =U/I 。
1.4. 阻值:电流流过时对其阻碍作用大小的一个数值。
阻值多半都用数值标在电阻上,也有是用色环来表示阻值的. 各种颜色对应的数值色环电阻的读法:从最靠近引脚的色环开始读起.误差一般用金,银表示. 色环电阻阻值识别方法:A,普通电阻用四色环表示阻值,其中第一第二色环为有效数字第三色环为倍率第四位为误差. B,精密电阻用五色环表示阻值,前三色环为有效数字第四色环为倍率第五位色环为误差. 1.5电阻的种类:固定电阻、可变电阻、敏感电阻等。
1.5.1固定电阻:这种电阻的阻值是固定不变的.色环电阻(330Ω) 色环电阻网络电阻水泥电阻1.5.2可变电阻:这种电阻的阻值,可以在一定范围内变化a. 可滑动式电阻b. 可变线绕电阻电位器(可变电阻)3敏感电阻:它的阻值受环境温度的影响特别显著符号如图所示,它们各自会随着光强弱,电压高低,气体性质,磁场变化等而产生变化。
压敏电阻热敏电阻1.6插件方法:电阻在一般情况下没有方向的要求,在插件时只要插入相应的回路。
色环电阻的插法水泥电阻的插法2.电容Capacitance(C)2.1什么是电容:电容器是一种能储存电能的元件。
它是由两块互相靠近但彼此绝缘的金属片组成的.2.2电容的单位:“法拉”简称“法”,用字母“F”或“f”来表示。
电子元器件入门知识目录一、概述 (2)1. 电子元器件基本概念与分类 (3)2. 电子元器件发展趋势及重要性 (4)二、电子元器件基础知识 (6)1. 电子元器件主要参数与性能指标 (7)1.1 电阻、电容、电感等基本元件性能参数 (8)1.2 半导体器件(二极管、晶体管等)性能参数 (10)1.3 集成电路及功能模块简介 (11)1.4 其他常用元器件性能参数介绍 (11)2. 电子元器件选购与使用注意事项 (13)2.1 选购电子元器件基本原则与技巧 (15)2.2 电子元器件使用注意事项及常见问题解答 (15)3. 电子元器件质量检测方法与标准 (17)3.1 外观检查与基本性能测试方法 (18)3.2 质量认证标准与合格供应商选择 (19)三、电子元器件应用领域 (20)1. 通信领域电子元器件应用 (21)1.1 移动通信系统中电子元器件应用 (22)1.2 光纤传输系统中电子元器件应用 (23)1.3 卫星通信及其他通信领域中元器件应用 (25)2. 电子元器件在计算机系统中的应用 (26)2.1 CPU及周边电路元器件简介 (28)2.2 存储系统中元器件应用 (29)2.3 输入输出接口技术及其相关元器件介绍 (31)3. 消费电子产品中电子元器件应用案例分析 (32)3.1 音频/视频产品元器件需求特点 (33)3.2 智能家居产品中元器件应用案例分析 (34)3.3 汽车电子及其他消费电子产品元器件需求概述 (36)四、发展趋势与展望 (37)一、概述电子元器件是电子设备的基础构成部分,是电子设备实现各种功能的必要元素。
对于初学者来说,掌握电子元器件的基础知识是进入电子领域的第一步。
本文档旨在介绍电子元器件的基本概念、分类及其重要性,为读者提供一个清晰的入门路径。
电子元器件是电子电路中的基本单元,包括电阻、电容、电感、二极管、晶体管(含场效应晶体管)、集成电路等。
它们在电子设备中扮演着不同的角色,共同构成完整的电子系统。
经典电子元器件基础知识(入门篇)经典电子元器件基础+高级知识介绍第一节电阻器:电阻,英文名resistance,通常缩写为R,它是导体的一种基本性质,与导体的尺寸、材料、温度有关。
欧姆定律说,I=U/R,那么R=U/I,电阻的基本单位是XXX,用希腊字母“Ω”表示,有这样的定义:导体上加上一伏特电压时,产生一安培电流所对应的阻值。
电阻的主要职能就是阻碍电流流过。
事实上,“电阻”说的是一种性质,而通常在电子产品中所指的电阻,是指电阻器这样一种元件。
师傅对徒弟说:“找一个100欧的电阻来!”,指的就是一个“电阻值”为100欧姆的电阻器,XXX常简称为欧。
表示电阻阻值的常用单位还有千欧(kΩ),XXX(MΩ)。
一、电阻器的种类:电阻器的种类有很多,通常分为三大类:固定电阻,可变电阻,特种电阻。
在电子产品中,以固定电阻应用最多。
而固定电阻以其制造材料又可分为好多类,但常用、常见的有RT型碳膜电阻、RJ型金属膜电阻、RX型线绕电阻,还有近年来开始广泛应用的片状电阻。
型号命名很有规律,R代表电阻,T-碳膜,J-金属,X-线绕,是拼音的第一个字母。
在国产老式的电子产品中,常可以看到外表涂覆绿漆的电阻,那就是RT型的。
而红颜色的电阻,是RJ型的。
一般老式电子产品中,以绿色的电阻居多。
为什么呢?这涉及到产品成本的问题,因为金属膜电阻虽然精度高、温度特性好,但制造成本也高,而碳膜电阻特别价廉,而且能满足民用产品要求。
二、电阻器的标识这些直接标注的电阻,在新买来的时候,很容易识别规格。
可是在装配电子产品的时候,必须考虑到为以后检修的方便,把标注面朝向易于看到的地方。
所以在弯脚的时候,要特别注意。
在手工装配时,多这一道工序,不是什么大问题,但是自动生产线上的机器没有那么聪明。
而且,电阻器元件越做越小,直接标注的标记难以看清。
因此,国际上惯用“色环标注法”。
事实上,“色环电阻”占据着电阻器元件的主流地位。
“色环电阻”顾名思义,就是在电阻器上用不同颜色的环来表示电阻的规格。
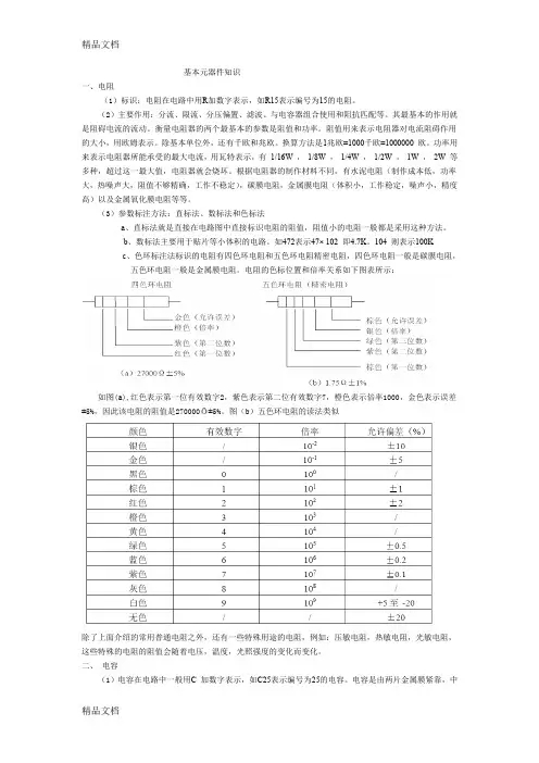
基本元器件知识一、电阻(1)标识:电阻在电路中用R加数字表示,如R15表示编号为15的电阻。
(2)主要作用:分流、限流、分压偏置、滤波、与电容器组合使用和阻抗匹配等。
其最基本的作用就是阻碍电流的流动。
衡量电阻器的两个最基本的参数是阻值和功率。
阻值用来表示电阻器对电流阻碍作用的大小,用欧姆表示。
除基本单位外,还有千欧和兆欧。
换算方法是1兆欧=1000千欧=1000000 欧。
功率用来表示电阻器所能承受的最大电流,用瓦特表示,有1/16W ,1/8W ,1/4W ,1/2W ,1W ,2W 等多种,超过这一最大值,电阻器就会烧坏。
根据电阻器的制作材料不同,有水泥电阻(制作成本低,功率大,热噪声大,阻值不够精确,工作不稳定),碳膜电阻,金属膜电阻(体积小,工作稳定,噪声小,精度高)以及金属氧化膜电阻等等。
(3)参数标注方法:直标法、数标法和色标法a、直标法就是直接在电路图中直接标识电阻的阻值,阻值小的电阻一般都是采用这种方法。
b、数标法主要用于贴片等小体积的电路。
如472表示47× 102 即4.7K。
104 则表示100Kc、色环标注法标识的电阻有四色环电阻和五色环电阻精密电阻,四色环电阻一般是碳膜电阻,五色环电阻一般是金属膜电阻。
电阻的色标位置和倍率关系如下图表所示:如图(a),红色表示第一位有效数字2,紫色表示第二位有效数字7,橙色表示倍率1000,金色表示误差±5%,因此该电阻的阻值是270000±5%。
图(b)五色环电阻的读法类似除了上面介绍的常用普通电阻之外,还有一些特殊用途的电阻,例如:压敏电阻,热敏电阻,光敏电阻,这些特殊的电阻的阻值会随着电压,温度,光照强度的变化而变化。
二、电容(1)电容在电路中一般用C 加数字表示,如C25表示编号为25的电容。
电容是由两片金属膜紧靠,中间用绝缘材料隔开而组成的元件。
(2)电容的特性主要是隔直流通交流,电容容量的大小就是表示能贮存电能的大小,基本单位用法拉F表示,其它单位还有毫法(mF),微法(uF),纳法(nF),皮法(pF)。
电子元器件基础知识培训教材第一章:概述1.1电子元器件的定义与分类电子元器件是指为实现电子电路功能,具有一定电气性能和独立功能的电子元件和器件的总称。
根据功能和用途的不同,电子元器件可分为被动元器件和主动元器件两大类。
1.2电子元器件的重要性电子元器件是电子设备的基础,其性能直接影响到电子设备的性能、质量和可靠性。
随着科技的发展,电子元器件在各个领域的应用越来越广泛,对人类生活产生了深远的影响。
第二章:被动元器件2.1电阻器电阻器是一种被动电子元件,其主要功能是限制电流的流动,产生电压降。
电阻器按材料可分为碳膜电阻、金属膜电阻、线绕电阻等。
按功率可分为小功率电阻、中功率电阻和大功率电阻。
2.2电容器电容器是一种储存电荷的被动电子元件,其主要功能是滤波、旁路、耦合和振荡等。
电容器按材料可分为陶瓷电容器、铝电解电容器、钽电解电容器等。
按结构可分为固定电容器、可变电容器和可调电容器。
2.3电感器电感器是一种储存能量的被动电子元件,其主要功能是滤波、隔直、共模抑制和信号传输等。
电感器按结构可分为空芯电感、磁芯电感和绕线电感等。
按用途可分为滤波电感、振荡电感和传感器电感等。
第三章:主动元器件3.1二极管二极管是一种具有单向导电性的主动电子元件,其主要功能是整流、稳压、调制和限幅等。
二极管按材料可分为硅二极管和锗二极管。
按结构可分为点接触二极管和面接触二极管。
3.2晶体管晶体管是一种具有放大和开关功能的主动电子元件,其主要功能是放大、开关、稳压和信号处理等。
晶体管按结构可分为双极型晶体管(BJT)和场效应晶体管(FET)。
按材料可分为硅晶体管和锗晶体管。
3.3集成电路集成电路是一种将大量电子元器件集成在一块半导体芯片上的主动电子元件,其主要功能是实现复杂的电子电路功能。
集成电路按功能可分为模拟集成电路、数字集成电路和模拟/数字混合集成电路。
第四章:电子元器件的检测与选型4.1电子元器件的检测方法电子元器件的检测方法主要包括外观检查、尺寸测量、电气性能测试和可靠性试验等。
电子元件基础知识一、电阻器(Resistor)和电容器(Capacitor)电阻器和电容器简称为阻容元件,在各类电子元器件中,它们是生产量最大,使用范围最广的一类元件。
(一)电阻器(元件符号R)我们平常在工作中所说的电阻(Resistance)其实是电阻器。
电阻器是一种具有一定阻值,一定几何形状,一定性能参数,在电路中起电阻作用的实体元件。
在电路中,它的主要作用是稳定和调节电路中的电流和电压,作为分流器、分压器和消耗电能的负载使用。
大部分电阻器的引出线为轴向引线,一小部分为径向引线,为了适应现代表面组装技术(SMT)的需要,还有“无引出线”的片状电阻器(或叫无脚零件),片状电阻器像米粒般大小、扁平的,一般用自动贴片机摆放,我们公司的SMT机房里面就有。
电阻器是非极性元件,电阻器的阻值可在元件体通过色环或工程编码来鉴别。
1.种类:我们常见的电阻器有下列几种:(1)金属膜电阻器(2)碳膜电阻器(3)线绕电阻器(4)电位器(5)电阻网络器(6)热敏电阻器不同的电阻器,不仅其电阻值不同,功能也不一样,所以不同的电阻器是不可以随便替代的。
2.电阻的单位是欧姆(Ω),千欧(KΩ),兆欧(MΩ)。
它们的换算公式为106Ω=1MΩ=103KΩ3.功率:功率的单位是瓦特,电阻器的功率能告诉我们它在正常使用情况下能释放多少能量,功率越高,释放的能量越多。
注意:尽管电阻阻值一样,也不可使用低功率的电阻代替高功率的电阻。
4.误差误差是允许电阻阻值变动的范围,用正号(+)或负号(-)表示其正常的变动状况。
比如一个电阻阻值为100Ω±10%,则电阻阻值可以在90-110Ω之间变化。
精密电阻的误差在±2%以下,用五个色环识别:半精密电阻的误差在±2%以上,用四个色环识别。
注意:若在元件体的一端有一宽的银色环,则此元件不是电阻,是电感器,如果这种银色环与元件体上其它色环宽度相同,则还是电阻。
5.电阻器的标识方法(1)色环法:目前国标上普遍流行色环标识电阻,色环在电阻器上有不同的含义,它具有简单、直观、方便等特点。
色环电阻中最常见的是四环电阻和五环电阻。
A.四环电阻(碳膜电阻)四环电阻有:2条重要数据环一条倍乘环一条误差环重要数据环重要数据环倍乘环误差环第一道色环印在电阻的金属帽上,表示电阻有效数字的最高位,也表示电阻值色标法读数的方向,第二道色环表示有效数字的次高位,第三道色环表示相乘的倍率,第四环表示误差。
金色为±5%,银色为±10%。
值得注意的是:第四环的位置国内外的标法有异,国外有此厂家把第四环也标在另一端的金属帽上,遇此情况切记:金色或银色的一端不是第一环。
第一环是离元件体端部最近的一环。
例:某电阻的色环依次为“黄、紫、红、银”,则该电阻的阻值为4700Ω=4.7KΩ,误差为±10%。
附表:电阻器用色环标志的种类及含义颜色color有效数字乘数精度(%)银色silver……10-2±10金色gold……10-1±5黑色black……100……棕色brown1101±1红色red2102±2橙色orange3103……黄色yellow4104……绿色green5105±0.5蓝色blue6106±0.2紫色violet7107±0.1灰色gray8108……白色white9109……B.五环电阻(精密电阻)五环电阻的标识与四环电阻的基本相同,只不过它多了一条数据环和多了一些误差别,五环电阻的误差在±2%以下.例:某电阻的色环依次为“黄、紫、黑、棕、棕”,则该电阻的阻值为4.7KΩ,误差为±1%.除了四环电阻和五环电阻,还有六环电阻,阻值读法与五环电阻一样,最后一环表示温度系数。
(2)工程编码大多数的电阻用色环标注,而功率电阻和线绕电阻是用工程编码来标注的。
工程编码可表示5种特性:a.形式 b.种类 c.组织 d.误差 e.功率a.形式:形式是由两个英文字母与跟着的两个数据标注。
字母“RW”表示功率电阻,两个字母标注了电阻的物理结构。
b.种类:电阻的种类由一个单独的字母表示。
c.组织:对于误差大于±2%的电阻,用三位数字表示,前两位数字代表重要数据,最后一位数字表示加“零”的个数。
例:253表示25000Ω或25KΩ字母“R”代表小数点,后面跟着有效数字。
例如:R10=·10Ω对于误差小于±2%的电阻,阻值用四位数字表示,前三位数字代表重要数据,最后一位表示加零的个数。
例如:2672表示26700Ω或26.7KΩ.字母“R”表示小数点,连接重要的数据。
例如:1R37=1.37Ωe·误差:误差用一单独字母表示,看下面的表:字母C D F G J K M误差(±%)2551251020e·功率:功率用三字母表示,读作XX瓦特。
例如:005读作5瓦特。
6.功率电阻:电阻按其功率不同又可分为:1/8W,1/4W,1/2W,1·5W,1W,2W,功率越大,电阻体形也越大,耗散功率为1W或大于1W的元器件不得与印制板相接触,应采用相应的散热措施后再行安装。
7.电阻网络(或叫排阻)电阻网络与色环电阻相比具有整齐、少占空间的优点,它的内部实际上是由很多个电阻整齐的排在一起,所以也叫做排阻。
在电路中电阻网络的符号为“RN”、“RP”、“1B”。
电阻网络有两种类型:(1)双列直插电阻网络双列直插电阻网络类似IC。
第一号管脚由小圆点或小凹槽来表示,当你拿着元件时,使元件主体面对自己,槽或小圆点向上,左边的第一个管脚是第一号管脚。
插第一号管脚的孔通常在电路板上用方盘或带尖角的焊盘标明。
插电阻网络时第一号管脚必须插入电路板上带有标明第一号管脚的孔。
(2)单列直插电阻网络单列直插电阻网络是带有一排管脚的塑料盒。
第一号管脚由在元件体上的小圆点或数字“1”或一条粗实线表示。
电路板上插第一号管脚10uf16v的通常用一个方块焊盘或一点表示。
第一号 管脚通常插入这个方焊盘内或小圆点旁。
8.电位器电位器是一种可调电阻器,可通过调整其元件体上的旋扭或螺钉改变其阻值。
电位器的电路符号是“R”,具有方向性。
一个电位器有三个管脚,只有一种方法把电位器插入板。
电位器的形状有方的、圆的、矩形的。
9.热敏电阻器这个名字是结合热的和电阻两个词而命名的,热敏电阻器的阻值随温度变化而变化。
10.可变电阻器:是一种阻值易变的电阻,没有极性。
可变电阻的电路符号是“RV”,它有以下两种形状:(二)电容器1.概念和作用:电容器是由两个中间隔以绝缘材料(介质)的电极组成的,具有存储电荷功能的电子元件。
在电路中,它有阻止直流电流通过,允许交流电流通过的性 能,在电路中可起到旁路、耦合、滤波、隔直流、储存电能、振荡和调谐等作用。
反映电容器物理性能的主要参数为容量和耐压,这在电容器的外观标记中有标明, 有的直接标明,有的采用工程编码。
有得电容器是有极性的,电容器上还会标明极 性的方向。
如下图中的电解电容器左脚上面有负号“-”号,就表示该脚是负极,钽 质电容器左脚上面有一个正号“+”,就表示该脚是正极。
其它的电容器没有正负极, 但有时为了外观的整齐一致,规定有字的一面必须朝着一个方向。
2.电路符号是:C 3.类型四种类型:电解电容有极性钽质电容 独石电容 无极性 陶瓷电容4.电容量:反映电容器施加电压后储存电荷的能力或储存电荷的多少。
单位是法(f ),微法(uf )或(mf ),皮法(pf )或(uuf )或(mmf ) 1 微法=10-6 法1 法 =106 微法=1012 皮法电容器的电容值是用 3 位或 4 位数字表明,前 2 位或前 3 位数字表示重要数据(即有效数字),最后一位数字表示有效数字的加零个数。
如471=470uf(对于铝电解电容用uf,其它类型的电容则是470pf)当电容值标上有字母“R”的时候,R则表示小数点。
电容误差用一个单独的字母表示。
5.直流工作电压:容量相同,工作电压大的电容可代替工作电压小的电容,相反则不能代替。
6.电容器上的工程编码一般格式:CTS02Y684M35S形式特点电容值误差电压绝缘套管看下面的例子:CTS02Y684M35S=680000PF,35VCT01X471T025S=470uf,25V(铝电解电容)CM01Y105K200=1000000pf,200V习题一、术语解释1.轴向引线元件 5.单端引线元件2.DIP 6.PCB3.金属化孔7.PCP4.极性元件8.预成型9.半导体二、填空6300Ω=()KΩ,4700Ω=()KΩ,552000Ω=()KΩ,23000Ω=()KΩ,7300000Ω=()MΩ,6500000Ω=()MΩ,4500000Ω=()MΩ,33000000Ω=()MΩ,电容的元件符号是(),1法()微法,1微法()皮法,0.47UF=()PF, 36UF=()PF,86000PF=()UF, 1000PF=()UF,36000000PF=()UF,三、根据色环标志含义表,写出下列名项的阻值和精度:1.红-黑-棕-红9.灰-红-黑-金2.棕-棕-红-红10.棕-黑-蓝-银3.红-紫-黑-红11.红-红-绿-红4.红-紫-棕-金12.灰-红-红-红5.红-红-红-红13.蓝-灰-黑-银6.红-黑-黑-黑-棕14.灰-红-黑-金-棕7.棕-棕-灰-黑-红15.红-黑-黑-金-红8.棕-白-蓝-红-红16.橙-紫-黄-红-白四、写出具有下列工程编码的电阻器的阻值和功率:RW12T160J025RW12M1R0K005RW03SR665F001RW03S3241F003RW03S4020F003RW12M252J025五、选择题:1.轴向引线的电阻器是极性元件.A对的,B错的2.KΩ表示A1000Ω,B1000000Ω,C10000Ω,D100Ω3.MΩ表示A1000Ω,B1000000Ω,C10000Ω,D100Ω4.电阻值相同而功率不同的电阻器可以相互替代使用.A对的,B错的5.电阻网络是没有极性的A对的,B错的6.所有的电容都有极性A对的,B错的7.工作电压大的电容器不可以代替工作电压小的电容器.A对的,B错的二、变压器(Transformer)和电感器(Inductor)变压器和电感器是很容易混乱的,因为它们有同样的物理形状。
它们之间只有一个规律可分别出来,变压器用“QTK”标明,电感器用“QHP”标明。
(一)变压器下面是一些我们常用的变压器的类型:变压器的电路符号是:T。
变压器常用“QTK”标在元件体上加以识别。
变压器是有极性的,它的第一个管脚通常用一白色标志、一个孔或一个尖角表示。