断路器技术参数
- 格式:doc
- 大小:168.50 KB
- 文档页数:8
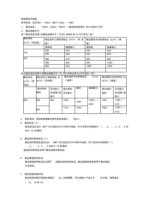
断路器技术参数参考标准:GB1984 —2003; GB/T 11022 —1999 ;1、额定电压:126kV、252kV、550kV ;〔额定电压取值与IEC 60694不同〕2、额定绝缘水平:表1额定电压范围I的额定绝缘水平〔与IEC 60694表1a中不完全一致〕3、额定频率:高压断路器额定频率的标准值为50Hz ;4、额定电流〔Ir〕:额定电流应当从GB/T 762规定的R10系列中选取:R10系列中包括数字:1 ,,, 2,,,4,5,,8 及其与10n的乘积。
5、额定短时耐受电流〔I k〕额定短时耐受电流应当从GB/T 762规定的R10系列中选取:R10系列中包括数字:1,,,2,,,4,5,,8 及其与10“ 的乘积。
额定短时耐受电流等于额定短路开断电流;6、额定峰值耐受电流:额定峰值耐受电流应该等于倍额定短时耐受电流,额定峰值耐受电流等于额定短路关合电流;7、额定短路持续时间:额定短路持续时间的标准值为2s;如果需要,可以选取小于或大于2s的值。
推荐值为,1s,3s和4s。
8、操动机构和辅助及控制回路的额定电源电压〔Ua〕额定电压电压应当从表4和表5给出的标准值中选取: 表4直流电压在额定值的85%和110 %间的任一电源电压下,操动机构应该能使开关合闸和分闸。
表5交流电压〔与IEC注:230/400V在将来是唯一的标准值,并推荐在新的系统中采用。
9、操动机构和辅助回路的额定电源频率:额定电源频率的标准值为DC , 50Hz ;10、绝缘、操作和/或开断用的压缩气源的额定压力除非制造厂另有规定,额定压力的标准值为:, 1, , 2, 3, 4MPa;11、额定短路开断电流:额定短路开断电流的交流分量额定短路开断电流的交流分量应当从GB/T 762规定的R10系列中选取:R10系列中包括数字:1, , , 2, , , 4, 5, , 8 及其与10n的乘积。
额定短路开断电流的直流分量:12、与额定短路开断电流相关的瞬态恢复电压13、额定短路关合电流对于额定频率为50Hz且时间常数标准值为45ms,额定短路关合电流等于额定短路开断电流交流分量有效值的倍。
断路器参数说明范文断路器是一种用于保护电力系统的重要设备,能够在电路过载、电流短路和地线故障等情况下切断电流,并确保电路的正常运行。
断路器的参数包括额定电流、额定电压、短路电流等,本文将对这些参数作详细说明。
1. 额定电流(Rated Current):也称为额定工作电流,是指断路器正常工作时允许通过的最大电流。
通常用安培(A)作为单位,常用的额定电流有1A、5A、10A、20A、50A、100A等。
2. 额定电压(Rated Voltage):也称为额定工作电压,是指断路器能够正常工作的电压范围。
通常用伏特(V)作为单位,常用的额定电压有220V、380V、660V、1100V等。
3. 短路电流(Short Circuit Current):也称为故障电流,是指电路发生短路时流经断路器的最大电流。
短路电流通常比额定电流大很多倍,断路器需要具备足够的短路容量来切断电流并保护电路。
4. 接触器容量(Contact Capacity):也称为开断容量,是指断路器能够正常开断的最大电流。
接触器容量一般大于或等于额定电流,以确保断路器能够可靠地切断电流。
5. 动作特性(Trip Characteristics):断路器的动作特性是指断路器在不同故障条件下的动作时间和动作电流的关系。
常见的动作特性包括快速型、普通型和慢速型。
6. 动作时间(Trip Time):动作时间是指断路器从故障发生到完全切断电流所需要的时间。
通常分为动作时间和断开时间,前者是指断路器开始动作到完全开断的时间,后者是指断路器开始动作到完全停止电弧的时间。
动作时间越短,断路器的保护能力就越强。
7. 操作方式(Operation Mode):操作方式是指断路器的操作方式,常见的操作方式有手动和自动两种。
手动操作需要人工进行,而自动操作可以通过其他设备或电气信号进行控制。
8. 隔离开关(Isolating Switch):隔离开关是断路器上的一个部件,用于切断或连接电路,起到隔离断路器和其他设备的作用。
断路器参数1. 引言断路器是一种用于保护电路和设备的设备,它在电路中起到断开电流的作用,以防止电流过载引起的损坏。
断路器的参数是指它的技术规格和性能指标,包括额定电流、额定电压、短路容量、动作特性等。
本文将详细介绍断路器的各种参数及其含义。
2. 额定电流额定电流是指断路器能够正常工作的最大电流值。
在额定电流下,断路器可以长时间工作而不会过热或损坏。
因此,选择适当的额定电流对于保护电路和设备是至关重要的。
额定电流一般用安培(A)为单位进行表示。
3. 额定电压额定电压是指断路器设计用于工作的电压值。
断路器的额定电压应与电路中的电压匹配,以确保其能够正常工作和保护电路。
额定电压一般用伏特(V)为单位进行表示。
4. 短路容量短路容量是指断路器能够瞬时承受的最大短路电流。
在发生短路故障时,电流会迅速增大并达到最大值,如果断路器的短路容量不足,可能会导致断路器无法正常中断电路,从而造成连锁故障和设备损坏。
短路容量一般用安培(A)为单位进行表示。
5. 动作特性动作特性用于描述断路器对于过载和短路故障的反应速度。
根据不同的应用场景和需求,断路器的动作特性可以分为热动作、磁动作和电子动作三种。
•热动作断路器:在电流超过额定电流一定百分比时,断路器将在一定时间内断开电路,用于保护过载情况。
•磁动作断路器:在短路电流超过断路器短路容量时,断路器将立即断开电路,用于保护短路情况。
•电子动作断路器:通过电子元件检测电路中的故障信息,根据预设的逻辑条件对电路进行动作保护。
6. 其他参数除了上述主要参数外,断路器还有一些其他辅助参数。
•耐热温度:表示断路器可以在多高温度下正常工作,一般用摄氏度(℃)为单位进行表示。
•断路器类型:根据断路器的结构和工作原理,可以分为空气式断路器、油式断路器、真空式断路器等。
•额定操作次数:表示断路器设计的寿命和可靠性,一般用次数(次)为单位进行表示。
7. 结论断路器的参数对于选择合适的电气保护装置至关重要。
断路器外壳上常见的技术参数,到底都代表什么意思?我们经常会在断路器的外壳上看到一些技术参数,但是由于器件大小的限制,并没有对这些参数的含义进行详细的解读。
这就要求我们具备一定的参数阅读能力。
接下来,我们就一起以实物讲解的形式了解一下常见的参数到底都代表什么意思。
塑壳断路器的额定值图1 ABB的T1N160系列断路器如图1,该塑壳断路器为ABB公司的T1N160系列断路器,其额定参数:1.壳架电流:160A,即该断路器可安装的最大的长延时脱扣器的整定电流为160A。
2.额定电压:额定电压Ue=690V,额定绝缘电压Ui=800V,额定冲击耐受电压Uimp=8kV。
3.短路电流分段能力:在~400/415VAC系统中,短路电流极限分段能力Icu=36kA,短路电流运行分段能力Ics=75%Icu;在~690VAC系统中,短路电流极限分段能力Icu=6kA,短路电流运行分段能力Ics=50%Icu;在⎓250VDC系统中,短路电流极限分段能力Icu=36kA,短路电流运行分段能力Ics=75%Icu;在⎓500VDC系统中,短路电流极限分段能力Icu=36kA,短路电流运行分段能力Ics=50%Icu。
4.额定频率:~50-60Hz。
5.断路器类型:选择性类别A,即断路器只有过载长延时保护、短路瞬时保护;话句话说,A类断路器通常应用在配电系统末端,在发生短路故障时,立即切断故障回路,避免故障蔓延。
以上参数可以参考实物图,如图2所示。
图2 断路器参数表该断路器所采用的脱扣器类型为TMD热磁型脱扣器,其热脱扣可调,磁脱扣不可调(TMA热磁型脱扣器的热脱扣、磁脱扣均可调)。
1.热脱扣整定值Iset1(即图3实物标注的I1):可以通过图3所示的左侧旋钮调整,分别为最小值MIN=0.7In=112A,中间值MED=0.85In=136A,最大值MAX=In=160A。
2.磁脱扣整定值Iset3(即图3实物标注的I3):TMD的磁脱扣不可调,其整定值为1600A=10In,即该型断路器通过10倍额定电流时磁脱扣器会瞬时脱扣。
断路器的技术参数一、引言在电力系统中,断路器是不可或缺的设备之一,用于控制电流的接通和断开,保障系统的安全运行。
为了深入了解断路器的性能和应用,对其技术参数进行详尽的探讨显得尤为重要。
本篇文章将详细解析断路器的各种技术参数,以帮助读者更好地理解和应用这一设备。
二、断路器技术参数概述断路器的技术参数反映了其性能特征和应用范围。
以下是几个重要的技术参数。
1.额定电流与额定电压:指断路器在设计规定的长期工作条件下,能正常工作的电流和电压。
2.短路电流:指断路器在规定时间内能承受而不损坏的电流值。
3.分断能力:指断路器在规定条件下能可靠分断的最大短路电流值。
4.操作性能与机械寿命:指断路器的操作性能以及在规定操作次数下机械部分的寿命。
5.其他参数:如体积、重量、工作环境温度等。
三、额定电流与额定电压额定电流是指在长期工作条件下,断路器能够正常工作的最大电流值。
选择合适的额定电流对于设备的正常运行和保护十分重要。
额定电压则是断路器能正常工作的最高电压值,通常与系统的额定电压相匹配。
四、短路电流短路电流是指电路中出现的异常大电流,可能导致设备损坏或火灾。
断路器的短路电流参数决定了其在短路情况下的承受能力,是选择和使用断路器的重要依据。
五、分断能力分断能力是指断路器在正常工作条件下能够可靠分断的最大短路电流值。
这一参数是衡量断路器性能的重要标准,特别是对于可能遭遇大电流冲击的系统尤为重要。
分断能力的选择应基于系统的实际需求和可能出现的最大短路电流。
六、操作性能与机械寿命断路器的操作性能包括其操作方式的便捷性、可靠性和安全性。
机械寿命则是指断路器各机械部件在规定操作次数下的预期寿命,涉及到设备的耐用性和维护成本。
良好的操作性能和长的机械寿命有助于降低维护成本和提高系统运行的稳定性。
七、其他参数除了上述主要技术参数外,还有一些其他参数如体积、重量、工作环境温度等,这些参数在特定应用场景下可能具有重要意义。
例如,对于空间有限或重量有要求的应用,体积和重量参数就显得尤为重要。
断路器主要技术参数的含义(1) 额定电压 (KV) 。
指断路器正常工作时 , 系统的额定 ( 线 ) 电压。
这是断路器的标称电压 , 断路器应能保持在这一电压的电力系统中使用 , 最高工作电压可超过额定电压15% 。
(2) 额定电流 (KA) 。
指断路器在规定使用和性能条件下可以长期通过的最大电流( 有效值 ) 。
当额定电流长期通过高压断路器时 , 其发热温度不应超过国家标准中规定的数值。
(3) 额定 ( 短路 ) 开断电流 (KA) 。
指在额定电压下 , 断路器能可靠切断的最大短路电流周期分量有效值 , 该值表示断路器的断路能力。
(4) 额定峰值耐受 ( 动稳定 ) 电流 (KA) 。
指在规定的使用和性能条件下 , 断路器在合闸位置时所能承受的额定短时耐受电流第一个半波达到电流峰值。
它反映设备受短路电流引起的电动效应能力。
(5) 额定短时耐受 ( 热稳定 ) 电流 (KA) 。
指在规定的使用和性能条件下 , 在额定短路持续时间内 , 断路器在合闸位置时所能承载的电流有效值。
它反应设备经受短路电流引起的热效应能力。
(6) 额定短路关合电流 (KA) 。
指在规定的使用和性能条件下 , 断路器保证正常关合的最大预期峰值电流。
(7) 分闸时间 (m): 断路器分闸时间是指从接到分闸指令开始到所有极弧触头都分离瞬间的时间间隔。
在以前的有关标准中 , 分闸时间又称为固分时间。
(8) 开断时间 (ms) 。
指断路器从分闸线圈通电 ( 发布分闸命令 ) 起至三相电弧完全熄灭为止的时间。
开断时间为分闸时间和电弧燃烧时间 ( 燃弧时间 ) 之和。
(9) 合闸时间 (ms) 。
合闸时间是指从合闸命令开始到最后一极弧触头接触瞬间的时间间隔。
在以前的有关标准中 , 合闸时间又称为固合时间。
(10) 金属短接时间 (m) 。
指断路器在合闸操作时从动、静触头刚接触到刚分离时的一段时间。
这个时间如果太长,则当重合于永久故障时持续时间长,对电网稳定不利;如果太短,会影响断路器灭弧室断口间的介质恢复 , 而导致不能可靠地开断。
断路器的主要参数及选择断路器是一种用于保护电气设备和电气线路的电气开关装置,用来切断或恢复电流流经线路的功能。
断路器的主要参数包括额定电流、额定工作电压、额定短路开断电流、断路器类型、断路器动作时间和断路器选择等。
本文将详细介绍这些参数及其选择。
1.额定电流:断路器能够可靠地传递的最大电流。
在选购断路器时,首先需要根据电路负载计算所需的额定电流,以确保断路器能够正常工作。
通常,断路器的额定电流应大于等于负载电流,但不能超过电路允许的最大电流。
2.额定工作电压:断路器能够可靠地工作的电压范围。
根据电路的额定电压选择断路器的额定工作电压,以确保断路器能够在额定电压下正常断开电路。
3.额定短路开断电流:断路器能够安全地断开的最大短路电流。
短路电流是电路中出现故障(例如线路短路)导致的电流过大的情况。
断路器选择时应确保其额定短路开断电流能够满足电路的短路电流要求,以保证设备和人员的安全。
4.断路器类型:常见的断路器类型包括空气断路器、低压断路器、负荷开关、熔断器等。
选择合适的断路器类型需要考虑电路的特点和需求。
例如,空气断路器适用于高压电路,而低压断路器适用于低压电路。
5.断路器动作时间:断路器的动作时间是指在故障发生时断路器切断电路的时间。
断路器的动作时间应尽可能短,以避免电路故障对设备和系统的影响。
通常,断路器的动作时间应小于电路故障耐受能力的极限时间。
6.断路器选择:断路器的选择应综合考虑以上参数和实际需求。
首先需要确定电路的额定电流、额定电压和额定短路开断电流,然后根据断路器类型和可靠性要求选择合适的断路器。
同时,还可以考虑断路器的操作方式(手动或自动)、环境条件(温度、湿度等)和其他特殊要求。
在选择断路器时还应特别注意以下几点:1.断路器应符合国家或地区的标准和规定,确保其质量和安全性。
2.断路器的装置和安装应符合电气规范和要求,保证电路的可靠性和安全性。
3.对于特殊应用,如防爆场所或高湿度环境,需要选用相应的防爆或防潮型断路器。
110kv断路器型号技术参数一、概述110kv断路器是电网系统中的重要设备,用于电网的开闭操作和故障切除。
其型号和技术参数直接影响着电网系统的安全稳定运行,因此对于110kv断路器型号技术参数的了解和掌握显得至关重要。
二、110kv断路器型号技术参数110kv断路器的型号技术参数通常包括以下方面:1. 额定电压(kV):110kv断路器的额定电压是指其能够正常工作的最高电压。
2. 额定电流(A):110kv断路器的额定电流是指其能够正常承载的最大电流。
3. 额定短路开断电流(kA):110kv断路器在短路故障情况下的额定开断电流是指其能够安全、可靠地切断短路故障电流。
4. 额定短时耐受电流(kA):110kv断路器的额定短时耐受电流是指其能够在短时间内承受的最大电流。
5. 额定储能时间(ms):110kv断路器的额定储能时间是指其需要完成储能过程的时间,通常与断路器的操作速度密切相关。
6. 额定工频闭合电压(kV):110kv断路器的额定工频闭合电压是指其能够安全、可靠地进行闭合操作的最大电压。
7. 额定雷电冲击耐受电压(kV):110kv断路器的额定雷电冲击耐受电压是指其在雷电冲击情况下能够安全、可靠地工作的最大电压。
以上参数都是影响110kv断路器性能和工作稳定性的重要因素,合理的技术参数可以确保110kv断路器在电网系统中发挥其应有的作用。
三、110kv断路器型号技术参数的选择和优化1. 根据电网系统的实际情况和要求进行选择。
不同的电网系统对110kv断路器的型号技术参数有着不同的需求,因此需要根据实际情况进行选择。
2. 结合技术进步和经验积累进行优化。
随着科学技术的不断进步和工程经验的不断积累,110kv断路器的型号技术参数也在不断优化,以满足电网系统对其性能和稳定性的要求。
四、总结110kv断路器型号技术参数是电网系统中的重要组成部分,其合理选择和优化对电网系统的安全稳定运行起着至关重要的作用。
低压断路器主要技术参数
(1)额定电压。
低压断路器的额定电压是指与通断能力及使用类别相关的电压值。
针对多相电路而言,它是指相间的电压值。
(2)额定电流。
①低压断路器壳架等级额定电流。
低压断路器壳架等级额定电流用尺寸和结构相同的框架或塑料外壳中能装入的最大脱扣器额定电流表示。
②低压断路器额定电流。
低压断路器额定电流是指在规定条件下低压断路器可长期通过的电流,又称为脱扣器额定电流。
针对带可调式脱扣器的低压断路器而言,它是指可长期通过的最大电流。
(3)额定短路分断能力。
额定短路分断能力是指低压断路器在额定频率和功率因数等规定条件下,能够分断的最大短路电流值。
4.选择
(1)低压断路器的额定电压和额定电流应大于或等于被保护线路的正常工作电压和负载电流。
(2)热脱扣器的整定电流应等于所控制负载的额定电流。
(3)过电流脱扣器的瞬时脱扣整定电流应大于负载正常工作时可能出现的峰值电流。
用于控制电动机的低压断路器,其瞬时脱扣整定电流为IKI式中,K一安全系数,可取1.5~1.7;
1.-电动机的启动电流。
(4)欠电压脱扣器额定电压应等于被保护线路的额定电压。
(5)低压断路器的极限分断能力应大于线路的最大短路电流的有效
值。
额定短路开断电流:是指开关绝限断开电流的最大能力,在此限值内的短路跳闸触头灭弧元件动作有效,超过这个绝限跳闸接头,灭弧元件动作不保证,会产生拉弧。
(根据10kV设备的短路水平,一般选用25kA和31.5kA)
额定电流:断路器正常工作时允许长期通过的最大电流。
额定峰值耐受电流:开关在合闸位置所能承受的额定短时耐受电流第一个半波的峰值,一般为额定短时耐受电流的2.5倍。
额定短时耐受电流:开关在一定时间不脱扣所能承受的最大电流,时间一般为几秒。
额定短路关合电流:是指合闸时开关的绝限能力,譬如外界短路时把闸拉上去,这时开关受合闸短路电流而跳闸,开关无损坏,还能继续工作。
以上为高压断路器选型时要考虑的几个重要参数。
低压短路器分为框架(万能)式和塑壳式两种。
框架式是敞开地装设在金属框架上,保护方案和操作方式都较多,装设地点也较灵活。
塑壳式断路器全部机构都装设在一个塑料外壳内,尽在壳盖中央露出操作手柄,供手动操作之用。
框架式短路器一般用于干线上,而塑壳式断路器一般用于支线上。
壳架等级额定电流:代表断路器外形大小的等级,以此表示断路器的最大额定电流。
断路器额定电流:指所装设脱口器的额定电流。
一台低压断路器可以装设多种额定电流脱口器,但其装设最大脱口器额定电流不。
断路器技术参数说明断路器是电力系统中常用的一种电器设备,用于过载、短路等故障时,切断电流的电气设备。
断路器技术参数是指断路器在工作过程中所具备的性能指标,囊括了其额定电流、额定电压、额定短路开断电流、操作特性、绝缘性能等方面的参数。
下面将详细介绍断路器技术参数的具体说明。
1. 额定电流(Rated Current):断路器能够承受的最大电流值,通常以安培(A)为单位。
额定电流越大,断路器的承载能力越强。
2. 额定电压(Rated Voltage):断路器能够工作的额定电压值,通常以伏特(V)为单位。
额定电压决定了断路器的工作电压范围。
3. 额定短路开断电流(Rated Short-Circuit Breaking Current):断路器在短路故障发生时,能够安全切断并承受的最大电流值。
额定短路开断电流越高,断路器的短路切断能力越强。
4. 操作特性(Operating Characteristics):包括断路器的额定操作电流、额定操作次数、额定操作方式等。
额定操作电流是指断路器在正常运行时的工作电流范围,额定操作次数是指断路器可以连续操作的次数,额定操作方式是指断路器的操作方式,可以分为手动和电动两种。
5. 绝缘性能(Insulation Performance):断路器的绝缘能力是指断路器在不导电材料间断路状态下的电压承受能力。
绝缘性能通常以额定绝缘电压、绝缘电阻等参数来描述。
6. 环境条件(Environmental Conditions):断路器应能在不同的环境条件下正常工作,包括温度、湿度、海拔高度等。
这些参数通常以额定环境温度、额定湿度、海拔高度等指标来表示。
7. 电气持续性能(Electrical Endurance):断路器的电气持续性能是指断路器能够经受的电流短时稳定状态下的时间、次数等。
通常以额定短时稳定电流、额定持续时间等参数来描述。
8. 机械持续性能(Mechanical Endurance):断路器的机械持续性能是指断路器能够承受的机械操作次数、切断次数等。
以下为断路器的参数及其主要技术性能,跟着小编一起了解一下吧!1、额定工作电压U说明断路器可工作于主电路的电压等级。
常用的有220V、380V、500V、660V等。
2、额定绝缘电压断路器按此电压等级制造。
其值一般等于或大于额定电压。
3、额定冲击耐受电压断路器可承受的短时过电压值。
4、额定极限短路分断能力按规定的试验程序所规定的条件,断路器能分断短路电流的能力,试验后不要求断路器连续承载其额定电流。
用预期分断电流表示。
试验顺序O-t-CO。
O表示一次分断操作、CO 表示闭合操作后经一适当时间间隔紧接着一次分断操作。
表示两个相继的短路操作之间的时间间隔。
该时间间隔应为3min或断路器的复位时间,下同。
其具体试验是:把线路的电流调整到预期的短路电流值(例380V,50kA),而试验按钮未台,被试断路器处于合闸位置,按下试验按钮,断路器通过50kA短路电流,断路器立即开断(open简称O),断路器应完好,且能再合闸。
t为间歇时间,一般为3mn,此时线路仍处于热备状态,断路器再进行一次接通(cose简称C)和紧接着的开断(O),(接通试验是考核断路器在峰值电流下的电动和热稳定性)。
此程序即为CO。
断路器能完全分断,则其极限短路分断能力台格5、额定运行短路分断能力按规定的试验程序所规定的条件,断路器能分断短路电流的能力,试验后要求断路器连续承载其额定电流。
用预期分断电流表示。
可用的百分数表示。
例如为25% ,试后要求至少分断额定电流25~50次,按额定电流大小而定。
试验顺序O-t-CO-t=CO。
可以看出,额定极限短路分断能力指的是低压断路器在分断了断路器出线端最大三相短路电流后还可再正常运行并再分断这一短路电流一次,至于以后是否能正常接通及分断,断路器不予以保证;而额定运行短路分断能力指的是断路器在其出线端最大三相短路电流发生时可多次正常分断。
IEC947-2《低压开关设备和控制设备低压断路器》标佳规定:A类断路器(指仅有过载长延时、短路瞬动的断路器)的Ics可以是25%、50%、75%和100%。
断路器技术参数范文
断路器是用来切断电流的电器设备,它具有安全保护电路和设备的作用。
断路器的技术参数包括额定电压、额定电流、额定中断能力、动作时间、环境条件等方面。
2.额定电流:断路器的额定电流是指设备能够安全传输的电流值。
额
定电流是根据设备的导电能力和散热能力来确定的。
断路器一般有不同的
额定电流等级,例如10A、16A、20A等。
3.额定中断能力:断路器的额定中断能力是指能够安全切断的最大故
障电流。
断路器需要能够在故障时迅速切断电路,以保护设备和人员的安全。
额定中断能力是断路器在特定故障条件下的能力指标,一般以千安(kA)为单位。
4.动作时间:断路器的动作时间是指从触发断路器到施加切断电流之
间的时间。
动作时间是衡量断路器响应速度的重要参数,它需要尽可能短,以便及时切断故障电路。
5.环境条件:断路器的环境条件是指设备正常工作所要求的环境条件。
这包括温度、湿度、海拔等方面。
不同类型的断路器对环境条件有不同的
要求,例如高温断路器适用于高温环境,低温断路器适用于低温环境。
除了以上的技术参数,断路器还有其他一些特殊的技术参数,如额定
漏电动作时间、额定漏电灵敏度、额定接通电流等。
这些参数都与断路器
的功能和特性有关,可以根据实际应用需求来选择合适的断路器。
总之,断路器的技术参数包括额定电压、额定电流、额定中断能力、
动作时间、环境条件等方面。
这些参数决定了断路器的工作性能和适用范围,需要根据具体需求选择合适的断路器。
断路器技术参数释义断路器包括以下技术参数:额定电压,额定电流,开断电流,额定断流容量,热稳定电流,额定动稳定电流,分合闸时间,燃弧时间,行程,合闸不同期性,分合闸速度。
其中几个我做一下解释:开断电流:是表征断路器开断能力的一个参数,指断路器在给定电压下正常开断的最大短路电流,在额定电压下能开断的电流,称为额定开断电流,在低于额定电压的条件下,断路器的开断电流可以提高,但由于灭弧装置机械强度的限制,开断电流仍有一定的极限值,此极限值称为极限开断电流。
额定断流容量:在额定电压确定之后,额定断流容量和额定开断电流的含义是一样的,由于断路器的额定开断电流不变,因此,如断路器的使用电压降低,其断路容量也要相应地降低。
热稳定电流:在选择断路器时通常要根据热稳定电流来校验断路器的发热条件,所谓热稳定电流时断路器所承受短路电流热效应的能力,按国家标准规定,断路器通过热稳定电流在4s时间内,温度不超过允许发热温度,且无触头溶解和妨碍其正常工作的现象,通常热稳定电流等于其额定开断电流。
额定动稳定电流:指在关合状态下,断路器能通过不妨碍其正常工作的最大短路电流瞬时值,因此又称为极限电流,在该电流作用下断路器的机械机构不致遭到电动力的破坏,在选择断路器时,如果通过断路器的最大短路电流小于额定动稳定电流,则认为断路器是动稳定的。
其值一般为热稳定电流的2.5倍。
燃弧时间:在断路器分闸过程中,从电弧产生起到电弧最终熄灭的时间称为燃弧时间。
行程:分为总行程和超行程,前者指断路器的动触头由分闸位置起,运动至合闸静态位置止所走的距离。
超行程又成为插入行程,该行程是指动静触头刚接触,到动静触头运动到静态位置所走的距离。
合闸不同期性:可以从两方面而言,对于相同相来说,是指最先和最迟的两对触头之间的时间差值,对不同相来说,是指最先接通和最迟接通相的时间差,对分闸的不同期性只是将上述的接触改为分离分合闸速度:刚分速度通常认为是动静触头分离后10微秒内的速度,刚合速度是动触头闭合前10微秒内的速度。
断路器的主要参数及选择断路器是一种用于保护电路和电器设备免受过电流或短路等故障的电器设备。
它具有防火、防爆、断电等功能,能够及时切断电路,保护电网的安全运行。
断路器的主要参数包括额定电流、额定工作电压、短路切断能力、操作特性和选择等。
1.额定电流:断路器的额定电流是指断路器能够连续工作的最大电流值。
它是根据电路负载和保护需求来确定的。
选择断路器时,需要根据负载电流和短路电流来确定合适的额定电流,以确保断路器在故障情况下能够正常工作。
2.额定工作电压:断路器的额定工作电压是指断路器能够正常工作的最大电压值。
选择断路器时,需要根据电路的额定工作电压来确定合适的额定工作电压,以确保断路器能够正常工作并有足够的绝缘能力。
3.短路切断能力:短路切断能力是指断路器在短路故障时断开电路能力的大小。
它是断路器的重要参数,可以衡量其保护能力的大小。
选择断路器时,需要根据电路短路电流的大小来确定合适的短路切断能力,以确保断路器能够快速而可靠地断开电路。
4.操作特性:断路器的操作特性可以分为瞬时动作型和时间限定型。
瞬时动作型断路器在短路故障时能够立即切断电路,时间限定型断路器在短路故障时需要一定的时间才能切断电路。
选择断路器时,需要根据电路的保护需求来确定合适的操作特性。
在选择断路器时还需要考虑其他因素,如可靠性、环境适应性、装置间操作的协调性等。
此外,根据具体的使用场所和应用需求,也会有一些特殊要求,如防爆断路器、防火断路器、低压断路器等。
总之,断路器的主要参数及选择是保护电路和电器设备免受过电流或短路等故障的关键。
在选择断路器时,需要综合考虑负载电流、短路电流、额定工作电压、短路切断能力、操作特性等因素,以确保断路器能够正常工作并提供有效的保护。
断路器详细参数设置断路器是一种电气设备,主要用于保护电路免受过电流和短路等故障的损害。
断路器的参数设置包括额定电流、额定电压、断断电流、选择电流、短路保护、额定开关次数、动作特性等。
以下是关于断路器详细参数设置的详细介绍。
1. 额定电流(Rated Current)额定电流是指断路器可以正常工作的最大电流值。
一般情况下,断路器的额定电流应该大于或等于被保护设备的额定电流值,以确保断路器可以正常工作。
额定电流的单位为安培(A)。
2. 额定电压(Rated Voltage)额定电压是指断路器可以正常工作的最大电压值。
一般情况下,断路器的额定电压应该等于或略大于电路的额定电压值,以保证断路器可以在正常电压下工作。
额定电压的单位为伏特(V)。
3. 断断电流(Interrupting Current)断断电流是指断路器可以安全地断开电路的最大故障电流。
当电路中发生故障时,断路器需要能够迅速切断电流,以避免损坏电路或危及安全。
断断电流的单位为安培(A)。
4. 选择电流(Breaking Capacity)选择电流是指断路器可以安全地切断电路的最大工作电流。
当电路中正常工作时,断路器需要能够正常地切断电流,以保护电路免受过载损坏。
选择电流一般要大于额定电流。
选择电流的单位为安培(A)。
5. 短路保护(Short Circuit Protection)短路保护是指断路器可以快速切断电路的能力,以避免电路因短路故障而受损。
断路器应该能够在电路发生短路故障时迅速切断电流,并且具有良好的短路保护能力。
短路保护通常由额定断断电流来决定。
6. 额定开关次数(Rated Switching Cycles)额定开关次数指的是断路器可以正常开关电路的次数。
断路器应该具备足够的寿命和可靠性,可以承受一定的开关次数,而不会损坏或失效。
7. 动作特性(Tripping Characteristics)动作特性指的是断路器的动作时间和响应速度,包括过流保护、短路保护、过载保护等。
断路器技术参数
参考标准:GB1984-2003;GB/T 11022-1999;
1、额定电压:126kV、252kV、550kV;(额定电压取值与IEC 60694不同)
2、额定绝缘水平:
3、额定频率:高压断路器额定频率的标准值为50Hz;
4、额定电流(Ir):
额定电流应当从GB/T 762规定的R10系列中选取:R10系列中包括数字:1,1.25,1.6,2,2.5,3.15,4,5,6.3,8及其与10n 的乘积。
5、额定短时耐受电流(I k)
额定短时耐受电流应当从GB/T 762规定的R10系列中选取:R10系列中包括数字:1,
1.25,1.6,2,
2.5,
3.15,4,5,6.3,8及其与10n 的乘积。
额定短时耐受电流等于额定短路开断电流;
6、额定峰值耐受电流:
额定峰值耐受电流应该等于2.5倍额定短时耐受电流,额定峰值耐受电流等于额定短路关合电流;
7、额定短路持续时间:
额定短路持续时间的标准值为2s;如果需要,可以选取小于或大于2s的值。
推荐值为
0.5s,1s,3s和4s。
8、操动机构和辅助及控制回路的额定电源电压(Ua)
额定电压电压应当从表4和表5给出的标准值中选取:
在额定值的85%和110%间的任一电源电压下,操动机构应该能使开关合闸和分闸。
表5 交流电压(与IEC 60694不完全一致)
9、操动机构和辅助回路的额定电源频率:
额定电源频率的标准值为DC,50Hz;
10、绝缘、操作和/或开断用的压缩气源的额定压力
除非制造厂另有规定,额定压力的标准值为:0.5,1,1.6,2,3,4MPa;
11、额定短路开断电流:
额定短路开断电流的交流分量
额定短路开断电流的交流分量应当从GB/T 762规定的R10系列中选取:R10系列中包括数字:1,1.25,1.6,2,2.5,3.15,4,5,6.3,8及其与10n 的乘积。
额定短路开断电流的直流分量:
12、与额定短路开断电流相关的瞬态恢复电压
13、额定短路关合电流
对于额定频率为50Hz且时间常数标准值为45ms,额定短路关合电流等于额定短路开断电流交流分量有效值的2.5倍。
对于所有特殊工况的时间常数,额定短路关合电流等于额定短路开断电流交流分量有效值的2.7倍,与断路器的额定频率无关。
14、额定操作顺序
a)O-t-CO-t’-CO
除非另有规定,否则:
t=3min,不用于快速自动重合闸的断路器;
t=0.3s,用于快速自动重合闸的断路器;
t’=3min;注:t’=15s和t’=1min也可用于快速自动重合闸的断路器;
b)CO-t’’-CO
t’’=15s,不用于快速自动重合闸的断路器。
15、额定单个电容器组开断电流
17、相对漏气率
标准值为每年1%和3%。
18、密封压力系统
密封压力系统的密封性以其预期工作寿命来规定。
标准值是20年和30年。
19、对开关设备和控制设备中气体的要求
在额定充气密度下充入的用作绝缘的气体,它在20℃时测得的最大允许含水量应该使它的露点温度不高于-5℃。
断路器技术参数:
参考标准:DL/T 593-2006
1、额定绝缘水平(与GB 1984不完全一致)
额定电压范围I的额定绝缘水平
额定电压范围II的额定绝缘水平
2、额定短路持续时间
a)550kV~1100kV的开关设备和控制设备的额定短路持续时间为2s;
b)126kV~363kV的开关设备和控制设备的额定短路持续时间为3s;
3、气体的封闭压力系统
a)对SF6和SF6混合气体,标准值为每年0.5%和1%;
b)对其他气体的标准值为每年0.5%、1%和3%;
c)对于SF6系统补气间隔至少为10年以上,对于其他气体补气间隔应与密封性能相对应。
正泰常用断路器型号
正泰常用断路器型号及选型列表:
了解更多的正泰电器型号选型,请联系我们销售部,谢谢支持!
文章:正泰常用断路器型号由圣约实业(上海)有限公司原创或收集整理,转载注明地址:/zixun/865.html
相关文章。