浙大控制考研-845试卷-03A
- 格式:pdf
- 大小:703.32 KB
- 文档页数:2
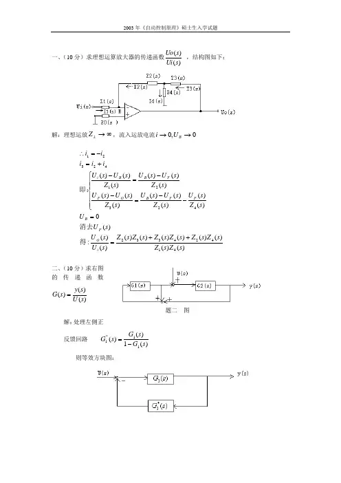
一、(10分)求理想运算放大器的传递函数)()(s Ui s Uo ,结构图如下:解:理想运放∞→λZ ,流入运放电流0,0→→B U i)()()()()()()()()()(:)(0)()()()()()()()()()()()()()(414243324232142321s Z s Z s Z s Z s Z s Z s Z s Z s U s U s U Us Z s U s Z s U s U s Z s U s U s Z s U s U s Z s U s U i i i i i i O F BF F B O F F B B i ++==⎪⎪⎩⎪⎪⎨⎧--=--=-+=-=∴得消去即:二、(10分)求右图的传递函数)()()(s U s y s G =解:处理左侧正反馈回路 )(1)()(11*1s G s G s G -=则等效方块图:题二 图)()()(1)()()()()(1)(1)()()(1)()(21121221122*12s G s G s G s G s G s G s G s G s G s G s G s G s G s G +--=-+=+=∴三、(10分)已知系统的状态转移矩阵为⎥⎦⎤⎢⎣⎡+-+--=--------tttttttt e ee eeee e t 224233)(2222φ,请求出)(1t -φ、A 。
解:根据状态转移矩阵的运算性质有: =-=-)()(1t t φφ⎥⎦⎤⎢⎣⎡+-+--t ttttttt e e ee e e e e 2242332222 A =)0(φ =⎥⎦⎤⎢⎣⎡--=⎥⎦⎤⎢⎣⎡---+-+-=--------26112442432302222t tttt t ttt eee ee e e e四(10分)已知单位反馈系统的开环传递函数为)164)(12()1.0(16)(22+++++=s s s s s s s G ,试绘制对数幅频特性渐近线解:dBk s ss s s s s s s s s s s G 201.0lg 20lg 2014,1,1.0)116416)(12()110(1.0)164)(12()1.0(16)(3212222-======+++++=+++++=时,转折频率为:ωωωω王、(10分)考虑下图所示闭环系统及相应Nyquist 轨线图,试确定系统稳定性与k 值关系。
紧急通知本资料由浙江大学控制科学与工程学院16届专业课129分学长,也就是我本人亲自整理编排而成。
大家可以叫我学长,年龄比我大的辞职考的可以叫我小弟。
资料不同于市面上那些看起来非常诱人实则是粗制烂造的资料,而是以一个考过845自控的过来人的经验,完全从学生的体验出发,做到资料最全,资料最好,资料最精致。
全套资料包括葵花宝典一到葵花宝典九共九本资料,每本资料都是我精心编辑整理的,并做了精美的封面,一共650页完美打印发给大家,大家把这650从头到尾肯透了,再做下我推荐的几本资料书(16年有一道15分的大题就是上面的类似题,第三问很多高手都没做出来,注意不是周春晖那本哈),可以说完全没问题了。
这是其它卖家不可能做到的。
同时赠送845自控全套电子资料。
葵花宝典一完全由我本人原创,里面包含了考浙大845自动控制原理的全部问题,比如考多少分比较保险,怎么复习,有哪些好的资料书,最近几年考题变化及应对策略,浙大常考题型,招生名额,复试资料,导师联系,公共课复习用书及方法以及845近年命题风格分析等一系列问题,全是我的心得和经验,方法,技巧等,说句心里话,我自己都觉得这些资料非常宝贵,能帮助学弟学妹们少走很多弯路。
注意:前面是一些关于我的故事,有些地方可能对你有用,如果不感兴趣,可以直接拉到后面去看,资料清单和图片都在后面。
学长自我介绍学长姓邓,名某某,男,本科于14年毕业于四川大学电气信息学院自动化专业,考浙大控制考了3次,14年大三时第一次考浙大控制总分没过线。
当时我们学校有三个同学征战浙大控制科学与工程,结果全军覆没,只有我一人过了300分,由此可见考浙大控制还是很有难度的,其中一个难点就是专业课的信息和专业课的命题走向的获取,当时我们都不是很清楚,蒙着头自己学,去图书馆借了很多自动控制原理的资料书来看,我自我感觉学得还不错,当时我一个同学考电子科大的自动化,经常跑来问我自控的问题,我基本都能给他解答出来,他说我好牛逼,觉对没有问题,然而最后的结果是他考电子科大自动控制原理137,而我只考了96分。
《自动控制原理》参考书与考试大纲2014-06-26一:参考书目:《自动控制原理》,厉玉鸣等主编,化学工业出版社,2009年《自动控制原理》,孙优贤,王慧主编,化学工业出版社,2011年《自动控制原理》,胡寿松主编,科学出版社,2007年二:考试大纲1、控制系统的基本组成和数学模型掌握:控制系统的组成;控制系统的主要类型;线性连续时间系统的概念,微分方程模型,传递函数模型;方块图及其等效变换;信号流图;方块图化简;Mason增益公式;2、控制系统的时域分析方法掌握:典型输入信号;一阶、二阶系统的动态响应;控制系统动态响应的质量指标;控制系统的劳斯稳定判据;给定和扰动稳态误差分析;了解:高阶系统的响应及主导极点;PID控制方法对系统控制质量的影响;4、频率特性分析法掌握:系统频率特性的定义;典型环节的频率响应;系统频率特性的极坐标图;对数坐标图;非最小相位系统;Nyquist稳定性判据;控制系统的稳定裕度;基于开环频率响应的控制系统频率特性分析;了解:频率特性设计方法;5、根轨迹分析方法掌握:根轨迹的基本概念;绘制根轨迹的基本条件和规则;控制系统的根轨迹分析;广义根轨迹;了解:基于根轨迹方法的控制系统设计;6、采样控制系统掌握:采样过程及采样定理;零阶保持器;Z变换;采样系统的脉冲传递函数;连续模型的离散化;采样系统的数学模型及求解;采样系统的稳定性与稳态偏差分析;了解:数字PID控制器;最小拍采样控制系统的设计;7、状态空间方法掌握:系统状态空间描述,及其与传递函数之间的相互转化;状态转移矩阵的求取及性质,状态运动分析(状态方程的解);能控性、能观性的定义与判别;单入单出系统的能控、能观标准型;按能控性或能观性结构分解;状态反馈设计与极点配置;全维状态观测器设计;带状态观测器的状态反馈;了解:最小阶状态观测器设计;规范分解(同时按能控与能观进行分解);8、非线性系统分析掌握:典型非线性环节;描述函数分析法,及自激振荡(极限环)的参数求取与稳定性分析;相平面分析法;Laypunov稳定性基本定义和基本理论;了解:典型非线性环节的描述函数计算;线性系统的Lyapunov稳定性分析;。
浙江大学控制系自动控制原理近年考研题分章集锦(一)(第一、二章: 基本概念及数学模型――连续部分)浙江大学二〇〇五年攻读硕士学位研究生入学考试试题考试科目编号注意:答案必须写在答题纸上,写在试卷或草稿纸上均无效。
2005年1.(10分)电冰箱制冷系统原理见图1。
继电器的输出电压u R 为压缩机上的工作电压。
绘制控制系统框图,简述工作原理。
若出现压缩机频繁起动,请提出相应的改进措施。
答:系统框图:当冰箱温度u2高于设定值,放大器输出Δu ,继电器动作输出u R 。
压缩机运行,从蒸发器吸入低温低压气体。
输出高温高压气态制冷剂至冷凝器;冷凝器送出高压常温液态制冷剂至蒸发器,制冷剂在蒸发器内气化,吸收制冷。
改进措施:调小放大器放大倍数,或选用灵敏度较小的继电器,或者两者兼而用之。
2.(10分)系统框图见图2-1,要求将系统等效变换成图2-2,图2-3框图结构,并求H(S),G(S)表达式。
图2-1 图2-2 图2-3 解:H(S)= 1+2() KG SG(S) =2004年一.(20分/150分)如图1所示,U1(t),U2(t)分别是输入电压和输出电压。
X3,X2分别是输入位移和输出位移,X1则是C点位移。
f1, f2是粘滞阻尼系数,k1, k2是弹性系数。
求两系统的传递函数,并分析两系统变量间的相似关系。
图 1解:1)(1)(1111)()(212211221212211221212211112212+++++++=++++=S C R C R C R S C C R R S C R C R S C C R R S C R SC R S C R SC R s U s U 1)111(11)11(1)()(2122112212122112212132+++++++=S K f K f K f S K K f f S K f K f S K K f f S X S X两相似系统变量间对应关系:电压U---------------------------位移X电阻R---------------------------粘滞阻尼系数f 电容C---------------------------弹性系数的倒数K1二.(10分/150分)用方块图化简法,求图2所示系统的闭环传递函数图 2解:321341431131213213414311311)()(G G G G G G G G G G G G G G G G G G G G G G G G G G S R S Y +++--+++++--=∴2003年1.(10分/150分)求理想运算放大器的传递函数)()(s Ui s Uo ,结构图如下:解:理想运放∞→λZ ,流入运放电流0,0→→B U i)()()()()()()()()()(:)(0)()()()()()()()()()()()()()(414243324232142321s Z s Z s Z s Z s Z s Z s Z s Z s U s U s U U s Z s U s Z s U s U s Z s U s U s Z s U s U s Z s U s U i i i i i i O F B F F B O F F B B i ++==⎪⎪⎩⎪⎪⎨⎧--=--=-+=-=∴得消去即:2003年第1题示意图2.(10分/150分)求右图的传递函数)()()(s U s y s G =解:)()()(1)()()()()(1)(1)()()(1)()(21121221122*12s G s G s G s G s G s G s G s G s G s G s G s G s G s G +--=-+=+=∴2002年 1.(10分/100分)R-L-C 网络如图所示,信号源内阻为零,U r (t)为输入变量,U 0(t)为输入变量,试求电网络的状态变量表达式。
浙大自控考研真题答案浙江大学作为国内顶尖的高等学府之一,其自动化控制专业的考研真题一直是众多考生关注的焦点。
以下是一份模拟的浙大自控考研真题答案,供参考。
一、选择题1. 自动控制系统的开环传递函数为\( G(s) = \frac{K}{s(s+2)} \),其单位阶跃响应的稳态误差ESS为:- A. \( K \)- B. \( \frac{K}{2} \)- C. \( \frac{K}{s+2} \)- D. \( \frac{K}{s} \)答案:B2. 在控制系统的稳定性分析中,若系统开环传递函数的极点位于复平面的左半部,则系统是:- A. 稳定的- B. 不稳定的- C. 临界稳定的- D. 无法确定答案:A3. 一个二阶系统的单位阶跃响应的阻尼比为0.5,其超调量为:- A. 100%- B. 50%- C. 25%- D. 0%答案:A二、简答题1. 简述PID控制器的基本原理及其组成部分。
答案:PID控制器是一种比例-积分-微分控制器,它根据偏差信号的当前值、过去值和变化率来计算控制量。
其组成部分包括比例项(P),它与偏差成正比;积分项(I),它与偏差的积分成正比,用于消除稳态误差;微分项(D),它与偏差的变化率成正比,用于改善系统的动态性能。
2. 什么是系统的稳定性?如何判断一个系统是否稳定?答案:系统的稳定性指的是系统在受到扰动后,能否恢复到初始平衡状态的能力。
判断一个系统是否稳定,可以通过检查系统开环传递函数的极点位置。
如果所有极点都位于复平面的左半部,则系统是稳定的。
三、计算题1. 给定一个控制系统的开环传递函数为\( G(s)H(s) =\frac{K}{s(s+4)(s+8)} \),求系统的单位阶跃响应。
答案:首先,我们需要找到系统的特征方程\( s^3 + 4s^2 + 8s - K = 0 \)。
然后,通过求解这个方程得到系统的极点。
根据极点的性质,我们可以写出系统的时间响应函数。