多塔作业安全专项方案
- 格式:doc
- 大小:83.00 KB
- 文档页数:21
群塔作业施工方案工程名称:海南陵水碧桂园珊瑚宫殿三期项目一标段工程地点:海南省陵水英州镇大坡村施工单位:广东腾越建筑工程有限公司编制单位:广东腾越建筑工程有限公司编制人:编制日期:年月日审核人:审核日期:年月日审批负责人:审批日期:年月日目录1编制目的及编制依据 (1)1.1编制目的 (1)1.2相关技术文件 (1)1.3相关规范标准 (1)1.4相关部门管理规定 (1)2工程概况 (2)2.1工程项目概况 (2)2.2塔吊使用概况 (2)2.2.1塔吊选型及技术参数 (2)2.2.2塔吊总平面布置 (2)3多塔作业危险源辨识与防治措施 (4)4多塔交叉作业安全技术措施 (5)4.1塔机交叉作业技术保证措施 (5)4.1.1停电、大风时塔机作业安全技术保证措施 (5)4.1.2工作状态时塔机作业安全技术保证措施 (5)4.1.4塔吊防雷技术措施 (6)5塔机安全运行管理措施 (7)5.1塔机安全运营组织机构 (7)5.2塔机安全运行岗位职责 (7)5.3塔机安全运行人员配置 (9)5.4塔机安全运行人员管理 (9)5.4.1人员管理细则 (9)5.4.2塔机人员操作准则 (10)5.5机械设备安全管理制度 (10)6塔机使用应急预案 (12)6.1应急预案制定目的 (12)6.2应急救援指挥小组 (12)6.3应急救援指挥小组成员职责 (12)6.3.1总指挥及其主要职责 (12)6.3.2副总指挥及其主要职责 (12)6.4事故处理及应急救援措施 (13)6.5安全事故应急救援物资及设备 (13)1编制目的及编制依据1.1编制目的为了认真贯彻执行“安全第一,预防为主、综合治理”的方针和《安全生产法》、《建筑工程安全生产管理条例》,严格按照操作规程和规章制度进行塔机作业,杜绝各种多塔作业时安全事故及隐患的发生,特制定多塔作业防碰撞安全作业专项方案。
1.2相关技术文件1、《碧桂园珊瑚宫殿三期项目一标段施工组织设计》;2、广东博意建筑设计研究院设计的施工图纸;3、各塔机使用说明书。
丰源上城住宅小区多塔作业防碰撞安全专项施工方案编制:审核:审批:湖南省泓光建筑工程有限公司二〇一三年七月目录1.工程概况......................................................................................... 错误!未指定书签。
2.编制依据......................................................................................... 错误!未指定书签。
3.危险源分析与对应安全措施 ....................................................... 错误!未指定书签。
4.安全技术措施 ................................................................................ 错误!未指定书签。
5.安全管理措施 ................................................................................ 错误!未指定书签。
6.塔机防雷避雷 (18)7.安全应急预案 (19)一、工程概况1.1工程概述1.1.1 丰源上城项目位于邵东县焦化厂,由湖南盛泰建筑有限公司承建。
本工程主要包括一个地下车库(1层)、3栋住宅楼均为18+1层,具体情况如下:1.1.2 塔吊作业范围周边环境本工程位于邵东县昭阳大道与高丽路交汇处,施工场地周边无影响施工的毗邻建筑与相关设施,1号栋塔吊复盖范围之内与3#楼塔吊相交叉。
周边环境详见平面布置图。
1.2 塔吊选型与布置1.2.1 塔吊选型与布置原则1、塔吊尽量覆盖整个施工区域,减少盲区;2、塔吊最大起重量能满足施工要求;3、保证每台塔吊的工作效率,既不闲置又能满足施工吊次要求;4、充分考虑塔吊安装和拆除所需空间,满足塔吊安拆的要求;5.充分考虑到塔吊在高度和平面位置上的避让,满足设备安全运行的要求。
多塔作业防碰撞安全专项施工方案
一、背景
在高空作业中,多塔作业由于涉及多个塔吊同时作业,存在极高的安全风险,特别是在繁忙的城市中心区域。
因此,为了确保塔吊作业安全,减少事故的发生,制定多塔作业防碰撞安全专项施工方案至关重要。
二、施工前准备
1.制定合理的多塔布置方案,确保吊臂的活动范围不会相互交叉。
2.对吊装设备和塔吊进行严格检查,保证运行正常。
3.制定塔吊操作规程,包括信号指挥、协调沟通等规范。
三、防碰撞措施
1.安装碰撞检测系统:在各塔吊上安装碰撞检测设备,实时监测附近各
设备的位置,一旦发现接近碰撞,立即报警。
2.制定交通管理计划:在施工现场设置指定的行车道路,规定作业人员
和设备的活动区域,防止交叉作业。
3.制定严格的操作规范:禁止超载作业,严格按照载重标准进行作业,
确保塔吊安全运行。
4.安排专人负责碰撞预防:在作业过程中,设立专门的碰撞预防人员,
负责监控各吊臂的位置,及时通知各操作人员调整位置。
四、紧急应急预案
1.制定工地紧急撤离计划:一旦发生碰撞事故,及时将所有相关人员撤
离现场,保障人身安全。
2.做好事故处理准备:建立事故处理小组,提前准备好应急设备和救援
措施,确保有力的事故处理。
五、总结
多塔作业防碰撞安全专项施工方案的制定对于保障塔吊作业安全至关重要。
通过严格考虑各项安全防护措施,规范施工流程,加强预防和应急救援能力,将有效降低多塔作业安全风险,确保工程施工安全、高效进行。
多塔作业防碰撞安全专项施工方案1.前言为了保障多塔作业的安全性,特制定本方案,明确多塔作业过程中的防碰撞安全措施,确保施工人员人身安全和设备设施的完整。
2.目标确保多塔作业过程中的施工人员安全,保护设备设施完整。
3.作业前准备-评估风险:对多塔作业风险进行评估,识别可能导致碰撞的因素。
-制定计划:制定多塔作业过程中的防碰撞安全计划,明确责任分工和具体措施。
-培训工人:对参与多塔作业的工人进行安全培训,教育他们防范碰撞的意识和方法。
4.防碰撞措施-制定合理的作业区域:根据多塔作业的需要,合理划分工作区域,避免工作区域的交叉和重叠,减少碰撞的风险。
-设立警示标志:在多塔作业区域内设置明显的警示标志,提醒施工人员注意防碰撞安全。
标志应清晰可见,包括图形、文字和颜色等。
-设立安全区域:在多塔作业区域内设立专门的安全区域,只允许经过相应培训和持证人员进入,以减少非授权人员的干扰和碰撞风险。
-安全设备使用:施工人员应佩戴头盔、护目镜、安全带等个人防护装备,并正确使用安全设备,譬如平衡杆、安全网等,确保自身和他人的安全。
-管理施工车辆:多塔作业中的各种施工车辆应有专人管理,明确其行驶路径和速度,避免碰撞发生。
同时要确保施工车辆的视野良好,通过安装反光镜等设备提高驾驶员的视线。
-管理施工装卸物品:多塔作业中的装卸物品应由专人负责,合理安排装卸过程,防止物品掉落引发碰撞事故。
同时,对于大型重物的运输,应采取适当的固定措施,确保其稳定性和安全。
5.管理措施-管理人员监督:由专人负责监督多塔作业过程中的防碰撞措施执行情况,及时发现并纠正存在的安全隐患。
-安全例会:定期召开多塔作业安全例会,向施工人员普及安全知识,倡导安全施工的重要性,并及时通报最新的防碰撞措施。
-安全督查:随时进行安全督查和摸底调查,确保防碰撞措施的有效性和施工人员的安全意识。
6.应急预案-制定应急预案:针对碰撞事故的发生,制定详细的应急预案,明确每个人的责任和行动方案。
方案预案:________ 多塔作业安全管理方案姓名:______________________单位:______________________日期:______年_____月_____日第1 页共7 页多塔作业安全管理方案一、选用塔吊xx工程,由xx有限公司投资建设,xx有限公司设计,xx勘察,xx有限公司监理,xx有限公司组织施工。
工程位于xx,结构类型:xx结构。
建筑面积xx㎡。
0.000相当于黄海高程4.950m。
建筑高度:xxm。
根据工程的特征,选用自升式起重机械为该工程的垂直运输和水平运输服务,安装塔吊xxB台。
1#塔吊布置在xx;2#塔吊布置在xx。
塔机均有金属结构、工作结构、液压顶升系统、电气控制系统及安全保护装置等组成。
安装布置时应符合以下原则:塔与塔之间的最小架设距离应保证处于低位的塔吊臂架端部与两侧塔身之间至少有2米的距离,处于高位塔吊的最低位置的部件(吊钩升至最高点或平衡重的最低位置)与低位塔吊中处于部件之间的垂直距离不应少于2米。
现场位置及塔身距离均见塔吊平面布置图所示(附后)。
二、塔吊交叉及高低调控表三、群塔交叉作业安全应急预案为了保证xx工程所用x台塔吊在同一交叉作业区域的安全,避免塔吊碰撞而引发的设备和人员伤亡事故的发生,特制定本预案。
(一)、组织协调与管理1、组织领导xx工程项目经理部塔机管理负责人为首,安全部负责人,各施工第 2 页共 7 页队专职安全员和多塔机机长参加的塔机作业指导领导小组,负责对施工现场各塔机之间关系的指挥与协调工作。
(1)、指挥领导小组组长:项目经理名字副组长:项目技术负责人名字组员:塔吊驾驶员、司索、指挥等(2)、塔机指挥领导小组负责指挥、协调施工现场的塔机使用、维修、顶升和运行工作;各塔吊机长,负责本塔吊的日常管理、故障排除、紧急抢修、日常维护等工作,负责向塔机指挥领导小组汇报情况,服从塔机指挥领导小组的整体部署、统一指挥和统一协调。
多塔作业防碰撞安全专项施工方案–专家论证过(1)在高空作业中,塔吊是不可或缺的重要设备,特别是在多塔作业场景下,塔吊的数量和作业范围更为复杂,防碰撞安全问题也更加突出。
为了保障多塔作业的施工安全,制定一套科学有效的防碰撞安全专项施工方案显得尤为重要。
1. 方案背景多塔作业是指在施工现场中同时使用多台塔吊进行作业,通常用于高层建筑和桥梁等大型项目。
作业中存在的塔吊数量多、作业范围相互交叉等特点,给安全管理带来了挑战,尤其是防碰撞安全问题。
2. 方案内容为了有效防止多塔作业中的碰撞事故发生,我们制定了以下防碰撞安全专项施工方案:2.1 前期准备工作在作业前,需要对作业现场进行全面排查,确保各项设施完好,符合安全条件;制定详细的施工计划书,包括塔吊布置方案、起重作业方案等。
2.2 塔吊布置规划根据施工现场的情况,合理规划塔吊的位置和数量,避免塔吊之间发生干涉;设置明显的作业区域标识,确保作业范围清晰。
2.3 预防措施•制定严格的作业管理制度,规范操作流程,确保作业人员严格按照规定操作;•定期对塔吊进行检测和维护,确保设备处于良好状态;•强化安全培训,提高作业人员的安全意识和应急能力。
2.4 紧急处理若发生塔吊碰撞事故,应立即停止作业,迅速组织救援和清理工作,保障人员安全;同时开展事故调查,查明事故原因,及时改进安全管理措施。
3. 专家论证该防碰撞安全专项施工方案经过多位安全专家的论证和审查,确保其科学性和可行性。
专家认为,该方案综合考虑了多塔作业中的各种风险因素,具有较高的实用价值,能够有效提升多塔作业的安全水平。
在多塔作业中,防碰撞安全是关乎施工人员生命财产安全的重要问题,只有通过科学规范的管理措施和有效的施工方案,才能确保作业的顺利进行,做到安全第一。
希望以上方案能够为多塔作业的防碰撞安全管理提供一定的参考和借鉴。
多塔作业防碰撞安全专项施工方案(正式)一、背景近年来,随着建筑行业的不断发展,多塔作业在高空施工中越来越常见。
然而,由于多塔作业过程中存在高风险的碰撞安全隐患,不可避免地引起了人们对施工安全的关注。
因此,制定一套科学合理的多塔作业防碰撞安全专项施工方案显得尤为重要。
二、作业区域划分1.多塔作业区域划分为A、B、C三个区域,每个区域内设有专门负责指挥和监督的负责人。
2.区域A为主要作业区域,区域B和C为临时作业区域,作业人员必须严格按照划分作业。
三、安全措施1. 设立作业区域标识在作业区域的各个入口处设置醒目的标识,明确标识作业区域以及作业时段,避免其他人员误入危险区域。
2. 制定作业计划在施工前,由专员制定详细的多塔作业计划,明确每道工序的细节和施工过程中的关键节点,确保作业有条不紊进行。
3. 人员配备1.多塔作业现场必须配备专业人员,包括负责监督的安全主管、作业人员等。
2.所有作业人员必须接受相关安全培训,具备相应的安全意识和技能。
4. 防碰撞设备采用先进的防碰撞装置,如报警器、避障系统等,确保多塔作业过程中的安全。
四、紧急处理措施1.在作业现场设置应急通道,并配备专门的紧急救援人员,确保紧急情况得到及时处理。
2.准备充足的急救设备和药品,以备在紧急情况下使用。
五、总结多塔作业防碰撞安全专项施工方案的制定和实施是保障作业人员安全的重要保障措施。
各相关部门应加强对多塔作业安全的监督和管理,确保施工过程中的高标准安全措施得到有效执行,以降低事故发生的风险,保障施工人员的生命安全和财产安全。
以上为多塔作业防碰撞安全专项施工方案内容,相关人员请按照要求仔细执行,保障施工过程中的安全和顺利进行。
多塔作业安全施工方案
作为建筑施工中的一种特殊形式,多塔作业在现代建筑中被广泛应用。
其施工过程中存在着一定的安全风险,因此制定科学有效的安全施工方案对于保障工人的生命财产安全和工程质量具有重要意义。
本文将从多塔作业的特点、风险分析以及安全控制措施等方面,提出一个全面的多塔作业安全施工方案。
一、多塔作业特点
多塔作业指在一个工地上,同时建设多座塔楼的作业方式。
由于多塔之间的空间局促、高度较大等特点,使得施工过程中风险较高。
同时,多塔作业还有如下特点: - 1. 施工周期长 - 2. 作业空间狭窄 - 3. 作业高度较大
二、多塔作业风险分析
在多塔作业中,存在以下主要风险: 1. 作业高度较大,存在高空坠落风险 2. 作业空间狭小,存在碰撞、穿越风险 3. 施工周期长,存在施工人员疲劳引起的安全隐患
三、多塔作业安全控制措施
针对多塔作业的风险,可采取以下安全控制措施: 1. 制定严格的作业计划和施工方案,确保施工过程有条不紊 2. 严格执行高空作业安全规范,保证施工人员的安全 3. 定期对施工人员进行安全教育培训,提高其安全防范意识 4. 加强施工现场的安全监管和管理,确保施工现场秩序井然 5. 使用符合标准的安全防护设备,如安全带、安全网等
四、结论
通过以上措施的实施,可以有效地降低多塔作业中的安全风险,保障施工人员的生命财产安全,同时提高工程质量,实现施工目标。
因此,多塔作业安全施工方案对于大型建筑工程具有重要意义,需得到高度重视和严格执行。
以上就是针对多塔作业的安全施工方案的介绍,希望能为相关施工人员和管理者提供一定的参考和借鉴。
多塔作业防碰撞安全专项施工方案–专家论证过随着建筑行业的不断发展,多塔作业在高空施工中应用愈发广泛,然而在多塔作业中,塔吊之间碰撞事故时有发生,这不仅影响工程进度,还存在着严重的安全隐患。
针对多塔作业防碰撞安全问题,经过专家论证,提出了以下专项施工方案,旨在提高多塔作业的施工安全性。
1. 方案背景多塔作业是指在建设高层建筑或桥梁等工程中,同时使用多台塔吊进行作业的施工方式。
在多塔作业中,塔吊之间的碰撞事故容易发生,造成了严重的人员伤亡和经济损失。
因此,制定科学有效的防碰撞安全方案对于提高施工的安全性和效率至关重要。
2. 方案目标本专项施工方案的目标是:•减少在多塔作业中因塔吊碰撞而造成的安全事故;•提High效率,确保施工进度;•降低安全事故对施工人员和工程造成的伤害和经济损失。
3. 方案内容本专项施工方案包括以下几个关键措施:3.1. 施工前的规划在施工前,需进行详细的施工规划,包括确定塔吊的布设位置、作业范围、作业高度等。
通过充分的规划,减少塔吊之间的交叉作业,降低碰撞的风险。
3.2. 通信设备在各个塔吊上安装通信设备,确保各个作业塔吊之间能够实时通讯,随时调整作业计划。
通过通讯设备,有效防止碰撞事故的发生。
3.3. 碰撞检测系统在每台塔吊上安装碰撞检测系统,监测周围环境,一旦发现其他塔吊靠近,立即发出警报,提醒作业人员及时采取措施避免碰撞。
3.4. 作业人员培训对参与多塔作业的作业人员进行专门的培训,包括安全意识培训、作业技巧培训等,提高他们的应变能力和安全意识,减少操作失误导致的事故发生。
3.5. 安全监测在施工过程中设置专门的安全监测点,定期检查作业塔吊的状态和周围环境,确保作业安全。
4. 方案效果经过专家论证,本专项施工方案在实际施工中取得了显著的效果:•减少了塔吊碰撞事故的发生率;•提High了施工效率,缩短了施工周期;•改善了施工人员的工作环境和安全意识。
5. 结论多塔作业防碰撞安全专项施工方案通过专家论证,针对多塔作业中塔吊碰撞安全问题,提出了一系列有效的防范措施。
建筑工程多塔作业专项方案一、前言多塔作业是指在同一施工场地内或相邻场地同时或近期进行的两个或两个以上独立塔吊的设置、移位、拆迁和作业等工作。
由于多塔作业涉及到多个塔吊的协同作业,对于施工组织、安全管理、人员培训等方面提出了更高的要求。
本文针对多塔作业的特点,围绕施工组织、安全管理、设备监测与维护、人员培训等方面,提出了专项方案,并对相关要点进行详细阐述。
二、施工组织1. 组织机构对于多塔作业来说,需要建立一个完善的组织机构。
首先要设立多塔作业协调组,负责统一协调多个塔吊的作业任务和安全管理工作。
其次要设立多塔作业专职安全员,负责对多塔作业的安全管理进行全程跟踪和监督。
此外,还需要设立多塔作业专项施工组,负责具体的多塔作业计划编制和执行。
2. 工作计划在进行多塔作业之前,需要制定完善的工作计划。
该计划需要包括多塔作业的时间节点、作业区域划分、作业任务分配、设备协调使用等内容。
并且需要在工作计划中考虑到多塔作业可能存在的相互影响和协作问题,以便能够及时做出调整和应对。
3. 协调管理在多塔作业中,需要加强协调管理。
包括多塔作业协调组的协作工作、多塔作业专职安全员和多塔作业专项施工组的通力合作等。
同时,需要积极与其他相关工种进行联动,共同解决多塔作业可能涉及到的其他工种的安全和协调问题。
三、安全管理1. 安全风险评估在进行多塔作业之前,需要对作业现场进行全面的安全风险评估。
根据多个塔吊同时作业可能存在的安全风险,对现场可能出现的各类危险源进行全面的排查,制定预防措施和应急预案,以确保多塔作业的安全进行。
2. 安全培训针对多塔作业的特点,需要对相关人员进行专项的安全培训。
包括多塔作业专项施工组的培训、多塔作业专职安全员的培训,以及其他相关人员的培训。
培训内容包括多塔作业的风险防控、作业流程和安全措施等方面。
针对多塔作业的特点,需要制定专门的安全标准和操作规程。
确保多塔作业的安全标准和操作规程能够真正贯彻施工现场,有效指导各项安全工作的进行,保障多塔作业的安全进行。
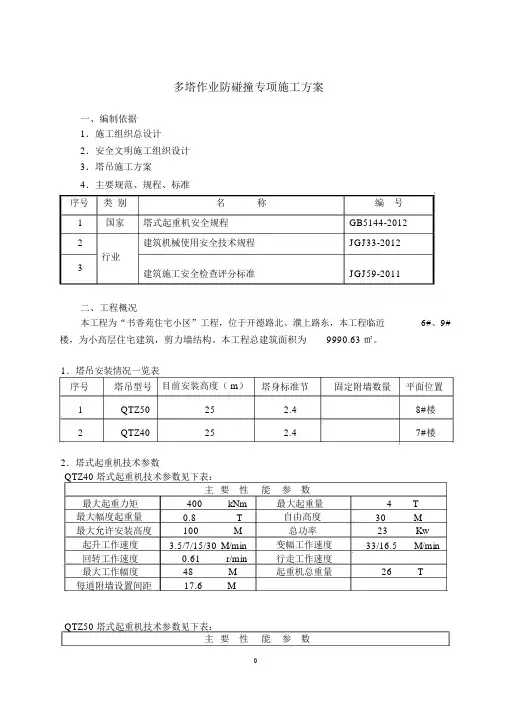
多塔作业防碰撞专项施工方案一、编制依据1.施工组织总设计2.安全文明施工组织设计3.塔吊施工方案4.主要规范、规程、标准序号类别名称编号1国家塔式起重机安全规程GB5144-2012 2建筑机械使用安全技术规程JGJ33-20123行业建筑施工安全检查评分标准JGJ59-2011二、工程概况本工程为“书香苑住宅小区”工程,位于开德路北、濮上路东,本工程临近6#、9#楼,为小高层住宅建筑,剪力墙结构。
本工程总建筑面积为9990.63 ㎡。
1.塔吊安装情况一览表序号塔吊型号目前安装高度( m)塔身标准节固定附墙数量平面位置1QTZ5025 2.48#楼2QTZ4025 2.47#楼2.塔式起重机技术参数QTZ40 塔式起重机技术参数见下表:主要性能参数最大起重力矩400kNm最大起重量4T最大幅度起重量0.8T自由高度30M最大允许安装高度100M总功率23Kw起升工作速度 3.5/7/15/30M/min变幅工作速度33/16.5M/min 回转工作速度0.61r/min行走工作速度最大工作幅度48M起重机总重量26T每道附墙设置间距17.6MQTZ50 塔式起重机技术参数见下表:主要性能参数最大起重力矩738kNm最大起重量6T 最大幅度起重量 1.2T自由高度40M 最大允许安装高度120M总功率33Kw 起升工作速度7M/min变幅工作速度24M/min 回转工作速度0.61r/min行走工作速度33m/min 最大工作幅度55M起重机总重量18.78T 每道附墙设置间距10M3.塔吊作业人员名单及证号工种姓名证号塔吊司机塔吊司机4.塔吊平面布置图三、群塔附着及顶升程序1、各种安全距离计算多塔机同时作业,既要使塔机发挥应有的工作效率,又要保证施工安全,在进行垂直运输施工方案设计时,必须特别注意塔机安全高差的控制。
安全高差的控制在于保证群塔的安全;高差太小,有可能造成高位塔吊钩与低位塔吊起重臂碰撞;高差过大,由于多塔的连续排序,造成连锁反应,结果是:①要求过多的塔机进行附着;②建筑物结构施工达到的高度太低,不满足塔机锚固高度要求。
多塔作业防碰撞安全措施随着城市的不断发展,建筑工地日益增多,其中多塔工地的塔吊林立,占据了很大的比重。
然而,多塔作业过程中,由于作业区域狭小、设备多且复杂,存在着较大的安全隐患,特别是塔吊倾斜、碰撞等情况容易发生,严重威胁着塔吊操作人员和周围群众的生命安全以及财产安全。
因此,针对多塔作业防碰撞安全问题,必须制定出一系列的安全措施,以保证塔吊作业的安全性和有效性。
一、加强实施安全管理1.建立健全完善的安全生产管理体系,制定相应的安全生产制度,对所有操作人员进行安全培训,强化其安全意识和安全技能。
增强安全防范意识,树立正确安全观念。
2.加强作业安全检查,明确作业前、作业中、作业后的安全责任,严格执行安全检查制度,保证安全生产管理的严格实施。
3.建立健全安全事故应急响应机制,确定应急组织机构及应急预案,严格按照预案执行应急救援工作。
二、加强作业区域布局规划1.合理布局作业区域,设立专门的倒库区和货物堆放区,在作业区域内标明塔吊安装图、安全警示牌和安全操作指导牌,明确各操作人员区域范围。
2.对于紧邻作业区域的交通路线,应分时段进行管控、严格限制车辆行驶。
3.在作业区域内设置阻挡设施,如防护墙、防护网、防撞柱等,以保护周围群众和设施等不受到垮塔等危险。
三、加强设备调试和维护管理1.设备调试前,必须经过层层审核和验收,确保设备调试与使用的安全性。
2.定期维护和检测设备的安全性和健康程度,坚决杜绝设备老化和磨损所引起的安全事故。
3.对不满足安全要求或已经出现安全隐患的设备,在安全评估和管理部门的建议下,停止使用、进行维修。
四、加强作业协调和监管1.多塔作业的各项活动之间必须建立有效的组织协调机制,明确各操作人员之间的责任,保证工程的完整性、全面性和可靠性。
2.加强对作业现场的监测和监控,及时发现、处理危险因素,避免作业设备碰撞。
三、建立事故报告和处理机制1.建立健全事故报告义务制度,要求任何一次作业发生事故都应当及时向组织协调人员进行汇报。
一、背景随着城市化进程的加快,高层建筑日益增多,多塔作业成为建筑行业的重要作业方式。
多塔作业涉及到多个建筑同时施工,存在着作业面狭小、作业空间受限、施工环境复杂等问题,给施工安全带来了极大的挑战。
为提高多塔作业施工安全,确保工程质量和进度,特制定本专项方案。
二、目标1. 保障多塔作业施工人员的人身安全;2. 确保多塔作业施工质量达到国家标准;3. 优化施工组织,提高施工效率;4. 减少施工过程中的环境污染。
三、组织机构及职责1. 成立多塔作业专项领导小组,负责制定、实施和监督本方案;2. 设立多塔作业现场指挥部,负责现场施工的指挥和协调;3. 施工单位应设立安全生产管理机构,负责施工现场的安全管理工作;4. 各相关部门应按照职责分工,共同推进多塔作业专项工作。
四、施工准备1. 技术准备:对多塔作业施工图纸进行审核,确保设计合理、安全;对施工人员进行技术交底,明确施工工艺、操作规程和安全注意事项;2. 材料准备:确保施工材料符合国家标准,并进行质量检验;3. 设备准备:检查施工设备,确保其性能良好、安全可靠;4. 人员准备:组织施工人员参加安全培训,提高安全意识。
五、施工过程控制1. 施工安全:严格按照施工方案执行,加强现场安全管理,确保施工人员的人身安全;2. 施工质量:严格执行施工规范,加强施工过程中的质量控制,确保工程质量;3. 施工进度:合理安排施工计划,确保工程进度;4. 施工环境:加强施工现场的环境保护,减少施工过程中的环境污染。
六、应急处理1. 制定应急预案,明确应急组织、职责和程序;2. 定期开展应急演练,提高应急处置能力;3. 发现安全隐患,立即采取措施进行整改;4. 发生安全事故,立即启动应急预案,组织救援。
七、总结与评估1. 施工结束后,对多塔作业专项方案进行总结,分析施工过程中的优点和不足;2. 对施工过程中的安全、质量、进度和环境等方面进行评估,为今后类似工程提供借鉴;3. 针对评估结果,提出改进措施,完善多塔作业专项方案。
多塔作业安全措施方案
在进行多塔作业时,为了确保作业人员和周边人员的安全,必须采取一系列安全措施。
一、前期准备安全措施:
1、做好场地安全检查:每个施工活动必须首先进行场地安全检查,以确保施工场地和周围环境的安全。
在进行施工前,必须确保场地被清理干净,没有危险物品,地面平整,不会对作业人员造成伤害。
2、培训作业人员:多塔作业需要专业的人员进行。
在进行任何作业之前,必须对作业人员进行专业的培训,确保他们熟悉多塔作业的相关规定和要求,并具备相应的技能和经验。
3、确保必要的安全设备:人员必须使用必要的安全设备,包括头盔、防护眼镜、安全带和防滑鞋。
此外,还必须确保一些额外的安全设备,如安全绳、熔断器等,以保证人员的安全。
4、安排作业时间和区域:确定作业时间和区域,尽可能地避免在高峰期和繁忙区域进行多塔作业。
二、多塔作业阶段安全措施:
1、搭建多塔安全措施:要确保多塔能够承受施工人员和设备的重量,并防止多塔倒塌。
在搭建多塔的过程中,必须使用专业的工具和设备,确保扣合牢固、连接牢固,不会松动。
多塔作业安全措施多塔作业是指在同一工地上同时存在多个塔吊进行作业的情况。
由于塔吊作业涉及高空作业和重物吊运,存在一定的安全风险。
为了保障施工现场的安全,必须采取一系列的安全措施。
本文将详细介绍多塔作业的安全措施。
一、塔吊的选型和布置在进行多塔作业之前,首先需要根据工程的需求选择合适的塔吊型号。
在选型过程中,需要考虑塔吊的额定起重量、臂长、高度和平衡荷载等技术指标,并根据施工现场的实际情况进行布置。
塔吊之间的距离应满足操作和安全的需要,不能过于靠近,以免发生碰撞、干扰和倾倒等事故。
二、塔吊的日常维护和检修塔吊的日常维护和检修是确保其正常运行和安全使用的关键。
必须按照规定的要求进行日常巡视、润滑和维修,及时排除故障和隐患。
特别是在多塔作业时,要加强对吊钩、钢丝绳、驾驶室和操作控制系统的检查,以确保其正常工作和可靠性。
三、塔吊的稳定性塔吊的稳定性是多塔作业安全的关键。
在布置塔吊时,必须按照规定的要求进行基础施工,确保塔吊的基础坚固和牢固。
同时,还要根据塔吊的高度、臂长、起重量和工作范围确定安装方式和支撑措施,保证塔吊的稳定。
四、作业人员的合理分配和培训多塔作业需要一支经验丰富、技术过硬的作业人员团队。
在施工过程中,必须根据实际需要合理分配作业人员,并根据塔吊操作的特点和要求进行培训。
作业人员要具备一定的专业知识和技能,熟悉塔吊的操作规程和安全操作流程,掌握应急处置措施,以保证塔吊的安全运行和作业顺利进行。
五、严格的作业规范和管理在多塔作业中,必须坚持严格的作业规范和管理,确保各个塔吊的作业按照标准和要求进行。
这包括规定作业人员的作业时间和休息时间,保证作业人员的身体和精神状态良好;要严禁操作人员在不符合安全要求的情况下进行作业;要定期组织塔吊作业的技术交底和安全培训,加强安全意识和责任意识的教育和培养。
六、安全监控和报警系统为了及时掌握塔吊的工作状态和安全事故的发生,必须安装安全监控和报警系统。
这些系统可以通过传感器和监控设备及时检测塔吊的运行状态和负荷情况,一旦发现异常和风险,会自动报警并采取相应措施,避免事故的发生和扩大。
多塔作业施工方案(3)
一、项目概述
多塔作业是一种在建筑工程中常见的高空施工方式,通常用于高楼大厦的建设。
本文将对多塔作业的施工方案做详细介绍,以确保工程可以高效进行。
二、施工准备
1. 前期准备
在进行多塔作业之前,需要对施工现场进行充分的准备工作。
包括但不限于:•完善施工计划和方案
•确保各项设备齐全,并进行检查和测试
•建立施工团队,明确各自职责和任务
2. 安全措施
高空作业存在较大的安全风险,因此需要采取有效的安全措施来保障施工人员
和设备的安全。
包括但不限于:
•制定安全操作规程,明确作业程序和安全注意事项
•做好现场警示标识和隔离措施
•配备必要的安全装备,如安全带、头盔等
三、多塔作业流程
1. 搭设作业平台
首先需要在建筑物的不同层面搭设作业平台,以便施工人员进行作业。
搭设作
业平台需要严格按照工程要求和标准进行,确保平台稳固可靠。
2. 施工作业
在搭设好作业平台后,施工人员可以进行各项作业工作,如打砌、刷墙等。
在
施工过程中需要注意作业人员的安全和作业质量,确保工程进度和质量。
3. 拆除作业平台
当施工完成后,需要将作业平台拆除。
拆除作业平台也需要按照规范进行,避
免发生意外。
四、施工总结
多塔作业是一种高难度的施工方式,需要施工人员具备较高的技术水平和丰富的经验。
通过本文的介绍,相信能对多塔作业的施工方案有更深入的了解。
以上是多塔作业的施工方案,希望对您有所帮助。
多塔作业安全措施方案
多塔作业是一项具有高风险的危险作业,如果不采取安全措施,这项作业很容易引发诸如火灾、爆炸等事故。
因此,安全措施在多塔作业中至关重要。
下面介绍有关多塔作业安全措施的方案。
首先是对多塔作业人员的安全培训。
在作业前,应做好前期准备,包括对多塔作业人员进行充分的安全培训,使其及时了解和认识相关安全知识,特别是对多塔作业使用器材时的各种安全注意事项。
其次是现场环境安全控制。
在多塔作业中,应该根据情况重点检查作业区域的安全情况,保证三类区域的安全,即作业区域的治安情况,作业区域的工作环境和安装的器材的安全。
第三是作业流程安全控制。
在多塔作业过程中,应该遵循“安
全-稳定-可靠”的原则,以减少可能发生的危险情况,并应根
据实际情况编制安全作业程序,以确保作业顺利进行。
第四是现场安全措施的督导和监测。
在多塔作业过程中,应对现场安全措施进行实时监测,不断调整,以确保多塔作业安全。
最后,要求所有参与者都必须按照安全要求来完成。
作业人员应严格遵守安全操作规定,不得随意更改,不得超过安全范围作业,自觉遵守安全规定。
另外,监督人员也应当不断加强对作业人员的监督,以确保多塔作业的完成,确保作业安全。
总之,多塔作业的安全问题非常重要,应当采取有效的措施来控制风险,以确保多塔作业的安全。
安全措施方案应根据具体情况制定,努力提供更安全、更高效的服务。
多塔作业安全专项
方案
1
某某某工程
塔式起重机多塔作业
安
全
专
项
方
案
编制:
审批:
批准:
施工单位:
监理单位:
编制日期:
2
塔吊防碰撞措施专项施工方案审批表
3
目录
一、工程概况
二、编制依据
三、危险源分析及对应安全措施
四、安全使用措施
五、应急措施
六、应急预案
4
工程塔机安全专项方案
一、工程概况:
工程名称:
施工单位:
建设单位:
监理单位:
安装单位:
某某某工程位于。
本工程为两栋18层框剪结构,其中2#楼的地下l层人防地下室,地上18层住宅楼,建筑物总高度50. 4m,总建筑面积31858. 17 ㎡。
为了满足工程需要,项目部决定安装两台型号为QTZ63型塔式起重机作为垂直运输设备。
湖北广夏设备租赁有限公司的QTZ63型塔机施工l#楼,安装臂长50m,首次安装高度为25 m;武汉世峰建设机械有限公司的QTZ63型塔机施工2#楼,安装臂长50m,首次安装高度为15m。
两台塔机在使用过程中存在交叉作业相互碰撞、现场临时道路上空高空坠物、2#楼塔吊北而距树(25m)、1#楼塔吊南面45m有距地12m (380V)高压线等安全风险,为确保塔机使用安全,特制定该专项方案。
选用塔机基本信息参数:
5。