水工钢闸门设计
- 格式:doc
- 大小:1.19 MB
- 文档页数:14
中华人民共和国行业标准水利水电工程钢闸门设计规范条文说明目次总则总体布置材料及容许应力结构设计埋件设计启闭力和启闭机附录闸门孔口尺寸和设计水头系列标准附录通气孔面积的计算附录平面闸门门槽型式的选择附录闸门荷载计算的主要公式附录闸门止水橡皮定型尺寸及性能附录几种支承材料性能表附录面板验算公式及图表附录栅条稳定临界荷载计算附录压合胶木滑道和填充聚四氟乙烯板滑道的有关要求附录闸门滚轮的计算附录吊耳与吊杆的计算附录轨道的计算公式附录摩擦系数附录本规范用词说明根据原水利电力部水利水电规划设计院年及年月在年月提出送审稿同年年月正式提出本规范修订本共分章条和新增正文条文新增附录个修订附录这次修订的主要内容有充实并增加了总体布置及对高许应力的调整系数系数表增列了弧门支臂计算长度系数本规范修订本切实总结并吸取了对原适用条文的说年月本条是水利水电工程钢闸门设计时必须遵循的基本原则也是本规范所遵循的方针和应达本条为原规范第适用范围增加了沿用原规范第关于闸门的分类本规范只提出按工作性质划分闸门的规定至于其他如导大致可这些数值界限沿用原规范第据调查本条为原规范第通过的高度上予以认定从应尽量符合修订为应符合本条为原规范第这是当前国际上结构设计验算的先进方法大势所趋但要达到这一步必须具备一定条件通过一系列大规模调查待条件成熟后即可过渡到可靠度理论参照先进国家水工钢结构设计规范如德国就是这样规定的同时结构和工作条件参考有关设计手册去选择一般规定沿用原规范第原规范第这样可据调查以致闸是导致该门支臂失稳破坏的原因之出口回流和淹没出流同样也易引起闸首先在布置上应尽量避免才出现门槽顶部和闸孔同时过水沿用原规范第是否需要局部开启或快速关闭等对门型选择都有很大关系在出口设弧门有利在中部或进口选弧门要设较大当操作水头较大时湖南省岑天河电站自动挂脱梁一沿用原规范第原条文的规定是合适的需同时小开度提升多孔本条为原规范第原条文只规定这次修订时增加了应满足门槽混凝土强度与抗渗要求空蚀不利年月水利水电科学研究院水本条为原规范第数量机组没有安装按条文规定设置为宜本条是根据根据国内已建露顶式闸门例统计闸门超高如下个数合计本条为原规范第艹对于冰冻沿用原规范第对通气孔的要求是安全可靠通气孔上端应远离行人处其下口有条件者最好做到均匀通气本条为原规范第根据国内余座利用节间充水平压闸门的调查对小于同时提出注意事项设导水装置和使节间充水启门力与整扇闸门静水启门沿用原规范第原条文的规定年代初在我国有采用铆接但对一些有特殊要求的部位连接本条为原规范第第二款对启闭机的设置高程和机房尺寸提出了要求至少要大于对第三款增加露顶式闸门尺寸的规定系根据已建工程调查中运行单位提出的本条为原款规范第钢闸门防腐蚀的主要关键然后进行预处理涂车间底漆并按制造安装规范要求予以保证其必要的粗糙度其次根据不同工作条件选还要制定妥善的维修保养制度等泄水系统沿用原规范第从调查看低水头闸门绝大多数没扇工作闸门作为备用门的方法来解因后者属于不设检修闸门的条件下如何具体解决工作闸门检修的方法之一本条为原规范第增加了尚应研究在事故闸门前设置检修闸门的必要性其闸门是设置事故门关于据国内调查同时也有些反面教训沿用原规范第经研究从统计资料分析根据实践经沿用原规范第据调查即保持一定的收缩率一般可选用压缩比据国沿用原规范第据调查否则在洞中积沙难以防止泥沙淤积过高据调查泥沙对边墙磨损很厉害特别对边界有突变抗磨材料目前处于试验研究中但在设沿用原规范第据调查据调查下闸后检查发现底槛及门槽下游遭磨蚀或局部破坏的事例也不少综合考虑沿用原规范第经研究要从下列数点予以注意宜小于对平面闸门此外根据国内近它是靠偏宜经论证和试验可以选用据调查我国近年来有约年年这个问题具有一定的普遍性从设计角度闸门冲击避免胸墙底部空腔产生水气锤作用支臂端部适当加振动开度等沿用原规范第据调查此外尚有壳体闸门及水力操作闸门等所以在条文中提出因地制宜灵活选用的原则本条为原规范第增加了对特别重要的进洪闸或泄洪闸等宜设置事故检修闸门这主要指闸门在挡水时期发这在国内目前没有先例是否会出本条是根据条内容并综合原规范第据调查所以在有条所以在条文中提出当然南和福建等省均有此种布置的闸阀型式最大的锥形阀设在广东枫树坝电一般启闭机为锥形阀均布置于泄水建筑物的出口处山西汾河水库为平置式云南以礼河二级电站为竖置式一般向下斜置的锥形阀其直径均小于当阀直径大于斜置角度约为沿用原规范第据调查在河南浮体闸用得较为普遍虽然大多数为混凝土或钢丝网水泥也有因本条为原规范第经研究经调查和与上述地区的有关同志座谈认为挡潮闸的闸门门型大都是平面闸门一般均要求在潮水涌现时若干孔闸门能大量流去故排灌本规范仅就原则提示本条为原规范第据调查沿用原规范第据调查根据国内调查由于布置上的缺陷图鹤地水库弧门为而在后二个工程上根据正反两方面的教训和经采取措施有其金属结构设计的主要关键在于选择合理的当要求在拍门引水发电系统沿用原规范第据调查和研究主要着眼于总结实据国内快速闸门吊在孔口用它挡水大多数为低水头大流量转桨式机组一般只设检修闸门和事故闸门如浙江设事故闸门较为有利沿用原规范第据调查本条为原规范第本次修订时增加了应配有准确的开度指示控制器沿用原规范第据调查除此以外充水孔要有足够面积本条为原规范第所以必要的卸污平台是必抽水蓄能电站但抽水蓄能电站今后必将为一种有发展前途的电年长尾水洞除于尾水洞出口处设检修闸门和拦污栅外设在尾水管厂房内贯流式机组电站近十几年来国内亦陆续兴建组本身对防飞逸装置较可靠动对拦污栅的影响根据国内外荷载沿用原规范第本条为原规范第增加了水锤压力和地震动水压力两项地震力对闸门结构起作用的力为地震动水压力对下游无水的浅孔式设计烈度度设计烈度度设计烈度度设计烈度度设计烈度度设计烈度度根据国家地震基本烈度分布图分析弧门支腿影响较大本条为原规范第增加了在校核水头下的地震动水压力本条为原规范第删去了地震动水压力和沿用原规范第因考虑了不均匀或超载系某些闸门曾产生较强烈的振动进渠因此流体与闸门结构的相互作用不力计算方法年以来闸门振动问题进行的大量原型观测资料以及模型试规范中的动力系数系指闸门可能承受的某些直接作用于门体并且作用时间较长的动力荷载例如水流及波浪对闸门的冲击以及在动水操作中闸门其理由如下弧形门及西津溢流坝面工作门动力系数的原型观测资料如下表密云水库潮河输水洞出口弧形闸门动力系数原型观测资料见表表西津溢流坝工作门原型观测资料因此在某一开度下的静荷载加水操作的相对开度为式中压力脉动的空间尺度在水跃区约为水下固体边界面积的因此作用于固体边界的总动水压力脉动的强度为式中由于式中所以因此在规范动力系数振动力大动力系数沿用原规范第材料及容许应力材料本条为原规范第本次修订了两项本条为原规范第根据现行国家标准对冲击试验的合钢按计算温度分档对本条为原规范第根据现行国家标准本条为原规范第所等六个单位研制并于目前已在国内部分工程中使本条为原规范第这种材料摩擦系数不稳定等同时根据填充聚四氟乙烯板滑道和钢基铜塑复合材料已经在部分工程支承滑道上采用武汉水利电力学院等单位又研制了本条为原规范第根据现行国家标准本条为原规范第根据国家标准本条为原规范第根据现行国家标准本条为原规范第根据现行国家标准本条为原规范第根据现行国家标准容许应力本条为原规范第钢取用许用应力规定如下管设计基准筑钢结构取用钢相当于从国内情况看压力钢管取对于工业与民用钢结构取但考虑年来我国水工钢闸门都是按来设计的修订中调整系数的取值为部开启的大型闸门根据设计资料和承受规定乘以动力系数其他闸门沿用原规范第铸锻造主轨和的容这是考虑到铸锻造主轨结构的匀质较差取值乘一般多采用轧制钢材断面但由于其强度储备较少乘以沿用原规范第本次按现行国家标准本条为原规范第存在问题比较的青铜轴套比压用工从我国各地的设计取用值和运行和许用比压沿用原规范第号的规定沿用原规范第沿用原规范第并根据现行国家标准沿用原规范第设计的容许应力与校核应力应有区别本条规定了规范表的容许应力值在校核情况和特殊情况下中钢材的容许应力的局部承压结构设计结构布置沿用原规范第沿用原规范第经研究经调查平面闸门主梁的设置情况大概为采用多主梁时顶中部主梁按如对部分利用水柱故提出尽可能采用修订为对下游倾角还增加了本条为原规范第本次修订对原条文第二款不大于小于年原苏联专家谢维廖夫在我国长春讲学时但此规定系根据当时已建平面钢闸门尺寸作我国在解放后所修建的平面露顶闸门其中超过限制为沿用原规范第及沿用原规范第条和第本条为原规范第根据国内外最近设计资料统计分改为改为沿用原规范第在调查中发现度大等优点本条为原规范第此条内容系将附录中相应部拟将原规范附录九闸门结构计算的主要公式本条为原规范第度比第一篇是由水利水电科学研究院结构所于年该文调查了国内已建的个深孔弧门和个露个和双悬臂框架取该文不足之处是在优化过程中将主梁断况略有出入年该文从内力分析出发要求满足下列三个条件并认为规范所提出的该论文调查统计了国内外余座潜孔式弧门和露顶式弧门扇弧完成了扇弧门主框架优化设计和单位刚度比宜取本条为原规范第则两支臂要形成一个角度所不同支臂扭角鉴于上述情况角度进行了推导先后收到在这次规范定稿会上及年式中斜支臂水平偏斜角度大于其间隙为式中斜支臂水平偏斜角度经综合比较即现举设计中较常采用当时相差而若支臂端面宽度时而间隙沿用原规范第参见较切实可行的办法根据实例调查和初步理论分析大致可采用如下措施主框架平面外的刚度要切实予以保证对于露顶式弧门由于门顶可能临时漂过水浪沿用原规范第据调查从运行情况来看沿用原规范第经研究不产生弯矩故结构拱轴线采用圆拱轴线的矢高比接近左右有的拱形门由于刚度很小结构计算沿用原规范第沿用原规范第本条为闸门结构强度验算的基本要求原条文规定为流水中的工作门检修门悬臂梁梁格辅助构件条规定为主要结构的主梁同时在说明中说条规定第条规定受弯构件的值为手动吊车和单梁吊车主梁其他梁轻型屋面其他屋面支柱砖石砌体墙的横梁石棉瓦和铁皮墙的横梁关于受弯构件的挠度在水工闸门上挠度过大带来的问题主要有特别是当闸门采用上游止水时经过分析对比沿用原规范第沿用原规范第经研究本条为原规范第面板及其参与梁系有效宽度的计算为了建立符合钢闸门面板又对福建省闽东水电站进根据试验成果并与面板的局部弯应力按弹性薄板理论计算而且认屈服点具体意见分述如下和图室内试验成果如图弯曲应力原型观测成果如图这是闽东水电站进水口钢闸门原型实测和表中部区格面板中点挠度的实测值和理论值的差值注计算值系按四边固定支承薄板受匀载的挠度计算值因此钢闸门中部区格面板的局部弯应力建议按四边固定支承板计算是符合面板的实际受力情况闸门面板应力由试验结果分析可知深孔多主梁钢闸门的边区的区格和图的区格的区格和图的区格面板与边部梁格相连支承边的实际工作不是完全固定该支承边的实际作用负弯矩值减少约为按固定边计算的负弯矩的而跨中正弯矩值略为为了简化和统一计算起见仍可近似地按四边固定板计算局部弯应力边的弹性固定很弱其试验条件为水头差所量测的面板应力值为局部应力和整体弯曲应力相叠加的应力接承受传递水压力本身发生挠曲变形产生局部弯应力故面板上下游面的应力由于主梁整体弯曲对仅需考虑局部弯曲应力图图图图为各截面应力分布图为按平面体系计算值图闸门面板应力截面应力分布图闸门面板应力截面应力分布闸门面板应力平面布置图截面应力分布图截面应力分布图面板的受力情况比较复杂如沿支承边局部弯矩为负值跨对于如沿支承边局当则恰与故为异号双向应力而下游面根据理论分析与试验结果均说明面板在故面板应力的控制点为比的作用会促使故应按第四强度理论验算面板的折算应力截面应力分布图应力情况应力情况图式中面板的折算应力布置成大于当闸门面板为适应水压力分布规律点下游面可能为图式中为点应力即式中从室内模型的弹塑性阶段试验成果表明可将其容许应力提高到钢材的屈服点计荷载的随着荷载的继续增加形向面板中部开展面板的塑性为其中为工点故初式中面板计算区格中心的水压力强度主梁截面选定后应按图及图验算点上游面和对于但亦可用解联立方程式引进系数方法解规范计算方法的据调查国外规范都有锈蚀裕度的规定新增加条文的主要公式对圆柱铰和锥形铰可取系根据年第原规范附录九中所列弧门支臂的计算长度系数调查分析了弧形闸门主框架各种型式以下推导内容以下公式和附图所采用的符号均沿用原文屈曲柱的计算简图可表示成图图中和经推导得出临界荷载的特征方程可表示如下式中两侧止水弹簧起作用一侧止水弹簧起作用图屈曲柱如图程变为式中横梁与支臂的单位刚度比式中一般反对称屈曲模型最为不利绘制成六组弧门主横梁式梯形框架如图为了求得该框架的临界式中总刚度矩阵临界荷载图一侧有两根柱的露顶弧门柱的计算长度系数图一侧有三根柱的露顶弧门柱的计算长度系数图潜孔弧门柱的计算长度系数图一侧有两根柱的露顶弧门的计算长度系数图一侧有三根柱的露顶弧门的计算长度系数图潜孔弧门柱的计算长度系数和相应的轴向力求得支臂的有效长度系数图主横梁式梯形框架图梯形框架柱的计算长度系数用所示框架分成个单元和程组横梁与支臂的单位刚度比和组橡皮止水的弹簧常数值即本程序中计算了在各种和成经研究主纵梁式多层三角形框架的变形可表示为对称和反对称屈曲两种模型如图和故单支臂的屈曲模态可表示成图显然反对其特征方程经导得为该方程的解示于图上述三种弧门主框架支臂的计算长度系数列于表表弧门框架支臂的计算长度系数经分析推荐弧门支臂的计算长度系数对主横梁式梯形及矩形框架对主纵梁式多层三角形框架图多层三角形框架屈曲模态图多层三角形框架柱的计算长度系数沿用原规范第拦污栅沿用原规范第据调查则原规范规定的水压差值沿用原规范第沿用原规范第拦污栅的形式沿用原规范第原规范规定经分析现推导如下根据式中栅条整体稳定的临界荷载为栅条截面对栅条的抗扭刚度当钢时因式中令代入上式得取安全因素并令沿用原规范第沿用原规范第一般规定沿用原规范第本条为原规范第据调查而镀层厚度超过约电镀费用通常镀铬层厚不宜超过而多年来水中工作的连增加了也可采用不锈钢材料这是参照国外相应本条为原规范第同的毛病而且目前还有更好材料可代替而有害处行走支承沿用原规范第据调查降低启闭力本条为原规范第据调查悬臂轮荷载已达简支轮的荷载已达还有达因此结合材料孔口宽采用简支轮的闸门孔口最大孔口宽度为这样提的目的在于通过适当措又因闸门滚轮沿用原规范第经研究偏心距可采用本条为原规范第可望维持在本条为原规范第工作闸门和事故闸门的滑道支承材料填充聚四氟乙烯板滑道为近年来新研制也是近年来新研制材料对于操作不太频繁条件下较适合复合材料制造工艺应其取值系根据实验数据和工程应用经验而定对于压合胶木滑道和钢基铜塑复合材料滑道单位压强可选用四氟乙烯板滑道单位压强可选用沿用原规范第沿用原规范第本条为原规范第本条为原规范第对闸门滚轮承载能力计算有较大修改详见附录沿用原规范第原条文的规定沿用原规范第经研究对直升平面闸门的吊耳孔明确应设置在闸门隔板或边梁的顶部由于露顶式弧门尺寸逐步艹窝等工程从布置上看也有一定优点但在借一整数时此一微小值不会影响多孔共用闸门的运行对止水却会产生良好影本条为原规范第沿用原规范第故明确规定仅在下列情况才采用吊杆沿用原规范第原条文关于吊杆分段长度的原则要求是合适的沿用原规范第增加并明确了对吊杆中间断面的计算和吊杆作为压杆时需过渡段外根据板伸入腹板长度一般为腹板高度的沿用原规范第沿用原规范第沿用原规范第止水装置沿用原规范第提出止水装置安设的位置沿用原规范第对顶止水橡皮不仅有向上翻卷现象沿用原规范第据调查提出一般用目前设计中多数选用据反另外本条为原规范第转铰式通过近十几年来实践运用故条文中提出可沿用原规范第经研究对深孔弧门的顶止水目前常用两道同时提出目前还沿用原规范第据调查本条为原规范第沿用原规范第本条为原规范第对要求焊透的增加了支臂与两端支承板及承受弯矩段腹板与翼缘据调查和理论分析这些部位的焊缝很重要沿用原规范第沿用原规范第沿用原规范第经研究疲劳强度高可大型闸门门叶的拼接沿用原规范第埋件设计本条为原规范第本次修订时增列了门槽混凝土面距离门体不宜小于如前苏联规范及日本以致造成闸门据调查采用一期混凝土安装混凝土安装我国有些工程但是由于门故没有本条为原规范第为沿用原规范第据调查当过闸流速因此须采取措施以保护底板及门槽底部的侧初步实践证明混凝土等效果尚可有些地方采用铸铁衬护由于使用不多沿用原规范第沿用原规范第根据调查沿用原规范第经调查和分析图门楣相对尺寸电站进水口观测资料认本条为原规范第本次修订时增加了填充聚四氟乙烯板滑道与轨头设计宽度和轨沿用原规范第沿用原规范第沿用原规范第深孔弧门支铰沿用原规范第据调查目前有些深孔闸门在门槽内设置侧向导轨因而在整个门槽内就没有必要设置副轨与沿用原规范第经研究拦污栅埋件设计底槛则偏小根据实践经验选用且根据具体运用条件启闭力和启闭机启闭力计算沿用原规范第大于闸门充水平压水压差均达闸门自重修正系数及加重块不沿用原规范第经研究因此计算启闭力应沿用原规范第经研究理由为拦污栅产生水位差同时电站运行规程对清污也沿用原规范第沿用原规范第据调查在多泥沙河道上设置闸门沿用原规范第经研究小型闸门由于闸门自重小所以计算启闭力不易准确讨论中有人建议用应根据计算准确程度启闭机选择本条为原规范第增加了但不得超过本条为原规范第据调查据运行经。
水利水电工程钢闸门设计规范Hydraulic and Hydroelectric EngineeringSpecification for Design of steel GateDL/T5013—95主编单位:批准部门:1总则1.0.1为在水利水电工程钢闸门设计中贯彻执行国家的技术经济政策,确保质量,做到技术先进、经济合理、运行安全,特制定本规范。
1.0.2本规范适用于水利水电工程钢闸门(含拦污栅)的设计。
设计钢闸门时,尚须符合现行的国家和水利水电行业标准有关规定。
1.0.3水利水电工程的钢闸门,按其工作性质主要可分为:(1)工作闸门:系指承担主要工作并能在动水中启闭的闸门;(2)事故闸门:系指当闸门的下游(或上游)发生事故时,能在动水中关闭的闸门;当需快速关闭时,也称为快速闸门;这种闸门宜在静水中开启;(3)检修闸门:系指水工建筑物和机械设备等检修时用以挡水的闸门,这种闸门宜在静水中启闭。
1.0.4设计闸门时,应根据具体情况分别具备下列有关资料:(1)水利枢纽的任务和水工建筑物的布置;(2)闸门的孔口尺寸和运用条件;(3)水文、泥沙、水质、漂浮物和气象方面的情况;(4)有关闸门的材料、制造、运输和安装等方面的条件;(5)地质、地震和其他特殊要求等。
1.0.5闸门孔口尺寸和设计水头的选定,应符合附录A“闸门孔口尺寸和设计水头系列标准”的规定。
1.0.6本规范采用容许应力方法进行结构验算。
凡未确规定的计算方法,只要能准确、可靠、简便地求得结构内力及应力,计算方法可酌情选择。
2总体布置2.1一般规定2.1.1闸门应布置在水流较平顺的部位,应尽量避免门前横向流和漩涡、门后淹没出流和回流等对闸门运行的不利影响。
闸门布置在进口时,尚应避免闸孔和门槽顶部同时过水。
2.1.2闸门型式的选择,应根据下列因素综合考虑确定。
(1)水利枢纽对闸门运行的要求;(2)闸门在水工建筑物中的位置、孔口尺寸、上下游水位和操作水头;(3)泥砂和漂浮物的情况;(4)启闭机的型式、启闭力和挂脱钩方式;(5)制造、运输、安装、维修和材料供应等条件;(6)技术经济指标等。
露顶式平面钢闸门设计一、设计资料闸门形式:露顶式平面钢闸门;孔口净宽:3.0m;设计水头:2.8 m;结构材料:Q235钢;焊条:E43;止水橡皮:侧止水用P形橡皮;行走支承:采用胶木滑道,压合胶木为MCS-2;砼强度等级:C20。
参考资料:《水利水电工程钢闸门设计规》(SL74 -95)、《水工钢结构》。
二、闸门结构形式及布置1、闸门尺寸的确定,如图-1所示:1)闸门的高度:考虑风浪所产生的水位超高为0.2m,闸门的高度 H=2.8+0.2=3.0m;2)闸门的荷载在跨度为两侧止水间的跨度:L0=3.0m ;3)闸门的计算跨度:L=L0+2 × 0. 15=3.30m。
图1 闸门主要尺寸图2、主梁形式的确定。
主梁的形式根据水头的大小和跨度大小而定,一般分为实腹式和行架式,为方便制造和维护,采用实腹式组合梁。
3、主梁布置。
当闸门的跨度L不大于门高H或L/H<1.5时,采用多主梁式。
根据每根主梁承受相等水压力的原则进行布置,保证主梁尺寸一致,便于制作安装。
水面至门底距离为H,主梁个数n,对于露顶式闸门,第K根主梁至水面的距离为y k,则:本次设计根据实际情况采用两根主梁,采用两根主梁布置时,应该对称于水压力合力的作用线 ⎺y=H/3=2.8/3=0.93m,闸门上悬臂C 不宜过长,通常要求C≤0.45H=0.45×2.8=1.26m,下悬臂a≥0.12H,则a=0.33≈0.12H=0.336(m )主梁间距2b=2( y-a)=2×(0.93-0.33)=1.20m则C=H-2b-a=2.8-1.2-0.33=1.27≈0.45H (满足要求) 4、梁格布置。
梁格布置一般分为:简式、普通式、复式三种。
设计跨度较小且宽高比L/H<1.5时,可不设次梁,面板直接支承在多根主梁上。
本设计采用普通式,不设水平次梁,只在竖向设两道横隔板。
图2 梁格布置尺寸图5、梁格连接形式。
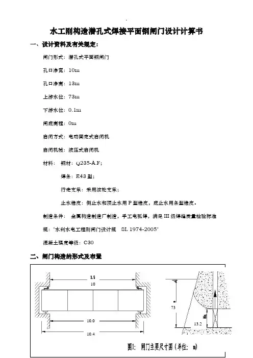
水工刚构造潜孔式焊接平面钢闸门设计计算书一、设计资料及有关规定:闸门形式:潜孔式平面钢闸门 孔口净宽:10m 孔口净高:13m 上游水位:73m 下游水位:0.1m 闸底高程:0m启闭方式:电动固定式启闭机 启闭机械:液压式启闭机 材料: 钢材:Q235-A.F ;焊条:E43型;行走支承:采用滚轮支承;止水橡皮:侧止水和顶止水用P 型橡皮,底止水用条型橡皮。
制造条件: 金属构造制造厂制造,手工电弧焊,满足III 级焊缝质量检验标准 规:"水利水电工程刚闸门设计规 SL 1974-2005" 混凝土强度等级:C30二、闸门构造的形式及布置10.01013.273(一)闸门尺寸确实定〔图1示〕1 闸门孔口尺寸:孔口净跨:10m孔口净高:13m闸门高度: 13.2m闸门宽度: 10.4m荷载跨度: 13.2m计算跨度: 10.4m2 计算水头:73m〔二〕主梁的布置1.主梁的数目及形式主梁是闸门的主要受力构件,其数目主要取决于闸门的尺寸。
因为闸门跨度L=10m,闸门高度h=13m,L<h。
所以闸门采用5根主梁。
本闸门属中等跨度,为了便于制造和维护,决定采用实腹式组合梁。
2.主梁的布置本闸门为高水头的深孔闸门,孔口尺寸较小,门顶与门底的水压强度差值相对较小。
所以,主梁的位置按等间距来布置。
设计时按最下面的那根受力最大的主梁来设计,各主梁采用一样的截面尺寸。
3.梁格的布置及形式梁格采用复式布置与等高连接,水平次梁穿过横隔板所支承。
水平梁为连续梁,间距应上疏下密,使面板个区格需要的厚度大致相等,布置图2示三、面板设计根据"钢闸门设计规SDJ—78〔试行〕"关于面板的设计,先估算面板厚度,在主梁截面选择以后再验算面板的局部弯曲与主梁整体弯曲的折算应力。
1.估算面板厚度假定梁格布置尺寸如图2所示。
面板厚度按下式计算t=a][9.0σa kp当b/a ≤3时,a=1.65,则t=a14565.19.0⨯⨯kp=0.065kp a当b/a >3时,a=1.55,则t=a 16055.19.0⨯⨯kp=0.067kp a现列表1计算如下:根据上表计算,选用面板厚度t=44mm 。
目录一、设计资料 (2)二、闸门结构的形式及布置 (2)三、面板设计 (4)四、水平次梁、顶梁和底梁的设计 (5)五、主梁设计 (10)六、横隔板设计 (16)七、纵向连接系设计 (17)八、边梁设计 (18)九、行走支承设计 (20)十、滚轮轨道设计 (21)十一、闸门启闭力和吊耳计算 (22)十二、液压式启闭机 (23)水工刚结构露顶式焊接平面钢闸门设计计算书一、设计资料1、闸门形式:露顶式平面钢闸门;2、孔口尺寸(宽*高):18m*15m;3、上游水位:14.8m;4、下游水位:0.2m;5、闸底高程:0m;6、启闭方式:液压式启闭机;7、材料:钢结构:Q235-A.F;焊条:E43型;行走支承:滚轮支承;止水橡皮:侧止水用p型橡皮,底止水用条形橡皮;8、制造条件:金属结构制造厂制造,手工电弧焊,满足III级焊缝质量检验标准9、规范:《水利水电工程闸门设计规范SL 1947-2005》二、闸门结构的形式及布置1、闸门尺寸的确定(如下图)闸门高度:考虑风浪所产生的水位超高为0.2m,故闸门高度=14.8+0.2=15m;闸门的荷载跨度为两侧止水的间距:L1=15m;闸门的计算跨度:L=L0+2×0.2=18+0.4=18.4m。
2、主梁的形式主梁的形式根据水头合跨度大小而定,本闸门属中等跨度为了便于制造和维护,决定采用实腹式组合梁。
3.主梁的布置因为L=18.00<1.5H=1.5X15=22.5所以是选取7跟主梁。
根据公式计算每一根主梁距水面的距离,K及第K跟主梁,得:y1=3.78m; y2=6.91m; y3=8.95; y4=10.60m; y5=12.02m; y6=13.29m;y7=14.45m 具体布置见下图:4梁格的布置和形式梁格采用复式布置和等高连接,水平次梁穿过横隔板上的预留孔并被横隔板所支承。
水平次梁为连续梁,其间距应上疏下密,使面板各区格所需要的厚度大致相等,梁格的布置具体尺寸见下页图。
漏顶式平面钢闸门设计一、设计资料闸门形式:溢洪道漏顶式平面钢闸门孔口净宽:10m设计龙头:5.8m结构资料:3号钢(Q235)焊条:E43型止水橡皮:侧止水为P型橡皮,底止水为条形橡皮行走支承:采用双滚轮式,采用压合胶木定轮轴套,滚轮采用国家定型产品钢筋混凝土强度等级:C20二、闸门结构的形式及布置1、闸门尺寸的确定闸门高度:不考虑风浪所产生的水位超高,H=5.8m;闸门的荷载跨度为两侧止水的间距:L1=10m;闸门的计算跨度:L=L0+2d=10+2×0.2=10.4m,其中,d为行走支承中心线到闸墩侧壁的距离。
2、主梁的形式主梁的形式应根据木头和跨度大小而定,本闸门属于中等跨度,为了便于制造和维护,决定采用实腹式组合梁。
3、主梁的布置由于L>1.5H,所以采用双主梁式。
为使两个主梁在合计水位时所受的水压力相等,两个主梁的位置应对称与水压力合力的作用线y'=H/3=1.93m,并要求下悬臂a≥0.12H,且a≥0.4m,同时满足于上悬臂c≤0.45H,且a≤3.6m,今取a=0.7m≈0.12H=0.696m;主梁间距:2b=2(y'-a)=2×(1.93-0.7)=2.46m;则c=H-2b-a=5.8-2.46-0.7=2.64m≈0.45H=2.61m,且c<3.6m,满足要求;闸门的主要尺寸如图所示.4、梁格的布置和形式梁格采用复式布置和等高连接,水平次梁穿过横隔板上的小孔并被横隔板所支承,水平次梁为连续梁,其间距上疏下密,使面板各区格需要的厚度大致相等,梁格布置的具体尺寸见图2所示。
5、联结系的布置和形式(1)横向联结系根据主梁的跨度,决定布置三道横隔板,其间距为10.4/4=2.6m,横隔板兼做竖直次梁。
(2)纵向联结系设在两个主梁下翼缘的竖平面内,采用斜杠式桁架。
6、边梁采用双复板式,行走支承采用双滚轮式;滚轮安装于边梁双腹板中间,为减小滚动摩擦力,采用压合胶木定轮轴套;滚轮采用国家定型产品。
6 金属结构设计6.3 金属结构设计计算6.3.1 设计资料(1)闸门型式:露顶式平面钢闸门 (2)孔口尺寸(宽×高):6m×3m (3)设计水头:3.16m (4)结构材料:Q235钢 (5)焊条:E43(6)止水橡皮:侧止水型号采用P45-A ,底止水型号采用I110-16 (7)行走支承:采用胶木滑道,压合胶木为MCS-2 (8)混凝土强度等级:C25(9)规范:《利水电工程钢闸门设计规范》(SL74-95)6.3.2 闸门结构的形式及布置 6.3.2.1 闸门尺寸的确定1.闸门高度:考虑风浪产生的水位超高,将闸门的高度确定为3m 。
2.闸门的荷载跨度为两侧止水的间距:L 0=6.0m3.闸门计算跨度:L=L 0+2d=6.0+2×0.15=6.3m6.3.2.2静水总压力闸门在关闭位置的静水总压力如图6.1所示,其计算公式为:229.8344.1/22gh P kN mρ⨯===图6.1 闸门静水总压力计算简图P6.3.2.3 主梁的形式主梁的形式应根据水头的大小和跨度大小而定,本设计中主梁采用实腹式组合梁。
6.3.2.4主梁的布置根据主梁的高跨比,决定采用双主梁。
两根主梁应布置在静水压力合力线上下等距离的位置上,并要求两主梁的距离值要尽量大些,且上主梁到闸门顶缘的距离c小于0.45H,且不宜大于3.6m,底主梁到底止水的距离应符合底缘布置的要求。
故主梁的布置如图6.2所示图6.2 主梁及梁格布置图6.3.2.5 梁格的布置和形式梁格采用复式布置并等高连接,并使用实腹式竖向隔板兼作竖直次梁,使水平次梁穿过隔板上的预留孔而成为连续梁,其间距上疏下密,面板各区格需要的厚度大致相等,具体布置尺寸如图6.2所示。
6.3.3 面板设计根据《利水电工程钢闸门设计规范》(SL74-95),关于面板的计算,先估算面板厚度,在主梁截面选择之后再计算面板的局部弯曲与主梁整体弯曲的折算应力。
水利水电钢闸门设计规范篇一:闸门技术要求闸门基本技术要求1 安装运行、维修的环境1.1 安装处所:室外1.2 海拔高度:1200m1.3 环境空气温度最高运行温度:40℃最低运行温度:-25℃最低存放温度:-30℃1.4 相对湿度: 80%1.5 介质为含沙水1.6 介质温度:0℃~35℃2 技术数据3 闸门技术要求3.1闸门设计工作压力:进水闸门单向承压:正向受压: 0.2Mpa反向受压: 0 Mpa检修闸门单向承压:正向受压: 0.2Mpa反向受压: 0 Mpa工作行程:进水闸门:3.7m出水闸门:3.7m最大行程:进水闸门:10.3m(1台)出水闸门:10.3m(1台)闸槽高度(初定):进水闸门:13.6m(1台)出水闸门:13.6m(1台)3.2 主要构件材质要求:门板、楔块:Q235C闸槽、门楣、底槛:耐腐蚀合金铸铁密封圈:橡塑复合材料(闸门板与闸槽的摩擦系数不得大于0.4)滑块:MBJ尼龙螺杆、连接杆、连接套筒、紧固件:1Cr133.3 构造3.3.1闸门为明杆升降形式,要求中间设若干轴导架用于固定支撑传动杆,轴导架安装于混凝土侧墙上,孔内设有铜合金轴套,以保证传动杆在受力情况下不变形。
3.3.2由于进水闸门和出水闸门最大提升高度(检修行程)均在13.6米以内,为检修时方便拆卸传动杆,要求传动杆采用分段联接的方式。
3.3.3闸门主要由启闭装置、螺杆、连接杆、连接套筒、门槽、门体、导向槽、密封装置、轴导架、紧固件、可调楔块等主要部件组成。
3.4 闸门门板在闸槽内应能灵活起落,关闭时密封圈应接触紧密,位置正确,楔块接触均匀、紧密。
3.5 泄漏量门槽与门板密封座间隙小于0.03mm闸门最大正向工作水头时泄漏量不大于1.25L/min.m3.6 防腐:3.6.1 钢材表面进行预处理,先脱脂净化,再进行喷射处理,经处理后的金属表面,要求其表面清洁度等级为Sa3,表面粗糙度等级为Ry 60~100μm。
水利水电工程钢闸门防冰冻设计钢闸门在冬季运行时往往会受到冰冻的困扰,因此必须采取防冰冻措施。
本文主要阐述了闸门防冰冻工程技术的现状,并提出相对应的措施用来保证闸门在冬季的正常运行。
标签:水利水电;钢闸门;防冰冻1、导论在现代修建的水利水电工程中,钢闸门被广泛的使用着,同时它也是水工建筑物中的重要组成部分。
闸门在水工建筑物中的主要作用是挡水、控制水流、同时根据要求全部或者部分开启闸门排泄水流、调节上下游的水位、放运船只木排、排冰、排污等。
工程设计和运行管理是否科学合理,这对于钢闸门在寒冷地区的正常运行具有十分重要的作用。
2、当前我国闸门防冰冻工程技术发展的现状目前,防冰冻工程技术的使用在我国寒冷地区比较广泛,如冬季气温比较低的西北、东北、华北和西藏等地区,防冰冻技术总共可分为六类,包括破冰工程技术、排冰工程技术、化冰工程技术、输冰工程技术、导冰工程技术以及蓄冰工程技术。
对于在渠道和枢纽区运行的闸门,主要是以化冰工程技术为主的,包括有保温法、射流法、加热法、吹泡法等。
3、冰冻对闸门的危害对于没有采取防冰冻措施的钢闸门,或者已经采取防冰冻措施,但是在运行一段时间之后因为管理、维修等问题而被撤换的钢闸门,会在超负荷情况下运行,使得闸门在冰荷载的反复作用下产生弯曲变形,更甚者则产生强度破坏,进而出现渗漏现象。
冰冻对闸门的破坏的主要原因是冰冻形成的冰盖对露顶闸门产生了十分大的冰盖推力,这就使得门叶变形或者出现损坏。
引水渠道闸门以及埋固件被冻死,这样闸门就不能正常运行,并且使冰块大量堆积堵塞,过水断面减少,不能或无法引水。
因为潜孔工作闸门在整个冬季处于挡水状态,门叶迎水面会产生巨大冰包,冰包与门叶、埋件牢固地冻结在一起,这样会使得闸门不能正常启闭,进而影响水封及启闭设备的正常使用。
若引水渠道闸门与埋固件被冻死,闸门不能启闭,在一段时间之后就会形成连底冻,这样的话就存在渠堤被冲毁这样的隐患,从而造成巨大的经济损失。
水工钢结构课程设计--露顶式闸门(大)一、露顶式闸门(大)的简介露顶式闸门(大)是一种重要的水利水电项目,它以砌筑拱形基座、水利钢筋混凝土(SRC)拱形壳、固定式调门框架和车轮机构为主要结构,由多套或少套闸板、涨落机构、涨落轮构、动力轴承、支座及其他配件组成,露顶式闸门(大)非常适用于灌溉和其他经济用水,可以满足抗裂性和端部稳定性的要求。
二、露顶式闸门(大)的结构特点1、拱形基座:采用拱形基座,既能够满足结构的强度,又能够满足脆性要求,受力均匀,大大提高了整个结构的稳定性和结构安全性。
2、SRC拱形壳:采用可再生利用的水利钢筋混凝土(SRC),耐气候腐蚀,耐用,结构坚固,实现了结构特性的一致性。
3、闸板:采用多套或少套闸板,可以实现不同的水位控制,是一种能够满足水位和结构强度的优质结构。
4、固定式调门框架:采用固定式调门框架可以调整闸门的水位,闸板的抗拉抗压,实现水位控制和开启闸门。
5、车轮机构:采用车轮机构可以实现闸板的快速开启,大大提高了系统的整体运行效率。
三、露顶式闸门(大)的技术要求1、结构强度:露顶式闸门(大)必须满足设计水位、水流要求,结构强度必须满足设计。
2、结构位移:结构的位移量不得超过设计位移量要求,以确保壳体的端部稳定性。
3、密封性:露顶式闸门(大)的闸板,必须保证水位、水流安全,并具有良好的密封性能。
4、耐久性:结构耐久性要求非常高,需要满足抗气候腐蚀性能要求。
四、露顶式闸门(大)的工程实施1、现场勘探:现场勘探是露顶式闸门(大)结构实施的前提,对具体结构进行勘察,了解水位、水流情况。
2、桩基施工:钢筋混凝土桩基是露顶式闸门(大)结构的基础,必须认真做好砌筑工作,确保结构的稳定性。
3、钢筋混凝土制作:钢筋混凝土、拱形壳必须使用可靠的钢筋混凝土进行制作,保证结构的稳定性和密封性。
4、闸板安装:闸板制作完成后,必须进行严格的安装,使闸板可以正常工作,以达到实际要求。
5、调试检验:露顶式闸门(大)安装完成后,必须进行严格检验,以确保结构安全性,能够正常开启关闭。
6 金属结构设计6.3 金属结构设计计算6.3.1 设计资料(1)闸门型式:露顶式平面钢闸门(2)孔口尺寸(宽×高):6m ×3m (3)设计水头:3.16m (4)结构材料:Q235钢(5)焊条:E43(6)止水橡皮:侧止水型号采用P45-A ,底止水型号采用I110-16 (7)行走支承:采用胶木滑道,压合胶木为MCS-2 (8)混凝土强度等级:C25 (9)规范:《利水电工程钢闸门设计规范》(SL74-95)6.3.2 闸门结构的形式及布置6.3.2.1 闸门尺寸的确定1.闸门高度:考虑风浪产生的水位超高,将闸门的高度确定为3m 。
2.闸门的荷载跨度为两侧止水的间距:L 0=6.0m3.闸门计算跨度:L=L 0+2d=6.0+2×0.15=6.3m 6.3.2.2静水总压力闸门在关闭位置的静水总压力如图6.1所示,其计算公式为:229.8344.1/22gh PkN m图6.1 闸门静水总压力计算简图P6.3.2.3 主梁的形式主梁的形式应根据水头的大小和跨度大小而定,本设计中主梁采用实腹式组合梁。
6.3.2.4主梁的布置根据主梁的高跨比,决定采用双主梁。
两根主梁应布置在静水压力合力线上下等距离的位置上,并要求两主梁的距离值要尽量大些,且上主梁到闸门顶缘的距离c 小于0.45H ,且不宜大于 3.6m ,底主梁到底止水的距离应符合底缘布置的要求。
故主梁的布置如图 6.2所示图6.2 主梁及梁格布置图6.3.2.5 梁格的布置和形式梁格采用复式布置并等高连接,并使用实腹式竖向隔板兼作竖直次梁,使水平次梁穿过隔板上的预留孔而成为连续梁,其间距上疏下密,面板各区格需要的厚度大致相等,具体布置尺寸如图 6.2所示。
6.3.3 面板设计根据《利水电工程钢闸门设计规范》(SL74-95),关于面板的计算,先估算面板厚度,在主梁截面选择之后再计算面板的局部弯曲与主梁整体弯曲的折算应力。
水工钢结构课程设计课程名称: 水工钢结构课程设计年级/专业/班:2012级水利水电工程1班学生姓名:学号: 312012*********任课教师: 徐良芳老师开课学院: 能源与环境学院水利水电工程钢结构课程设计一、设计题目1.某小型露顶式闸门设计2.拦污栅设计二、主要内容1、某露顶式平面钢闸门设计①门型式:露顶式平面钢闸门②孔口尺寸(宽⨯高): 4.5 m ⨯ 4 m③启闭方式:卷扬式启闭④材料钢结构:Q235-A.F;焊条:E43型;行走支承:胶木滑道止水橡皮:侧止水用P型橡皮,底止水用条形橡皮⑤制造条件金属结构制造厂制造,手工电弧焊,满足Ⅲ级焊缝⑥质量检验标准规范:《水利水电工程钢闸门设计规范SL 1974-2005》3、拦污栅设计①拦污栅型式:固定式平面拦污栅②尺寸(宽⨯高): 4.5 m ⨯ 4 m③水头:2m三、闸门结构的形式及布置1.闸门尺寸的确定闸门高度:考虑风浪产生的水位超高为0.2m,故闸门高度=4+0.2=4.2m闸门的荷载跨度为两侧止水的间距:L1=4.5m闸门计算跨度:L=L0+2d=4.5+2*0.2=4.9m图1 闸门的主要尺寸(单位:m)2.主梁的形式主梁的形式根据水头和跨度的大小决定,本闸门属于小跨度,为了便于制造和维护是,采用实腹式组合梁。
3.主梁的布置根据闸门的高垮比,采用2根主梁。
为使两主梁在设计水位时所受的水压力相等,两个主梁的位置应对称于水压力合力作用线y’=H/3=1.33m,并要求下悬臂a≥0.12H, 和a≥0.4m,上悬臂c≤0.45H,今取a=0.5m≈0.12H=0.48m主梁间距2b=2(y’-a)=2*0.83=1.7m则c=H-2b-a=4-1.7-0.5=1.8m=0.45H(满足要求)4.梁格的形式和布置梁格采用复式布置和等高连接,水平次梁穿过横隔板上的预留孔冰被横隔板所支承。
水平次梁为连续梁,其间距应上疏下密,使面板各区格需要的厚度大致相等,梁格布置具体尺寸如图2所示图2 梁格布置尺寸图(单位:mm)5. 连接系的布置和形式(1)横向连接系,根据主梁的跨度,决定布置 道横隔板,其间距为1.63m ,横隔板兼作竖直次梁。
闸门支铰放射钢筋水工设计手册闸门是用于水利工程的一种特殊设施。
为了使闸门能够顺利开关,需要在支撑结构上安装放射钢筋。
而闸门支撑结构的设计则需要参考水工设计手册中的要求。
下面我们将详细介绍闸门支铰放射钢筋水工设计手册的相关内容。
一、闸门支撑结构设计的基本原则:1. 在闸门的重力和地震荷载下,支撑结构和放射钢筋应能够承受设计荷载和应力;2. 钢筋的布置要量化设定,并按照设计要求进行连接;3. 放射钢筋应设置在闸门的支点区域,并在周围区域进行适当分布;4. 每种类型的设计应都具有一定的安全系数。
二、闸门支撑结构设计的内容:1.闸门的布置参数:包括闸门的长度、宽度、高度、厚度、横截面形状、开关机构等,它们直接影响到它的支撑结构的设计。
2.设计荷载:它来自于水力剖面、地震影响以及其他自然界的影响等。
3.放射钢筋的布置和数量:它们是闸门支撑结构的主要组成部分。
在设计过程中,需要确保它们的数量和布置位置能够承受设计荷载和应力。
4.连接:放射钢筋的连接方式对于支撑结构的强度和稳定性至关重要。
在处理连接时,要确保它们安全可靠,同时也方便施工和维护。
5.水工设备:水工设备是一个重要的组成部分,它对于支撑结构的设计和施工具有重要的意义。
在处理水工设备问题时,需要注意它们的大小、位置和安装方式。
三、闸门支撑结构设计的注意事项:1. 建议使用混凝土或钢结构来作为支撑结构的基本材料;2. 钢筋和支撑结构之间的连接要以安全和可靠为前提;3. 钢筋和支撑结构之间的连接方式只能选择符合工程设计标准和规范的标准型,以确保其满足安全和预定要求;4. 为了保证施工的效果和效率,需要在设计过程中尽可能避免出现过于复杂或技术繁琐的构造。
综上所述,闸门支撑结构的设计是一个复杂的工程,其涉及范围广、内容丰富。
设计师需要严格按照规范进行设计,在这一过程中充分考虑到各种要素,并给予充分的考虑和选择。
此外,还要加强安全管理和质量控制。
由此,才能确保整个工程质量稳定,达到理想的效果。
工程概况:闸门是用来关闭、开启或者局部开启水工建筑物中过水孔口的活动结构。
其主要作用是控制水位、调节流量。
闸门是水工建筑物的重要组成部分,它的安全与适用,在很大程度影响着整个水工建筑物的原行效果。
1.水工刚结构潜孔式焊接平面钢闸门设计计算书。
1(1)设计资料及有关规定。
1(2)闸门结构的形式及布置。
1<1>闸门尺寸的确定。
1<2>主梁的布置。
1 (3)面板设计。
2 (4)水平次梁、顶梁和底梁地设计。
3 (5)主梁设计。
6 (6)横隔板设计。
8 (7)边梁设计。
9 (8)行走支承设计。
10 (9)胶木滑块轨道设计。
11 (10)闸门启闭力和吊座验算。
112.水工刚结构潜孔式焊接平面钢闸门设计图。
(附图)水工刚结构潜孔式焊接平面钢闸门设计计算书一、设计资料及有关规定:1.闸门形式:潜孔式焊接平面钢闸门。
2.孔的性质:深孔形式。
3.材料:钢材:Q235焊条:E43;手工电焊;普通方法检查。
止水:侧止水用P型橡皮,底止水用条型橡皮。
行走支承:采用胶木滑道,压合胶布用MCS—2。
砼强度等级:C20。
启闭机械:卷扬式启闭机。
4.规范:水利水电工程刚闸门设计规范(SL74-95),中国水利水电出版社1998.8二、闸门结构的形式及布置(一)闸门尺寸的确定(图1示)1.闸门孔口尺寸:孔口净跨:3.50m。
孔口净高:3.50m。
闸门高度:3.66m。
闸门宽度:4.20m。
荷载跨度:3.66m。
计算跨度:3.90m。
2.计算水头:50.00m。
(二)主梁的布置1.主梁的数目及形式主梁是闸门的主要受力构件,其数目主要取决于闸门的尺寸。
因为闸门跨度L=3.50m,闸门高度h=3.66m,L<h。
所以闸门采用4根主梁。
本闸门属中等跨度,为了便于制造和维护,决定采用实腹式组合梁。
2.主梁的布置本闸门为高水头的深孔闸门,孔口尺寸较小,门顶与门底的水压强度差值相对较小。
所以,主梁的位置按等间距来布置。
设计时按最下面的那根受力最大的主梁来设计,各主梁采用相同的截面尺寸。
3.梁格的布置及形式梁格采用复式布置与等高连接,水平次梁穿过横隔板所支承。
水平梁为连续梁,间距应上疏下密,使面板个区格需要的厚度大致相等,布置图2示三、面板设计根据《钢闸门设计规范SDJ —78(试行)》关于面板的设计,先估算面板厚度,在主梁截面选择以后再验算面板的局部弯曲与主梁整体弯曲的折算应力。
1.估算面板厚度假定梁格布置尺寸如图2所示。
面板厚度按下式计算t=a][9.0σa kp当b/a ≤3时,a=1.65,则t=a16065.19.0⨯⨯kp=0.065kp a当b/a >3时,a=1.55,则t=a 16055.19.0⨯⨯kp=0.067kp a现列表1计算如下:表1区格 a(mm) b(mm) b/a k P[N/mm 2] kp t(mm) Ⅰ4059652.3830.7320.490.6013.795Ⅱ 345 965 2.80 0.50 0.49 0.50 11.2125 Ⅲ3459652.800.740.490.6013.455根据上表计算,选用面板厚度t=14mm 。
2.面板与梁格的连接计算已知面板厚度t=14mm ,并且近似地取板中最大弯应力σmax=[σ]=160N/mm 2,则p=0.07х14х160=156.8.2N/mm ,面板与主梁连接焊缝方向单位长度内地应力:T =02I VS =,/39837767700002272141000107903mm N =⨯⨯⨯⨯⨯ 面板与主梁连接的焊缝厚度:mm T P h w t f 51137.0/398][7.0/22=⨯=⨯+=τ,面板与梁格连接焊缝厚度取起最小厚度mm h f 6=。
四、水平次梁,顶梁和底梁地设计1.荷载与内力地验算水平次梁和顶,底梁都时支承在横隔板上地连续梁,作用在它们上面的水压力可 按下式计算,即q=p2下上a a + 现列表2计算如下:表2梁号梁轴线处水压力强度P(kN/mm 2)梁间距(m )2下上a a + (m )q=p2下上a a + (kN/m)1(顶梁) 454.13 0.225115.800.512(主梁)459.130.48220.380.453(水平次梁) 463.540.45208.590.454(主梁) 467.950.45210.580.455(水平次梁) 472.36 0.45212.560.456(主梁) 476.470.45214.410.457(水平次梁) 481.180.45216.530.458(主梁) 485.590.45218.510.459(底梁)4900.225110.25∑=1727.61kN/m根据上表计算,水平次梁计算荷载取216.53kN/m ,水平次梁为4跨连续梁,跨度为0.90m ,水平次梁弯曲时的边跨弯距为: M 次中=0.077ql 2=0.077х216.53х0.9752=15.85kN ∙m支座B 处的负弯距:M 次B =0.107ql 2=0.107х216.53х0.9752=22.0248kN ∙m2.截面选择W=137655160100248.22][6=⨯=σM mm 3 考虑利用面板作为次梁截面的一部分,初选[18b,由附录三表四查得:A=2929mm 2 ; W x =152200mm 3 ; I x =13699000mm 4 ; b1=70mm ; d=9mm 。
面板参加次梁工作的有效宽度分别按式6—11及式6—12计算,然后取其中较小值。
式:6—11 B ≤b1+60t=70+60Х14=910mm ; 式:6—12 B=ζ1b (对跨间正弯距段) B=ζ2b (对支座负弯距段) 。
梁间距b=m m b b 9002900900221=+=+ 。
对于第一跨中正弯距段l 0=0.8l=0.8Х975=780mm ;对于支座负弯距段l 0=0.4l =0.4Х975=390mm 。
根据l 0/b 查表6—1:对于l 0/b =780/900=0.867 得ζ1=0.40 ,得B=ζ1b =0.40Х900=360mm , 对于l 0/b =390/900=0.430 得ζ2=0.16 ,得B=ζ2b =0.16Х900=144mm , 对第一跨中选用B =360mm,则水平次梁组合截面面积(例图4):A=2929+360Х14=6961mm 2 ;组合截面形心到槽钢中心线得距离:e=86899814360⨯⨯=65mm ;跨中组合截面的惯性距及截面模量为: I 次中=13699000+2929Х652+360Х14Х352=29662171mm 4 W min =26.20316515533130025mm = 对支座段选用B =144mm ,则组合截面面积:A=2929+144Х14=4592mm 2 ;组合截面形心到槽钢中心线得距离:e=2.459298148.118⨯⨯=35mm支座初组合截面的惯性距及截面模量为:I 次B =13699000+2929Х432+144Х14Х352=23680365.8mm 4 W min =29.1894421258.23680365mm = 3.水平次梁的强度验算由于支座B 处(例图3)处弯距最大,而截面模量较小,故只需验算支座B 处截面的抗弯强度,即σ次=,/160][/24.1169.189442100248.22226mm N mm N =<=⨯σ 说明水平次梁选用[18b 满足要求。
轧成梁的剪应力一般很小,可不必验算。
4.水平次梁的挠度验算受均布荷载的等跨连续梁,最大挠度发生在便跨,由于水平次梁在B 支座处截面的弯距已经求得M 次B=22.0248kN ∙m,则边跨挠度可近似地按下式计算:次次次EI l M EI ql l w B 1638453-⨯= =296621711006.216975100248.22296621711006.2384]975[53.21655653⨯⨯⨯⨯⨯-⨯⨯⨯⨯⨯ =0.0002≤004.02501][==l w 故水平次梁选用[18b 满足强度和刚度要求。
五、主梁设计 (一)设计资料1)主梁跨度:净跨(孔口净宽)l0=3.5m ;计算跨度l =3.9m ;荷载跨度l1=3.66m 。
2)主梁荷载:kN P q 9.4314/)234.4634.468.9250508.9(4=⨯⨯-⨯⨯==总3) 横向隔板间距: 0.975m 。
4)主梁容许挠度: [W]=L/750 。
(二)主梁设计 1.截面选择(1) 弯距和剪力 弯距与剪力计算如下:弯距: m kN M ⋅=-⨯=818)466.329.3(266.39.431max 剪力: kN ql V 790266.39.43121max =⨯==需要的截面抵抗距 已知A3钢的容许应力[σ]=160N/mm2 ,考虑钢闸门自重引起附加应力的影响,取容许应力[σ]=,/1441609.02mm N =⨯ 则需要的截面抵抗矩为;[ W]=。
36max 568114410818][cm M =⨯=σ (3)腹板高度选择 按刚度要求的最小梁高(变截面梁)为: 经济梁高:。
cm W h ec 43.98)833.5681(1.31.35/25/2=⨯== ,5.42750/11006.2109.321516.0]/[208.053mincm l w E fl h =⨯⨯⨯⨯⨯==由于钢闸门中的横向隔板重量将随主梁增高而增加,故主梁高度宜选得比h ec 为小,但不小于h min 。
现选用腹板厚度h 0=90cm 。
(4)腹板厚度选择,86.011/9011/cm h t w ===选用t w =1.0cm 。
(5)翼缘截面选择:每个翼缘需要截面为,58690190833.568162001cm h t h W A w =⨯-=-=下翼缘选用t 1=2.0cm (符合钢板规格),需要,29258111cm t A b ===取B 1=30cm,上翼缘的部分截面积可利用面板,故只需设置较小的翼缘板同面板相连,选用t 1=2.0cm ,b 1=16cm ,面板兼作主梁上翼缘的有效高度为B =b 1+60t =16+60Х1.4=100cm 。
上翼缘截面面积A 1=18Х2.0+100Х1.4=172cm 2 。
(6)弯应力强度验算截面形心距:,82.313128.9926''cm AAy y ===∑∑ 截面惯性距:,37767733501012900.11243230cm Ay h t I w =+⨯=+=∑ 截面抵抗距:上翼缘顶边 ,17.1186982.3137767731max cm y I W ===下翼缘底边 ,65685.5737767732min cm y I W ===弯应力:,/4.14169.0/45.12656810081822min max cm kN cm kN W M =⨯<=⨯==σ安全 表3部位 截面尺寸 (cm Хcm ) 截面面积A(cm 2) 各型心离面板表面距离y ′(cm ) Ay ′ (cm 3) 各型心离中和轴距离 y=y ′-y 1(cm)Ay 2 (cm 4)面板部分 100Х1.4 140.0 0.7 980 -27.21 103578 上翼缘 16Х2.0 32.0 2.4 76.8 -25.5 20808 腹板 90Х1.0 90.0 43.4 3906 15.5 19220 下翼缘 30Х2.0 60.0 84.4 5064 56.5 191405 合计 312 9926.8 335011 (7)因主梁上翼缘直接同面板相连,可不必验算整体稳定性,因梁高大于按高度要求 的最小梁高,故梁的挠度也不必验算。