水工钢闸门结构设计(详细计算过程)
- 格式:docx
- 大小:170.81 KB
- 文档页数:12
一、设计基本资料1、闸门型式:露顶式平面钢闸门;2、孔口净宽:5米;3、设计水头:2.5米;4、结构材料:平炉热轧碳素钢A3;5、止水橡皮:侧止水采用P型橡皮,底止水用条形橡皮;6、参考资料:《水工钢结构》P202页;二、闸门的结构的型式及布置1、闸门尺寸的确定闸门高度:考虑风浪所产生的水位超高为0.5米,故闸门高度=2.5+0.5=3米。
闸门的荷载跨度为两侧止水的间距:L1=5米闸门计算跨度:L=L0+2d=5+2*0.2=5.4米2、主梁型式主梁的型式应根据水头和跨度大小而定,本闸门属中等跨度,为了便于制造,决定采用型钢。
3、主梁的布置根据闸门的高跨比,决定采用双主梁。
为使两个主梁在设计水位时所受的水压力相等,两个主梁的位置应对称于水压力合力的作用线Y=H/3=2.5/3=0.83米,上悬臂C≤0.45H,今取:主梁兼底梁,为了便于布置底止水,底梁不到底,所以取a=0.25米。
主梁间距:2b=2(Y- a)=2×(0.83-0.25)=1.16米;则C=H-2b- a=2.5-1.16-0.25=1.09米≤0.45H=1.125米满足要求。
4、梁格的布置和型式梁格采用复式布置和等高连接,水平次梁为连续梁,其间距上疏下密。
三、面板设计根据《钢闸门设计规范SDJ13-78(试行)》关于面板的计算,先估算面板厚度,在主梁选择之后再验算面板的局部弯曲与主梁整体弯曲的折算应力。
1、估算面板厚度面板厚度按式(6-3)计算:t=a(kp/0.9a[σ])0.5已知:b=1240mm,a1=760 mm,a2=380 mm当b/a1=1240/760=1.63≤3时,α=1.65,则t=4.91 mm当b/a3=1240/380=3.26≥3时,α=1.55,则t=7.88 mm根据上面计算,选用面板厚度t=8mm。
2、对底梁下至底止水的面板悬出段,应按悬臂板进行验算:在面板悬出段上取单位宽度的面板按悬臂梁验算,q=(p1+p2)/2=(0.0098*2.5+0.0098*2.4)/2=0.024N/mmW=bh2/6=1*64/6=10.67M=qL2/2=0.024*1002/2=120N·mmσmax=M/W=120/10.67=11.25 N/mm2<[σ]=160 N/mm2Q=qL=0.024*100=2.4Nτ=Q/A=2.4/1*8=0.3 N/mm2<[τ]=95 N/mm23、主梁设计因为水头不大,所以主梁采用型钢,即槽钢28b。
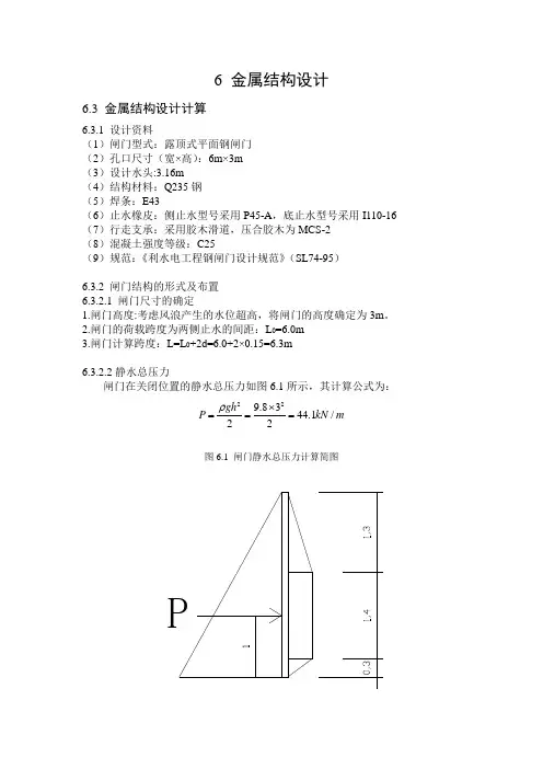
6 金属结构设计6.3 金属结构设计计算6.3.1 设计资料(1)闸门型式:露顶式平面钢闸门 (2)孔口尺寸(宽×高):6m×3m (3)设计水头:3.16m (4)结构材料:Q235钢 (5)焊条:E43(6)止水橡皮:侧止水型号采用P45-A ,底止水型号采用I110-16 (7)行走支承:采用胶木滑道,压合胶木为MCS-2 (8)混凝土强度等级:C25 (9)规范:《利水电工程钢闸门设计规范》(SL74-95)6.3.2 闸门结构的形式及布置 6.3.2.1 闸门尺寸的确定1.闸门高度:考虑风浪产生的水位超高,将闸门的高度确定为3m 。
2.闸门的荷载跨度为两侧止水的间距:L 0=6.0m3.闸门计算跨度:L=L 0+2d=6.0+2×0.15=6.3m6.3.2.2静水总压力闸门在关闭位置的静水总压力如图6.1所示,其计算公式为:229.8344.1/22gh P kN mρ⨯===图6.1 闸门静水总压力计算简图P6.3.2.3 主梁的形式主梁的形式应根据水头的大小和跨度大小而定,本设计中主梁采用实腹式组合梁。
6.3.2.4主梁的布置根据主梁的高跨比,决定采用双主梁。
两根主梁应布置在静水压力合力线上下等距离的位置上,并要求两主梁的距离值要尽量大些,且上主梁到闸门顶缘的距离c 小于0.45H ,且不宜大于3.6m ,底主梁到底止水的距离应符合底缘布置的要求。
故主梁的布置如图6.2所示图6.2 主梁及梁格布置图6.3.2.5 梁格的布置和形式梁格采用复式布置并等高连接,并使用实腹式竖向隔板兼作竖直次梁,使水平次梁穿过隔板上的预留孔而成为连续梁,其间距上疏下密,面板各区格需要的厚度大致相等,具体布置尺寸如图6.2所示。
6.3.3 面板设计根据《利水电工程钢闸门设计规范》(SL74-95),关于面板的计算,先估算面板厚度,在主梁截面选择之后再计算面板的局部弯曲与主梁整体弯曲的折算应力。
为使两主梁在设计水位时所受的水压力相等,两个主梁的位置对称于水压力合力的作用线,如图9-1所示。
主梁位置还需要满足下列要求:①主梁的间距应尽量大些,以保证闸门的竖向刚度。
②闸门的上悬臂c不易过长,通常要求CO.45H ,以保证门顶悬臂部分有足够的刚度。
悬臂c 值也不宜超过3.5m。
③主梁间距应满足滚轮行走支承布置的要求。
④工作闸门的下主梁距平面闸槛的高度应不至于产生真空现象,并要求下悬臂a >0.12H 和a >0.4m,取:a=0.12 X6 M D.7m,c=0.45 X6=2.7m ;主梁间距:2b=H-c-a=6-2.7-0.7=2.6m ;一6000 一10出0 一一1430 GL 丄陋0 GL 阴0二匸690」也£CL :一100-T r_ /50 _ _ 巧20 1130 _;_ 95Q _ _ 840 亠8102700 —— 2 呦D ——700图9-1梁格布置尺寸4、 梁格的布置及型式梁格采用复式布置和等高连接,使水平次梁、竖直次梁和主梁的前翼缘都直接与 面板相连,以便于梁系与面板形成强固的整体,面板可与梁系共同受力,形成梁截面 的一部分,从而减少梁系的用钢量。
水平次梁穿过横隔板上的预留孔并被横隔板支承 成为连续梁,面板直接支承在梁格的上翼缘上。
水平次梁间距布置上疏下密,使面板需要的厚度大致相等。
具体数据见“面板设 计” 一节。
5、 联接系的型式及布置① 横向联接系为了简化闸门的制造、横向联接系采用横隔板式,其布置应和梁的设计跨度有关,本闸门根据主梁的跨度决定布置三道横隔板,间距为 2.18m 、2.18m 、2.175m ,隔板兼做竖直次梁。
2■:-»2180水平次梁底梁11 a1 11 ip r 鬥4!k h1 1< 13 1O5M上游面F 游而I I水半欢d 2180O I ■£]¥'・〕制I '21肓十60匚-------------------------- -I乂下主梁;■»,三]S',占匸*s = 毒 左 左 #li因此作用在主梁上的最大剪力和弯矩分别为:②截面模量计算考虑钢闸门自重引起的应力影响,取容许弯应力为[o]=0.9x1600kg/cm 2,则需要的截面抵抗矩为:W仏26・92 1051869cm 3 o[]0.9 1600③ 腹板高度选择k=1.5,双向水压力作用在下主梁的均布荷载为:q1.94t / m ;Q maxqL i 11.942 2 10 9.70t ;M maxqLL 1 426.92 t m 。
水工钢结构课程设计-平面钢闸门的设计### 一、概述平面钢闸门是水工钢结构及水利iooocxx中常用结构形式之一,它由类似重锤头的重门板、加强附件、主动节、水密密封铰链等零部件组成,可用于水坝、桥涵、泵站等水工工程的闸门及安装在水厂总池等建筑物边缘上的用途。
本次课程设计旨在研究平面钢闸门的结构原理,设计符合工程要求的应用实例,分析闸门的性能以及可能的故障现象,采取有效的解决方案以满足工程规范要求。
### 二、研究内容1. 结构原理:分析平面钢闸门结构原理,了解它从几个方面来保证性能和工作效果,要求运行及操作方便,安装牢固可靠,抗压、抗拉能力强,止水性能优越。
2. 工程实例:根据工程要求,考虑抗震、抗风、抗滑水等等要求,确定合理的规范尺寸,计算支撑力、稳定力及固定的力值,设计应用实例并做出相应的图纸。
3. 性能分析:分析闸门的型式(例如:滑动闸门、转轴闸门)、使用频率(例如:经常开关或者严格控制)、耐久性(使用寿命、耐腐蚀性)、导流性能(抗决口、水位差)、防泄漏能力(密封性能)等等要求性能,完成性能的综合分析,基于此完善闸门的结构构件。
4. 故障分析:分析可能出现的故障现象(例如:闸板断裂、节点受力大、闸板渗漏等等),从成因及原因来考虑闸门的设计,采取有效的解决方案。
### 三、实施方案1. 计算平面闸门的基本参数,如质量、支撑力及稳定力,根据水力学及结构力学原理,分析平面钢闸门的合理配置及设计标准;2. 对工程实例进行尺寸估算、考虑抗震、抗风、抗滑水等要求,修正钢闸门的结构图纸及构件;3. 分析关于平面闸门性能的各个要求,并进行性能综合分析,完善自身结构,确保抗压、抗拉能力强;4. 对可能出现的故障现象进行科学的分析,采取有效的措施,使闸门的操作及运行安全可靠。
本次课程设计旨在对平面钢闸门的设计进行研究,掌握平面钢闸门的结构原理、了解使用频率、耐久性及性能要求等,以及分析可能出现的故障现象并采取适当措施。
弧形钢闸门计算实例一、基本资料和结构布置1.基本参数孔口形式:露顶式;孔口宽度:12.0m;底槛高程:323.865m;检修平台高程:337.0m;正常高水位(设计水位):335.0m;设计水头:11.135m;闸门高度:11.5m;孔口数量:3孔;操作条件:动水启闭;吊点间距:11.2m;启闭机:后拉式固定卷扬机。
2.基本结构布置闸门采用斜支臂双主横梁式焊接结构,其结构布置见图3-31。
孤门半径R=15.0m,支铰高度H2=5m。
垂直向设置五道实腹板式隔板及两道边梁,区格间距为1.9m,边梁距闸墩边线为0.3m;水平向除上、下主梁及顶、底次梁外,还设置了11根水平次梁,其中上主梁以上布置4根,两主梁之间布置7根。
支铰采用圆柱铰,侧水封为“L”形橡皮水封,底水封为“刀”形橡皮水封。
在闸门底主梁靠近边梁的位置设置两个吊耳,与启闭机吊具通过吊轴相连接。
采用2×500KN 固定式卷扬机操作。
本闸门结构设计按SL74-95《水利水电工程钢闸门设计规范》进行。
门叶结构材料采用Q235,支铰材料为铸钢ZG310-570。
材料容许应力(应力调整系数0.95):Q235第1组:[б]=150MPa ,[τ]=90 MPa ; 第2组:[б]=140MPa ,[τ]=85 MPa ; ZG310-570:[б]=150MPa ,[τ]=105 MPa 。
3.荷载计算闸门在关闭位置的静水压力,由水平压力和垂直水压力组成,如图1所示:水平水压力:()kN B H P s s 3.74390.12135.1110212122=⨯⨯⨯==γ垂直水压力:()()⎭⎬⎫⎩⎨⎧⎥⎦⎤⎢⎣⎡-----=212212221sin sin 2sin 2sin 180/21φφφφφφπφγB R V s式中:()471.19,3333333.0155sin 14224,409.0155135.11sin 222111======-==φφφφ所以所以R H 。
弧形钢闸门计算实例一、基本资料和结构布置1.基本参数孔口形式:露顶式;孔口宽度:12.0m;底槛高程:323.865m;检修平台高程:337.0m;正常高水位(设计水位):335.0m;设计水头:11.135m;闸门高度:11.5m;孔口数量:3孔;操作条件:动水启闭;吊点间距:11.2m;启闭机:后拉式固定卷扬机。
2.基本结构布置闸门采用斜支臂双主横梁式焊接结构,其结构布置见图3-31。
孤门半径R=15.0m,支铰高度H2=5m。
垂直向设置五道实腹板式隔板及两道边梁,区格间距为 1.9m,边梁距闸墩边线为0.3m;水平向除上、下主梁及顶、底次梁外,还设置了11根水平次梁,其中上主梁以上布置4根,两主梁之间布置7根。
支铰采用圆柱铰,侧水封为“L”形橡皮水封,底水封为“刀”形橡皮水封。
在闸门底主梁靠近边梁的位置设置两个吊耳,与启闭机吊具通过吊轴相连接。
采用2×500KN 固定式卷扬机操作。
本闸门结构设计按SL74-95《水利水电工程钢闸门设计规范》进行。
门叶结构材料采用Q235,支铰材料为铸钢ZG310-570。
材料容许应力(应力调整系数0.95):Q235第1组:[б]=150MPa ,[]=90 MPa ;第2组:[б]=140MPa ,[]=85 MPa ;ZG310-570:[б]=150MPa ,[]=105 MPa 。
3.荷载计算闸门在关闭位置的静水压力,由水平压力和垂直水压力组成,如图1所示:水平水压力:kNBHP ss3.74390.12135.1110212122垂直水压力:212212221sinsin 2sin2sin 180/21BR V s式中:471.19,3333333.0155sin14224,409.0155135.11sin 222111所以所以R H。
RH041.03355.2sin 21sin690.0613.43sin sin 0815.0671.4sin sin 629.0942.38sin 2sin 761.0180/613.432121221故kNV 7.649041.0690.020815.0629.0761.012151021222总水压力:kNV P Pss6.74677.6493.74392222总水压力作用方向:08734.03.74397.6490ssP V tg所以991.404.面板弧长闸门门叶垂直高度为11.5m ,支铰中心水平线以上弧形面板包角1'为679.2515/55.11sin11'总水压力作用线上、下的弧长L 上、L 下分别为:mrL 028.8991.4679.250.1501745.001745.00'1'上mrL 79.3991.4471.190.1501745.001745.00'2'下面板总弧长为L 总为L 总=L 上+L 下=8.028+3.79=11.818(m)5.主框架位置根据等荷载原则,闸门上、下主梁与支臂组成的主框架平面布置应与总水压力作用线对称,使两框架受力均匀。
水工钢结构平面钢闸门设计计算书一、设计资料及有关规定:1.闸门形式:潜孔式平面钢闸门。
2. 孔的性质:深孔形式。
3. 材料:钢材:Q235焊条:E43;手工电焊;普通方法检查。
止水:侧止水用P型橡皮,底止水用条型橡皮。
行走支承:采用胶木滑道,压合胶布用MCS—2。
砼强度等级:C20。
启闭机械:卷扬式启闭机。
4.规范:水利水电工程刚闸门设计规范(SL74-95),中国水利水电出版社1998.8二、闸门结构的形式及布置(一)闸门尺寸的确定(图1示)1.闸门孔口尺寸:孔口净跨(L):3.50m。
孔口净高:3.50m。
闸门高度(H):3.66m。
闸门宽度:4.20m。
荷载跨度(H1):3.66m。
2.计算水头:50.00m。
(二)主梁的布置1.主梁的数目及形式主梁是闸门的主要受力构件,其数目主要取决于闸门的尺寸。
因为闸门跨度L=3.50m,闸门高度h=3.66m,L<h。
所以闸门采用4根主梁。
本闸门属中等跨度,为了便于制造和维护,决定采用实腹式组合梁。
2.主梁的布置本闸门为高水头的深孔闸门,孔口尺寸较小,门顶与门底的水压强度差值相对较小。
所以,主梁的位置按等间距来布置。
设计时按最下面的那根受力最大的主梁来设计,各主梁采用相同的截面尺寸。
3.梁格的布置及形式梁格采用复式布置与等高连接,水平次梁穿过横隔板所支承。
水平梁为连续梁,间距应上疏下密,使面板个区格需要的厚度大致相等,布置图2示三、面板设计根据《钢闸门设计规范SDJ—78(试行)》关于面板的设计,先估算面板厚度,在主梁截面选择以后再验算面板的局部弯曲与主梁整体弯曲的折算应力。
1.估算面板厚度假定梁格布置尺寸如图2所示。
面板厚度按下式计算kpt=aa[]9.0当b/a ≤3时,a=1.65,则t=a16065.19.0⨯⨯kp=0.065kp a当b/a >3时,a=1.55,则t=a 16055.19.0⨯⨯kp=0.067现列表1计算如下:2.面板与梁格的连接计算已知面板厚度t=14mm ,并且近似地取板中最大弯应力σmax=[σ]=160N/mm 2,则p=0.07х14х160=156.8.2N/mm ,面板与主梁连接焊缝方向单位长度内地应力:T =02I VS =,/39837767700002272141000107903mm N =⨯⨯⨯⨯⨯ 面板与主梁连接的焊缝厚度:mm T P h w t f 51137.0/398][7.0/22=⨯=⨯+=τ, 面板与梁格连接焊缝厚度取起最小厚度mm h f 6=。
水工钢结构课程设计任务书(平面钢闸门设计)班级:农业水利工程12-1、2一、设计任务为某水库溢洪道设计平面钢闸门一面,作为主要工作闸门。
二、设计资料1、 孔口净宽:12米。
2、 计算水头:6米。
3、 材料:门叶结构 Q235,侧止水用P -60A 型橡皮,底止水用I110—16条型橡皮,焊条 E43型,砼等级C20,采用普通螺栓。
4、参考资料:《水工钢结构》范崇仁主编,《水利水电工程钢闸门设计规范》。
三、设计要求1、 编写设计书,参照“设计计算参考提纲”的内容,对原则问题应有简略的论证并附必要的简图。
用A4打印,用铅笔绘制简图。
2、 手工绘制施工图,图幅为A2图2张(或A3图4张)。
图中包括:门叶结构总图、侧视图、俯视图、必要的大样图,闸槽尺寸及埋固构件。
比例根据布图需要自定。
3、 作出闸门的材料表附在设计图上。
四、设计参考提纲1、 根据闸门工作条件,初步拟出闸门的构造形式及其总体布置⑴ 选择闸门的基本尺寸门高:6+0.3(门的超高,高出孔口净高)=6.3m。
门宽:为了布置侧止水和行走支承闸门宽度等于孔口净宽+2×0.3m。
⑵ 选择梁格布置方案主梁根数和布置,为简化设计和制造方便,又能保持闸门的整体刚度。
对与跨度远大于门高平面闸门,宜采用双主梁的复式梁格。
主梁位置按等水压力的原则布置,上下主梁应放置在离水压合力作用线相等的位置,并要求门的下悬臂≥0.12门高,上悬臂≤0.45门高。
水平次梁的间距,根据水压力的变化,应布置上疏下密,使各区格的面板厚度大致相同。
次梁可采用槽钢(包括顶梁和底梁)。
底梁不到底,布置底止水。
设置横隔板三道,等间距。
边梁采用单腹式。
⑶ 梁格采用齐平连接水平次梁穿过横隔板成连续梁。
纵向联结系,两主梁的下翼缘设斜杆,形成纵向桁架。
将所选择的梁格布置方式、行走支承的位置绘出简图。
2、 面板设计根据梁格布置,进行面板设计。
列表估算面板厚度,结合构造要求选择面板厚度。
对底梁下的面板悬出段,应按悬臂板进行验算。
潜孔式钢闸门课程设计计算书设计说明:本次课程设计的目标是设计一道潜孔式钢闸门,该闸门具有抗水力耐久性、稳定性和可靠性等特点。
设计中需要考虑闸门的结构参数和材料的选取,通过计算分析来保证闸门的强度和稳定性,并对其进行性能测试。
以下是潜孔式钢闸门的课程设计计算书。
设计一:潜孔式钢闸门结构计算1.永久荷载计算:-总重量W1=板材总重量+组件总重量-板材总重量=板材面积x板材单位重量-组件总重量=组件总数量x组件单位重量-板材单位重量和组件单位重量可以根据实际选取的材料查询得到。
2.活动荷载计算:-水压力P=0.5xρxgxH^2其中,ρ为水的密度,g为重力加速度,H为闸门顶部的水头高度。
3.悬臂梁弯矩计算:-最大弯矩M=PxL其中,L为闸门总长度。
4.悬臂梁截面尺寸设计:-可以根据最大弯矩和材料的许用应力来确定悬臂梁截面尺寸。
根据所选材料的杨氏模量和截面形状的假设,计算梁的截面模性和矩阻力矩。
5.钢板厚度计算:-选择合适的钢板材料之后,可以通过计算所需的强度来确定钢板的厚度。
根据所选材料的强度和安全系数,计算所需钢板的强度。
设计二:潜孔式钢闸门稳定性计算1.净水面以下弯矩计算:-净水面以下的水压力会产生额外的弯矩,需要计算该弯矩。
-弯矩计算公式与设计一的悬臂梁弯矩计算相同。
2.槽坡度计算:-闸门的槽坡度要求满足水流平稳流过,并不会对闸门产生过大的水压力。
-槽坡度的计算需结合实际应用情况和闸门的尺寸等参数。
3.闸门的稳定性计算:-闸门稳定性的计算包括计算闸门的剪切力、撞击力、回转力矩等。
-剪切力计算可通过考虑水压力和重力的作用来实现。
-撞击力和回转力矩的计算与具体应用情况有关,需根据实际情况进行定量分析。
设计三:潜孔式钢闸门性能测试1.强度测试:-使用不同的负荷,测试闸门的弯曲、扭转、剪切等强度指标。
-测试结果与设计值进行对比分析。
2.操作性能测试:-测试闸门的开启和关闭时间,操作力的大小和稳定性,以及闸门的密封性能。
露顶式平面钢闸门设计 2007101316王亮春一、 设计资料闸门形式:溢洪道露顶式平面钢闸门; 孔口净宽:14.00m ; 设计水头:6.00m ; 结构材料:Q235; 焊条:E43;止水橡胶:侧止水用P 形橡皮,底止水用条形橡皮; 行走支承:采用胶木滑道,压合胶木为MCS —2; 混凝土强度等级:C20二、闸门的结构形式及布置 1、闸门尺寸的确定(图1)闸门高度:考虑风浪所产生的水位超高为0.3m ,故闸门高度为9+0.3=9.3米闸门的荷载跨度为两侧止水的间距即为孔口净宽:()114L m = 闸门的计算跨度:()021420.314.6L L d m =+=+⨯=2、主梁的形式本闸门为中等跨度,为了便于制造和维护决定采用实腹式组合梁 3、主梁的布置闸门高跨比/ 1.5L H ≥ 采用双主梁,为使两个主梁在设计水位时所受的水压力相等,两个主梁的位置应对称于水压力的作用线()/33y H m ==(图2),并要求下悬臂0.12a H ≥和0.4a m ≥。
4、梁格的布置和形式梁格采用复式布置和等高连接,水平次梁穿过横隔板上的预留孔并被横隔板所支承。
水平次梁为连续梁,其间距应上疏下密,使面板各区格需要的厚度大致相等,梁格布置的具体尺寸见详图25、连接系的布置和形式1)横向连接系,根据主梁的跨度决定布置3道横隔板,其间距为横隔板兼作竖直次梁。
2)纵向连接系,设在两个主梁下翼缘的竖平面内采用斜杆式桁架。
6、边梁和行走支承变量采用单腹式,行走支承采用胶木滑道。
三、 面板设计根据SL74—95《水利水电工程钢闸门设计规X 》修订送审稿,关于面板的计算,先估算面板的厚度,在主梁截面选择之后再验算面板的局部弯曲与主梁整体弯曲的折算应力。
1、 估算面板厚度假定梁格布置尺寸如上图所示。
面板厚度按式(7--3)计算:[]0.9kpt aa σ=当/3b a ≤时, 1.5a =,则0.0680.9 1.5160kpt aa kp ==⨯⨯当/3b a >时, 1.4a =,则0.070.9 1.4160kpt a a kp ==⨯⨯现列表(如下)计算:表1注 1、面板边长a 、b 都从面板与梁格的连接焊缝算起,主梁上翼缘宽度为260mm (详见于后);2.、区格Ⅰ、Ⅵ中系数k 由三边固定一边简支板查得。
⽔⼯钢结构(平⾯钢闸门)课程设计⽬录⼀、设计资料及有关规定 (2)⼆、闸门结构的形式及布置 (2)三、⾯板设计 (3)四、⽔平次梁、顶梁和底梁地设计 (4)五、主梁设计 (7)六、横隔板设计 (10)七、纵向连接系 (11)⼋、边梁设计 (11)九、⾏⾛⽀承设计 (13)⼗、轨道设计 (14)⼗⼀、⽌⽔布置⽅式 (14)⼗⼆、埋固构件 (15)⼗三、闸门启闭⼒ (15)⼗四、闸门的启闭机械 (15)⼀、设计资料及有关规定1、闸门形式:潜孔式平⾯钢闸门2、孔⼝尺⼨(宽×⾼):7.0m×12.0m3、上游⽔位:67m4、下游⽔位:0.1m5、闸底⾼程:0m6、启闭⽅式:电动固定式启闭机7、材料:钢结构:Q235-A.F焊条:E43型⾏⾛⽀承:采⽤滚轮⽀承⽌⽔橡⽪:侧⽌⽔和顶⽌⽔⽤P型橡⽪,底⽌⽔⽤条型橡⽪8、制造条件:⾦属结构制造⼚制造,⼿⼯电弧焊,满⾜Ⅲ级焊缝质量检验标准。
9、规范:《⽔利⽔电⼯程钢闸门设计规范SL 1974-2005》⼆、闸门结构的形式及布置1、闸门尺⼨的确定闸门⾼度:12.2m闸门的荷载跨度为两⽌⽔的间距:7.0m闸门计算跨度:10+2×0.22=7.44(m)设计⽔头:67m2、主梁的数⽬及形式主梁是闸门的主要受⼒构件,其数⽬主要取决于闸门的尺⼨。
因为闸门跨度L=7m,闸门⾼度h=12m,L3、主梁的布置本闸门为⾼⽔头的深孔闸门,主梁的位置可按主梁均匀间隔来布置。
设计时按最下⾯的那根受⼒最⼤的主梁来设计,各主梁采⽤相同的截⾯尺⼨。
4、梁格的布置及形式梁格采⽤复式布置与等⾼连接,⽔平次梁穿过横隔板上的预留孔并被横隔板所⽀承。
⽔平次梁为连续梁,其间距应均匀,以减少计算量。
5、连接系的布置与形式(1)横向连接系,根据主梁的跨度,决定布置5道横隔板,其间距为1.24m,横隔板兼作竖直次粱。
(2)纵向连接系,采⽤斜杆式桁架。
三、⾯板设计根据《钢闸门设计规范S74—95》关于⾯板的设计,先估算⾯板厚度,在主梁截⾯选择以后再验算⾯板的局部弯曲与主梁整体弯曲的折算应⼒。
水闸钢闸门主梁的设计
水闸钢闸门,其净跨度,计算跨度L = 4.32 m , 承受水头
H=6.5m。
在初步设计时,对闸门主梁的布置拟定了两个方案。
方案Ⅰ是等间距的,方案Ⅱ是非等间距的。
已知位于闸门顶部和底部的两根梁为25槽钢,中间的四
根梁为25b工字钢,。
要求:
1. 校核方案Ⅰ(等间距)最下面一根工字钢梁④的最大正应力强度;
2. 校核方案Ⅱ(非等间距)最下面一根工字钢梁的最大正应力强度。
解:1、校核方案Ⅰ最下面一根工字钢梁④的强度
(1)取计算简图
因为刚闸门的两段支承在闸槽内,可以把横梁看作为简支梁。
见图1 (2)计算荷载
最下面一根工字钢梁所承受的荷载是作用在ab部分面板上的水压力(点a是梁④与③间距的中点,点b是梁④与底梁间距的中点),因此可以算得
计算最大弯矩(参看图1b)简支梁跨中的弯矩为
校核梁④的最大正应力强度
由型钢表中查出25b工字钢的W = 422.72,代入梁的强度条件公式得
2、校核方案Ⅱ最下一根工字钢梁的强度。
设计水位:366m设计水头:6m闸门形式:采用露顶式弧形钢闸门闸门尺寸:闸门高度大于设计水头加安全超高(按《水利水电工程钢闸门设计规范》SL-7495中取0.3~0.5m),即H > 6 + 0.5 = 65m。
闸门宽度为12m面板弧面半径:弧而曲面半径R=8m (1.1^1.5H)o校心位宜:对于宽顶溢流坝较心位叠可布置在a= (2/3^1) H处,且高出下游水位0.5m左右(如图1)。
此处取a=5m.主框架选择:主框架形式分两种:主横梁式(1)带悬臂的直支臂TT形框架。
(如图a)(2)斜支臂八形框架。
(如图b)(3)直支臂口形框架。
(如图c)a) b) c)主纵梁式主梁竖立放置,与匕卜两支臂链接(如图d)初步釆用主横梁式斜式支臂八形框架(图b)主横梁布置:1、实腹截面主横梁:闸门宽高比偏人时采用2、横桁架主横梁:闸门宽高比偏小时采用(1)、据《小型水电站机电设计手册》(黄希元主编)中闸门尺寸为:宽X长=12X6.5m时宜选择实腹截面主横梁。
(2)、为了缩小门槽尺寸和减少钢材用量,釆用变截面主梁。
根据《水利水电匸程钢闸门设计规范》SL 7495中,主横梁式斜式支臂厂\形框架,,部梁高为中跨梁高的0.4〜0.6倍II要与边纵梁相结合,梁高改变高度位豐距端部(2/4〜2/6)跨度。
考虑以上因素端部梁高取0.5h・变化位置取1/6L (如图2)。
一般弧形闸门釆用双主横梁,而双主横梁布置一般分为两种:1、等分水压力布置2、不等分水压力布置本水闸釆用等水压力布置(如图3)次横梁布置:2、顶、底横梁:按构造需求选择。
2、小横梁分段嵌设于各纵梁之间,排列间距按水压力的分布布置。
则布置5根小横梁,上主梁以上等间距布説2根,两主梁之间等距布垃3根(见图4)纵梁布置:2、跨中纵梁:布豐在启吊纵梁与边纵梁之间,2、启吊纵梁:布置在主横梁与支臂连接处3、边纵梁:布置在面板梁格两端。
为禹宦门体刚度要求将心吊纵梁、启吊纵梁间的跨屮纵梁的截面扩人,形成隔板。
平面滚动钢闸门计算说明第1章闸门结构设计1.1 设计依据《水利水电工程钢闸门设计规范》(SL74-2019)《水利水电工程钢闸门制造、安装及验收规范》(GB/T14173-2008)孔口宽 2.0m,孔口高度 2.0m,采用潜孔式平面滚动闸门,水头33.15m。
1.2 一般说明本闸门门叶采用Q355C钢板制造,门槽埋件钢板采用Q355C制造,型材材质为Q235B,止水座板为不锈钢材料06Cr19Ni10。
所用钢板厚度为6~20mm。
主轮材料采用ZG310-570,轴的材料采用45钢。
闸门侧止水橡皮采用“水利水电工程钢闸门设计规范”附录7中的P型橡皮,底止水采用I型橡皮。
1.3 闸门上的载荷静水压力P 水=12γ(2H s−ℎ)ℎB=1489kN设计水头Hs=33.15m,水重度r=10kN/m3,止水宽度B=2.13m,止水高度h=2.18m 泥沙压力(按2.0m计算)P 泥=12γnℎn2tan2(45°−φ/2)B=52kN淤沙的浮容重γn=10.995kN/m3;淤沙的内摩擦角φ=8°;闸门前泥沙淤积宽度B=3.1m;闸门前泥沙淤积厚度ℎn=2m。
总压力:P=P水+P泥=1541kN1.4 闸门结构形式及布置1.4.1 闸门尺寸的确定闸门高度:h z=2.28m。
闸门止水宽度:B z=2.13m闸门的载荷跨度:L1=2430m。
闸门主梁间距:L2=0.8m。
1.4.2 主梁的形式主梁的形式应根据水头和跨度大小而定,本闸门属小跨度,为了便于制造和维护,决定采用型材粱。
1.4.3 主轮的布置图 1 主轮布置图1.4.4 梁格的布置和形式梁格采用复式布置和降低连接,水平次梁穿过横隔板上的预留孔并被横隔板所支撑。
水平次梁为连续梁,其间距应上疏下密,使面板个区格需要的厚度大致相等,梁格的布置具体尺寸详见图2。
图2粱的布置尺寸图2:面板设计面板厚度按下式计算:+C(水利水电工程钢闸门设计规范SL74)t=a√k y pα[σ]t ——面板初选的厚度(mm);a、b——面板计算区格的短边和长边长度(mm);α——弹塑性调整系数;p——面板计算区格中心的水压强度(MPa);[σ]——材料的弯曲抗拉容许应力;k y——支承板长边中点弯曲应力系数,取Ky=0.308~0.5;C——锈蚀裕量(mm),取C=2.0。
6 金属结构设计6.3 金属结构设计计算6.3.1 设计资料(1)闸门型式:露顶式平面钢闸门 (2)孔口尺寸(宽×高):6m×3m (3)设计水头:3.16m (4)结构材料:Q235钢 (5)焊条:E43(6)止水橡皮:侧止水型号采用P45-A ,底止水型号采用I110-16 (7)行走支承:采用胶木滑道,压合胶木为MCS-2 (8)混凝土强度等级:C25 (9)规范:《利水电工程钢闸门设计规范》(SL74-95)6.3.2 闸门结构的形式及布置 6.3.2.1 闸门尺寸的确定1.闸门高度:考虑风浪产生的水位超高,将闸门的高度确定为3m 。
2.闸门的荷载跨度为两侧止水的间距:L 0=6.0m3.闸门计算跨度:L=L 0+2d=6.0+2×0.15=6.3m6.3.2.2静水总压力闸门在关闭位置的静水总压力如图6.1所示,其计算公式为:229.8344.1/22gh P kN mρ⨯===图6.1 闸门静水总压力计算简图P6.3.2.3 主梁的形式主梁的形式应根据水头的大小和跨度大小而定,本设计中主梁采用实腹式组合梁。
6.3.2.4主梁的布置根据主梁的高跨比,决定采用双主梁。
两根主梁应布置在静水压力合力线上下等距离的位置上,并要求两主梁的距离值要尽量大些,且上主梁到闸门顶缘的距离c 小于0.45H ,且不宜大于3.6m ,底主梁到底止水的距离应符合底缘布置的要求。
故主梁的布置如图6.2所示图6.2 主梁及梁格布置图6.3.2.5 梁格的布置和形式梁格采用复式布置并等高连接,并使用实腹式竖向隔板兼作竖直次梁,使水平次梁穿过隔板上的预留孔而成为连续梁,其间距上疏下密,面板各区格需要的厚度大致相等,具体布置尺寸如图6.2所示。
6.3.3 面板设计根据《利水电工程钢闸门设计规范》(SL74-95),关于面板的计算,先估算面板厚度,在主梁截面选择之后再计算面板的局部弯曲与主梁整体弯曲的折算应力。
初选面板厚度。
面板厚度计算公式为:δ当b/a >3时,α=1.4;当b/a≤3时,α=1.5。
列表进行计算,见表6.1:由上表的计算结果,再加上2mm 的腐蚀余度,选用面板厚度为6mm 。
6.3.4 水平次梁、顶梁和底梁的设计 (1)荷载与内力计算水平次梁和顶、底梁都是支承在隔板上的连续梁,作用其上的水平压力可按下式计算:+2a a p q=下上列表计算,具体计算过程见表6.2: 表6.2 水平梁水平压力计算表经计算,水平次梁计算荷载取10.3kN/m ,水平次梁为三跨连续梁,跨度为2.1m 。
计算简图如图6.3所示:图6.3 水平次梁计算简图故水平次梁弯曲时跨中弯矩为:2210.080.0810.3 2.1 3.63M ql kN m ==⨯⨯=⋅支座B 处的弯矩为:A B C Dq=10.3kN/m220.10.110.3 2.1 4.54B M ql kN m ==⨯⨯=⋅(2)截面选择[]634.541028375160MW mm σ⨯===考虑利用面板作为次梁截面的一部分,初选[14a,查表得:A=1851mm 2;Wx=80500mm 3;Ix=5640000mm 4;b=58mm ;d=6mm 。
面板参加次梁工作的有效宽度:6060658418l B b mm δ=+=⨯+=1B b ξ=(正弯矩段) 2B b ξ=(负弯矩段)按4号梁进行计算,梁间距为b=470mm ,对于连续梁的正弯矩段00.80.821001680l l mm ==⨯=,0/1680/470 3.57l b ==,查表得ξ1=0.87,故1B bξ==409mm 。
对于其负弯矩段00.40.42100840l l mm ==⨯=,0/840/470 1.79l b ==,查表得ξ2=0.64,故2B b ξ==301mm 。
面板参加水平次梁工作后的组合截面如图6.4所示:图6.4 组合截面图对于第一跨中,选用B=409mm ,则水平次梁的组合截面积为A=1851+409×6=4305mm 2组合截面形心到槽钢中心线的距离为:40967342mm 4305e ⨯⨯==跨中组合截面的惯性矩及截面模量为:2241564000018514240963111263458I mm =+⨯+⨯⨯=3min 11263458100567112W mm ==对支座段选用B=301mm ,则组合截面面积为:A=1851+301×6=3657mm 2组合截面形心到槽钢中心线的距离为:30167336mm 3657e ⨯⨯==支座组合截面的惯性矩及截面模量为:2241564000018513630163710511310I mm =+⨯+⨯⨯=3min 1051131099163106W mm ==(3)水平次梁的强度验算由于支座B 处弯矩最大,且截面模量最小,故只需验算支座B 处截面的抗弯强度,即 []622min 4.5410===45.78N/mm =160N/mm 99163B B M W σσ⨯<故水平次梁选用[14a 满足要求。
轧成梁的剪应力一般很小,可不必验算。
(4)水平次梁的挠度验算受均布荷载的等跨连续梁,最大挠度发生在边跨,由于水平次梁在B 支座处截面的弯矩已经求得,则边跨挠度可近似地计算为:4395110.3 2.1100.6770.6770.00030.004100100 2.061010511310f ql f l EI l l⨯⨯⎡⎤==⨯=≤=⎢⎥⨯⨯⨯⎣⎦故水平次梁选用[14a 满足强度和刚度要求。
(5)顶梁和底梁顶梁所受的荷载较小,但考虑水面漂浮物的撞击等影响,必须加强顶梁的刚度,故采用[16a 。
底梁采用[14a 。
6.3.5 主梁设计 (1)设计资料主梁荷载:q=P/2=22.05kN/m主梁跨度:计算跨度L=6.3m ,荷载跨度Lq=6m 。
隔板间距:2.1m主梁允许挠度:[f]=1/600 (2)内力计算主梁计算简图如图6.5所示:图6.5 主梁计算简图max max22.056 6.36()()109.1522422422.05666.1522q q q q L L L M kN m qL V kN ⨯⨯=-=⨯-=⋅⨯===(3)需要的截面模量已知Q235钢的允许应力[σ]=160N/mm2,考虑钢闸门自重引起的附加应力作用,取允许应力为[σ]=0.9×160=144N/mm 2,则需要的截面模量为:[]3max109.151000758144M W cm σ⨯===考虑利用面板作为主梁截面的一部分,初选I40a ,查表得: A=86.1cm2;Wx=1090cm3;Ix=21700cm4;b=142mm ;d=10.5mm ;t=16.5mm 。
面板参加主梁工作有效宽度:60606142502l B b mmδ=+=⨯+=取b=0.5m ,l 0=6.3m , l 0/b=12.6,查表得ξ1=0.99,故1B b ξ==0.99×0.5=495mm故选用B=495mm ,则主梁组合截面面积为:A=86.1+49.5×0.6=115.8cm2组合截面形心到工字钢中心线的距离为:49.50.620.35.2cm115.8e ⨯⨯==组合截面的惯性矩及截面矩为:22412170086.1 5.249.50.615.130800c I m =+⨯+⨯⨯=3min 308001222.2c 25.2W m ==q=22.05kN/m2314.2 1.6524.40.5 1.0523.6864.1c S m =⨯⨯+⨯⨯=(4)弯应力验算[]622max 3min 33max max 41109.1510===89.3/mm 144/mm 1222.21066.1510864.110=17.67120308001010.5M N N W V S MPa MPa I σττδ⨯⨯⨯⨯⨯===⨯⨯<<[]94.4MPa σ==<故满足要求。
(5)挠度验算3395415522.056100.0010.0017384384 2.06103080010f ql f l EI l⨯⨯⨯⎡⎤===≤=⎢⎥⨯⨯⨯⨯⎣⎦(6)面板参加主梁工作的折算应力验算由上述的面板计算可知,直接与主梁相邻的面板区格,只有区格Ⅴ所需要的板厚较大,这意味着该区格的长边中点应力也较大,所以选取区格Ⅴ验算其长边中点的折算应力。
面板区格Ⅴ在长边中点的局部弯曲应力为:2222my y 20.50.0242466=k /==73/mm 6qa N σδ⨯⨯ 2mx my ==0.373=21.9/mm N σμσ⨯对于面板区格Ⅴ在长边中点的主梁弯矩为:M=109.15kN·m620x 3109.1510=89.3/1222.810M N mm W σ⨯==⨯ 故折算应力为:[]22zh 1.1246.4N/mm σασ≤= 故面板厚度选用6mm ,满足强度要求。
6.3.6 竖直次梁(隔板)竖直次梁按支承在主梁上的双悬臂梁计算,受力简图如图6.6所示:图6.6 竖直次梁计算简图(1)内力计算支座A 断面上的弯矩为:37.54k 6A A H M b N m γ==⋅支座B 断面上的弯矩为:2()2.41k 4B B B H H MC b N m γ+==⋅(2)截面选择隔板的腹板选用与主梁腹板一致,采用380mm×10mm ,上翼缘利用面板,下翼缘采用200mm×10mm 的扁钢。
面板参加竖直次梁工作的有效宽度: b=2.1m ,l 0=0.7×1.4m=0.98m ,l 0/b=0.46,查表得ξ1=0.18。
故有效宽度为B=ξ1b=378mm 截面形心到腹板中心线的距离:3786190-200101906.33786+38010+20010e mm ⨯⨯⨯⨯==⨯⨯⨯截面惯性矩:3222411383810.6337.80.618.6720120.137089712I cm =⨯⨯+⨯⨯+⨯⨯+⨯⨯= 截面模量为:3min 70897343720.63W cm == 中和轴一侧静面矩:2320119.60.5 1.0519582c S m =⨯⨯+⨯⨯=(3)弯应力验算[]623min 7.5410= 2.19/343710M N mm W σσ⨯==⨯< 故满足强度要求。
AB6.3.7 边梁设计边梁的截面形式采用双腹板式,截面尺寸按构造要求确定,高度与主梁端部等高,腹板厚度与主梁腹板高度相同。
为了便于安装压合胶木滑块,下翼缘宽度不宜小于300mm 。
双腹板的间距应根据滑块的尺寸确定。