水工钢闸门结构设计(详细计算过程)
- 格式:doc
- 大小:152.26 KB
- 文档页数:13
┊┊┊┊┊┊┊┊┊┊┊┊┊装┊┊┊┊┊订┊┊┊┊┊线┊┊┊┊┊┊┊┊┊┊┊┊┊第三章闸门设计计算3-1 闸门3-1-1 设计基准型式:垂直启闭滚轮式有效寬:(门孔宽) 0.8 M 閘門寬: 0.922 M 水壓寬: B = 0.88 M 支點距離: L = 0.85 M 有效高:(门孔高) 0.8 M 閘門高:(水压高) H = 0.88 M 設計水位:(外水位) H1 = 3.0 M(内水位) h = 0 M 水封方式:四面水封3-1-2 压力负荷一、全水压Pw()212122221=--⨯=BhHHPw× 1 ×( 32– 2.122)× 0.88 = 1.98 Ton3-1-3 横梁┊┊┊┊┊┊┊┊┊┊┊┊┊装┊┊┊┊┊订┊┊┊┊┊线┊┊┊┊┊┊┊┊┊┊┊┊┊(1)、横梁的位置2.122.7123.02.416P1P2P3P4(2)、各横梁的分担荷重P1=6296.0( 2.12× 2 + 2.416 )× 0.88= 0.28 TonP2= [6296.0( 2.416 × 2 + 2.12 )+6296.0( 2.416 ×2 + 2.712 )] ×0.88= 0.62 TonP3= [6296.0( 2.712 × 2 + 2.416 )+6288.0( 2.712 × 2 + 3.0 )] ×0.88= 0.696 TonP4=6288.0( 3.0 × 2 + 2.712 )× 0.88= 0.36 TonΣPw = P1+ P2 + P3 +P4= 1.97 ≒Pw(3)、主横梁强度A、钢材使用PL6*75┊┊┊┊┊┊┊┊┊┊┊┊┊装┊┊┊┊┊订┊┊┊┊┊线┊┊┊┊┊┊ ┊ ┊ ┊ ┊ ┊ ┊ ┊3=L max δ8597.0=80013.8761≈…Ok!3-1-4 侧部纵梁┊┊┊┊┊┊┊┊┊┊┊┊┊装┊┊┊┊┊订┊┊┊┊┊线┊┊┊┊┊┊┊┊┊┊┊┊┊(1) 钢材使用PL 6 × 90 mmZ =()602at-=()696.02-= 8.1 Cm33-1-4 主滚轮一、主滚轮强度ta┊┊┊┊┊┊┊┊┊┊┊┊┊装┊┊┊┊┊订┊┊┊┊┊线┊┊┊┊┊┊┊┊┊┊┊┊┊┊┊┊┊┊┊┊┊┊┊┊┊┊装┊┊┊┊┊订┊┊┊┊┊线┊┊┊┊┊┊┊┊┊┊┊┊┊合计:87.6 kg1.6AISI3041底压板 6t*48*74521 1.6横梁 6t*75*910 6.4AISI3042203.22.7191AISI304 2.7底梁 6t*62*9102.8AISI3042890滚轮结构 65*60*85181.41.8AISI3042纵梁3 6t*(62+75)*282170.91.016纵梁2 6t*75*2902AISI304 2.0侧梁 6t*90*8807.6AISI304215 3.81.514890滚轮结构 65*60*902AISI304 3.01.8AISI3042纵梁1 6t*(62+75)*290130.93.912顶梁 6t*90*9221AISI304 3.91.6AISI3041吊耳座 120*55*90111.60.310补强板 8t*62*702AISI3040.61.2AISI3041吊耳插销 ?40*1159 1.27螺母 M161AISI304AISI3041垫片 M1681.66顶压板 6t*48*7451AISI304 1.65密封圈 M832NBR1.6AISI30432螺栓 M8*35 B.N.W.SW.40.055.73CHA2-103水封 P30*35901氯丁橡胶 5.73.6AISI3042侧压板 6t*45*820CHA2-1022 1.838.138.1代 号名 称1CHA2-101面板 6t*910*8801AISI304备注总计单件重 量材 料数量序号CHA2-106CHA2-116CHA2-115CHA2-114CHA2-113CHA2-112CHA2-111CHA2-110CHA2-109CHA2-108CHA2-107CHA2-110CHA2-104CHA2-105闸门门体重量Gt = 90 Kg3-2吊门机┊┊┊┊┊┊┊┊┊┊┊┊┊装┊┊┊┊┊订┊┊┊┊┊线┊┊┊┊┊┊┊┊┊┊┊┊┊3-2-1 设计基准型式:螺杆式吊门机動力:详计算书揚程:约L0 = 0.9 M吊昇速度:(动力) 约 V = 0.3 M/Min閘門重量:(不含吊杆) Gt = 0.09 Ton操作方式:现场-电动及手动3-2-2 吊升负荷一、水压抵抗:Q1(设计水位差:外水位较内水位高 3 公尺)()88.0)3(1212122221⨯⨯⨯=⨯-='BHHWwP= 3.96 Ton PW’:水压Q1 = f×PW’ = 0.03 × 3.96 f:转动摩擦系数0.03 = 0.119 Tonu:水封及钢之摩擦系数 0.7二、水封抵抗:Q2q:磨擦阻力= 0.14 t/Mp:作用于水封之平均水压Q u q p b2=⨯+⨯∑'() = 1/2×H+ h=1/2×0.88+2.12 = 2.56 t/M2= 0.7 ×(0.14+2.56×0.030)×3.59 b:水封受压宽度 0.030 M:水封总长= 3.59 M = 0.545 Ton吊升时Ton降下时Ton閘門重量G t10.090 ↓0.090 ↓水壓抵抗Q10.119 ↓0.119 ↑水封抵抗Q20.545 ↓0.545 ↑合计0.754 ↓0.574 ↑0.754 × 1.25 = 0.9425 Ton吊门机容量以 1.0 Ton计算┊┊┊┊┊┊┊┊┊┊┊┊┊装┊┊┊┊┊订┊┊┊┊┊线┊┊┊┊┊┊┊┊┊┊┊┊┊3-2-3 吊门机设计一、设计条件:(1)吊门机型式:电动单螺杆式吊门机(2)螺杆规格,30°梯形螺纹 , JIS B 0216,Tr30(3)螺杆材质:SUS304 不锈钢(4)外径:φ30 mm …d,有效径:φ27 mm …d1(5)螺距: 6 mm … p, 螺纹条数: 2 …n(6)导程: 12 mm … l(7)提吊力: 1000 Kg … Ft(8)提吊高度: 0.9 MA73.51000= 174.5 Kg/Cm2 < 1060 Kg/Cm2四、细长比δ(1)回转半径 e┊┊┊┊┊┊┊┊┊┊┊┊┊装┊┊┊┊┊订┊┊┊┊┊线┊┊┊┊┊┊┊┊┊┊┊┊┊e =41d=47.2= 0.675 Cm(2)细长比δ I:支撑间最长距离 110 Cm60.4 25.3 rpm。
水工钢结构平面钢闸门设计计算书WEIHUA system office room 【WEIHUA 16H-WEIHUA WEIHUA8Q8-水工钢结构平面钢闸门设计计算书一、设计资料及有关规定:1.闸门形式:潜孔式平面钢闸门。
2. 孔的性质:深孔形式。
3. 材料:钢材:Q235焊条:E43;手工电焊;普通方法检查。
止水:侧止水用P型橡皮,底止水用条型橡皮。
行走支承:采用胶木滑道,压合胶布用MCS—2。
砼强度等级:C20。
启闭机械:卷扬式启闭机。
4.规范:水利水电工程刚闸门设计规范(SL74-95),中国水利水电出版社二、闸门结构的形式及布置(一)闸门尺寸的确定(图1示)1.闸门孔口尺寸:孔口净跨(L):。
孔口净高:。
闸门高度(H):。
闸门宽度:。
荷载跨度(H1):。
计算跨度(L1):。
2.计算水头:。
(二)主梁的布置 1.主梁的数目及形式主梁是闸门的主要受力构件,其数目主要取决于闸门的尺寸。
因为闸门跨度L=,闸门高度h=,L<h 。
所以闸门采用4根主梁。
本闸门属中等跨度,为了便于制造和维护,决定采用实腹式组合梁。
2.主梁的布置本闸门为高水头的深孔闸门,孔口尺寸较小,门顶与门底的水压强度差值相对较小。
所以,主梁的位置按等间距来布置。
设计时按最下面的那根受力最大的主梁来设计,各主梁采用相同的截面尺寸。
3.梁格的布置及形式梁格采用复式布置与等高连接,水平次梁穿过横隔板所支承。
水平梁为连续梁,间距应上疏下密,使面板个区格需要的厚度大致相等,布置图2示 三、面板设计根据《钢闸门设计规范SDJ —78(试行)》关于面板的设计,先估算面板厚度,在主梁截面选择以后再验算面板的局部弯曲与主梁整体弯曲的折算应力。
1.估算面板厚度假定梁格布置尺寸如图2所示。
面板厚度按下式计算t=a][9.0σa kp当b/a ≤3时,a=,则t=a16065.19.0⨯⨯kp=kp a当b/a >3时,a=,则t=a 16055.19.0⨯⨯kp=现列表1计算如下:根据上表计算,选用面板厚度t=14mm 。
⽔⼯钢闸门设计(课程设计)露顶式平⾯钢闸门设计⼀、设计资料闸门形式:溢洪道露顶式平⾯钢闸门;孔⼝净宽:12.00m ;设计⽔头:6.00m ;结构材料:Q235;焊条:E43;⽌⽔橡⽪:侧⽌⽔⽤P 形橡⽪,底⽌⽔⽤条形橡⽪;⾏⾛⽀撑:采⽤胶⽊滑道,压合胶⽊为MCS-2;混凝⼟强度等级:C20;⼆、闸门结构的形式及布置1、闸门尺⼨的确定(图设-1)闸门⾼度:考虑风浪所产⽣的⽔位超⾼为0.2m ,故闸门⾼度=6+0.2=6.2(m );闸门的何在跨度为两侧⽌⽔的间距:L 1=12m ;闸门的计算跨度:L=L 0+2d=12+2×0.2=12.40 (m)。
2、主梁的形式主梁的形式应根据⽔头和跨度⼤⼩⽽定,本闸门属中等跨度,为了便于制造和维护,决定采⽤实腹式组合梁。
3、主梁的布置根据闸门的⾼跨⽐,决定采⽤双主梁。
为使两个主梁在设计⽔位时所受的⽔压⼒相等,两个主梁的位置应对称于⽔压⼒合⼒的作⽤线__y=H/3=2.0m(图设-1),并要求下悬臂H a 12.0≥和m a 4.0≥、上悬臂H c 45.0≤,今取)(72.012.07.0m H m a =≈=主梁间距: )(6.2)7.02(2)(22__m a y b =-?=-=则 H m a b H c 45.0)(7.27.06.262==--=--=(满⾜要求) 4、梁格的布置和形式梁格采⽤复式布置和等⾼连接,⽔平次梁穿过横隔板上的预留孔并被横隔板所⽀撑。
⽔平次梁为连续梁,其间距应上疏下密,使⾯板各区格需要的厚度⼤致相等,梁格布置的具体尺⼨详见图设-2 5、连接系的布置和形式(1)横向连接系,根据主梁的跨度,决定布置3道横隔板,其间距为3.1m ,横隔板兼作竖直次梁。
(2)纵向连接系,设在两个主梁下翼缘的竖平⾯内,采⽤斜杆式桁架。
6.边梁与⾏⾛⽀承边梁采⽤单腹式,⾏⾛⽀承采⽤胶⽊滑道。
三、⾯板设计根据SL 74—95《⽔利⽔电⼯程钢闸门设计规范》修订送审稿,关于⾯板的计算,先估算⾯板厚度,在主梁界⾯选择之后再验算⾯板的局部弯曲与主梁整体弯曲的折算应⼒。
水工刚结构潜孔式焊接平面钢闸门设计计算书一、设计资料及有关规定:闸门形式:潜孔式平面钢闸门 孔口净宽:10m 孔口净高:13m 上游水位:73m 下游水位:0.1m 闸底高程:0m启闭方式:电动固定式启闭机 启闭机械:液压式启闭机 材料: 钢材:Q235-A.F ;焊条:E43型;行走支承:采用滚轮支承;止水橡皮:侧止水和顶止水用P 型橡皮,底止水用条型橡皮。
制造条件: 金属结构制造厂制造,手工电弧焊,满足III 级焊缝质量检验标准 规范:《水利水电工程刚闸门设计规范 SL 1974-2005》 混凝土强度等级:C30二、闸门结构的形式及布置(一)闸门尺寸的确定(图1示)1 闸门孔口尺寸:孔口净跨:10m 孔口净高:13m 闸门高度: 13.2m 闸门宽度: 10.4m 荷载跨度: 13.2m10.0 10.41013.273计算跨度: 10.4m2 计算水头:73m(二)主梁的布置1.主梁的数目及形式主梁是闸门的主要受力构件,其数目主要取决于闸门的尺寸。
因为闸门跨度L=10m,闸门高度h=13m,L<h。
所以闸门采用5根主梁。
本闸门属中等跨度,为了便于制造和维护,决定采用实腹式组合梁。
2.主梁的布置本闸门为高水头的深孔闸门,孔口尺寸较小,门顶与门底的水压强度差值相对较小。
所以,主梁的位置按等间距来布置。
设计时按最下面的那根受力最大的主梁来设计,各主梁采用相同的截面尺寸。
3.梁格的布置及形式梁格采用复式布置与等高连接,水平次梁穿过横隔板所支承。
水平梁为连续梁,间距应上疏下密,使面板个区格需要的厚度大致相等,布置图2示三、面板设计根据《钢闸门设计规范SDJ—78(试行)》关于面板的设计,先估算面板厚度,在主梁截面选择以后再验算面板的局部弯曲与主梁整体弯曲的折算应力。
1.估算面板厚度假定梁格布置尺寸如图2所示。
面板厚度按下式计算kpt=aa[]9.0当b/a ≤3时,a=1.65,则t=a14565.19.0⨯⨯kp=0.065kp a当b/a >3时,a=1.55,则t=a 16055.19.0⨯⨯kp=0.067kp a根据上表计算,选用面板厚度t=44mm 。
水工钢结构平面钢闸门设计计算书一、设计资料及有关规定:1.闸门形式:潜孔式平面钢闸门。
2. 孔的性质:深孔形式。
3. 材料:钢材:Q235焊条:E43;手工电焊;普通方法检查。
止水:侧止水用P型橡皮,底止水用条型橡皮。
行走支承:采用胶木滑道,压合胶布用MCS—2。
砼强度等级:C20。
启闭机械:卷扬式启闭机。
4.规范:水利水电工程刚闸门设计规范(SL74-95),中国水利水电出版社1998.8二、闸门结构的形式及布置(一)闸门尺寸的确定(图1示)1.闸门孔口尺寸:孔口净跨(L):3.50m。
孔口净高:3.50m。
闸门高度(H):3.66m。
闸门宽度:4.20m。
荷载跨度(H1):3.66m。
2.计算水头:50.00m。
(二)主梁的布置1.主梁的数目及形式主梁是闸门的主要受力构件,其数目主要取决于闸门的尺寸。
因为闸门跨度L=3.50m,闸门高度h=3.66m,L<h。
所以闸门采用4根主梁。
本闸门属中等跨度,为了便于制造和维护,决定采用实腹式组合梁。
2.主梁的布置本闸门为高水头的深孔闸门,孔口尺寸较小,门顶与门底的水压强度差值相对较小。
所以,主梁的位置按等间距来布置。
设计时按最下面的那根受力最大的主梁来设计,各主梁采用相同的截面尺寸。
3.梁格的布置及形式梁格采用复式布置与等高连接,水平次梁穿过横隔板所支承。
水平梁为连续梁,间距应上疏下密,使面板个区格需要的厚度大致相等,布置图2示三、面板设计根据《钢闸门设计规范SDJ—78(试行)》关于面板的设计,先估算面板厚度,在主梁截面选择以后再验算面板的局部弯曲与主梁整体弯曲的折算应力。
1.估算面板厚度假定梁格布置尺寸如图2所示。
面板厚度按下式计算kpt=aa[]9.0当b/a ≤3时,a=1.65,则t=a16065.19.0⨯⨯kp=0.065kp a当b/a >3时,a=1.55,则t=a 16055.19.0⨯⨯kp=0.067现列表1计算如下:2.面板与梁格的连接计算已知面板厚度t=14mm ,并且近似地取板中最大弯应力σmax=[σ]=160N/mm 2,则p=0.07х14х160=156.8.2N/mm ,面板与主梁连接焊缝方向单位长度内地应力:T =02I VS =,/39837767700002272141000107903mm N =⨯⨯⨯⨯⨯ 面板与主梁连接的焊缝厚度:mm T P h w t f 51137.0/398][7.0/22=⨯=⨯+=τ, 面板与梁格连接焊缝厚度取起最小厚度mm h f 6=。
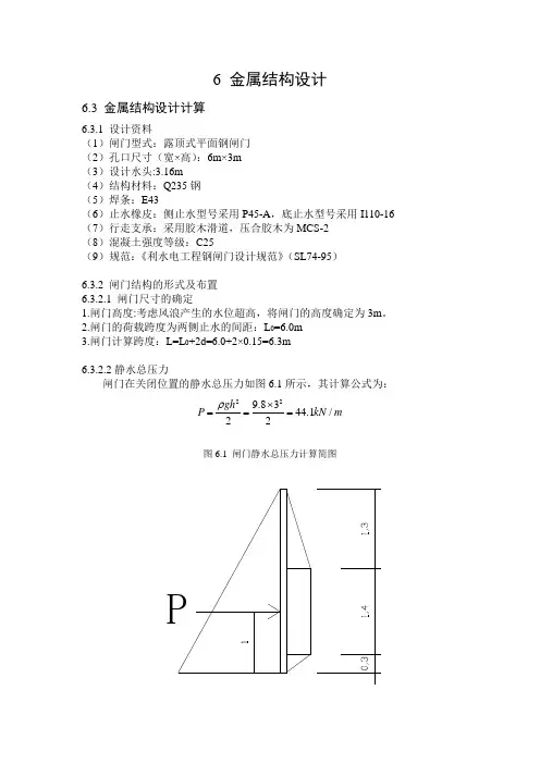
6 金属结构设计6.3 金属结构设计计算6.3.1 设计资料(1)闸门型式:露顶式平面钢闸门 (2)孔口尺寸(宽×高):6m×3m (3)设计水头:3.16m (4)结构材料:Q235钢 (5)焊条:E43(6)止水橡皮:侧止水型号采用P45-A ,底止水型号采用I110-16 (7)行走支承:采用胶木滑道,压合胶木为MCS-2 (8)混凝土强度等级:C25 (9)规范:《利水电工程钢闸门设计规范》(SL74-95)6.3.2 闸门结构的形式及布置 6.3.2.1 闸门尺寸的确定1.闸门高度:考虑风浪产生的水位超高,将闸门的高度确定为3m 。
2.闸门的荷载跨度为两侧止水的间距:L 0=6.0m3.闸门计算跨度:L=L 0+2d=6.0+2×0.15=6.3m6.3.2.2静水总压力闸门在关闭位置的静水总压力如图6.1所示,其计算公式为:229.8344.1/22gh P kN mρ⨯===图6.1 闸门静水总压力计算简图P6.3.2.3 主梁的形式主梁的形式应根据水头的大小和跨度大小而定,本设计中主梁采用实腹式组合梁。
6.3.2.4主梁的布置根据主梁的高跨比,决定采用双主梁。
两根主梁应布置在静水压力合力线上下等距离的位置上,并要求两主梁的距离值要尽量大些,且上主梁到闸门顶缘的距离c 小于0.45H ,且不宜大于3.6m ,底主梁到底止水的距离应符合底缘布置的要求。
故主梁的布置如图6.2所示图6.2 主梁及梁格布置图6.3.2.5 梁格的布置和形式梁格采用复式布置并等高连接,并使用实腹式竖向隔板兼作竖直次梁,使水平次梁穿过隔板上的预留孔而成为连续梁,其间距上疏下密,面板各区格需要的厚度大致相等,具体布置尺寸如图6.2所示。
6.3.3 面板设计根据《利水电工程钢闸门设计规范》(SL74-95),关于面板的计算,先估算面板厚度,在主梁截面选择之后再计算面板的局部弯曲与主梁整体弯曲的折算应力。
水工刚结构潜孔式焊接平面钢闸门设计计算书一、设计资料及有关规定:闸门形式:潜孔式平面钢闸门孔口净宽:10m孔口净高:13m上游水位:73m下游水位:0.1m闸底咼程:0m启闭方式:电动固定式启闭机启闭机械:液压式启闭机材料:钢材:Q235-A.F;焊条:E43型;行走支承:采用滚轮支承;止水橡皮:侧止水和顶止水用P型橡皮,底止水用条型橡皮。
制造条件:金属结构制造厂制造,手工电弧焊,满足III级焊缝质量检验标准规范:《水利水电工程刚闸门设计规范SL 1974-2005》混凝土强度等级:C30、闸门结构的形式及布置ffli:闻口援尺寸狙維m(一)闸门尺寸的确定(图1示)i闸门孔口尺寸:孔口净跨:10m孔口净高:13m闸门高度:13.2m闸门宽度:10.4m荷载跨度:13.2m计算跨度:10.4m2计算水头:73m (二)主梁的布置1. 主梁的数目及形式主梁是闸门的主要受力构件,其数目主要取决于闸门的尺寸。
因为闸门跨度L=10m, 闸门高度h=13m,L<hb 所以闸门采用5根主梁。
本闸门属中等跨度,为了便于制造和维 护,决定采用实腹式组合梁。
2. 主梁的布置本闸门为高水头的深孔闸门,孔口尺寸较小,门顶与门底的水压强度差值相对较小。
所以,主梁的位置按等间距来布置。
设计时按最下面的那根受力最大的主梁来设计,各 主梁采用相同的截面尺寸。
3. 梁格的布置及形式梁格采用复式布置与等高连接,水平次梁穿过横隔板所支承。
水平梁为连续梁,间 距应上疏下密,使面板个区格需要的厚度大致相等,布置图2示三、面板设计根据《钢闸门设计规范SD — 78 (试行)》关于面板的设计,先估算面板厚度,在主梁截 面选择以后再验算面板的局部弯曲与主梁整体弯曲的折算应力。
1. 估算面板厚度假定梁格布置尺寸如图2所示。
面板厚度按下式计算t=^ kP -Y0.9aQ]c二C ■uscr■■sce 2皂f-SIR当 b/a < 3 时,a=1.65,则 t=a.0.9 1?5 145=0.065心当 b/a >3 时,a=1.55,则 t=a -------------kp=0.067 a kp0.9x1.55x160根据上表计算,选用面板厚度t=44mm 。
目录一、设计资料 (2)二、闸门结构的形式及布置 (2)三、面板设计 (4)四、水平次梁、顶梁和底梁的设计 (5)五、主梁设计 (10)六、横隔板设计 (16)七、纵向连接系设计 (17)八、边梁设计 (18)九、行走支承设计 (20)十、滚轮轨道设计 (21)十一、闸门启闭力和吊耳计算 (22)十二、液压式启闭机 (23)水工刚结构露顶式焊接平面钢闸门设计计算书一、设计资料1、闸门形式:露顶式平面钢闸门;2、孔口尺寸(宽*高):18m*15m;3、上游水位:14.8m;4、下游水位:0.2m;5、闸底高程:0m;6、启闭方式:液压式启闭机;7、材料:钢结构:Q235-A.F;焊条:E43型;行走支承:滚轮支承;止水橡皮:侧止水用p型橡皮,底止水用条形橡皮;8、制造条件:金属结构制造厂制造,手工电弧焊,满足III级焊缝质量检验标准9、规范:《水利水电工程闸门设计规范SL 1947-2005》二、闸门结构的形式及布置1、闸门尺寸的确定(如下图)闸门高度:考虑风浪所产生的水位超高为0.2m,故闸门高度=14.8+0.2=15m;闸门的荷载跨度为两侧止水的间距:L1=15m;闸门的计算跨度:L=L0+2×0.2=18+0.4=18.4m。
2、主梁的形式主梁的形式根据水头合跨度大小而定,本闸门属中等跨度为了便于制造和维护,决定采用实腹式组合梁。
3.主梁的布置因为L=18.00<1.5H=1.5X15=22.5所以是选取7跟主梁。
根据公式计算每一根主梁距水面的距离,K及第K跟主梁,得:y1=3.78m; y2=6.91m; y3=8.95; y4=10.60m; y5=12.02m; y6=13.29m;y7=14.45m 具体布置见下图:4梁格的布置和形式梁格采用复式布置和等高连接,水平次梁穿过横隔板上的预留孔并被横隔板所支承。
水平次梁为连续梁,其间距应上疏下密,使面板各区格所需要的厚度大致相等,梁格的布置具体尺寸见下页图。
6 金属结构设计6.3 金属结构设计计算6.3.1 设计资料(1)闸门型式:露顶式平面钢闸门 (2)孔口尺寸(宽×高):6m×3m (3)设计水头:3.16m (4)结构材料:Q235钢 (5)焊条:E43(6)止水橡皮:侧止水型号采用P45-A ,底止水型号采用I110-16 (7)行走支承:采用胶木滑道,压合胶木为MCS-2 (8)混凝土强度等级:C25(9)规范:《利水电工程钢闸门设计规范》(SL74-95)6.3.2 闸门结构的形式及布置 6.3.2.1 闸门尺寸的确定1.闸门高度:考虑风浪产生的水位超高,将闸门的高度确定为3m 。
2.闸门的荷载跨度为两侧止水的间距:L 0=6.0m3.闸门计算跨度:L=L 0+2d=6.0+2×0.15=6.3m6.3.2.2静水总压力闸门在关闭位置的静水总压力如图6.1所示,其计算公式为:229.8344.1/22gh P kN mρ⨯===图6.1 闸门静水总压力计算简图P6.3.2.3 主梁的形式主梁的形式应根据水头的大小和跨度大小而定,本设计中主梁采用实腹式组合梁。
6.3.2.4主梁的布置根据主梁的高跨比,决定采用双主梁。
两根主梁应布置在静水压力合力线上下等距离的位置上,并要求两主梁的距离值要尽量大些,且上主梁到闸门顶缘的距离c小于0.45H,且不宜大于3.6m,底主梁到底止水的距离应符合底缘布置的要求。
故主梁的布置如图6.2所示图6.2 主梁及梁格布置图6.3.2.5 梁格的布置和形式梁格采用复式布置并等高连接,并使用实腹式竖向隔板兼作竖直次梁,使水平次梁穿过隔板上的预留孔而成为连续梁,其间距上疏下密,面板各区格需要的厚度大致相等,具体布置尺寸如图6.2所示。
6.3.3 面板设计根据《利水电工程钢闸门设计规范》(SL74-95),关于面板的计算,先估算面板厚度,在主梁截面选择之后再计算面板的局部弯曲与主梁整体弯曲的折算应力。
水工刚结构露顶式焊接平面钢闸门设计计算书一、设计资料闸门形式:炉鼎是平面钢闸门;空口尺寸(宽×高): 26m×12m上游水位:11.8m下游水位:0.1m闸底高程:0m启闭方式:电动固定式启闭机材料:钢结构Q235-A.F;焊条:E43型;行走支承:滚轮支承;止水橡皮:侧止水用P型橡皮,底止水用条形橡皮。
制造条件:金属结构制造厂制造,手工电弧焊,满足Ⅲ级焊缝质量检验标准规范:水利水电工程钢闸门设计规范SL 1974-2005二、闸门结构的形式及布置1.闸门尺寸的确定闸门高度:考虑风浪所产生的水位超高为0.2m,故闸门高度H=11.8+0.2=12m;闸门的荷载跨度为两侧止水的间距:L1=26m;闸门计算跨度:L=L0+2d=22+2×0.2=26.40m。
2.主梁的形式主梁的形式应根据水头和跨度大小而定,本闸门应用实腹式组合梁。
3.主梁的布置因为L=26.40>1.5H=1.5×12=18所以采取双主梁。
为使两根主梁在设计水位时所受的水压力相等,两根主梁的位置应对称与水压力合力的作用线y=H/3=4.0m,并要求下旋臂a≧0.12H和a≧0.4m、上悬臂c≦0.45H,现取a=1.5m ≈0.12H=1.44(m)主梁间距: 2b=2(y﹣a)=2×2.5=5(m)则 c=H-2b-a=12-5-1.5=5.5(m)=0.458H (满足要求)(单位:m)4梁格的布置和形式梁格采用复式布置和等高连接,水平次梁穿过横隔板上的预留孔并被横隔板所支承。
水平次梁为连续梁,其间距应上疏下密,使面板各区格所需要的厚度大致相等,梁格的布置具体尺寸见下页图。
5.连接系的布置和形式(1)横向连接系,根据主梁的跨度决定布置16道横隔板,其间距为1.65m ,横隔板兼做竖直次梁。
(2)纵向连接系,设在两个主梁下翼缘的竖平面内,采用斜杆式桁架。
6.边梁与行走支承。
边梁采用单复试,行走支承采用胶木滑道。
本涵闸孔口尺寸3×3m ,计1孔。
采用平面钢闸门,门高3.3m,Q235实腹式多主梁焊接结构,焊条E4303,悬臂式主滚轮支承。
主滚轮材料ZG310-570,主轴材料45号钢,轴衬材料ZQAl9-4铸铝青铜,侧向采用MC油尼龙侧滑块,止水采用P型及条形橡皮止水。
采用QL-100KN手电两用螺杆式启闭机启闭,计1台。
本工程闸门按远景行洪水位组合计算。
水位组合:位置项目上游下游孔径计算 2.67 2.54稳定(设计) 2.20 7.42(近期)稳定(校核) 2.20 9.37(远景)消能 2.67 1.67启闭门最大水位差按近期水位组合计算。
2、面板计算闸门所受总水压力P=733.4KN。
面板计算厚度δ=11.4mm,考虑面板腐蚀等因素,取δ=12mm。
3、主梁计算主梁计算线载q=118.5kN/m,L0=3.3m,L=3.1m,Mmax=160.8KN.m,Qmax=183.7KN。
断面-10×372,-16×160,面板作用有效宽度B取650mm。
Wmin=1302773mm3Smax=1009111mm3应力σmax=123.5N/mm2<[σ]=160N/mm2τmax=52.1N/mm2<[τ]=95N/mm2挠度 fmax=2.54mmfmax/L0=1/1299.2<[f/L]=1/7504、主滚轮设计计算最大轮压P=183.4kN(下滚轮),主轮半径R=265mm,轮缘宽度b=100mm,轴套为ZQAl9-4铸铝青铜。
主轮计算:ZG310-570屈服点σs =310N/mm2轨道Q235钢屈服点σs =235N/mm2,取Q235钢σs值。
σmax=0.418[1.1×P×E/(b×R)]0.5=523.5N/mm2<3.0σs =705N/mm2,满足要求。
轮轴计算:材料45号钢,轮轴直径取d=150mm。
一、 设计资料工程名称:马尾区白眉供水工程输水道进口闸门闸门用途:该闸门设于输水道,作为输水道进口的工作事故闸门,当压力钢管发生事故时,应将闸门迅速下降,关闭进水口,另外定期检修输水道时,同样关闭此门。
闸门型式:焊接平面钢闸门,其面板在上游,顶、侧止水亦在上游,另设加重块,满足起闭力。
孔口数量:3孔。
孔口尺寸:宽×高=8.00×6.00m 2。
设计水头H r :5.40m 。
吊点中心距:4.0m 。
门叶结构:焊接钢结构。
结构材料:Q235。
焊条:E43。
止水橡皮:侧止水用P45-A 型,底止水用Ⅰ110-16型。
行走支承:采用胶木滑道,压合胶木为MCS -2。
起闭机型式:双吊点卷扬式。
起闭机容量:2×25吨。
混凝土强度等级:C20。
规范:《水利水电工程钢闸门设计规范》SL74-95。
二、 闸门结构的形式及布置2.1 闸门尺寸的确定(图1)闸门高度:考虑风浪所产生的水位超高为0.3m ,故闸门高度H =5.4+0.3=5.7m 。
闸门的荷载跨度为两侧止水的间距:L 1=8.0m 。
闸门的计算跨度:m ...d L L 482020820=⨯+=+=式中 L 0 —闸门孔口的净宽,m ;d —行走支承中心线到闸墩侧壁的距离,取0.2m 。
闸门的总水压力:NL H P k 24.114484.581.92121212r =⨯⨯⨯==γ图1 闸门主要尺寸图(单位:mm )2.2 主梁的形式主梁的形式应根据水头和跨度大小而定,本闸门属中等跨度,为了方便制造与维护,决定采用实腹式组合梁。
2.3 主梁的布置根据闸门的高跨比68.04.87.5==L H ,决定采用双主梁。
为使两个主梁在设计水位时所受的水压力相等,两个主梁的位置应对称于水压力合力P 的作用线m 800.134.53H y r ===,且两主梁间的距离b 值要尽量大些,并要求上主梁到闸门顶缘的距离H c 45.0≤,并不大于3.6m 。
⽔⼯钢结构(平⾯钢闸门)课程设计⽬录⼀、设计资料及有关规定 (2)⼆、闸门结构的形式及布置 (2)三、⾯板设计 (3)四、⽔平次梁、顶梁和底梁地设计 (4)五、主梁设计 (7)六、横隔板设计 (10)七、纵向连接系 (11)⼋、边梁设计 (11)九、⾏⾛⽀承设计 (13)⼗、轨道设计 (14)⼗⼀、⽌⽔布置⽅式 (14)⼗⼆、埋固构件 (15)⼗三、闸门启闭⼒ (15)⼗四、闸门的启闭机械 (15)⼀、设计资料及有关规定1、闸门形式:潜孔式平⾯钢闸门2、孔⼝尺⼨(宽×⾼):7.0m×12.0m3、上游⽔位:67m4、下游⽔位:0.1m5、闸底⾼程:0m6、启闭⽅式:电动固定式启闭机7、材料:钢结构:Q235-A.F焊条:E43型⾏⾛⽀承:采⽤滚轮⽀承⽌⽔橡⽪:侧⽌⽔和顶⽌⽔⽤P型橡⽪,底⽌⽔⽤条型橡⽪8、制造条件:⾦属结构制造⼚制造,⼿⼯电弧焊,满⾜Ⅲ级焊缝质量检验标准。
9、规范:《⽔利⽔电⼯程钢闸门设计规范SL 1974-2005》⼆、闸门结构的形式及布置1、闸门尺⼨的确定闸门⾼度:12.2m闸门的荷载跨度为两⽌⽔的间距:7.0m闸门计算跨度:10+2×0.22=7.44(m)设计⽔头:67m2、主梁的数⽬及形式主梁是闸门的主要受⼒构件,其数⽬主要取决于闸门的尺⼨。
因为闸门跨度L=7m,闸门⾼度h=12m,L3、主梁的布置本闸门为⾼⽔头的深孔闸门,主梁的位置可按主梁均匀间隔来布置。
设计时按最下⾯的那根受⼒最⼤的主梁来设计,各主梁采⽤相同的截⾯尺⼨。
4、梁格的布置及形式梁格采⽤复式布置与等⾼连接,⽔平次梁穿过横隔板上的预留孔并被横隔板所⽀承。
⽔平次梁为连续梁,其间距应均匀,以减少计算量。
5、连接系的布置与形式(1)横向连接系,根据主梁的跨度,决定布置5道横隔板,其间距为1.24m,横隔板兼作竖直次粱。
(2)纵向连接系,采⽤斜杆式桁架。
三、⾯板设计根据《钢闸门设计规范S74—95》关于⾯板的设计,先估算⾯板厚度,在主梁截⾯选择以后再验算⾯板的局部弯曲与主梁整体弯曲的折算应⼒。
水工钢结构课程设计--露顶式闸门(大)一、露顶式闸门(大)的简介露顶式闸门(大)是一种重要的水利水电项目,它以砌筑拱形基座、水利钢筋混凝土(SRC)拱形壳、固定式调门框架和车轮机构为主要结构,由多套或少套闸板、涨落机构、涨落轮构、动力轴承、支座及其他配件组成,露顶式闸门(大)非常适用于灌溉和其他经济用水,可以满足抗裂性和端部稳定性的要求。
二、露顶式闸门(大)的结构特点1、拱形基座:采用拱形基座,既能够满足结构的强度,又能够满足脆性要求,受力均匀,大大提高了整个结构的稳定性和结构安全性。
2、SRC拱形壳:采用可再生利用的水利钢筋混凝土(SRC),耐气候腐蚀,耐用,结构坚固,实现了结构特性的一致性。
3、闸板:采用多套或少套闸板,可以实现不同的水位控制,是一种能够满足水位和结构强度的优质结构。
4、固定式调门框架:采用固定式调门框架可以调整闸门的水位,闸板的抗拉抗压,实现水位控制和开启闸门。
5、车轮机构:采用车轮机构可以实现闸板的快速开启,大大提高了系统的整体运行效率。
三、露顶式闸门(大)的技术要求1、结构强度:露顶式闸门(大)必须满足设计水位、水流要求,结构强度必须满足设计。
2、结构位移:结构的位移量不得超过设计位移量要求,以确保壳体的端部稳定性。
3、密封性:露顶式闸门(大)的闸板,必须保证水位、水流安全,并具有良好的密封性能。
4、耐久性:结构耐久性要求非常高,需要满足抗气候腐蚀性能要求。
四、露顶式闸门(大)的工程实施1、现场勘探:现场勘探是露顶式闸门(大)结构实施的前提,对具体结构进行勘察,了解水位、水流情况。
2、桩基施工:钢筋混凝土桩基是露顶式闸门(大)结构的基础,必须认真做好砌筑工作,确保结构的稳定性。
3、钢筋混凝土制作:钢筋混凝土、拱形壳必须使用可靠的钢筋混凝土进行制作,保证结构的稳定性和密封性。
4、闸板安装:闸板制作完成后,必须进行严格的安装,使闸板可以正常工作,以达到实际要求。
5、调试检验:露顶式闸门(大)安装完成后,必须进行严格检验,以确保结构安全性,能够正常开启关闭。
6 金属结构设计6.3 金属结构设计计算6.3.1 设计资料(1)闸门型式:露顶式平面钢闸门(2)孔口尺寸(宽×高):6m ×3m (3)设计水头:3.16m (4)结构材料:Q235钢(5)焊条:E43(6)止水橡皮:侧止水型号采用P45-A ,底止水型号采用I110-16 (7)行走支承:采用胶木滑道,压合胶木为MCS-2 (8)混凝土强度等级:C25 (9)规范:《利水电工程钢闸门设计规范》(SL74-95)6.3.2 闸门结构的形式及布置6.3.2.1 闸门尺寸的确定1.闸门高度:考虑风浪产生的水位超高,将闸门的高度确定为3m 。
2.闸门的荷载跨度为两侧止水的间距:L 0=6.0m3.闸门计算跨度:L=L 0+2d=6.0+2×0.15=6.3m 6.3.2.2静水总压力闸门在关闭位置的静水总压力如图6.1所示,其计算公式为:229.8344.1/22gh PkN m图6.1 闸门静水总压力计算简图P6.3.2.3 主梁的形式主梁的形式应根据水头的大小和跨度大小而定,本设计中主梁采用实腹式组合梁。
6.3.2.4主梁的布置根据主梁的高跨比,决定采用双主梁。
两根主梁应布置在静水压力合力线上下等距离的位置上,并要求两主梁的距离值要尽量大些,且上主梁到闸门顶缘的距离c 小于0.45H ,且不宜大于 3.6m ,底主梁到底止水的距离应符合底缘布置的要求。
故主梁的布置如图 6.2所示图6.2 主梁及梁格布置图6.3.2.5 梁格的布置和形式梁格采用复式布置并等高连接,并使用实腹式竖向隔板兼作竖直次梁,使水平次梁穿过隔板上的预留孔而成为连续梁,其间距上疏下密,面板各区格需要的厚度大致相等,具体布置尺寸如图 6.2所示。
6.3.3 面板设计根据《利水电工程钢闸门设计规范》(SL74-95),关于面板的计算,先估算面板厚度,在主梁截面选择之后再计算面板的局部弯曲与主梁整体弯曲的折算应力。
6 金属结构设计6.3 金属结构设计计算6.3.1 设计资料(1)闸门型式:露顶式平面钢闸门 (2)孔口尺寸(宽×高):6m ×3m (3)设计水头:3.16m (4)结构材料:Q235钢 (5)焊条:E43(6)止水橡皮:侧止水型号采用P45-A ,底止水型号采用I110-16 (7)行走支承:采用胶木滑道,压合胶木为MCS-2 (8)混凝土强度等级:C25 (9)规范:《利水电工程钢闸门设计规范》(SL74-95)6.3.2 闸门结构的形式及布置 6.3.2.1 闸门尺寸的确定1.闸门高度:考虑风浪产生的水位超高,将闸门的高度确定为3m 。
2.闸门的荷载跨度为两侧止水的间距:L 0=6.0m3.闸门计算跨度:L=L 0+2d=6.0+2×0.15=6.3m6.3.2.2静水总压力闸门在关闭位置的静水总压力如图6.1所示,其计算公式为:229.8344.1/22gh P kN mρ⨯===图6.1 闸门静水总压力计算简图P6.3.2.3 主梁的形式主梁的形式应根据水头的大小和跨度大小而定,本设计中主梁采用实腹式组合梁。
6.3.2.4主梁的布置根据主梁的高跨比,决定采用双主梁。
两根主梁应布置在静水压力合力线上下等距离的位置上,并要求两主梁的距离值要尽量大些,且上主梁到闸门顶缘的距离c 小于0.45H ,且不宜大于3.6m ,底主梁到底止水的距离应符合底缘布置的要求。
故主梁的布置如图6.2所示图6.2 主梁及梁格布置图6.3.2.5 梁格的布置和形式梁格采用复式布置并等高连接,并使用实腹式竖向隔板兼作竖直次梁,使水平次梁穿过隔板上的预留孔而成为连续梁,其间距上疏下密,面板各区格需要的厚度大致相等,具体布置尺寸如图6.2所示。
6.3.3 面板设计根据《利水电工程钢闸门设计规范》(SL74-95),关于面板的计算,先估算面板厚度,在主梁截面选择之后再计算面板的局部弯曲与主梁整体弯曲的折算应力。
初选面板厚度。
面板厚度计算公式为:δ当b/a >3时,α=1.4;当b/a ≤3时,α=1.5。
列表进行计算,见表6.1:由上表的计算结果,再加上2mm 的腐蚀余度,选用面板厚度为6mm 。
6.3.4 水平次梁、顶梁和底梁的设计 (1)荷载与内力计算水平次梁和顶、底梁都是支承在隔板上的连续梁,作用其上的水平压力可按下式计算:+2a a p q=下上列表计算,具体计算过程见表6.2: 表6.2 水平梁水平压力计算表经计算,水平次梁计算荷载取10.3kN/m ,水平次梁为三跨连续梁,跨度为2.1m 。
计算简图如图6.3所示:图6.3 水平次梁计算简图故水平次梁弯曲时跨中弯矩为:2210.080.0810.3 2.1 3.63M ql kN m ==⨯⨯=⋅支座B 处的弯矩为:A B C Dq=10.3kN/m220.10.110.3 2.1 4.54B M ql kN m ==⨯⨯=⋅(2)截面选择[]634.541028375160MW mm σ⨯===考虑利用面板作为次梁截面的一部分,初选[14a,查表得:A=1851mm 2;Wx=80500mm 3;Ix=5640000mm 4;b=58mm ;d=6mm 。
面板参加次梁工作的有效宽度:6060658418l B b mm δ=+=⨯+=1B b ξ=(正弯矩段) 2B b ξ=(负弯矩段)按4号梁进行计算,梁间距为b=470mm ,对于连续梁的正弯矩段00.80.821001680l l mm ==⨯=,0/1680/470 3.57l b ==,查表得ξ1=0.87,故1B bξ==409mm 。
对于其负弯矩段00.40.42100840l l mm ==⨯=,0/840/470 1.79l b ==,查表得ξ2=0.64,故2B b ξ==301mm 。
面板参加水平次梁工作后的组合截面如图6.4所示:图6.4 组合截面图对于第一跨中,选用B=409mm ,则水平次梁的组合截面积为A=1851+409×6=4305mm 2组合截面形心到槽钢中心线的距离为:40967342mm 4305e ⨯⨯==跨中组合截面的惯性矩及截面模量为:2241564000018514240963111263458I mm =+⨯+⨯⨯=3min 11263458100567112W mm ==对支座段选用B=301mm ,则组合截面面积为:A=1851+301×6=3657mm 2组合截面形心到槽钢中心线的距离为:30167336mm 3657e ⨯⨯==支座组合截面的惯性矩及截面模量为:2241564000018513630163710511310I mm =+⨯+⨯⨯=3min 1051131099163106W mm ==(3)水平次梁的强度验算由于支座B 处弯矩最大,且截面模量最小,故只需验算支座B 处截面的抗弯强度,即 []622min 4.5410===45.78N/mm =160N/mm 99163B B M W σσ⨯<故水平次梁选用[14a 满足要求。
轧成梁的剪应力一般很小,可不必验算。
(4)水平次梁的挠度验算受均布荷载的等跨连续梁,最大挠度发生在边跨,由于水平次梁在B 支座处截面的弯矩已经求得,则边跨挠度可近似地计算为:4395110.3 2.1100.6770.6770.00030.004100100 2.061010511310f ql f l EI l l⨯⨯⎡⎤==⨯=≤=⎢⎥⨯⨯⨯⎣⎦故水平次梁选用[14a 满足强度和刚度要求。
(5)顶梁和底梁顶梁所受的荷载较小,但考虑水面漂浮物的撞击等影响,必须加强顶梁的刚度,故采用[16a 。
底梁采用[14a 。
6.3.5 主梁设计 (1)设计资料主梁荷载:q=P/2=22.05kN/m主梁跨度:计算跨度L=6.3m ,荷载跨度Lq=6m 。
隔板间距:2.1m主梁允许挠度:[f]=1/600 (2)内力计算主梁计算简图如图6.5所示:图6.5 主梁计算简图max max22.056 6.36()()109.1522422422.05666.1522q q q q L L L M kN m qL V kN ⨯⨯=-=⨯-=⋅⨯===(3)需要的截面模量已知Q235钢的允许应力[σ]=160N/mm2,考虑钢闸门自重引起的附加应力作用,取允许应力为[σ]=0.9×160=144N/mm 2,则需要的截面模量为:[]3max109.151000758144M W cm σ⨯===考虑利用面板作为主梁截面的一部分,初选I40a ,查表得:A=86.1cm2;Wx=1090cm3;Ix=21700cm4;b=142mm ;d=10.5mm ;t=16.5mm 。
面板参加主梁工作有效宽度:60606142502l B b mmδ=+=⨯+=取b=0.5m ,l 0=6.3m , l 0/b=12.6,查表得ξ1=0.99,故1B b ξ==0.99×0.5=495mm故选用B=495mm ,则主梁组合截面面积为:A=86.1+49.5×0.6=115.8cm2组合截面形心到工字钢中心线的距离为:49.50.620.35.2cm115.8e ⨯⨯==组合截面的惯性矩及截面矩为:22412170086.1 5.249.50.615.130800c I m =+⨯+⨯⨯=3min 308001222.2c 25.2W m ==q=22.05kN/m2314.2 1.6524.40.5 1.0523.6864.1c S m =⨯⨯+⨯⨯=(4)弯应力验算[]622max 3min 33max max 41109.1510===89.3/mm 144/mm 1222.21066.1510864.110=17.67120308001010.5M N N W V S MPa MPa I σττδ⨯⨯⨯⨯⨯===⨯⨯<<[]94.4MPa σ==<故满足要求。
(5)挠度验算3395415522.056100.0010.0017384384 2.06103080010f ql f l EI l⨯⨯⨯⎡⎤===≤=⎢⎥⨯⨯⨯⨯⎣⎦(6)面板参加主梁工作的折算应力验算由上述的面板计算可知,直接与主梁相邻的面板区格,只有区格Ⅴ所需要的板厚较大,这意味着该区格的长边中点应力也较大,所以选取区格Ⅴ验算其长边中点的折算应力。
面板区格Ⅴ在长边中点的局部弯曲应力为:2222my y 20.50.0242466=k /==73/mm 6qa N σδ⨯⨯ 2mx my ==0.373=21.9/mm N σμσ⨯对于面板区格Ⅴ在长边中点的主梁弯矩为:M=109.15kN ·m620x 3109.1510=89.3/1222.810M N mm W σ⨯==⨯ 故折算应力为:[]22zh 1.1246.4N/mm σασ≤= 故面板厚度选用6mm ,满足强度要求。
6.3.6 竖直次梁(隔板)竖直次梁按支承在主梁上的双悬臂梁计算,受力简图如图6.6所示:图6.6 竖直次梁计算简图(1)内力计算支座A 断面上的弯矩为:37.54k 6A A H M b N m γ==⋅支座B 断面上的弯矩为:2()2.41k 4B B B H H MC b N m γ+==⋅(2)截面选择隔板的腹板选用与主梁腹板一致,采用380mm ×10mm ,上翼缘利用面板,下翼缘采用200mm ×10mm 的扁钢。
面板参加竖直次梁工作的有效宽度: b=2.1m ,l 0=0.7×1.4m=0.98m ,l 0/b=0.46,查表得ξ1=0.18。
故有效宽度为B=ξ1b=378mm截面形心到腹板中心线的距离:3786190-200101906.33786+38010+20010e mm ⨯⨯⨯⨯==⨯⨯⨯截面惯性矩:3222411383810.6337.80.618.6720120.137089712I cm =⨯⨯+⨯⨯+⨯⨯+⨯⨯= 截面模量为:3min 70897343720.63W cm == 中和轴一侧静面矩:2320119.60.5 1.0519582c S m =⨯⨯+⨯⨯=(3)弯应力验算[]623min 7.5410= 2.19/343710M N mm W σσ⨯==⨯< 故满足强度要求。
AB6.3.7 边梁设计边梁的截面形式采用双腹板式,截面尺寸按构造要求确定,高度与主梁端部等高,腹板厚度与主梁腹板高度相同。
为了便于安装压合胶木滑块,下翼缘宽度不宜小于300mm。
双腹板的间距应根据滑块的尺寸确定。