接头螺栓涂油作业指导书
- 格式:doc
- 大小:229.50 KB
- 文档页数:2
篇一:紧固螺钉,螺栓作业指导书1 目的紧固螺钉、螺栓作业指导书编号:ise-zd-sc3-09 版号:a1在装配过程中,为保证工件与工件之间连接牢固,使设备能够正常稳定运转,生产任务有序进行,特做出此操作规程。
2 范围本文件仅适用生产设备的紧固件生产装配工作。
3 规范性引用文件无 4 术语和定义无 5 职责本部门装配人员在生产过程中必须遵守本管理制度,装配组长需要对生产过程进行监督和人员调度。
6 紧固件操作要求 6.1 螺纹连接的技术要求6.1.1 螺钉、螺栓和螺母紧固时严禁打击。
紧固后螺钉槽、螺母和螺钉、螺栓头不得损坏。
6.1.2 螺钉扭紧后必须使用记号笔作以下标记:正确(√)错误(x)6.1.3班组长和工艺必须使用扭矩扳手对已拧的螺钉进行抽检,抽检比例不得低于20%(常用螺栓扭矩表见附图1,不锈钢螺钉相当于6.9级)。
6.1.4 同一零件用多个螺钉或螺栓紧固时,各个螺钉或螺栓需要按一定顺序(一般为对角顺序)逐步拧紧,如有定位销,应从靠近定位销的螺钉或螺栓开始,如下图:6.1.5 用双螺母时,应该先装薄螺母,两个螺母对顶拧紧,使螺栓在旋合断内受拉而螺母受压,构成螺纹连接副纵向压紧;先用最大拧紧力矩的80%拧紧里面的螺母,再用100%的拧紧力矩(常用螺栓扭矩表见附图1,不锈钢螺钉相当于6.9级)拧紧外面的螺母。
6.1.6 螺钉螺栓和螺母拧紧后,其支承面应与被紧固零件贴合 6.1.7 沉头螺钉拧紧后,钉头不得高出沉孔断面。
6.1.8 所有螺钉、螺栓及螺母紧固之后必须进行用红色记号标记,用于查漏。
6.2 预防不锈钢螺钉螺栓锁死问题6.2.1正确选择适合长度的螺钉,螺栓。
如螺丝的抗拉强度与螺母保证的载荷,螺杆的长度要适当,以弹垫圈压平后,露出2-4个牙距为准。
6.2.2 使用前看螺纹孔间是否有铁屑或污垢,有则清理干净。
6.2.3 旋入螺钉螺栓及螺母是的力度要适当,不要过大或者过快,速度过快会使温度急速上升而导致锁死。
篇一:铁路工务作业指导书第一章 铁路线路工作业指导书线路工区一日昨日标准一、班前准备1、班组全员按时参加点名分工,思想集中,精神饱满,班前10小时严禁饮酒。
2、班组长布置当日作业,明确作业地点、项目、技术要求,并有针对性地进行安全教育。
3、备齐当日作业所需工具、材料,并检查机具性能是否良好。
二、前往工地 1、行走路肩,跨越线路、通过桥隧要做到“一停、二看、三通过”。
2、来车时,工地防护及时通知下道,并按标准立岗接车,注意瞭望,工具不得浸入限界,确保安全。
3、乘车时,车未停稳不准上下车,严禁坐在危险处所,人要坐稳,工具、材料放牢不超限。
三、施工作业1、按照工班长或工地负责人的布置安排,设置好施工防护,准备施工作业。
2、施工作业按单项技术标准规定的程序和要求进行,不简化,不漏项。
3、无缝线路地段作业时,严格执行无缝线路作业轨温条件,做到“二清、三测、四不超”制度。
四、下道避车1、作业时,如有列车开来,应及时下道避车,并将工具、材料撤下道,不得侵入限界。
2、下道后,应面向列车立岗接车,认真瞭望,防止列车上的抛落、坠落或绳索伤人。
五、质量回检严格执行质量回检制度,不合格要及时返工。
六、结束工作工完料尽,撤除防护,返回驻地。
七、分析总结1、总结作业情况。
2、分析安全情况。
3、考评及合理化建议。
施工防护作业一、劳动组织及防护用品1、劳动组织施工防护作业共计需要4人,其中驻站1人,工地1人,两端800m各1人。
2、防护备品(表1—1)二、作业程序(一)驻站联络员 1、准备作业(1)按规定着装,检查、带齐通信及防护用品。
(2)按时参加点名,掌握施工作业地点、作业项目及防护注意事项。
(3)带齐施工计划及作业票、记录簿、笔、钟表、上岗证等。
(4)与施工负责人、中间及现场防护员明确联系方法及防护员编号。
2、防护作业(1)按规定时间提前到达车站行车室,负责校对钟表,保证驻站联络员、工地防护员与车站运转室三者时间一致。
WJ-7型扣件T型螺栓涂油作业指导书1 作业条件1.1 天窗条件必须在天窗内进行作业。
2 作业准备2.1 人员准备作业人员不得少于3人。
2.2 机具、工具准备内燃螺栓扳手、扭力矩扳手、钢丝刷、涂油器等。
3 作业流程3.1 作业准备3.1.1 准备油料和准备更换的螺栓、螺帽和垫圈,去垢除锈所用工具。
3.1.2 作业负责人确认防护已到位,并接到施工命令后,通知作业人员,上道作业。
3.2 上道作业3.2.1 按股别,先对一股钢轨上扣件涂油,间隔20米后松开另一股钢轨扣件,隔一松一松开T型螺栓。
3.2.2 除去螺栓上的油垢积锈,检查螺栓磨耗锈蚀及弯曲情况,更换失效螺栓。
3.2.3 使用涂油器,在螺栓的丝口上均匀涂油。
3.2.4 拧紧螺栓至标准扭力矩,W1型扣件扭力矩控制在100-140N·m左右,X2型控制在70-90N·m左右。
3.2.5 按以上顺序涂另一半螺栓。
3.2.6 每个螺栓全部涂油完后,再复紧一遍,确保扭力矩达到标准要求。
3.2.7 封口。
3.3 验收3.3.1 由作业负责人组织,对作业后的线路回检,包括几何尺寸、扭力矩等,不符合要求的及时整改,确保作业后的线路达标。
4 质量控制要点(1)螺栓、弹簧垫圈齐全无失效、无型号规格不符。
螺栓去垢除锈干净,油润状态良好,能正常松卸。
(2)螺栓丝扣无损坏。
(3)扭力矩:W1型扣件扭力矩控制在100-140N·m左右,X2型控制在70-90N·m左右。
(4)T型螺栓头部插入铁垫板后,按顺时针方向旋转90°,螺栓头部到预定位置,然后上提使T型头完全嵌入槽中。
(5)上紧螺栓后,扣件三点宏观密靠,弹条中部前端下颚与绝缘块刚好接触为准,两者的间隙不大于0.5mm。
4.1 作业前后注意量取轨距和水平,及时调整超限处所。
4.2作业人员作业完毕,按照料具登记表进行核对,确认无遗漏,所有作业人员撤离出网外,由作业负责人申请销记。
高强度螺栓连接施工作业指导书一、概述二、施工前准备(一)、材料准备(二)、施工工具准备(三)、紧固扭矩的计算准备三、高强度螺栓的储运和保管四、高强度螺栓连接施工(一)、节点处理(二)、螺栓安装(三)、螺栓紧固(四)、拧紧顺序(五)、紧固方法(六)、施工程序五、施工质量控制(一)、进场质量控制(二)、紧固质量控制六、注意事项高强度螺栓连接施工作业指导书一、概述高强度螺栓连接和焊接连接连接已并举成为钢结构的主要连接形式,由于其具有受力性能好、耐疲劳、抗震性能好、连接刚度高,施工简便等优点,已被广泛地使用在建筑钢结构的工地连接中,成为钢结构安装的主要手段之一。
高强度螺栓按其受力状况可分为摩擦型连接、承压型连接和张拉型连接等,其中摩擦型连接是目前普遍采用的基本连接形式。
摩擦型连接:这种连接头处用高强度螺栓紧固,使连接板层夹紧,利用由此产生于连接板层之间的摩擦力来传递外荷载。
高强度螺栓在连接接头中不受剪,只受拉并由此给连接之间施加了接触压力,这种连接应力传递圆滑,接头刚性好,通常所指的高强度螺栓连接,就是这种摩擦型连接,其极限破坏状态即为连接接头滑移。
承压型连接:对于高强度螺栓连接接头,当外力超过摩擦阻力后,接头发生明显的滑移,高强度螺栓杆和连接板孔壁接触并受力,这时外力靠连接接触面间的摩擦力、螺栓杆剪切及连接板孔壁承压三方共同传递,其极限破坏状态为螺栓剪断或连接板承压破坏,该种连接承载力高,可以利用螺栓和连接板的极限破坏强度,经济性能好,但连接变形大,可使用在非重要的构件连接中。
张拉型连接:当外力和高强度螺栓轴向一致时,如法兰连接、T型连接等这类高强度螺栓连接称张拉型连接。
该连接的特点是,作用的外力和紧固螺栓时产生在连接件间的压力相平衡,在外力作用下,螺栓的轴力(拉力)变化很小,仍能使连接件间保持较大的夹紧力,保证接头获得较大的刚度。
二、施工准备(一)、材料准备高强度螺栓从外形上分为大六角头和扭剪型两种;按其性能可分为8.8级、10.9级、12.9级等,目前广泛使用的大六角头高强度螺栓有8.8级和10.9级两种,扭剪型高强度螺栓只有10.9级一种。
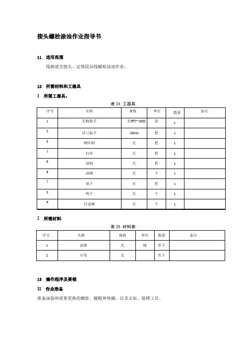
接头螺栓涂油作业指导书11 适用范围线路道岔接头、定修段站线螺栓涂油作业。
12 所需材料和工器具1 所需工器具:2 所需材料:表25 材料表13 操作程序及要领11 作业准备准备油脂和需要更换的螺栓、螺帽和垫圈,以及去垢、除锈工具。
12 上道作业1 作业负责人确认防护已到位,通知作业人员,上道作业。
2 每个接头每次卸下一个螺栓。
3 除去螺栓上的油垢积锈,检查螺栓磨耗锈蚀及弯曲情况,更换失效螺栓。
4 在螺栓的丝口上及螺杆上均匀涂油。
5 穿入螺栓,加装垫圈、拧紧。
6 按以上顺序,涂第二只螺栓直至一个接头全部涂完。
7 每个接头上的螺栓全部涂油完成后,拧紧一遍,使螺栓扭矩达到标准要求。
初紧接头螺栓的次序如下:直线地段:先紧夹板两端两只,再紧中间两只,最后紧剩余两只。
曲线地段:先紧夹板两端两只,再紧每端进去第2只,最后紧中间两只。
8 复紧。
作业后再过4~5天,使用加长板手全部复拧一遍,使扭矩达到规定要求。
9 封口。
10 回检。
由作业负责人组织,对作业后的线路回检,不符合要求的及时整改,确保作业后的质量达标。
11 工机具清点转移或下道。
对作业范围内的工机具及材料进行全面清点,确保无遗留线上。
12 防护撤除。
作业完毕,按规定撤除防护14.作业质量11 螺栓、弹簧垫圈齐全无失效、无型号规格不符。
螺栓去垢除锈干净,油润状态良好,能正常松卸。
12 螺栓丝扣无损坏,垫圈口朝下。
13 普通线路接头螺栓扭矩要符合《南昌地铁轨道设备维修规程》规定。
14 上紧螺栓后,轨面及内侧错牙,正线、到发线不得超过1mm,其它线不得超过2mm。
15.作业安全11 在电气化区段作业时,对电气化及信号装置的连接线,必须保持其正常连接;如需临时拆除时,要由设备管理单位配合,采取相要措施后方准作业。
12 长柄工具要有绝缘套,作业中不得将两股钢轨搭接。
13 禁止坐在钢轨上卸、紧螺栓。
禁止以手指探摸螺孔。
14 卸、紧螺栓时,作业人员必须站稳,防止扳手滑动,摔倒伤人。
扣件涂油作业指导书目次1作业条件 (2)2 人员要求 (2)3 作业机具 (2)4 配合要求 (2)5 安全风险构成 (3)6 防护要求 (3)7 作业程序 (3)8 质量标准 (4)9 作业流程图 (4)1作业条件1.1天窗点内拆开扣件涂油作业1.2天窗点外天窗点复拧。
1.3作业时间双线:不少于120分钟;单线:不少于90分钟;2 人员要求2.1 岗位要求施工负责人为段领导或车间主任(副主任)、工(班)长,作业人员经段级单位培训并考试合格人员。
2.2人员配置施工负责人1名、作业人员不少于2名。
3 作业机具内燃扳手、活口扳手、加力扳手、道锤、道尺、钢丝刷、油刷、长效油脂。
4 配合要求按规定电务人员到场配合。
5 安全风险构成5.1违章施工作业风险5.1.1点外利用列车间隔时间作业造成行车安全风险。
5.1.2 不具备放行列车条件,盲目放行列车。
5.2 从业人员伤害风险5.2.1松开和拧紧扣件时扳手未卡牢,造成人员伤害。
5.2.2作业人员安全距离不够,造成工具伤人。
5.2.3作业人员未按规定下道避车。
5.2.4未按规定设置防护造成人员伤害风险。
6 防护要求6.1线路区间作业设置驻站联络员1人,工地防护1人,关门防护2人(中间联络防护根据实际设置)。
6.2道岔区段作业正线道岔作业:设置驻站联络员1人,工地防护1人,关门防护2人。
站线道岔作业:设置驻站联络员1人,工地防护1人。
6.3站内作业正线作业:设置驻站联络员1人,工地防护1人,关门防护2人。
站线作业:设置驻站联络员1人,工地防护1人。
7 作业程序7.1按规定设置防护。
7.2作业前准备检查工具、材料。
7.3松开螺栓,取下扣件。
7.4螺杆涂油、螺帽涂油并拧紧至扭力达标。
7.5检查确认放行列车条件,开通线路。
7.6列车碾压后螺栓复拧。
8 质量标准8.1螺栓涂油后,必须进行复拧。
8.2扣件扣压力达标。
8.3经常保持螺栓油润状态良好,无锈蚀。
9 作业流程图(准备作业)→(卸下扣件)→(除锈、涂油)→(安装扣件)→(回检)。
钢结构工程螺栓的连接施工作业指导书1.普通螺栓的的施工(1)一般要求普通螺栓作为永久性连接螺栓时,应符合下列要求:①对一般的螺栓连接,螺栓头和螺母下面放置平垫圈,以增加承压面积。
②螺栓头下面放置的垫圈一般不应多于2个,螺母头下面放置的垫圈一般不应多于1个。
③对于设计有要求防松动的螺栓,采用防松动的螺母和垫圈。
④对于承受动荷载或重要部位的螺栓,应按设计要求放置弹簧垫圈,垫圈必须放在螺母一侧。
⑤对于工字钢,槽钢尽量使用斜垫圈,使螺母和螺栓头部支撑面垂直于螺杆。
(2)螺栓直径和长度的选择①螺栓直径。
螺栓直径的确定原则上应由设计人员按等级强度原则通过计算确定的,但对于某一个工程来讲,螺栓规格应尽可能的少,有时还需要适当归类,便于施工管理。
一般情况螺栓直径应与被连接件的板厚相匹配。
见表:4-6 5-8 7-11 10-14 13-20 连接件厚度螺栓直12 16 20 24 27径②螺栓长度。
螺栓长度通常指螺栓螺头内侧到螺杆顶头长度,一般都以5㎜进制;从螺栓的标准规格看出螺纹的长度基本不变。
影响长度的因素有:连接件厚度,螺母高度,垫圈量及厚度。
L=δ+H+nh+C 式中δ—被连接件总厚度H—螺母高度n—垫圈个数h—垫圈厚度C—螺纹外漏长度(2-3扣为宜)③螺栓的紧固件及其检验普通螺栓连接对螺栓紧固轴力没有要求,因此螺栓的紧固施工以操作者的手感几连接头的外形为准,通俗讲就是一个操作工使用普通扳手靠自己的力量拧紧螺母即可,保证接触面能密贴,无明显间隙。
为了使连接头中的螺丝受力均匀,螺栓的紧固次序从中间开始对称向两边进行,对于大型接头采取复拧,即两次紧固方法。
普通螺栓连接检验比较简单,一般采用捶击发,即用3公斤的小锤,一手扶螺栓头,另一手用锤敲。
要求螺栓不偏移不松动不颤动且锤声较干脆,否则说明紧固质量不好,需要重新紧固施工。
2、高强螺栓施工(1)大六角高强度螺栓连接的施工技术。
①施工准备a. 材料:(a)螺栓、螺母、垫圈均应附有质量证明书,并应符合设计要求和国家标准的规定;(b)大六角头高强度螺栓的规格、尺寸及重量应符合表5-4的规定。
扣件螺栓涂油作业指导书(高铁)目次一、作业介绍 (3)二、作业流程图 (5)三、作业程序及标准 (6)1 作业准备 (6)1.1 点名分工 (6)1.2 工(机)具检查 (6)1.3 设置防护 (6)1.4人机转移 (6)2 作业过程 (7)2.1上道作业 (7)2.2 基本作业 (7)2.3验收 (7)2.4 撤除防护 (7)2.5整理作业 (7)四、质量标准 (8)五、工具材料及备品 (9)1.备品清单 (9)2.料具清单 (9)一、作业介绍作业范围:本做作业指导书适用于工务段范围内的高速铁路扣件螺栓涂油作业。
人员要求:1.岗位要求:作业负责人为班长及以上人员,作业人员经段级培训合格的桥路工或劳务工。
2.人员配置:作业负责人1名,作业人员数量根据方案确定,防护员2-4人。
作业条件:天窗点内进行松开螺栓等作业,天窗点外进行工作量调查、拧紧螺栓作业。
作业时间:双线:不少于120分钟;单线:不少于90分钟;作业风险:1.无计划或超范围作业,造成行车事故。
2.机具、料具侵入限界,造成行车事故。
3.高处作业时向下抛掷料具,造成行车事故。
4.需上道或穿越线路时,未按规定设置防护,致使作业人员下道不及时,造成机车车辆伤害。
5.横越线路未执行“一站、二看、三通过”的规定,上道前未严格执行“手比、眼看、口呼”制度,造成机车车辆伤害。
6.作业人员未按规定穿戴劳动保护用品,特别是高空作业时,未按规定穿戴安全帽、安全带,造成人身伤害。
7.违章坐卧钢轨、枕木头、道床,违章钻车、爬车,造成人身伤害。
8.列车通过时,避让距离不够,列车坠物伤人。
9. 电气化铁路区段作业人员未严格执行《电气化铁路有关人员电气安全规则》造成作业人员触电人身伤害。
10. 高处作业时向下抛掷料具,造成人身伤害。
二、作业流程图三、作业程序及标准1 作业准备1.1 点名分工作业负责人组织防护员、作业人员列队点名,明确作业内容、主要技术标准、安全事项、作业时间、人员分工、作业人员行走路线,所有职工均应按规定使用劳动保护用品。
篇一:铁路工务作业指导书第一章铁路线路工作业指导书线路工区一日昨日标准一、班前准备1、班组全员按时参加点名分工,思想集中,精神饱满,班前10小时严禁饮酒。
2、班组长布置当日作业,明确作业地点、项目、技术要求,并有针对性地进行安全教育。
3、备齐当日作业所需工具、材料,并检查机具性能是否良好。
二、前往工地 1、行走路肩,跨越线路、通过桥隧要做到“一停、二看、三通过”。
2、来车时,工地防护及时通知下道,并按标准立岗接车,注意瞭望,工具不得浸入限界,确保安全。
3、乘车时,车未停稳不准上下车,严禁坐在危险处所,人要坐稳,工具、材料放牢不超限。
三、施工作业1、按照工班长或工地负责人的布置安排,设置好施工防护,准备施工作业。
2、施工作业按单项技术标准规定的程序和要求进行,不简化,不漏项。
3、无缝线路地段作业时,严格执行无缝线路作业轨温条件,做到“二清、三测、四不超”制度。
四、下道避车1、作业时,如有列车开来,应及时下道避车,并将工具、材料撤下道,不得侵入限界。
2、下道后,应面向列车立岗接车,认真瞭望,防止列车上的抛落、坠落或绳索伤人。
五、质量回检严格执行质量回检制度,不合格要及时返工。
六、结束工作工完料尽,撤除防护,返回驻地。
七、分析总结1、总结作业情况。
2、分析安全情况。
3、考评及合理化建议。
施工防护作业一、劳动组织及防护用品1、劳动组织施工防护作业共计需要4人,其中驻站1人,工地1人,两端800m各1人。
2、防护备品(表1—1)二、作业程序(一)驻站联络员 1、准备作业(1)按规定着装,检查、带齐通信及防护用品。
(2)按时参加点名,掌握施工作业地点、作业项目及防护注意事项。
(3)带齐施工计划及作业票、记录簿、笔、钟表、上岗证等。
(4)与施工负责人、中间及现场防护员明确联系方法及防护员编号。
2、防护作业(1)按规定时间提前到达车站行车室,负责校对钟表,保证驻站联络员、工地防护员与车站运转室三者时间一致。
(2)询问和记录工地防护员到达时间和防护地点,双方共同确认工地防护员编号情况。
上海化工区32万吨/年丙烯酸及酯项目二期钢结构大六角高强螺栓现场作业指导书一、总则1、目的钢结构工程施工中,为规范高强度螺栓的采购、储存、使用,制定本指导书。
2、适用范围适用于该项目所有钢结构施工中高强度螺栓连接副的采购、保管、施工与验收。
3、参考标准及规范①《钢结构工程施工质量验收规范》(GB50205-2001);②《建设工程施工质量验收统一标准》(GB50300-2013);③《钢结构工程施工规范》(GB50755-2012);④《钢结构高强度螺栓连接技术规程》(JGJ82-2011);⑤《钢结构用大六角螺栓、大六角螺母、垫圈技术条件》(GB/T1231-2006)。
二、术语Tc—施工扭矩(N·m);K—高强度螺栓连接副的扭矩系数平均值,该值由复验测得的合格的平均扭矩系数代入。
Pc—高强度螺栓施工预拉力(kN);d—高强度螺栓螺杆直径(mm)。
三、高强度螺栓施工程序1、施工准备①高强度螺栓应在钢结构吊装完毕、按照设计和施工规范的要求矫正到位、检查合格之后开始施工。
②高强度螺栓施工最主要的施工机具就是力矩扳手,扳手要求检定并在有效期内。
③高强度螺栓的有关技术参数已按有关规定进行复验合格;连接试板试件抗滑移系数试验合格。
2、材料验收和复试①全数检查钢结构连接用高强度大六角头螺栓连接副的品种、规格、性能等应符合现行国家产品标准和设计要求,高强度大六角头螺栓连接副出厂时应分别随箱带有扭矩系数和紧固轴力预拉力的检验报告。
②高强度螺栓连接副应按包装箱配套供货,包装箱上应标明批号、规格、数量及生产日期,螺栓、螺母、垫圈外观表面应涂油保护,不应出现生锈和沾染赃物,螺纹不应损伤。
③高强度螺栓应由专职保管员管理,储存在专用仓库内,并按规格、批号分别码放,填写标牌,以免混淆;安装时,应按当天需要的数量领取。
当天剩余的必须交还保管员处,并登记保存,不得乱扔、乱放。
当高强度螺栓连接副保管时间超过6个月后使用时,应按相关要求重新进行扭矩系数或紧固轴力试验,合格后方可使用。
螺栓涂油作业(松开螺栓)指导书目次1.作业介绍 ....................................................... 1 1.1 作业地点 .....................................................1 1.2 适用范围 .....................................................1 1.3 上道作业 .....................................................1 1.4 人员要求 .....................................................1 1.5 作业要点 .....................................................1 2.作业流程 ....................................................... 2 3.作业程序、标准、示范 ........................................... 3 3.1 开工准备 .....................................................3 3.2 作业程序 .....................................................3 3.3 质量标准 .....................................................4 4.工装设备、检测器具及材料 ....................................... 5 5.安全风险 ....................................................... 5 5.1 违章施工作业风险 .............................................5 5.2 从业人员伤害风险 .............................................521.作业介绍1.1 作业地点 工务段管辖桥路设备。
钢轨接头螺栓及夹板涂油作业指导书目次1 作业条件 (2)2 人员要求 (2)3 作业机具 (2)4 配合要求 (2)5 安全风险构成 (3)6 防护要求 (3)7 作业程序 (4)8 质量标准 (4)9 作业流程图 (4)1 作业条件1.1天窗点内钢轨接头螺栓及夹板涂油作业1.2天窗点外天窗点外须对更换后的接头螺栓进行复拧。
1.3作业时间双线:不少于120分钟;单线:不少于90分钟;2 人员要求2.1 岗位要求施工负责人为段领导或车间主任(副主任)、工(班)长,作业人员经段级单位培训并考试合格人员。
2.2 人员配置施工负责人1名,作业人员不少于2名。
3 作业机具活口扳手、加力扳手、道锤、道尺、钢丝刷、油刷、长效油脂。
4 配合要求根据相关规定要求车务段、供电段、电务段配合。
5 安全风险构成5.1违章施工作业风险5.1.1点外利用列车间隔时间作业造成人员伤害风险。
5.1.2未按规定设置防护造成安全风险。
5.1.3不具备放行列车条件,盲目放行列车造成行车安全风险。
5.1.4在绝缘接头作业时,联电风险。
5.2从业人员伤害风险5.2.1松开和拧紧接头螺栓时扳手未卡牢,造成人员伤害。
5.2.2作业人员安全距离不够,造成工具伤人。
5.2.3作业人员将手指伸入螺栓孔,造成人员伤害。
5.2.4作业人员未按规定下道避车。
6 防护要求6.1线路区间作业设置驻站联络员1人,工地防护1人,关门防护2人(中间联络防护根据实际设置)。
6.2道岔区段作业正线道岔作业:设置驻站联络员1人,工地防护1人,关门防护2人。
站线道岔作业:设置驻站联络员1人,工地防护1人。
6.3站内作业正线作业:设置驻站联络员1人,工地防护1人,关门防护2人。
站线作业:设置驻站联络员1人,工地防护1人。
7 作业程序7.1按规定设置防护。
7.2作业前准备检查工具、材料。
7.3松开接头螺栓,取下接头螺栓。
7.4 装上新绝缘套管和新绝缘接头螺杆。
7.5接头螺杆涂油并拧紧至扭力达标。
接头螺栓涂油作业指导书一、作业内容和适用范围1.作业内容道上接头螺栓涂油。
2.适用范围⑴本作业指导书适用于线路维修作业。
⑵本作业指导书适用于天窗点内作业。
二、劳力组织作业负责人不低于班长,除设驻站联络员和现场防护员外,接头螺栓涂油作业人员不少于2人。
三、机具材料及安全备品扳手、加力扳手、钢丝刷、油桶、450mm扳手;防护备品等。
四、作业程序1.点外准备⑴作业负责人与车站确认作业凭证。
⑵作业负责人确认设好防护。
⑶作业负责人提前调查工作量。
⑷作业负责人确认人员到位、材料机具齐全良好。
2.点内作业⑴根据当时轨温情况,认真检查两端轨缝,必要时打紧防爬设备,锁定线路,防止打开接头后轨缝拉大影响联结。
⑵用起钉垫起下接头的全部道钉,同时插入木片。
混凝土轨枕地段松动螺栓,把扣件板旋转90°。
⑶松接头螺栓。
使用加力扳手,两脚放在被卸螺栓帽的相对侧,站在轨道上,两脚相距300~400mm,成90度角。
两脚趾靠近夹板边缘,上体前屈。
当扳手套住螺帽后,重心移到旋回方向的前脚,拧松螺栓。
卸螺栓时左手在前,紧螺栓时右手在前,两手握柄用力旋转。
⑷卸接头螺栓。
使用活口扳手,前脚踏在轨枕上离轨底约250mm,后脚踏在后一根轨枕上离轨底约50mm。
右手持把,左手支撑在钢轨面上,并以手指按住螺栓头部。
卸下螺栓和垫圈要放在固定位置上。
⑸除锈检查。
用钢丝刷及小扁铲除去夹板、钢轨孔周边及螺栓上的积锈、油垢,并认真检查钢轨及夹板有无伤损、裂纹。
⑹涂油。
用油刷对螺栓丝扣全面涂油,螺栓杆也应少许涂油。
⑺上螺栓。
向螺孔内穿入螺栓,加上垫圈,套上螺帽,初紧螺栓。
⑻复紧螺栓。
待接头6个螺栓全部涂油后,使用加力扳手将接头螺栓全部复紧一遍,使扭力矩达到规定的标准。
有错牙时,还应整治错牙。
⑼封口。
用黄油或长效油脂在螺帽外的螺纹部位涂抹。
3.点后工作⑴清点材料机具,回收旧料,清理场地,工完料净。
⑵作业完毕,人员撤出网外,作业负责人通知驻站联络员撤除防护。