进入受限空间作业票
- 格式:doc
- 大小:31.00 KB
- 文档页数:4
受限空间作业票办理流程1. 什么是受限空间?受限空间,顾名思义,就是那些进出不太方便、空间狭小的地方,比如说地下管道、储罐、井道等等。
这些地方往往藏着不少危险,比如缺氧、毒气、甚至是意外坠落。
这时候,我们就得特别小心,确保每一步都得稳稳的。
想象一下,你在狭窄的地方转身,感觉就像是在做体操,万一一个没站稳,那可就麻烦了。
1.1 受限空间的危险性这受限空间可不是说进去就能出来的,里面的空气质量、温度和压力都有可能跟外面大相径庭。
你说,谁会想在一个缺氧的地方呼吸不上气,简直比吃了苦瓜还难受。
所以,进受限空间之前,我们必须得先搞清楚里面的环境。
1.2 办理作业票的重要性说到这里,办理作业票就显得尤为重要。
这就像我们打游戏前要先选好角色,没票就进不了。
作业票是一个合法的通行证,它确保我们在进入之前,所有的安全措施都得到落实。
简单来说,没这个票,别想轻易进去。
2. 办理作业票的流程办理作业票可不是随便填个表就完事,里面可是有一套流程的。
首先,得有个专门的负责人,通常是个经验丰富的老手,他得负责所有的安全评估。
就像开车前得检查轮胎,这个负责人可得对现场环境、潜在危险都得仔细了解。
2.1 提交申请接下来,负责的同事就得提交作业申请,说明你要干什么,打算用什么工具,甚至是你带什么食物。
如果一边吃着小零食,一边搞工作,那真是分心了。
所以,在申请里,写清楚每一个细节是至关重要的。
2.2 安全审核申请提交后,安全审核的同事就得坐下来好好研究你的申请。
他们会检查每个步骤,确保一切都在安全的范围内。
这个过程就像审查一个故事情节,得确保每个环节都合情合理,绝不能有漏洞。
3. 安全准备通过审核后,终于可以进入受限空间了,但可别急着进去哦,安全准备还得做。
首先,必须佩戴好个人防护装备,这就像上战场之前要穿上盔甲一样。
接着,得做好通风,确保空气流通,防止窒息的发生。
3.1 现场安全检查在进入之前,现场的检查可是少不了的,得看看有没有漏气、有没有潜在的危险源,确保一切安全才行。
有限空间作业票进入有限空间操作票作业人员作业安全教育:在进入有限空间之前,所有作业人员必须接受必要的安全教育,以确保他们了解作业的风险和安全要求。
连续测定的仪器和人员:为确保安全,必须使用准确可靠的测定仪器,并派遣专人连续监测有限空间内的氧气浓度和有害气体浓度,以及作业人员的安全状况。
测定用仪器准确可靠性:所有测定用仪器必须经过校准和验证,以确保其准确可靠性。
呼吸器、梯子、绳缆等抢救器具:必须准备好呼吸器、梯子、绳缆等抢救器具,以应对紧急情况。
通风排气情况:在进入有限空间之前,必须确认通风排气系统的运转状况。
氧气浓度、有害气体检测结果:在作业期间,必须不断测定有限空间内的氧气浓度和有害气体浓度,并记录检测结果。
照明设施:必须提供充足的照明设施,以确保作业人员能够清楚地看到作业区域。
个人防护用品及防毒用具:所有作业人员必须佩戴适当的个人防护用品和防毒用具,以确保他们的安全。
通风设备:必须确保通风设备的运转状况,以保证有限空间内的空气质量。
主要安全措施:以上措施是确保有限空间作业安全的主要措施,必须认真执行。
确认安全措施符合要求:在进入有限空间之前,必须确认所有安全措施已经落实到位,并符合要求。
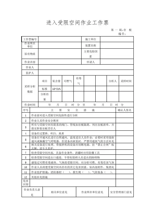
进入有限空间工作票单位名称:在进入有限空间之前,必须填写有限空间工作票,并注明单位名称。
主要危险因素:必须清楚地列出有限空间作业的主要危险因素,以便作业人员和监护人员了解风险。
作业内容:必须清楚地列出有限空间作业的具体内容,以便作业人员和监护人员了解作业要求。
作业人员:必须明确指定作业人员,并确保他们已经接受必要的安全培训。
设施名称:必须清楚地列出有限空间内的设施名称,以方便监护人员进行监测和检测。
填报人员:必须明确指定填报人员,并确保他们了解填写工作票的要求。
监护人员:必须明确指定监护人员,并确保他们了解监测和检测的要求。
检测人员:必须明确指定检测人员,并确保他们具备必要的技能和知识。
检测时间:必须明确指定检测时间,并确保检测覆盖整个作业过程。
进入受限空间作业安全管理制度一、目的为进一步加强公司检维修过程中进入受限空间特殊作业规范化、标准化、专业化管理,确保安全措施落实到位和检维修特殊作业安全,依据相关法律、法规、规章制度等,结合公司特殊作业安全管理的实际,制定进入受限空间特殊作业安全管理制度。
二、适用范围适用于公司区域内(包括外来施工)的所有进入或探入受限空间作业的安全管理。
三、分工与职责1.1安环部是受限空间作业的监督管理部门,负责受限空间作业安全管理方案及措施落实情况的监督、检查。
1.2技术部,负责制定和审核吹扫、处理方案(含盲板图);组织现场盲板加、拆的检查确认工作;督促、协调受限空间及作业环境气体采样分析工作。
1.3设备组,负责制定和审核安全作业方案,督促和检查施工单位制定施工方案,落实专业安全措施;负责组织、协调盲板加、拆工作,参与现场盲板的检查确认;负责组织、协调对作业人员的安全教育及现场安全交底工作。
1.4生产车间,负责制定受限空间作业方案及工艺吹扫处理方案,落实各项安全措施;负责作业现场安全教育、安全交底、安全监护等工作。
3.5受限空间作业人职责4.5.1作业人应持经批准、有效的《受限空间安全作业证》,方可作业。
3.5.2《受限空间安全作业证》所列的安全防护措施经落实确认、监护人同意后,方可作业。
3.5.3在作业前应充分了解作业内容、地点(位号)、时间、要求,熟知作业中的危害因素和作业证的安全措施。
3.5.4服从作业监护人的指挥,禁止携带作业器具以外的物品进入受限空间。
劳动保护着装和器具不符合规定不得作业。
3.5.5对违反本规定的强令作业、安全措施不落实、作业监护人不在场等情况,有权拒绝作业,并向上级报告。
若发现监护人不履行职责时,应立即停止作业。
3.5.6在作业过程中如发现情况异常或感到不适时,应立即向监护人发出信号,迅速撤离作业现场,严禁在有毒、窒息环境中摘下防护面罩。
3.6监护人职责3.6.1应参加由安环部组织的监护人培训班,考核合格并取得安环部发放的《监护人资格证书》,做到持证监护。
油田公司关于检验检测人员进入受限空间执行作业票的有关说明公司所属各单位:为认真贯彻执行《中国石油天然气股份有限公司勘探与生产分公司进入受限空间作业安全管理办法》(以下简称“管理办法”),消除和削减特种设备检验检测中进入受限空间作业风险,防止窒息、中毒和火灾爆炸事故的发生,现就进入受限空间检验检测执行作业票有关事宜要求如下:一、各有关单位及特种设备检验检测机构应按照“管理办法”的有关要求进入受限空间作业必须办理油田公司进入受限空间作业票。
二、作业票的办理和填写说明1、检验检测机构向检验申请单位提供受限空间作业方案,检验申请单位负责作业票的办理,并做好检验前的准备工作。
2、作业票填表说明:监护人:检验检测单位人员。
监督人:设备使用单位矿、大队级或厂、分公司级人员。
作业人:检验人员。
检测数据:作业前由设备使用单位负责检测,作业过程中由检验检测机构自行监测。
作业单位意见:由检验检测项目负责人签字。
主管业务部门意见:由矿、大队或厂、分公司生产主管部门签字。
安全部门意见:由矿、大队或厂、分公司安全主管部门签字。
主管领导意见:由矿、大队主管生产矿、大队长或厂、分公司主管生产的领导签字。
附件:《中国石油天然气股份有限公司勘探与生产分公司进入受限空间作业安全管理办法(试行)》大庆油田有限责任公司质量安全环保部二00八年二月二十九日中国石油天然气股份有限公司勘探与生产分公司进入受限空间作业安全管理办法(试行)第一条为规范勘探与生产分公司各油田公司(以下简称油田公司)进入受限空间作业的安全管理,消除和削减进入受限空间作业风险,防止因此而导致的窒息、中毒和火灾爆炸等事故发生,特制定勘探与生产分公司进入受限空间作业安全管理办法(以下简称办法)。
第二条本办法所指受限空间作业,是指凡在生产区域内进入或探入炉、塔、釜、罐、仓、槽车以及管道、烟道、隧道、下水道、沟、坑、井、池、涵洞等封闭、半封闭设施及场所的作业。
第三条凡进入受限空间作业,必须办理油田公司进入受限空间作业票,若涉及动火、高处、临时用电、动土等特殊作业时应同时办理相应的作业票。
受限空间作业票流程东南电化施工现场受限空间作业安全管理规定为保证公司搬迁项目各工程可以顺利进行,防止设备安装过程中受限空间作业发生意外事故,特制订如下管理办法:一、办票范围:1、进入施工现场的各类塔、釜、槽、罐、炉膛、锅筒、管道、容器以及窨井、坑(池)、下水道或其它封闭、半封闭场所,进行各类安装施工作业,称为受限空间作业。
2、凡是进行受限空间作业都必须办理受限空间作业票,落实相关安全措施后,报有关部门审批后执行。
3、对于常规性受限空间作业(无坠落危险),受限空间安全作业票由施工单位、监理单位、装置团队确认安全措施后,签字后方可实施。
(最多不超过5天,超过5天需重新办理)4、对于复杂性受限空间作业(有坠落危险或者夜间施工)受限空间安全作业票由施工单位、监理单位、装置团队、设备部、HSE部确认安全措施后,签字后方可实施。
(最多不超过3天,超过3天需重新办理) 二、管理要求:1、施工单位进行受限空间作业时必须检查安全措施落实情况,确认具备安全条件后,经相关部门审批,方可进行作业。
每次受限空间作业前作业人需重新确认安全措施及监护人到位情况。
2、常规性受限空间作业,作业单位项目部施工班组必须安排一名专职现场安全人员负责旁站监护,监理安全人员、施工单位安全人员、业主安全人员必须到现场进行抽查。
监护人员不得中途离开。
3、复杂性受限空间作业,作业单位项目部安全员、监理安全人员、必须到现场旁站,业主安全人员必须进行巡查。
4、受限空间安全作业票要求提前一天办理,申请周期内完不成作业任务的,需重新办理安全作业票。
5、受限空间作业票一式两份,一份放在现场,以备随时核查。
6、受限空间作业原则上不予加班,确实需要延长作业时间或加班作业,必须确认安全员、监护人员在岗,具备安全条件后,向监理单位提出加班申请,审批通过后方可进行,否则不得施工。
三、罚则:1、凡发现施工单位未办理《受限空间作业票》,擅自进行作业的,简单性受限空间无票作业罚款300元,复杂性受限空间无票作业罚款1000元。
XXX集团公司安全生产标准化管理体系文件受限空间作业安全管理与考核制度+进入受限空间作业票受限空间作业安全管理制度1.目的为进一步加强对进入受限空间作业的安全管理,防止发生缺氧、中毒窒息等事故,特制订本制度。
2.范围本制度适用于在本公司内进入受限空间作业的施工单位和人员。
3.内容3.1职责(1)安全环保科是本制度的制定单位,负责本制度的修改、督察。
(2)其他相关单位是本制度的协助单位,负责本制度的执行。
(3)作业相关人员必须对整个作业过程负责。
3.2定义(1)受限空间:公司内各类塔、槽、罐、炉膛、锅炉、管道、容器以及地下室、坑(池)、下水道或其它封闭、半封闭场所。
(2)进入受限空间作业:进入或探入受限空间进行的作业。
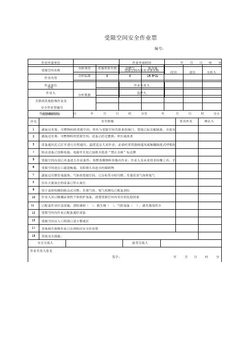
3.3受限空间作业安全要求(1)受限空间作业实施作业票管理,作业前应办理《进入受限空间安全作业票》(以下简称《作业票》)。
(2)安全隔绝1)受限空间与其他系统连通的可能危及安全作业的管道应采取有效隔离措施。
2)管道安全隔绝可采用插入盲板或拆除一段管道进行隔绝,不能用水封或关闭阀门等代替盲板或拆除管道。
3)与受限空间相连通的可能危及安全作业的孔、洞应进行严密地封堵。
(3)清洗或置换受限空间作业前,应根据受限空间盛装(过)的物料的特性,对受限空间进行清洗或置换,并达到下列要求:1)氧含量一般为18%~21%,在富氧环境下不得大于23.5%。
2)有毒气体(物质)浓度应符合GBZ 2 的规定。
3)可燃气体浓度:当被测气体或蒸气的爆炸下限大于等于4%时,其被测浓度不大于0.5%(体积百分数,下同);当被测气体或蒸气的爆炸下限小于4%时,其被测浓度不大于0.2% 。
(4)通风应采取措施,保持受限空间空气良好流通。
1)打开人孔、手孔、料孔、风门、烟门等与大气相通的设施进行自然通风。
2)必要时,可采取强制通风。
3)采用管道送风时,送风前应对管道内介质和风源进行分析确认。
4)禁止向受限空间充氧气或富氧空气。
XXXXXX有限责任公司受限空间安全作业票签发序号:编号:注:此票一式两份,安环处与监护人各保存一份,作业结束交由安环处保管。
作业期间须严格遵守操作制度(背书)。
操作制度1.出料单体管、进料单体管必须加铁盲板。
2.必须由电工断电拉出电源箱并挂牌,安全员、监护人要和岗位人员到配电室查看,确认配电室断电后在釜上点击启动开关实验。
3.取样:密闭空间须吹风30分钟以上,方可取样。
入罐前30分钟内取样检测为有效数据,超出30分钟或者中间有中断,外部环境有变化的,需重新做样分析直至通风合格。
取样必须由安全员或者监护人监督下由现场作业人员将取样胶管放置到密闭空间底部取样才能够生效。
检测合格标准:含氧>18.5%。
取样时通釜内的压缩空气必须是关闭的,取样完毕后重新开启压缩空气,作业时严禁关闭压缩空气。
4.作业票的填写:以上相关检查项目必须由责任人一一确认后方可在作业票上签字,缺一不可,无监护人不得进入密闭空间作业。
作业票需要标明进入时限,超出时限的需重新开具许可证,严禁使用过期的作业票。
5.作业人需按规定佩戴安全帽、护目镜、防毒口罩、安全带等与作业安全相关的器具;安全绳是重要的抢救措施,必须按规定佩戴以防发生意外,清楚应急联络信号、电话、出口、报警器和外部应急装备的位置并能及时应用。
6.作业人进入受限空间作业前必须由监护人或安全员陪同检查,发现不合格项必须由岗位人员处理,作业人员不得私自动设备及阀门。
所有作业期间的设备、阀门操作由监护人完成。
7.监护人必须坚守岗位,不得干与监护无关的事或者离开监护现场,如有事监护人和安全员可以互换短时间离开,并在许可证上注明。
8.作业结束后,作业负责人和监护人员必须一一确认进入罐体内的人员全部撤离,工器具全部带出,方可封口。
特殊作业-受限空间作业票填写和审批注意事项1、作业申请单位是指危险化学品企业中进行受限空间作业的属地单位,不应是承包商或受限空间作业实施单位。
2、受限空间名称是指进入或探入的受限空间,如某车间R301反应釜等。
3、受限空间原有介质名称是指受限空间原涉及的可燃、有毒、有害介质名称或混合物的名称,如硫化氢等。
4、作业单位是指进入受限空间实施作业的单位,可以是作业申请单位或承包商。
5、作业人员是指进入受限空间作业的所有人员,应填写进入受限空间的全部人员。
6、监护人是指由受限空间作业申请单位安排且经过企业内部监护人安全培训合格,取得安全培训合格证(监护资格证)的人员。
办理受限空间安全作业票时,应填写其安全培训合格证(监护资格证)证号。
7、经风险辨识属于较大风险的受限空间作业,应按照《危险化学品企业特殊作业安全规范》(GB30871-2023)第6、8条增派监护人。
8、气体分析时,若受限空间作业涉及动火作业的,应分析有毒气体浓度、可燃气体浓度、氧含量。
涉及较大容积设备应填写上、中、下(或左、中、右)不同部位的分析数据。
9、应逐条确认安全措施,在是否涉及栏中填写是或否。
安全措施中带括号的应填写具体数量,不涉及的填写0。
需要补充的其他措施,由编制人负责填写并签名,并由确认人签名。
10、企业受限空间作业安全管理制度应明确安全措施的确认人,申请单位确认哪些措施,实施单位确认哪些措施,不能由同一个人对所有的措施进行确认签名。
11、安全交底人是指作业申请单位的作业负责人或技术、管理人员。
12、接受交底人是指参与实施受限空间火作业的所有人员、作业负责人、监护人。
13、作业负责人指实施受限空间作业单位的现场负责人,签票时应填写同意作业意见并签名,时间填写到分钟。
14、所在单位是指受限空间所在单位,签票时应填写同意作业意见并签名,时间填写到分钟。
15、所有审批的时间均应在受限空间分析合格结果出来之后,不得在分析时间前进行签票和审批。
附件1 进入受限空间作业许可证进入受限空间作业人员培训指南1 作业批准人作业批准人应就如下内容接受培训:a) 职责;b) 进入原则的应用;c) 进入准备工作;d) 危害因素评估 (如化学、机械、热量、气体、坠落和任何其他特殊危害);e) 监测装备、进入装备和个人防护装备的确定与使用;h) 进入和进入许可证终止的程序;i) 撤离误进入人员的方法;j) 移交进入行动职责的方法;k) 保持进入行动符合进入许可证条件的方法;l) 评估、验证外部救援方法;m) 救援程序。
2 作业人员作业人员应就如下内容接受培训:a) 职责;b) 危害因素评估(如化学、机械、热量、气体、坠落和任何其他特殊危害);c) 危害隔离和验证的程序;d) 进入准备;e) 危害表现的形式、征兆(或症状)和后果;f) 终止进入的条件;g) 个人防护装备的确定与使用;h) 进入装备的使用(如测试、监测、通风、通讯、照明、坠落预防、障碍物清除、进入方法和救援装备);i) 与监护人双向沟通的方法;j) 终止、撤离时机的选择与确定(即监护人命令作业人员撤离时、发现有暴露危险的征兆或症状时、或觉察有受禁止的条件时、或发出撤离报警时)。
3 作业监护人作业监护人应就如下内容接受培训:a) 职责;b) 危害因素评估(如化学、机械、热量、气体、坠落和任何其他特殊危害);c) 人员受到危害影响时的行为表现;d) 终止进入的条件;e) 随时掌握作业人员数量的正确方法;f) 辨别作业人员的方法;g) 监督空间内外活动和提醒作业人员的方法;h) 监督作业人员及提醒其撤离的方法;i) 撤离程序的启动时机和实施;j) 救援联络方法;k) 救援过程中的职责;l) 预防、劝阻误进入人员的方法,通知作业人员已有误进入人员的方法;m) 交接的时间和内容;n) 其他注意事项,如不做职责之外的其他工作。
4 气体检测人员参与受限空间内气体检测、评估的人员,应就如下内容接受培训:a) 辨识可能存在的危害因素(包括危害特性和预警点的设置);b) 采样过程中的危害、预防措施,包括从受限空间内取样的适当方法和开始取样的许可条件;c) 测试仪器的选择、使用方法及适用范围;d) 采样点的确定及数量;e) 采样的代表性(如氧、易燃性、毒性或生物危害);f) 确认采样设备的状态并满足样品的体积要求;g) 辨别样品是否存在其他危害种类和仪表误差;h) 遇到异常结果时采取的措施;i) 取样结果确认;j) 在许可证上附取样结果。