家用配电箱线路图识图
- 格式:doc
- 大小:247.50 KB
- 文档页数:5
三相四线供电时局部TN-S接零保护系统零线N、PE引出示意图(引出线形成三相五线制TN—S接零保护系统)L1 L2 L3 N重复接地接地极L50X5PE (接地极L50X5热镀锌角钢=不少于3处)DK接地极L50X5RCD接地极L50X5L1 L2 L3 N PE接地极L50X5YJ-01 总配电箱系统接线图注:本箱由终端型箱变引入正面YJBV-3*240+2*120-TCHR5-630/30YJBV-3*240+2*120-TC裸母线N-端子排DZ20L-630/4300YJLV3*240+2*120(修理房)CBM1-800/3300BLV3*185+1*120(空压机)3LA 3LBNPE-端子排PE 接地极背面YJLV-3*240-2*120HR5-400/30裸母线HR5-400/30裸母线N-端子排 DZ20L-400/3300YJLV-3*240-2*120-TCDZ20L-400/43003LA 3LB BLV3*185+1*120-TCPE-端子排NPE 接地极YJ-02 总配电箱系统接线图注:本箱由环网型箱变引入YJLV-3*240隔离开关串联YJLV-3*240+2*120-TCHR5-630/30 HR5-400/30裸母线裸母线 N-端子排DZ20L-400/4300 TGM10-600/330(备用)BLV3*185+1*120-TCN3LPE-端子排PE接地极EJ-01 分配电箱系统接线图注:本箱由环网型箱变引入RDL20-250/430-BRV2*6HR5-630/30母线连接板YJLV-3*240+2*120-TC3HZ1-630/330-BLV-3*185-TCN-端子排PE-端子排3LNPE 接地极EJ-02 分配电箱系统接线图注:该箱由EJ-09号箱下线引入3LN同断路器串联DZ20L-630/430YJLV-3*240+2*120-FPC75-DB BLV-3*185+2*120-WSDZ20L-630/430BLV-3*185+2*120-WS大里程供电3LPE-端子排N 小里程 PE接地极EJ-03 分配电箱系统接线图注:本箱由EJ-03号箱引入CDB2-125-BVR2*16 –WL1125ACDB2-125-BVR2*16-WL2125ACDB2-125-BVR2*16-WL3125ACDB2-125-BVR3*16-WL4CDB2-125-BVR3*16-WL5 DZ20L-250/430-YJLV-3*25+2*16-WS 3L 125A3L 250AN30mA CDB2-125-BVR3*16-WL63L 125APECDB2-125-BVR3*16-WL73L 125APE-端子排CDB2-125-BVR3*16-WL83L 125ACDB2-125-BVR3*16-WL93L 125A接地极EJ-04 分配电箱系统接线图注:本箱从EJ-09 号电箱引入YJLV-3*240+2*120-FPC75-DB计量表HR5-630/30电流互感器YJLV-3*240+2*120-FPC75-DB 600/5裸母线裸母线N母线RDM10L-400/430RDM10L-400/430RDM10L-400/430BLV-3*185+2*120-WS BLV-1*185+1*90-MT32-DB YJV-3*35+1*16-DB加工棚生活区一生活区二N—端子排3L PE—端子排NPE 接地极EJ-05 分配电箱系统接线图注:本电箱为加工棚各机具开关箱分配箱,由EJ-04号箱引入HR5-630/30BLV-3*185 DZ20Y-630/3300裸母线BLV3*185L1L2L31-CDM10-100/3300 同1 同1 同1 同1 同1 L1 L2 L3BLV-3*185+2*120-FPC75-TC2-CDM10-100/3300 同2 同2 同2 同2 同2N-端子排NPE PE-端子排EJ-06 分配电箱系统接线图注:本箱总线由EJ-04号箱引入RDM10-400/3300-YJLV-3*35+1*16FPC50-CE裸母线L1L2L3N NN 裸母线RDM10L-400/430 RDM10L-400/430 同左3LL3L2L1 N1CDB2-125 同1开关串联同1 同1 同1 同1 N-端子排PE-端子排SJ-01开关箱系统接线图100ANCBM8-100/330YJV-3*4+1*DZ15LE-100/4901-BVR-3*4-MT253L3LN100ANCBM8-100/330YJV-3*4+1*DZ15LE-100/4901-BVR-3*4-MT253L3LN100ANCBM8-100/330YJV-3*4+1*DZ15LE-100/4901-BVR-3*4-MT253L3LN100ANCBM8-100/330YJV-3*4+1*DZ15LE-100/4901-BVR-3*4-MT253L3LN100ANCBM8-100/330YJV-3*4+1*DZ15LE-100/4901-BVR-3*4-MT253L3LN100ANCBM8-100/330YJV-3*4+1*DZ15LE-100/4901-BVR-3*4-MT253L3LN100ANCBM8-100/330YJV-3*4+1*DZ15LE-100/4901-BVR-3*4-MT253L3LN100ANCBM8-100/330YJV-3*4+1*DZ15LE-100/4901-BVR-3*4-MT253L3LN100ANCBM8-100/330YJV-3*4+1*DZ15LE-100/4901-BVR-3*4-MT253L3LN100ANCBM8-100/330YJV-3*4+1*DZ15LE-100/4901-BVR-3*4-MT253L3LN100ANCBM8-100/330YJV-3*4+1*DZ15LE-100/4901-BVR-3*4-MT253L3LN100ANCBM8-100/330YJV-3*4+1*DZ15LE-100/4901-BVR-3*4-MT253L3LN100ANCBM8-100/330YJV-3*4+1*DZ15LE-100/4901-BVR-3*4-MT253L3LN。
家用配电箱线路图识图
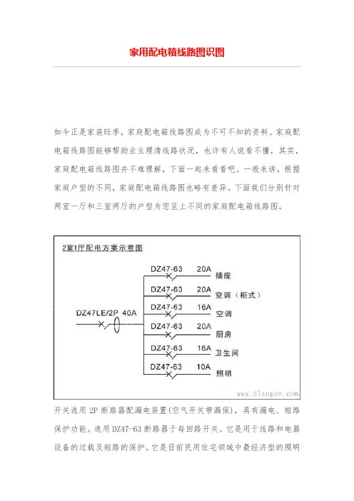
如今正是家装旺季,家庭配电箱线路图成为不可不知的资料。
家庭配电箱线路图能够帮助业主理清线路状况,也许有人说看不懂,其实,家庭配电箱线路图并不难理解,下面一起来看看吧。
一般来讲,根据家庭户型的不同,家庭配电箱线路图也略有差异。
下面我们分别针对两室一厅和三室两厅的户型为您呈上不同的家庭配电箱线路图。
开关选用2P断路器配漏电装置(空气开关带漏保),具有漏电、短路保护功能。
选用DZ47-63断路器于每回路开关。
它是用于线路和电器设备的过载及短路的保护。
它是目前民用住宅领域中最经济型的照明
箱。
配电箱安装方法
1、家庭配电箱分金属外壳和塑料外壳两种,有明装式和暗装式两类,其箱体必须完好无缺。
2、家庭配电箱的箱体内接线汇流排应分别设立零线、保护接地线、相线,且要完好无损,具良好绝缘。
3、空气开关的安装座架应光洁无阻并有足够的空间。
配电箱安装要点
1、家庭配电箱应安装在干燥、通风部位,且无防碍物,方便使用。
2、家庭配电箱配电箱不宜安装过高,一般安装标高为1.8米,以便操作
3、进配电箱的电管必须用锁紧螺帽固定。
4、若家庭配电箱配电箱需开孔,孔的边缘须平滑、光洁。
5、配电箱埋入墙体时应垂直、水平,边缘留5—6毫米的缝隙。
6、配电箱内的接线应规则、整齐,端子螺丝必须紧固。
7、各回路进线必须有足够长度,不得有接头。
8、安装后标明各回路使用名称。
9、家庭配电箱安装完成后须清理配电箱内的残留物。
配电箱系统图识图解在家用配电箱接线的时候,一定要看清楚家用配电箱接线图的设计,不要把零线和火线搞混淆了,如果两者一旦接错了的话,就不会产生电源,给人造成误区,其实不管是接正还是接反,因为有漏电开关的作用,都会让零线以及火线有动作的,因为很多零线在漏电开关里面都是连同的,所以开闸之后,断开的没有零线只有火线,所以关于火线以及零线接错这个问题是需要注意的,至于怎么区分两者不要搞错,可以看看漏电开关,上面一般都是有标记的,如果是字母N的话就表示零线了。
户内配电箱箱体安装一般有明装和暗装两种,不过现在为了美观大部分户内配电箱选用暗装较多:明装配电箱,配电箱安装在墙上时,应采用开脚螺栓(胀管螺栓)固定,螺栓长度一般为埋入深度(75~150mm)、箱底板厚度、螺帽和垫圈的厚度之和,再加上5mm左右的“出头余量”。
对于较小的配电箱,也可在安装处预埋好木砖(按配电箱或配电板四角安装孔的位置埋设),然后用木螺钉在木砖处固定配电箱或配电板。
暗装配电箱,配电箱嵌入墙内安装,在砌墙时预留孔洞应比配电箱的长和宽各大20mm左右,预留的深度为配电箱厚度加上洞内壁抹灰的厚度。
在埋配电箱时,箱体与墙之间填以混凝土即可把箱体固定住。
配电箱应用的范围不同,那么接线的方法就是不同的,家用的家用配电箱接线图算是比较简单的,一般学物理的人都能看懂。
配电箱系统图识图解正确安装的配电箱不仅仅美观,而且安全配电箱系统图一般分为:一次线图、二次线图。
下面简单介绍:一次线图是主电源控制图,一个总开关加几路分开关构成,标准设计图纸上一般都会标明进出现电缆的大小和每路分开关与总开关之间连线电线大小以及进线电源哪里来、出线到哪里去。
二次线是一般为控制部分,比较一次线图复杂。
框线外左上角,AL1:配电箱代号;框线内左上角第1行:PZ30(R)-30:配电箱型号为PZ30,(R)暗装,30回路;框线内左上角第2-4行:计算功率,计算电流,需用系数,功率因数;C65N-1P **A:施耐德品牌,单相单极,额定电流:**A,微型断路器;DPN Vigi 1P+N **A:施耐德,单相双极(不断零),额定电流:**A,微型漏电断路器;MC116P 1P 10A:海格品牌,单相单极,额定电流:10A,微型断路器(设计笔误,没改一致);框线内右下角N,PE:箱内设零地排。
五分钟教你识读配电箱系统图,看完秒懂!配电箱确实有很多字母,要熟悉这些字母的基本含义,才能更准确地知道配电箱系统图的意思。
⽹上查了⼀些资料,发现配电箱中的字母实在是太多了,先简单说⼏个需要基本认识的字母:GCK、GCS、MNS是低压抽出式开关柜;GGD、GDH、PGL是低压固定式开关柜;XZW综合配电箱;ZBW箱式变电站;XL、GXL低压配电柜、建筑⼯地箱;这些都是最基本的配电箱字母含义。
配电箱主要是按电⽓接线要求将开关设备、测量仪表保护电器等组合在封闭或者半封闭的⾦属箱中,然后构成⼀个低压配电的装置。
其实它的⽤途就是,当电路发⽣故障的时候能够更有利于检修。
并且能够⽅便控制整体的电源,⽐如说整体停电或者整体送电,所以认识配电箱中的字母也是⾮常重要的。
下⾯我们⼀起看看⼀张⽐较规范全⾯的配电箱系统图,图中各线路和图元做了标注,我们⼀个⼀个来说明。
①是本配电箱的电⽓参数说明,相当于电⽓铭牌。
B4ALE5-1:本配电箱的编号。
其中B4指代地下4层;ALE指代应急照明配电箱;5-1,5指代本系列配电箱的编号,是第五组,1则代表其是本组配电箱的第⼀台。
Pn、Kx、cosφ、Pjs、Ljs分别指代本配电箱的额电功率、需要系数、功率因数、计算总有功功率、计算总电流,它们的关系式如下:②是配电箱进线,从图中可以看出本配电箱是双路进线,⼀路常⽤电源⼀路备⽤电源。
③ T160/3P 25A,是本配电箱的进线断路器,从型号上看是施耐德T160系列的微型断路器,3P表⽰三极,额定分断电流25A。
④是双电源切换器。
当常⽤电源突然故障或停电时,通过双电源切换开关,⾃动投⼊到备⽤电源上。
⑤配电箱接⼊漏电⽕灾报警器的信号线,⼀根RVVP-4*1.0的电缆,穿20的管⼦,具体接线可以参考下图:⑥电度表。
⑦出线回路的母线。
有些⼤型配电箱会做母线排,⼩⼀点的则未必。
⑧出线回路,可以看到本配电箱出线都是单相的,L2指B相回路。
⑨熔断器,熔断器是⽤于避雷器的保护。
家用配电箱线路图识图
————————————————————————————————作者:————————————————————————————————日期:
家用配电箱线路图识图
如今正是家装旺季,家庭配电箱线路图成为不可不知的资料。
家庭配电箱线路图能够帮助业主理清线路状况,也许有人说看不懂,其实,家庭配电箱线路图并不难理解,下面一起来看看吧。
一般来讲,根据家庭户型的不同,家庭配电箱线路图也略有差异。
下面我们分别针对两室一厅和三室两厅的户型为您呈上不同的家庭配电箱线路图。
开关选用2P断路器配漏电装置(空气开关带漏保),具有漏电、短路保护功能。
选用DZ47-63断路器于每回路开关。
它是用于线路和电器设备的过载及短路的保护。
它是目前民用住宅领域中最经济型的照明
箱。
配电箱安装方法
1、家庭配电箱分金属外壳和塑料外壳两种,有明装式和暗装式两类,其箱体必须完好无缺。
2、家庭配电箱的箱体内接线汇流排应分别设立零线、保护接地线、相线,且要完好无损,具良好绝缘。
3、空气开关的安装座架应光洁无阻并有足够的空间。
配电箱安装要点
1、家庭配电箱应安装在干燥、通风部位,且无防碍物,方便使用。
2、家庭配电箱配电箱不宜安装过高,一般安装标高为1.8米,以便操作
3、进配电箱的电管必须用锁紧螺帽固定。
4、若家庭配电箱配电箱需开孔,孔的边缘须平滑、光洁。
5、配电箱埋入墙体时应垂直、水平,边缘留5—6毫米的缝隙。
6、配电箱内的接线应规则、整齐,端子螺丝必须紧固。
7、各回路进线必须有足够长度,不得有接头。
8、安装后标明各回路使用名称。
9、家庭配电箱安装完成后须清理配电箱内的残留物。