配电箱线路图完整可编辑版
- 格式:doc
- 大小:29.50 KB
- 文档页数:3
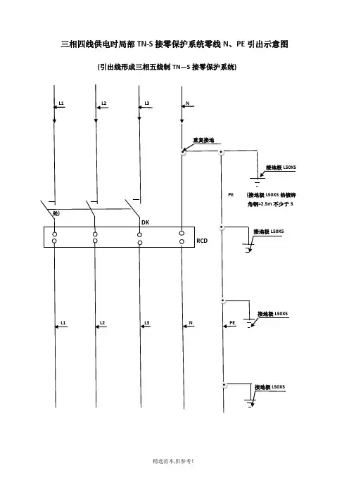
三相四线供电时局部TN-S接零保护系统零线N、PE引出示意图(引出线形成三相五线制TN-S接零保护系统)HR5-400/30裸母线DZ20L-400Z3300 YJI V^ZdOJFPO-TCYJ-01总配电箱系统接线图注:本箱由终端型箱变引入正面背面PE □TTC接地极YJ-02总配电箱系统接线图注:本箱由环网型箱变引入EJ-01分配电箱系统接线图注:本箱由环网型箱变引入EJ-02分配电箱系统接线图注:该箱由EJ-09号箱下线引入DZ20L-250/430-YJLV-3*25+2*16-WS3L30mA 0.1SPEEJ-03分配电箱系统接线图注:本箱由EJ-03号箱引入CDB2-125-BVR2*16 - WL1L.N 125A _______CDB2-125-BVR2*16-WL2L.N 125ACDB2-125-BVR2*16-WL3L.N 125ACDB2-125-BVR3*16-WL4CDB2-125-BVR3*16-WL5125ACDB2-125-BVR3*16-WL63L 125ACDB2-125-BVR3*16-WL7CDB2-125-BVR3*16-WI83L 125ACDB2-125-BVR3*16-WL93L250APE-端子排EJ-04分配电箱系统接线图注:本箱从EJ-09号电箱引入YJLV-3*240+2*120-FPC75-DB接地极3L125A计量表YJLV-3*240+2*120-FPC75-DB 裸母线N 母线加工棚 生活区一 生活区NPE 接地极EJ-05分配电箱系统接线图PE PE- 端子排Q (D C C O C) C T1 EJ-06分配电箱系统接线图注:本箱总线由EJ-04号箱引入L1.L2.L3 CBM8-100/330YJV-3*4+1*2.5-MT20DZ15LE-1004901-BVR-3*4-MT253L100AL1.L2.L3 CBM8-100/330YJV-3*4+1*2.5-MT20DZ15LE-1004901-E VR-3*4-MT25 3L100A3LL1.L2.L3 CBM8-100/330YJV-3*4+1*2.5-MT20DZ15LE-1004901-BVR-3*4-MT253L100AL1.L2.L3 CBM8-100/330YJV-3*4+1*2.5-MT20DZ15LE-1004901-BVR-3*4-MT253L100AL1.L2.L3 CBM8-100/330YJV-3*4+1*2.5-MT20DZ15LE-1004901-BVR-3*4-MT25 3L100A3LL1.L2.L3 CBM8-100/330YJV-3*4+1*2.5-MT20DZ15LE-1004901-BVR-3*4-MT253L100AL1.L2.L3 CBM8-100/330YJV-3*4+1*2.5-MT20DZ15LE-1004901-BVR-3*4-MT253L100AL1.L2.L3 CBM8-100/330YJV-3*4+1*2.5-MT20DZ15LE-1004901-BVR-3*4-MT253L100AL1.L2.L3 CBM8-100/330YJV-3*4+1*2.5-MT20DZ15LE-1004901-BVR-3*4-MT25 3L100A3LL1.L2.L3 CBM8-100/330YJV-3*4+1*2.5-MT20DZ15LE-1004901-E VR-3*4-MT253L100AL1.L2.L3 CBM8-100/330YJV-3*4+1*2.5-MT20DZ15LE-1004901-BVR-3*4-MT253L100AL1.L2.L3 CBM8-100/330YJV-3*4+1*2.5-MT20 DZ15LE-1004901-BVR-3*4-MT253L100A。