管理人员三级教育卡
- 格式:docx
- 大小:22.64 KB
- 文档页数:12
三级安全教育卡填写说明
一、项目部(劳务项目部)安全员:公司(劳务公司)→安全员(公
司级安全教育),只有一级。
二、其它、包括项目经理所有管理人员(除安全员)、班组长、特殊
工种、后勤人员,属第二级教育对象、项目部(劳务项目部)安全员:→受二级教育的对象,只有二级。
三、班组长(劳务公司班组长)→受三级教育的对象,职工(劳务
职工),共有三级。
四、公司(劳务公司)级教育时间规定→15学时
项目部(劳务项目部)级教育时间规定→15学时
班组长(劳务公司班组长)级教育时间规定→20学时。
三级安全教育记录卡安全教育是企业管理中非常重要的一环,尤其是在工业生产领域,安全教育更是必不可少的一项工作。
为了更好地记录和管理员工的安全教育情况,我们制定了三级安全教育记录卡,以便全面了解员工的安全教育情况,及时发现问题并进行改进。
一、员工基本信息。
姓名,__________ 性别,__________ 年龄,__________。
部门,__________ 岗位,__________ 入职时间,__________。
二、安全教育情况。
1. 参加安全教育培训的时间和内容。
日期,__________ 内容,__________。
日期,__________ 内容,__________。
日期,__________ 内容,__________。
2. 安全操作规程的掌握情况。
掌握情况,()完全掌握()基本掌握()未掌握。
3. 安全事故案例的学习情况。
学习情况,()已学习()未学习。
4. 安全防护用品的使用情况。
使用情况,()正确使用()未正确使用。
5. 安全意识和责任感。
意识和责任感,()较强()一般()较弱。
6. 安全生产知识的掌握情况。
掌握情况,()良好()一般()较差。
三、安全教育考核。
1. 安全教育考核成绩。
成绩,__________ 考核时间,__________。
2. 安全教育考核评价。
评价,__________ 考核人,__________。
四、安全教育改进意见。
1. 针对员工的安全教育改进意见。
意见,__________ 负责人,__________。
2. 针对安全教育培训内容的改进意见。
意见,__________ 负责人,__________。
3. 针对安全教育考核方式的改进意见。
意见,__________ 负责人,__________。
五、安全教育记录。
1. 安全教育记录人,__________ 记录时间,__________。
2. 安全教育记录审核人,__________ 审核时间,__________。
行政后勤人员三级安全教育学习培训学习记录卡姓名:XXX部门:行政后勤部岗位:行政后勤人员学习时间:20XX年XX月XX日学习内容:三级安全教育一、学习内容概述三级安全教育是行政后勤人员必须进行的基础学习,主要包括安全意识培养、安全知识学习和安全技能训练。
通过学习三级安全教育,我将更加深入地了解安全管理的重要性,提高自身的安全意识和应急处置能力,更好地履行岗位职责,保障单位的运行安全。
二、学习过程及心得体会1.安全意识培养学习过程中,我通过观看安全典型案例分析,深刻认识到安全事故的危害性和不可预测性。
案例中不少安全事故都是由于人们的不注意和粗心大意造成的,例如火灾、事故、盗窃等。
这些案例使我深刻认识到,只有树立起安全意识,时刻注重安全,才能有效预防和避免安全事故的发生。
因此,我会在日常工作中更加注重安全,严格按照操作规程进行工作,避免造成安全隐患。
2.安全知识学习在学习过程中,我了解到许多与行政后勤工作相关的安全知识,例如消防安全常识、用电安全知识、防盗防抢知识等。
这些知识对于行政后勤人员来说是非常重要的,因为我们往往要面对大量人员和财产的安全管理工作。
我会将学到的知识运用到实际工作中,不断提高自己的安全管理能力,确保单位的运行安全。
3.安全技能训练学习中,我参与了一些安全技能的训练,如消防器材的正确使用、灭火器的操作方法等。
通过实际操作,我加深了对这些安全技能的理解和掌握,提高了自己的灭火和应急处置能力。
这对于行政后勤人员来说非常重要,因为我们可能面临各种突发事件,需要及时、有效地进行应对。
我会在日常工作中时刻保持警惕,做好预案和应急准备,确保能够迅速、有效地应对各类突发情况。
三、自我总结通过参与三级安全教育的学习培训,我对安全管理工作有了更加全面的认识,提高了自己的安全意识和应急处置能力。
我将把学到的知识和技能运用到实际岗位中,不断提高自身的安全素养,为单位的安全运行贡献自己的力量。
我相信,只有通过不断学习和实践,我们才能在工作中更好地履行职责,切实保障单位的安全。
员工三级安全教育记录卡对员工进行三级安全教育是组织管理者对员工进行安全教育的一项重要措施,旨在提高员工对安全事故的意识和应对能力,确保组织的安全运营。
以下是一份员工三级安全教育记录卡,用于记录员工接受安全教育的情况。
员工姓名:部门:岗位:教育日期:教育内容:教育方式:(可多选)现场教育/在线教育/培训课程/安全会议/安全讲座/其他(请注明)教育记录:(在每一级教育中填入具体内容)第一级安全教育:教育内容:(简要描述内容,如:安全意识培养、安全政策和规程宣传)教育方式:(填入教育方式,如:现场教育)(填入具体的教育记录,如会议主题、教育内容、参与人员等)第二级安全教育:教育内容:(简要描述内容,如:岗位安全操作规程培训)教育方式:(填入教育方式,如:在线培训)(填入具体的教育记录,如课程名称、教育内容、学习成绩等)第三级安全教育:教育内容:(简要描述内容,如:特殊场景应急处理培训)教育方式:(填入教育方式,如:安全会议)(填入具体的教育记录,如会议主题、教育内容、参与人员等)备注:(填写其他需要备注的内容,如教育反馈、教育整改等)以上是一份员工三级安全教育记录卡的模板。
根据具体的组织情况,可以根据需要进行修改和完善。
而在实施员工三级安全教育时,还需要注意以下几点:1.制定明确的教育计划:根据组织的安全需求和员工的实际情况,制定明确的安全教育计划,包括教育的时间、地点、内容和方式等。
2.选择多种教育方式:根据员工的不同岗位和排班情况,选择不同的教育方式,比如线下现场教育、在线教育、培训课程等,以满足员工的安全教育需求。
3.定期进行教育评估:对员工的安全教育进行定期的评估,了解员工对安全知识的掌握情况和应对能力,及时发现教育不足之处,并进行针对性的改进和提升。
4.督促员工参与:通过内部通知、安全会议等方式,使员工认识到安全教育的重要性,积极参与安全教育活动,提高安全意识和责任感。
5.组织专业培训师资:针对不同安全教育级别的培训,组织专业的培训师资进行讲解,确保教育内容的准确传达和理解。
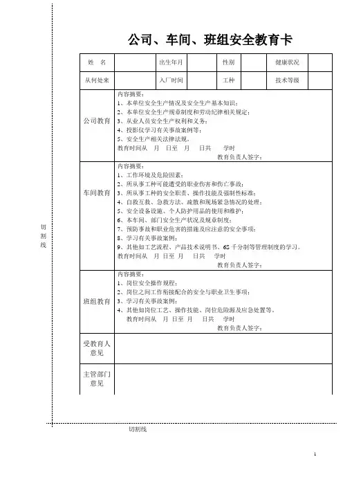
表4.1.5职工三级安全教育卡姓名:性别:家庭住址:籍贯:进企业日期:班组及工种:注:公司、项目部、班组三级培训教育的时间分别不得少于15、15、20学时。
施工现场职工入场安全教育考核试卷姓名:得分一、选择题:(每题5分,共计50分:要求选择正确的答案填入括号内)1、我国安全生产方针是:();A、安全第一B、预防为主C、综合治理D、安全第一,预防为主,综合治理2、安全电压是指()伏以下;A、220B、50C、363、我国统一的火警电话号码是();A、119B、112C、1104、脚手架操作层用木架板的最少规定厚度为();A、5cmB、4cmC、3㎝5、电器灭火的方法是:首先(),其次要使用1211、干粉或二氧化碳等灭火器,不得用水或泡沫灭火器扑灭电器火灾;A、报告领导B、抢救人员C、切断电源6、正确佩戴安全帽必须是();A、安全帽及帽带完好无损B、系好下颚带C、帽衬与帽壳应有有一定间歇不能紧贴7、GB3608-83《高处作业分级》规定,凡在坠落高度基准面()米以上有可能坠落的高处进行的作业,均称为高处作业;A、1B、2C、38、施工现场的安全事故70%以上是由于“三违”造成的,“三违”是指();A、违章指挥B、违章作业C、违反劳动纪律D、违反安全管理制度9、事故处理的“四不放过”的原则是();A、广大职工没有受到教育不放过B、事故责任人没有受到处理不放过C、事故原因没有查清不放过D、防范措施没有到位不放过E、安全隐患没有整改不放过10、安全“三宝”指的是();A、安全帽B、安全网C、安全绳D、安全带二、判断题:(每题5分,共计50分:要求在正确的说法后面括号内画“√”,错误的说法后面括号内画“×”)1、施工现场“四口”:楼梯口、电梯口、出入口、预留洞口。
()2、施工现场“五临边”:楼层周边、阳台周边、卸料平台周边、屋面周边、运输道两侧边。
()3、劳动者对管理人员违章指挥、强令冒险作业,可以提出意见,但不得拒绝执行。
安全教育管理规定第一章管理人员安全教育第一条单位领导应按照国家有关规定要求,参加政府和总公司组织的安全生产教育培训,经考核合格后持证上岗。
第二条安全技术管理人员除参加政府的安全培训并取得上岗资格外,还应参加总公司组织的安全培训。
应经过安全教育培训,考核合格后方能任职。
安全教育培训的主要内容是:1.国家和总公司有关职业安全卫生的方针、政策、法律、法规、制度和标准;2.安全管理、安全技术、职业卫生和安全文化等知识;3.易发事故的基本知识;4.有关事故案例及事故应急管理等。
第四条其他管理负责人(包括职能部门负责人、基层单位负责人)、专业工程技术人员的安全教育培训由人力资源部会同HSE中心,按干部管理权限分层次组织实施,经考核合格后方能任职。
安全教育培训时间不得少于40学时,安全教育培训的主要内容是:1.国家和总公司有关职业安全卫生的方针、政策、法律、法规、制度和标准;2.本部门、本岗位职业安全卫生职责;3.安全管理、安全技术、职业卫生和安全文化等知识;4.有关事故案例及事故应急管理等。
第二章生产岗位员工安全教育第五条班组长的安全教育培训由HSE中心组织实施,经考核合格后方能任职。
安全教育培训时间不得少于24学时,安全教育培训的主要内容是:1.国家和总公司有关职业安全卫生的方针、政策、法律、法规、制度和标准;2.安全技术、职业卫生和安全文化等知识;3.本班组和有关岗位的危险危害因素、安全注意事项、本岗位安全生产职责;4.典型事故案例及事故应急处理措施等。
第六条所有新员工(包括学徒工、外单位调入员工、合同工、代培人员和大中专院校毕业生、技术岗位的季节性临时工等)上岗前应接受三级安全教育,考试合格后方可上岗。
一级安全教育时间不少于24学时,安全教育的主要内容是:1.国家、总公司有关安全生产和职业安全卫生法律、法规;2.通用安全技术、职业卫生基本知识,包括一般机械、电气安全、消防和气体防护等常识;3.本单位安全生产的一般状况、性质、特点和特殊危险部位的介绍;4.分公司安全生产规章制度;5.典型事故案例及其教训,事故预防的基本知识。
一、前言为了加强单位安全管理,提高员工安全意识,预防事故发生,根据《中华人民共和国安全生产法》和《安全生产培训管理办法》等相关法律法规,我单位特制定本安全教育培训卡。
本卡旨在对员工进行三级安全教育培训,确保每位员工都能掌握必要的安全知识和技能。
二、培训对象1. 新入职员工2. 在职员工3. 管理人员4. 特种作业人员5. 临时用工人员三、培训内容1. 安全生产法律法规及政策2. 单位安全生产规章制度及操作规程3. 安全生产基本知识4. 安全生产事故案例分析5. 应急救援知识及技能6. 个人防护用品的正确使用与维护7. 职业健康与劳动保护8. 心理健康与团队协作四、培训方式1. 理论培训:通过集中授课、专题讲座、案例分析等形式,对员工进行安全教育培训。
2. 实践操作培训:通过现场演示、模拟演练、实际操作等形式,提高员工的安全技能。
3. 网络培训:利用单位内部网络平台,开展线上安全教育培训。
4. 外部培训:组织员工参加外部安全教育培训机构举办的培训课程。
五、培训时间1. 新入职员工:入职前进行为期1天的安全教育培训。
2. 在职员工:每年至少进行1次安全教育培训,培训时间不少于8学时。
3. 管理人员:每年至少进行1次安全教育培训,培训时间不少于16学时。
4. 特种作业人员:根据《特种作业人员安全技术培训考核管理规定》要求,进行专项培训。
5. 临时用工人员:在入职前进行安全教育培训,培训时间不少于4学时。
六、培训考核1. 考核方式:理论知识考核、实践操作考核、案例分析考核等。
2. 考核内容:安全法律法规、安全生产规章制度、安全操作技能、应急处置能力等。
3. 考核结果:考核合格者,颁发安全教育培训合格证书;不合格者,重新进行培训。
七、培训效果评估1. 定期对培训效果进行评估,包括员工满意度、培训内容掌握程度、安全意识提高等方面。
2. 根据评估结果,对培训内容和方法进行调整,提高培训效果。
八、附则1. 本安全教育培训卡自发布之日起施行。
职工三级安全教育卡姓名:性别:家庭住址:文化程度:进企业日期:班组及工种:身份证号:建筑劳务用工合同甲方:公元壹号名邸A3、5、7、11、12、18、21#楼工程(项目部)陈鹏(项目经理)乙方:(劳务工人)居民身份证号码:身份证地址:甲方招收乙方为改工程建筑劳务工人。
为了明确甲、乙双方的权利、义务,根据《中华人民共和国合同法》和有关法律、法规规定,在平等自愿、公平、公正、协商一致、诚实信用的基础上,签订本合同。
一、劳务合同期限以完成本工程工作任务为劳动合同期限,即自年月日起完成本项工作任务之日为本合同终止日。
二、工作内容甲方安排乙方工作岗位,乙方应按照甲方安排的工作内容及要求履行劳动义务。
如乙方不能胜任该工作岗位,甲方可随时辞退乙方;如因乙方在工作中出现质量、进度等问题,而导致乙方所属施工班组被甲方经济处罚的,乙方自愿接受所属施工班组对其所做出的相应、合理的经济处罚。
三、劳务安全(一)乙方现行岗位属可能产生职业病危害的岗位,可能存在高空坠落、物体砸伤等危害,甲方向乙方履行了如实告知义务,并对乙方进行了劳动安全卫生教育,且为乙方提供了必要的安全帽等劳动防护用品,预防劳动过程中发生伤亡事故。
乙方在劳动过程中必须严格遵守安全操作规程。
(二)乙方自签订本合同之日起的5日内向甲方提供有效的身份证明,保证甲方为其办理工商保险。
如乙方拒不想甲方提供有效身份证明的,甲方可立即予以辞退乙方。
四、劳动报酬1、乙方的出勤日工资(含加班工资)为元/天,月工资按实际出勤天数计算。
甲方负责民主考勤,每月公示考勤情况。
五、社会保险(一)甲方按照规定为乙方缴纳工伤社会保险。
(二)如乙方发生工伤事故,甲方应负责及时救治,或提供可能的帮助,并在规定时间内,向劳动保障行政部门提供工伤认定申请,为乙方依法办理劳动能力鉴定,并为享受工伤医疗待遇履行必要的义务。
六、劳动争议处理甲、乙双方因履行本合同发生劳动争议,可以协商解决。
不愿协商或者协商不成的,可以向本项目主管单位劳动争议调解委员会申请调解;调解不成的,可以向昆山市劳动争议仲裁委员会申请仲裁。
三级健康安全教育卡(范例)简介三级健康安全教育卡是为了提高员工的健康安全意识而设计的一种培训工具。
通过研究和理解相关知识,员工可以有效应对工作场所中的健康与安全问题,并有效地预防事故的发生。
培训内容三级健康安全教育卡的培训内容涵盖以下方面:1. 工作场所的危险因素识别与评估;2. 正确使用个人防护装备的方法与技巧;3. 紧急情况下的应急处理与逃生指南;4. 事故报告与记录的重要性与方法;5. 养成良好的健康与安全惯的培养。
培训方法三级健康安全教育卡的培训可以采用以下方式进行:1. 课堂授课:由专业人员进行授课,结合案例分析和互动讨论,增强培训效果;2. 视频教学:通过播放相关培训视频,展示真实案例和实践经验,激发员工的研究兴趣;3. 小组讨论:组织员工进行小组讨论,分享彼此的经验和观点,促进互相研究。
培训评估为了确保培训效果,应定期进行培训评估。
评估方法可以包括:1. 考试:通过考试评估员工对培训内容的理解和掌握程度;2. 案例分析:根据真实案例进行分析,测试员工对危险因素识别和应急处理的能力;3. 口头回答问题:通过提问培训内容相关的问题,测试员工对知识的掌握情况。
培训记录为了便于管理和跟踪培训情况,应建立完善的培训记录系统。
记录内容可以包括:1. 参与培训的员工名单;2. 培训时间和地点;3. 培训内容摘要;4. 培训评估结果;5. 培训证书发放情况。
结语通过三级健康安全教育卡的培训,可以提高员工的健康安全意识,预防工作场所事故的发生,保障员工的安全与健康。
希望本范例文档能帮助您制定符合实际情况的健康安全培训计划。
三级安全教育卡本文介绍了“三级”安全教育记录卡的内容和教育对象。
教育内容包括国家安全生产方针、安全生产意义和任务、安全生产规章制度、安全技术措施等。
同时,还介绍了建筑工种施工特点及安全生产基本知识、本单位安全生产规章制度、各工种的安全技术操作规程等。
班组教育内容包括作业特点、危险区域、安全防护要求等。
教育卡应按工种归类编号,确保全员教育,公司、项目、班组安全教育时间累计不少于30小时。
为了确保安全生产,公司、项目和班组都需要进行安全教育。
公司安全科安全工程师负责公司教育,XXX专职安全管理人员负责项目教育,班组兼职安全员或班组长负责班组教育。
教育对象包括领导、管理、工人等。
教育内容涵盖了安全生产方针、意义和任务、规章制度、安全技术措施、作业特点、危险区域、安全防护要求等。
教育卡应按工种归类编号,并确保全员教育,公司、项目、班组安全教育时间累计不少于30小时。
100W防水带罩灯泡用于照明,防水绝缘电缆引下。
现场应设置放电机,以备临时停电的应急照明。
同时,应设置安全矿灯或应急灯以备孔底人员及时安全撤回地面。
当孔内无人作业时,孔口必须用强度足够的钢筋网盖盖好,并加盖木板以防雨水进入孔内。
同时,孔口四周应设置高度不低于1.1米的钢管围栏进行防护,并设置安全标志。
夜间应设置红灯警示。
当孔内遇有孤石、强风化或中风化岩层时,必须选择合理的爆破类型,并编制爆破作业方案。
由专业人员进行爆破,其中孤石尽可能人工凿除。
人工挖孔桩护壁成孔后,应先用验孔器检查护壁的同心度、孔径以及垂直度。
对偏差较大的护壁,应先行凿除处理,经检查验收合格后方可吊放钢筋笼。
联系有关部门定期测试孔内有毒气体,符合要求后方可下井作业。
在施工中,应不断向孔内送风,输风量应大于每秒25升。
在风镐凿岩石时,必须加大风量以吹排凿岩石时产生的石粉。
送风管应尽量少弯曲,以保证送风畅通。
要经常检查胶管是否漏,一旦发现破损,随时修补堵漏。
孔口应用混凝土浇注,加宽到30CM并高出地面25~35CM。
职工三级安全教育卡姓名:性别:家庭住址:文化程度:籍贯:进企业日期:班组及工种:身份证号:考核成绩公司安全培训教育内容:1.国家和地方有关安全生产的法规、标准、规范、规程等教育。
2.国家和地方有关安全生产的方针、政策及文件等教育。
3.企业的规章制度和安全纪律教育。
4.本企业的安全形势和事故案例教育。
5.发生事故后的抢险、保护现场和及时报告的程序。
教育人:受教育人:年月日项目部安全培训教育内容:1.工地安全基本知识和安全生产制度、规定及安全注意事项。
2.本工种安全技术操作规程;高处作业、机械设备、电气安全基本知识。
3.防火、防毒、防尘、防爆及紧急情况安全防范自救。
4.防护用品、用具发放标准及使用的基本知识。
5.本工程施工特点及环境情况。
教育人:受教育人:年月日班组安全培训教育内容:1.班组作业特点及安全操作规程;班组安全活动制度及纪律。
2.爱护和正确使用安全防护装置(设施)及个人劳动防护用品。
3.岗位易发生事故的不安全因素及防范对策。
4.岗位的作业环境及使用的机械设备、工具的安全要求。
教育人:受教育人:年月日安全生产奖惩记录日期主要事由奖惩内容签发人变换工种安全教育原工种现工种教育日期变换工种安全教育内容:教育人:受教育人:年月日复工安全教育歇工原因与天数:复工安全教育内容:教育人:受教育人:年月日事故和违章教育记录日期事故类别事故主要原因伤害部位证人违章、肇事经过:教育记录:教育人:受教育人:年月日安全生产责任书甲方:乙方:作业人员为了进一步搞好安全生产,维护甲乙双方共同利益,特订立如下条款:乙方进入甲方施工现场后,必须无条件遵守执行有关安全生产的法律和甲方安全生产规章制度;1.乙方进入甲方施工现场后,必须向甲方提供身份证复印件1份和1寸照片3张,以备办理向关手续,严禁身份不明者进入甲方施工现场。
2.乙方进场受必须接受甲方安全教育和培训,正确使用个人劳动保护用品,自觉戴好安全帽,爱护甲方的安全防护装置及设施设备,严禁私自拆除脚手架上的竹笆,安全网,钢管、拉结件及井架风绳,机械接地装置和各种保险等,严禁非专业人员使用任何机械及用户设备。
照片
职工三级安全教育卡
姓名:性别:家庭住址:文化程度:籍贯:
进企业日期:班组及工种:身份证号:
建筑劳务用工合同
甲方:公元壹号名邸A3、5、7、11、12、18、21#楼工程(项目部)陈鹏(项
目经理)
乙方: ______________ (劳务工人)居民身份证号码:______________________________ 身份证地址:__________________________________________________________________ 甲方招收乙方为改工程建筑劳务工人。
为了明确甲、乙双方的权利、义务,根据《中华人
民共和国合同法》和有关法律、法规规定,在平等自愿、公平、公正、协商一致、诚实信用的
基础上,签订本合同。
劳务合同期限
以完成本工程______________ 工作任务为劳动合同期限,即自_________ 年_____ 月日起
完成本项工作任务之日为本合同终止日。
二、工作内容
甲方安排乙方___________ 工作岗位,乙方应按照甲方安排的工作内容及要求履行劳动义
务。
如乙方不能胜任该工作岗位,甲方可随时辞退乙方;如因乙方在工作中出现质量、进度等问题,而导致乙方所属施工班组被甲方经济处罚的,乙方自愿接受所属施工班组对其所做出的相应、合理的经济处罚。
三、劳务安全
(一)乙方现行岗位属可能产生职业病危害的岗位,可能存在高空坠落、物体砸伤等危害,
甲方向乙方履行了如实告知义务,并对乙方进行了劳动安全卫生教育,且为乙方提供了必要的安全帽等劳动防护用品,预防劳动过程中发生伤亡事故。
乙方在劳动过程中必须严格遵守安全操作规程。
(二)乙方自签订本合同之日起的5日内向甲方提供有效的身份证明,保证甲方为其办理工商保险。
如乙方拒不想甲方提供有效身份证明的,甲方可立即予以辞退乙方。
四、劳动报酬
1、乙方的出勤日工资(含加班工资)为_________ 元/天,月工资按实际出勤天数计算。
甲方负责民主考勤,每月公示考勤情况
五、社会保险
(一)甲方按照规定为乙方缴纳工伤社会保险。
(二)如乙方发生工伤事故,甲方应负责及时救治,或提供可能的帮助,并在规定时间内,向劳动保障行政部门提供工伤认定申请,为乙方依法办理劳动能力鉴定,并为享受工伤医疗待遇履行必要的义务。
六、劳动争议处理
甲、乙双方因履行本合同发生劳动争议,可以协商解决。
不愿协商或者协商不成的,可以向本项目主管单位劳动争议调解委员会申请调解;调解不成的,可以向昆山市劳动争议仲裁委员会申请仲裁。
对仲裁裁决不服的,可以自收到仲裁裁决书之日起十五日内向昆山市人名法院提起诉讼。
七、其他事项
(一)__________________________ 本合同甲方可委托代签。
本合同不得涂改。
(二)本合同一式两份,具有同等法律效力,甲乙双方各执一份。
甲方签字(盖章):乙方签名:
日期:年月日日期:年月日
管理人员三级安全教育试题
姓名: 部门: 成绩:
一、选择题(每题6分,共60分)
1、国家标准(GB2893-82)中规定的四种安全色是( A )
A、红、蓝、黄、绿
B、红、蓝、黑、绿
C、红、青、黄、绿
D、白、蓝、
黄、绿
2、电焊作业可能引起的疾病主要有(AC )
A、电焊工尘肺
B、气管炎
C、电光性眼炎
D、皮肤病
3、漏电保护装置主要用于( D )
A、减小设备及线路的漏电
B、防止供电中断
C、减少线路损耗
D、防止人身触电事故及漏电火灾事故
4、在密闭场所作业(02浓度为18%,有毒气体超标并空气不流通)时,应选用的个体防护用
品为( C )
A、防毒口罩
B、有相应滤毒的防毒口罩
C、供应空气的呼吸保护器
D、防
尘口罩
5、在下列绝缘安全工具中,属于辅助安全工具的是( C )
A、绝缘棒
B、绝缘档板
C、绝缘靴
D、绝缘夹钳
6、任何电气设备在未验明无电之前,一律认为(A)
A.有电
B.无电
C.可能有电,也可能无电
7、长期使用空调的办公室都应配备(B)。
A.空气加湿器
B.换气机
C.空气干燥机
8、调查意外事故的主要目的是(C)。
A.追究责任
B.计算损失
C.防止重演
9、电脑操作人员的眼睛,应距显示器的屏幕(B)较为安全。
A.25-35厘米
B.35-60厘米
C.80-90S 米
10、人体触电致死,是由于哪个部位受到严重伤害(A)
A.心脏
B.胳膊
C.腿
二、判断(对的打“/,错的打“X”,每题4分,共40分)
1、高处作业允许从上往下抛掷任何物料、工具和施工垃圾等。
(X)
2、建筑业常发生的重大伤害是高处坠落、物体打击、触电、机械伤害、坍塌事故。
(V )
3、强令工人冒险作业是犯罪行为,施工人员有权(拒绝)在危险区域内作业。
(V )
4、我国制定安全生产法重要目的是制裁各种安全生产违法犯罪行为,保护劳动者的人身安全。
(V)
5、安全生产责任制的目的是明确岗位责任,保障人民生命财产,不预防工伤事故的发生。
6、制定安全标识的目的是引导人们正确行走途径,提显人们在作业过程中的正确操作方法,是对违章行为的一种警告提示。
(V)
7、所有手持电动工具(磨光机、震动泵等)必须具备绝缘措施完好,不需要装有合格漏保。
( x )
8、在吊运和安装大模板或预制构件时应注意:吊钩下方严禁站人,吊运前要认真检查吊索
具和被吊点是否符合规范要求,作业中有信号工指挥。
(V)
9、电工作业时安全要求:穿(绝缘鞋)、戴绝缘手套,严禁酒后操作。
(V)
10、安全带的系挂方法是:选用检验合格的安全带,低挂高用。
(x )
管理人员三级安全教育试题
姓名:部门:成绩:
一、选择题(每题6分,共60分)
1国家标准(GB2893— 82)中规定的四种安全色是()
A、红、蓝、黄、绿
B、红、蓝、黑、绿
C、红、青、黄、绿
D、白、蓝、
黄、绿
2、电焊作业可能引起的疾病主要有()
A、电焊工尘肺
B、气管炎
C、电光性眼炎
D、皮肤病
3、漏电保护装置主要用于()
A、减小设备及线路的漏电
B、防止供电中断
C、减少线路损耗
D、防止人身触电事故及漏电火灾事故
4、在密闭场所作业(02浓度为18%,有毒气体超标并空气不流通)时,应选用的个体防
护用品为()
A、防毒口罩
B、有相应滤毒的防毒口罩
C、供应空气的呼吸保护器
D、防
尘口罩
5、在下列绝缘安全工具中,属于辅助安全工具的是()
A、绝缘棒
B、绝缘档板
C、绝缘靴
D、绝缘夹钳
6、任何电气设备在未验明无电之前,一律认为()。
A.有电
B.无电
C.可能有电,也可能无电
9、电脑操作人员的眼睛,应距显示器的屏幕()较为安全
7、长期使用空调的办公室都应配备()。
A.空气加湿器
B.换气机
C.空气干燥机
8、调查意外事故的主要目的是()。
A.追究责任
B.计算损失
C.防止重演
A.25-35厘米
B.35-60厘米
C.80-90S 米
10、人体触电致死,是由于哪个部位受到严重伤害()
A.心脏
B.胳膊
C.腿
二、判断(对的打“/,错的打“X”,每题4分,共40分)
1、高处作业允许从上往下抛掷任何物料、工具和施工垃圾等。
()
2、建筑业常发生的重大伤害是高处坠落、物体打击、触电、机械伤害、坍塌事故。
()
3、强令工人冒险作业是犯罪行为,施工人员有权(拒绝)在危险区域内作业。
()
4、我国制定安全生产法重要目的是制裁各种安全生产违法犯罪行为,保护劳动者的人身安全。
()
5、安全生产责任制的目的是明确岗位责任,保障人民生命财产,不预防工伤事故的发生。
()
6、制定安全标识的目的是引导人们正确行走途径,提显人们在作业过程中的正确操作方法,是对违章行为的一种警告提示。
()
7、所有手持电动工具(磨光机、震动泵等)必须具备绝缘措施完好,不需要装有合格漏保。
()
8、在吊运和安装大模板或预制构件时应注意:吊钩下方严禁站人,吊运前要认真检查吊索具和被吊点是否符合规范要求,作业中有信号工指挥
9、电工作业时安全要求:穿(绝缘鞋)、戴绝缘手套,严禁酒后操作。
()
10、安全带的系挂方法是:选用检验合格的安全带,低挂高用。
()。