各类设施设备检验保养维修周期表
- 格式:xls
- 大小:40.50 KB
- 文档页数:18
设备保养与维护时间表
背景
为确保设备的正常运行和延长设备的使用寿命,制定一个设备
保养与维护时间表是非常重要的。
该时间表将明确设备保养和维护
的频率和程序,以及相应的责任人。
目的
设备保养与维护时间表的目的是确保设备保持良好的运行状态,减少故障的发生,并及时发现并修复潜在问题,从而保证生产效率
和产品质量。
时间表
以下是设备保养与维护时间表的建议安排:
注意:以上时间表仅为参考,实际情况应根据设备的使用情况、厂家建议和具体需求进行调整。
结论
制定设备保养与维护时间表可以有效地管理设备的保养和维护工作,确保设备的正常运行和延长设备的寿命。
负责执行该时间表的人员需要定期检查设备,并根据需要进行维护和保养,确保其在最佳状态下运行。
同时,也需定期评估时间表的有效性,并根据实际情况作出相应调整。
2023年设备检修周期计划表一、引言为了保证设备的正常运行和延长使用寿命,合理安排设备的定期检修是非常重要的。
本计划表旨在明确2023年设备检修的周期和安排,以提高设备的运行效率和可靠性。
二、检修周期根据设备的类型、运行情况和制造商的建议,对于大多数设备来说,一年进行一次全面的检修是比较合理的。
因此,本计划将按照每年一次的周期进行设备的检修。
三、检修内容1. 设备清洁和润滑:对设备进行表面清洁和润滑,确保设备正常运转。
2. 设备部件更换:根据设备的使用情况,更换磨损严重的部件,以保证设备的稳定和安全运行。
3. 设备调整和校准:对设备进行调整和校准,确保设备恢复到最佳工作状态。
4. 设备故障排查和修复:检查设备是否存在故障,并进行修复,以保证设备的正常运转。
四、检修计划1. 制定检修计划:在每年初,由设备管理部门制定详细的检修计划,明确检修的时间和内容。
2. 设备分类检修:根据设备的类型和关键程度,将设备进行分类,制定相应的检修计划。
3. 工作分配:根据检修计划,将工作分配给专门的技术人员进行实施。
确保技术人员有足够的时间和资源进行检修工作。
4. 检修报告:每次检修完成后,由技术人员撰写详细的检修报告,包括检修内容、发现问题、修复情况等。
并交由设备管理部门存档备查。
5. 检修记录和资料整理:对每次检修的记录和资料进行整理和归档,以备将来参考和分析。
五、设备监控和维护1. 定期巡检:每月对设备进行一次定期巡检,记录设备的运行情况和工作状态。
2. 故障报警:对设备可能出现的故障进行监控,及时报警并采取相应的措施进行修复。
3. 日常维护:对设备进行日常维护,包括设备清洁、润滑、紧固、调整等,以保证设备的正常运转。
4. 设备健康评估:定期对设备进行健康评估,判断设备的运行状态是否正常,及时进行维护和修复。
六、预算和资源需求1. 预算:根据设备的数量和复杂程度,制定设备检修的预算,并纳入年度预算中。
2. 人员需求:确保有足够的技术人员进行设备的检修工作和维护工作。
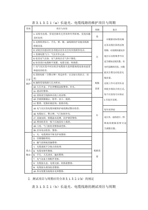
表3.1.3.2.1(a)长途光、电缆线路的维护项目与周期2.测试项目与周期应符合表3.1.3.2.1(b)的规定表3.1.3.2.1(b)长途光、电缆线路的测试项目与周期表3.2.4.3.1DWDM系统维护项目及周期3.2.4.3.2SDH/MSTP系统维护项目及周期应符合表3.2.4.3.2的规定。
表3.2.4.3.2SDH/MSTP系统维护项目及周期3.2.4.3.3接入网OLT设备维护项目及周期应符合表3.2.4.3.3的规定表3.2.4.3.3OLT设备维护项目及周期注:OLT设备一般安装在通信(电务)段或铁通地市分公司机房,如OLT设备维护项目及周期规定与铁通地市分公司安排发生冲突时,双方协商解决。
3.2.4.3.4接入网ONU设备维护项目及周期应符合表3.2.4.3.4的规定表3.2.4.3.4ONU设备维护项目及周期3.3.4.1.2日常维护的项目及周期3.3.4.3 网管系统的维护项目和周期 3.3.4.1.3 定期维护的项目及周期 3.3.4.2.2 数据采集序号 定期维护项目 周期 1 系统口令修改2 节点设备的清洁 每月一次3维护报表统计上报4 日志文档的整理5 系统配置数据备份6 风扇过滤器的清洁7 设备主备关系部件倒换功能检测 8 主、备链路切换试验 每月一次每季一次9清理检查备品备件3.3.4.2 各级网管中心的维护工作3.3.4.2.1 网络维护项目及要求序号 维护项目周期1 各节点状态监测 2网络运行状态监测3 中继电路状态监测4 重要端口状态监测5 网络告警监测 6网络故障申告处理实时3.4.4.3.1(a)调度所数字调度交换机维护测试项目与周期(2)车站数字调度交换机维护测试项目与周期应符合表3.4.4.3.1(b)的要求;3.4.4.3.1(b)车站数字调度交换机维护测试项目与周期(3)调度台、值班台维护测试项目与周期应符合表3.4.4.3.1(c)的要求;3.4.4.3.1(c)调度台、值班台维护测试项目与周期表3.5.5.1(a)会议设备会前检查、试机的内容表3.5.5.1(b)视频会议MCU设备维护测试项目与周期表3.5.5.1(c)视频会议终端设备维护测试项目与周期表3.5.5.1(d)电话会议总机的维护测试项目与周期表3.5.5.1(e)电话会议分机的维修测试项目与周期表3.6.3.2.1电话集中机的维护测试项目与周期整治 2.更换配线3.6.3.2.2自动、共电、磁石电话机的维护测试项目与周期应符合表3.6.3.2.2的规定。
设备维修保养周期附件一部分机电设备通常的中修、大修周期周期设备名称中修周期大修周期生活水泵三年六年消防水泵五年八年风机五年八年电梯三年六年附件二房屋及设施设备管理检查、考评周期所属类别检查项目检查内容周期弱电系统楼宇对讲系统功能检查、测试及检查运行状况、保养情况。
功能检查:对讲通话质量、可视图像质量;防盗报警动作正常、灵敏度适宜;监视图像质量、相互切换、录像及回放;读卡、道闸动作正常;电话通话质量,号码对应关系;巡更读卡、数据读取正常;门禁卡读写、开锁。
保养检查:根据对应的检查保养内容及周期进行检查。
1次/季防盗报警系统1次/季闭路监视系统1次/季停车场管理系统1次/季内部电话系统1次/季保安巡更系统1次/季门禁管理系统1次/季电视、电话、网络1次/年消防系统消防自动报警系统功能检查、测试及检查运行状况、保养情况。
抽查几个回路的报警情况。
报警显示及信号反馈正常,现场设备动作正常;中控室遥控启停及现场启停设备,动作正常,信号反馈正确;模拟动作正常。
保养检查:根据对应的检查保养内容、周期及完好标准进行检查。
1次/季水喷淋灭火系统1次/半年消火栓系统1次/半年七氟丙烷气体灭火系统1次/季送风及防排烟系统1次/半年卷帘门及消防疏散1次/半年消防用具及灭火器材1次/半年消防联动试验1次/年供配电系统发电机及附属设施功能检查、测试及运行状况检查。
自动/手动启停正常,联锁可靠,操作灵活;数据显示正常。
保养检查:根据对应的检查保养内容、周期及完好标准进行检查。
1次/季高、低压变配电设备1次/季双电源切换箱、柜1次/半年动力、照明、电表箱1次/半年各类控制箱、柜1次/半年给排水系统生活给水系统供水正常,功能测试、运行及保养情况检查1次/季排水系统排水畅通,功能测试、运行及保养情况检查1次/半年电梯系统运行状况及维保质量检查;管理情况检查1次/季通风和空调系统功能和参数检查测试、运行及保养情况检查1次/半年房屋本体及公用设施安全性、适用性及养护、修缮情况检查1次/半年设施、设备环境卫生整洁、无杂物、无污染、卫生状况良好1次/季工机具管理工机具台帐清晰、齐全;使用正常,保管妥当;积存物资适量,存放场所符合要求;1次/季综合管理管理到位、维护及时、工作及使用状态良好,人员素质高、责任心强。
设备检测修理周期计划表一、胶带输送机( 精煤皮带,入洗皮带,高架皮带)1、每天检查并更换损坏的皮带卡子、串条、清扫器皮子;电动滚筒的油位,及时添加润滑油;各紧固件是否松动并及时更换转动不灵活或损坏的托辊;皮带波边带的波边和隔板的磨损情况。
变速箱油位和联接皮磨损情况并及时添加和更换。
2 每月检查1次电动滚筒和变速箱油位及联接皮磨损情况并及时添加和更换。
3、每隔半年检查皮带机的电动滚筒,更换磨损严重的零部件,同时测量电机绕组的绝缘情况;更换所有滚筒轴承的润滑脂;更换磨损严重的托辊滚筒;油冷时电动滚筒运转5000小时后,更换一次润滑油。
4、每天检查1次开关是否灵敏可靠,如有不正常快速处理。
二、给煤机1、每天都应检查机件有无脱落或不正常现象,如有不正常快速处理。
2、每隔半年拆检一次电动机,更换润滑油并测绕组绝缘情况。
三、循环泵1、每天的检测修理时间都应检查各零部件是否有松动现象,盘根是否漏水以及检查泵体是否缺油,如有不正常快速处理。
四、跳汰机每天包机负责人观察设备的运转情况,如有不正常及时记录并快速处理,如需停机处理的必须立即停机。
五、压滤机1、每天都应检查设备工作是否正常,滤板、滤布是否有损坏喷料现象,如有不正常快速处理和记录,并至少五天有一次记录。
2、油泵机组每隔半年拆检一次,更换液压油和润滑油及磨损的零部件。
六、高频振动筛1、每天检查筛面材料的损耗情况,依据磨损情况及时更换磨损严重的筛网。
2、每月需检查1次直线筛激振器的轴承是否缺油并及时补充,检查联接皮磨损情况,并及时更换。
3、每隔半年拆检一次电动机,更换润滑油并测绕组绝缘情况。
七、斗子机1、每天检查斗子机运转是否正常及各部件是否有松动和变形现象,如有不正常快速处理。
2、每月检查变速箱油位及轴承是否缺油并及时补充。
九、配电室1、每天需检查配电室个设备是否运转正常,有问题快速处理。
2、每季度检查1次配电室各设备及部件是否有松动及破损现象并快速处理,并及时清理配电室的灰尘等卫生。
物业设施保养工作表为了确保物业设施的正常运行和延长设备使用寿命,制定一套全面的设施保养计划至关重要。
本工作表提供了一个详细的物业设施保养计划,包括各类设施的保养内容、周期、方法和责任人。
一、设施分类1. 建筑结构2. 给排水系统3. 供电系统4. 供暖系统5. 空调通风系统6. 消防系统7. 安防监控系统8. 通信网络系统9. 电梯10. 绿化景观11. 公共设施二、保养内容1. 建筑结构:检查和维护外墙、屋顶、地面、梁柱等结构部件,防止渗漏、开裂和损坏。
2. 给排水系统:检查和疏通管道,定期清理水箱,确保给排水畅通无阻。
3. 供电系统:检查线路、开关、插座等设备,确保电气安全,预防电气火灾。
4. 供暖系统:检查供暖设备,包括锅炉、管道、散热器等,确保供暖效果。
5. 空调通风系统:检查空调设备、通风管道和风口,保持通风和制冷效果。
6. 消防系统:检查消防设备、报警装置和灭火器,确保消防设施正常运行。
7. 安防监控系统:检查监控设备、报警装置和门禁系统,确保安防设施正常运行。
8. 通信网络系统:检查通信设备,包括电话、网络、电视等,确保通信畅通。
9. 电梯:定期检查和维护电梯设备,确保电梯安全运行。
10. 绿化景观:修剪植被、施肥、浇水、除草等,保持绿化景观的美观。
11. 公共设施:检查和维护公共设施,如垃圾桶、座椅、健身器材等,确保公共区域整洁。
三、保养周期和方法1. 建筑结构:每年进行一次全面检查,发现问题及时修复。
2. 给排水系统:每季度进行一次检查和疏通,每年清洗水箱。
3. 供电系统:每月进行一次检查,每年进行一次全面检修。
4. 供暖系统:每年进行一次全面检查,发现问题及时修复。
5. 空调通风系统:每季度进行一次检查,每年进行一次深度清洁。
6. 消防系统:每半年进行一次检查,每年进行一次实战演练。
7. 安防监控系统:每月进行一次检查,每年进行一次设备升级。
8. 通信网络系统:每月进行一次检查,每年进行一次设备升级。
2024年设备检修周期计划表____年设备检修周期计划表设备检修是企业生产和运营过程中必不可少的一环。
通过定期对设备进行检修和维护,可以确保其正常运行,提高生产效率,延长设备的使用寿命,减少故障和事故的发生。
为了合理安排设备检修工作,提高工作效率,制定一份____年设备检修周期计划表,如下所示:1月份:- 机械设备检修:包括生产线上的各种传动装置、传动带、轴承等的检查和更换工作。
- 电气设备检修:对各种电气系统进行维护和检查,包括电机、开关、断路器等。
- 管道设备检修:对各种管道系统进行检查和维护,包括水管、气管、油管等。
2月份:- 仪器设备检修:对各种仪器设备进行校准和维护,确保其准确可靠。
- 真空设备检修:对真空设备进行检查和维护,包括真空泵、真空罐等。
- 通风设备检修:对通风设备进行清洁和维护,确保空气流通畅通。
3月份:- 压力设备检修:对压力设备进行检查和维护,包括压力容器、压力表等。
- 水处理设备检修:对各种水处理设备进行检查和维护,包括水泵、过滤器等。
- 热交换设备检修:对热交换设备进行检查和维护,确保热能传递效果良好。
4月份:- 环境设备检修:对环境设备进行检查和维护,包括除尘设备、气体处理装置等。
- 液压设备检修:对液压设备进行检查和维护,包括液压缸、液压阀等。
- 冷却设备检修:对冷却设备进行检查和维护,确保冷却效果良好。
5月份:- 排放设备检修:对排放设备进行检查和维护,确保废气、废水排放符合环保要求。
- 制冷设备检修:对制冷设备进行检查和维护,包括冷却塔、冷冻机组等。
- 数据采集设备检修:对数据采集设备进行校准和维护,确保数据的准确性。
6月份:- 自动化设备检修:对各种自动化设备进行检查和维护,包括PLC、机器人等。
- 控制设备检修:对各种控制设备进行检查和维护,包括控制阀、传感器等。
- 安全设备检修:对各种安全设备进行检查和维护,确保生产过程安全。
7月份:- 安防设备检修:对安防设备进行检查和维护,包括监控系统、报警器等。
设备检修周期计划表范本一、概述设备检修是保证设备正常运行和延长设备寿命的关键环节。
为了提高设备的可靠性和稳定性,我们制定了设备检修周期计划表,以便合理安排设备检修工作。
本计划将按照设备类型、工作负荷和设备状况进行分组,制定相应的检修周期和计划。
以下是设备检修周期计划表的范本。
二、设备检修周期计划表设备类型:XXX设备1. 设备编号:000001检修周期:每半年进行一次检修检修计划:- 清洁设备外表和内部组件,检查设备的密封性和连接情况,确保设备无渗漏和松动现象;- 检查设备的电气连接和线路是否正常,修复或更换损坏的线路、插座等;- 检查设备的传动系统是否正常,润滑链条、轴承等运动部件;- 检查设备的冷却系统和散热器,清理堵塞和积尘,确保设备的散热效果良好;- 检查设备的传感器和控制系统,确保设备的自动化控制功能正常;- 对设备进行标定和调整,确保设备的测量和运行参数符合要求;- 检查设备的安全防护装置和报警系统,确保设备的安全运行。
2. 设备编号:000002检修周期:每年进行一次检修检修计划:- 清洁设备外表和内部组件,检查设备的密封性和连接情况,确保设备无渗漏和松动现象;- 检查设备的电气连接和线路是否正常,修复或更换损坏的线路、插座等;- 检查设备的传动系统是否正常,润滑链条、轴承等运动部件;- 检查设备的冷却系统和散热器,清理堵塞和积尘,确保设备的散热效果良好;- 检查设备的传感器和控制系统,确保设备的自动化控制功能正常;- 对设备进行标定和调整,确保设备的测量和运行参数符合要求;- 检查设备的安全防护装置和报警系统,确保设备的安全运行。
3. 设备编号:000003检修周期:每三个月进行一次检修检修计划:- 清洁设备外表和内部组件,检查设备的密封性和连接情况,确保设备无渗漏和松动现象;- 检查设备的电气连接和线路是否正常,修复或更换损坏的线路、插座等;- 检查设备的传动系统是否正常,润滑链条、轴承等运动部件;- 检查设备的冷却系统和散热器,清理堵塞和积尘,确保设备的散热效果良好;- 检查设备的传感器和控制系统,确保设备的自动化控制功能正常;- 对设备进行标定和调整,确保设备的测量和运行参数符合要求;- 检查设备的安全防护装置和报警系统,确保设备的安全运行。
分类序号检查、检验项目一井下机电设备1雨季前必须对防治水工作进行全面检查2雨季前水泵、管路、闸阀、排水的配电设备和输电线路全面检修3全部工作水泵和备用水泵进行联合排水试验4雨季前水仓、沉淀池和水沟中的淤泥清理5DW型馈电开关的拉力弹簧进行校验或更换6普通胶带机接头检查7普通胶带机接头测试8强力胶带机接头监测(无损探伤仪)9井下局部扇风机升井检查10井下检漏保护装置升井全面检修11胶带机随机保护试验12井下水泵各种压力仪表校验13移动式空压机油过滤器清洗二井下供电系统1使用中的防爆电气设备的防爆性能检查2配电系统继电保护装置检查整定试验3高压电缆的泄漏和耐压试验4主要电气设备绝缘电阻的检查5固定敷设电缆的绝缘和外部检查6移动式电气设备的橡套电缆绝缘检查7接地电网接地电阻值的测定8新安装的电气设备绝缘电阻和接地电阻的测定9低压检漏保护装置的跳闸试验10煤(岩)电钻综合保护的试验11照明信号综合保护装置的试验12具有选择性功能的检漏保护装置的试验13运行中的检漏保护装置的远方人工漏电跳闸试验14未镀锌的铠装电缆的钢带或钢丝的防腐处理15防护用具包括绝缘靴、手套、验电笔及绝缘垫的耐压试验16风机自动倒台就地试验17风机自动倒台的联合试验(从变电所直接停电试验) 18局部扇风机风电闭锁的试验19瓦斯电闭锁的试验20井下电气设备的各种仪表的检查、校验(电压表、电流表、毫安表、温度表、电度表等)21电气设备干燥剂的更换22电气设备干燥剂的检查23井下高压电气设备的漏电试验24各队电气设备的全面检查三大型固定设备1风机倒换、检查2反风设施检查3防爆门检查4反风演习5各种仪表6关键部位探伤7风机技术性能测试1提升装置、提升绞车的各部分和控制设备以及各种保护和闭锁装置等检查2副井防坠器制动绳、缓冲绳检查3制动油泵、润滑泵倒换4液压自动补偿系统5钢丝绳涂油 6安全保护组织有关人员检查通风系统15GKJ1.6*1.2绞车液压站换油16SDJ-28T绞车减速器换油17SDJ-14T绞车减速器换油18JH-14T绞车窝轮箱换油19SQ-1200无极绳绞车减速器换油20架空人车减速器换油21JD-40绞车传动部位换油22液压绞车23车载式甲烷报警断电仪应进行零点、报警点、断电点的校验五仪器仪表1 游标卡尺 千分尺 深(高)度尺 角度尺 百分表等通用量具2经纬仪 水准仪 平板仪 钢卷尺等地测用量具3轨距尺 水平尺皮尺 钢卷尺 钢板尺等通用量具1台秤 案秤2天平 砝码3压力表(安全用)4氧气表 乙炔表5核子秤长度6水表7蒸汽流量计8加油机9温度表(锅炉、压风机用)10玻璃温度计(指示用)11压力表(指示用)12糖量计13比重计1有功电度表(外供)2有功电度表(内用)3单相电度表(民用)4电压表 电流表 (指示用)5万用表 钳形表 兆欧表6温度控制仪 热电偶1便携仪 光学瓦检仪 甲烷传感器 测尘仪2风表3秒表(测风用)医学1医用X射线诊断机 半自动生化仪 B超 心电图 心电监护仪 尿液分析仪 血压计通风力学电学A类:强检 B类:非强检检查、检验周期执行标准备注每年一次《规程》253每年一次《规程》281每年一次《规程》281每年一次《规程》281每半年一次《机电管理制度》98每两天一次《井下胶带输送机管理制度》29每周一次《井下胶带输送机管理制度》29每周一次(新接头) 每月一次(旧接头)《井下胶带输送机管理制度》30每半年一次矿《管理制度》56每年一次矿《管理制度》56每班一次每半年一次每周一次一次/月<<规程>>第490条每日应由分片负责电工检查一次外部一次/半年<<规程>>第490条负荷变化时应及时整定一次/年<<规程>>第490条一次/半年<<规程>>第490条一次/季<<规程>>第490条每周应由专责电工检查一次外部和悬挂情况一次/月<<规程>>第490条每班由当班司机或专责电工检查一次外皮,有无破损。