118制药用水取样操作规程
- 格式:pdf
- 大小:105.13 KB
- 文档页数:4
目的:建立制药用水质量管理规程。
范围:制药用水质量的管理。
责任者:质量管理部对本规程的实施负责.内容:1 制药用水分类1.1 生活饮用水为自来水(本公司为深井水),其水质必须符合“饮用水质量标准”(QS-PW—001-00).1.2 纯化水是将生活饮用水经二级反渗透处理制成的水,其水质必须符合“纯化水质量标准”(QS—PW-002-00)。
2 制药用水管理2。
1 生产管理部制订制水和输水等设备的使用、维护、保养等标准操作规程,以保证供水质量。
2.2 生产管理部画出供水管网图,内容包括管线、阀门、通气点、排水点、使用点、管斜度、检测仪表、取样点、清洁点。
2。
3 生产管理部制订饮用水、纯化水制备标准操作规程。
2.4 生产管理部根据水管网络图编订清洁规程,内容包括:放水、排净、消毒、清洁等方法、使用工具、消毒和清洁剂、清洁频次、地点、时间,并遵照执行。
3 水系统监控3。
1 取样点各使用点出水口、纯化水贮罐进水口、总送水口、总回水口。
3.2 公司具备理化检验室,对必要理化检验项目按规定频次进行快速检测.检测合格方可供水,否则不得供水。
3.3 质量管理部要定期对制药用水进行全项检验,发放检验报告单。
如发现不合格,通知生产管理部立即整改,查找原因、制定预防和纠正措施,保证整改后检查合格。
3。
4 取样时间和检测频次。
3.4.1 饮用水由企业委托防疫站每年进行一次全项检验。
3。
4.2 纯化水制备岗位操作人员每隔两小时对贮罐的进水口、总送水口、总回水口检测一次电导率、酸碱度等。
质量管理部每周全项检测1次,填写纯化水检验记录、纯化水检验报告单。
3.4。
3 对洁净区各纯化水使用点出水口,质量管理部可轮流取样,但需保证上述各取样点每月至少全项检验1次。
3。
4.4 新安装制水设备投入供水前,连续制水,由质量管理部连续三周取样检测。
3。
4.5 节假日或生产使用停工一段时间后,再开工前取样检测。
3.4.6 发生异常情况或不合格,增加监控频次或缩短取样时间。
纯化水的日常监控在线监测及取样操作规程纯化水是一种高纯度的水,广泛应用于实验室、医院、制药工业、微电子工业等领域。
为了确保纯化水的质量,日常监控、在线监测及取样操作规程非常重要。
下面是一份关于纯化水日常监控、在线监测及取样操作规程的例子,供参考:1.监控设备:纯化水系统的监控设备包括:纯化水质量监测仪器、在线监测仪器、取样设备。
2.日常监控:2.1定期检查纯化水质量监测仪器的状态,确保其正常工作。
2.2每班次开始前,检查在线监测仪器的状态,确保其正常工作。
2.3每日对纯化水系统进行全面检查,包括:水箱水位、水流量、溶解氧、电导率、溶质残留等指标的检查,以确保系统正常运行。
2.4定期对纯化水系统进行清洗和消毒,清除污垢和杂质。
3.在线监测:3.1将在线监测仪器连接至纯化水系统的适当位置。
3.2在监测仪器上设置监测参数,包括:水流量、电导率、溶解氧等指标。
3.3监测仪器应保持正常工作状态,出现故障要及时修复或更换。
3.4监测仪器采集到的数据应及时传输至监控中心,并进行数据分析和处理。
4.取样操作:4.1取样时,应戴好手套,确保操作的卫生。
4.2取样前,应用纯净水冲洗取样瓶,避免污染样品。
4.3取样点应选取系统最后一个纯化处理单元的出水口。
4.4取样时,应保持样品流动稳定,避免气泡进入样品。
4.5取样瓶应密封,并标明取样时间和地点。
4.6取样完成后,将样品送至实验室进行分析。
5.异常处理:5.1当纯化水质量监测仪器或在线监测仪器显示异常数值时,应立即检查并排除故障。
5.2当纯化水系统水质指标超出标准范围时,应立即采取调整和处理措施。
5.3当取样操作不符合规程或样品受到污染时,应重新取样并妥善处理。
以上是关于纯化水的日常监控、在线监测及取样操作规程的简要描述。
实际操作应根据具体的纯化水系统和监测设备进行调整和完善。
保证纯化水的质量对于各个应用领域都非常重要,遵守规程并定期检查和维护设备是确保纯化水质量的关键。
依据:《GMP》与药品生产质量操作的要求
目的:阐述水提取的有关操作和中间控制方面的规则及注意事项
范围:适用于水提取的操作
1检查
1.1.1 工作区域已清洁,且不存在任何与操作无关的物料残留品及文件,有清场
合格证。
1.1.2 有设备完好证,泵运行正常。
1.1.3 有批生产指令。
1.2 准备好一定数量的批记录和足够数量的状态标志。
1.3 关闭提取罐上所有阀门。
1.4 悬挂状态标志。
2、操作
2.1 将渗漉后的药渣投入提取罐与蒸馏后的药渣合并。
2.2 加工艺规定量饮用水。
2.3 开启蒸汽阀门,加热蒸汽压力≤0.25MPa,锅内压力≤0.02MPa。
2.4 自沸腾算起,煎煮2小时开启放料阀,放提取液于贮罐中,水提三次,水提
时间分别是2小时、2小时、2小时。
3、中间控制
3.1 根据生产指令检查水提液的数量与颜色。
3.2 填写批生产记录和半成品交接单,并签名。
3.3 填写状态标志,注明名称、数量、批号、日期、操作人。
4、文件
4.1 检查批生产记录上水提的各项是否填写正确。
4.2 任何的偏差,都要在批生产记录上注明并解释。
5、水提取后的工作
5.1 排放药渣,用饮用水冲洗提取罐。
5.2 收集用过的状态标志。
5.3 打扫工作区域卫生。
5.4 拆除并清洗胶管。
5.5 悬挂新状态标志。
水质取样岗位操作规程
为规范水质取样化验工作程序,加强水质取样平安生产工作,特制定本规程。
1、仔细接受平安生产教育和培训,仔细学习和严格遵守各项规章制度、劳动纪律,不违章作业.
2、对本岗位的平安生产负责,并劝阻、制止他人违章作业。
3、在开展本职工作时,细心操作,做好各项记录。
4、正确分析、推断和处理各种事故苗头,把事故毁灭在萌芽状态。
发生事故要坚决正确处理,准时照实地向上级报告,严格爱护现场,做好具体记录。
5、作业前仔细做好平安检查工作,发觉特别状况准时处理和报告。
6、加强设备维护,保持作业现场干净,搞好文明生产。
7、上岗必需按规定着装,妥当保管、正确使用各种防护用品和消防器材。
8、乐观参与各种平安活动。
9、有权拒绝违章作业的指令。
10、严格执行采样技术规定,保证在规定的采样点采样,确保采样质量。
11、负责采样容器清洗,保证样品不受沾污。
12、仔细填写采样记录,样品采回后准时交检验样品的处置员。
13、保守采样质量掌握措施的隐秘,保证采样质控工作有效性。
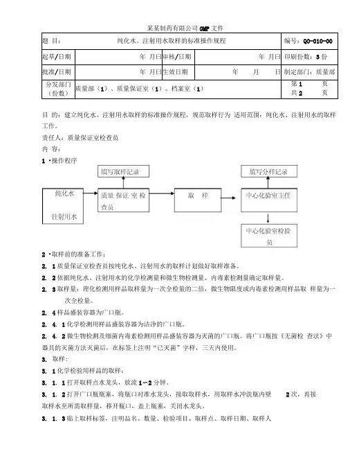
某某制药有限公司GMP文件目的:建立纯化水、注射用水取样的标准操作规程,规范取样行为适用范围:纯化水、注射用水的取样工作。
责任人:质量保证室检查员内容:1 •操作程序2 •取样前的准备工作:2.1质量保证室检查员按纯化水、注射用水的取样计划做好取样准备。
2.2依据纯化水、注射用水的化学检测量和微生物检测量、内毒素检测量确定取样量。
2.3取样量:理化检测用样品取样量为一次全检量的二倍,微生物限度或内毒素检测用样品取样量为一次全检量。
2.4样品盛装容器为广口瓶。
2.4. 1化学检测用样品盛装容器为洁净的广口瓶。
2.4. 2微生物检测及细菌内毒素检测用样品盛装容器为灭菌的广口瓶。
将广口瓶按《无菌检查法》中器具的灭菌方法灭菌后,在标签上注明“已灭菌”字样,三天内使用。
3.取样:3.1化学检验用样品的取样:3.1. 1打开取样点水龙头,放流1〜2分钟。
3.1. 2打开广口瓶瓶塞,将瓶口对准水龙头,接取取样水,用取样水冲洗瓶内壁2次,再接取样水至所需取样量,移开瓶口,盖上瓶塞,关闭水龙头。
3.1. 3贴上取样标签,注明品名、数量、检验项目、取样点、取样日期、取样人3.2微生物检验及细菌内毒素检验用样品的取样:3. 2. 1打开取样点水龙头,放流1〜2分钟。
3. 2. 2撕掉牛皮纸,拿出已灭菌的广口瓶,打开瓶塞(注意不要污染瓶口和瓶塞),将瓶口对准水流(注意不要将瓶口接触到水龙头),接取样水至所需取样量,移开瓶口,立即盖上瓶塞,关闭水龙头。
3.2. 3贴上取样标签,注明品名、数量、检验项目、取样点、取样日期、取样人。
4.取样结束后填写“取样记录”。
5.将所取样品与中心化验室主任按《取样与送样管理规程》办理交接手续。
医药制药用水设备安全操作及保养规程为了确保医药制药企业水质符合标准,得到客户的信任,以及维护企业的利益,对于医药制药用水设备的安全操作及保养非常重要。
本文将详细介绍医药制药用水设备的安全操作规程和保养规程。
一、安全操作规程1.操作前的准备在操作设备前,必须了解设备的工作原理、结构、性能、参数和使用方法,熟悉设备的控制面板、接线端子等,检查设备的周围环境是否有危险品、易燃易爆物品等。
2.正确接线要接好电源、接地线,确认接线正确无误,以免出现漏电、短路、电压不足等故障。
3.设备开机前的准备在开机前,要将水管接好,确认水源不受污染。
同时,检查设备内部是否有杂质、异物,必要时可以清理,避免设备故障。
4.操作规程操作设备时,应按照使用说明书上的操作要求进行,避免不当操作引起故障。
在操作中发现问题应及时停止操作,进行排除故障。
操作人员应该经过岗位培训,熟练掌握设备的操作流程和规程。
5.事故及电器设备损坏的应急处理方法对于设备损坏,应立即停止使用,并启动相应的应急处理程序。
对于设备故障,应确保人员安全,然后进行排除故障工作。
6.设备维护对于设备的维护工作,应按照设备说明书上的规定进行,定期进行保养维护工作,避免设备出现故障。
二、保养规程1.设备清洗设备每个使用周期结束后,应该进行清洗工作。
对于容易产生藻类、细菌的设备,应该采用专门的清洗液进行清洗。
2.定期检查定期检查设备的工作状况,特别是设备的水质状况。
如果发现水质有问题,应及时清洗和更换设备滤芯。
3.更换设备滤芯设备滤芯是设备的核心部件,定期更换滤芯是保障设备水质合格的关键。
滤芯的更换周期应该按照设备说明书要求进行。
4.消毒对于易产生藻类、细菌的设备,应该定期进行消毒。
消毒前,应该清理设备内部杂质,并根据消毒液说明书要求进行消毒。
5.环境检查设备周边环境也需要进行检查,确保环境整洁、干燥、不受外界污染。
对于产生大量水蒸气的设备,要保持设备周边空气流通。
总结以上是医药制药用水设备安全操作及保养规程的详细介绍。
制药用水总有机碳测定操作规程一、实验目的二、实验原理制药用水总有机碳测定依据无机碳和有机碳在酸性条件下的氧化特性。
将样品与硫酸相混合,生成无机碳酸和有机碳酸。
通过加热和高温燃烧,将有机碳氧化成CO2,后者进一步与高浓度碱溶液反应生成K2CO3,利用该溶液的浓度改变,测定药用水中的总有机碳含量。
三、实验仪器和试剂1.仪器:总有机碳分析仪2.试剂:硫酸(H2SO4)、高浓度碱溶液四、操作步骤1.将药用水样品取10mL放入容量瓶中,记为A;2.往容量瓶中加入10mL的硫酸(H2SO4),记为B;3.使用橡胶塞将容量瓶密封,轻轻倾斜摇晃几次,让样品和硫酸充分混合;4.用注射器,将混合液吸取1mL放入总有机碳分析仪样品装置中;5.分析仪开始工作,记录测量结果;6.根据测量结果计算药用水中的总有机碳含量。
五、注意事项1.在进行实验前,确保所用仪器已经经过校准和维护,以保证测试结果的准确性。
2.使用硫酸时要注意防止与皮肤接触,避免弄伤。
3.在操作过程中,要保持环境干燥和洁净,以避免外来物质对测试结果的影响。
4.对于结果超出合理范围的样品,可以进行重复测试,确保结果的可靠性。
六、结果分析根据测定得到的总有机碳含量,与国家或行业标准进行对比,判断药用水的质量是否符合要求。
如果超出限定范围,应及时进行处理和调整。
七、实验安全1.实验操作过程中应严格遵守实验室安全规定,戴好防护手套和眼镜。
2.对于有害药物的水样,应加倍注意安全,避免直接接触。
3.实验结束后,将废液和废弃试剂按规定处理,避免对环境造成污染。
水系统的取样管理程序Management Procedure for Water System Sampling部门:Department 签字/日期:Signature/Date起草人:Prepared by 审核人:Reviewed by 审核人:Reviewed by 审核人:Reviewed by 批准人:Approved by1 目的建立公司水系统岗位的取样管理程序,以保证***药业水系统的监控符合规范。
2 适用范围***药业车间纯化水系统、注射用水系统、生活饮用水、去离子水、纯蒸汽的取样管理。
3 定义和术语N/A4 责任QC生物检测人员负责取样器具的准备及部分水点的取样,车间指定人员负责本系统的取样。
5 EHS要求N/A6 程序6.1 取样用具微生物检查用:500 ml三角烧瓶、250ml三角烧瓶、10ml试管、硅氟胶塞、灭菌备用。
化学检查用:500ml具塞三角烧瓶、100ml具塞三角烧瓶。
细菌内毒素检查用:去除热原的小试管。
其它:记号笔、标签。
标记或贴签:取样前,将瓶子作上标记或贴上标签,标明日期和取样点名称。
6.2 取样人员:取样人员由生物检测人员,车间指定人员组成,职责见上,所有人员需经受取样操作培训。
6.3 水的监测6.3.1 纯化水和注射用水的监测6.3.1.1取样取样点的确定,由各车间根据纯化水、注射用水生产系统及使用点的情况确定。
取样根据取样计划进行,取样操作应具有代表性,与生产使用时的水一致,取样时应先取化学测试水样,再取微生物水样和内毒素水样。
根据取样计划制定详细的月度计划,并在计划完成后签名作为取样记录保存。
取样用玻璃仪器的准备:用于化学检查的具塞三角烧瓶事先须清洗干净并晾干,用于微生物检测的取样瓶必须按微生物检测要求经灭菌处理(将洗净的三角烧瓶塞上清洁硅胶塞,再用牛皮纸捆好,在蒸汽压力0.1Mpa,温度121℃下灭菌15min取出)后才能使用,内毒素测定用取样试管须事先进行干热去热原后使用。
1. 目的:建立生产用水的取样检测操作规范
2. 范围:生产用水的取样检测岗位
3. 职责:生产用水的取样检测岗位工作人员对本程序负责
4. 内容:
4.1 生产用水的取样操作规范
4.1.1 生产用水检测(送外检测)的取样操作规范
打开取水阀门,先将管道中的积水放出(大概需要5分钟),之后打开无菌瓶的瓶盖取水,直至取水完成,再快速旋紧瓶盖。
整个过程中取水阀门不关闭。
此种取样由送外的检测机构实施。
4.1.2 生产用水检测(公司检测)的取样操作规范
打开取水阀门,先将管道中的积水放出(大概需要5分钟),之后用水将干净的容器涮洗一次,将水倒净,之后再取水即可。
此种取样由公司检验人员实施。
4.2 生产用水的检测操作规范
4.2.1 生产用水检测(送外检测)的操作规范
检测项目:理化指标、微生物指标
检测频率:6个月进行一次
检测机构:有检验资质的国家机构
检测依据:GB/T 5750-2006 《生活饮用水标准检验方法》
4.2.2 生产用水检测(公司检测)的操作规范
检测项目:pH值,电导率
检测频率:一周进行两次
检测机构:公司实验室
检测依据:pH值:6.5—8.5
电导率:≤2us/cm。
PW(纯化水)、WFI(注射用水)取样步骤1.写好标签(取样房间、批号、使用点、检测项目、取样体积、取样人、取样日期。
)2.准备好各种盛样品具皿。
每一个位点盛样品具皿装在同一个密封袋里,贴上写好的标签,所有位点的密封袋都放入塑料箱里。
准备足够数量的硅胶管、手套、口罩、及一瓶合适的消毒剂,也全部放入塑料箱。
还要准备一套备用取样具皿、标签,放入同一密封袋里,再将密封袋放入塑料箱。
(微生物取样瓶要盖上盖子,并拧紧,同时保证不弄破密封透气袋,保证密封透气袋内的无菌环境不破坏)3.到达取样点位置,先戴好口罩,再套好手套,才可以开始正式的取样操作。
4.用消毒剂喷水龙头内表面、外表面、水阀开关手把。
(长期才取一次样的位点要先用水龙的水清洗一下,除去灰尘。
)5.把硅胶管套在水龙头上,开始放水平5分钟。
用手指抹去悬挂在水阀开关手把或其它位置上的消毒剂液滴。
(这些消毒剂液滴掉入取样瓶会造成TOC、微生物、内毒素、不挥发物超标。
PEL位点要用硅胶管,HV位点不用,XV 位点的硅胶管还要有不锈钢套圈)。
6.时间一到,关掉水源,顺时针旋转拔去硅胶管(逆时针可能会把水龙头拧脱落),打开水源。
检查水龙头上的消毒剂有没有挥发完?如果没有,就等消毒剂挥发完后再取样,否则TOC容易超标。
如果消毒剂挥发完了,马上开始取样。
7.按顺序取样:微生物、内毒素、理化、TOC、不挥发物。
微生物、内毒素开瓶直接取样,理化、TOC、不挥发物的取样瓶要先用样水冲洗三次,然后才可以取样。
理化瓶要装满(检测项目多),其它取样瓶不用装满。
取完样马上关闭水龙头。
记录开始取样和结束取样的时间,并把结束取样的时间写在标签上。
一个位点一个密封袋,不要弄乱。
8.填写好该位点的送检表,折叠好并放入该位点的密封袋里。
9.把所有取样位点的样品放回塑料箱,整理好。
10.每个位点取完样后都要进行清场检查,特别是技术夹层,水龙头有没有关死很重要,因为技术夹层到处是电线,特别要注意安全。
目的:本程序《中国药典》2010年版一部、《药品生产质量管理规范》(2010修订版)规定了工艺用水取样标准操作规程。
范围:本程序适用于工艺用水的取样操作。
职责:质量管理部、生产部
内容:
1用具
1.175%酒精棉球。
1.2镊子。
1.3清洁的塑料袋、具塞玻璃瓶。
1.4取样记录、取样证。
2取样要求
2.1工艺用水必须每周取样检验一次。
2.2取样员取样前准备好取样工具(盛工艺用水的具塞玻璃瓶)及75%酒精棉球。
2.3取样前必须将取样口进行消毒。
3取样方法
3.1取样时应先将采样口的封口罩(洁净封口袋)取下。
3.2持镊子用75%酒精棉球由采样口向周围环行消毒,消毒两次。
3.3开起采样口阀门,使工艺用水从出水口中缓缓流出,弃去流出的工艺用水,持续2~3分钟后再进行采样。
3.4将工艺用水盛入盛样容器内后立即密封容器口。
3.5关闭采样口阀门并将洁净封口袋套至采样口上。
1。
工艺用水取样SOl洁净三角烧瓶500ml洁净具塞三角烧瓶250ml洁净盐水瓶瓶口用牛皮纸包裹,灭菌,24小时内使用25ml除内毒素磨口瓶或无内毒素一次性试管〔15ml〕备用酒精灯、打火机或消毒棉球、镊子等纯化水、注射用水取样具体操作带上述适宜器具到取样地点,先用酒精火焰灼烧管口或用消毒棉球擦试管口周围消毒。
然后完全翻开取样点阀门,以最大流速排水1分钟后取样。
翻开25ml除内毒素磨口瓶或无内毒素一次性试管,快速在取水点取纯化水、注射用水约10ml,后盖好磨口瓶盖或扭紧试管塞子,用于内毒素检查。
拆去250ml盐水瓶上的牛皮纸,开塞后快速在取水点取水约22021注射用水、约100ml纯化水、约100ml〔饮用水〕后塞上塞子,用于微生物限度检查。
5.2.4 用1000ml三角烧瓶取纯化水、注射用水约1000ml,饮用水500ml,然后用封口膜封。
作理化检查用;用500ml洁净具塞三角瓶开塞后,快速在取水点取纯化水约500ml、注射用水500ml,后塞上塞子,用于总有机碳、电导率的测定。
5.2.5 每次取样后,在取样瓶外应贴上标签,内容包括品名、取样地点、编号、时间、取样人。
5.2.6 在同一水源,同一个时间采取几个水样时,用于微生物检验的水样应防止采样点被污染。
5.2.7 从取样到检验不应超过2小时。
条件不允许立即检验时,应冷藏保存,但不能超过6小时。
饮用水的取样操作:取样之前完全翻开取样点阀门,以最大流速排水1分钟后再进行取样;取样方法同中的纯化水取样操作。
取样点与检查频率5.4.1日常监控取样点和检查频率见下表:生产停止期间,如输送泵保持运转,整个输送系统保持循环,纯化水制备系统保证每天早晚各运行一次,每次30分钟。
按规定定期清洗消毒、灭菌,QC于生产前5天对贮罐、总出水口和总回水口取样全检1次。
3 假设预计长时间停产,输送泵停止运行〔制水正常运行〕,那么纯化水制备系统间断自动运行〔每天至少运行一小时〕。
注水取样操作规程注水取样是一项常用于环境监测、水质检测及科研实验中的操作技术。
它的目的是通过采集水样来研究水体特性、分析其中的物质成分,并判断水体的质量和环境状况。
为了保证取样的可靠性和准确性,有必要制定一套规范的操作规程。
下面是一份符合标准要求的注水取样操作规程,供参考:一、安全措施1. 在进行任何实验操作之前,必须穿戴适当的实验服和防护眼镜,确保安全。
2. 在进行取样操作时,应将容器放在稳固的实验台上,以防止意外倾倒。
3. 需要操作至其他装置或设备时,务必确保它们已经处于关闭状态,以免造成意外溢流和水体污染。
二、设备准备1. 准备所需的取样容器,选择符合标准要求的玻璃或塑料容器,确保其无污染。
2. 检查取样容器的密封性能,以确保在取样过程中不会发生泄漏。
3. 准备合适的采样器具,如取样瓢、取样管等,确保其清洁无异物。
三、样品采集1. 根据采样点的位置和水体质量要求,选择合适的采样器具。
2. 将采样器具完全浸入水中,以保证取样的真实性和代表性。
3. 快速取样,避免样品暴露在空气中过久,以防止样品中的溶解氧流失。
4. 根据需要,采集充分的样品重复测定,以提高抽样的准确性。
四、样品处理1. 使用干净无异物的漏斗和滤纸将水样过滤,去除其中的固体颗粒。
2. 如有需要,对固体样品进行干燥或其他预处理,以便进行后续分析测试。
五、标签和保存1. 在取样瓶或容器上附上标签,标明采样的地点、日期和时间等必要信息。
2. 将样品保存在符合标准要求的环境中,避免阳光直射和污染。
3. 如无法立即进行分析测试,应在保存过程中保持样品的稳定性和代表性。
六、清洗和回收1. 取样器具必须在取样后立即进行清洗,避免产生交叉污染和样品残留。
2. 在清洗过程中,使用清洁剂或酒精对器具进行消毒,确保其完全无残留物。
七、记录和分析1. 对每个采样点的操作过程和结果进行全面、准确的记录,包括样品编号、取样时间、采样地点、采样深度等信息。
2. 对样品进行及时的分析测试,在实验室中按照标准方法进行样品分析。
SOP-04-17-0001-00制药用水取样SOP1.适用范围:1.1 本标准规定了血液制剂室制药用水取样的操作方法和程序。
1.2 本标准适用于血液制剂室制药用水的取样。
2. 职责:2.1 岗位操作人员:2.1.1负责本标准的实施负责起草、修订和培训。
2.1.2 负责本标准实施中的具体操作。
2.2 小组质量员:2.2.1 负责本标准实施的过程监控。
2.2.2 负责开工前检查、以及操作结束后清场的结果复核。
2.3 组长:负责本标准的执行负责监督检查。
2.4 科室主任:对本标准的实施进行审核。
2.5 QA:对本标准的实施进行审核和监控。
2.6 生产技术部经理和质量保证部经理:对本标准的实施进行审核和批准。
3.材料:N/A4.内容:4.1 工作流程4.1.1 纯化水和注射用水取样流程:(制水间、使用点)取样→送指定位置集中收样→送样(质量控制室:原材料检定组、微生物限度实验室)。
4.1.2 车间各取样点由取样人员按照取样SOP进行取样。
4.1.3 车间各取样点的样品在规定的时间统一送至相应制水间,与专门送检人员进行交接并填写制药用水交接记录。
4.1.4 由专门送检人员在各制水间统一收样送至原材料检定组检定理化指标(含pH、电导率、细菌内毒素、TOC)和微生物限度实验室检定微生物限度,填写送检原材料工作书和原辅料收送样记录。
4.1.5 由专门送检人员在送样的同时收集上次检验完毕后的送样容器,按照本程序的规定进行清洗后灭菌处理,然后分发至各制水间,取样人员在规定时间领取取样容器。
4.1.6 纯蒸汽取样流程:按照纯化水和注射用水取样程序进行取样,按照注射用水标准进行检测,注意取样过程中防止烫伤。
4.2 取样容器:4.2.1 应使用专门的容器具进行取样处理,不得与其它用途的容器混用。
4.2.2 两种类型的取样容器中,理化样容器500ml,微生物限度样容器500ml。
4.2.3 取样物品准备:根据取样点数目、所送样品数量准备足够的取样容器,避免因玻璃破损等意外情况造成取样物品不足。
十四、取水样操作规程
一、准备材料:
棉纱若干、标签,记录笔,取样瓶,清洗盆和护目镜。
二、风险提示:
气体中毒、机械伤害
三、操作步骤:
现场流体泄漏,第一时间切断来源,视泄漏情况大小,如自行可处理及时进行处理,处理不了及时上报,泄漏现场无法控制,操作人员应佩戴正压式呼吸器进行现场处置,将液相流程倒入旁通流程,对泄漏点进行处理。
五、注意事项:
1.现场所有人员熟悉工艺流程、操作规程、逃生路线(现场确定);
2.操作人员必须经过培训,具有上岗操作证、压力容器操作证,并经过能力
评估合格具备突发情况的处理能力;
3.人员站在上风口,严防油气中毒;
4.操作过程中人员站在阀门侧边、缓慢操作。
球阀、闸板阀需保持在全开或
全关状态。
药厂取水流程下载温馨提示:该文档是我店铺精心编制而成,希望大家下载以后,能够帮助大家解决实际的问题。
文档下载后可定制随意修改,请根据实际需要进行相应的调整和使用,谢谢!并且,本店铺为大家提供各种各样类型的实用资料,如教育随笔、日记赏析、句子摘抄、古诗大全、经典美文、话题作文、工作总结、词语解析、文案摘录、其他资料等等,如想了解不同资料格式和写法,敬请关注!Download tips: This document is carefully compiled by the editor. I hope that after you download them, they can help yousolve practical problems. The document can be customized and modified after downloading, please adjust and use it according to actual needs, thank you!In addition, our shop provides you with various types of practical materials, such as educational essays, diary appreciation, sentence excerpts, ancient poems, classic articles, topic composition, work summary, word parsing, copy excerpts,other materials and so on, want to know different data formats and writing methods, please pay attention!药厂取水流程,作为药厂生产中的重要环节,直接关系到药品生产质量和环境保护。