调幅收音机实训教程
- 格式:ppt
- 大小:3.25 MB
- 文档页数:89
调幅收音机的安装与调试实训指导一、装焊工艺1、目的:通过对收音机的安装、焊接及调试,了解电子产品的装配过程;掌握元器件的识别及质量检验;学习整机的装配工艺;学习整机调试和测试;学习收音机故障检查和维修。
2、要求:(1)对照原理图看懂印制电路图和接线图。
(2)了解图上的符号,并与实物对照。
(3)根据技术指标测试各元器件的主要参数。
(4)认真细心地安装焊接。
(5)认真检查电路进行调试与测试。
3、步骤:(1)按材料清单(见表4-5)清点全套零件,并保管好元件。
(2)用万用表检测元器件(见表4-1和表4-2)。
若元件有损坏,及时注明和更换。
注意:V5,V6的hFE (放大倍数)相差应不大于20%。
(3)对元器件引线或引脚进行上锡处理,注意上锡层未氧化(可焊性好)时可以不再处理。
(4)检查印制板(见表4-6)的铜箔线条是否完好,有无断线及短路,特别注意边缘,见(图4-1)。
注意:①为防止变压器原边与副边之间短路,请测量变压器原边与副边之间的电阻。
②若输入、输出变压器用颜色不好区分,可通过测量线圈内阻来区分。
(5)安装元器件元器件安装质量及顺序直接影响整机质量与成功率,合理的安装需要思考及经验。
(表4-3)所示安装顺序及要点是实践证明较好的一种安装方法。
注意: 所有元器件高度不得高于中周的高度。
二、检测与调试1、目的: 通过对收音机的通电检测调试,了解一般电子产品的生产调试过程,初步学习调试电子产品的方法,培养检测能力及一丝不苟的科学作风。
2、步骤:见(图4-5)收音机调试程序示意图。
(1)、检测①通电前的准备:a:自检,互检,使得焊接及印制板质量达到要求,特别注意各电阻阻值是否与图纸相同,各三极管,二极管是否有极性焊错,位置装错以及电路板线条断线或短路,焊接时有无焊锡造成电路短路现象。
b:接入电源前必须检查电源有无输出电压(3V)和引出线正负极是否正确。
②初测:接入电源(注意+、-极性),将频率盘拨到530KHz无台区,在收音机开关不打开的情况下首先测量整机静态工作总电流“Io”,测量方法参见(图4-3),然后将收音机开关打开,分别测量三极管T1~T6的E、B、C三个电极对地的电压值(也叫静态工作点),测量时注意防止表笔要测量的点与其相邻点短接。
课题一调频调幅收音的安装与调试实习要点及训练目标:1.掌握调频收音机的原理2.了解CXA119M集成块工作原理3.掌握收音机安装与调试方法复习与提问1.调幅收音机的组成2.调幅原理入门指导收音机是接收无线电广播发送的信号,并将其还原成声音的机器,根据无线电广播的种类不同,即调幅广播和调频广播,接收信号的收音机的种类也不同,即调频收音机和调幅收音机。
有的接收机既能接收调幅广播,又能接收调频广播,称为调幅调频收音机。
调幅收音机在前面的实习课程中已经详细了解过,这里不再赘述,下面详细了解一下调频收音机的构成和工作原理。
调频收音机的最基本功能和调幅收音机比较相似。
在调频收音机中解调功能由鉴频器(也叫频率解调器或频率检波器)来完成,是将调频信号频率的变化还原成音频信号。
其它功能的电路和调幅收音机中的一样。
调频收音机按电路程式来分,可分为直接放大式和超外差式两种;按接收信号的种类来分,有单声道调频收音机和调频立体声收音机。
单声道调频收音机和调频立体声收音机的结构框图如图1-1图1-1单声道调频收音机由输入电路、高频放大电路、混频电路、中频放大电路、鉴频器、低频放大电路和喇叭或耳机组成。
调频立体声收音机的结构和单声道调频收音机结构的区别在于,在鉴频器后加一个立体声解调器,分离出两个音频通道,来推动两个喇叭,形成立体声。
调频收音机电路比调幅收音机电路多出一个高频放大电路,其功能是将输入电路送来的信号放大到混频所需要的大小。
本次实习用机HX-203调频调幅收音机,是以一块日本索尼公司生产的CXA119M单片集成电路为主体,加上少量外围元件构成的微型低压收音机。
CXA119M包含了AM/FM收音机从天线输入到音频功率输出的全部功能。
该电路的推荐工作电源电压为2-7.5V,Vcc=6V,RL=8Ω时的音频输出功率为500mW。
电路内除设有调谐指示LED驱动器,电子音量控制器之外,还设有FM静噪功能。
因在调谐波段未收到电台信号时,内部增益处于失控而产生的静噪声很大,为此,通过检出无信号时的控制电平,使音频放大器处于微放大状态,从而达到静噪。
AM/FM收音机的安装与调试实训报告一、实训目的:1、学习收音机的调试与装配。
2、提高读整机电路图及电路板图的能力。
3、掌握收音机生产工艺流程,提高焊接工艺水平。
二、实训内容:1、收音机电路原理分析。
2、掌握印制电路板的组装及焊接工艺。
3、进行AM、FM中频及统调覆盖的调试及整机测试。
4、故障判断及排除。
三、实训基本要求:1、会检测元器件并判别其质量。
2、独立完成各测试点的测量与整机安装。
3、会排除在调试与装配过程中可能出现的问题与故障。
四、实训步骤(一)对照元件清单表清点元件(二)元件的插接与焊接(三)收音机的整机调试1、调幅部分的调整①中频放大电路的调整——调AM中周调整时,整机置中波AM收音位置将音量电位器置于最大位置,将收音机调谐到无电台广播又无其它干扰的地方(或者将可调电容调到最大,即接收低频端)。
使高频信号发生器输出载频为465kHz,调制信号频率为1000Hz,调制度为30%的调幅信号接入IC的“10”脚。
用无感螺丝刀微微旋转中频变压器(黑色中周)的磁帽向上或向下调整,使示波器显示的波形幅度最大无失真。
在调整中频变压器时也可以用喇叭监听,当喇叭里能听到1000Hz的音频信号,且声音最大,音色纯正,此时可认为中频变压器调整到最佳状态。
②、调整接收范围(频率覆盖)——调AM的电感和电容调整时,整机置中波AM收音位置。
将音量电位器置于最大位置。
低端频率调整:将可变电容器(调谐双联)旋到容量最大处,即机壳指针对准频率刻度的最低频端。
使高频信号发生器输出载频为515kHz,调制信号频率为1000Hz,调制度为30%的高频调幅信号接入IC的“l0”脚。
用无感螺丝刀调整中波振荡线圈的磁芯(红色中周),以改变线圈的电感量,使示波器出现1000Hz波形,并使波形最大。
或直接鉴听收音机的声音,使收音机发出的声音最响最清晰。
高端频率调整:将整机的可变电容器置容量最小处,这时机壳指针应对准频率刻度的最高频端。
S66D型六管超外差式接收机实习报告专业:电子信息工程设计者:何莉学号: 09042329实习日期: 2012年6月实训报告一、实训内容1. 学习识别简单的电子元件与电子线路;2. 掌握手工电烙铁的焊接技术,能够独立的完成简单电子产品的安装和焊接。
熟悉电子产品的安装工艺的生产流程。
3. 学习并掌握收音机的工作原理;4. 根据电路图进行S66E超外差式中波调幅收音机的焊接,并掌握其调试方法。
二、实训器材1. 220V/50Hz交流电源。
2. 电烙铁3. 螺丝刀、镊子、万用表等必备工具4. S66E超外差式中波调幅收音机全套组建5. 两节5号电池三、工作原理图1是S66D型六管超外差式收音机的原理电路图。
为了分析方便,它的工作过程可以画成如图2所示。
具体原理分析如下。
图1 S66D型六管超外差式收音机的原理电路图图2 S66D型六管超外差式收音机的方框图1. 输入调谐电路输入调谐电路由双连可变电容器的CA和T1的初级线圈Lab组成,是一并联谐振电路,T1是磁性天线线圈,从天线接收进来的高频信号,通过输入调谐电路的谐振选出需要的电台信号,电台信号频率是f=1/2πLabCA,当改变CA时,就能收到不同频率的电台信号。
2. 变频电路本机振荡和混频合起来称为变频电路。
变频电路是以VT1为中心,它的作用是把通过输入调谐电路收到的不同频率电台信号(高频信号)变换成固定的465KHz的中频信号。
VT1、T2、CB等元件组成本机振荡电路,它的任务是产生一个比输入信号频率高465KHz的等幅高频振荡信号。
由于C1对高频信号相当短路,T1的次级Lcd的电感量又很小,对高频信号提供了通路,所以本机振荡电路是共基极电路,振荡频率由T2、CB控制,CB是双连电容器的另一连,调节它以改变本机振荡频率。
T2是振荡线圈,其初次绕在同一磁芯上,它们把VT1的等电极输出的放大了的振荡信号以正反馈的形式耦合到振荡回路,本机振荡的电压由T2的初级的抽头引出,通过C2耦合到VT1的发射极上。
广电技术能手调幅广播实训
调幅广播实训是广电技术能手培训中的一项重要内容。
调幅广播是指利用调制技术将音频信号调制到无线电信号中进行传输,并在接收端解调还原为原始音频信号的过程。
调幅广播实训主要包括以下内容:1. 理论学习:学习广播调制与解调原理、调幅广播的工作原理、调幅广播信号的特点等相关知识。
2. 设备操作:了解广播调幅发射设备的结构和工作原理,学习如何调节发射机的频率、功率和音频声音等参数。
3. 调试实践:使用调幅广播设备进行实际操作调试,了解如何调整发射机的频率、功率和音质,使广播信号达到最佳传输效果。
4. 故障排除:学习如何分析和解决调幅广播设备的常见故障,如信号干扰、音频失真等问题。
5. 安全操作:学习广播设备的安全操作规程,了解避免电磁辐射、高压电触电等安全事故的方法。
通过调幅广播实训,广电技术能手可以掌握调幅广播的基本原理和常见故障排除方法,提高广播设备的操作技能和故障处理能力,为未来的广播工作提供了实际操作经验和技术支持。
超外差调幅收音机的安装与调试一、实训知识要点与操作技术要点:1、超外差调幅收音机的工作方框图:2、HX108-2七管半导体收音机电路原理图与装配图:3、HX108-2七管半导体收音机电路工作原理:(1)、输入回路:输入回路也叫调谐回路,它由磁棒天线、调谐线圈和C1-A 组成。
磁棒具有聚集无线电波的作用,并在变压器B1 的初级产生感应电动势;同时也是变压器B1 的铁芯。
调谐线圈与调谐电容C1-A 组成串联谐振电路,通过调节C1-A,使串联谐振回路的谐振频率与欲接收电台的信号频率相同,这时,该电台的信号将在串联谐振回路中发生谐振,使B1 初级两端产生的感生电动势最强,经B1 耦合,将选择出的电台信号送入变频级电路。
由于其它电台的信号及干扰信号的频率不等于串联谐振回路的谐振频率,因而在B1 初级两端产生的感生电动势极弱,被抑制掉,从而达到选择电台的作用。
对调谐回路要求效率高、选择性适当、波段覆盖系数适当,在波段覆盖范围内电压传输系数均匀。
(2)、变频级:变频级是由一只晶体管V1同时起本振和混频作用的自激式变频电路。
它的作用是把所接收的已调高频信号与本级振荡信号进行变频放大,得到465kHz 固定中频。
它由变频电路、本振电路和选频电路组成。
变频电路是利用了三极管的非线性特性来实现混频的作用,因此变频管静态工作点选得很低,让发射结处于非线性状态,以便进行频率变换。
由输入调谐回路选出的电台信号f1 经B1 耦合进入变频放大器V1 的基极,同时本振电路的本振信号f2(f2=f1+465kHz)经C3 耦合进入混频放大器V1 的发射极,f1 与f2 在混频放大器V1 中实现混频,在V1 集电极输出得到一系列新的混频信号,其中只有f2-f1=465kHz 的中频信号可以通过B3 中周的选频电路(并联谐振)并得到信号放大,其他混频信号被抑制掉。
本振电路是一个共基极自激振荡电路,B2 的初级线圈与C1-B 组成并联谐振回路,经V1 放大的本振输出信号通过B2 次级耦合到初级,形成正反馈,实现自激振荡,得到稳幅的f2 本振信号。
收音机的装配与调试实训指导书一. 实训目的1. 熟悉通信整机的组成、工作原理;2. 通过对收音机的安装、焊接及调试,了解电子产品的生产制作过程;3. 掌握电子元器件的识别及质量检验;4. 学会利用工艺文件独立进行整机的装焊和调试,并达到产品质量要求;5. 学会编制简单电子产品的工艺文件,能按照行业规程要求,撰写实训报告;6. 训练动手能力,培养职业道德和职业技能,培养工程实践观念及严谨细致的科学作风。
二、电路原理简介(一)HX108-2型7管半导体调幅收音机的主要性能指标1. 频率范围:525~1605KH Z;2. 输出功率:100mW(最大);3. 扬声器:φ57mm,8Ω;4. 电源:3V(5号电池二节);5. 体积:122×66×26。
(二)电路及工作原理电原理图如图1-1所示。
由图可见,整机中含有7只三极管,因此称为7管收音机。
其中,三极管V1为变频管,V2、V3为中放管,V4为检波管,V5为低频前置放大管,V6、V7为低频功放管。
天线回路选出所需的电台信号,经过变压器T r1(或B1)耦合到变频管V1的基极。
与此同时,由变频管V1、振荡线圈T r2、双联同轴可变电容C1B等元器件组成的共基调射型变压器反馈式本机振荡器,其本振信号经电容C3注入到变频管V1的发射极。
电台信号与本振信号在变频管V1中进行混频,混频后,V1管集电极电流中将含有一系列的组合频率分量,其中也包含本振信号与电台信号的差频(465KH Z)分量,经过中周T r3(内含谐振电容),选出所需的中频(465KH Z)分量,并耦合到中放管V2的基极。
图中电阻R3是用来进一步提高抗干扰性能的,二极管V D3是用以限制混频后中频信号振幅(即二次AGC)。
中放是由V2、V3等元器件组成的两级小信号谐振放大器。
通过两级中放将混频后所获得的中频信号放大后,送入下一级的检波器。
检波器是由三极管V4(相当于二极管)等元件组成的大信号包络检波器。
调幅收音机的安装与调试实训报告
调幅收音机的安装与调试实训报告
一、实训目的
通过本次实训,掌握调幅收音机的基本动作和实际应用,并学习收音机的安装与调试方法。
二、实训内容
1. 调幅收音机的组装。
2. 功能测试。
3. 调试方法的熟悉和应用。
三、实训步骤
1. 实验前准备工作。
(1)阅读调幅收音机使用说明书,确定所需工具和材料。
(2)把装配杆,装配板,调整螺丝和电池装入仪器箱,仔细查看收音机是否有损坏现象。
2. 调幅收音机的组装。
(1)将电池装入仪器箱。
(2)用装配杆把调谐电容装在装配板上。
(3)将装配板装上安装支架,用调谐螺丝固定。
(4)将边缘铁芯装在安装支架上,调整位置,使其紧固,并固定。
3. 功能测试。
(1)开启电源开关。
(2)用合适的天线进行信号接收。
(3)调谐电容边缘铁芯调整到最佳接收效果。
4. 调试方法的熟悉和应用。
(1)确定电路元件。
(2)认真检查电源、声音和信号是否正常。
(3)根据实测数据,使用调谐螺丝对边缘铁芯进行微调。
(4)根据收音效果进行调谐,匹配音频输出。
四、实训结果
调幅收音机可以正常工作。
五、实训体会
通过本次实训,我掌握了调幅收音机的基本组装和调试技能。
此外,我还加深了对电路元件、电源和声音信号的理解,对收音机的工作原理也有了更深入的了解。
这对我未来的电子技术学习和实践工作都有很大的帮助。
第1章调幅收音机原理、组装与调试1.1 实践目的通过对调幅收音机的安装、焊接、调试,了解调幅收音机装配的全过程,掌握元器件的识别、测试及整机装配和调试工艺。
1.2 实践要求1.掌握调幅收音机的工作原理;2.对照原理图,看懂调幅收音机的装配接线图;3. 对照原理图、PCB,了解调幅收音机中的电路符号、元件和实物;4.根据技术指标测试各元器件的主要参数;5. 掌握调试的基本方法,学会排除焊接和装配过程中出现的故障。
1.3 调幅收音机简介该机为七管中波调幅袖珍式半导体收音机,采用全硅管标准二级中放电路,用二只二极管正向压降稳压电路,稳定从变频、中频到低放的工作电压,不会因为电池电压降低而影响接收灵敏度,使收音机仍能正常工作。
该机体积小巧,外观精致,便于携带。
主要技术指标如下:频率范围:525~1605KHz中频频率:465KHz灵敏度:≤2mV/m S/N 20dB扬声器:Ф57mm 8Ω输出功率:50mW电源:3V(2节5号电池)1.4调幅收音工作原理调幅收音机的工作原理框图如图1.1所示,主要由输入回路、混频电路、本振电路、中频放大、检波、前置低频放大、功率放大和扬声器组成。
图1.1 工作原理框图调幅收音机的电路原理图如图1.2所示。
调幅信号感应到由B1、C1组成的天线调谐回路,调谐回路选出所需要频率的电信号(例如f1)进入三极管V1(9018H)的基极;本振信号(高出f1一个中频,若f1=700KHz 则f2=700+465KHz=1165KHz)由三极管V1的发射极输入;调幅信号经三极管V1进行变频后通过B3选取465KHz的中频信号,中频信号经三极管V2和V3二级中频放大后进入检波管三极管V4,由检波管V4检出音频信号经三极管V5(9014) 前置低频放大,再由V6、V7组成功率放大器进行功率放大后,推动扬声器发声。
图1.2中,D1和D2 (IN4148)组成1.3V±0.1V稳压电路,以稳定变频,一中放、二中放、低放的基极电压,稳定各级工作电流,确保灵敏度。
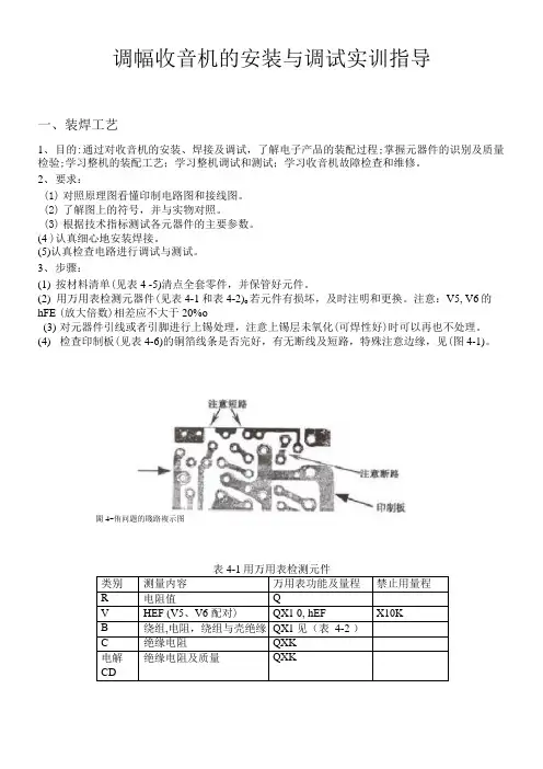
调幅收音机的安装与调试实训指导一、装焊工艺1、目的:通过对收音机的安装、焊接及调试,了解电子产品的装配过程;掌握元器件的识别及质量检验;学习整机的装配工艺;学习整机调试和测试;学习收音机故障检查和维修。
2、要求:(1)对照原理图看懂印制电路图和接线图。
(2)了解图上的符号,并与实物对照。
(3)根据技术指标测试各元器件的主要参数。
(4 )认真细心地安装焊接。
(5)认真检查电路进行调试与测试。
3、步骤:(1)按材料清单(见表4 -5)清点全套零件,并保管好元件。
(2)用万用表检测元器件(见表4-1和表4-2)o若元件有损坏,及时注明和更换。
注意:V5, V6的hFE (放大倍数)相差应不大于20%o(3)对元器件引线或者引脚进行上锡处理,注意上锡层未氧化(可焊性好)时可以再也不处理。
(4)检查印制板(见表4-6)的铜箔线条是否完好,有无断线及短路,特殊注意边缘,见(图4-1)。
閣4-侑问题的賤路複示图表4-1用万用表检测元件表4-2斐压器的内阻测试注意:①为防止变压器原边与副边之间短路,请测量变压器原边与副边之间的电阻。
②若输入、输出变压器用颜色不好区分,可通过测量线圈内阻来区分。
(5)安装元器件元器件安装质量及顺序直接影响整机质量与成功率,合理的安装需要思量及经验。
(表4-3)所示安装顺序及要点是实践证明较好的一种安装方法。
注意:所有元器件高度不得高于中周的高度。
图4-E耳机抽座与褰压器' 扬声器连概留表4-3元件的空凝顺序夏要盖(錢类蹇装)序号安装T2- 13. T4安装T5、T6安裝.¥1—頒安装全部R安装全部匸修整引纖检汽加七安装双联屯方. 也位器及农,牡架岸按己蛹忆的元髒 件W TI,电池剧诲裝 拨盘、密株等二、检测与调试中周啲求法矿底折记|讪朴注意要戒fj 外売固應支瞩內四90度,耍求焊上縊统抻人员杜直后邱顷先再注适的打、损性及交装高度包环方向保持一致,注最安装尚哑再世血鑽麟建装在歸局 柝和踞联之问卵制&注此為度< .Uinm—噂*PE 门罪略看已安技P'J 元譜诈位普・转別注意V (三輟tr 的晉脚•■始导人領枠仲「■午可进行下列丄作総以邳斯引线步奈都小注息不可甜 得火长、也不诃甜拜太駐*泗卜出7E蛀作住更湿可女*由州点.揪賤耳.灯TI 时洼,右搜您圏・K 中的线値:"应算逐取呼电客--边- 并板国建杖 开抑抑■点抽抑网權强書见Cffl >3.2).m* g”一烙蝶毕雑 耕充1、目的:通过对收音机的通电检测调试,了解普通电子产品的生产调试过程,初步学习调试电子产品的方法,培养检测能力及一丝不苟的科学作风。
调幅收音机的安装与调试实训指导
一、装焊工艺
、目的:通过对收音机的安装、焊接及调试,了解电子产品的装配过程;掌握元器件的识别及质量
检验;学习整机的装配工艺;学习整机调试和测试;学习收音机故障检查和维修。
、要求:
()对照原理图看懂印制电路图和接线图。
()了解图上的符号,并与实物对照。
()根据技术指标测试各元器件的主要参数。
()认真细心地安装焊接。
()认真检查电路进行调试与测试。
、步骤:
()按材料清单(见表)清点全套零件,并保管好元件。
()用万用表检测元器件(见表和表)。
若元件有损坏,及时注明和更换。
注意:,的(放大倍数)相差应不大于。
()对元器件引线或引脚进行上锡处理,注意上锡层未氧化(可焊性好)时可以不再处理。
()检查印制板(见表)的铜箔线条是否完好,有无断线及短路,特别注意边缘,见(图)。
表用万用表检测元件
类别测量内容万用表功能及量程禁止用量程
电阻值Ω
(、配对)Ω×,×
绕组,电阻,绕组与壳绝
Ω×见(表)
缘
绝缘电阻Ω×
电解绝缘电阻及质量Ω×
注意:①为防止变压器原边与副边之间短路,请测量变压器原边与副边之间的电阻。
②若输入、输出变压器用颜色不好区分,可通过测量线圈内阻来区分。
()安装元器件元器件安装质量及顺序直接影响整机质量与成功率,合理的安装需要思考及经验。
(表)所示安装顺序及要点是实践证明较好的一种安装方法。
注意: 所有元器件高度不得高于中周的高度。
x x x学院《电子工艺实习》报告题目:调幅收音机的组装与调试专业:自动化班级:1班姓名:总成绩:xxx学院信息与自动化学院2014 年 5 月 15 日一、实训任务通过对调幅收音机的安装、焊接、调试,了解调幅收音机装配的全过程,掌握元器件的识别、测试及整机装配和调试工艺。
二、实训要求1.掌握调幅收音机的工作原理。
2.对照原理图,看懂调幅收音机的装配接线图。
3.对照原理图、PCB,了解调幅收音机中的电路符号、元件和实物。
4.根据技术指标测试各元器件的主要参数。
5.掌握调试的基本方法,学会排除焊接和装配过程中出现的故障。
三、实训内容1. 调幅收音机的主要技术指标频率范围:525~1605KHz中频频率:465KHz灵敏度:≤2mV/m S/N 20dB扬声器:Ф57mm 8Ω输出功率:50mW电源:3V(2节5号电池)2.调幅收音机实现框图分析调幅收音机由输入回路、本振回路、混频电路、检波电路、自动增益控制电路(AGC)及音频功率放大电路组成,如下图所示。
图1 收音机的实现框图输入回路由天线线圈和可变电容构成,本振回路由本振线圈和可变电容构成,本振信号经内部混频器,与输入信号相混合。
混频信号经中周和455kHz陶瓷滤波器构成的中频选择回路得到中频信号。
至此,电台的信号就变成了以中频455kHz为载波的调幅波。
中频信号进行中频放大,再经过检波得到音频信号,经功率放大输出,耦合到扬声器,还原为声音。
其中,中放电路增益受AGC自动控制增益控制,以保持在电台信号不同时,自动调节增益,获得一致的收听效果3.调幅收音机原理图分析图3是收音机的电路原理图。
为了分析方便,它的工作过程可以画成方框图,如图4。
图3 电路原理图图4 原理方框图4.元器件的辨别与检测我们常见的电子元件就是电阻、电容、二极管和三极管。
1.电阻电阻上的色带是就是电阻的色环标记法,通过色环来表示电阻的大小,有效数字、倍率和允许误差。
现在见到的电阻的色环有四道和五道的,四道环的有效数字是前两道环所代表,而五道环是由前三道所代表。
实验十八超外差中波调幅接收机
一、实验目的
1.在模块实验的基础上掌握调幅接收机组成原理,建立调幅系统概念。
2.掌握调幅接收机系统联调的方法,培养解决实际问题的能力。
二、实验内容
完成调幅接收机整机联调
三、实验电路说明
图18-1超外差中波调幅接收机
接收机由天线回路、变频电路、中频放大电路、检波器、音频功放、耳机等六部分组成,各部分电路中元件的功能与作用前述单元电路中己讲述,参见各章。
实验箱上由模块2,4,7,10构成。
四、实验步骤
1.将模块10的天线接收到的高频信号(中波调幅发射机发射的信号,由另一台实验箱提供)送入模块7的J4,将模块7的J6连到模块2的J5。
2.将模块2的J6连到模块4的J7,从模块4的J10输出的信号连接到模块10的耳机输入端。
3.慢慢调谐模块7的双联电容调谐盘,使接收到音乐信号。
4.观察各点波形,并记录下来。
五、实验报告要求
1.说明调幅接收机组成原理
2.根据调幅接收机组成框图测出对应点的实测波形并标出测量值大小。
六、实验仪器
1.高频实验箱1台
94
2.双踪示波器1台
3.万用表1块
95。
课程设计报告课程名称:高频电子线路课程设计报告题目:调幅收音机制作及调试学生姓名:所在学院:信息科学与工程学院专业班级:学生学号:指导教师:年月日课程设计任务书一、设计题目:调幅收音机制作及调试二、设计目的1、掌握调幅收音机各功能模块的基本工作原理。
2、掌握调幅接收系统的调试过程及故障排除。
3、培养学生掌握电路设计的基本思想和方法。
4、培养学生分析问题、发现问题和解决问题的能力。
三、设计要求1、分析调幅接收系统各功能模块的工作原理。
2、安装调试及测量结果。
3、可在此基础上进行创新设计,如改善系统性能。
四、可提供的主要电子元器件调幅收音机套件五、实践步骤1、收集相关资料,掌握调幅收音机的电路原理。
2、根据所提供的元器件,完成系统的制作安装、调试,并完善其设计功能。
六、实践标准完成设计制作安装,实现其基本功能,装配工艺美观,系统运行稳定、可靠。
七、设计报告总结1、简述调幅收音机的工作原理,给出完整的电路原理图。
2、系统的安装过程及注意事项。
3、单元模块的调试及统调经过,并记录单元模块的输出波形。
4、分析制作过程中所出现的故障及解决方案。
5、列出电子元器件清单,分析课程设计过程中的难点。
6、总结收获与体会。
信息科学与工程学院2013.10.24收音机是最常用的家用电器之一,通过这次实训,我们应该在了解其基本工作原理的基础上学会安装、调试、使用,并学会排除一些常见故障。
超外差收音机,首先把接收到不同频率的电台信号,都变成固定的中频信号(我国规定中频信号是 465kHZ),由中频放大器进行放大 ,然后进行检波,这样就克服了直放式收音机在接收不同频率的时候灵敏度不均匀的缺点。
而且固定频率的中频信号既便于放大又便于调谐因此超外差式收音机具有灵敏度高、选择性好的特点。
焊接技术是电工的基本操作技能之一,通过实训要求大家在初步掌握这一技术的同时,注意培养自己在工作中耐心细致,一丝不苟的工作作风。
关键字:放大;焊接技术 ;超外差收音机绪论人类自从发现能利用电波传递信息以来,就不断研究出不同的方法来增加通信的可靠性、通信的距离、设备的微形化、省电化、轻巧化等。