J6光学经纬仪说明书
- 格式:pdf
- 大小:8.93 MB
- 文档页数:12
实验二J6经纬仪认识及角度测量(G1214202)学时:4学时实验性质:验证性实验一、目的与要求1)了解J6级光学经纬仪的基本构造和各部件名称及其作用;2)掌握经纬仪对中、整平、照准、读数的方法;3)掌握水平角度、竖直角度观测计算方法二、仪器与工具每组的仪器有:J6级经纬仪一台,测钎两根,记录板一块。
三、实验内容与步骤(一)J6经纬仪认识与使用1、在指定点上安置经纬仪,并熟悉仪器各部件的名称和作用。
2、经纬仪的操作。
(1)对中:对中的目的是使仪器中心与测站点在一条垂直线上。
1)粗对中(移动三角架的架腿)松开蝶形螺旋,根据身高调整好三角架的高度,旋紧螺旋使架腿固定。
张开三角架、使架头中心对准测站点并大致水平(关键)。
将经纬仪安置在架头上,通过拉伸、旋转光学对点器使标志圈清晰和视野清晰。
两手轻轻移动两脚架,使目标标志点大致对准标志圈中心。
2)精对中(旋转脚螺旋)按照水准仪的粗平方法调节脚螺旋使目标严格在光学对中器的中心。
(2)整平。
整平分为粗略整平(粗平)和精确整平(精平)。
1)粗平(升降三角架的架腿)升降一架腿A使圆水准气泡在另一架腿B的方向线上,然后再升降B架腿使圆水准气泡居中。
检查气泡居中情况,若气泡还没有居中,再次升降架腿A使圆水准气泡在架腿B的方向线上,然后再升降B架腿使圆水准气泡居中。
此过程反复操作直至气泡居中即可。
2)精平(旋转脚螺旋)调节脚螺旋使水准管气泡严格居中。
操作步骤如下:旋转照准部,使照准部水准管平行任两个脚螺旋,调节两个脚螺旋使气泡严格居中;旋转照准部90°,调第三个脚螺旋使气泡居中。
再反方向旋转照准部90°使其回到初始方向,检查水准管居中情况,这样反复操作一二次即可。
3)检查对中的情况。
如果偏得太多,重复以上操作。
如果只有小量偏移,则松开中心螺旋,双手捏住基座的底板移动基座,眼睛观察对中窗口,直至严格对中。
4)检查照准部水准管气泡是否居中。
若气泡发生偏离,需再次整平,即重复前面过程,最后旋紧连接螺旋。
普通J6光学经纬仪操作指南一. 分项操作(一).设置测站1.对中如图1,打开三脚架,使架头大致水平架设于地面上,架设高度与观测者高度适宜,架头中心与地面标志中心应大致在一铅垂线上。
打开仪器箱,取出仪器放在架头上,并立即用中心螺旋将仪器旋紧牢固。
两只手各握一支架腿稍离开地面进行推拉或左右移动,同时一只眼睛观察光学对中器,当地面标志中心影像大至落在光学对中器中心时移动停止,然后将架腿踏实,再用脚螺旋进行精确对中。
图12.整平1).粗平:粗平就是使圆水准气泡居中。
先观察圆气泡偏离的方向,然后松开圆气泡偏离较大一方的脚架连接螺旋,并升降该脚架使圆气泡向居中方向移动,若不能使气泡居中,则轮流升降三个脚架(如果需要),直至圆气泡基本居中为止。
2).精平:精平就是使管水准气泡居中。
如图2(a),首先使管水准气泡平行于任意两个脚螺旋1、2,调整该两个脚螺旋使气泡居中,然后将照准部旋转90度,如图2(b),若管水准气泡不居中,则调整第三个脚螺旋3使其居中,反复进行,直至气泡在任意方向都居中为止。
图2最后需检查一下对中情况,若对中有偏移,则把中心螺旋打开,使仪器在架头面上慢慢移动重新对中,此时若精平稍有破坏,则再次精平。
(二).瞄准1).粗瞄:松开水平制动螺旋和垂直制动螺旋,转动照准部,眼睛从望远镜上方观察目标,当准星、照门、目标三点成一条线时,立即旋紧两个制动螺旋。
2).精瞄:眼睛从目镜处观察目标,若目标和十字丝不清楚,则进行物镜调焦和目镜调焦使目标和十字丝都清晰,然后用水平微动螺旋和垂直微动螺旋精确瞄准目标,并注意消除视差。
(三).读数读数时,先调节读数显微镜目镜,使度盘分划线和分微尺分划线的影象清晰,然后,先以分微尺的0º刻划线为指标线,在度盘分划上读取整度数,再以度盘刻划线为指标线,在分微尺上读取分值、估读秒值到1.0',即"6,二者相加即得度盘读数。
图3中水平度盘读数为56º57′18″,竖直度盘读数为97º17′24″。
电子经纬仪DJD2—JCL使用说明书J6、J6E光学经纬仪使用说明书一、仪器的用途和特点本仪器的测角精度:水平方向一测回的方向误差不大于±6";天顶距测量中误差不大于±9",适用于低等控制测量,地形测量,矿山测量和工程导线测量等。
本仪器具有下列特点:1、望远镜采用内调焦系统(J6E 为正像内调焦系统),主物镜为三片分离型结构。
分划板设有双丝和单丝,便于照准不同目标,水平和垂直分划丝上均有供测距用的视距丝。
望远镜孔径大,鉴别率高,成像清晰,用于观测远近目标均适宜。
2、度盘读数采用光学带尺读数系统,在同一视场内可同时直接读取水平角和天顶距,并公用一个照明系统,使用方便,读数快速、精确。
3、对点器系一小型望远镜,用于对地面点进行观测,其物镜可随照准部转动;易于发现和消除对点误差,仪器还附有测锤,便于在不同条件下的对点工作。
4、竖轴采用强制定心球面导轨滚珠支承的半运动式轴系(结构示意图见下图),定向及置中精度高,对温度不敏感,不易卡死。
由于强制定心和大型球面滚珠支承的摩擦力距较大,运转时有轻微“沙沙”声,但绝不影响使用。
5、基座内设有防偏扭簧片,通过此簧片将基座上、下体作半刚性联接,可防止扭转,消除偏扭误差。
6、按用户要求可提供管状定心磁针。
7、仪器出厂前均经环境模拟试验和防霉、防雾处理,经久耐用。
仪器可在-25°C ~+40°C环境温度下工作。
二、仪器的主要技术参数望远镜成像 J6 倒像 J6E 正像放大率 J6 28倍 J6E 29倍物镜有效孔径 40毫米视场角1°20′视距乘常数 100视距加常数 0鉴别率<3.6″调焦范围 2米~∞物镜壳外径φ46-0.05毫米望远镜长度 180毫米显微镜放大率水平读数系统 73倍竖直读数系统 74倍读数系统水平度盘分划直径 93.4毫米水平度盘读数分划1′(估读6″)竖直度盘分划直径 73.4毫米竖直度盘读数分划1′(估读6″)水准器角值照准部水准器30″/2毫米指标水准器30″/2毫米圆水准器8′/2毫米光学对点器放大率 1.1倍视场角4°四、仪器的使用方法1、照准仪器在安置、对中、安平后,松开两制动手轮11和20(图一,下同),利用粗瞄准器12即可概略照准目标。
概述J6E光学经纬仪实际应用中的注意事项经纬仪是测量工作中的主要测角仪器,其构造由照准部、水平度盘、基座三大部件组成。
油田地面建设工程定位放线过程中仍较为常用,下面就本监理部的J6E型光学经纬仪在实际应用中的注意事项进行简单概述。
首先,应对经纬仪的三大部件包括的24个组件进行了解熟悉,尤其是各螺旋的作用要熟记,作为较为精密的仪器,经纬仪各螺旋(手轮)调节时注意用力要适中,并尽可能使用中部。
其次,安置脚架时要注意三方面——高度适中、架头水平、初步对中。
第三,经纬仪的安置是一个“对中”与“整平”反复多次进行的过程,“对中”又可以分为“初步对中”和“精确对中”,目的是使仪器中心与测站点在同一铅垂线上;“整平”又可以分为“粗平”和“精平”,目的是将仪器的圆水准器和照准部水准器的气泡居中,从而使仪器的竖轴竖直和水平度盘水平。
最后,通过调节目镜,粗瞄目标,再通过调节物镜,进行精确瞄准后读书即可。
建筑物的定位放线,很多情况下是依据原有建(构)筑物定位,定位时要会同建设单位和设计单位到现场,对定位依据的建(构)筑物的边、角、中线、标高等具体位置,进行明确的指定和确认,必要时进行拍照,以便查证和存档。
常用的有延长线法和平行线法,需根据设计单位给出的已知定位条件,确定选取哪种定位方法。
具体定位过程总结如下:首先,定平行线时,即在原有建(构)筑物轴线两端量取等距,确定两平行线桩位;其次,定延长线或定平行线视线,结合钢尺量距,在延长线或视线上按设计轴距定出各主轴线与该平行线或视线的交点桩;第三,利用经纬仪的测角功能,定出外轮廓主轴线桩位;最后,根据图纸设计轴线间距,复核测量成果是否满足设计要求。
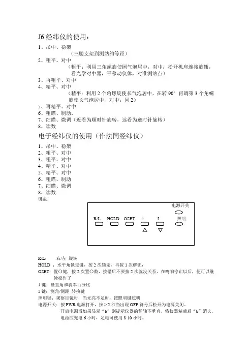
J6经纬仪的使用:1、吊中、稳架(三腿支架到测站约等距)2、粗平、对中(粗平:利用三角螺旋使园气泡居中,对中:松开机座连接旋钮,看光学对中器,平移动仪体,对准测站点)3、再粗平、对中4、精平、对中(精平:利用2个角螺旋使长气泡居中,在转90°再调第3个角螺旋使长气泡居中,对中:同2)5、再精平、对中6、粗瞄、制动,7、细瞄、微调(近看为顺时针旋转,远看为逆时针旋转)8、读数电子经纬仪的使用(作法同经纬仪)1、吊中、稳架2、粗平、对中3、粗平、对中4、精平、对中5、精平、对中6、粗瞄、制动7、细瞄、微调8、读数键盘:R/L:右/左旋转HOLD :水平角锁定键,按2次锁定、再按1次解锁,OSET:置〇键,按2次置〇数,按错后不要按2次就没关系,在鸣响停止以后,便可以继续操作了4键:竖直角和斜率百分比5键:测角/测距转换键照明键:观察目镜时,当光亮不足时,按照明键照明电源开关:按PWR电源打开,按>2秒当出现OFF符号后松开为电源关闭。
开启电源后如果显示“b”则提示仪器的竖轴不垂直,将仪器精确后“b”消失。
电池应充电6小时,足电可使用8-10小时。
1、每次取下电池时,都必须先关掉仪器电源,否则仪器易损坏2、仪器对中后不要碰三脚架的三个角,以免破坏其位置3、观察目镜当光亮不足时,按照明键照明4、对近目标调焦时,应顺时针旋转。
对远目标调焦时应逆时针旋转5、用微动旋钮应保持顺时针方向旋扭。
如转动过头应返回重新旋转6、OSET、归0键只对水平角有效,除已经锁定HOLD键状态外,任何时候水平角均可以置〇操作,7、在操作过程中按错了OSET、归0键,只要不按第二次就没关系,当鸣响停止后便可以继续操作。
8、R/L键(右/左、旋转键)对竖角无效,再按R/L键水平角由右旋转变左旋转方式。
9、HOLD锁定键对竖直角或或距离无效10.在操作过程中误按HOLD水平角键,只要不按第二次就没关系,当鸣响停止后便可以继续操作了11. 照准定向目标按OSET、归0键使水平角置〇12.旋转90°显示HR89°59′20″时,旋紧制动旋钮,用微动旋钮使水平读数显示为90°13.顺时针方向转动照准部。
实验一 DJ6光学经纬仪的认识及使用1. 目的1)认识DJ6光学经纬仪的基本结构及主要部件的名称和作用。
2)掌握DJ6光学经纬仪的基本操作和读数方法。
2. 组织每组2人。
3. 学时课内2学时。
4. 仪器及用具每组借DJ6光学经纬仪1台。
5. 实验步骤提要1)认识DJ6光学经纬仪的各操作部件,掌握使用方法。
2)学会用脚螺旋及水准管整平仪器。
3)在一个指定点上,练习用光学对中器对中、整平经纬仪的方法。
4)练习用望远镜精确瞄准目标。
掌握正确调焦方法,消除视差。
5)学会DJ6光学经纬仪的读数方法。
读数记录于“读数记录表”中。
6)练习配置水平度盘的方法。
6.注意事项1)实验课前要认真阅读《数字测图原理与方法》教材中有关内容。
2)将经纬仪由箱中取出并安放到三脚架上时,必须是一只手拿住经纬仪的一个支架,另一只手托住基座的底部,并立即旋紧中心连接螺旋,严防仪器从脚架上掉下摔坏。
3)安置经纬仪时,应使三脚架架头大致水平,以便能较快地完成对中、整平操作。
4)操作仪器时,应用力均匀。
转动照准部或望远镜,要先松开制动螺旋,切不可强行转动仪器。
旋紧制动螺旋时用力要适度,不宜过紧。
微动螺旋、脚螺旋均有一定调节范围,宜使用中间部分。
5)在三脚架架头上移动经纬仪完成对中后,要立即旋紧中心连接螺旋。
6)使用带分微尺读数装置的DJ6光学经纬仪,读数时应估读到0.1′,即6″,故读数的秒值部分应是6″的整倍数。
7.上交资料上交水平度盘读数记录表实验二方向法观测水平角1.目的掌握用DJ6光学经纬仪按方向观测法测水平角的方法及记录、计算方法,了解各项限差。
2.组织每组2人。
在一个测站上,一人观测一人记录。
3.学时数课内2学时,课外2学时。
4.仪器及用具每组借J6经纬仪l台,记录板1块,测伞1把。
5.实验步骤提要在一个测站上对4个目标作两测回的方向法观测。
1)一测回操作顺序为:上半测回,盘左,零方向水平度盘读数应配置在比0°稍大的读数处,从零方向开始,顺时针依次照准各目标,读数,归零并计算归零差。
DJ6级经纬仪使用
操作步骤:
(1)、打开三脚架腿,调整好其高度适合于观测者的高度。
(2)、张开三脚架,将其安置在测站上,使架头大致水平。
(3)、从仪器箱中取出经纬仪放置在三脚架头上,并使仪器基座基本对齐三脚架头的中心,旋紧连接螺旋后,进行整平操作。
(4)、使用光学对中法对中:双手握紧三脚架的两只脚,眼睛观察光学对中器,移动三脚架使对中标志基本对准测站点的中心。
(5)、移动仪器,使对中标志准确的对准测站点的中心(光学对准的误差应小于1cm)
(6)、旋紧连接螺旋,旋转脚螺旋,使圆水准器中的气泡居中。
(应注意旋转方向)。
瞄准和读数:
(1)、瞄准目标:用望远镜上的准心、缺口瞄准目标。
(2)、在望远镜中锁定目标,使望远镜的十字丝与目标基本重合,锁定水平方向制动螺旋。
(3)、调节水平微动螺旋,是望远镜的十字丝与目标重合
(4)、调节目镜螺旋使十字丝清晰。
概述J6E光学经纬仪实际应用中的注意事项经纬仪是测量工作中的主要测角仪器,其构造由照准部、水平度盘、基座三大部件组成。
油田地面建设工程定位放线过程中仍较为常用,下面就本监理部的J6E型光学经纬仪在实际应用中的注意事项进行简单概述。
首先,应对经纬仪的三大部件包括的24个组件进行了解熟悉,尤其是各螺旋的作用要熟记,作为较为精密的仪器,经纬仪各螺旋(手轮)调节时注意用力要适中,并尽可能使用中部。
其次,安置脚架时要注意三方面——高度适中、架头水平、初步对中。
第三,经纬仪的安置是一个“对中”与“整平”反复多次进行的过程,“对中”又可以分为“初步对中”和“精确对中”,目的是使仪器中心与测站点在同一铅垂线上;“整平”又可以分为“粗平”和“精平”,目的是将仪器的圆水准器和照准部水准器的气泡居中,从而使仪器的竖轴竖直和水平度盘水平。
最后,通过调节目镜,粗瞄目标,再通过调节物镜,进行精确瞄准后读书即可。
建筑物的定位放线,很多情况下是依据原有建(构)筑物定位,定位时要会同建设单位和设计单位到现场,对定位依据的建(构)筑物的边、角、中线、标高等具体位置,进行明确的指定和确认,必要时进行拍照,以便查证和存档。
常用的有延长线法和平行线法,需根据设计单位给出的已知定位条件,确定选取哪种定位方法。
具体定位过程总结如下:首先,定平行线时,即在原有建(构)筑物轴线两端量取等距,确定两平行线桩位;其次,定延长线或定平行线视线,结合钢尺量距,在延长线或视线上按设计轴距定出各主轴线与该平行线或视线的交点桩;第三,利用经纬仪的测角功能,定出外轮廓主轴线桩位;最后,根据图纸设计轴线间距,复核测量成果是否满足设计要求。
江苏省职业学校理论课程教师教案本(20 —20 学年第学期)专业名称造价课程名称建筑工程测量授课教师学校南京工程高等职业学校授课主要内容或板书设计课间实验:DJ6级光学经纬仪的认识与技术操作一、目的和要求1.认识经纬仪的一般构造。
2.熟悉经纬仪的技术操作方法。
3.熟悉用水平度盘变换钮或复测扳手设置水平度盘读数。
二、计划和设备(1)实验时数安排为4学时。
实验小组由3~4人组成,1人操作仪器,1人记录。
(2)每组的实验设备为DJ6经纬仪1台,记录板1块。
三、方法和步骤1.由指导教师讲解经纬仪的构造及技术操作方法。
2.学生自己熟悉经纬仪各螺旋的功能。
3.练习安置经纬仪。
经纬仪的安置包括对中和整平两项内容。
(1) 对中:对中是把经纬仪水平度盘的中心安置在所测角的顶点铅垂线上。
方法是先将三角架安置在测站点上,架头大致水平,用垂球概略对中后,踏牢三脚架,然后用连接螺旋将仪器固定在三脚架上。
此时,若偏离测站点较大,则须将三脚架作平行移动,若偏离较小,可将连接螺旋放松,在三脚架头上移动仪器基座使垂球尖准确地对准测站点,然后再旋紧连接螺旋。
如果使用带有光学对点器的仪器,对中时可通过光学对点器进行对中。
采用光学对点器对中的做法是:将仪器置于测站点上,使架头大致水平,三个脚螺旋的高度适中,光学对点器大致在测站点铅垂线上。
转动对点器目镜看清分划板中心圈(十字丝),再拉动或旋转目镜,使测站点影像清晰。
若中心圈(十字丝)与测站点相距较远,则应平移脚架,而后旋转脚螺旋,使测站点与中心圈(十字丝)重合。
伸缩架腿,粗略整平圆水准器,再用脚螺旋使圆水准气泡居中。
这时可移动基座精确对中,最后拧紧连接螺旋。
(2) 整平:整平是使水平度盘处于水平位置,仪器竖轴铅直。
整平的方法是:①使照准部水准管与任意两个脚螺旋连线平行,如图2-6a)所示,两手以相反方向同时旋转①、②两脚螺旋,使水准管气泡居中。
②将照准部平转90︒(有些仪器上装有两个水准管,则可以不转),如图2-6b)所示,再用另一个脚螺旋③使水准管气泡居中。
用途:6 秒级经纬仪适用于低等控制测量,地形测量,矿山、铁路、建筑测量和一般工程测量。
精度:水平方向一测回方向中误差不大于±6",天顶距测量中误差不大于±9"。
特点:◆仪器可在+45°C ~-25°C 环境中工作精度可靠;◆J6E 光学经纬仪望远镜成正像;◆度盘采用带尺读数系统,水平和垂直读数同一照明,使用方便;◆竖轴采用强制定心和球面导轨滚珠支承的半运动式轴系,定平和置中精度高;◆基座装有防偏扭簧片。
J6、J6E 光学经纬仪使用说明书一、仪器的用途和特点本仪器的测角精度:水平方向一测回的方向误差不大于±6";天顶距测量中误差不大于±9",适用于低等控制测量,地形测量,矿山测量和工程导线测量等。
本仪器具有下列特点:1、望远镜采用内调焦系统(J6E 为正像内调焦系统),主物镜为三片分离型结构。
分划板设有双丝和单丝,便于照准不同目标,水平和垂直分划丝上均有供测距用的视距丝。
望远镜孔径大,鉴别率高,成像清晰,用于观测远近目标均适宜。
2、度盘读数采用光学带尺读数系统,在同一视场内可同时直接读取水平角和天顶距,并公用一个照明系统,使用方便,读数快速、精确。
3、对点器系一小型望远镜,用于对地面点进行观测,其物镜可随照准部转动;易于发现和消除对点误差,仪器还附有测锤,便于在不同条件下的对点工作。
4、竖轴采用强制定心球面导轨滚珠支承的半运动式轴系(结构示意图见下图),定向及置中精度高,对温度不敏感,不易卡死。
由于强制定心和大型球面滚珠支承的摩擦力距较大,运转时有轻微“沙沙”声,但绝不影响使用。
5、基座内设有防偏扭簧片,通过此簧片将基座上、下体作半刚性联接,可防止扭转,消除偏扭误差。
6、按用户要求可提供管状定心磁针。
7、仪器出厂前均经环境模拟试验和防霉、防雾处理,经久耐用。
仪器可在-25°C ~+40°C 环境温度下工作。
第二讲:J6光学经纬仪的读数方法
一.读数原理:
J6型光学经纬仪采用分微尺读数法。
水平度盘和竖直度盘的格值都是1o,而分微尺的整个测
程正好与度盘分划的一个格值相等,又分为60小格,每小格1',估读至0.1' ,注意估读数据一般为6的倍数。
读数时,首先,读取分微尺所夹的度盘分划线的度数,再依该度盘分划线在分微尺上所指的小1o的分数,二者相加,即得到完整的读数。
二.读数方法:
如图所示,读数窗中上方H(水平角)为水平度盘影像,读数度,分,秒读数分别为:215 ,6,48(秒为估读值),最终读数结果为:215o6'48'';
读数窗中下方V(竖角)为竖直度盘影像,读数原理与水平角H的读数原理相同,读数为:78o52'30''。
三.数据表格
仪器型号与编号:班组:观测者:记录者:日期:
Welcome To Download !!!
欢迎您的下载,资料仅供参考!。