隧道防水板施工工法
- 格式:doc
- 大小:48.71 KB
- 文档页数:9
高寒隧道保温防水板施工工法李鹏张东阳(中铁二十一局集团第四工程有限公司)1.前言鄂拉山隧道为共和至玉树高速公路上的一条特长隧道,隧道全段处于海拔4300以上,是典型的高寒冻土隧道。
隧道围岩存在冻结基岩裂隙水及断层裂隙水,因此做好隧道的保温排水,能有效的防止隧道衬砌冻害的发生、从而大大提高隧道的耐久性。
2.工法特点及适用范围根据鄂拉山隧道出口段现有图纸和资料,在一次模筑与二衬之间同时挂设土工布、保温板和双层防水板具有一定的难度,且设计图中未明确聚氨酯保温板的具体施工方法。
结合隧道施工图纸及以往施工经验,特编此施工工法。
此工法最大特点是在无悬挂的条件下,以不破坏隧道 1.5mm厚防水板防水效果,铺设保温板及挂社第二层防水板。
3.施工方法及操作要点3.1工艺流程挂土工布→铺防水板→支撑钢筋→保温板→防水板3.2设计要求先挂一层400g/㎡的无纺布在一次模筑上,然后再挂1.5mm厚的防水板,接着再安装5cm厚的聚氨酯保温板,最后再挂一层1mm厚的防水板(图1)。
C30低温早强喷射砼C30钢筋砼一次模筑400g/㎡无纺布1.5mm厚EVA防水板5cm厚聚氨酯隔热板1mm厚EVA防水板二衬C45钢筋混凝土图1无纺布、防水板、保温板挂设分解图3.3施工步骤3.3.1土工布挂设在一衬模筑施工完毕后,先把一次模筑混凝土表面的灰尘和污垢清理干净,然后开始铺设土工布,要注意土工布的铺设要紧贴一次模筑混凝土面层,利用射钉梅花状固定,要把土工布尽量整平,使得成形后的土工布平整密贴,防止土工布褶皱堆积造成人为蓄水点。
3.3.2 1.5mm厚防水板挂设土工布完成后挂设防水板,挂设防水板从拱部向两侧边墙悬挂进行,下部防水板必须压上部,然后用手动电热熔接器加热,使防水板焊接在固定土工布的专用热熔衬垫上,防水板铺设要松紧适度,使之能与土工布充分结合并紧贴在一次模筑混凝土表面(图2)。
图2土工布及一次防水板挂设大样图防水板的焊接必须符合施工规范,焊接搭接宽度不得小于120mm (图3)。
隧道防水板施工工法一、工法特点施工工艺完善、简便,可操作性强。
采用此技术施工质量能够得到很好的控制,满足设计及验收标准的要求。
二、适用范围本工法适用于三淅高速LXTJ-10标隧道防水板施工。
三、施工工艺1.防水板施工采用无钉铺设工艺,其施工工艺流程见图1。
图1 隧道防水板施工工艺流程图2.1施工准备⑴洞外准备:检验防水板质量,用铅笔划焊接线及拱顶分中线,按每循环设计长度截取,对称卷起备用。
⑵洞内准备:铺设台架行走轨道;施工时采用两个作业台架,一个用于基面处理,一个用于挂防水板,基面处理超前防水板两个循环。
⑶断面量测:测量断面,对隧道净空进行量测检查,对个别欠挖部位进行处理,以满足净空要求;同时准确测放拱顶分中线。
⑷基面处理:①局部漏水采用注浆堵水或埋设排水管直接排水到边。
②钢筋网等凸出部分,先切断后用锤铆平抹砂浆素灰(如下图)。
有凸出的管道时,用砂浆抹平(如下图)。
锚杆有凸出部位时,螺头顶预留5mm 切断后,用塑料帽处理(如下图)。
切断用锤打砂浆素灰抹面切断面要平整用砂浆填死③初期支护应无空鼓、裂缝、松酥,表面应平顺,凹凸量不得超过±5cm (如下图)。
2.2.铺设防水板防水板超前二次衬砌10~20m 施工,用自动热焊机进行焊接,铺设采用专用台车进行。
⑴铺设前进行精确放样,弹出标准线进行试铺后确定防水板一环的尺寸,尽量减少接头。
⑵复合式防水板铺设采用洞外大幅预制,洞内整卷起吊,无钉铺设工艺。
从拱顶向两侧铺设,防水板铺设要有一定松驰量。
在喷砼表面采用ZIC-16电锤Φ8钻头钻眼,塑料膨胀螺栓固定,锚固点边墙间距100cm ,拱部间距50cm ,拱腰间距70cm 沿隧道纵向在锚固点上绑扎铁丝,防水板用背带与铁丝绑紧。
⑶防水板铺设采用从下向上的顺序铺设,松紧应适度并留有余量(实铺长度与弧长的比值为10:8),检查时要保证防水板全部面积均能抵到围岩。
⑷防水板铺挂前,用带热塑性圆垫圈的射钉将缓冲层平整顺直地固定在基层上(见下图),缓冲层搭接宽度50mm ,可用热风焊枪点焊,每幅防水板布置适当排数垫圈,每排垫圈距防水板边缘40cm 左右,锚固点间距:边墙2~3点/m 2 ,拱顶3~4点/m 2。
隧道防水施工工法保护地下工程免受水灾侵蚀隧道作为地下工程的一种重要形式,广泛应用于交通、水利、能源等领域。
但是,由于隧道地下环境特殊,容易受到水灾的影响,因此在隧道施工中,防水工程显得尤为重要。
本文将介绍常见的隧道防水施工工法,以保护地下工程免受水灾侵蚀。
一、隧道防水基本原理隧道防水旨在防止地下水渗透进入隧道内部,从而保护隧道结构和设备设施的完整性。
隧道防水工程的基本原理可以归纳为以下几个方面:1. 隧道面层防水:通过在隧道内壁或外壁铺设防水材料,如防水涂料、防水卷材等,形成一道物理屏障,阻止地下水渗透进入隧道内部。
2. 导水排水:在隧道内设立排水系统,通过排水管道将隧道内的渗漏水引导出去,降低地下水位,减少对隧道的影响。
3. 控制侧渗:通过在隧道两侧建立隔水帷幕或注浆固结,限制地下水的侧渗,阻止水流进入隧道。
二、隧道防水施工工法1. 隧道防水涂料工法隧道防水涂料工法是一种常用的防水方法。
施工过程中,先进行基层处理,清除杂物、填平坑洞,然后刷涂底漆,增强基面附着力。
接下来,采用刮涂或喷涂的方式施工防水涂料,形成均匀、致密的防水层。
最后,对防水层进行检查,确保施工质量符合要求。
2. 隧道防水卷材工法隧道防水卷材工法是一种常用的柔性防水方法。
首先,在隧道壁面进行基层处理,清除杂物,填补凹凸。
然后,使用专用的胶粘剂将防水卷材粘贴在隧道壁面上,并采用热风枪加热处理,提高粘结性能。
接着,对防水卷材进行联接处理,确保整个防水层的一体性。
最后,进行验收,确保防水质量符合标准。
3. 隧道防水板堵漏工法隧道防水板堵漏工法适用于有较大水压或较强渗透性的隧道。
施工前,先进行基层处理,包括清洁隧道壁面,并用混凝土修补坑洞。
然后,在隧道壁面钻孔,并注入建立压力的堵漏材料。
待堵漏材料凝固后,再钻孔并注入混凝土,固化成为防水板。
4. 隧道防渗混凝土工法隧道防渗混凝土工法适用于需要在施工中同时进行防水和结构加固的情况。
施工前,先进行基层处理,清除杂物,修补洞坑。
公路隧道EVA防水板电磁焊接施工工法公路隧道EVA防水板电磁焊接施工工法一、前言公路隧道是现代交通工程的重要组成部分,而隧道防水是确保隧道长期运行安全的关键因素之一。
EVA防水板电磁焊接施工工法作为一种新兴的防水施工工法,在工程实践中得到了广泛应用。
本文将详细介绍这种工法的特点、适应范围、工艺原理、施工工艺、劳动组织、机具设备、质量控制、安全措施、经济技术分析以及工程实例,以便读者全面了解和掌握该工法。
二、工法特点EVA防水板电磁焊接施工工法具有以下特点:1. 施工速度快:采用电磁焊接技术,施工速度可达每小时30-50米,大大提高了施工效率。
2. 施工精度高:电磁焊接技术能够确保焊缝牢固,无漏水问题,保证防水效果。
3. 施工质量好:电磁焊接技术可确保焊接质量稳定,且不损坏EVA防水板的性能。
4. 适应性强:适用于各种规模和形状复杂的公路隧道,能满足不同要求的防水设计。
5. 环境友好:电磁焊接技术无烟、无尘、无噪音,对施工环境和施工人员的健康无有害影响。
三、适应范围EVA防水板电磁焊接施工工法适用于各种公路隧道,尤其是那些形状复杂、施工周期较短、适应性要求高的隧道。
该工法不仅适用于新建隧道的防水施工,也适用于既有隧道的修补和加固工程。
四、工艺原理EVA防水板电磁焊接施工工法的核心是电磁板焊接技术。
该技术利用电磁场对EVA防水板进行加热,使其熔化并与基层材料形成牢固的焊接接头。
具体步骤包括:准备工作、安装电磁板焊接设备、确定焊接参数、焊接施工、焊接接头检测等。
这些步骤的具体操作将在下一节中详细描述。
五、施工工艺EVA防水板电磁焊接施工工法的施工工艺主要包括以下几个阶段:1. 准备工作:确认施工图纸和技术要求,准备所需材料和机具设备。
2. 基层处理:清理基层表面,确保其平整、干燥、无杂物和浮浆。
3. 安装电磁板焊接设备:按照规定的施工工艺要求进行设备安装,并进行调试和检查。
4. 确定焊接参数:根据材料和设备性能,确定合适的焊接参数,包括温度、压力等。
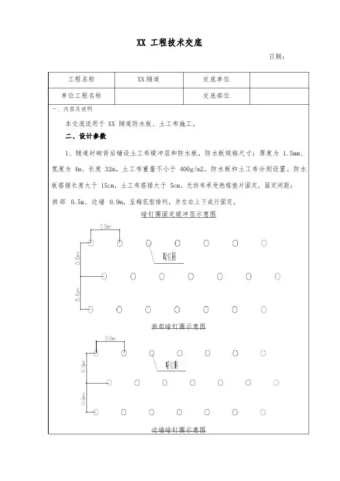
工程名称单位工程名称一、内容及说明XX 隧道交底单位交底部位本交底适用于 XX 隧道防水板、土工布施工。
二、设计参数1、隧道衬砌背后铺设土工布缓冲层和防水板,防水板规格尺寸:厚度为 1.5mm 、宽度为 4m 、长度 32m 。
土工布重量不小于 400g/m2。
防水板和土工布分别设置。
防水板搭接长度大于 15cm ,土工布搭接大于 5cm 。
无纺布承受热熔垫片固定,固定间距: 拱部 0.5m 、边墙 0.9m ,呈梅花型排列,并左右上下成行固定。
暗钉圈固定缓冲层示意图拱部暗钉圈示意图边墙暗钉圈示意图日期: XX 工程技术交底三、施工方法及工艺流程1、施工预备:检查防水板的质量有无破损、撕裂、油污等。
铺设台车行走轨道;施工时承受两个作业台架,一个用于基面处理,一个用于挂防水板。
由测量班对隧道净空检查,对个别欠挖部位进展处理。
2、防水板铺设前应先对隧道初期支护喷混凝土外表进展处理,切除锚杆头和钢筋露头,并用细石混凝土抹平掩盖,确保喷射混凝土填平,确保喷混凝土外表平坦,无锋利角。
钢筋网等凸出局部,先切断后用锤铆平抹砂浆素灰〔如以下图〕。
切断用锤打砂浆素灰抹面对有突出的管道,先切割后用锤铆平,抹砂浆〔如以下图〕。
切断面要平坦用砂浆填死锚杆有凸出部位时,螺头顶预留5mm切断后,用塑料帽处理〔如以下图〕。
螺栓5mm以上塑料帽切断初期支护界面保护砂浆切断盖帽3、缓冲层铺设,用作业台车将单幅无纺布固定到预定位置,由拱部向两侧边墙铺设。
用专业射钉将热熔垫片和土工布平顺地固定在喷射混凝土上,固定点间距:拱部0.6m、边墙 0.9m。
呈梅花形排列,基面凸凹较大处应增加固定点,使缓冲层与基面密贴。
缓冲层搭接宽度不小于 5cm,铺设的缓冲层应平顺,无隆起,无皱褶。
4、防水板铺设:4.1、防水板铺设应超前二次衬砌施工,承受电热压焊器进展焊接,铺设承受专用台车进展,并设临时挡板防止机械损伤和电火花灼伤防水板。
4.2、防水板与无纺布分开铺设,先在初期支护上铺设无纺布,再利用无纺布安装专用热熔垫片把防水板固定在无纺布上。
隧道防水板的施工铺设方案隧道防水板在施工应用中一般有三种铺设方法:1、锚钉固定法(热熔垫锚固焊接)2、挂设塑料防水板的无锚钉铺设法.3、暗扣系结挂设法(系带悬吊法)。
前两种铺设现场劳动强度大,防水效果相对较差,目前多采用暗扣系结挂设(系带悬吊法)操作简便.该生产工艺所生产的产品最适宜采用暗扣系结挂设(系带悬吊法),在施工应用中可提高铺设质量和效率,施工方便、造价低,节省工程投资,提高工程质量稳定性,优异于热熔锚固焊接.1、暗扣系结挂设(系带悬吊法)(1)岩面处理。
将外露的锚杆头、钢筋网头齐根切除,并用水泥砂浆抹平。
对于初期支护表面存在的凹凸部分,当矢高/弦长>1/6时,要作局部找平。
根据找平范围的大小选取补喷砼、抹砂浆或局部挂板模筑砼的方法找平,直到满足矢高/弦长>1/6时,才算合格。
这样作的目的是为了防止灌筑砼时因防水板局部凹凸被拉破。
(2)挂前拼焊.将幅面较窄的成卷出厂定型产品平铺在地面上,拼焊成便于运输,铺挂的大幅面卷材。
拼焊时应将两块复合土工合成材料的土工膜面相贴焊接.而不得将土工膜板面与土工织物面焊在一起,以防止裂隙水沿接头处土工织物通过毛细渗透,造成渗漏水。
拼焊的接头搭接处宽度不小于100mm。
焊接不允许有漏焊、假焊现象,凡烤焦、焊穿处,必须用塑料片焊贴覆盖。
焊好的大幅面防水材料成卷放置备用。
土工织物面向外。
(3)防水材料的悬挂。
采取“由下向上”、“试铺定位”的悬挂方法。
“由下向上”是指防水材料先从两侧边墙墙脚向上铺起,最后在拱顶合拢这种方法对于大断面隧道,净空高,所需防水材料量大,卷材重的情况较为适用,因为随着铺设位置的不断提高,卷材逐渐被打开,其重量也越来越轻,便于高空作业。
“试铺定位”的悬挂过程如下:将防水卷材逐渐展开,贴着初期支护表面托起,当无纺织物上的吊带贴到初期支护表面时,停下来做好标记,然后将托起部分的防水材料放下,在定好的位置上用电钻打眼,深度100mm左右,将预先系有细铅丝的小木桩钉入,并将高于初期支护表面的部分切除,该高度的一排桩全部钉完后,再把防水材料向上翻起,并贴近初期支护表面,将吊带与铅丝系牢固.沿环向,往上以同样的方法进行下排防水材料吊带的悬挂,直进行至拱顶,转而进行另外一块大幅防水板的悬挂.若为了加快进度,也可数块防水材料同时铺挂,平行作业。
隧道防水板施工工法隧道防水板施工工法一、项目背景和目的隧道防水是隧道工程中非常重要的一项施工工作,其目的是确保隧道结构的稳定和安全。
本旨在提供一套详细的隧道防水板施工工法,以指导施工人员进行施工操作。
二、材料准备1. 防水板材料:根据隧道尺寸和设计要求选择合适的防水板材料,常用的有聚氯乙烯(PVC)防水板、高份子聚合物膜等。
2. 涂料材料:选择适合防水板施工的涂料材料,如环氧树脂、聚氨酯等。
3. 辅助材料:包括胶粘剂、密封胶、防水带等。
三、施工准备1. 清理工作区域:清除隧道内可能存在的障碍物和杂物,确保施工区域干净整齐。
2. 检查防水板材料:对防水板材料进行检查,确保质量合格,无损坏和缺陷。
3. 准备施工工具:包括刷子、滚筒、刮刀、电动工具等,确保施工过程中的需要。
四、施工步骤1. 防水板铺设:根据设计要求,将防水板铺设在隧道表面,确保板与板之间的重叠部份符合要求。
2. 粘贴防水带:在防水板的重叠部份和与地面的接触部份使用防水带进行粘贴,确保无水渗透。
3. 涂布涂料:在防水板上均匀涂布涂料,确保防水效果。
4. 处理接缝和细部:对隧道内的接缝和细部进行处理,确保无漏水和渗水。
五、施工注意事项1. 安全第一:施工过程中,需要严格遵守安全操作规程,佩戴好个人防护装备。
2. 施工质量:施工过程中应严格按照设计要求进行施工,确保防水效果。
3. 环境保护:施工完成后,应清理施工区域,确保无环境污染。
附件:1. 设计图纸2. 防水板材料检测报告3. 施工工具清单4. 施工记录表法律名词及注释:1. 隧道工程:指为道路、铁路、地铁等交通工具或者管线等设施开挖的地下通道。
2. 防水板:用于隧道防水的特殊板材,具备良好的防水性能。
3. 聚氯乙烯(PVC)防水板:一种具有优异防水性能的防水板材料,常用于隧道防水工程。
4. 高份子聚合物膜:一种涂层材料,也用于隧道防水工程,具有很好的防水性能。
隧道防水板、止水带施工作业指导书1 目的明确隧道防排水作业工艺流程、操作要点和相应的工艺标准,指导、规范隧道防排水作业施工,杜绝隧道结构渗漏水的发生,确保衬砌表面无湿渍,满足隧道防排水设计和规范要求。
2 编制依据⑴《客运专线铁路隧道工程施工指南》(TZ214-2005);⑵《客运专线铁路隧道工程施工质量验收标准》铁建设[2005]160号;⑶《铁路隧道施工规范》(TB10204-2002);⑷《地下工程防水技术规范》(GB50108);⑸武广公司下发的各隧道施工图纸、参考图。
3 适用范围适用于武广铁路客运专线XXTJIII标段隧道二次衬砌防排水作业,主要是防水板、纵环向排水盲管及止水带和止水条的安装作业等。
4 工艺流程及技术要求4.1 防排水设计土质隧道采用“以堵为主、以排为辅”的原则,石质隧道采用“防、截、排、堵相结合,因地制宜,综合治理”的原则,达到防水可靠,经济合理,不留后患的目的。
隧道防水等级必须达到国家标准《地下工程防水技术规范》(GB50108)规定的一级防水等级标准,二次衬砌结构不允许渗水,二次衬砌机构表面无湿渍。
隧道结构防排水主要采取的措施为:①在隧道内设双侧排水沟和中心排水沟(向塘村一号、二号设有中心排水沟),中心排水管与侧沟以PVC泄水管连接;②隧道初期支护与二次衬砌间拱墙铺设防水板加土工布防水;③防水板背后设置环向盲沟,防水板下端墙脚处设置纵向盲沟;④二次衬砌沉降缝及环向、纵向施工缝采用复合防水处理措施;⑤隧道衬砌采用防水混凝土,抗渗等级不低于P8;⑥隧道衬砌施工并变形完成后,进行衬砌背后回填注浆。
本线隧道二次衬砌混凝土采用防水混凝土,其拱墙设置PVC塑料防水板加土工布,明洞外贴PVC防水卷材;施工缝设置中埋式止水带,并涂刷混凝土界面剂;二次衬砌混凝土施工后,拱部进行充填注浆。
拱墙每8~10m设1环φ50环向透水盲沟,两侧边墙外侧泄水孔标高处设纵向贯通的直径φ160/142“HDPE打孔波纹管”透水管盲沟各1道,纵向盲沟15m一段,该盲沟通过三通接头与环向盲沟及边墙泄水孔连通。
隧道防水板、止水带施工要点解析隧道施工中的防排水施工一直是隧道施工中的薄弱项,以往通常的施工方法比较费劲,经过在施工现场不断摸索,我们对其进行了一些改进,使改进后的施工方法变得简单方便、易于掌握,且高效节约。
一、防水板施工防水板是用高分子聚合物制成的防渗水板材,既可以防止液体渗漏,也可以预防气体挥发。
隧道防水板施工要点如下:挂前拼焊:1、在洞外据拟铺挂面积的大小将2~3幅幅面较窄的成卷防水板下料;2、然后将其平铺在地面上拼焊成便于运输、铺挂的大幅面防水板,减少洞内作业的焊缝数量,以提高焊接质量;3、防水板应减少接头;4、防水板拼接采用热合机双焊缝焊接,要求搭接宽度不小于100mm,控制好热合机的温度和速度,保证焊缝质量。
5、焊缝应严密,单条焊缝的有效焊接宽度不应小于12.5mm.注意要点:1、焊接前待焊接头板面应擦净,并应应根据材质通过试验确定焊接温度和速度。
2、焊接时应避免漏焊、虚焊、烤焦或焊穿。
3、沿隧道纵向一次铺挂长度宜比本次二次衬砌施工长度多1.0m左右,以使与下一循环的防水层相接;同时可使防水层接缝与衬砌混凝土接缝错开1.0m左右,有利于防止混凝土施工缝渗漏水。
施工要点:1、为保证防水板铺挂质量,应先进行试铺定位。
2、固定点间距的控制:尺量检查,固定点间距拱部0.5~0.7m,侧墙1.0~1.2m,在凹凸处应适当增加固定点,布置均匀。
3、松弛率:防水板吊环间距需根据其铺挂松弛率要求来确定,环向松弛率经验值一般取10%,纵向松弛率一般取6%.根据初期支护表面平整程度适当调整,以保证灌筑混凝土时板面与喷混凝土面能密贴。
注意要点:1、防水板洞内铺挂宜由下至上、环状铺设,将预先焊接在防水板上的吊环用木螺钉固定在膨胀管上固定。
2、防水板铺设应超前二衬施工1~2个衬砌段,形成铺挂段→检验段→二衬施工段,流水作业。
二、中埋式止水带施工止水带安装:1、隧道混凝土施工缝在设计中要求预埋中埋式止水带。
2、作为施工缝防水的主要材料,中埋式止水带要求一半预留、一半预埋,且须设置在混凝土断面的中间位置。
目录第一章机具设备 (2)第二章劳动组织 (3)第三章工程实例 (3)第四章前言 (4)第五章工法特点 (4)第六章适用范围 (5)第七章施工工艺与质量控制 (5)1第一章机具设备初支喷射砼、二衬模筑砼及回填注浆所采用的机具设备都是常见的,这里就不再列出。
防水板铺设与集中堵漏所使用的机具如下表。
防水板铺设和堵漏机具表2第二章劳动组织隧道工程初期支护和二次衬砌施工的劳动组织是隧道施工组织设计中常见的,下面列出防水板铺设和堵漏时的作业人员。
第三章工程实例XX地铁*号线配套工程,XX火车站5 号出入口至省汽车站人行隧道工程主体隧道长353m,最大净跨度8m,地下水丰富。
由于常年人流密集,设计采用了我国目前地下工程防水的最高等级一级防水,而且不允许设暗管引排。
该隧道于2002 年6 月开工,2003 年2 月隧道初期支护完工,2003 年5 月隧道二次衬砌完工。
在XX地区质量监督站、XX市地铁总公司组织的主3隧道初支和二衬分部工程中间验收时(XX市规定:分部工程要进行中间验收),防水工程质量获得一致好评,他们认为“是XX地铁施工以来最好的防水工程质量”。
第四章前言XX地铁*号线火车站5 号出入口至省汽车站人行隧道工程位于XX火车站西侧闹市区,隧道主要用于火车站、地铁站、省汽车站、市汽车站及天马服装市场之间常年密集的人流通行。
隧道覆土深度2.0~3.5 米,主要为粉质砂粘土,地下水平均埋深1.5m。
设计规定本隧道采用一级防水,即完全不允许有渗水现象,结构表面无湿渍,防水堵漏一直是地下工程施工中很“头疼”的问题,而且业主还要求:“只能设防、不作引排”,这给防水施工更增加了难度。
本工法即是在施工过程中,采取主体防水与辅助防水相结合、刚性防水与柔性防水相结合、分区止水与局部止水相结合,取得了很好的效果。
第五章工法特点1、本工法的初支背后注浆、柔性防水板铺设、防水钢筋砼施工缝与变形缝处理及渗水点封堵所采用的设备均比较简单,而且操作简便。
隧道复合防水板铺设施工工法1、前言隧道工程作为典型的地下工程,在其施工及运营期间,渗漏水以多种形式表现出来,对隧道支护结构产生极大的危害。
如果渗漏水不能及时、有效地排出,一旦渗漏到二衬中,对二衬混凝土及钢筋会造成严重的腐蚀,这将影响衬砌整体的强度和耐久性,从而大大缩短隧道工程的使用寿命。
XX至淅川高速公路LXTJ-7标XX隧道工程地质以W、V级围岩为主,属较软、较破碎、中〜厚层状结构围岩,层间结合较差,降雨时有潮湿或点滴状出水现象,局部呈淋雨状,围岩易坍塌,处理不当会出现较大的坍塌,因此做好隧道防、排水施工成为保证XX隧道施工及运营安全的重中之重。
桥梁公司LXTJ-7标项目经理部技术人员从XX 隧道工程地质和隧道防水要求的实际出发,结合以往隧道施工经验,选取典型区段进行隧道防水板铺设试验段施工,经过一系列改进和提炼工作,最终总结形成了采用350g/m2的无纺土工布+1.2mm厚EVA防水卷材的复合防水板铺设施工工法,并将此工法推广用于整个XX 隧道防水板的施工,从而使得该隧道工程防水效果得到了很好的保证。
2、工法特点2.1施工工艺简单,可操作性好,可修补性强;施工过程中无明火、无烟、无有毒气体产生,对施工环境要求低。
2.2防水板采用电热压焊器和自动双缝爬行式热合器焊接,焊缝连接效果好、强度高、防水效果好。
2.3分层“试铺定位”来确定锚钉的位置,能较准确地预留防水板松弛量,防止出现因松弛量预留不准确而造成浪费防水板或拉断吊带重铺防水板,有利于防水板铺设质量的保证。
3、适用范围本工法适用于采用350g/m2的无纺土工布+1.2mm厚EVA防水卷材做复合防水板的公路、铁路隧道以及水工、军工、矿工等各种地下工程的防水施工,尤其适用于大断面隧道防水板的铺设。
4、工艺原理4.1通过在基面上预铺无纺土工布保护层,防止防水板与基面的直接接触,保护防水板在二衬混凝土压力作用下不被破坏。
4.2通过在无纺土工布上预设塑料固定垫圈,利用电热压合技术,使防水板与塑料垫圈粘合,达到无钉铺设的效果,保证防水板的完整性。
隧道防水板施工工法隧道防水板施工工法是一种用于隧道防水的常用施工方法。
隧道防水板施工工法通过安装防水板来保护隧道结构,防止地下水渗入隧道内部,从而提高隧道的使用寿命和安全性。
本文将介绍隧道防水板施工工法的步骤和注意事项。
第一步:准备工作在进行隧道防水板施工之前,需要进行充分的准备工作。
首先,需要清理隧道内部的杂物和垃圾,确保施工区域整洁。
其次,需要对隧道内部的结构进行检查和修复,确保没有裂缝和破损。
最后,需要准备好防水板和相关工具设备,确保施工顺利进行。
第二步:基层处理在进行隧道防水板施工之前,需要对隧道内部的基层进行处理。
首先,需要进行表面清洁处理,将油污和灰尘清除干净。
其次,需要进行基层修复,对破损的地方进行修补,确保基层平整、牢固。
最后,需要涂刷一层底漆,提高防水板的附着力和耐久性。
第三步:防水板安装隧道防水板的安装是整个施工过程中的关键步骤。
首先,需要将防水板根据隧道的形状和尺寸进行裁剪,并预留出伸缩缝和接缝。
然后,需要将防水板用专用胶水或粘合剂固定在基层上,确保与地面紧密贴合。
安装时要注意排除空气,确保防水板与基层之间没有气泡和空隙。
第四步:接缝处理施工完成后,需要对防水板的接缝进行处理,确保防水性能。
首先,使用专用的密封胶进行接缝填补,确保接缝牢固。
然后,使用专用的压贴工具将接缝部分进行压实,提高接缝的密封性能。
接缝处理时要注意材料的选择和施工的技术要求,以确保接缝的质量。
第五步:防水板保护隧道防水板施工完成后,需要进行防水板的保护工作。
首先,需要对防水板进行检查,确保没有破损和脱落。
其次,需要进行防水涂层的施工,提高防水板的耐候性和耐久性。
最后,需要进行隧道防水系统的检测和维护,确保防水效果良好。
总结隧道防水板施工工法是一种重要的隧道防水方法,能够有效地保护隧道结构,防止地下水渗入。
在施工过程中,需要进行准备工作、基层处理、防水板安装、接缝处理和防水板保护等步骤。
施工过程中要注意材料的选择、施工的技术要求和防水系统的检测和维护,以确保防水效果达到预期目标。
隧道防水工程施工一、隧道防水工程施工准备1.工程调查:在进行隧道防水工程前,需要对隧道结构及周围环境进行详细的调查,了解地质条件、地下水情况、周围建筑物等情况,为后续施工提供依据。
2.设计方案确认:根据工程调查结果,确定隧道防水工程的设计方案,包括防水材料、施工工艺等方面。
3.材料准备:根据设计方案确定所需的防水材料,包括防水涂料、防水板、防水卷材等,确保材料品质合格。
4.施工人员培训:为保证隧道防水工程施工质量,需要对施工人员进行专业培训,了解施工要求及施工技术。
二、隧道防水工程施工工艺1.清洁基底:在进行隧道防水工程施工前,需要对隧道结构表面进行清洁处理,去除污垢和杂物,保证防水材料的粘接性。
2.预处理:根据设计方案要求,进行隧道结构的预处理,如填充裂缝、修补破损部分等,确保基础结构完好。
3.防水材料施工:根据设计方案确定的防水材料,进行防水层施工,包括刷涂、铺设防水板、粘贴防水卷材等,保证防水层的完整性和牢固性。
4.验收检验:对完成的隧道防水工程进行验收检验,检验防水层的厚度、质量、密实性等指标,确保防水工程达到设计要求。
如果出现质量问题,需要及时整改。
5.养护保养:完成隧道防水工程后,需要对防水层进行养护保养,确保防水层的使用寿命和防水效果。
三、隧道防水工程施工质量控制1.施工过程监管:在隧道防水工程施工过程中,需要对各个施工环节进行严格监管,确保施工质量符合规范要求。
2.材料质量控制:对使用的防水材料进行严格把关,确保材料质量符合标准要求。
3.施工质量验收:完成隧道防水工程后,需要对整个工程进行质量验收,对工程过程中出现的问题进行整改,确保工程质量合格。
4.隧道防水工程档案管理:完善隧道防水工程的档案管理,包括施工记录、质量检验报告、验收报告等,为今后的维护保养提供依据。
总结:隧道防水工程施工需要严格按照规范要求进行,包括施工准备、施工工艺和施工质量控制等方面,只有做好每一个环节,才能确保隧道防水工程的施工质量和效果。
隧道防水板施工工法一、工法特点施工工艺完善、简便,可操作性强。
采用此技术施工质量能够得到很好的控制,满足设计及验收标准的要求。
二、适用范围本工法适用于三淅高速LXTJ-10标隧道防水板施工。
三、施工工艺1.防水板施工采用无钉铺设工艺,其施工工艺流程见图1。
图1 隧道防水板施工工艺流程图2.1施工准备⑴洞外准备:检验防水板质量,用铅笔划焊接线及拱顶分中线,按每循环设计长度截取,对称卷起备用。
⑵洞内准备:铺设台架行走轨道;施工时采用两个作业台架,一个用于基面处理,一个用于挂防水板,基面处理超前防水板两个循环。
⑶断面量测:测量断面,对隧道净空进行量测检查,对个别欠挖部位进行处理,以满足净空要求;同时准确测放拱顶分中线。
⑷基面处理:①局部漏水采用注浆堵水或埋设排水管直接排水到边。
②钢筋网等凸出部分,先切断后用锤铆平抹砂浆素灰(如下图)。
有凸出的管道时,用砂浆抹平(如下图)。
锚杆有凸出部位时,螺头顶预留5mm 切断后,用塑料帽处理(如下图)。
切断用锤打砂浆素灰抹面切断面要平整用砂浆填死③初期支护应无空鼓、裂缝、松酥,表面应平顺,凹凸量不得超过±5cm (如下图)。
2.2.铺设防水板防水板超前二次衬砌10~20m 施工,用自动热焊机进行焊接,铺设采用专用台车进行。
⑴铺设前进行精确放样,弹出标准线进行试铺后确定防水板一环的尺寸,尽量减少接头。
⑵复合式防水板铺设采用洞外大幅预制,洞内整卷起吊,无钉铺设工艺。
从拱顶向两侧铺设,防水板铺设要有一定松驰量。
在喷砼表面采用ZIC-16电锤Φ8钻头钻眼,塑料膨胀螺栓固定,锚固点边墙间距100cm ,拱部间距50cm ,拱腰间距70cm 沿隧道纵向在锚固点上绑扎铁丝,防水板用背带与铁丝绑紧。
⑶防水板铺设采用从下向上的顺序铺设,松紧应适度并留有余量(实铺长度与弧长的比值为10:8),检查时要保证防水板全部面积均能抵到围岩。
⑷防水板铺挂前,用带热塑性圆垫圈的射钉将缓冲层平整顺直地固定在基层上(见下图),缓冲层搭接宽度50mm ,可用热风焊枪点焊,每幅防水板布置适当排数垫圈,每排垫圈距防水板边缘40cm 左右,锚固点间距:边墙2~3点/m 2 ,拱顶3~4点/m 2。
隧道防水板施工工法
隧道在现代交通和城市建设中扮演着重要的角色,但由于地下
水位的存在以及地下水渗透问题,隧道防水变得至关重要。
隧道防
水板是解决隧道渗漏问题的有效方法之一。
本文将介绍隧道防水板
的施工工法。
一、准备工作:
在进行隧道防水板施工之前,必须进行充分的准备工作。
首先,需要对隧道进行彻底的清洁,以确保表面无尘、无污染物。
其次,
要对隧道进行充分的检测,了解隧道的渗漏情况和结构状况,以确
定施工方案。
二、施工材料和设备准备:
隧道防水板的施工需要准备相关材料和设备。
常用的隧道防水
板材料有聚氯乙烯(PVC)防水板、高分子卷材等。
施工设备包括
切割机、焊接机、热风枪等。
三、基底处理:
隧道防水板施工前需要对基底进行处理。
首先,要清除基底表面的污物和松动物,以确保粘结牢固。
然后,使用腐蚀性材料进行防腐处理,以延长隧道的使用寿命。
四、隧道防水板的安装:
1. PVC防水板的安装:
a、首先,要将PVC防水板铺设在基底上,将板材展开并顺着隧道的长度进行切割,使其与隧道的尺寸相适应。
b、使用热风枪加热PVC防水板的表面,使其软化,并迅速将其贴附在基底上。
c、在将PVC防水板粘贴到基底时,要确保板材之间和板材与基底之间无气泡,并使用辊筒进行压实。
d、将相邻的PVC防水板通过热风枪进行焊接,以增加其牢固性和防水性能。
2. 高分子卷材的安装:
a、将高分子卷材铺设在基底上,将其展开并与隧道的尺寸相适应。
隧道防水板施工工艺技术大全全隧满铺1.5mm厚,无纺布单位质量300g/m2的复合防水板为例,采用无钉法热风双焊缝施工工艺铺设防水层。
一、施工工艺:1、防水卷材及无纺布要在初期支护验收合格后方可施工,同时应特别检查砼表面,除去露出的尖锐物。
2、铺设衬砌背后的防水板前,应在防水板内侧(靠近围岩侧)将无纺布用暗钉圈固定在喷层上。
3、防水卷材的铺挂应采用双焊缝无钉铺挂工艺,防水卷材搭接长度不小于15cm4、隧道洞身模筑砼变形缝一般地段设置橡胶止水带。
二、防水板施工方案:1、防水板采用无钉铺设,板缝间连接利用材料本身热合,焊接严密可靠。
施工中使用作业台架,台架长4。
5m.先进行基面处理,然后铺设防水层,基面处理通常超前于防水层作业两个循环。
2、复合型防水板厚1.5mm(300g/m2无纺布),幅宽2。
5米.采用吊带式施工方法铺设,即利用主板与无纺布之间粘贴的布吊带将防水板固定在暗钉上;防水板缝间连接采用热风双焊缝施工工艺焊接,搭接长度15cm。
暗钉施作:先用电锤凿孔,下塑料胀管(或木锲),同时设置暗钉。
防水板铺设:利用防水板背后的布吊带将防水板固定于暗钉上。
防水板固定点间距:拱部为0。
5~0。
7m,侧墙为1.0~1.2m,在凹凸处适当增加固定点,点间防水层不得绷紧,保证二次模注砼浇注时不损坏防水板。
三、防水板的铺设与固定:铺设防水板1、铺设与锚固是同时交叉进行的,铺设固定塑料板时,不宜将板绷得太紧,在两个固定点之间应使板长与围岩喷层长度相等,以确保防水板与喷层表面密贴。
2、拱部铺设塑料板,应从上而下进行,洞身的塑料板均搭接在各种洞室塑料板上面,并在正洞与洞室外缘处加固定点,固定点间距为0。
5米,焊缝宽为2.5厘米,塑料板分左右两幅,借施工钢架分别从起拱线两侧同时自下而上逐环铺设,每一环由起始基线控制方向,其余各环均以搭接缝宽度控制方向。
3、墙部铺设塑料板:将大幅塑料板卷材吊起2—3米高,然后打开就位,先在墙部用射钉将板固定在喷层上,固定点间距为1.0米,每点锚固力应大于150KG,焊缝宽一般2.5厘米,边放边铺,逐排进行锚固.4、避车洞塑料板防水层铺设工艺及施工要求与正洞相同,最好与正洞同时铺设,但板材拼接应按实际开挖断面来选择.四、防水板搭接:1、采用环向搭接,搭接采用热楔法焊接搭接时,先实地丈量砼,喷层的内轮廓弧长加上富余量50cm,按此尺寸剪下塑料板,划出搭接宽度15cm的线.2、焊接温度及速度应适宜,温度过高速度过慢会烧伤防水板,削弱该处防水板焊接强度;温度过低,速度过快,则受焊面末充分熔融而影响粘合强度,从而影响焊缝质量,因此焊接时应充分考虑温度与速度的匹配关系。
..隧道防水板施工工法一、工法特点施工工艺完善、简便,可操作性强。
采用此技术施工质量能够得到很好的控制,满足设计及验收标准的要求。
二、适用范围本工法适用于三淅高速LXTJ-10标隧道防水板施工。
三、施工工艺。
防水板施工采用无钉铺设工艺,其施工工艺流程见图11...1 隧道防水板施工工艺流程图图 2.1施工准备按每循环设计检验防水板质量,用铅笔划焊接线及拱顶分中线,⑴洞外准备:长度截取,对称卷起备用。
洞内准备:铺设台架行走轨道;施工时采用两个作业台架,一个用于基面⑵处理,一个用于挂防水板,基面处理超前防水板两个循环。
断面量测:测量断面,对隧道净空进行量测检查,对个别欠挖部位进行处⑶理,以满足净空要求;同时准确测放拱顶分中线。
基面处理:⑷局部漏水采用注浆堵水或埋设排水管直接排水到边。
①钢筋网等凸出部分,先切断后用锤铆平抹砂浆素灰(如下图)②。
用锤打切断砂浆素灰抹面。
有凸出的管道时,用砂浆抹平(如下图)切断面要平整用砂浆填死切断后,用塑料帽处理(如下图)5mm。
锚杆有凸出部位时,螺头顶预留螺栓5mm以上塑料帽切断word 资料初期支盖帽切断护界面保护砂浆..(如5cm③初期支护应无空鼓、裂缝、松酥,表面应平顺,凹凸量不得超过±。
下图)R≥3cm 补喷砼R≥5cm2.2.铺设防水板铺设采用专用施工,用自动热焊机进行焊接,防水板超前二次衬砌10~20m 台车进行。
尽铺设前进行精确放样,弹出标准线进行试铺后确定防水板一环的尺寸,⑴量减少接头。
复合式防水板铺设采用洞外大幅预制,洞内整卷起吊,无钉铺设工艺。
从⑵8电锤Φ拱顶向两侧铺设,防水板铺设要有一定松驰量。
在喷砼表面采用ZIC-16,拱腰间50cm钻头钻眼,塑料膨胀螺栓固定,锚固点边墙间距100cm,拱部间距沿隧道纵向在锚固点上绑扎铁丝,防水板用背带与铁丝绑紧。
距70cm(实铺长度防水板铺设采用从下向上的顺序铺设,⑶松紧应适度并留有余量 8),检查时要保证防水板全部面积均能抵到围岩。
与弧长的比值为10:用带热塑性圆垫圈的射钉将缓冲层平整顺直地固定在基层⑷防水板铺挂前,,可用热风焊枪点焊,每幅防水板布置适当,缓冲层搭接宽度50mm上(见下图)2 ,3点/m2排数垫圈,每排垫圈距防水板边缘40cm左右,锚固点间距:边墙~2 /m3拱顶~4点。
金属垫圈word..图3 暗钉圈固定缓冲层示意⑸两幅防水板的搭接宽度不应小于100mm。
⑹环向铺设时,下部防水板应压住上部防水板。
⑺防水板之间的搭接缝应采用双焊缝、调温、调速热楔式功能的自动爬行式热合机热熔焊接,细部处理或修补采用手持焊枪,单条焊缝的有效焊接宽度不应小于15mm,焊接严密,不得焊焦焊穿。
⑻防水板纵向搭接与环向搭接处,除按正常施工外,应再覆盖一层同类材料的防水板材,用热焊焊接。
⑼三层以上塑料防水板的搭接形式必须是“T”型接头。
⑽分段铺设的卷材的边缘部位预留至少60cm的搭接余量并且对预留部分边缘部位进行有效的保护。
⑾绑扎或焊接钢筋时,采取措施应避免对卷材造成破坏。
⑿混凝土振捣时,振捣棒不得接触防水板,以防防水板受到损伤。
⒀防水板的搭接缝焊接质量检查应按充气法检查,将5号注射针与压力表相接,用打气筒进行充气,当压力表达到0.2MPa时停止充气,保持5min,压力下降不大于20%,说明焊缝合格;如压力下降过快,说明有未焊好处。
用肥皂水涂在焊缝上,有气泡的地方重新补焊,直到不漏气为止。
⒁施工要点控制①防水板表面平顺,无褶皱、无气泡、无破损等现象。
资料word..②当基面轮廓凸凹不平时,要预留足够的松散系数,使其留有余地,并在断面变化出增加悬挂点,保证缓冲面与混凝土表面密贴。
③防水板搭接用热焊器进行焊接,接缝为双焊缝,焊接温度应控制在200~o C为宜,并保持适当的温度即控制在0.1~0.15m/min范围内。
太快焊缝不牢270固,太慢焊缝易焊穿、烤焦。
④焊缝若有漏焊、假焊应予补焊;若有烤焦、焊穿处以及外露的固定点,必须用塑料片焊接覆盖。
⑤焊接钢筋时在其周围用石棉水泥板进行遮挡,以免溅出火花烧坏防水层;灌注二衬砼时输送泵管不得直接对着防水板,避免混凝土冲击防水板引起防水板被带滑脱,防水板下滑。
⑥所有防水材料必须采用合格厂家生产的定型产品,所有产品必须有出厂合格证和质量检验证明。
⑦详细记录各种防水材料的安放部位,做到可追溯性。
⑧防水材料在使用前应做好相应的试验、检验工作,委托有相应资质的机构对防水材料进行检测。
⑨施工中发现的问题及时与生产厂家或供应商联系,以求尽快解决,不合格的材料坚决不用于本工程。
3.止水带及止水条施工二次衬砌的变形缝、施工缝是隧道施工的薄弱环节,也是隧道工程防水的重点,在施工中要高度重视。
3.1.止水带施工止水带施工工艺流程:资料word..放置止水带挡头模板钻钢筋孔下一环节止水带定位穿钢筋卡灌注混凝土拆挡头板下一环止水带定位施作方法:沿衬砌轴线每隔不大于1m钻一φ12的钢筋孔。
将制成的钢筋卡,由待灌混凝土侧向另一侧穿过挡头模板,内侧卡进止水带一半,另一半止水带平靠在挡头板上。
待混凝土凝固后拆除挡头板,将止水带拉直,然后弯钢筋卡紧止水带。
施工控制要点:①检查待处理的施工缝附近1m范围内围岩表面不得有明显的渗漏水,如有则采取必要的挡堵(防水板隔离)和引排措施。
②按断面环向长度截取止水带,使每个施工缝用一整条止水带,尽量不采取搭接,除材料长度原因外只允许有左右两侧边基上部两个接头,接头搭接长度不小于30cm,且要将搭接位置设置在大跨以下或起拱线以下边墙位置。
③止水带对称安装,伸入模内和外露部分宽度必须相等,沿环向每0.5m设二根φ6mm短钢筋夹住,以保证止水带在整个施工过程中位置的正确。
止水带处砼表面质量应达到宽度均匀、缝身竖直,环向贯通,填塞密实,外表光洁。
④浇注混凝土时,注意在止水带附近振捣密实,但不得碰止水带,防止止水带走位。
止水带施工中泡沫塑料对止水带进行定位,避免其在混凝土浇筑中发生移位。
3.2.止水条施工止水条施工工艺流程:制作专用端头模板浇筑先浇衬砌段时形成预留槽浇筑下一段衬砌混凝土前安装止水条。
资料word..施作方法:水平施工缝先浇筑混凝土在初凝后、终凝前根据止水条的规格在混凝土端面中间压磨出一条平直、光滑槽。
环向或竖向施工缝采用在端头模板中间固定木条或金属构件等,混凝土浇筑后形成凹槽。
槽的深度为止水条厚度的一半,宽度为止水条宽度。
清洗后,在灌注下循环混凝土之前,将止水条粘贴在槽中。
施工控制要点:①二衬混凝土初凝后,拆除端头模板,将凹槽压平、抹光,凹槽的宽度略大于止水条的宽度。
②止水条安放前,先已浇筑混凝土端部充分凿毛、清洗干净。
③止水条在衬砌台车移动前4h左右安装,安装前最好先在凹槽内涂抹一层氯丁胶粘剂,止水条顺凹槽拉紧嵌入,确保止水条与槽底密贴,并用水泥钉固定牢固,同时在端部混凝土面上涂抹一层界面剂。
④止水条若有搭接,则可将止水条切成对口三角形,用氯丁胶水粘结。
接口处不得有空隙。
⑤在二衬混凝土浇筑前,先在水平施工缝基面铺设25~30mm与浇筑混凝土同标号的水泥砂浆,经均匀、充分振捣后使基面与新浇筑混凝土有25~30mm水泥砂浆,新老混凝土结合牢固。
4.劳动组织防水板施工一般需要4~6个人一组,施工人员经培训合格后上岗,并保持相对稳定,可根据施工现场情况及时调整:止水条、止水带以及排水盲管作业根据。
现场情况具体组织5.机具设备见机具设备配备表1。
资料word..表1 机具设备配置表6.质量要求6.1.质量验收参照规范⑴《公路隧道施工技术规范》⑵《公路隧道工程施工技术指南》⑶《公路隧道工程施工质量验收暂行标准》6.2.防水工程的质量要求衬砌不渗水,结构表面无湿渍;⑴⑵混凝土抗压强度和抗渗压力符合设计要求;⑶防水层连接紧密,无渗水现象,立面拐角的防水板无空鼓和皱褶;⑷材料甩头预留长度不小于规定长度,其收边和保护达到了设计要求;⑸防水层的破损处已按要求修补达标;防水层与其它防水材料的连接符合设计要求;⑹ 7、质量保证措施7.1加强施工前的质量控制工作施工前,组织技术人员认真会审设计文件和图纸,切实了解和掌握工程的要求和施工的技术标准,理解业主的需要和要求,如有不清楚或不明确之处,及时资料word..向业主或设计单位提出书面报告。
开工前要做好各部位、工序的技术交底工作,严格做好技术交底,按照四级技术交底的要求,使各级施工人员清楚地掌握对将要进行施工的部位、工序的施工、施工工艺、技术规范要求,对特殊和重点部位要真正做到心中有数,确保施工操作的准确性和规范性。
7.2做好施工全过程的质量控制工作配齐满足工程施工需要的人力资源。
有针对性地组织各类施工人员学习,进行必要的施工前岗位培训,以保证工程施工的技术要求,特殊工种作业人员须持有效上岗操作证,技术人员、组织管理人员必须熟悉本工程的技术、工艺要求,了解工程的特点和现场情况,以确保工程施工能正常运转。
7.3做好施工材料的质量控制:用于主体工程的所有材料,必须对供货质量、信誉、供货能力等方面进行评价,在有保证持续供货能力的分承包方处采购。
做好材料进货的检验和标识工作。
按质量体系标准和要求,在进货、检验、试验、进仓、登记、标识、使用等全过程中,都必须严格执行“进货检验和试验控制程序”文件要求,从采购的第一程序开始,层层把关,确保材料质量。
加强施工过程的试验与检验:确保各种实验的有效性和准确性,在加强公司试验室对本工程中各种试件的测试工作的墙身上,还在现场设立专(兼)职试验人员,配合试验室工作,并严格按照规范要求做好各类原材料、半成品预构件、混凝土、砂浆等抽检和复检工作,认真把好质量关,用数据和分析图表配合和指导现场施工质量。
资料word。