惯性矩的计算方法及常用截面惯性矩计算公式
- 格式:doc
- 大小:487.00 KB
- 文档页数:14
惯性矩的计算方法及常用截面惯性矩计算公式截面图形的几何性质一.重点及难点:(一).截面静矩和形心1•静矩的定义式如图1所示任意有限平面图形,取其单元如面积dA,定义它对任意轴的一次矩为它对该轴的静矩,即dS y xdAdSx ydA整个图形对y、z轴的静矩分别为S y xdAyASx 人 ydA2.形心与静矩关系(1-1 )设平面图形形心C的坐标为y c,z c-S x 一S y /、y , x (I-2 )A A推论1如果y轴通过形心(即x0),则静矩S y 0 ;同理,如果X轴通过形心(即y o),则静矩sx o;反之也成立。
推论2如果x、y轴均为图形的对称轴,则其交点即为图形形心;如果y轴为图形对称轴,贝昭形形心必在此轴上。
3.组合图形的静矩和形心设截面图形由几个面积分别为 A,A2,A3 A n的简单图形组成,且一直各族图形的形心坐标分别为丘,只;乂2*2;x3,y3 ,贝U图形对y轴和x轴的静矩分别为截面图形的形心坐标为nA i Xi 1 nA ii 14•静矩的特征(1) 界面图形的静矩是对某一坐标轴所定义的,故静矩与坐标轴有关。
(2) 静矩有的单位为m 3。
(3) 静矩的数值可正可负,也可为零。
图形对任意形心轴的静矩必定 为零,反之,若图形对某一轴的静矩为零,则该轴必通过图形的形心。
(4) 若已知图形的形心坐标。
则可由式(1-1)求图形对坐标轴的静矩。
若已知图形对坐标轴的静矩,则可由式(1-2 )求图形的形心坐标。
组 合图形的形心位置,通常是先由式(I-3 )求出图形对某一坐标系的静 矩,然后由式(1-4 )求出其形心坐标。
(二)•惯性矩 惯性积 惯性半径1.惯性矩定义 设任意形状的截面图形的面积为 A (图I-3 ),则图形对0点的极 惯性矩定义为 I p2dA (1-5)KAn nS yS yiARi 1 i 1nnS xSxiA i Vi 1 i 1(1-3 )A i y i(1-4 )图形对y轴和x轴的光性矩分别定义为I y A x2dA , I x A y2dA (1-6)惯性矩的特征(1)界面图形的极惯性矩是对某一极点定义的;轴惯性矩是对某一坐标轴定义的。
常用截面惯性矩计算公式截面的惯性矩是描述截面抵抗弯曲的特性之一,也称为截面二阶矩。
它是通过计算截面各点到其中一轴线的距离的二次方与其对应的面积乘积之和来获得。
常用的截面惯性矩计算公式如下:1.矩形截面的惯性矩公式:对于矩形截面,惯性矩可以通过以下公式进行计算:I=(b*h^3)/12其中,I为惯性矩,b为矩形宽度,h为矩形高度。
2.圆形截面的惯性矩公式:对于圆形截面,惯性矩可以通过以下公式进行计算:I=(π*R^4)/4其中,I为惯性矩,R为圆的半径。
3.I型截面的惯性矩公式:对于I型截面(又称为双T型截面或工字型截面),惯性矩可以通过以下公式进行计算:I = bw * hw^3 / 12 + hf * tf^3 / 12 + 2 * tf * hf * (hw / 2 + tf / 2)^2其中,I为惯性矩,bw为上翼板的宽度,hw为上翼板的高度,hf为下翼板的高度,tf为翼板的厚度。
4.H型截面的惯性矩公式:对于H型截面,惯性矩可以通过以下公式进行计算:I = [bw * (hw^3 - tw1 ^3) / 12] + [hf * (tf^3 - tw2^3) / 12] + 2 * tw1 * hw^3 / 12 + 2 * tw2 * tf^3 / 12 + 2 * hf * (hw / 2 + tf / 2)^2其中,I为惯性矩,bw为上翼板的宽度,hw为上翼板的高度,hf为下翼板的高度,tf为翼板的厚度,tw1为上翼板的厚度,tw2为下翼板的厚度。
5.T型截面的惯性矩公式:对于T型截面,惯性矩可以通过以下公式进行计算:I = [bw * hw^3 / 12] + [tf * hf^3 / 12] + tw * hw * (hw / 2 + tf)^2其中,I为惯性矩,bw为翼板的宽度,hw为翼板的高度,hf为梁的高度,tf为梁的厚度,tw为翼板的厚度。
这些公式是根据不同截面形状和尺寸推导出来的,可以用于计算截面的惯性矩。
惯性矩计算方法及常用截面惯性矩计算公式惯性矩是描述物体抵抗转动的性质之一,也称为转动惯量或转动惯性。
惯性矩计算方法及其常用公式对于工程设计和物体力学研究非常重要。
本文将介绍惯性矩的计算方法以及常用截面的惯性矩计算公式。
一、惯性矩的计算方法惯性矩的计算方法有两种常见的方法:几何法和积分法。
1.几何法几何法是一种简单的惯性矩计算方法,适用于对称的二维和三维截面。
该方法基于图形的几何形状和特征参数,通过对称性和平移不变性等原理来计算物体的惯性矩。
对于二维截面,常用的几何法计算公式包括:(1)矩形截面的惯性矩计算公式:I=(1/12)*b*h^3其中,I为矩形截面的惯性矩,b为矩形的宽度,h为矩形的高度。
(2)圆形截面的惯性矩计算公式:I=(π/4)*r^4其中,I为圆形截面的惯性矩,r为圆形的半径。
对于三维截面,几何法的计算步骤类似,但计算公式更加复杂。
常用的几何法计算公式可参考相关的工程手册和物体力学教材。
2.积分法积分法是一种更加精确的惯性矩计算方法,适用于不规则形状的截面。
该方法基于直角坐标系下的积分原理,将截面划分成无限小的面元,并对每个面元的贡献进行积分求和,从而得到截面的惯性矩。
积分法的计算步骤如下:(1)将截面划分成无数个小区域,计算每个小区域的面积和距离轴线的距离。
(2)根据小区域的面积和距离,计算每个小区域的质量和质心的位置。
(3)根据每个小区域的质量、质心位置和距离轴线的距离,计算每个小区域对于轴线的贡献。
(4)对每个小区域的贡献进行积分求和,得到整个截面的惯性矩。
积分法的计算可以通过数值积分或解析积分进行。
对于复杂的截面形状,数值积分是一种较为方便和实用的计算方法。
1.矩形截面的惯性矩计算公式:I=(1/12)*b*h^3其中,I为矩形截面的惯性矩,b为矩形的宽度,h为矩形的高度。
2.圆形截面的惯性矩计算公式:I=(π/4)*r^4其中,I为圆形截面的惯性矩,r为圆形的半径。
3.环形截面的惯性矩计算公式:I=(π/4)*(r2^4-r1^4)其中,I为环形截面的惯性矩,r1为内径半径,r2为外径半径。
常用截面惯性矩与截面系数的计算截面的惯性矩是描述截面抗弯刚度大小的一个物理量,常用于结构力学和工程设计中。
截面系数是截面抗弯性能的一个重要参数,它表示截面抵抗外力作用下的变形能力。
下面将介绍一些常用的截面惯性矩和截面系数的计算方法。
1.矩形截面:矩形截面的惯性矩可以通过以下公式计算:I=(b*h^3)/12其中,I表示矩形截面的惯性矩,b表示矩形截面的宽度,h表示矩形截面的高度。
矩形截面的截面系数可以通过以下公式计算:W=(b*h^2)/6其中,W表示矩形截面的截面系数。
2.圆形截面:圆形截面的惯性矩可以通过以下公式计算:I=π*r^4/4其中,I表示圆形截面的惯性矩,r表示圆形截面的半径。
圆形截面的截面系数可以通过以下公式计算:W=π*r^3/3其中,W表示圆形截面的截面系数。
3.正三角形截面:正三角形截面的惯性矩可以通过以下公式计算:I=b*h^3/36其中,I表示正三角形截面的惯性矩,b表示正三角形截面的底边长度,h表示正三角形截面的高度。
正三角形截面的截面系数可以通过以下公式计算:W=b*h^2/24其中,W表示正三角形截面的截面系数。
4.T形截面:T形截面的惯性矩可以通过以下公式计算:I=(b1*h1^3+b2*h2^3)/12其中,I表示T形截面的惯性矩,b1和b2分别表示T形截面的上下翼缘的宽度,h1和h2分别表示T形截面的上下翼缘的高度。
T形截面的截面系数可以通过以下公式计算:W=(b1*h1^2+b2*h2^2)/6其中,W表示T形截面的截面系数。
需要注意的是,上述给出的公式仅适用于一些常见的截面形状,并且仅考虑了截面的几何特性。
在实际的工程设计中,还需要考虑材料的弹性模量等参数,并基于这些参数进行更精确的计算。
此外,还有一些其他复杂截面的惯性矩和截面系数的计算公式,如梯形截面、圆环截面等。
对于这些复杂截面的计算,可以借助数值方法或计算机辅助设计软件进行求解。
总之,截面的惯性矩和截面系数是结构力学和工程设计中常用的参数,通过计算这些参数可以评估截面的抗弯刚度和抗剪性能,为工程结构的设计提供依据。
常用截面几何特性计算公式截面几何特性是指用来描述截面形状和大小的一些参数,可以用来进行结构设计和分析。
常用的截面几何特性包括面积、周长、惯性矩、截面模量等。
下面将详细介绍常用的截面几何特性计算公式。
1.面积(A):截面的面积是指该截面所围成的平面区域的大小,用来描述截面的大小。
常见的截面面积计算公式有:-矩形截面:A=b*h,其中b为矩形的宽度,h为矩形的高度。
-圆形截面:A=π*r^2,其中π约等于3.14,r为圆的半径。
-梯形截面:A=(a+b)*h/2,其中a和b为梯形的上底和下底长度,h为梯形的高度。
2.周长(P):截面的周长是指该截面围成的边界线的总长度,用来描述截面的形状。
常见的截面周长计算公式有:-矩形截面:P=2*(b+h),其中b为矩形的宽度,h为矩形的高度。
-圆形截面:P=2*π*r,其中π约等于3.14,r为圆的半径。
-梯形截面:P=a+b+2*L,其中a和b为梯形的上底和下底长度,L为梯形的斜边长度。
3.惯性矩(I):惯性矩是描述截面抵抗弯曲或扭转作用的能力,常用于计算截面的弯矩和扭矩。
惯性矩有I_x和I_y两个方向,分别表示关于x轴和y轴的惯性矩。
常见的截面惯性矩计算公式有:-矩形截面:I_x=(b*h^3)/12,I_y=(h*b^3)/12,其中b为矩形的宽度,h为矩形的高度。
-圆形截面:I_x=I_y=(π*r^4)/4,其中π约等于3.14,r为圆的半径。
-梯形截面:I_x=(b*h^3)/36*(3*a+b),I_y=(h*b^3)/36*(a+3*b),其中a和b为梯形的上底和下底长度,h为梯形的高度。
4.截面模量(W):截面模量是一种描述截面承受弯曲时变形能力的特性,常用于计算截面的弯曲应力和挠度。
截面模量有W_x和W_y两个方向,分别表示关于x轴和y轴的截面模量。
-矩形截面:W_x=(b*h^2)/6,W_y=(h*b^2)/6,其中b为矩形的宽度,h为矩形的高度。
常用截面惯性矩计算公式_百度文库截面惯性矩是描述截面形状对于抗弯刚度的影响的一个物理量,常用截面惯性矩计算公式有以下几种:
1.矩形截面惯性矩计算公式:
矩形截面的惯性矩计算公式为I=b*h^3/12,其中b为矩形截面的宽度,h为矩形截面的高度。
2.圆形截面惯性矩计算公式:
圆形截面的惯性矩计算公式为I=π*d^4/64,其中d为圆形截面的直径。
3.正方形截面惯性矩计算公式:
正方形截面的惯性矩计算公式为I=a^4/12,其中a为正方形截面的边长。
4.等边三角形截面惯性矩计算公式:
等边三角形截面的惯性矩计算公式为I=a^4/80.9,其中a为等边三角形截面的边长。
5.环形截面惯性矩计算公式:
环形截面的惯性矩计算公式为I=π*(D^4-d^4)/64,其中D为大圆直径,d为小圆直径。
6.T形截面惯性矩计算公式:
T形截面的惯性矩计算公式稍复杂,可以分解为矩形和矩形之和。
可以分别计算底座和翼板的惯性矩,然后相加。
7.I形截面惯性矩计算公式:
I形截面的惯性矩计算公式也稍复杂,可以分解为矩形和矩形之和,也可以通过几何分解法计算。
以上是常见的几种截面形状的惯性矩计算公式,不同形状的截面有不同的计算方法。
通过计算截面惯性矩,可以评估截面的抗弯刚度性能,并在设计工程结构时进行应用。
常见截面惯性矩和抗弯截面系数自动计算对于矩形截面,假设截面宽度为b,高度为h,其截面惯性矩的计算公式为:\[I = \frac{b \cdot h^3}{12}\]对于圆形截面,假设截面半径为r,其截面惯性矩的计算公式为:\[I = \frac{\pi}{4} \cdot r^4\]对于圆环截面,假设外半径为R,内半径为r,其截面惯性矩的计算公式为:\[I = \frac{\pi}{4} \cdot (R^4 - r^4)\]以上是常见截面的惯性矩的简化计算方法,对于其他复杂的截面形状,一般需要通过数值方法来进行计算。
而抗弯截面系数是描述截面抗弯承载能力的参数,通常用符号W表示。
抗弯截面系数与截面的弯矩和抵抗弯曲应力有关。
使用抗弯截面系数可以简化结构设计中的计算步骤。
下面将以矩形截面、圆形截面和圆环截面为例介绍其计算方法。
对于矩形截面,假设截面宽度为b,高度为h,其抗弯截面系数的计算公式为:\[W = \frac{b \cdot h^2}{6}\]对于圆形截面,假设截面半径为r,其抗弯截面系数的计算公式为:\[W = \frac{\pi}{32} \cdot r^3\]对于圆环截面,假设外半径为R,内半径为r,其抗弯截面系数的计算公式为:\[W = \frac{\pi}{32} \cdot (R^3 - r^3)\]以上是常见截面的抗弯截面系数的简化计算方法,对于其他复杂的截面形状,一般需要通过数值方法来进行计算。
自动计算常见截面惯性矩和抗弯截面系数可以通过编写计算程序来实现。
程序可以根据输入的截面形状参数,自动计算截面的惯性矩和抗弯截面系数。
例如,可以使用Python编程语言编写一个计算矩形截面惯性矩和抗弯截面系数的程序如下:```import math#计算矩形截面的惯性矩和抗弯截面系数def calculate_rectangle_inertia(b, h):I=(b*h**3)/12W=(b*h**2)/6return I, W#测试矩形截面计算程序if __name__ == "__main__":b = float(input("请输入矩形截面的宽度:"))h = float(input("请输入矩形截面的高度:"))I, W = calculate_rectangle_inertia(b, h)print("矩形截面的惯性矩为:", I)print("矩形截面的抗弯截面系数为:", W)```上述程序可以根据用户输入的矩形截面的宽度和高度,自动计算截面的惯性矩和抗弯截面系数,并输出结果。
惯性矩的计算方法及常用截面惯性矩计算公式截面图形的几何性质一.重点及难点:(一).截面静矩和形心1.静矩的定义式如图1所示任意有限平面图形,取其单元如面积dA ,定义它对任意轴的一次矩为它对该轴的静矩,即ydAdSx xdAdS y == 整个图形对y 、z 轴的静矩分别为⎰⎰==AAy ydASx xdAS (I-1) 2.形心与静矩关系 图I-1设平面图形形心C 的坐标为C C z y , 则 0A S y x=, AS x y = (I-2) 推论1 如果y 轴通过形心(即0=x ),则静矩0=y S ;同理,如果x 轴通过形心(即0=y ),则静矩0=Sx ;反之也成立。
推论2 如果x 、y 轴均为图形的对称轴,则其交点即为图形形心;如果y 轴为图形对称轴,则图形形心必在此轴上。
3.组合图形的静矩和形心设截面图形由几个面积分别为n A A A A ⋯⋯321,,的简单图形组成,且一直各族图形的形心坐标分别为⋯⋯332211,,,y x y x y x ;;,则图形对y 轴和x 轴的静矩分别为∑∑∑∑========ni ni ii xi x ni ii n i yi y y A S S x A S 1111S (I-3)截面图形的形心坐标为∑∑===ni ini ii AxA x 11 , ∑∑===ni ini ii AyA y 11 (I-4)4.静矩的特征(1) 界面图形的静矩是对某一坐标轴所定义的,故静矩与坐标轴有关。
(2) 静矩有的单位为3m 。
(3) 静矩的数值可正可负,也可为零。
图形对任意形心轴的静矩必定为零,反之,若图形对某一轴的静矩为零,则该轴必通过图形的形心。
(4) 若已知图形的形心坐标。
则可由式(I-1)求图形对坐标轴的静矩。
若已知图形对坐标轴的静矩,则可由式(I-2)求图形的形心坐标。
组合图形的形心位置,通常是先由式(I-3)求出图形对某一坐标系的静矩,然后由式(I-4)求出其形心坐标。
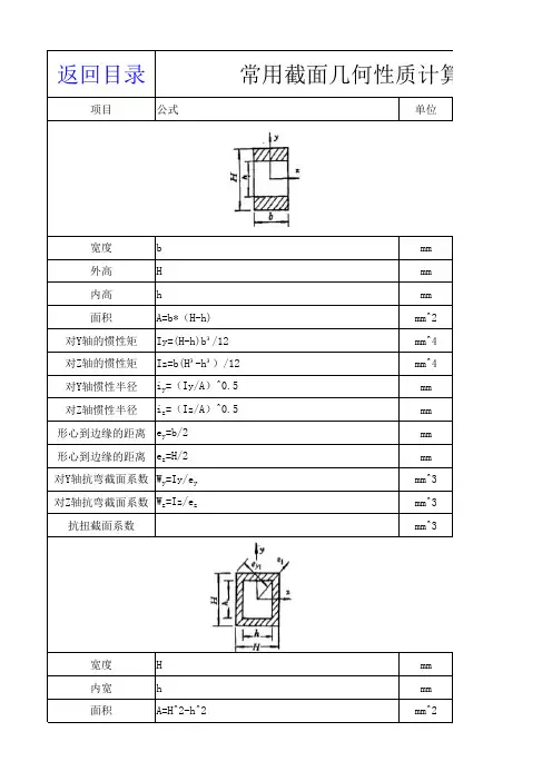
常用截面几何性质计算返回目录项目公式单位宽度b mm外高H mm内高h mm面积A=b*(H-h)mm^2对Y轴的惯性矩Iy=(H-h)b³/12mm^4对Z轴的惯性矩Iz=b(H³-h³)/12mm^4对Y轴惯性半径i y=(Iy/A)^0.5mm对Z轴惯性半径i z=(Iz/A)^0.5mm形心到边缘的距离e y=b/2mm形心到边缘的距离e z=H/2mm对Y轴抗弯截面系数W y=Iy/e y mm^3对Z轴抗弯截面系数W z=Iz/e z mm^3抗扭截面系数mm^3宽度H mm内宽h mm面积A=H^2-h^2mm^2对Y轴的惯性矩Iy=(H^4-h^4)/12mm^4对Z轴的惯性矩Iz=(H^4-h^4)/12mm^4对Y轴惯性半径i y=(Iy/A)^0.5mm 对Z轴惯性半径i z=(Iz/A)^0.5mm 形心到边缘的距离e y=H/2mm 形心到边缘的距离e z=H/2mm 形心到边缘的距离e z1=0.707*H mm 对Y轴抗弯截面系数W y=Iy/e y mm^3对Z轴抗弯截面系数W z=Iz/e z mm^3对Z轴抗弯截面系数W z1=Iz/e z mm^3抗扭截面系数mm^3宽度a mm直径d mm面积A=a^2-Pi*d^2/4mm^2对Y轴的惯性矩Iy=a^4/12-Pi*d^4/64mm^4对Z轴的惯性矩Iz=a^4/12-Pi*d^4/64mm^4对Y轴惯性半径i=(Iy/A)^0.5mm 对Z轴惯性半径i=(Iz/A)^0.5mm 形心到边缘的距离e y=a/2mm 形心到边缘的距离e z=a/2mm 对Y轴抗弯截面系数W y=Iy/e y mm^3对Z轴抗弯截面系数W z=Iz/e z mm^3抗扭截面系数mm^3a=0,三角形顶宽a mm底宽b mm高h mm面积A=h*(a+b)/2mm^2对Y轴的惯性矩mm^4对Z轴的惯性矩Iz=h^3*(a^2+4*a*b+b^2)/36/(a+b)mm^4对Y轴惯性半径mm 对Z轴惯性半径iz=(Iz/A)^0.5mm 形心到边缘的距离e y1=h*(2*a+b)/(a+b)/3mm 形心到边缘的距离e y2=h*(a+2*b)/(a+b)/3mm 对底边抗弯截面系数W z1=Iz/e y1mm^3对顶边抗弯截面系数W z2=Iz/e y2mm^3抗扭截面系数mm^3正多边形边数n边长a mm 外接圆半径R=a/2/sin(180°/n)mm 内接圆半径r=a/2/sin(180°/n)mm 面积A=n*R^2*sin(2*Pi/n)/2mm^2惯性矩I=A*(6*R^2-a^2)/24mm^4对Y轴惯性半径i=(I/A)^0.5mm形心到底边的距离e y=r mm 形心到顶边的距离e y1=R mm 对底边抗弯截面系数W z=I/R/cos(Pi/n)mm^3对顶点抗弯截面系数W z1=I/R mm^3抗扭截面系数mm^3宽度a mm直径d mm面积A=a^2-Pi*d^2/4mm^2对Y轴的惯性矩Iy=a^4/12-Pi*d^4/64mm^4对Z轴的惯性矩Iz=a^4/12-Pi*d^4/64mm^4对Y轴惯性半径i=(Iy/A)^0.5mm 对Z轴惯性半径i=(Iz/A)^0.5mm 形心到边缘的距离e y=a/2mm 形心到边缘的距离e z=a/2mm 对Y轴抗弯截面系数W y=Iy/e y mm^3对Z轴抗弯截面系数W z=Iz/e z mm^3抗扭截面系数mm^3外径D mm内径d mm面积A=Pi*(D^2-d^2)/4mm^2惯性矩I=Pi*(D^4-d^4)/64mm^4惯性半径i=(Iz/A)^0.5mm 形心到边缘的距离e=D/2mm 抗弯截面系数W=I/e mm^3抗扭截面系数Wt=Pi*D^3(1-(d/D)^4)/16mm^3外径D mm内径d mm面积A=Pi*(D^2-d^2)/8mm^2对Y轴的惯性矩Iy=Pi*(D^4-d^4)/128mm^4对Z轴的惯性矩Iz=0.00686*(D^4-d^4)-0.0177*D^2*d^2*(D-d)/(D+d mm^4对Y轴惯性半径i y=(Iy/A)^0.5mm 对Z轴惯性半径i z=(Iz/A)^0.5mm 形心到边缘的距离e y=2*(D^2+D*d+d^2)/3*Pi*(D+d)mm 形心到边缘的距离e z=D/2mm 对Y轴抗弯截面系数W y=Pi*D^3*(1-d^4/D^4)/64mm^3对顶点的抗弯截面系数W z=Iz/(D/2-e y)mm^3对底边的抗弯截面系数W z1=Iz/e y mm^3抗扭截面系数mm^3直径d mm宽度b mm深度t mm面积A=Pi*d^2/4-b*t mm^2对Y轴的惯性矩Iy=Pi*d^4/64-t*b^3/12mm^4对Z轴的惯性矩Iz=Pi*d^4/64-b*t*(d-t)^2/4mm^4对Y轴惯性半径i y=(Iy/A)^0.5mm 对Z轴惯性半径i z=(Iz/A)^0.5mm 形心到边缘的距离e y=d/2mm 形心到边缘的距离e z=d/2mm 对Y轴抗弯截面系数W y=Iy/e y mm^3对Z轴抗弯截面系数W z=Iz/e z mm^3抗扭截面系数mm^3直径d mm宽度b mm深度t mm面积A=Pi*d^2/4-2*b*t mm^2对Y轴的惯性矩Iy=Pi*d^4/64-t*b^3/6mm^4对Z轴的惯性矩Iz=Pi*d^4/64-b*t*(d-t)^2/2mm^4对Y轴惯性半径i y=(Iy/A)^0.5mm 对Z轴惯性半径i z=(Iz/A)^0.5mm 形心到边缘的距离e y=d/2mm 形心到边缘的距离e z=d/2mm 对Y轴抗弯截面系数W y=Iy/e y mm^3对Z轴抗弯截面系数W z=Iz/e z mm^3抗扭截面系数mm^3直径d mm支架d1mm面积A=Pi*d^2/4-d1*d mm^2对Y轴的惯性矩Iy=Pi*d^4*(1-1.69*d1/d)/64mm^4对Z轴的惯性矩Iz=Pi*d^4*(1-1.69*d1^3/d^3)/64mm^4对Y轴惯性半径i y=(Iy/A)^0.5mm 对Z轴惯性半径i z=(Iz/A)^0.5mm 形心到边缘的距离e y=d/2mm 形心到边缘的距离e z=d/2mm 对Y轴抗弯截面系数W y=Iy/e y mm^3对Z轴抗弯截面系数W z=Iz/e z mm^3抗扭截面系数mm^3宽度B mm宽度b mm高度H mm高度h mm面积A=B*H+b*h mm^2对Z轴的惯性矩Iz=(B*H^3+b*h^3)/12mm^4对Z轴惯性半径i z=(Iz/A)^0.5mm 形心到边缘的距离e z=H/2mm 对Z轴抗弯截面系数W z=Iz/e z mm^3抗扭截面系数mm^3宽度B mm宽度a mm高度H mm高度d mm面积A=B*H+b*h mm^2对Z轴的惯性矩Iz=mm^4对Z轴惯性半径i z=(Iz/A)^0.5mm 形心到边缘的距离e y=d/2mm 形心到边缘的距离e z=d/2mm 对Y轴抗弯截面系数W y=Iy/e y mm^3对Z轴抗弯截面系数W z=Iz/e z mm^3抗扭截面系数mm^3宽度B mm宽度a mm205214 4533.375 7642.7109384.6026074495.9760858861010 453.3375 764.271093810102020。
LOGO惯性矩的计算方法及常用截面惯性矩计算公式在此输入你的公司名称惯性矩的计算方法及常用截面惯性矩计算公式截面图形的几何性质一.重点及难点:(一).截面静矩和形心1•静矩的定义式如图1所示任意有限平面图形,取其单元如面积dA,定义它对任意轴的一次矩为它对该轴的静矩,即dS y 二xdAdSx = ydA整个图形对y、z轴的静矩分别为S y = A xdA(1-Sx= A ydA1)2.形心与静矩关系图1-1设平面图形形心C的坐标为y C,z C则0-S y x =A (1-2)推论1如果y轴通过形心(即x = 0),则静矩Sy=0 ;同理,如果x轴通过形心(即y = 0),则静矩Sx=o;反之也成立。
推论2如果x、y轴均为图形的对称轴,则其交点即为图形形心;如果y轴为图形对称轴,贝昭形形心必在此轴上。
3.组合图形的静矩和形心设截面图形由几个面积分别为A,A2,A3……A n的简单图形组成,且一直各族图形的形心坐标分别为x1,y1; x2,y2; x3,y3,则图形对y轴和x轴的静矩分别为n nS y = * S yi i A i Xii -1 i-1 nnS x 八 S xi 八 A i y ii 4i 4截面图形的形心坐标为A i4.静矩的特征(1)界面图形的静矩是对某一坐标轴所定义的,故静矩与坐标轴有关。
(2)静矩有的单位为m 3(3)静矩的数值可正可负,也可为零。
图形对任意形心轴的静矩必定 为零,反之,若图形对某一轴的静矩为零,则该轴必通过图形的形心。
⑷ 若已知图形的形心坐标。
则可由式(I-1)求图形对坐标轴的静矩。
若已知图形对坐标轴的静矩,则可由式(1-2)求图形的形心坐标。
组 合图形的形心位置,通常是先由式(I-3)求出图形对某一坐标系的静 矩,然后由式(I-4)求出其形心坐标。
(二)■惯性矩惯性积惯性半径1. 惯性矩定义 设任意形状的截面图形的面积为 A (图I-3),则图形对0点的极 惯性矩定义为 I p = A (2dA(1-5)图形对y 轴和x 轴的光性矩分别定义为 I y 二 A X 2dA , I x 「A y 2dA (I-6)惯性矩的特征(1)界面图形的极惯性矩是对某一极点定义的; 轴惯性矩是对某一坐标轴定义的。
惯性矩的计算方法及常用截面惯性矩计算公式截面图形的几何性质一.重点及难点:(一).截面静矩和形心1.静矩的定义式如图1所示任意有限平面图形,取其单元如面积dA ,定义它对任意轴的一次矩为它对该轴的静矩,即ydAdSx xdA dS y == 整个图形对y 、z 轴的静矩分别为⎰⎰==AAy ydASx xdAS (I-1) 2.形心与静矩关系 图I-1设平面图形形心C 的坐标为C C z y , 则 0AS y x= , A S x y = (I-2)推论1 如果y 轴通过形心(即0=x ),则静矩0=y S ;同理,如果x 轴通过形心(即0=y ),则静矩0=Sx ;反之也成立。
推论2 如果x 、y 轴均为图形的对称轴,则其交点即为图形形心;如果y 轴为图形对称轴,则图形形心必在此轴上。
3.组合图形的静矩和形心设截面图形由几个面积分别为n A A A A ⋯⋯321,,的简单图形组成,且一直各族图形的形心坐标分别为⋯⋯332211,,,y x y x y x ;;,则图形对y 轴和x轴的静矩分别为∑∑∑∑========ni ni ii xi x ni ii ni yi y y A S S x A S 1111S (I-3)截面图形的形心坐标为∑∑===ni ini ii AxA x 11 , ∑∑===ni ini ii AyA y 11 (I-4)4.静矩的特征(1) 界面图形的静矩是对某一坐标轴所定义的,故静矩与坐标轴有关。
(2) 静矩有的单位为3m 。
(3) 静矩的数值可正可负,也可为零。
图形对任意形心轴的静矩必定为零,反之,若图形对某一轴的静矩为零,则该轴必通过图形的形心。
(4) 若已知图形的形心坐标。
则可由式(I-1)求图形对坐标轴的静矩。
若已知图形对坐标轴的静矩,则可由式(I-2)求图形的形心坐标。
组合图形的形心位置,通常是先由式(I-3)求出图形对某一坐标系的静矩,然后由式(I-4)求出其形心坐标。
惯性矩的计算方法及常用截面惯性矩计算公式 截面图形的几何性质一.重点及难点:(一).截面静矩和形心1•静矩的定义式如图1所示任意有限平面图形,取其单元如面积 dA ,定义它对任意轴的 一次矩为它对该轴的静矩,即dS y =xdA dSx 二 ydA整个图形对y 、z 轴的静矩分别为S y = AXdA(I )Sx ydA、A2. 形心与静矩关系设平面图形形心C 的坐标为y C , z CS xSyy - , x( I-2)AA推论1如果y 轴通过形心(即x = 0),则静矩S y =0 ;同理,如果x 轴 通过形心(即y = 0),则静矩Sx=o ;反之也成立。
推论2如果x 、y 轴均为图形的对称轴,则其交点即为图形形心;如果 y 轴为图形对称轴,贝昭形形心必在此轴上。
3. 组合图形的静矩和形心设截面图形由几个面积分别为 A,A 2,A3……A n 的简单图形组成,且一直 各族图形的形心坐标分别为 丘局乂2*2;壬3,『3"…=,则图形对y 轴和x 轴 的静矩分别为图I-1则 0S y = " S yi = 'Ai Xii 4 i 4nnS x = ' S xi = 'A i y ii 4i 4截面图形的形心坐标为、' A i X i4. 静矩的特征(1)界面图形的静矩是对某一坐标轴所定义的,故静矩与坐标轴有关。
(2)静矩有的单位为m 3(3)静矩的数值可正可负,也可为零。
图形对任意形心轴的静矩必定 为零,反之,若图形对某一轴的静矩为零,则该轴必通过图形的形心。
⑷ 若已知图形的形心坐标。
则可由式(1-1)求图形对坐标轴的静矩。
若已知图形对坐标轴的静矩,则可由式(1-2)求图形的形心坐标。
组 合图形的形心位置,通常是先由式(1-3)求出图形对某一坐标系的静 矩,然后由式(1-4)求出其形心坐标。
(二)■惯性矩惯性积惯性半径1. 惯性矩定义 设任意形状的截面图形的面积为 A (图I-3),则图形对0点的极 惯性矩定义为 I p = A'2dA(1-5)图形对y 轴和x 轴的光性矩分别定义为 I y 「A X 2dA , I x 「A y 2dA ( I-6)惯性矩的特征(1)界面图形的极惯性矩是对某一极点定义的; 轴惯性矩是对某一坐 标轴定义的。
惯性矩计算方法及常用截面惯性矩计算公式惯性矩(也称为惯性矩、二阶矩)是描述物体抵抗绕轴旋转的特性的物理量。
在工程中,惯性矩常用于计算和设计梁、轴等结构的强度和稳定性。
本文将介绍惯性矩的计算方法以及常用的截面惯性矩计算公式。
惯性矩的计算方法主要有几何法、积分法和转动倾斜坐标等方法。
1.几何法:几何法是一种通用的计算惯性矩的方法,适用于简单的几何形状,如矩形、圆形等。
几何法的思想是将复杂的截面分解为简单的几何形状,并使用其相关的公式计算每个部分的惯性矩,然后将它们相加。
2.积分法:积分法是一种基于微积分的方法,适用于复杂的截面形状。
该方法基于将截面分割为无穷小的面积元,然后使用积分计算每个面积元的惯性矩,并将它们相加得到整个截面的惯性矩。
3.转动倾斜坐标:转动倾斜坐标是一种特殊的坐标系选择方法,适用于具有对称轴的截面。
在该方法中,坐标轴被选择为与截面的对称轴对齐,这样会使得部分惯性矩相消,从而简化惯性矩的计算。
下面介绍几个常见截面形状的惯性矩计算公式:1.矩形截面:- 矩形的惯性矩计算公式:I = (bh^3)/12,其中b为矩形的宽度,h为矩形的高度。
2.圆形截面:-圆形的惯性矩计算公式:I=πr^4/4,其中r为圆的半径。
3.圆环截面:-圆环的惯性矩计算公式:I=π(R^4-r^4)/4,其中R为外圆半径,r 为内圆半径。
4.T形截面:-T形的惯性矩计算公式:I=(b1h1^3)/12+b1h1(y1-y)^2+(b2h2^3)/12,其中b1和b2为宽度,h1和h2为高度,y为距离底边的垂直距离。
这些是一些常见的截面形状的惯性矩计算公式,对于其他复杂的截面形状,可以使用几何法、积分法或转动倾斜坐标方法来计算惯性矩。
总结起来,惯性矩是描述物体抵抗绕轴旋转的特性的物理量。
惯性矩的计算方法主要有几何法、积分法和转动倾斜坐标等方法。
常见截面的惯性矩计算公式包括矩形截面、圆形截面、圆环截面和T形截面。
这些公式在结构工程中广泛应用,可以帮助工程师设计和计算各种结构的强度和稳定性。
惯性矩的计算方法及常用截面惯性矩计算公式截面图形的几何性质一.重点及难点:(一).截面静矩和形心1.静矩的定义式如图1所示任意有限平面图形,取其单元如面积dA ,定义它对任意轴的一次矩为它对该轴的静矩,即ydAdSx xdA dS y == 整个图形对y 、z 轴的静矩分别为⎰⎰==AAy ydASx xdAS (I-1) 2.形心与静矩关系 图I-1设平面图形形心C 的坐标为C C z y , 则 0AS y x=, A S x y = (I-2)推论1 如果y 轴通过形心(即0=x ),则静矩0=y S ;同理,如果x 轴通过形心(即0=y ),则静矩0=Sx ;反之也成立。
推论2 如果x 、y 轴均为图形的对称轴,则其交点即为图形形心;如果y 轴为图形对称轴,则图形形心必在此轴上。
3.组合图形的静矩和形心设截面图形由几个面积分别为n A A A A ⋯⋯321,,的简单图形组成,且一直各族图形的形心坐标分别为⋯⋯332211,,,y x y x y x ;;,则图形对y 轴和x 轴的静矩分别为∑∑∑∑========ni ni ii xi x ni ii n i yi y y A S S x A S 1111S (I-3)截面图形的形心坐标为∑∑===ni ini ii AxA x 11 , ∑∑===ni ini ii AyA y 11 (I-4)4.静矩的特征(1) 界面图形的静矩是对某一坐标轴所定义的,故静矩与坐标轴有关。
(2) 静矩有的单位为3m 。
(3) 静矩的数值可正可负,也可为零。
图形对任意形心轴的静矩必定为零,反之,若图形对某一轴的静矩为零,则该轴必通过图形的形心。
(4) 若已知图形的形心坐标。
则可由式(I-1)求图形对坐标轴的静矩。
若已知图形对坐标轴的静矩,则可由式(I-2)求图形的形心坐标。
组合图形的形心位置,通常是先由式(I-3)求出图形对某一坐标系的静矩,然后由式(I-4)求出其形心坐标。
截面惯性矩计算公式
惯性矩是描述物体转动惯性的一种物理量。
它是描述物体转动惯性的
核心因素,在物理学中有重要的地位。
惯性矩越大,物体所具有的转动惯
性就越大,在物体受到外力作用后所受力也就越大。
惯性矩的计算公式是:J=∫dA*ρ*(a^2+b^2)。
其中dA表示某个截面的面积,ρ表示某个截面
的密度,a和b分别为某个截面的长度和宽度。
利用惯性矩的计算公式,
可以计算出某个物体的某一截面的惯性矩,进而利用该截面的惯性矩来描
述物体受到外力作用所受力的大小。
常用截面惯性矩与截面系数的计算截面惯性矩和截面系数是在工程设计和结构分析中经常使用的参数。
在设计任何结构时,了解截面的惯性矩和截面系数是非常重要的,因为它们可以帮助工程师确定结构的强度、刚度和稳定性。
截面惯性矩(Moment of inertia)是描述截面对于弯曲的抵抗能力的一个重要参数。
它表示了截面沿着垂直轴的转动惯性,即截面对于旋转的抵抗程度。
截面惯性矩的计算可以使用不同的方法,具体取决于截面的形状和材料。
对于简单形状的截面,如矩形、圆形和等边三角形,可以直接使用公式来计算惯性矩。
例如,矩形截面(宽度为b,高度为h)的惯性矩可以通过以下公式计算:I=(b*h^3)/12其中^表示乘方运算。
对于复杂形状的截面,可以将其分解为更简单的几何形状,并计算每个部分的惯性矩。
然后,可以使用平行轴定理将它们合并为整个截面的惯性矩。
平行轴定理可以使用以下公式表示:I_total = Σ(I_individual) + A * d^2其中I_total是整个截面的惯性矩,I_individual是每个部分的惯性矩,A是每个部分的面积,d是每个部分到整个截面的质心的距离。
截面系数(Section modulus)是用于描述截面对弯曲应力的抵抗能力的参数。
它表示了截面的特定尺寸和形状对于弯曲应力的敏感程度。
截面系数的计算通常涉及到截面的惯性矩和截面的最外边缘到中性轴的距离。
对于矩形截面来说,截面系数可以通过以下公式计算:S=(b*h^2)/6对于其他形状的截面,可以通过将其分解为简单的几何形状,并计算每个部分的截面系数,然后将它们合并为整个截面的截面系数。
使用平行轴定理,可以将每个部分的截面系数合并为整个截面的截面系数。
在实际的工程设计中,截面惯性矩和截面系数经常用于计算截面的抗弯刚度和承载能力。
在结构设计中,通常使用截面系数来考虑不同形状和尺寸的截面的性能,以满足设计要求和规范。
总结起来,截面惯性矩和截面系数是结构设计和分析中常用的重要参数。
惯性矩的计算方法及常用截面惯性矩计算公式截面图形的几何性质一.重点及难点:(一).截面静矩和形心1.静矩的定义式如图1所示任意有限平面图形,取其单元如面积dA ,定义它对任意轴的一次矩为它对该轴的静矩,即ydAdSx xdA dS y ==整个图形对y 、z 轴的静矩分别为⎰⎰==AAy ydASx xdAS (I-1)2.形心与静矩关系 图I-1设平面图形形心C 的坐标为C C z y , 则 0AS y x=, A S x y = (I-2)推论1 如果y 轴通过形心(即0=x ),则静矩0=y S ;同理,如果x 轴通过形心(即0=y ),则静矩0=Sx ;反之也成立。
推论2 如果x 、y 轴均为图形的对称轴,则其交点即为图形形心;如果y 轴为图形对称轴,则图形形心必在此轴上。
3.组合图形的静矩和形心设截面图形由几个面积分别为n A A A A ⋯⋯321,,的简单图形组成,且一直各族图形的形心坐标分别为⋯⋯332211,,,y x y x y x ;;,则图形对y 轴和x 轴的静矩分别为∑∑∑∑========ni ni ii xi x ni ii n i yi y y A S S x A S 1111S (I-3)截面图形的形心坐标为∑∑===ni ini ii AxA x 11 , ∑∑===ni ini ii AyA y 11 (I-4)4.静矩的特征(1) 界面图形的静矩是对某一坐标轴所定义的,故静矩与坐标轴有关。
(2) 静矩有的单位为3m 。
(3) 静矩的数值可正可负,也可为零。
图形对任意形心轴的静矩必定为零,反之,若图形对某一轴的静矩为零,则该轴必通过图形的形心。
(4) 若已知图形的形心坐标。
则可由式(I-1)求图形对坐标轴的静矩。
若已知图形对坐标轴的静矩,则可由式(I-2)求图形的形心坐标。
组合图形的形心位置,通常是先由式(I-3)求出图形对某一坐标系的静矩,然后由式(I-4)求出其形心坐标。
(二).惯性矩 惯性积 惯性半径1. 惯性矩定义 设任意形状的截面图形的面积为A (图I-3),则图形对O 点的极惯性矩定义为⎰=Ap dA I 2ρ (I-5)图形对y 轴和x 轴的光性矩分别定义为⎰=Ay dA x I 2 , dA y I Ax ⎰=2 (I-6)惯性矩的特征(1) 界面图形的极惯性矩是对某一极点定义的;轴惯性矩是对某一坐标轴定义的。
(2) 极惯性矩和轴惯性矩的单位为4m 。
(3) 极惯性矩和轴惯性矩的数值均为恒为大于零的正值。
(4) 图形对某一点的极惯性矩的数值,恒等于图形对以该点为坐标原点的任意一对坐标轴的轴惯性矩之和,即⎰⎰+=+==Ax y Ap I I dA y x dA I )(222ρ (I-7)(5) 组合图形(图I-2)对某一点的极惯性矩或某一轴的轴惯性矩,分别等于各族纷纷图形对同一点的极惯性矩或同一轴惯性矩之和,即∑==ni i I I 1ρρ ,∑==ni yi y I I 1, ∑==ni xi I Ix 1(I-8)图I-2 图I-32. 惯性积定义 设任意形状的截面图形的面积为A (图I-3),则图形对y 轴和x 轴的惯性积定义为⎰=Axy xydA I (I-9)惯性积的特征(1) 界面图形的惯性积是对相互垂直的某一对坐标轴定义的。
(2) 惯性积的单位为4m 。
(3) 惯性积的数值可正可负,也可能等于零。
若一对坐标周中有一轴为图形的对称轴,则图形对这一对称轴的惯性积必等于零。
但图形对某一对坐标轴的惯性积为零,这一对坐标轴重且不一定有图形的对称轴。
(4) 组合图形对某一对坐标轴的惯性积,等于各组分图形对同一坐标轴的惯性积之和,即∑==ni xyi xy I I 1 (I-10)3. 惯性半径定义: 任意形状的截面图形的面积为A (图I-3),则图形对y 轴和x 轴的惯性半径分别定义为AI i y y =, AI i xx =(I-11) 惯性半径的特征(1) 惯性半径是对某一坐标轴定义的。
(2) 惯性半径的单位为m 。
(3) 惯性半径的数值恒取证之。
(三).惯性矩和惯性积的平行移轴公式平行移轴公式Ab I I A a I I yC y xC x 22+=+= (I-12)abA I I xCyC xy += (I-13)平行移轴公式的特征(1)意形状界面光图形的面积为A (图(I-4);C C y x , 轴为图形的形心轴;x ,y 轴为分别与C C y x ,形心轴相距为a 和b 的平行轴。
(2)两对平行轴之间的距离a 和b 的正负,可任意选取坐标轴x ,y或形心C C y x ,为参考轴加以确定。
(3)在所有相互平行的坐标轴中,图形对形心轴的惯性矩为最小,但图形对形心轴的惯性积不一定是最小。
0 x 图I-4(四)、惯性矩和惯性积的转轴公式.主惯性轴主惯性矩转轴公式 αα2sin 2cos 221xy yx yx x I I I I I I --++=αα2sin 2cos 221xy yx yx y I I I I I I +--+=αα2cos 2sin 211xy yx y x I I I I +-=转轴公式的特征(1) 角度α的正负号,从原坐标轴x,y 转至新坐标轴11,y x ,以逆时针转向者为正(图5)。
(2) 原点O 为截面图形平面内的任意点,转轴公式与图形的形心无关。
(3) 图形对通过同一坐标原点任意一对相互垂直坐标轴的两个轴惯性矩之和为常量,等于图形对原点的极惯性矩,即 P y x y x I I I I I =+=+11主惯性轴、主惯性矩 任意形状截面图形对以某一点O 为坐标原点的坐标轴0x 、0y 的惯性积为零(000=y x I ),则坐标轴0x 、0y 称为图形通过点O 的主惯性轴(图6)。
截面图形对主惯性轴的惯性矩0,y x I I ,称为主惯性矩。
主惯性轴、主惯性矩的确定(1) 对于某一点O ,若能找到通过点O 的图形的对称轴,则以点O为坐标原点,并包含对称轴的一队坐标轴,即为图形通过点O 的一对主惯性轴。
对于具有对称轴的图形(或组合图形),往往已知其通过自身形心轴的惯性矩。
于是,图形对通过点o 的主惯性轴的主惯性矩,一般即可由平行移轴公式直接计算。
(2) 若通过某一点o 没有图形的对称轴,则可以点o 为坐标原点,任作一坐标轴x ,y 为参考轴,并求出图形对参考轴x ,y 的惯性矩y x I I ,和惯性积xy I 。
于是,图形通过点o 的一对主惯性轴方位及主惯性矩分别为yx xy I I I --=22tan 0α (I-16)220022xy y x yx y x I I I I I I I +⎪⎪⎭⎫ ⎝⎛-±+= (I-17) 主惯性轴、主惯性矩的特征(1)图形通过某一点O 至少具有一对主惯性轴,而主惯性局势图形对通过同一点O 所有轴的惯性矩中最大和最小。
(2)主惯性轴的方位角0α,从参考轴x ,y 量起,以逆时针转向为正。
(3)若图形对一点o 为坐标原点的两主惯性矩相等,则通过点o 的所有轴均为主惯性轴,且所有主惯性矩都相同。
(4)以截面图形形心为坐标原点的主惯性轴,称为形心主惯性轴。
图形对一对形心主惯性轴的惯性矩,称为形心主惯性矩。
yy1y0α图I-5 图I-6二.典型例题分析例I-a 试计算图示三角形截面对于与其底边重合的x 轴的静矩。
解:计算此截面对于x 轴的静矩x S 时,可以去平行于x 轴的狭长条(见图)作为面积元素(因其上各点的y 坐标相等),即dy y b dA )(=。
由相似三角形关系,可知:)()(y h h b y b -=,因此有dy y h hbdA )(-=。
将其代入公式(I-1)的第二式,即得 ⎰⎰⎰⎰=-=-==Ah h h x bh dy y h b ydy b dy y h h b ydA S 002206)(0 xb 例题I-a 图解题指导:此题为积分法求图形对坐标轴的静矩。
例I-2 试确定图示Ⅰ-b 截面形心C 的位置解:将截面分为І、П两个矩形。
为计算方便,取x 轴和y 轴分别与界面的底边和左边缘重合(见图)。
先计算每一个矩形的面积i A 和形心坐标(i i y x ,)如下: 矩形І 2120012010mm A =⨯=I mm x 5210==I ,mm y 602120==I 矩形П 27007010mm A =⨯=∏ mm x 4527010=+=∏ ,mm y 5210==∏ 将其代入公式(I-4),即得截面形心C 的坐标为mmA A y A y A y mmA A x A x A x 4019007550020190037500≈=++=≈=++=∏I ∏∏I I ∏I ∏∏I I解题指导: 此题是将不规则图形划分为两个规则图形利用已有的规则图形的面积和形心,∏x x 80 图Ⅰ-b例I-3 试求图I-c 所示截面对于对称轴x 轴的惯性矩x I解:此截面可以看作有一个矩形和两个半圆形组成。
设矩形对于x 轴的惯性矩为I x I ,每一个半圆形对于x 轴的惯性矩为I I x I ,则由公式(I-11)的第一式可知,所给截面的惯性矩:I I I +=x x x I I I 2 (1)矩形对于x 轴的惯性矩为:4433105330122008012)2(mm a d I x ⨯=⨯==I (2)半圆形对于x 轴的惯性矩可以利用平行移轴公式求得。
为此,先求出每个半圆形对于与x 轴平行的形心轴C x (图b )的惯性矩xC I 。
已知半圆形对于其底边的惯性矩为圆形对其直径轴x '(图b )的惯性据之半,即1284d I x π='。
而半圆形的面积为82d A π=,其形心到底边的距离为π32d(图b )。
故由平行移轴公式(I-10a ),可以求出每个半圆形对其自身形心轴C x 的惯性矩为:8)32(128)32(2242d d d A d I I x xCππππ-=-=' (3)由图a 可知,半圆形形心到x 轴距离为π32da +,故在由平行移轴公式,求得每个半圆形对于x 轴的惯性矩为:8)32(8)32(128)32(222242d d a d d d A d a I I xCx ππππππ++-=++=I I)32232(4222ππa ad a d d ++=将d=80mm 、 a=100mm (图a )代入式(4),即得4222103460)380100221003280(4)80(⨯=⨯⨯++=I I ππx I mm 4 将求得的I x I 和I I x I 代入式(1),便得44410122501034602105330⨯=⨯⨯+⨯=x I mm 4解题指导: 此题是将不规则图形划分为若干个规则图形,利用已有的规则图形的面积、形心及对自身形心轴的惯性矩,结合平行移轴公式计算组合截面图形对组合截面形心的惯性矩。