(完整版)初中物理实验专题复习及答案
- 格式:doc
- 大小:241.51 KB
- 文档页数:12
新课程标准初中物理必做20个实验分类分布专题复习试题及答案一、初中阶段20个重点考查的实验光学实验3个实验:探究光的反射定律;探究平面镜成像的特点;探究凸透镜成像的规律。
热学实验2个:温度计使用及探究水的沸腾过程电学实验7个:用电流表测量电流,用电压表测量电压,连接简单的串联电路和并联电路,探究电流与电压、电阻的关系,量小灯泡的电功率;探究通电螺线管外部磁场的方向,探究导体在磁场中运动时产生感应电流的条件。
力学实验8个:用天平测量固体和液体的质量;用刻度尺测长度用表测时间;用天平和量筒测量液体和固体的密度;探究牛顿第一定律;探究摩擦力大小的因素;探究杠杆的平衡条件;探究液体压强的规律;探究阿基米德原理;测量滑轮组和斜面的机械效率 二、实验题的特点实验题是最能体现物理学科的学习能力的一种题型,它不仅能反映学生学习过程中的观察能力、动手动脑能力,而且还能反映学生对学习物理概念和物理规律的理解情况,重要的是它能再现学生的情感、态度、价值观。
实验题的形式是多种多样的,它可以用选择题、填空题、问答题、作图题、计算题等不同方式展示,所以各种题型的解题思路、解题方法、以及解题步骤,都适用于对实验题的正确解答。
三、实验题解答过程中需要注意的问题1、实验原理定方向正确解答物理实验题必须坚持以实验原理为依据的操作过程,实验原理是整个实验的指导方向,而对实验原理的理解必须做到:(1)、要结合课本中学过的物理知识加深理解实验原理; (2)、要从实验原理中理解实验成立的条件; (3)、弄清一个实验原理可以做不同的类似实验;(4)、理解原理设计替代性实验。
2、实验步骤要有科学性实验步骤是否合理、完善直接影响着物理实验的质量,因此在实验操作过程中弄懂,理解和熟悉实验步骤对做好实验题是非常重要的:(1)、保证实验步骤的完整性和合理性。
(2)、保证实验步骤的必要性。
3、间接测量物理量的等值性这种方法常用于实验中无法直接测量的物理量的取值问题,一就是对于一个实验中不能直接测量的物理量。
初中物理中考专题复习《热学实验》(附参考答案)热学实验题重点考查晶体的熔化和凝固、水的沸腾、探究不同物质的吸热能力等实验,侧重考查温度计等仪器的使用、实验现象的观察、实验数据的处理、归纳实验结论、用图像描述规律等。
一、晶体的熔化和凝固晶体熔化和凝固图像非晶体熔化和凝固图像规律 1.图像中若有一段线段与“时间轴”平行,则该物体是晶体否则是非晶体。
2.晶体熔化(凝固)条件:温度达到熔点(凝固点),且继续吸(放)热。
非晶体熔化(凝固)条件:持续吸(放)热。
3.特点:晶体有一定的熔点(凝固点);非晶体没有一定的熔点(凝固点)。
晶体熔化(凝固)过程中持续吸(放)热,温度保持不变,非晶体在熔化(凝固)过程中,吸(放)热,温度不断变化.此类题考查学生对固体熔化(凝固)实验的掌握情况、晶体和非晶体的区别以及固体熔化时的规律.根据温度计的使用的注意事项:玻璃泡要全部浸入被测物体,不能碰到容器底,也不能碰到容器壁.知道怎样才能使试管中的晶体均匀受热是解决此题的关键.探究晶体和非晶体的熔化和凝固实验时,一般都采用水浴法,同时需要不断搅拌物体。
水浴加热,可以使加热比较均匀,物体的温度变化比较均匀,并且变化比较慢,便于记录实验温度.固体颗粒越小,受热越充分,熔化的就越快.根据公式Q吸=cm△t可以知道,当Q吸和比热容c一定时,升高的温度△t和水的质量m成反比,因此当水的质量m越大时,水的温度升高的就会越小,温度计的示数变化就不太显著.在相同的时间内(吸热相同),若物质固态时温度升高多,而液态时升高少,由此可知温度变化越大,比热容就越小.例1 图甲是小明“探究冰熔化时温度变化规律”的装置,请回答下列问题:(1)某时刻试管中温度计的示数如图乙所示是℃。
(2)实验时,把装有碎冰块的试管放到装有水的大烧杯中加热,主要目的是使碎冰块,而且物体的温度上升速度较(选填“快”或“慢”),便于及时记录各个时刻的温度.试管在水中的深度要适当.其“适当”的含义是:①;②.(3)图丙是小明根据实验数据绘制的冰的温度随时间变化的图像。
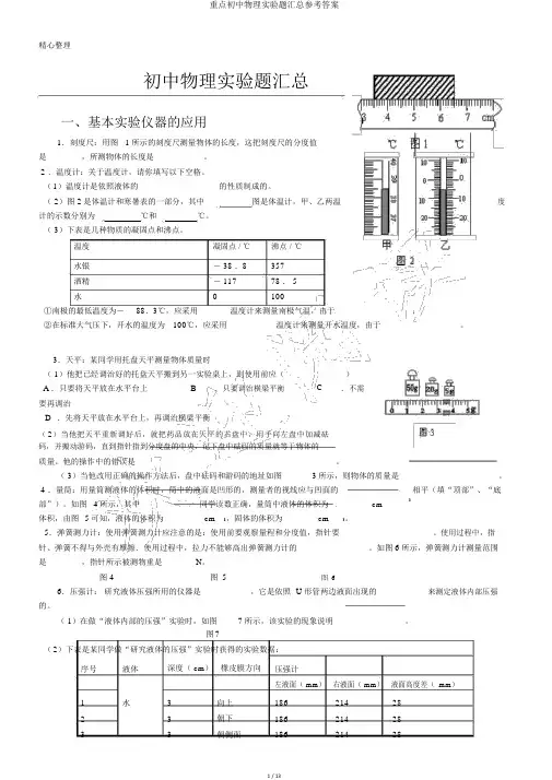
精心整理初中物理实验题汇总一、基本实验仪器的应用1.刻度尺:用图1所示的刻度尺测量物体的长度,这把刻度尺的分度值是_______ ,所测物体的长度是 _________ 。
2.温度计:关于温度计,请你填写以下空格。
(1)温度计是依照液体的 ________________ 的性质制成的。
( 2)图 2是体温计和寒暑表的一部分,其中图是体温计,甲、乙两温度计的示数分别为℃和℃。
( 3)下表是几种物质的凝固点和沸点。
温度凝固点 / ℃沸点 / ℃水银- 38 .8 357酒精- 117 78 . 5水0 100①南极的最低温度为-88.3℃,应采用_____ 温度计来测量南极气温,由于______________ ;②在标准大气压下,开水的温度为100℃,应采用_______ 温度计来测量开水温度,由于______________ 。
3.天平:某同学用托盘天平测量物体质量时( 1)他把已经调治好的托盘天平搬到另一实验桌上,则使用前应(A .只要将天平放在水平台上B.只要调治横梁平衡 C).不需要再调治D.先将天平放在水平台上,再调治横梁平衡(2)当他把天平重新调好后,就把药品放在天平的右盘中,用手向左盘中加减砝码,并搬动游码,直到指针指到分度盘的中央,记下盘中砝码的质量就等于物体的质量。
他的操作中的错误是。
( 3)当他改用正确的操作方法后,盘中砝码和游码的地址如图3所示,则物体的质量是4 .量筒:用量筒测液体的体积时,筒中的液面是凹形的,测量者的视线应与凹面的__ __ 部”)。
如图4所示,其中同学读数正确,量筒中液体的体积为cm。
相平(填“顶部”、“底3体积,由图5可知,液体的体积为___ __cm3,固体的体积为___cm3。
5.弹簧测力计:使用弹簧测力计应注意的是:使用前要观察量程和分度值,指针要___________ 。
使用过程中,指针、弹簧不得与外壳有摩擦.使用过程中,拉力不能够高出弹簧测力计的_________ 。
教科版物理八年级下实验探究复习实验探究内容及考查点一、重力、弹力与摩擦力1.弹簧测力计的使用2.探究重力与什么因素有关3.探究滑动摩擦力大小与什么因素有关4.二力平衡条件5.牛顿第一定律二、压强、浮力1.探究压力的作用效果与什么因素有关(压强)2.探究液体压强大小与什么因素有关3.探究气体压强与什么因素有关4、大气压强的测量5.探究浮力大小与什么因素有关6.探究物体的浮沉条件三、简单机械1.探究杠杆平衡条件2.探究滑轮、滑轮组用力情况与各自特点3.轮轴与斜面四、功和机械能1.滑轮组机械效率2.斜面机械效率3.探究动能大小与什么因素有关一、力的作用效果1、小强在学习力的相关知识中,对“力的作用效果与什么因素有关?”的问题提出了如下一些猜想:①力的作用效果与力的大小有关;②力的作用效果与力的方向有关;③力的作用效果与力的作用点有关;④力的作用效果与物体间相互作用的面积有关。
上述猜想是否正确,请你选择其中的一个来进行探究。
要求写出实验探究的步骤和分析与结论。
(1)你选择的猜想是 。
(填写序号) (2)实验探究步骤: .(3)分析与结论: . 二、弹簧测力计1.小华在课外探究弹簧的长度跟外力的变化关系,利用如图所示实验装置记录了相应实验数据如下: 钩码质量(g) 0 50 100 150 200 250 300 400 指针位置(cm)2345677.57.5(1)这项研究在实际中的应用是__________________________(2)分析实验数据你可得到的结论:______________________________(3)小华作出了如下三个图象,其中正确的是________________________________2.(2011重庆,第16题第(4)题)下图是量筒的测量情形,图l4中弹簧测力计的示数为________N 。
图143.(2011江苏无锡,第32题)为制作弹簧测力计,某物理实验小组对弹簧的伸长与拉力的关系作了探究.下表是他们利用甲、乙两根不同的弹簧做实验时所记录的数据.表一表二(1)分析表一和表二数据可知:①在一定条件下,弹簧伸长的长度与它所受的拉力成 ; ②在拉力相同的情况下,甲弹簧伸长的长度比乙弹簧 (选壤“大"或“小”)。
一、力学部分(一)用天平、量筒测密度[示例]在一次用天平和量筒测盐水密度的实验中,老师让同学们设计测量方案,其中小星和小王分别设计出下列方案:方案A:(1)用调节好的天平测量出空烧杯的质量m1;(2)向烧杯中倒入一些牛奶,测出它们的总质量m2,则这些牛奶质量为________________;(3)再将烧杯中的牛奶倒入量筒中,测出牛奶的体积V1;(4)计算出牛奶的密度ρ.方案B:(1)用调节好的天平测出空烧杯的总质量m1;(2)将牛奶倒入量筒中,记录量筒中牛奶的体积V;(3)将量筒内的牛奶倒入烧杯测出它们的总质量m2;(4)计算出牛奶的密度ρ=________.(用m1、m2、V表示)通过分析交流上述两种方案后,你认为在方案A中,牛奶的________(选填“质量”或“体积”)测量误差较大,导致牛奶密度的测量值比真实值偏________(选填“大”或“小”).在方案B中,牛奶的________(选填“质量”或“体积”)测量误差较大,牛奶密度的测量值与真实值相比________(选填“大”或“相等”或“小”).(二)测滑动磨擦力[示例]小明在探究滑动摩擦力的大小与哪些因素有关的实验中,实验过程如图所示(1)在实验中,用弹簧测力计拉着木块时,应沿水平方向拉动,且使它在固定的水平面上________运动.根据________条件可知,此时木块所受的滑动摩擦力与弹簧拉力的大小_______.这种测摩擦力的方法是________(填“直接”或“间接”)测量法.(2)比较(a)、(b)两图说明滑动摩擦力的大小与____________有关;比较____________两图说明滑动摩擦力的大小与接触面的粗糙程度有关.(3)在上述实验中,对于摩擦力大小的测量你认为是否准确?请你作出评价.(三)探究浮力大小[示例]小明用如图所示装置研究“浮力大小跟物体排开液体体积关系”实验时,将一个挂在弹簧测力计下的金属圆柱体缓慢地浸入水中(水足够深),在接触容器底之前,分别记下圆柱体下面所处的深度h、弹簧测力计相应的示数F,实验数据如下表:(1)验数据可知,金属块重N,完全浸没时受到的浮力是N,物体的体积是m3,物体的密度是kg/m3.(2)表中第1次到第3次实验数据,说明了浸在液体中的物体受到浮力大小与物体排开液体体积(填“有关”或“无关”).(3)分析表中第4次和第5次实验数据,说明了浸没在液体中的物体受到浮力大小与深度(填“有关”或“无关”).(4)图中能正确反映F和h关系的图象是().(四)研究液体内部压强的规律[示例]某小组三位同学通过实验探究液体内部的压强与哪些因素有关,他们的研究过程如下:(1)猜想:他们分别在粗细不同、两端开口的玻璃管的一端扎上橡皮薄膜,并在管内注入不同液体,观察到橡皮薄膜分别向下凸出,实验现象如图所示:小华根据图(a)和(b)猜想液体内部的压强可能与深度(选填“有关”或“无关”).小明根据图猜想液体内部的压强与液体的质量无关.小红根据图(b)和(c)猜想液体内部的压强可能与液体的有关.(2)探究:他们继续实验,分别在扎有橡皮薄膜的玻璃管中注入不同液体,仔细观察并比较橡皮薄膜向下凸出的情况,并分别用h1、h2、h3、h4、h5和h6表示凸出程度,且h1<h2<h3<h4<h5<h6.他们将有关的实验数据和实验现象记录在下表中.同学密度ρ(×103千克/米3)实验序号深度(厘米)橡皮薄膜凸出程度1 5 h1小华0.82 10 h23 10 h3小明 1.04 20 h45 18 h5小红 1.26 20 h6①各位同学分析了本人的实验数据和现象后得出:当液体的密度相同时,.由此可验证的猜想是正确的.②三位同学互动交流、分析比较实验序号2与3、4与6的数据和现象后得出:.由此他们验证了的猜想是正确的.(五)测量大气压[示例]为测量大气压强的数值(1)王欣同学进行了如下实验,将塑料挂钩吸盘按压在光滑水平玻璃下面,挤出塑料吸盘内的空气,测出吸盘压在玻璃上的面积为S;将装适量细沙的小桶轻轻挂在吸盘下面的塑料挂钩上,用小勺轻轻向桶内加细沙,直到塑料吸盘刚好脱落玻璃板,测出此时塑料挂钩、小桶和沙的总重力为G.①即将脱离玻璃板时,空气对塑料吸盘的压力大小是,所测大气压强的数值是②方法所测大气压强数值往往比实际值小一些,你认为产生这一误差的原因可能是(一条即可):.(2)某科学实验小组利用注射器、弹簧测力计、刻度尺等器材测量大气压强的值,实验步骤如下:①注射器的活塞推至注射器筒的底端,然后用橡皮帽堵住注射器的小孔,这样做的目的是②图1所示,用细尼龙绳拴住注射器活塞的颈部,使绳的另一端与弹簧测力计的挂钩相连,然后水平向右慢慢拉动注射器筒,当注射器中的活塞刚被拉动时,记下弹簧测力计的示数为29.9N.③图2所示,用刻度尺测出注射器全部刻度的长度为cm,计算出活塞的横截面积.④算得到大气压强的数值为Pa.⑤学们发现实验误差较大,请分析,该实验过程中导致误差的因素有(请写出两条)、.(六)探究杠杆的平衡条件[示例]小强在探究“杠杆的平衡条件”时,经历了如下的实验步骤:A、调节杠杆两端的螺母,使杠杆在__________位置平衡;B、在杠杆的两边挂上钩码,并移动悬挂位置,使杠杆重新平衡;C、改变动力或动力臂的大小,并重新调节,再次使杠杆平衡;D、如此多次测量,得到多组数据。
➢热学实验实验一、探究“水的沸腾"实验【实验器材】铁架台、酒精灯、火柴、石棉网、烧杯、中心有孔的纸板、温度计、水、秒表【实验步骤】①按装置图安装实验仪器;②用酒精灯给水加热并观察;③当水温接近90℃时每隔1min 记录一次温度,并观察水的沸腾现象。
④完成水沸腾时温度和时间关系的曲线。
【实验现象】水沸腾时的现象:剧烈的汽化现象,大量的气泡上升、变大,到水面破裂,里面的水蒸气散发到空气中。
虽继续加热,它的温度不变。
水沸腾前水沸腾后3.沸点:液体沸腾时的温度。
4.液体沸腾的条件:(1)温度达到沸点;(2)继续吸收热量。
【实验补充】(1)液体沸腾需要一定的温度,在标准大气压下不同的液体沸点不同。
(2)液体沸腾前吸收热量温度升高,沸腾后吸收热量温度保持不变。
(3)液体的沸点还与大气压有关,气压越高液体的沸点越高,高压锅就是利用了这一原理。
【考点方向】1、水沸腾的条件:达到沸点,继续吸热。
2、由图像描点,水沸腾时特点:温度不变,继续吸热3、开始加热到沸腾时间过长,改进:①提高水的初温;②减少水的质量4、石棉网作用:使烧杯底部受热均匀5、酒精灯拿开后,沸腾继续,原因:石棉网有余热,水断续吸热;6、水沸点98度,原因:低于1个标准大气压。
7、沸水降温至室温,温度变化特点:先快后慢。
8、若无论加热多长时间,水都不能沸腾,原因:火力太小,吸收热量小于热损失。
9、安装装置时顺序:自下而上。
10、水沸腾前,烧杯内上升的气泡是由大变小的;水沸腾时,烧杯内上升的气泡由小变大,11.实验中发现温度计上部出现许多小水珠,这些小水珠是液化__形成的。
12、烧杯的纸盖上留有两个小孔,穿过温度计的那个孔作用是固定温度计。
另外一个孔的作用是使水面上方大气压强与外界相同,使水的沸点测量值更准确;若不留小孔对实验结果产生的影响是里面气压增大,测出的水的沸点偏高实验二、探究不同物体吸热能力的实验【实验目的】:比较不同物质的吸热能力【实验器材】:相同的酒精灯2个、烧杯(80ml、分别盛60g的水和食用油)2个、温度计2 支、铁架台2个、石棉网2个、火柴、机械停表【实验步骤】:①在两个铁架台的底座上各放一个规格相同的酒精灯,调好铁圈的高度,将石棉网放在铁圈上。
初三物理期末复习专题——基础实验专题班级__________姓名___________一、内能1.扩散现象(1)如图所示的装置,其中一个瓶子装有密度比空气大的红棕色二氧化氮气体,另一个装有空气。
演示氧化扩散现象时应该把装有二氧化氮气体的瓶子放在 方(选填“上”或“下”),这是为了防止物体所受__________对实验的影响。
抽掉玻璃板后,在常温下经过_______(选填“30s ”或“30min ”)可以明显观察到上下两个瓶子内气体的颜色变均匀。
(2)玻璃筒中装入一半清水,用细管注入硫酸铜溶液至水下方,几天后分界面变得模糊,30天后混合均匀,这说明液体分子在 。
(3)光滑铅片和金片紧压在一起,放置五年,彼此渗透1mm ,这是固体的____________现象。
扩散的速度对比为:__________________扩散现象说明:分子在不停的做___________________,分子间存在_______。
2.如右图所示,将一定量水与酒精混合后总体积变_______,说明分子间存在_____________。
3.如图所示,将两个铅柱削平,削干净,然后紧紧地压在一起,并在下面吊一个钩码。
观察到的现象:______________________________________.得出的结论:分子间存在_______。
此时下面的铅柱B 处于________(选填“平衡”或“非平衡”)状态,它所受到的分子间作用力______自身所受的重力。
如何排除是大气压力托住铅块和重物,从而不掉下来呢?4.如图所示,在一个配有活塞的厚玻璃筒里放一小团硝化棉,把活塞迅速压下去,观察到的现象: ,这说明当压缩空气________时,空气内能________,温度________,达到硝化棉的燃点。
能转化为 能。
若实验中没有观察到应该看到的现象,请你分析可能的原因是 。
A B5.如图所示,烧瓶(或可乐瓶)内盛少量水。
给瓶内打气,当瓶塞跳出时,观察到瓶口附近有出现,这是因为气体膨胀推动活塞______时,瓶内空气的能转化为瓶塞的能,空气温度,空气中的水蒸气成小水滴。
电学实验探究题考前专题复习(一)1、某实验小组的同学探究电流与电压的关系时,用到如下器材:电源1个,电流表、电压表各1只,定值电阻(5Ω、10Ω、15Ω各1只),滑动变阻器1只,开关1个,导线若干;设计的电路如图所示。
(1)这个实验使用了控制变量的方法,其中被控制的变量是 ,滑动变阻器R2的作用是 。
下面是他们获取的一组实验数据:电压U/V 2 4 6 8 10电流I/A 0.39 0.79 1.20 1.58 2.00(2)实验中他们选用的定值电阻阻值为 Ω;(3)请在图31坐标系上画出电流随电压变化的图像;(4)分析表中的数据或图像,你能得出的探究结论:2、如图26甲所示是小刚“测小灯泡电功率”的实验电路。
其中电源电压为6V,小灯泡额定电压为2.5V、电阻约为l0Ω。
滑动变阻器有A规格“l0Ω2A”、B规格“50Ω lA”可选。
(1)本实验应该选择_________规格的滑动变阻器。
连接电路时,开关应_________。
(2)请用笔画线代替导线将图甲的实验电路连接完整。
(3)闭合开关后,小刚发现电流表和电压表有示数但都很小,且看不到小灯泡发光,其原因是______ _。
(4)当变阻器滑片P移到某一位置时,电压表示数如图乙所示,为_______V。
要测小灯泡的额定功率,应将滑片P 向_______ (选填“A”或“B”)端移动,使电压表示数为2.5V。
第2题 第3题3、在用电压表和电流表测电阻R0的实验中,若被测电阻R0的阻值约为30Ω,备有:电流表一个,0﹣0.6A,0﹣3A两个量程,电压表一个,0﹣3V、0﹣15V两个量程;电源四种,电压分别为1.5V、3V、6V、15V;开关一个;导线若干。
(1)为了比较准确地测出电阻R0的阻值,还需要的器材是 ;(2)请在空框内画出实验电路图;(3)连接电路时,开关应该是 的。
(4)为了减小电表读数时的误差,要求在几次测量中,电表指针的示数大于量程的2/3,则电源应选用 V,电压表应选用 量程,电流表应选用 量程。
中考物理专项复习《中考热学3类重点实验》重点实验1:探究晶体熔化实验一、探究晶体熔化实验基本思路【实验装置】【探究方法】实验法,归纳法。
【探究过程】1.安装实验装置顺序:自下而上安装好实验装置。
2.分别将碎冰和石蜡放入两支试管中,按照如图所示装置分别加热碎冰和石蜡,并用搅拌器不断不断搅拌。
3.观察温度计读数和石蜡的状态变化,并把数据记录在表格中。
4. 完成碎冰和石蜡熔化时,温度和时间关系的曲线。
【实验图像】【实验结论】冰熔化过程中温度变化规律:(1)温度保持不变;(2)继续吸收热量。
石蜡熔化时温度变化规律:(1)温度不断升高;(2)继续吸收热量。
【注意事项】1.实验器材组装顺序:自下而上。
2.选用较小固体颗粒:易均匀受热。
3.采用“水浴法”加热的好处:使固体均匀受热。
4.烧杯中水量:不宜过多避免加热时间过长,浸没试管中固体即可。
5.温度计插入的位置:不能接触到烧杯底部和侧壁。
6.烧杯中水沸腾之后继续加热,试管中的水不沸腾:烧杯中水沸腾后温度保持不变,试管内外。
水没有温度差,试管内的水不在吸热,故试管中的水不会继续吸热。
7.冰熔化的温度低于0℃:冰中含有杂质。
二、探究晶体熔化实验命题点1.安装装置时,应按照由下至上的顺序。
2.石棉网的作用:使烧杯受热均匀。
3.加热过程中不断搅拌的目的:使物体受热均匀4.实验选取小颗粒目的是:使温度计的玻璃泡与固体充分接触;容易受热均匀。
5.采用水浴法的优点:(1)使物体受热均匀;(2)是物体受热缓慢,便于观察温度变化规律。
6.试管放置要求:(1)试管中所装物体完全浸没水中;(2)试管不接触烧杯底或烧杯壁。
7.烧杯口处出现白气的成因:水蒸气预冷形成的小水珠。
8.融化前后曲线的倾斜程度不一样的原因:同种物质在不同状态下的比热容不同。
9.收集多组数据的目的是:得出普遍规律。
重点实验2:探究水沸腾时温度变化的特点一、探究水沸腾时温度变化的特点实验基本思路【实验装置】【探究方法】实验法,归纳法【探究过程】1.安装实验装置顺序:自下而上安装好实验装置。
2023年中考物理二轮专题复习磁现象实验专题(含答案)考点一:探究电流周围的磁场散布1.小明同学在做“探究通电螺线管外部的磁场散布”实验时,实验装置如图所示.(1)闭合开关后,螺线管周围小磁针的指向如图所示,小明根据螺线管右端小磁针a的指向判定出螺线管的右端为N极,则可知电源的A端为________极;(2)当电源的正负极方向对换时,小磁针a的北极指向也对换,由此可知:通电螺线管的外部磁场方向与螺线管中导线的________有关.2.在做“探究通电螺线管外部磁场的方向”的实验时,小明在螺线管周围摆放了一些小磁针(1)通电后小磁针的指向如图甲所示,由此可看出通电螺线管外部的磁场与________磁体的磁场类似。
(2)小明改变螺线管中的电流方向,发觉小磁针转动180°,南北极所指方向产生了改变,由此可知:通电螺线管外部磁场方向与螺线管中的_______方向有关。
(3)由安培定则可知乙图中S闭合后,螺线管的上端为________极。
3.安安在探究通电螺线管的磁场散布的实验中,如图所示:(1)在固定有螺线管的水平硬纸板上平均地撒满铁屑,通电后轻敲纸板,视察铁屑的排列情形,发觉通电螺线管外都的磁场与______磁体的磁场类似;在通电螺线管的两端各放一个小磁针,根据小磁针静止时的指向,可以判定通电螺线管的______(选填“左”或“右”)端是它的N极;(2)如果想探究通电螺线管的极性与电流方向的关系,接下来的操作是______,并视察小磁针的指向。
4.在“探究通电螺线管外部磁场的方向”实验中:(1)小磁针的作用:。
(2)在螺线管外部A、B两处放置小磁针,闭合开关,发觉A处小磁针产生偏转,而B处小磁针不偏转,试说明B处小磁针不偏转的可能原因:(3)将电池的正负极对调,重复上述实验,是为了探究通电螺线管外部磁场的方向与方向的关系。
(4)视察实验现象后,应立刻断开开关,是为了。
5.(1)如图甲是奥斯特实验装置,接通电路后,视察到小磁针偏转,此现象说明了;断开开关,小磁针在的作用爱好又复原到本来的位置,改变直导线中电流方向,小磁针的偏转方向产生了改变,说明了.(2)探究通电螺线管外部磁场散布的实验中,在嵌入螺线管的玻璃板上平均撒些细铁屑,通电后(填写操作方法)玻璃板,细铁屑的排列如图乙所示,由此可以判定,通电螺线管外部的磁场散布与周围的磁场散布是类似的,将小磁针放在通电螺线管外部,小磁针静止时(N/S)极的指向就是该点处磁场的方向.6.在探究“通电螺线管的外部磁场”的实验中,小明在螺线管周围摆放了一些小磁针。
人教版九年级物理下册实验探究复习试题含答案第18章三、简答、实验、探究题(本大题共4个小题,共31分)19.(4分)(1)(云南中考)如图所示,电能表的读数为__746.8__kW·h。
(2) 夏季经常出现持续的“桑拿天”,居民家的空调、风扇都闲不住,许多用电器同时使用,很容易使线路因为超负荷工作而引发火灾。
请你给家人解释其中的道理。
答:当电流通过导体时,通常会发热。
居民家的用电器是并联的,当空调、电扇等都开启时,并联的支路越多,干路中的电流会越大,根据焦耳定律Q =I2Rt,产生的热量就会越多,所以很容易产生火灾。
20.(6分)(孝感中考)某班同学分成两个小组做了以下不同的实验:(1)第一小组观察小灯泡的亮度与实际功率的关系,小灯泡的额定电压为2.5 V,实物电路连接如图甲所示。
①开关闭合后,会发现__电压表__(选填“电压表”或“电流表”)的指针反偏。
②将错误连接改正后,闭合开关,调节滑动变阻器,使电压表的示数为0.2 V 时,发现灯泡不亮,你认为其原因是__B__(填写选项前的字母序号)。
A.小灯泡断路B.小灯泡的实际功率太小③继续调节滑动变阻器,使电压表的示数为2.5 V,灯泡正常发光,电流表的示数为0.30 A;再调节滑动变阻器使电压表的示数达到3.0 V,灯泡强烈发光,此时灯泡的实际功率__小于__(选填“大于”“等于”或“小于”)1.08 W。
(2)第二小组测量额定电压为3.8 V的小灯泡的额定电功率,采用如图乙所示的电路图,其中电源电压为4.5 V,R=10 Ω。
①闭合开关,调节滑动变阻器的滑片,使电流表的示数为__0.38__A,灯泡正常发光。
②保持滑动变阻器滑片的位置不变,断开开关,将电流表改接到灯泡所在的支路,与灯泡串联,闭合开关后,电流表的示数如图丙所示,则此时通过灯泡的电流为__0.4__A。
③灯泡的额定电功率为__1.52__W。
21.★(14分)在测量小灯泡电阻的实验中,小灯泡的额定电压为2.5 V。
专题三实验题基本仪器的使用与读数这类题目在中考中是必考题,也是要求考生不能失分的题目,通常会融合在大实验题中考查仪器的读数,将来也可能以小实验综合形式出现考查仪器读数或正确操作方法等。
主要有:①用刻度尺测长度;②用停表测时间;③用温度计测温度;④用量筒(量杯)测物体的体积;⑤用天平测物体的质量;⑥用弹簧测力计测力;⑦用电流表测电流;⑧用电压表测电压;⑨用电能表测电功。
一、刻度尺注意事项:1.如果测量物体的始端不在零刻度线,被测物体的长度应为末端对应的刻度值减去始端对应的刻度值。
2.使有刻度线的一侧紧靠被测物体,并与被测长度平行。
3.视线正对刻度读出数值,要估读到分度值的下一位。
4. 当物体的始端或末端在刻度尺的整刻度线处时,也要注意估读值。
例1如图1-甲所示,物体的长度是cm;图1-乙、丙中,符合长度测量要求的是图。
图1二、秒表注意事项:1.秒表内圈的单位是“分钟”,外圈的单位是“秒”。
2.读数前,先分清内圈和外圈的分度值。
3.读数时,对于外圈一圈表示30 s的秒表,内圈的分针小于30 s时,读外圈小于30 s的读数;内圈的分针大于30 s时,读外圈大于30 s的读数。
例2如图2所示,秒表的读数是s 。
三、温度计注意事项:1.先估计被测物体温度,再选择适当量程的温度计。
2.认清温度计的分度值。
3.温度计的玻璃泡要与被测物体充分接触,不能碰到容器底或容器壁。
4.待示数稳定后再读数。
5.读数时要先找出零刻度线的位置,温度计不能离开被测物体(体温计例外),视线要与温度计中的液面齐平。
例3使用温度计时,首先要观察它的和认清它的分度值。
小明用温度计测量烧杯中液体的温度,分别进行了三次操作,如图3-甲所示,其中正确的操作是。
如图3-乙所示是用温度计分别测得的冰和水的温度,那么冰的温度是℃。
四、量筒注意事项:1. 使用前要注意量筒的量程和分度值。
2. 量筒要放在水平的工作台上,不能放到天平上使用,不能用手托着量筒读数。
初中物理实验专题复习练习参考答案:1、慢;低;快;高;频率;2、(1)能(2)声音变小(或听不到声音)(3)声音的传播需要介质(或声音在真空中不能传播)3、⑴如图所示;⑵将纸板B向后(前)折,观察在纸板B上是否有反射光线;⑶在反射现象中,光路是可逆的.4、(1)能准确找到像的位置(透光、成像) ; (2)到平面镜的距离;(3)大小; (4)不能,虚; (5)不变.5、(1)入射角为00,折射角也为00。
(2)入射角增大,折射角也随着增大。
(3)光从空气斜射入不同介质中的折射角不同。
6、答案:(1)同一高度:(2)物距大于焦距时像是倒立的物距越大,像距越小,物距越小,像距越大物距大于2倍焦距时成缩小的像光屏蜡烛7、答案:(1)B、D、A、C (2)固液共存368、⑴如图; ⑵气压过低; ⑶继续加热,温度不变; ⑷水蒸气遇冷液化成小水滴9、短路损坏电流表或损坏电源或损坏电流表和电源10、(2)串联电路中各电灯两端的电压相等、各个电灯并联在相同的两点间;(3)电源、开关、导线、电灯、电压表;(5)用电压表分别测量出电灯两端的电压U1和U2,并进行比较,若两者相等,即可得出猜想是正确的;(7)改变电源电压小或小灯泡的规格,重做上述实验。
(8)3、3。
11、(1) (2)0.3; (3)丁; (4).a.保护电路; b.改变电路中的电流(改变定值电阻两端的电压) (5)电源电压至少220V(电流表的量程、滑动变阻器、导线应选规格匹配的);(6)电能表表(秒表,停表).12、(2) A ; (3) 8.3 Ώ ; (4) 电压表与变阻器并联; (5) 保护电路和改变电路中的电流.13、(1)电压表与小灯泡并联(2)右保护调节小灯泡两端电压(调节电路中的电流)(3)灯泡部分断路(4)灯泡部分短路电压表部分断路14、15、27;10;2.7×10816、(1)0 右(2)66.6 46.6(3)丙丙组的质量与体积的比值与其它组相比偏差太大.17、(1)任选其中一个均可;(2)(3)见下表(其它符合题意的答案均可得分)探究问题探究步骤分析与结论)①力的作用效果与力的大小有关;①拉弹簧:将弹簧的一端固定,用较小的力拉弹簧;用较大①拉弹簧:拉力越大弹簧的形变越大,说明力的作用效果与力的大小有18、(1)匀速 6 (2)1.2 (3)小于19、⑴相同⑵木板,摩擦,推理20、小车;大小,方向;同一直线;a方案对实验结论的影响小一些,因为小纸片的重力可以忽略不计(因为b方案的小车要受到摩擦力的影响)21、4;36.7℃22、天平和弹簧测力计;重力与质量成正比或物体所受重力与其质量的比值是一定值。
初中物理八年级上册实验考点汇总与练习题附答案一、实验考点汇总1. 计算速度- 实验一:利用直尺和秒表确定物体的速度- 实验二:利用测速计测量物体的速度- 实验三:利用小球在不同坡度上滚动的实验,研究速度与坡度的关系2. 测量物体的质量- 实验一:利用弹簧秤测量物体的质量- 实验二:利用天平和弹簧秤测量物体的质量- 实验三:利用测力计测量物体的质量3. 研究物体的密度- 实验一:利用密度瓶测量物体的密度- 实验二:利用称量法测量物体的密度- 实验三:利用天平和密度瓶测量物体的密度4. 研究物体的膨胀- 实验一:利用热胀冷缩实验观察物体的膨胀与收缩- 实验二:利用铁环和铝环的热胀冷缩实验验证膨胀系数的大小- 实验三:利用螺栓和螺母的膨胀差实验研究热胀冷缩差异5. 研究物体的声音- 实验一:利用乐器和弹弓的实验研究音的产生- 实验二:利用音叉实验研究音的高低和频率- 实验三:利用共鸣管实验研究声音共鸣现象二、练习题附答案1. 实验一:利用直尺和秒表确定物体的速度时,如果物体在1秒里移动了10厘米的距离,则它的速度是多少?答:速度 = 距离 ÷时间 = 10厘米 ÷ 1秒 = 10厘米/秒。
2. 实验二:利用测速计测量物体的速度时,如果测得的速度是40米/秒,则物体在2秒内移动了多少距离?答:距离 = 速度 ×时间 = 40米/秒 × 2秒 = 80米。
3. 实验一:利用弹簧秤测量物体的质量时,如果弹簧秤指向的刻度是5千克,则物体的质量是多少?答:物体的质量 = 刻度读数 = 5千克。
4. 实验二:利用天平和弹簧秤测量物体的质量时,如果天平的左右两端秤盘的指示分别是400克和600克,则物体的质量是多少?答:物体的质量 = 左秤盘指示 + 右秤盘指示 = 400克 + 600克 = 1000克。
5. 实验一:利用密度瓶测量物体的密度时,如果物体的质量是20克,占据的体积是5立方厘米,则物体的密度是多少?答:物体的密度 = 质量 ÷体积 = 20克 ÷ 5立方厘米 = 4克/立方厘米。
八年级下期物理期中复习--实验专题〖阻力对物体运动的影响〗小明使用如图所示装置,探究阻力对物体运动的影响(1)他让同一小车从同一斜面的静止滑下,目的是,这种实验方法叫做法.(2)实验中,小明通过观察来判断阻力对小车运动的影响,这种实验方法叫做法.(3)小明发现三次实验时小车都会滑出木板,无法记录其滑行距离,在不更改实验器材的基础上,可以通过(选填“增大”或“减小”)小车在斜面上滑下时的高度,使其不再滑出水平表面。
(4)调整后,小车在表面材料不同的水平面上运动,分别停在如图所示的不同地方,由实验现象我们可以得出结论:平面越光滑,小车运动的距离越,说明小车受到的阻力越,速度减小得越.(5)由实验现象我们可以推断:假如表面绝对光滑,小车在水平方向上不受力,它将。
(6)实验中小车最终会停下来,是受到了的作用,因此,力不是物体运动的原因,而是物体运动状态的原因。
牛顿第一定律用该实验直接验证。
(7)通过上面的探究后,小明又思考如下问题,如图2所示,摆球从A点由静止释放摆到最右端最高点C时,小球受到的力平衡力,如果小球所受的力全部消失,摆球将。
(8)同组的小伟提出,如果分别让同一小车从不同的高度滑下后,在阻力为零的水平面上运动,最终小车的速度,因为〖二力平衡〗如图甲、乙所示,是物理兴趣小组的同学以物块、小车为研究对象的装置,带钩物块、小车分别放在甲乙图中粗糙程度相同的水平桌面上,左右两端用细线通过滑轮连接着两个相同吊盘。
小明同学采用的实验装置如图甲所示,小红同学采用的实验装置是如图乙所示。
丙丁(1)该物理兴趣小组的同学,是在做探究的实验。
(2)甲、乙两个实验装置中,你认为装置更科学,原因是。
(3)实验时,小红通过观察小车能否来判断小车受到的力是否二力平衡。
(4)小红将系于小车两端的线分别跨过左右支架上的滑轮,在盘中放上钩码,使作用在小车上的两个拉力方向,并通过调整来改变拉力的大小.(5)小红将静止的小车旋转一定角度后松手,小车会,这说明两个力必须上,物体才能保持平衡。
初中物理实验考试题及答案整理学校物理试验考试题及答案学校试验是中考必考的一部分,我为大家整理了学校遇到的全部试验,保藏起来复习的时候看一看吧!1、力学1. 天平测质量【试验目的】用托盘天平测质量。
【试验器材】天平(托盘天平)。
【试验步骤】1.把天平放在水平桌面上,取下两端的橡皮垫圈。
2.游码移到标尺最左端零刻度处(游码归零,游码的最左端与零刻度线对齐)。
3.调整两端的平衡螺母(若左盘较高,平衡螺母向左拧;右盘同理),直至指针指在刻度盘中心,天平水平平衡。
4.左物右码,直至天平重新水平平衡。
(加减砝码或移动游码)5.读数时,被测物体质量=砝码质量+游码示数(m物=m砝+m游)【试验记录】此物体质量如图:62 g1.把金属块挂在弹簧测力计下端,登记测力计的示数F1。
2.在量筒中倒入适量的水,登记液面示数V1。
3.把金属块浸没在水中,登记测力计的示数F2 和此时液面的示数V2。
4.依据测力计的两次示数差计算出物体所受的浮力(F浮=F1-F2)。
5.计算出物体排开液体的体积(V2-V1),再通过G水=ρ(V2-V1)g 计算出物体排开液体的重力。
6.比较浸在液体中的物体受到浮力大小与物体排开液体重力之间的关系。
(物体所受浮力等于物体排开液体所受重力)【试验结论】液体受到的浮力大小等于物体排开液体所受重力的大小探究当物体处于静止时,两个力的关系;探究当物体处于匀速直线运动状态时,两个力的关系1.如图a 所示,作用在同一物体上的两个力,在大小相等、方向相反的状况下,它们还必需在同始终线,这二力才能平衡。
2.如图b、c 所示,两个力在大小相等、方向相反且在同始终线上的状况下,它们还必需在同一物体上,这二力才能平衡。
【试验结论】二力平衡的条件:1.大小相等(等大)2.方向相反(反向)3.同始终线(共线)4.同一物体(同体)7. 探究液体内部压强与哪些因素有关【试验目的】探究液体内部压强与哪些因素有关【试验器材】U 形管压强计、大量筒、水、盐水等。
中考复习物理实验专题归类复习1、如图1所示,用尺子作乐器探究决定音调高低的因素,把钢尺紧按在桌面上,一端伸出桌边,拨动钢尺,听它振动发出的声音,同时注意钢尺振动的快慢,改变钢尺伸出桌边的长度,再次拨动,使钢尺每次的振动幅度大致相同。
实验发现:○1尺子伸出桌面的长度 越长振动越 ,发出声音的音调越 ;尺子伸出桌面的长度越短振动越 ,发出声音的音调越 .由此可得出结论:音调的高低与 有关2、为了验证“声音的传播需要介质”,小华设计了一套巧妙的实验装置:在广口瓶内用细线吊起爸爸的手机,线的末端固定在瓶口的软木塞上,瓶内的空气可由瓶口的玻璃管抽出,如图2所示。
(1)在没有抽气时,小华用家里的电话拨打手机,他 (选填“能"或“不能")听见手机铃声.(2)当小华尽量抽尽瓶中的空气后,再拨打手机,他听到的手机铃声的情况是: .(3)通过以上两次实验的对比,小华得出的结论是 。
3、为了探究光反射时的规律,小明进行了如图3所示的实验。
⑴请在图中标出反射角的度数。
⑵小明想探究反射光线与入射光线是否在同一平面内,他应如何操作?⑶如果让光线逆着OF 的方向射向镜面,会发现反射光线沿着OE方向射出,这表明:4、小红同学在做“探究平面镜成像”的实验时,将一块玻璃板竖直架在水平台上,再取两段完全相同的蜡烛A 和B ,点燃玻璃板前的蜡烛A ,进行观察,如图4所示,在此实验中:(1)小红选择玻璃板代替镜子进行实验的目的是__________. 空气中的入射角i 0° 30° 45° 60°水中的折射角r 0° 22° 32° 40°图1 图2 图3(2)所用刻度尺的作用是便于比较像与物________关系.(3)选取两段完全相同的蜡烛是为了比较像与物的__________关系.(4)移去后面的蜡烛B,并在其所在位置上放一光屏,则光屏上__________接收到蜡烛烛焰的像(填“能”或“不能").所以平面镜所成的像是__________像(填“虚”或“实”).(5)小红将蜡烛逐渐远离玻璃板时,它的像__________ (填“变大”、“变小"或“不变”).5、某实验小组在探究光的折射规律时,将光从空气分别射入水和玻璃,测得数据如下表:分析表格中的数据,你肯定能得出一些规律.请写出一条: 。
初中物理实验专题复习1.如图1所示,是一个小球运动时的频闪照片,频闪时间间隔为0.02s,闪亮时间千分之一秒可忽略不计。
根据照片记录的小球位置,分析解决下列问题:(1)小球从位置a运动到位置d 所用的时间是多少?(2)小球所作的运动是不是匀速运动?判断的依据是什么?(3)小球从位置a运动到位置d 的平均速度有多大?2.如图2是一个骑自行车的人与一个跑步的人运动时路程随时间变化的图象,根据该图象能够获得合理的信息有:信息一:(示例)他们是同时开始运动的;信息二:_________________________;信息三:_________________。
4.我们通过如图4所示的实验探究声音能否在真空中传播。
玻璃瓶中的手机是悬挂起来的,你能说出其中的原因吗?________随着瓶内空气被抽出,铃声会________ 5.某同学在探究音调与响度有什么关系时,做了以下实验:(1)如图5甲所示,用硬纸片在钢锯齿上滑动,滑动速度越大,硬纸片振动的频率越,发出的声音的音调越________,这说明音调是由________ 决定的。
(2)如图5乙所示,用一只手将锯条压在桌沿上,用另一只手轻拨锯条一端,听其响度;在用力拨锯条,这是锯条的振幅 ________,听其响度________,这说明响________与 ________ 有关。
6.如图6所示,是在探究光的传播规律所拍摄的一组图片,图片是在实验过程中改变入射方向依次拍摄的。
实验用的主要器材是手电筒式激光源和半圆型透明玻璃砖。
图中O点为半圆型透明玻璃砖的圆心,入射光线沿半径方向射向分界面MN。
请你仔细观察图片中所显示的实验现象,回答以下问题:图6(1)当激光源发出的光沿法线方向射向空气与玻璃的分界面上时(即入射光线垂直射到两种介质的分界面上),其传播方向。
(2)当光由玻璃斜射到玻璃与空气的分界面MN上时,在分界面同时产生的两种现象是。
(3)比较甲、乙两图,你有哪些发现?把你的发现都写出来。
(提示:可测量图中的入射角、反射角、折射角,从各角的大小及变化情况、各线的位置等方面进行归纳总结)(4)观察丙图,并与甲、乙两图进行比较,你有哪些联想或猜想?你会提出一些什么样的问题?把你的联想或猜想以及能够提出的问题写出来。
7.如图7所示,某同学在做探究平面镜成像特点实验时,将一块玻璃板竖直架在一把直尺的上面,再取两段等长的蜡烛A、B一前一后竖直放在直尺上,实验过程中眼睛始终在A的一侧进行观察。
(1)点燃蜡烛A,调节蜡烛B的位置,直到________ 时,B的位置即为A的像所在的位置。
(2)直尺的作用是便于比较物与像________ 的关系;两段等长的蜡烛是为了比较物与像________ 的关系。
(3)若用平面镜代替玻璃板,上述实验________进行(选填“能”、“不能”),理由是:。
图7 图88.牛顿在1666年做了一个 ________ 实验,揭开了颜色之迷,他让一束太阳光穿过狭缝,射到三棱镜上,从三棱镜另一侧的白纸屏上可以看到一条彩色的光带,如图8所示,从A到B处分别是________ 色光。
9.小明进行“视力的矫正”探究活动,他将自己戴的近视眼镜放在蜡烛与凸透镜之间,如图9在光屏上得到了一个缩小倒立的清晰实像,拿开眼镜后,光屏上的像变得模糊了。
(1)小明为了使光屏上的像重新变得清晰,在不移动光屏和凸透镜位置的前提下,他该 ________ 。
如果他不戴眼镜看书,应该将书_______(填“靠近”或“远离”)眼睛。
(2)如图10所示的四幅小图中,正确表示近视眼成像情况的是________图,其矫正做法是________图;远视眼成像情况的是________图,其矫正做法是________图。
(3)为了保护视力,你认为应注意什么?(写出两点即可)图9 图1010.在探究凸透镜成像规律的实验中:(1)第1小组同学依次把点燃的蜡烛、透镜、光屏放在光具座上。
但是,在实验中无论怎样移动光屏都找不到清晰的像,请你帮他们找出两个可能的原因:①________________________;② ________________ ________________。
(2)第1、2两个实验小组分别进行了若干次操作,并把实验数据准确记录在下面表格中。
凸透镜焦距/cm 14 14 14 14 16 16 16 16物体到凸透镜距离/cm 20 30 40 60 20 30 40 60像到凸透镜距离/cm 47 26 22 18 80 34 27 22像的性质倒立实像倒立实像倒立实像倒立实像倒立实像倒立实像倒立实像倒立实像根据上表,请你归纳出二个结论:① ________ 。
② ________。
14.小明在探究滑动摩擦力的大小与哪些因素有关的实验中,实验过程如图14所示。
图14 图15(1)在实验中,用弹簧测力计拉着木块时,应沿水平方向拉动,且使它在固定的水平面上_______运动。
根据__________条件可知,此时木块所受的滑动摩擦力与弹簧拉力的大小________。
这种测摩擦力的方法是_________(填“直接”或“间接”)测量法(2)比较A、B两图说明滑动摩擦力的大小与______________有关;比较______两图说明滑动摩擦力的大小与接触面的粗糙程度有关。
(3)在上述实验中,对于摩擦力大小的测量你认为是否准确?请你作出评价;为使摩擦力的测量较为准确,你有更好的改进方法吗?(请你按图14那样,利用简图表示你的改进方法)(4)在此基础上小明又猜想滑动摩擦力的大小是否与物体运动速度的大小有关?请利用图中已有器材验证小明的猜想,写出你的做法。
15.为了探究压力的作用效果与哪些因素有关,某同学将若干个同种材料制成的不同物体,放在同一水平细沙面上,进行了二组实验,并记录有关数据如表一、表二所示。
实验时,他仔细观察沙面的凹陷程度,并通过比较,发现每一组沙面的凹陷程度相同,但第一组沙面的凹陷程度比第二组的大。
表一表二分析比较实验数据及现象,主要采用的研究方法是_____________;得到的结论是______________。
17.小明想探究“物体受到的浮力与其形状是否有关”。
他找来薄铁片、烧杯和水进行实验。
实验步骤如下:步骤一:将铁片放入盛水的烧杯中,铁片下沉至杯底。
步骤二:将铁片弯成“碗状”再放入水中,它漂浮在水面上。
(1)通过分析可知,第一次铁片受到的浮力_____________第二次铁片受到的浮力(选填“大于”、“等于”或“小于”);(2)小明得出:物体受到的浮力与其形状有关。
小明得出错误结论的原因是:他只关注了铁片______________的改变,忽视了________________对浮力大小的影响。
18.在“研究杠杆的平衡条件”的实验中:(1)某同学所列实验步骤是:A.把钩码挂在杠杆支点的两边,改变钩码的位置,使杠杆在水平位置平衡;B.记录动力、动力臂、阻力、阻力臂的数值;C.改变力和力臂的数值,再做几次,将数据填在表格内;D.求出各次实验中动力×动力臂和阻力×阻力臂的数值,根据计算结果得出杠杆的平衡条件,该同学漏掉的重要一步是:________________________________。
(2)下面三幅图是该同学实验的情况,请根据图填写表格的数据,并通过数据分析得出实验结论(杠杆上每小格表示4cm,每个钩码重1N)。
填写数据表格实验次数动力F1/N动力臂L1 /㎝F1·L1/(N·㎝)阻力F2/N阻力臂L2 /㎝F2·L2/(N·㎝)123(3)实验的结论:__________________________________________。
(4)在做“研究杠杆平衡条件”的实验时,挂钩码前,使杠杆在水平位置平衡。
实验时只有10个相同的钩码,杠杆每格等距。
当在A点挂上4个钩码时(如图16所示),要使杠杆在水平位置平衡,请你设计两种方案并分别在图16中标出钩码的个数和位置。
图1619.在“测定滑轮组机械效率”实验中。
(1)实验所必需是器材有:铁架台、滑轮组、细线、钩码和________。
(2)求有用功应测出的物理量是________________;求总功应测出的物理量是_____。
(3)根据实验测定的物理量计算机械效率的表达式是____________________。
4)下面的表格是两组同学实验时测得的两组平均数据,根据表中所给的数据,计算表中未知的数据,并填入表中:组别每个滑轮组含滑轮个数钩码重G/N钩码升高的高度h/m拉力F/N弹簧测力计移动的距离s/m机械效率甲组一个定滑轮一个动滑轮9.8 0.1 5.6 0.2乙组二个定滑轮二个动滑轮9.8 0.1 2.425.【课题】探究并联电路中电流的关系。
【提出问题】如图22所示的并联电路中,流过A、B、C各处的电流之间可能有什么关系?图22【设计实验与进行实验】⑴按图22所示连接电路;⑵把电流表分别接入到电路中的A、B、C处,测出它们的电流,填入下表;⑶为了防止个别偶然因素的影响,我们可以采用以下两种方法之一,重复上面实验步骤。
方法一:改变电源电压方法二:更换其中一条支路中的电阻(阻值不同)【分析与论证】⑴在拆接电路时,开关必须______;⑵上面设计的表格中存在的不足之处是:__________________;⑶表格补充完整后,通过对上面数据的分析,后面两次实验是采用方法_____进行的,可以得出结论:并联电路干路中的电流等于________________________。
A处的电流IA B处的电流IB C处的电流IC第一次测量0.10 0.12 0.22第二次测量0.20 0.24 0.44第三次测量0.25 0.30 0.5526.在“测定小灯泡的功率”的实验中,小明同学设计的电路如图23所示,他选用的小灯泡的额定电压为2.5V,电阻约为8Ω,电源为两节干电池。
(1)根据图23的电路图,请在图24中用笔画线代替导线将实物电路连接完整。
图23 图24(2)正确连好电路后,闭合开关前应把滑动变阻器滑片的位置调到_______。
(填写“最左边”或“最右边”)(3)连好电路后,闭合开关S,小明发现灯泡不发光,电流表的示数为零,电压表的示数为3V,产生故障的原因可能是下列的哪几种情况:_______________。
A.小灯泡短路;B.小灯泡的灯丝断了;C.小灯泡的灯座接触不良;D.电压表的正、负接线柱接反。
(4)排除故障后,调节滑动变阻器使小灯泡在额定电压下正常发光时,电流表的示数如图25所示,则灯泡的额定功率为__________W。
图2527.小明设计了如图26所示的电路图,做“探究导体电阻大小与导体长度的关系”的实验,在A、B 间接入下表中待研究的电阻丝,电源电压U恒定,忽略温度对灯丝电阻的影响(电阻丝用电阻符号表示):序号材料长度横截面积1 锰铜合金丝L S2 镍铬合金丝L S3 镍铬合金丝L 2S4 镍铬合金丝2L S图26 图27(1)小明选择序号为________的两根电阻丝来探究,实验采用的方法叫。