管网沟槽开挖检验批
- 格式:doc
- 大小:92.50 KB
- 文档页数:2
沟槽开挖检验批质量验收记录文稿一、项目基本信息项目名称:沟槽开挖项目地点:(填写具体地点)建设单位:(填写建设单位名称)施工单位:(填写施工单位名称)监理单位:(填写监理单位名称)验收时间:(填写具体验收时间)二、检验项目1.开挖质量:-开挖进度是否符合施工计划要求;-沟槽尺寸是否符合设计要求;-沟槽顶底宽度是否一致;-沟槽侧坡是否符合规范要求;-沟槽是否存在松动土或坍塌现象;-沟底是否平整、无杂物。
2.边坡支护工程:-边坡是否按要求支护;-支护材料是否符合规范要求;-支护结构是否稳固;-边坡是否存在滑坡、塌方等现象。
3.排水工程:-沟槽是否预留了排水设施;-排水设施是否符合设计要求;-排水设施是否畅通,能否有效排除积水。
4.施工安全:-施工现场是否存在安全隐患;-施工人员是否培训合格,是否佩戴安全防护用品;-施工现场是否设置明显的安全警示标志。
三、检验方法检验采用现场实地勘查和抽样检验相结合的方式进行。
四、检验结果(根据检验项目逐一列出检验结果)五、存在的问题(根据检验结果,详细列出存在的问题,并提出相应的整改要求)六、整改措施(根据存在的问题,提出相应的整改措施,包括责任单位和完成时间)七、验收结论经过检验,本次沟槽开挖工程整体质量符合设计要求(或存在质量问题,如需整改请参考上述的整改措施)。
经相关方共同讨论,达成一致意见,现对该工程进行质量验收。
八、监理单位意见(监理单位签字确认,对质量验收结果提出意见或建议)九、建设单位意见(建设单位签字确认,对质量验收结果提出意见或建议)十、施工单位意见(施工单位签字确认,对质量验收结果提出意见或建议)十一、附件(如有需要,可以附上相关图纸、照片等证明材料)以上是关于沟槽开挖检验批质量验收记录文稿的示例,根据具体项目的要求和实际情况进行修改和补充。
沟槽开挖与地基处理检验批质量验收记录一、检验批质量验收的基本要求1.施工组织设计要合理,施工方案要详细,施工人员要有一定的经验和技术能力。
2.施工现场必须按照施工组织设计要求进行施工,施工队伍要有合理的人员配备。
3.施工过程中要进行必要的质量控制,保证施工过程符合相关规范要求。
4.施工过程中要做好记录和追踪,为后期的验收提供准确的依据和数据。
二、沟槽开挖与地基处理的检验批质量验收内容1.沟槽开挖:包括挖槽的尺寸、形状、平整度以及挖槽内的松软土、填筑土等质量要求。
2.地基处理:包括地基土的平整度、密实度、湿度、强度等质量要求。
三、沟槽开挖与地基处理检验批质量验收的具体步骤1.评审施工方案和施工组织设计,并进行质量控制点的确定。
2.对施工工地现场进行检查,核实施工现场是否符合施工组织设计要求。
3.检查挖槽的尺寸、形状、平整度,检查挖槽内的土壤松软情况。
4.检查地基土的平整度、密实度、湿度、强度等指标。
5.对检查结果进行记录,如发现问题,要进行整改,并记录整改情况。
6.根据整改情况,进行复检,确保问题得到有效解决。
7.编制检验批质量验收报告,报告要详细记录检查的内容、结果以及整改情况。
8.根据检验批质量验收报告,进行质量验收结论的形成。
四、沟槽开挖与地基处理检验批质量验收的注意事项1.检验批的抽样要具有代表性,不能随意选择样本。
2.进行检验批质量验收时要注意现场的安全。
3.对于质量不合格的问题,要及时进行整改,并做好记录。
4.检验批质量验收报告要真实、准确、详细,对问题要提出合理的整改要求。
5.验收结果要根据相关技术标准和规范进行评定,不得随意判断。
沟槽开挖与地基处理的质量验收记录是工程质量控制和保证的一个重要手段。
通过检验批质量验收,可以发现和解决施工过程中存在的问题,确保工程质量达到规定的要求。
同时,也为施工单位和监理单位提供了一个合理、客观的评价依据,为后续的工程验收提供了可靠的数据支持。
沟槽开挖检验批施工质量验收记录基本信息:项目名称:******施工单位:******监理单位:******施工日期:******验收日期:******验收人员:******第几次验收:******一、施工前准备工作1. 根据相关设计文件和规范要求,施工单位已准备好需开挖的沟槽位置,并进行了标注。
2. 施工单位已准备好开挖沟槽所需的人员、设备和工具,并进行了检查和确认。
二、开挖施工过程控制1. 开挖施工现场已经清理干净,并且周边设立了警示标志,确保安全施工。
2. 施工单位按照设计要求进行开挖作业,确保沟槽的尺寸、形状和平整度符合要求。
3. 开挖施工过程中,施工单位采取了相应的措施,防止崩塌和泥浆淤积,并进行了记录。
4. 施工单位适时进行了土壤样品采集,并进行了现场检测和记录。
三、开挖质量检验1. 开挖施工完毕后,施工单位对沟槽的尺寸、形状、平整度进行了检测。
2. 根据设计要求和规范要求,对沟槽的开挖深度、宽度、坡度、平整度等进行了测量。
3. 检测数据显示,沟槽的尺寸、形状、平整度等符合设计要求和规范要求。
四、施工质量验收结论根据以上的检验和检测结果,经过仔细的评估和讨论,结论如下:1. 沟槽的开挖施工质量符合设计要求和规范要求。
2. 施工单位在开挖施工过程中,采取了合理的施工措施和管理措施,确保了施工进度和质量。
3. 施工单位对开挖施工过程进行了合理的监控和记录,有利于后续施工的质量控制和验收评估。
五、验收要求和建议根据沟槽开挖施工的质量验收,提出以下要求和建议:1. 施工单位应加强对施工人员的技术培训和管理,提高施工质量和效率。
2. 监理单位应加强对施工过程的监控和管理,确保施工质量符合要求。
3. 各相关单位应建立健全的施工质量管理制度和验收机制,提高施工质量和安全水平。
六、附录1. 相关图纸和设计文件。
2. 相关检测和检验报告。
3. 开挖施工过程的照片记录。
4. 相关人员的资格证书和培训记录。
沟槽(基坑)土方开挖检验批质量检验记录编号:工程名称分部工程名称分项工程名称施工单位专业工长项目经理分包单位分包项目经理施工班组长工程数量验收部位项目技术负责人交方班组接方班组检查日期年月日检查项目序号检查内容检验依据/允许偏差(规定值或±偏差值)检查数量检查结果 / 实测点偏差值或实测值范围点数 1 2 3 4 5 6 7 8 9 10应测点数合格点数合格率(%)主控项目1 原状地基土观察、检查原状地基土不得扰动、受水浸泡或受冻全数见施工记录:2 地基承载力满足设计要求全数检验报告编号:3 压实度、厚度检查压实度、厚度满足设计要求全数检验报告编号:一般项目1 槽底高程(mm)土方±20 两井之间 3石方+20,-200 两井之间 32 槽底中线每侧宽度(mm)不小于规定两井之间 63 沟槽边坡不陡于规定两井之间 6平均合格率 (%)施工单位检查评定结论项目专业质量检查员:(签字)监理 ( 建设) 单位意见监理工程师:(签字)(或建设单位项目专业技术负责人): (签字)年月日砖砌井室检验批质量检验记录编号:工程名称分部工程名称分项工程名称施工单位专业工长项目经理分包单位分包项目经理施工班组长工程数量验收部位项目技术负责人交方班组接方班组检查日期年月日检查项目序号检查内容检验依据/允许偏差(规定值或±偏差值)检查数量检查结果 / 实测点偏差值或实测值范围点数 1 2 3 4 5 6 7 8 9 10应测点数合格点数合格率(%)主控项目1 原材料原材料、预制构件的质量符合国家相关标准及设计要求检查施工记录、测量记录合格证及检验报告编号:2 砌筑砂浆强度砂浆强度应符合标准和设计要求每50m3砌体一组砂浆试验报告编号:3 砌筑质量砌筑结构应灰浆饱满、灰缝平直、不得有通缝、瞎缝,井室无渗水、水珠现象逐个检查一般项目1 平面轴线位置(轴向、垂直轴向)15每座22 结构断面尺寸+10,0 23 井室尺寸长、宽或直径±20 24 井口高程农田或绿地+201路面与路面规定一致5 井底高程开槽法管道铺设Di≤1000 +102Di>1000 ±15不开槽法管道铺设Di≤1500 +10,-20Di>1500 +20,-406 踏步安装间距及外露长度±1017 窝脚高、宽、深±108 流槽宽度+10平均合格率 (%)施工单位检查评定结论项目专业质量检查员:(签字)监理 ( 建设) 单位意见监理工程师:(签字)(或建设单位项目专业技术负责人): (签字)年月日。
填写说明
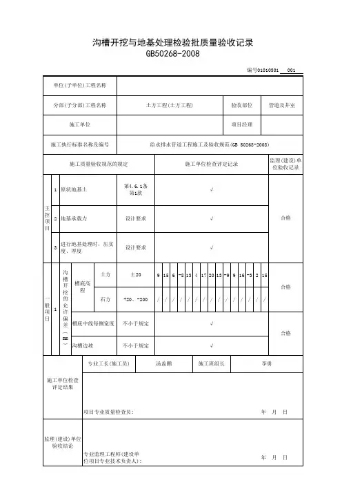
4.6.1 沟槽开挖检验批验收记录
1、验收依据:
[规范名称及编号] 《给水排水管道工程施工及验收规范》GB50268-2008
《建筑工程施工质量验收统一标准》GB50300-2013
2、规范摘要:
以下内容摘录自《给水排水管道工程施工及验收规范》GB50268-2008;
本表适用于沟槽开挖质量验收。
主控项目
1、原状地基土无扰动、无受水浸泡和受冻;
检验方法:观察,检查施工记录。
2、地基承载力满足设计要求;
检验方法:观察,检查地基承载力试验报告。
3 进行地基处理时,压实度、厚度满足设计要求;
检查方法:按设计要求或规定要求进行检查、检查检测记录,实验报告。
4、沟槽开挖允许偏差应符合表4.6.1的规定
一般项目
表4.6.1沟槽开挖允许偏差。
标题:沟槽开挖检验批施工质量验收记录
一、项目背景
在进行道路、管道等基础设施建设过程中,沟槽开挖是一个重要的施工环节。
为了确保工程质量,需要对沟槽开挖进行检验和验收,以检测施工质量是否符合规范要求。
二、施工前准备
1. 确认施工设计图纸,了解沟槽开挖的具体要求和尺寸;
2. 检查施工人员的资质和工作证件,确保符合要求;
3. 准备检验工具,包括水平尺、钢卷尺、测量仪等;
4. 与监理单位、业主进行沟通,确保验收流程的顺利进行。
三、施工质量验收记录
1. 质量验收记录编号:
2. 工程名称:
3. 施工单位:
4. 施工日期:
5. 检验人员:
6. 验收人员:
7. 施工地点:
8. 施工内容:
9. 检查项目及结果:
(1)沟槽开挖深度是否符合设计要求;
(2)开挖底部平整度是否满足要求;
(3)沟槽开挖的宽度是否均匀一致;
(4)边坡是否平稳,无明显下滑现象;
(5)开挖边沿是否清晰明确;
(6)有无未填写于记录上的问题;
(7)其他检查项(如果有)。
四、施工质量评价
1. 检验标准:根据相关规范和设计要求,确认验收合格的具体标准;。
管沟土方开挖工程检验批质量验收记录一、项目名称:管沟土方开挖工程二、项目地点:XX市XX区XX路XX号三、开工日期:xxxx年xx月xx日四、验收日期:xxxx年xx月xx日一、验收目的:本次验收旨在对管沟土方开挖工程的质量进行检验,确认工程的质量达到设计要求和相关标准,确保工程的安全运行。
二、验收范围:本次验收主要检查管沟土方开挖工程的开挖实施过程、土方的质量和开挖后的工程排水情况等。
三、验收内容及结果:1.开挖实施过程:根据设计要求和施工方案,开挖工程应按照规定的尺寸和形状进行施工。
经查看实际施工现场,开挖工程实施过程符合设计要求,无明显偏差。
2.土方质量:(a)土方质量要求:根据设计要求,土方应具备一定的稳定性和坚实程度,以保证工程的安全运行。
(b)检查方法:对开挖工程中的土方进行外观和触感检查,评估土方的质量。
(c)验收结果:开挖工程中的土方质量良好,土方具备一定的稳定性和坚实程度,符合设计要求。
3.工程排水情况:(a)工程排水要求:开挖工程完成后,应保证排水系统的通畅,防止积水和渗水对工程造成不利影响。
(b)检查方法:观察开挖工程周边的排水沟和排水口,检查工程排水情况。
(c)验收结果:开挖工程的排水系统通畅,没有发现积水或渗水情况,符合设计要求。
四、存在问题及处理措施:1.在开挖过程中,发现部分土层有较高的含水量,可能对工程的稳定性造成一定影响。
针对此问题,施工方已采取补偿措施,加强土方处理,提高土方的稳定性。
2.开挖工程整体质量良好,但个别开挖面存在不平整的情况,要求施工方进行修整和清理,并保证开挖面的平整度和坡度符合设计要求。
五、建议与意见:针对本次验收中发现的问题,建议施工方在今后的工程施工过程中加强土方处理和土方质量控制,在开挖工程中注重开挖面的平整度和坡度的控制。
六、验收结论:本次验收中,管沟土方开挖工程的质量符合设计要求和相关标准,达到了验收的要求。
经过检查和评估,确认工程具备安全运行的条件。
沟槽开挖检验批质量验收记录沟槽开挖是指在地下工程施工过程中,为了安装管道或电缆等设施,需要进行地表以下的开挖作业。
这是一项关乎地下工程质量和安全的工序,因此对于沟槽开挖的质量进行检验和验收是非常重要的。
下面是一份关于沟槽开挖检验批质量验收记录的范文,供参考:单位名称:XXX建筑工程有限公司工程名称:XXX地下电缆项目工程日期:XXXX年XX月XX日一、检验批次信息:检验批次:XXXX开挖日期:XXXX年XX月XX日开挖单位:XXX建筑工程有限公司开挖人员:XXX、XXX、XXX二、检验项目:1.沟槽开挖尺寸:检查沟槽的开挖尺寸是否符合设计要求。
2.边坡处理:检查沟槽边坡的处理情况,是否满足设计要求。
3.沟底平整度:检查沟底的平整度,是否符合设计要求。
4.垂直度和水平度:检查沟槽的垂直度和水平度,是否在规定范围内。
5.空气质量:检查沟槽内空气质量,是否达到安全标准。
6.清理度:检查是否清理沟槽内的杂物和泥土。
三、检验结果:1.沟槽开挖尺寸:经测量,沟槽的开挖尺寸为XXX米宽、XXX米深,符合设计要求。
2.边坡处理:边坡采用了适当的处理方法,坡度为1:2,坡面平整度满足要求。
3.沟底平整度:沟底平整度符合设计要求,无明显凹凸。
4. 垂直度和水平度:沟槽的垂直度和水平度测量结果分别为Xmm/m和Xmm/m,均在规定范围内。
5.空气质量:经空气检测,沟槽内空气质量未超过国家规定标准,符合安全要求。
6.清理度:沟槽内杂物和泥土已经清理干净,无明显积存。
四、处理措施:根据检测结果,沟槽开挖质量符合要求,无需进行后续处理。
五、质量验收意见:经检验,本次开挖质量达到设计要求和相关规范标准,予以验收通过。
六、复查情况:暂无。
七、检验员意见:XXX建筑工程有限公司的沟槽开挖质量得到了有效控制,开挖作业人员技术操作规范,开挖质量符合要求。
八、结论:本次沟槽开挖质量验收通过,可进行下一步工程施工。
以上是一份关于沟槽开挖检验批质量验收记录的范文,供参考使用。
沟槽(基坑)土方开挖检验批质量检验记录
编号:
工程名称分部工程名称分项工程名称
施工单位专业工长项目经理
分包单位分包项目经理施工班组长
工程数量验收部位项目技术负责人
交方班组接方班组检查日期年月日
检查项目序
号
检查内容
检验依据/允许偏差(规定值
或±偏差值)
检查数量检查结果 / 实测点偏差值或实测值
范围点数 1 2 3 4 5 6 7 8 9 10
应测
点数
合格
点数
合格率
(%)
主控项目1 原状地基土观察、检查
原状地基土不得扰动、受水
浸泡或受冻
全数见施工记录:
2 地基承载力满足设计要求全数检验报告编号:
3 压实度、厚度检查压实度、厚度满足设计要求全数检验报告编号:
一般项目
1 槽底高程(mm)
土方±20 两井之间 3
石方+20,-200 两井之间 3
2 槽底中线每侧宽度(mm)不小于规定两井之间 6
3 沟槽边坡不陡于规定两井之间 6
平均合格率 (%)
施工单位检查评定结论项目专业质量检查员:(签字)
监理 ( 建设) 单位意见监理工程师:(签字)
(或建设单位项目专业技术负责人): (签字)年月日
砖砌井室检验批质量检验记录
编号:
工程名称分部工程名称分项工程名称
施工单位专业工长项目经理
分包单位分包项目经理施工班组长
工程数量验收部位项目技术负责人
交方班组接方班组检查日期年月日
检查项目序
号
检查内容
检验依据/允许偏差(规定值或±偏差
值)
检查数量检查结果 / 实测点偏差值或实测值
范
围
点数 1 2 3 4 5 6 7 8 9 10
应测
点数
合格
点数
合格率
(%)
主控项目1 原材料
原材料、预制构件的质量符合国
家相关标准及设计要求
检查施工记录、测量记录合格证及检验报告编号:
2 砌筑砂浆强度砂浆强度应符合标准和设计要求每50m3砌体一组砂浆试验报告编号:
3 砌筑质量
砌筑结构应灰浆饱满、灰缝平直、
不得有通缝、瞎缝,井室无渗水、水
珠现象
逐个检查
一般项目1 平面轴线位置(轴向、垂直轴向)15
每座
2
2 结构断面尺寸+10,0 2
3 井室尺寸长、宽或直径±20 2
4 井口高程
农田或绿地+20
1
路面与路面规定一致
5 井底高程
开槽法管道铺设
Di≤1000 +10
2
Di>1000 ±15
不开槽法管道铺设
Di≤1500 +10,-20
Di>1500 +20,-40
6 踏步安装间距及外露长度±10
1
7 窝脚高、宽、深±10
8 流槽宽度+10
平均合格率 (%)
施工单位检查评定结论项目专业质量检查员:(签字)
监理 ( 建设) 单位意见监理工程师:(签字)
(或建设单位项目专业技术负责人): (签字)年月日。