贴片电容-贴片电阻-贴片电感基础知识-品牌大全
- 格式:doc
- 大小:78.00 KB
- 文档页数:18
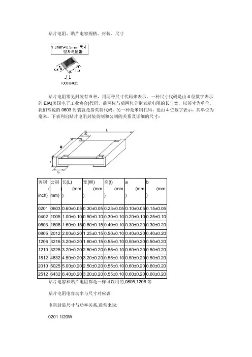
公制长(L) 宽(W) 高(t) a0402 1/16W0603 1/10W0805 1/8W1206 1/4W电容电阻外形尺寸与封装的对应关系是:0402=1.0x0.50603=1.6x0.80805=2.0x1.21206=3.2x1.61210=3.2x2.51812=4.5x3.22225=5.6x6.5常规贴片电阻(部分)常规的贴片电阻的标准封装及额定功率如下表:英制(mil) 公制(mm) 额定功率(W)@ 70°C 0201 0603 1/200402 1005 1/160603 1608 1/100805 2012 1/81206 3216 1/41210 3225 1/31812 4832 1/22010 5025 3/42512 6432 1国内贴片电阻的命名方法:2、1%精度的命名:RS-05K1002FTR -表示电阻S -表示功率0402是1/16W、0603是1/10W、0805是1/8W、1206是1/4W、1210是1/3W、1812是1/2W、2010是3/4W、2512是1W。
05 -表示尺寸(英寸):02表示0402、03表示0603、05表示0805、06表示1206、1210表示1210、1812表示1812、10表示1210、12表示2512。
K -表示温度系数为100PPM,102-5%精度阻值表示法:前两位表示有效数字,第三位表示有多少个零,基本单位是Ω,102=10000Ω=1KΩ。
1002是1%阻值表示法:前三位表示有效数字,第四位表示有多少个零,基本单位是Ω,1002=100000Ω=10KΩ。
J -表示精度为5%、F-表示精度为1%。
T -表示编带包装1:0402(1/16W) 2:0603(1/10W) 3:0805(1/8W) 4:1206(1/4W) 5:1210(1/3W)6:2010(1/2W) 7:2512(1W)1206 20欧1/4 *4 5欧1w120贴片电阻各参数说明国内贴片电阻的命名方法:1、5%精度的命名:RS-05K102JTR -表示电阻S -表示功率0402是1/16W、0603是1/10W、0805是1/8W、1206是1/4W、1210是1/3W、1812是1/2W、2010是3/4W、2512是1W。
贴片电阻电容品牌贴片电阻电容品牌是指在电子元器件中常用的贴片电阻和贴片电容的生产厂家或者品牌。
贴片电阻和贴片电容是电子产品中常用的被动元件,广泛应用于电路板的设计和创造中。
以下是一些知名的贴片电阻电容品牌及其特点介绍。
1. 贴片电阻品牌:1.1 罗姆(ROHM):罗姆是一家全球率先的半导体和电子元器件创造商,其贴片电阻产品具有高精度、高可靠性和稳定性的特点。
罗姆的贴片电阻广泛应用于通信设备、汽车电子、工业自动化等领域。
1.2 三星(Samsung):三星是一家韩国知名的电子产品创造商,其贴片电阻产品具有优异的性能和质量。
三星的贴片电阻广泛应用于智能手机、平板电脑、电视等消费电子产品中。
1.3 京瓷(KYOCERA):京瓷是一家日本的跨国电子公司,其贴片电阻产品具有高精度、低功耗和稳定性好的特点。
京瓷的贴片电阻广泛应用于电子设备、医疗设备、航空航天等领域。
2. 贴片电容品牌:2.1 村田(Murata):村田是一家日本知名的电子元器件创造商,其贴片电容产品具有小型化、高容量和高性能的特点。
村田的贴片电容广泛应用于手机、电脑、摄像机等消费电子产品中。
2.2 希捷(AVX):希捷是一家美国的电子元器件创造商,其贴片电容产品具有高频率、低损耗和高温度特性。
希捷的贴片电容广泛应用于通信设备、汽车电子、工业自动化等领域。
2.3 尼吉康(Nichicon):尼吉康是一家日本的电子元器件创造商,其贴片电容产品具有长寿命、低ESR和高温度耐受性的特点。
尼吉康的贴片电容广泛应用于电源、音频设备、电动车等领域。
以上仅是一些知名的贴片电阻电容品牌,市场上还有许多其他品牌也提供贴片电阻和贴片电容产品。
在选择贴片电阻电容品牌时,可以根据具体应用需求、产品质量和性能要求进行选择。
需要注意的是,贴片电阻和贴片电容的规格参数、封装形式和工作温度等也是选择品牌的重要考虑因素。
贴片电容常识- 贴片电容的分类和尺寸电容:可分为无极性和有极性两类,无极性电容下述两类封装最为常见,即0805、0603;而有极性电容也就是我们平时所称的电解电容,一般我们平时用的最多的为铝电解电容,由于其电解质为铝,所以其温度稳定性以及精度都不是很高,而贴片元件由于其紧贴电路版,所以要求温度稳定性要高,所以贴片电容以钽电容为多,根据其耐压不同,贴片电容又可分为A、B、C、D 四个系列,具体分类如下:类型封装形式耐压A 3216 10VB 3528 16VC 6032 25VD 7343 35V贴片电容的尺寸表示法有两种,一种是英寸为单位来表示,一种是以毫米为单位来表示,贴片电容的系列型号有0402、0603、0805、1206、1812、2010、2225、2512,是英寸表示法,04 表示长度是0.04 英寸,02 表示宽度0.02 英寸,其他类同型号尺寸(mm)英制尺寸公制尺寸长度及公差宽度及公差厚度及公差0402 1005 1.00±0.05 0.50±0.05 0.50±0.050603 1608 1.60±0.10 0.80±0.10 0.80±0.100805 2012 2.00±0.20 1.25±0.20 0.70±0.201.00±0.201.25±0.201206 3216 3.20±0.30 1.60±0.20 0.70±0.201.00±0.201.25±0.201210 3225 3.20±0.30 2.50±0.30 1.25±0.301.50±0.301808 4520 4.50±0.40 2.00±0.20 ≤2.001812 4532 4.50±0.40 3.20±0.30 ≤2.502225 5763 5.70±0.50 6.30±0.50 ≤2.503035 7690 7.60±0.50 9.00±0.05 ≤3.00贴片电容的命名所包含的参数有贴片电容的尺寸、做这种贴片电容用的材质、要求达到的精度、要求的电压、要求的容量、端头的要求以及包装的要求例风华系列的贴片电容的命名贴片电容的命名:贴片电容的命名所包含的参数有贴片电容的尺寸、做这种贴片电容用的材质、要求达到的精度、要求的电压、要求的容量、端头的要求以及包装的要求。
贴片电容,贴片电阻,贴片电感基础知识--品牌大全1、请列举您知道的电阻、电容、电感品牌(最好包括国内、国外品牌)。
电阻:美国:AVX、VISHAY威世日本:KOA兴亚、Kyocera京瓷、muRata村田、Panasonic 松下、ROHM罗姆、susumu、TDK台湾: LIZ丽智、PHYCOM飞元、RALEC旺诠、ROYALOHM厚生、SUPEROHM美隆、TA-I大毅、TMTEC泰铭、TOKEN德键、TYOHM幸亚、UniOhm厚声、VITROHM、VIKING 光颉、WALSIN华新科、YAGEO国巨新加坡:ASJ 中国:FH风华、捷比信电容:美国:AVX、KEMET基美、Skywell泽天、VISHAY威世英国:NOVER诺华德国:EPCOS、WIMA威马丹麦:JENSEN战神日本:ELNA伊娜、FUJITSU富士通、HITACHI日立、KOA兴亚、Kyocera京瓷、Matsushita松下、muRata村田、NEC、nichicon(蓝宝石)尼吉康、Nippon Chemi-Con(黑金刚、嘉美工)日本化工、Panasonic松下、Raycon威康、Rubycon(红宝石)、SANYO三洋、TAIYO YUDEN太诱、TDK、TK东信韩国:SAMSUNG三星、SAMWHA 三和、SAMYOUNG三莹台湾:CAPSUN、CAPXON(丰宾)凯普松、Chocon、Choyo、ELITE金山、EVERCON、EYANG宇阳、GEMCON至美、GSC杰商、G-Luxon世昕、HEC 禾伸堂、HERMEI合美电机、JACKCON融欣、JPCON正邦、LELON立隆、LTEC辉城、OST奥斯特、SACON士康、SUSCON 冠佐、TAICON台康、TEAPO智宝、WALSIN华新科、YAGEO国巨香港:FUJICON富之光、SAMXON万裕中国:AiSHi 艾华科技、Chang常州华威电子、FCON深圳金富康、FH广东风华、HEC东阳光、JIANGHAI南通江海、JICON吉光电子、LM佛山利明、R.M佛山三水日明电子、Rukycon海丰三力、Sancon海门三鑫、SEACON深圳鑫龙茂电子、SHENGDA扬州升达、TAI-TECH台庆、TF南通同飞、TEAMYOUNG天扬、QIFA奇发电子电感:美国:AEM、AVX、Coilcraft线艺、Pulse普思、VISHAY威世德国:EPCOS、WE 日本:KOA兴亚、muRata村田、Panasonic松下、sumida胜美达、TAIYO YUDEN 太诱、TDK、TOKO、TOREX特瑞仕台湾:CHILISIN奇力新、yers美磊、TAI-TECH台庆、TOKEN德键、VIKING光颉、WALSIN华新科、YAGEO国巨中国:Gausstek丰晶、GLE格莱尔、FH风华、CODACA科达嘉、Sunlord顺络、紫泰荆、肇庆英达2、请解释电阻、电容、电感封装的含义:0402、0603、0805。
各品牌贴片电容规格资料汇总贴片电容是一种常见的电子元器件,被广泛用于电路设计和生产中。
它们具有小巧的尺寸、稳定性好以及较低的成本。
各品牌贴片电容的规格资料是电子行业从业人员日常工作所必需的信息之一、本文将汇总一些知名品牌的贴片电容规格资料,供读者参考。
1. Murata(村田)Murata是一家日本电子元器件制造企业,也是全球最大的陶瓷电容制造商之一、以下为Murata的一些常用贴片电容规格资料:-容量范围:从0.1pF到100μF-额定电压范围:从4V到100V-外观尺寸:包括0201、0402、0603、0805、1206、1210、1808、1812等常见尺寸-允许偏差:±0.1pF到±20%不等-温度系数:X7R、X5R、NPO等不同温度系数可选-特殊系列:如高温型、高电压型、耐震性、防激波等2. Samsung(三星)三星是一家韩国综合电子企业,也是全球最大的半导体制造商之一、以下为三星的一些常用贴片电容规格资料:-容量范围:从0.5pF到22μF-额定电压范围:从4V到100V见尺寸-允许偏差:±0.1pF到±20%不等-温度系数:X7R、X5R、X6S、X8S等不同温度系数可选-特殊系列:如高温型、高电压型、耐震性、防激波等3.TDK(TDK公司)TDK是一家日本电子元器件制造企业,也是全球最大的磁性元件制造商之一、以下为TDK的一些常用贴片电容规格资料:-容量范围:从0.1pF到220μF-额定电压范围:从4V到100V-外观尺寸:包括0201、0402、0603、0805、1206、1210、1812等常见尺寸-允许偏差:±0.1pF到±20%不等-温度系数:X7R、X5R、X6S、X7S等不同温度系数可选-特殊系列:如高温型、高电压型、耐震性、防激波等4. Yageo(圆石)圆石是一家台湾电子元器件制造企业,也是全球最大的无源元件制造商之一、以下为圆石的一些常用贴片电容规格资料:-容量范围:从0.1pF到2.2μF-额定电压范围:从4V到100V见尺寸-允许偏差:±0.1pF到±20%不等-温度系数:X7R、X5R、X6S、X7S等不同温度系数可选-特殊系列:如高温型、高电压型、耐震性、防激波等5.AVX(AECOM公司)AVX是一家美国电子元器件制造企业,也是全球领先的陶瓷电容制造商之一、以下为AVX的一些常用贴片电容规格资料:-容量范围:从0.1pF到47μF-额定电压范围:从6.3V到100V-外观尺寸:包括0201、0402、0603、0805、1206、1210、1808、1812等常见尺寸-允许偏差:±0.1pF到±20%不等-温度系数:X7R、X5R、X6S、X7S等不同温度系数可选-特殊系列:如高温型、高电压型、耐震性、防激波等以上仅为一些知名品牌贴片电容规格资料的简要汇总,实际应用中还需要根据具体的设计要求、电路需求以及可用的供应商和库存情况选择最合适的贴片电容。
贴片电容、贴片电阻、贴片电感的使用量在电子元器件行业中占
据75%以上,也是现目前涨价尤为严重的贴片电子元件。
以下浅
谈他们三者间的区别。
电感在电路中是储存感抗的元件。
电感具有自感和互感功能和阻高频通低频功能,给一个线圈通入
电流,线圈周围就会产生磁场,线圈就有磁通量通过,通入线圈的
电流越大,磁场就越强,通过线圈的磁通量就越大,这就是自感。
两个电感线圈相互靠近时,一个电感线圈的磁场变化将影响另一个
电感线圈,这种影响就是互感。
在电路中,电感器常用来对交流信号进行隔离、滤波或与电容器、电阻器等组成谐振电路,电容在电路中是储存电荷的元件。
电容在
电路中有隔直通交和耦合作用,常用来存储和释放电荷以充当滤波器,在低频信号的传递与放大过程中,为防止前后两级电路的静态
工作点相互影响,常采用电容藕合。
电阻在电路中是消耗电能的元件。
主要用来限制电流,调整电压等。
简单说来,电阻用来控制电路中的电流,电容用来隔直流通交流,电感用来阻高频通低频。
另一方面电容和电感都是储能元件,在电
路中都有滤波功能。
贴片电容、电阻、电感基础知识汇总!非贴片元件的电子元件本体,可以承载较多的产信息,如规格型号、制造厂商、产品序号等。
贴片元件的体积或尺寸是以毫米为计的,元件本体上不允许标注太多的信息,标识方法通常有:1)简化标识法。
将常规标识型号进行简化,如将74LS14(六反相器数字IC)标识为LS14;2)代码标注法,将标识进一步简化,称为代码标注法。
如贴片晶体管的-24、1L等,更像是密码,需要用资料“破译”后,才能知道标识背后元件规格型号的含义;3)无标识。
小功率(如16/1W)贴片电阻,和(PF级别)小容量电容,因元件本体太小,无法印出标识,干脆就成为无标识元件。
初学者每每面临这样令人困惑又能非常挠头的问题:如何由IC元件上的标注代码(也称印字),判断是什么器件?如何查找相关IC的电路资料?无标识(印字)元件怎样判断是什么器件,如何测量其好坏?可否用其它型号的元件(甚至非贴片元件)对贴片元件进行代换?贴片元件的封装形式有哪些啊?等等。
贴片电阻贴片电阻是电路板上应用数量最多的一种元件,形状为矩形,黑色,电阻体上一般标注为白色数字(小型电阻无标识,称无印字贴片电阻),变频器生产厂家在电路板上标注的元件序列号为R(如R1、R147等)。
贴片电阻的基本参数有标称阻值、额定功率、误差级别,另外还有最高使用电压、温度系数等,我们只需关注标称功阻值和额定功率值两项参数就可以了。
图1 贴片电阻外型图1、贴片电阻的工作参数和类别1)额定阻值。
最常见的有数字标识法。
a、用3位数字电阻值。
前2位为十位、个位值,为有效数值,第3位是0的个数或称为10的X次方。
如标注为152,即为1500Ω;101,即为100Ω;103,即为10000Ω(10 kΩ)。
1Ω以下的值加R表示,如1R5,即1.5Ω;R10,即0.01Ω。
b、用4位数字表示电阻值。
前3位为有效值,即千位、百位和个位值,第4位为0的个数。
如标注为1501,即为1500Ω;标注为1000,即为100Ω;标注为681,即为680 Ω;标注为1003,即为100kΩ。
贴片电阻电容品牌一、引言贴片电阻电容是电子元器件中常见的两种 passives 元件,广泛应用于电子产品的电路设计中。
在市场上,有许多知名的贴片电阻电容品牌,它们以高品质、可靠性和性能稳定性而闻名。
本文将介绍几个知名的贴片电阻电容品牌,包括其特点、产品系列和应用领域。
二、知名贴片电阻电容品牌1. ABC品牌ABC品牌是一家全球领先的贴片电阻电容制造商。
该品牌以其卓越的品质和创新的解决方案而著名。
ABC品牌的贴片电阻电容产品具有高精度、低温漂移和稳定的性能,能够满足各种复杂的应用需求。
其产品系列包括各种规格和尺寸的电阻和电容,适用于通信设备、汽车电子、工业控制等多个行业。
2. XYZ品牌XYZ品牌是一家专注于贴片电容制造的公司。
该品牌以其卓越的创新能力和可靠性而著称。
XYZ品牌的贴片电容产品具有高频率响应、低损耗和长寿命等特点。
其产品系列包括陶瓷电容、铝电解电容和钽电解电容,广泛应用于电子通信、计算机、医疗设备等领域。
3. DEF品牌DEF品牌是一家专注于贴片电阻制造的公司。
该品牌以其高性能和可靠性而受到市场的认可。
DEF品牌的贴片电阻产品具有低电感、低噪声和高功率承受能力等特点。
其产品系列包括薄膜电阻、金属箔电阻和无感电阻,适用于电力电子、汽车电子、航空航天等领域。
4. GHI品牌GHI品牌是一家专注于贴片电容制造的公司。
该品牌以其高品质和可靠性而备受赞誉。
GHI品牌的贴片电容产品具有高电容密度、低ESR和高耐压等特点。
其产品系列包括陶瓷电容、钽电容和铝电解电容,广泛应用于消费电子、电源设备、LED照明等领域。
三、贴片电阻电容品牌的选择因素在选择贴片电阻电容品牌时,需要考虑以下因素:1. 品质和可靠性:选择具有良好品质和可靠性的品牌,以确保产品在工作环境中的长期稳定性和性能。
2. 技术支持:选择提供专业技术支持的品牌,以便在设计和应用过程中获得及时的帮助和解决方案。
3. 产品范围和规格:根据应用需求选择品牌提供的产品范围和规格,以满足设计的要求。
陶瓷贴片电容、贴片电感.片式磁珠muRuta村田命名规则与基本知识一、村田陶瓷贴片电容知识M名衣示法如卜:片状独们盹瓷电容器GRM 15.3R7K 225KE15D•GRM—农示儀锡电极:卄通貼片期瓷12容•常用的村} 11容就是GRM艸通贴片海瓷电容与GNM卄通贴片搏容:•18——衣示尺寸(长*宽):1.6*0.8mm即内通用尺对衣示是(K*审)1.6*0.8mm (单位为mm:c词阿卜通用尺、J A示是用英寸0603 (单位为inch;,卜J E询常用代码仃03、15、18、21、31、32、42、43、55〕;,II 体的对应值如卜I03-...0.6*0.3mm- (0201)15——1.0*0.5mm~-040218-...1.6*0.8mm- (0603)21-—2.0# 1.25mm——080531一“3.2* 1.6mm—120632-—3.2* 1.5mm一・121042一.5*2.0mm——180843 …45*3・2mm•—181255—5.7 拿5・0mm——2220•8——衣示用度(T:: 0.8mm常用厚度村田代码仃5、6、8、9、B、C、E:'h貝㈱对应值如卜:5-…0.5mm 6-…0.6mm 8-…0.8mm 9-…0.9mm B-…1.25mm C-…1.6mm E -—2.5mm•R7——农示材质:X7R常用材质村t:代码有5C、R6、R7、F5等,R体的对应值如卜:5C--COG/NPO/CHR6——X5RR7——X7RF5・——Y5V5C I仆温度是・55度一+125必温度系敌是0+・30ppm/gR6 I作泪度是・55度一H85度,SH度系数是+-15%:R7 1作温度是・55度一H25度,温度系数好+15%:F5 I作fiU是・30度—85度.温度系数是+22 -82%lOOpfW卜小容fi*L般采比5C材頂,100PF—luf人一般采用R7材质,luf以上一股采用R6材质,櫛S®求不禹的般采用F5材质。
贴片电阻电容品牌一、引言贴片电阻电容是电子元器件中常见的两种被动元件,广泛应用于电子产品的制造和维修中。
选择合适的贴片电阻电容品牌对产品的性能和可靠性至关重要。
本文将介绍几个知名的贴片电阻电容品牌,包括其特点、产品系列和市场声誉。
二、知名贴片电阻品牌1. YageoYageo是全球领先的电子元器件制造商之一,也是贴片电阻品牌中的佼佼者。
该品牌提供多种系列的贴片电阻产品,包括一般用途电阻、精密电阻和高功率电阻等。
Yageo贴片电阻具有精确的电阻值、低温漂移和高可靠性等特点,广泛应用于通信、工业控制、汽车电子和消费电子等领域。
Yageo贴片电阻产品在市场上享有良好的声誉。
2. PanasonicPanasonic是一家知名的电子产品制造商,也提供贴片电阻产品。
Panasonic贴片电阻具有高精度、低噪声和高温耐受性等特点,适用于各种应用场景。
该品牌的贴片电阻产品广泛应用于电信设备、医疗设备、航空航天和工业自动化等领域。
Panasonic贴片电阻以其可靠性和稳定性而闻名,备受市场认可。
三、知名贴片电容品牌1. MurataMurata是一家全球领先的电子元器件制造商,也是贴片电容品牌中的重要代表。
该品牌提供多种系列的贴片电容产品,包括陶瓷电容、铝电解电容和有机电解电容等。
Murata贴片电容具有小尺寸、高容量和低ESR(等效串联电阻)等优点,适用于各种电子设备。
Murata贴片电容产品在通信、计算机、消费电子和汽车电子等领域得到广泛应用,以其品质和性能而备受赞誉。
2. Samsung Electro-MechanicsSamsung Electro-Mechanics是三星集团旗下的电子元器件制造部门,也是贴片电容品牌中的重要参与者。
该品牌提供多种系列的贴片电容产品,包括陶瓷电容、铝电解电容和有机电解电容等。
Samsung贴片电容具有高容量、低ESR和低ESL (等效串联电感)等特点,适用于移动通信、电脑和消费电子等领域。
SMT电子元器件知识在表面贴装技术生产的过程中,我们会接触到各种各样的电子物料,通常将这些物料分为SMT元件(也称SMC,包含表面贴装电阻、电容、电感等)和SMT器件(也称SMD,包含表面贴装二极管、三极管、插座、集成电路等)两大类,下面就我们常用的电子元器件作以介绍:一、表面贴装电阻表示,以大写英文字母 R 代表,其基本单位为欧姆,符号为Ω。
单位换算关系:1兆欧(MΩ)=1000千欧(KΩ)=1000000欧(Ω)。
主要参数:阻值、尺寸、功率、误差、温度系数和包装类型等。
1,表面贴装电阻的阻值大小一般丝印于元件表面,常用三位或四位数表示。
当用三位数字表示阻值大小时,第一、二位为有效数字,第三位为在有效数字后添加 0 的个数,单位为欧姆。
例如:103 表示 10000Ω 10KΩ101 表示 100Ω124 表示 120000Ω 120KΩ但对于阻值小的电阻,有如下的表示方法:6R8 表示 6.8Ω2R2 表示 2.2Ω用 R 代表小数点000 表示 0Ω当用四位数字表示阻值大小时,第一、二、三位为有效数字,第四位为在有效数字后添加 0 的个数,单位为欧姆。
例如:3301 表示 3300Ω 3.3KΩ1203 表示 120000Ω 120 KΩ4702 表示 47000Ω 47 KΩ2,表面贴装电阻的尺寸常用其体积的长度与宽度尺寸表示,有公制(单位为毫米mm)和英制(单位为英寸)两种尺寸代码,由4位数字组成,前两位数表示电阻的长度,后两位数表示电阻的宽度。
另外,不同尺寸的电阻,其额定功率也不同,有1/16W、1/10W、1/8W、1/4W、1/2W、1W等。
下表为几种常用贴片电阻的尺寸代码、实际尺寸和额定功率的相对应关系:英制代码0402 0603 0805 1206 1210 2010 2512 公制代码1005 1608 2012 3216 3225 5025 6432 实际尺寸(mm) 1.0x0.5 1.6x0.8 2.0x1.2 3.2x1.6 3.2x2.5 5.0x2.5 6.4x3.2功率值(W)1/16 1/16 1/10 1/8 1/4 1/2 1 3,电阻元件在生产过程中其阻值不可能达到绝对的精确,为了判定其是否合格,常统一规定其阻值的上、下限,即误差范围对其进行检测。
贴片电阻电容品牌一、引言贴片电阻电容是电子元器件中常见的两类被动元件,广泛应用于电子设备和电路中。
选择合适的贴片电阻电容品牌对于电子产品的性能和可靠性至关重要。
本文将介绍几个知名的贴片电阻电容品牌,并对它们的特点、产品范围、质量认证、市场占有率等进行详细分析。
二、知名贴片电阻品牌1. ABC ElectronicsABC Electronics是一家全球知名的贴片电阻品牌,成立于1990年。
该品牌以其高质量、可靠性和创新性而闻名。
ABC Electronics的贴片电阻产品广泛应用于通信、汽车、工业控制等领域。
其产品范围涵盖了各种电阻值、尺寸和功率等级,以满足不同应用的需求。
ABC Electronics的贴片电阻经过ISO 9001质量认证,并符合RoHS指令要求。
该品牌在全球市场上享有很高的声誉和市场占有率。
2. XYZ ComponentsXYZ Components是另一家备受推崇的贴片电阻品牌。
该品牌成立于2005年,专注于贴片电阻的研发、生产和销售。
XYZ Components的贴片电阻产品具有高精度、低温漂移和优异的稳定性。
该品牌的贴片电阻广泛应用于医疗设备、航空航天和消费电子等领域。
XYZ Components的贴片电阻通过了ISO 14001环境管理体系认证,并获得了UL安全认证。
该品牌致力于提供卓越的质量和可靠性,受到了全球客户的认可和信赖。
三、知名贴片电容品牌1. DEF CapacitorsDEF Capacitors是一家率先的贴片电容品牌,成立于1985年。
该品牌专注于贴片电容的研发和创造,以其高品质和卓越性能而闻名。
DEF Capacitors的贴片电容产品广泛应用于电源、通信和电子设备等领域。
该品牌提供多种电容值、电压和尺寸的贴片电容,以满足不同应用的需求。
DEF Capacitors的贴片电容通过了ISO 9001和ISO 14001质量管理体系认证,并符合RoHS指令要求。
贴片电阻电容品牌概述:贴片电阻电容是电子元器件中常用的两种被动元件。
它们广泛应用于电子设备中的电路板上,用于控制电流、电压和储存电能。
在市场上,有许多知名的贴片电阻电容品牌,提供各种规格和性能的产品。
本文将介绍几个著名的贴片电阻电容品牌,并对其特点和产品系列进行详细分析。
品牌一:Murata(村田制作所)Murata是全球率先的电子元器件创造商之一,总部位于日本京都市。
该公司成立于1944年,目前在全球范围内拥有多个生产基地和销售网络。
Murata以其卓越的技术和高质量的产品享有盛誉。
1. 产品系列:Murata的贴片电阻电容产品系列非常丰富,包括贴片电阻器、贴片电容器和贴片电感器等。
这些产品具有多种规格和尺寸,以满足不同应用的需求。
2. 特点:Murata的贴片电阻电容产品具有以下特点:- 高精度:产品具有精确的电阻和电容值,能够提供稳定和可靠的性能。
- 低功耗:产品具有低功耗特性,能够有效降低电路的能耗。
- 高温稳定性:产品能够在高温环境下保持稳定的性能,适合于各种工作条件。
- 小尺寸:产品采用贴片封装,体积小巧,适合于高密度电路板设计。
品牌二:Samsung Electro-Mechanics(三星机电)三星机电是韩国三星集团旗下的子公司,成立于1973年。
作为全球率先的电子元器件创造商之一,三星机电以其卓越的技术和可靠的产品在市场上享有很高的声誉。
1. 产品系列:三星机电的贴片电阻电容产品系列包括贴片电阻器、贴片电容器和贴片电感器等。
这些产品具有多种规格和尺寸,以满足不同应用的需求。
2. 特点:三星机电的贴片电阻电容产品具有以下特点:- 高性能:产品具有卓越的性能指标,能够满足各种应用的要求。
- 高可靠性:产品经过严格的质量控制和测试,具有可靠的品质和长寿命。
- 环保:产品符合环保标准,不含有害物质,符合全球环保要求。
- 全球供应网络:三星机电在全球范围内拥有广泛的销售网络,能够提供及时的技术支持和售后服务。
电子元器件基础知识--电阻电容的品牌大全1、请列举您知道的电阻、电容、电感品牌(最好包括国内、国外品牌)。
电阻:美国:AVX、VISHAY威世日本:KOA兴亚、Kyocera京瓷、muRata村田、Panasonic 松下、ROHM罗姆、susumu、TDK台湾: LIZ丽智、PHYCOM飞元、RALEC旺诠、ROYALOHM厚生、SUPEROHM美隆、TA-I大毅、TMTEC泰铭、TOKEN德键、TYOHM幸亚、UniOhm厚声、VITROHM、VIKING 光颉、WALSIN华新科、YAGEO国巨新加坡:ASJ 中国:FH风华、捷比信电容:美国:AVX、KEMET基美、Skywell泽天、VISHAY威世英国:NOVER诺华德国:EPCOS、WIMA威马丹麦:JENSEN战神日本:ELNA伊娜、FUJITSU富士通、HITACHI日立、KOA兴亚、Kyocera京瓷、Matsushita松下、muRata村田、NEC、nichicon(蓝宝石)尼吉康、Nippon Chemi-Con(黑金刚、嘉美工)日本化工、Panasonic松下、Raycon威康、Rubycon(红宝石)、SANYO三洋、TAIYO YUDEN太诱、TDK、TK东信韩国:SAMSUNG三星、SAMWHA 三和、SAMYOUNG三莹台湾:CAPSUN、CAPXON(丰宾)凯普松、Chocon、Choyo、ELITE金山、EVERCON、EYANG宇阳、GEMCON至美、GSC杰商、G-Luxon世昕、HEC 禾伸堂、HERMEI合美电机、JACKCON融欣、JPCON正邦、LELON立隆、LTEC辉城、OST奥斯特、SACON士康、SUSCON 冠佐、TAICON台康、TEAPO智宝、WALSIN华新科、YAGEO国巨香港:FUJICON富之光、SAMXON万裕中国:AiSHi 艾华科技、Chang常州华威电子、FCON深圳金富康、FH广东风华、HEC东阳光、JIANGHAI南通江海、JICON吉光电子、LM佛山利明、R.M佛山三水日明电子、Rukycon海丰三力、Sancon海门三鑫、SEACON深圳鑫龙茂电子、SHENGDA扬州升达、TAI-TECH台庆、TF南通同飞、TEAMYOUNG天扬、QIFA奇发电子电感:美国:AEM、AVX、Coilcraft线艺、Pulse普思、VISHAY威世德国:EPCOS、WE 日本:KOA兴亚、muRata村田、Panasonic松下、sumida胜美达、TAIYO YUDEN 太诱、TDK、TOKO、TOREX特瑞仕台湾:CHILISIN奇力新、yers美磊、TAI-TECH台庆、TOKEN德键、VIKING光颉、WALSIN华新科、YAGEO国巨中国:Gausstek丰晶、GLE格莱尔、FH风华、CODACA科达嘉、Sunlord顺络、紫泰荆、肇庆英达2、请解释电阻、电容、电感封装的含义:0402、0603、0805。
贴片电容,贴片电阻,贴片电感基础知识--品牌大全
1、请列举您知道的电阻、电容、电感品牌(最好包括国内、国外品牌)。
电阻:
美国:AVX、VISHAY威世日本:KOA兴亚、Kyocera京瓷、muRata村田、Panasonic 松下、ROHM罗姆、susumu、TDK
台湾: LIZ丽智、PHYCOM飞元、RALEC旺诠、ROYALOHM厚生、SUPEROHM美隆、TA-I大毅、TMTEC泰铭、TOKEN德键、TYOHM幸亚、UniOhm厚声、VITROHM、VIKING 光颉、WALSIN华新科、YAGEO国巨新加坡:ASJ 中国:FH风华、捷比信
电容:
美国:AVX、KEMET基美、Skywell泽天、VISHAY威世英国:NOVER诺华德国:EPCOS、WIMA威马丹麦:JENSEN战神日本:ELNA伊娜、FUJITSU富士通、HITACHI日立、KOA兴亚、Kyocera京瓷、Matsushita松下、muRata村田、NEC、nichicon(蓝宝石)尼吉康、Nippon Chemi-Con(黑金刚、嘉美工)日本化工、Panasonic松下、Raycon威康、Rubycon(红宝石)、SANYO三洋、TAIYO YUDEN太诱、TDK、TK东信韩国:SAMSUNG三星、SAMWHA 三和、SAMYOUNG三莹台湾:CAPSUN、CAPXON(丰宾)凯普松、Chocon、Choyo、ELITE金山、EVERCON、EYANG宇阳、GEMCON至美、GSC杰商、G-Luxon世昕、HEC 禾伸堂、HERMEI合美电机、JACKCON融欣、JPCON正邦、LELON立隆、LTEC辉城、OST奥斯特、SACON士康、SUSCON 冠佐、TAICON台康、TEAPO智宝、WALSIN华新科、YAGEO国巨香港:FUJICON富之光、SAMXON万裕中国:AiSHi 艾华科技、Chang常州华威电子、FCON深圳金富康、FH广东风华、HEC东阳光、JIANGHAI南通江海、JICON吉光电子、LM佛山利明、R.M佛山三水日明电子、Rukycon海丰三力、Sancon海门三鑫、SEACON深圳鑫龙茂电子、SHENGDA扬州升达、TAI-TECH台庆、TF南通同飞、TEAMYOUNG天扬、QIFA奇发电子
电感:
美国:AEM、AVX、Coilcraft线艺、Pulse普思、VISHAY威世德国:EPCOS、WE 日本:KOA兴亚、muRata村田、Panasonic松下、sumida胜美达、TAIYO YUDEN 太诱、TDK、TOKO、TOREX特瑞仕台湾:CHILISIN奇力新、yers美磊、TAI-TECH台庆、TOKEN德键、VIKING光颉、WALSIN华新科、YAGEO国巨中国:Gausstek丰晶、GLE格莱尔、FH风华、CODACA科达嘉、Sunlord顺络、紫泰荆、肇庆英达
2、请解释电阻、电容、电感封装的含义:0402、060
3、0805。
表示的是尺寸参数。
0402:40*20mil;0603:60*30mil;0805:80*50mil。
3、请说明以下字母所代表的电容的精度:J、K、M、Z。
J——±5%;K——±10%;M——±20%;Z——+80%~-20%
4、请问电阻、电容、电感的封装大小分别与什么参数有关?
电阻封装大小与电阻值、额定功率有关;电容封装大小与电容值、额定电压有关;电感封装大小与电感量、额定电流有关。
5、电阻选型需要注意哪些参数?
电阻值、精度、功率(在实际电路上换算出承受最大电流、最大电压)、封装。
6、电容选型需要注意哪些参数?
电容值、精度、耐压、封装。
7、电感选型需要注意哪些参数?
电感量(包括测量频率)、精度、最大承受电流、封装。
8、磁珠选型需要注意哪些参数?
阻抗值(包括测量频率)、精度、最大承受电流、直流电阻(换算出最大直流压降)、封装。
9、整流二极管选型需要注意哪些参数?
最大整流电流、最大反向工作电压、正向导通压降、封装。
10、开关MOS管选型需要注意哪些参数?
最小开启电压Vgs(th)、最大栅源电压Vgs(max)、最大漏源电压Vds、最大漏源电流Id、导通电阻Rds(on)、耗散功率、封装。
11、直流电源的输出滤波电容,应如何根据实际工作电压选择电容的额定电压参数?
电容的额定电压应该稍大于直流输出电压,根据电容额定电压标称值,选1.2~2倍直流输出电压即可。
12、理想电容两端的电压和电流的相位关系是:同相、反相、电压超前电流90°、电流超前电压90°?
电流超前电压90°。
贴片电容:
13、请列举一下上拉电阻的作用。
1)上电复位时,端口电平配置。
2) OC和OD门上拉确定高电平。
3)提高输出端口的高电平。
4)加大输出引脚的驱动能力。
5)降低输入阻抗,防止静电损伤。
6)提高总线的抗电磁干扰能力。
7)匹配电阻,抑制反射波干扰。
14、请列举一下零电阻的作用。
1)线路上的跨接跳线;2)可选的配置电路;3)调试预留位置;4)保险丝;5)不同地的单点连接。
15、请简述压敏电阻工作原理。
当压敏电阻上的电压超过一定幅度时,电阻的阻值降低,从而将浪涌能量泄放掉,并将浪涌电压限制在一定的幅度。
16、请简述PTC热敏电阻作为电源电路保险丝的工作原理。
当电源输入电压增大或负载过大导致电流异常增大的时候,PTC热敏电阻因为温度增大而使其等效电阻迅速增大,从而使输出电压下降,减小输出电流。
当故障去除,PTC热敏电阻恢复到常温,其电阻又变的很小,电源电路恢复到正常工作状态。
17、常见贴片电容的材质有:X7R、X5R、Y5V、NPO(COG)、Z5U。
请问电容值和介质损耗最稳定的电容是哪一种?
电容值和介质损耗最稳定的是NPO(COG)材质电容。
18、某磁珠的参数为100R@100MHz,请解释参数的含义。
在100MHz频率下的阻抗值是100欧姆。
19、请说明一下滤波磁珠和滤波电感的区别。
磁珠由导线穿过铁氧体组成,直流电阻很小,在低频时阻抗也很小,对直流信号几乎没有影响。
在高频(几十兆赫兹以上)时磁珠阻抗比较大,高频电磁场在铁。