中频炉的日常维护与检修要点--2015516
- 格式:doc
- 大小:89.50 KB
- 文档页数:9
中频炉日常检查排查内容中频炉是金属加热熔炼设备,常用于钢铁行业和金属加工行业。
为了保证炉子的正常运行和安全生产,日常检查和排查工作非常重要。
以下是中频炉日常检查排查的内容。
1.炉体外观检查:检查炉体外观是否完整,有无裂纹、变形、烧损等情况。
特别要注意炉体底部是否有泄漏迹象,如气体泄漏和冷却水泄漏等。
2.电缆、电气连接检查:检查电缆、电气连接是否牢固,有无松动、断裂、磨损等情况。
同时要检查电缆保护措施是否合格,如是否安装有橡胶保护套、电缆托架等。
3.水冷设备检查:检查水冷系统的工作情况,包括冷却水流量、水压、温度等参数。
要保证冷却水流动畅通,不堵塞管道,且冷却效果良好。
4.感应线圈检查:检查感应线圈是否完好,有无断裂、烧损等情况。
尤其要注意感应线圈的接地情况,确保接地良好,以防止感应线圈漏电引发事故。
5.冷却器检查:检查冷却器的使用情况,包括是否存在堵塞、积灰等问题。
需要清洁冷却器表面,确保散热效果良好。
6.温度监控系统检查:检查温度监控系统的工作情况,包括温度计、热电偶等传感器的准确性和可靠性。
确保温度监控系统能够准确反映炉内温度变化。
7.冷却水流量检查:检查冷却水流量是否正常,应根据加热功率和冷却水流量的设计参数进行比较,确保冷却水量足够以保证炉体正常运行。
8.检查水冷电缆:检查水冷电缆的运行情况,包括电缆渗漏、电缆损坏、水冷管道连接是否牢固等。
9.钢水倾煮检查:检查倾煮情况,即检查钢水是否充足,倾煮是否平稳。
特别要注意钢水的温度是否正常,以确保熔炼效果和安全生产。
10.氧气压力检查:如果中频炉使用氧气作为辅助燃料,需要检查氧气压力是否正常,以确保炉内氧气供应稳定。
11.炉门和炉盖检查:检查炉门和炉盖的密封情况,是否有漏气现象。
确保炉门和炉盖的密封性能良好,以防止热量损失和气体泄漏。
12.炉内渣皮清理:定期清理炉内渣皮,防止渣皮堆积过多影响熔炼效果。
总之,中频炉的日常检查排查内容十分丰富,旨在确保炉子的正常运行和安全生产。
中频炉常见故障及维修措施经常使用中频炉的人应该都知道,中频炉在使用过程中会经常出现故障。
但是出现故障了很多人不知道该怎么办,可能错误的判断错误的维修会使机器损坏更严重。
一、中频炉常见故障及原因1、启动时系统无任何反应。
①整流板故障。
②过流、过压保护动作。
③主开关未合好④控制调功电位器损坏或断线。
⑤整流控制电源部分坏。
2、只有直流电压表有指示,其它无反应。
①逆变板及逆变电路故障。
②逆变电源故障。
逆变脉冲无22V供电。
注意:当电源相电压高于240V时容易损坏控制电源变压器。
3、启动时不能启动成功,且直流电流很大,直流电压很低(几十伏)。
①逆变部分存在直接短路现象(如铜排间短路、电热电容击穿等)。
②逆变控制电路及取信号部分有问题(断路或短路)。
③逆变晶闸管存在多个同是损坏现象(可用万用表R×1档测量)。
4、启动时偶有频声,但各个仪表均摆动,或启动后各仪表摆动,销升功率后,过流或过压。
①逆变控制板不良。
②较小tf工作角调整不当。
③水电缆断或电缆螺丝松动。
④炉短路或接地,被压电路可能是输出侧短路。
⑤晶闸管不良。
5、合主回路,空气开头即跳闸,或过流保护,即使偶然正常也会有异常声响,升功率使过流。
①般为某个整流晶闸管击穿。
②晶闸管性能下降,或失去某方向的阻断能力变成二管。
③整流电路存在短路。
6、可以启动,但电抗器声间沉闷。
表计偶然摆动,直流电压升以500V。
①主电路缺相(般恒功率板缺相不会有直流电压输出)。
②控制电路缺脉冲。
③整流晶闸管某个不能触通或不能维持,以及门断路或短路。
7、能启动,但中频电压与直流电压比值大,电压低,直流电流很大。
①逆变晶闸管某桥壁击穿。
②某晶闸管不工作(判断时可在小电压工作时直接用万用表AC档测量管压降,无电压者可能击穿,但还要注意相邻桥壁是否不工作,对于单管桥壁来说,为正反相电压致者不工作,可查相关电路,对于双两个晶闸管串联电路分为两种情况,同单管电路般为两管均无脉冲,电压是正反,则说明承担正向电压的晶闸管没有工作,看有否控制脉冲,性是否正常,门是否断路)。
中频炉日常点检标准项目-CAL-FENGHAI-(2020YEAR-YICAI)_JINGBIAN中频炉日常点检标准项目中频炉的日常维护和检修工作是十分重要的。
它能及时发现各种隐患,避免重大事故并保证长期安全生产,促进铸件产量和质量的提高。
有关中频炉的炉衬、感应线圈、可绕性导线(水冷电缆)、炉盖、液压系统、冷却系统、电器系统等维护检修内容见表(1、2、3、4)中频炉日常维修、检修项目 表1检修项目维护检修内容检修时间 及次数备 注炉衬炉衬有否裂缝 观察坩埚内有否裂缝冷炉每次启炉前若裂缝宽度在2mm 以下、如不深切屑等物不会嵌进裂缝时,则不必修补,仍可使用。
否则需要进行修补后才能使用 出液口的修补 观察侧壁炉衬和出液口交界处有否裂缝出液时若出现裂缝,进行修补 炉底及渣线部位炉衬的修补 观察炉底及渣线部位的炉衬有否局部蚀损 出液后若有明显的蚀损需进行修补感 应 线 圈外观检查a 线圈表面有否附着异物b 顶紧线圈各装配螺栓有否松动 1次/日 1次/日 用车间压缩空气吹扫 拧紧螺栓 橡胶管 a 橡胶管接口处有否漏水 b 目测检查橡胶管有否割伤1次/日 1次/周线圈出口处冷却水温度 在额定金属熔液量、额定功率状况下,记录线圈各支路冷却水温度最大与最小值1次/日除尘 用车间压缩空气吹去线圈表面的尘屑和熔液飞溅物1次/日酸洗感应器水管的酸洗1次/1-2年 用5%的稀盐酸冲可 绕 性 导 线水冷电缆 a 有否漏水b 检查电缆是否接触炉坑c 在额定功率下记录电缆出水温度d 为预防事故发生采取的预防措施1次/日 1次/日 1次/周 1次/年炉盖耐火浇灌料目测检查炉盖里的耐火烧灌层厚度 1次/日耐火浇灌料层厚度剩1/2时,则要重筑炉盖衬里加润滑油炉盖支点部分1次/周倾动油缸油缸上下部轴承及高压管a轴承部分及高压管上有无金属熔液烫伤的痕迹b油漏泄1次/周1次/月观察油缸下面的支座有无油污,拆下压盖进行检查油缸a密封部位有无漏泄现象b异常声音1次/日1次/日倾炉时,观察油缸体发出诸如敲击油缸之类声音时,多为轴承缺油倾炉限位开关a动作检查用手按动限位开关,油泵应停止加载b限位开关上有无溅着金属熔液1次/周1次/周加润滑油所有各加油口1次/周低压开关柜刀开关接触器a主触头的粗糙程度、磨损量b检查辅助触头接触是否良好,是否磨损c灭弧罩是否碳化d除尘e检查螺丝是否松动1次/6个月1次/6个月1次/6个月1次/月1次/周粗糙严重时,用锉刀、砂纸等研平触头磨损2/3时,调换触头碳化部分细砂纸磨去用车间压缩空气清扫,用布擦去灰尘绝缘电阻用1KV兆欧表测量主回路与地之间绝缘电阻应大于1MW1次/6个月接地装置检查接地线是否良好1次/月表2中频电源柜柜内外观检查a元件有无破损、烧坏b接线头是否松弛、脱落1次/周1次/周若松动,有可能烧坏元件动作试验a检查指示灯是否指示b过流、过压动作是否灵敏c漏炉、缺相、欠水压、水温报警等是否工作可靠1次/日1次/日1次/日柜内除尘用车间压缩空气清扫1次/周继电器a检查触头粗糙程度,粗糙严重时用细砂纸打磨光滑b调换接点触头磨损严重时要调换1次/3个月1次/2年变检查外观a有无渗、漏油b冷却绝缘油是否加到规定位置1次/周1次/周如油液面下降,应及时补充压器灵敏度a检查日常温度指示,应低于规定值b检查温度报警是否灵敏c检查瓦斯报警、跳闸是否灵敏1次/日1次/月1次/月响声及振动a平常通过听和摸进行检查b仪器测量其它详见变压器说明书1次/周1次/年电容器组检查外观a有无油和水漏泄b各端子螺钉有无松弛1次/日1次/周若发生松弛,端子部分会因过热变色电容器组周围的温度用水银温度计测量1次/日进行通风,使周围温度不超过40℃油压装置液压油a油面计显示的油面高度,油的颜色有无变化b检查液压油中的灰尘量及油的质量c测量温度1次/周1次/6个月1次/6个月若油面下降,则回路有漏泄质量差时,要调换油表4油压装置压力计倾炉压力是否与平常有不同1次/周泵检查泵的噪声是否与平常不同1次/周泵有噪声时,有下列原因:a由吸滤器吸入空气b泵的吸入侧吸入空气c过滤器有杂物吸油不畅通调压阀a从泵起动到压力上升出现时间滞后时及调压阀噪声变大时,拆开调压阀进行清理b倾炉速度太慢时,在装置最高使用压力范围内提高调压阀的设定压力,设定压力不上升,拆出进行清理过滤器拆开过滤器进行清理调换部件第1次为半个月,以后为1次/月1次/年配管直观检查配管上有无漏油1次/月冷却水回路软水冷却装置a装置各部位有无漏水b电动机、泵的噪声、振动与平常有无不同c长期停运时,或在冬季、夜间停止运转时,应排去剩水(指在水温低于+5℃时)d压盖密封垫的磨损更换1次/日1次/月2年冷却塔备用水路备用进水是否正常1次/月(甲方自备设备仅供甲方参考)冷却水回路冷却水分配架a水压表报警值是否正常发出,压力指示与平常有无不同b温度计指示是否正常,报警触头有无异常c配管有无漏水1次/月1次/周1次/日紧急用设备备用水泵是否正常1次/周漏炉报警装置电极引出线检查a电极引出线联接是否正常b电极引出线是否接地1次/日1次/日此装置为选配件线圈检查拆炉时:线圈有无因金属熔液引起的烧坏线圈有无凹凸线圈有无其他损坏。
中频炉维护保养,一定要记住这几个要点中频炉是工业生产过程中常见的热处理设备,其作用是对金属材料进行加热处理。
中频炉因其加热速度快、效率高、热效应均匀等优点,被广泛应用于钢铁、有色金属、机械、汽车等领域。
然而,中频炉需要长时间使用,在使用过程中难免会受到各种因素的影响,造成中频炉的故障,影响生产效率和产品质量。
因此,中频炉的维护保养十分重要。
下面将介绍中频炉保养的几个要点。
1. 定期清洁中频炉的保养工作之一就是确保炉身清洁。
中频炉使用一段时间后,会产生一定数量的氧化物和沉淀物,这些杂质会影响中频炉的使用效果,建议定期对中频炉进行清洁。
清洁前,首先必须关闭电源,并等待中频炉完全冷却,然后使用专用工具将炉内杂物清除干净。
2. 确保电气元器件正常中频炉是高功率设备,其电气元器件的维护十分重要。
在使用过程中,如果发现炉体与电源之间电气连线出现松动、发热或者烧焦现象,应该立即关闭中频机电源,并检查电气连接是否松动或损坏,必要时要及时更换。
同时,为了保证电气元器件的耐久性,在工作中应注意控制电气元器件的温升和工作电流,避免过载使用,这样可以有效地延长元器件的使用寿命。
3. 定期更换水冷却设备中频炉主要通过水冷却系统来平衡其加热和冷却功能,保证炉体温度恒定。
因此,水冷却系统对中频炉的使用效果至关重要。
在使用过程中,要确保水冷却设备无漏水、无杂质、无腐蚀等现象,对于已经出现问题的水冷却器件要及时更换。
4. 检查感应线圈在中频炉工作中,感应线圈是起到重要作用的设备,它直接关系到炉体的加热效果。
因此,保养感应线圈也是中频炉维护的重要工作之一。
在检查感应线圈时,需要检查其表面是否平整、表面是否有凸起或凹陷、是否有裂纹等问题,以及检查线圈表面是否发黑或生锈等现象,必要时建议立即更换。
5. 检查水冷却系统泵中频炉的水冷却设备依靠水泵来推动冷却水流动,循环使用。
泵的正常使用直接关系到冷却效果和设备的正常运作。
在使用过程中,应该经常检查泵是否存在漏水、发热等现象,如果发现此类问题应及时停机处理,并在必要时更换泵。
中频炉使用与维护中频炉是一种常用的金属加热设备,广泛应用于铸造、锻造、热处理等工业领域。
为了保证中频炉的正常运行并延长其使用寿命,需要进行定期的维护和保养。
下面将对中频炉的使用和维护进行详细介绍。
一、使用中频炉的注意事项:1.载入工件前,要先检查炉膛内是否有金属杂物,以免影响加热效果和炉膛使用寿命。
2.载入工件时,要注意分布均匀,并且避免工件直接放置在感应线圈上,以免损坏线圈。
3.使用前要检查水冷系统的管路和阀门是否正常,确保水冷系统的顺畅运行。
4.加热过程中,要避免频繁启停和大负荷急热,以免对设备造成损伤。
5.在加热过程中,要注意观察加热工件的温度和颜色变化,及时调整加热功率和工作频率,以达到预期效果。
6.使用完毕后,要及时清理炉膛内的金属渣和灰尘,并检查炉膛是否有损坏,防止二次使用时出现问题。
二、中频炉的定期维护:1.清洗冷却水系统:中频炉的冷却水系统要定期进行清洗,清除水垢和杂质。
可使用专门的清洗剂,并按照操作说明进行清洗。
2.检查感应线圈:定期检查感应线圈的连接是否松动,是否有损伤,如有问题及时修复或更换。
3.检查电源开关和仪表:定期检查电源开关和仪表是否正常工作,如发现异常现象,要及时处理。
4.检查电缆和连接器:定期检查电缆和连接器的绝缘情况,如有损坏要及时更换,以防短路或电气事故。
5.检查冷却系统:定期检查冷却系统的水流情况和水温,确保正常运行,如发现异常情况要及时处理。
6.润滑齿轮和轴承:定期给中频炉的齿轮和轴承进行润滑,以减少摩擦和磨损。
7.检查电源线和插头:定期检查电源线和插头的连接情况,如有松动或老化要及时更换。
8.清理燃气系统:如中频炉使用燃气加热,要定期清理燃气管路和喷嘴,以确保燃气的顺畅供应。
以上为中频炉使用和维护的一些基本要点,具体还要根据设备的型号和实际情况进行调整。
需要注意的是,在进行维护和保养时,应断开电源,并由专业人员进行操作。
同时,根据中频炉的使用情况,制定相应的维护计划,以确保设备的正常使用和延长使用寿命。
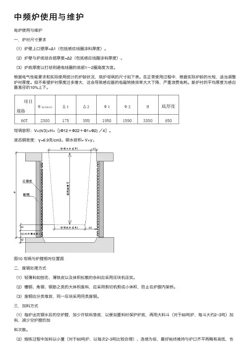
中频炉使⽤与维护电炉使⽤与维护⼀.炉衬尺⼨要求(1)炉壁上⼝壁厚=Δ1(包括感应线圈涂料厚度)。
(2)炉壁与炉底结合部厚度=Δ2(包括感应线圈涂料厚度)。
(3)炉底厚度以打结到通电线圈的底部1~2圈⾼度为宜。
根据电⽓性能要求和实际使⽤统计的炉龄状况,筑炉坩埚的尺⼨如下表。
在正常使⽤过程中,根据实际炉龄的长短,适当调整炉衬厚度。
但不希望炉衬厚度过多增⼤,这会导致感应器的电磁转换效率⼤⼤下降,严重浪费电耗。
新炉衬的平均厚度为感应器直径的10%上下。
坩埚容积:V=(π/3)×H×[(Φ12+Φ22+Φ1×Φ2) /4]。
液态钢密度:γ=6.9克/cm3。
钢⽔容积= V×γ。
图10 坩埚与炉膛相对位置图⼆.废钢处理⽅式(1)轻薄料如刨花、薄铁⽪以及体积松散的杂料应采⽤压块机压实。
(2)槽钢、⾓钢、钢筋之类的⼤体积废料,应采⽤剪切机剪成⼩体积,防⽌在炉膛内架桥。
(3)废钢应分类堆放,同⼀压块采⽤同类废钢。
三.加料⽅式(1)每炉出完钢⽔后的空炉膛,加少许软料垫底,以便加重料时保护炉底,再⽤⼤料⽃(对于60吨炉,每⽃⼤约2~3吨)加料,减少空炉膛的加料次数。
(2)熔炼过程中加料以⼩量(对于60吨炉,以每次2~3吨⽐较合理)、连续为佳,最好始终维持与炉⼝齐平再略有⾼低,也就是说加料时,废料应尽量都落在炉⼝直径以内,堆起的⾼度略⾼于炉⼝,熔炼⼀段时间,待炉料下落⾄低于炉⼝20厘⽶上下时,再补充加料。
这样始终维持满炉膛炉料,中频电源就会始终⼯作在⾼功率状态,可以缩短熔炼时间,降低电耗。
(3)每炉熔炼过程的前半炉以重料(如压块料)为主,辅以⼩块料填充压块的缝隙。
炉料越重,中频电源输出的功率越⼤。
(4)后半炉对加料的种类要求不⾼,但必须勤快翘动摇晃炉膛内的废料,以帮助轻薄料或可能架桥的废钢及时下落到炉膛内。
(5)如果条件允许,建议前期新炉熔炼时,每炉保留少许钢⽔(500公⽄上下),每个班交接班时将钢⽔出⼲,以观察底部炉衬状况。
中频炉常规维护保养的基本几个要点中频炉是一种常用于金属加热和熔化的设备,它在很多行业有着广泛的应用。
为了保证中频炉的正常运行和延长其使用寿命,进行常规的维护保养是必不可少的。
本文将介绍中频炉常规维护保养的几个基本要点。
一、定期清理与维护炉膛中频炉的炉膛是金属加热的关键部位,定期清理和维护炉膛是确保中频炉正常工作的重要步骤。
首先,需要定期将炉膛内的残渣和金属颗粒清理干净,避免对炉膛产生堵塞影响到加热效果。
其次,对炉膛进行表面的清理,去除积尘和氧化物,以保持炉膛的良好导热性能。
同时,还需检查炉膛的密封情况,确保其密封性良好,避免热能的损失。
二、检查和维护电力系统中频炉的正常运行依赖于稳定的电力供应,因此检查和维护电力系统是维护中频炉的另一个重要环节。
首先,需要检查电缆和连接器的状态,确保其完整和良好的接触。
其次,定期检查和清理电力系统中的连接点和端子,防止因连接不良或腐蚀而引起的电阻增加。
此外,还需检查电力系统的保护装置和过载保险器,确保其正常工作,避免对中频炉产生不必要的损害。
三、保护与维护冷却系统中频炉的冷却系统对于保证设备的正常运行起着至关重要的作用。
定期检查和维护冷却系统是确保中频炉长时间稳定运行的必备措施。
首先,需要定期清洗和维护冷却系统中的水管和散热器,避免因堵塞而导致的冷却不良。
其次,注意检查冷却系统中的水质,保持水质清洁,避免因水质问题影响到冷却效果。
此外,在冷却系统运行时,还要注意监测冷却水的温度和压力,确保在正常范围内工作。
四、维护和更换耐火材料中频炉的耐火材料承受着高温和冲击的双重作用,其状况直接关系到中频炉的加热效果和使用寿命。
因此,定期检查和维护耐火材料,及时更换损坏的部分是维持中频炉正常运行的必要之举。
在更换耐火材料时,需注意选择质量可靠的耐火材料,并按照相关指导进行操作,确保更换过程的安全和顺利。
五、定时进行设备检修定期进行中频炉的设备检修是保证设备运行一贯性和有效性的关键环节。
中频电炉日常维护保养、检修设备日常开炉前保养、维护:检查备用水箱水量,不足时及时联系添加。
经常清除电源柜的内积尘。
特别是硅元件管芯外部,用干净的布擦去灰尘。
控制板上的积尘应用软毛刷子扫去。
检查并紧固所有的联接螺栓。
主回路母排的紧固螺栓松动后,会使两块母排接触不良,产生热量并使联接处表面氧化,这时应用细砂纸将联接表面清理干净后再将螺栓上紧。
检查冷却水路,特别是电源柜内的尼龙软管,接头处如有漏水,应及时处理并将水擦干后再开机。
检查冷却水管路中的水垢,如果发现水流明显减小时,应及时对冷却水管路进行清洗。
经常检查漏炉报警装置的工作情况。
在正常工作时,漏炉报警装置的指示仪表应该有5%~10%的读数。
如果读数为零说明漏炉报警装置检测线断路,应排除故障后才能运行。
在主电路接通但中频没有启动时,将漏炉报警装置选择开关打到“测试”档,漏炉保护应该动作。
炉衬使用及注意事项1.根据铁液的浇注温度和性质选用相应规格的商业供货的预混硅质捣打料作为炉衬材料。
2.严格按照供应商提供的筑炉规范和烧结工艺作业。
3.筑炉前,线圈涂料及上部炉顶圈砌块应预先烘干。
4.检查坩埚模尺寸的正确性及锥形部位是否存在锐角。
坩埚模上要钻有一定间隔的3毫米左右直径的排气孔。
坩埚模定位要正确。
5.筑炉后,原则上应立即开始烘烤和烧结,以免长时间放置时吸潮。
6.炉衬第一次烧结时,加入的炉料应该是含碳量较低、清洁、干燥、无锈蚀,块度合适。
刚烧结后的炉子最好连续运行若干天,以使炉衬烧结层形成足够的厚度和强度。
7.加入炉料时,应避免大块度炉料撞击炉壁,导致炉衬损伤。
加入浇冒口、回炉铁时,要尽量将残存的型砂除清。
有资料表明:加入严重锈蚀炉料比例达30%时,炉衬寿命将降低75%!8.作业时,尽量保持较高的待用金属液面,使炉壁的侵蚀均匀。
非浇注阶段尽量使铁液在较低的温度下(如:1300~1350 ℃ )保温,浇注前用大功率迅速提温,缩短炉衬处于高温状态的时间。
有资料表明:每降低10 ℃的出炉温度,炉衬寿命可以增加10%。
1.中频电炉为重点设备应重点维护保养,确保其处于良好状态。
2.每次开炉前首先检查各部件冷却水出水口的流量,如发现流量变
小应立即疏通管路确保冷却水正常循环,然后检查感应圈是否有变形,适中,如有应立即纠正。
3.开炉过程中密切观察冷却水的水温,如遇水温过高应减小电流并
作出应急处理。
4.开炉过程中随时注意中频电流电压的大小,严禁长期过载运行。
5.电炉电盘平常每日进行例行检查,观察各处有无漏水,接触不良
现象,及时排除隐患。
6.各设备每周进行一次清扫,防止粉尘腐蚀设备线路。
7.减速机每半月检修一次,检查润滑油油量,传动齿轮有无异声。
中频炉重点维修九大方法(针对一拖二中频炉有效)展开全文1、先静态,后动态所谓静态检查,就是在一拖二中频炉未通电之前进行的检查。
当确认静态检查无误时,方可通电进行动态检查。
若发现冒烟、闪烁等异常情况,应迅速关机,重新进行静态检查。
这样可避免在情况不明时就给一拖二中频炉加电,造成不应有的损坏。
就目前维修中所采用的测量仪器仪表而言,只能对电路板上的元器件进行功能在线测试和静态特征分析,发生故障的电路板是否最终完全修复好,必须要装回原电路上检验才行。
为使这种检验过程取得正确结果,以判断更换了电气电子元器件的电路板是否修理好,最好先检查一下一拖二中频炉的辅助电源是否按要求正确供给到相关电路板上,以及电路板上的各接口插件是否可靠插好。
并要排除电路板外围电路故障带来的影响,才能正确地指导维修工作。
2、先清洁,后维修对污染较重的一拖二中频炉,先要对其面板按键、接线端、接触点进行清洁,检查外部控制键是否失灵。
检查一拖二中频炉内部时,应着重看一拖二中频炉内部是否清洁,如果发现一拖二中频炉内各组件、引线、走线之间有尘土、污物、蛛网或多余焊锡、焊油等,应先加以清除,再进行检修,这样既可减少自然故障,又可取得事半功倍的效果。
实践表明,许多故障都是由于脏污、灰尘、异物引起的,一经清洁或清除故障往往会自动消失。
3、先电源电路,后功能电路电源是一拖二中频炉的心脏,如果电源不正常,就不可能保证其他部分的正常工作,也就无从检查别的故障。
根据经验,电源部分的故障率在整机中占的比例最高,许多故障往往就是由电源引起的,所以先检修电源电路常能收到事半功倍的效果,一拖二中频炉的维修时应按照先检修主电路电源部分、控制电源部分,再检修控制电路、触发电路部分,最后是显示部分的顺序。
这是因为电源时一拖二中频炉各部分能正常工作的能量之源,而控制电路又是能正常工作的基础。
4、先普遍,后特殊在没有了解清楚一拖二中频炉故障部位的情况下,不要对一拖二中频炉内的一些可调元器件进行盲目的调整,以免人为地将故障复杂化。
中频炉维修注意事项及维修流程中频炉维修注意事项及维修流程中频炉在维修前应先做好清洁工作,一些故障其实就是维护工作没有做好导致的。
遵守从外到内、先电源后设备的检修顺序往往可以事半功倍,不会遗漏任何一个细节。
1、中频熔炼炉应经常使用,不宜长期搁置,长期搁置后使用,应先用风扇吹1小时,以消除潮湿,并清理机内灰尘,再通电小功率试运行,确认正常后才能正式运行。
2、经常注意水温、水压情况、各水路(特别是可控硅冷却水路)必须畅通,不得有漏水、堵水现象。
3、密切注意中频熔炼炉各仪表指示值,指示值应保持稳定,不得有拌动现象,仪表损坏应及时更换。
在主控制箱内装有风扇,它对主控箱内起到良好的冷却和消除潮湿作用,请经常注意风扇的运行情况,一但损坏应及时更换。
4、经常注意主交流接触器及空气开关吸合情况,主触点温度及颜色,如触头烧蚀,松动及时处理或更换。
5、在黄霉秀节和雨季中运行,必须注意排除可控硅和主控制板上的凝露。
6、示波器阴极接电源的地线应拆除,避免观察主电路波形时,因接地点串路而烧坏电器元件,并请特别注意安全,示波器外壳带电。
7、送电前,应先在三相电网进线侧串3根20~30A的保险丝,并做好防电弧荼,这样可有效地阻止由于中频电源内一切短路原因,导致烧坏可控硅等所有主电路和元件的现象。
阻止中频电源内的短路电流漫延到中频机以外的部件上(如配电柜、电力变压器等部件),这一步极为重要。
所有维修员必须熟练掌握。
8、断开逆变主回路(将平波电抗器至逆变桥共阳极处的连接线断开),在整流桥输出端按3串2并接法接入6只200W/220V灯泡(或三根2KW的电炉丝),使整流部分在小电流状态下运行,这样分布检查,可直接断定故障出现在整流部分,还是逆变部分,避修盲目性,减少人为故障。
9、检查整流输出主波形(简称“整流波”),整流波必须稳定正确,整齐一致,整过移相范围线性良好,如果波形不正常,必须通过修理调整使其正常,如果波形正常,置直流电压为300V,使其运行10分钟再停机,检查每个整流可控硅RC吸收回路中的电阻R1—R6,所有电阻应有一定温度,且温度一致,否则RC回路有故障,应严格检查,如RC回路正常再全压运行10分钟,没问题说明整流部分基本正常,没有短路现象,可按9、10”项进行大功率参数检查(或整定)。
一、中频电炉维护保养中频感应电炉的维护和保养在生产中非常重要,它能及时发现各种隐患,避免出现重大事故,延长使用寿命,保证生产安全,提高铸件质量,降低成本。
定期记录有关电参数、冷却水温及炉体各关键部位(如炉底、炉侧、感应外壳铜排等)温度,可随时监测电炉使用情况。
定期启动柴油电发机,以确保其可靠运行。
1 .按规定时间对电炉进行定期保养、润滑、紧固(如用无水压缩空气对感圈、铜排、电控柜等进行系统除尘,对润滑部位进行润滑、紧固螺栓)。
2 .每天观察水压表、水温表及检查输胶管老化程度;定期检查各个冷却水支路的流量,确保管路没有堵塞,管接头不漏水,尤其是固体电源柜内的冷却水接头,绝对不允许漏水,如果发现漏水,可将管接头卡箍上紧或更换卡箍;定期检查水塔喷淋水池、膨胀水箱内存水,电源柜、水箱存水,并及时补充;要经常检查备用泵的状况,每隔3—5d使用一次备用泵,保证备用泵运行绝对可靠。
3 .检查电容器是否漏油。
如果电容器接线端子处漏油,可用扳手将接线端子底部的螺母紧固。
4 .中期维护。
用乙醇研磨交流进线侧瓷绝缘子、支架,整流部分的二极管支架,电容器瓷绝缘子,IGBT(可控硅)主触点部分,逆变及中频交流铜排等;更换电器柜部分老化的输水管,疏通水嘴瓶颈部位、(IGBT)可控硅水冷块,更换交流铜排绝缘板、个别电容器等。
二、中频电炉的安全操作要领1 .中频电炉开炉开炉前的准备工作(1)检查炉衬,炉衬厚度(不包括石棉板)经磨损小65—80mm时,必须维护(2)检查有无裂缝。
3mm以上的裂缝,要填入炉衬材料进行修补,确保冷却水畅通。
2 .中频电炉加炉注意事项(1)不得加入潮湿的炉料,实在不得己时,投入干的炉料后,将湿的炉料放在它上面,采用熔化前靠炉内热量干燥的方法使水蒸发。
(2)切屑粒应尽量放在出铁后的残余铁液上,一次投入量为炉容量的10%以下,而且必须均匀投入。
(3)不要加入管状或中空密封料。
这是由于密封炉料中的空气受热急剧膨胀,很容易引起爆炸事故。
一、中频感应电炉的电容烧坏的原因有那些?中频电炉中的电热电容如果扣作不当,就会经常烧损。
这是什么原因呢?主要原因是以下几种:1、缺水,中频电炉在长期的使用过程中,可能会在电容的冷却管里结水垢或者进水系统进入杂物堵塞而导致电热电容过热而烧坏。
所以在使用过程中要注意观察电热电容冷却水的流量,若是出现流量异常,就应该采用相应的措施;2、中频电压过高,中频电炉在长期的使用过程中,若把中频电炉调的过高,高于电热电容的额定电压(电热电容的额定电压有750V、1200V等常用规格),会造成电热电容过电压击穿。
若是出现这种情况,就需要调低中频电压或者把电热电容换成耐压等级高的型号。
3、电热电容的阴极接地,若是在电炉的使用过程中,电热电容出现绝缘不好的情况,就会发生电容阴极接地而致使电容外壳击穿,若是出现这种情况,就需要对电容柜的绝缘进行重新处理。
二、中频电炉炉总是坏同一组可控硅是怎么回事1.中频电炉在长期的使用过程中,可能会在电容的冷却管里结水垢或者进水系统进入杂物堵塞而导致电热电容过热而烧坏。
所以在使用过程中要注意观察电热电容冷却水的流量,若是出现流量异常,就应该采用相应的措施;2、中频电压过高,中频电炉在长期的使用过程中,若把中频电炉调的过高,高于电热电容的额定电压(电热电容的额定电压有750V、1200V等常用规格),会造成电热电容过电压击穿。
若是出现这种情况,就需要调低中频电压或者把电热电容换成耐压等级高的型号。
3、电热电容的阴极接地,若是在电炉的使用过程中,电热电容出现绝缘不好的情况,就会发生电容阴极接地而致使电容外壳击穿,若是出现这种情况,就需要对电容柜的绝缘进行重新处理。
三、中频电炉频繁有烧坏晶闸管是怎么回事?【故障现象】中频电源启动后,当功率升到一定值时,过流保护动作,有时会烧坏晶闸管,重新启动,故障现象不变。
【故障分析及处理】产生此故障的原因如下。
(1)如果中频电源在刚启动后,在低电压下易产生过流。
中频炉操作维护保养检修等中频炉是一种用来加热金属材料的设备,能够实现快速、高效的加热效果。
为了确保中频炉的正常运行以及延长其使用寿命,需要进行操作、维护、保养和检修等工作。
首先,对于中频炉的操作,需要严格按照设备操作规程进行操作。
操作人员应当熟悉炉子的结构和工作原理,掌握操作程序,确保操作过程中的安全和准确性。
在启动前,首先要检查炉体、电源、水供应等设备的完好性,并确保各种保护装置的正常工作。
启动前还需要进行升温试验,调整过程中应当注意电流和电压等数据的变化情况,以确保设备的正常工作。
其次,中频炉的日常维护保养工作非常重要。
维护保养工作包括清洁、润滑、紧固和更换易损件等方面。
定期对设备进行清洁工作,清除炉体内积累的灰尘和杂质,防止影响设备散热效果。
同时,需定期对设备进行润滑,保持各部件的灵活性和可靠性。
对于紧固件,要检查是否存在松动现象,进行必要的紧固操作。
此外,还需要定期更换易损件,如电极、冷却水管等,以确保设备的正常运行。
最后,定期对中频炉进行检修是确保设备性能和使用寿命的关键步骤。
检修工作包括设备的维护、保养和更换部件等。
检修时,需要对设备进行全面检查,排除故障和隐患,确保设备的安全和可靠性。
在检修过程中,要做好安全措施,确保操作人员的人身安全。
同时,要注意保养工作,对设备的易损件进行更换,并定期对设备进行检测和监测,以确保设备的正常运行。
综上所述,中频炉的操作、维护、保养和检修等工作是确保设备正常运行和延长使用寿命的重要步骤。
操作人员应当熟悉设备的工作原理和操作程序,严格按照规程进行操作。
在日常维护保养工作中,要注意设备的清洁、润滑和紧固等方面,定期更换易损件。
定期对设备进行检修,排除故障和隐患,确保设备的安全和可靠性。
通过这些工作的实施,能够保障中频炉的正常运行,并延长其使用寿命。
中频感应电炉维修方法一、中频电炉感应线圈维护时间1、每月一次,检查中频炉线圈绝缘是否隆起或局部碳化,用车间空气冲洗。
2、每月检查一次表面是否有附件,并在车间用压缩空气吹扫。
3、每月检查中频炉线圈绝缘板是否在修理间延伸。
4、每三个月检查一次起重线圈的装配螺钉,以拧紧螺钉。
5、每周目视检查松动的螺旋压缩弹簧6、每天检查橡胶管接口处是否有漏水。
7、每周检查一次橡胶管是否有划痕。
8、拆下橡胶软管,半年后检查盘管末端防锈接头的耐腐蚀性(“防腐管”)。
当连接器生锈时,应及时更换,通常每两年更换一次。
9、在额定金属溶液和额定功率的条件下,每天用红外温度计记录线圈各支路的温度和小值。
10、压缩空气每天从盘管中吹出,并从溅尘溶液的表面排出。
11.感应线圈水管每两年酸洗一次。
二、中频电炉感应线圈故障原因1、这种故障在小型中频炉中尤其容易发生。
由于炉膛小,运行中热应力引起变形,造成匝间短路。
故障表明电流较大,工作频率高于正常值。
2、感应线圈泄漏,这可能导致线圈之间的火花,以及及时修复运行焊接的重要性。
3、钢粘在中频炉感应线圈上,钢渣又热又红,会造成铜管烧损。
它必须及时清洗.三、中频电炉感应线圈维护注意事项1、中频炉炉内感应线圈工作频率相对较差的条件,尤其是铸造和熔炼部分,尤其是粉尘或铁屑。
由于中频炉线圈上的铁屑或炉渣脱落或绝缘胶木表面碳化,导致匝间短路,导致匝间着火,线圈铜管断裂,导致中频炉故障。
因此,使用中频炉定期清理现场,集中在线圈上,以避免在中频炉的线圈上浪费铁或铁。
2、应注意中频炉盘管冷却水的入口和出口方向。
正确的冷却水方向是下、上、下,以避免水槽覆盖结垢,中频炉应装有压水冷却盘管,并应更加注意其他水的流动,以确保中频炉盘管的冷却效果。
3、中频电炉无论用于透热还是熔炼,都应注意使用炉衬。
如果炉衬会破坏线圈上的金属氧化物,导致匝间短路。
如果衬里破裂,将导致熔窑穿透(由于衬里变薄,钢水通过衬里流向感应线圈)。
在这种情况下,高温铁水会烧坏中频电炉的感应线圈。
调质线中频炉安全操作规程开机规程:一.操作中频柜之前首先检查净环水路(供水冷铜管和炉体冷却),进水压力在0.15~0.2MP(1.5~2Kg)合适;其次检查内循环冷却水(供电柜冷却),进水压力在0.1~0.2MP(1~2Kg)合适,如果压力偏低需检查水罐水位及时补给纯净水。
二.检查电柜内各连接处有无渗、漏水情况,并观察电柜内水管进、出水的流速和压力情况。
三.观察电柜两端柜门进线侧电压表,淬火区进线电压为1250V,回火区进线电压为660V.每个柜门都有3个电压表,须确保数值相同才能进行后续操作。
四.确保现场危险区域无人后,依次进行送电操作。
淬火区电柜操作顺序如下:1.依次送上左右两侧柜门下方的手拉刀闸(每边3把);2.逆时针旋转中间柜面上的电位计(确保调到最小);3.按逆变启动按钮,听到柜内接触器吸合的声响,并看到柜面逆变启动指示灯亮;4.顺时针缓慢转动电位计(一般此阶段直流电流表数值不超过500A),当看到柜面频率表指针上升后,再继续转动电位计,直到工艺所需达到的参数。
回火区电柜操作顺序如下:1.依次送上左右两侧柜门下方的手拉刀闸(每边3把);2.按下进线侧柜门的储能按钮,当内部主断路器的储能声响结束以后(大概4秒)按下主断路器合闸按钮(可以听到合闸声)。
左右两侧柜子操作相同。
3、4步骤同淬火区短期停机(人员不需要进入危险作业区工作,并且离下次开机间隔很短)规程:一.首先将中间柜门的电位计逆时针调节到最小;二.按下中频停止按钮并看到中频停止指示灯亮。
安全停机(人员需进入危险作业区工作,或者离下次开机间隔较长)规程:一.首先将中间柜门的电位计逆时针调节到最小二.按下中频停止按钮并看到中频停止指示灯亮;三.淬火区直接拉下两进线侧柜门的所有刀闸;回火区先按下主断路器分断按钮(看到分断指示灯亮),再拉下两侧所有刀闸;四.按需要关闭各区的内外冷却水泵。
特别注意:1.如需进入左右侧进线柜内工作(检修),需通知相关电气人员分断进线端电源;2.在中频电源开启后禁止人员进入危险作业区;3.如遇到紧急情况(如异常响动、火花、烟雾等)需停止中频电源,必须严格按照安全停机步骤,严禁带负荷直接拉下进线刀闸;中频炉操作规程一、中频炉开机前检查:每次开机前应检查水路、电路。