摆线针轮减速机型号及其对照表选型表.doc
- 格式:doc
- 大小:210.51 KB
- 文档页数:5
摆线针轮减速机型号及其对照表选型表.doc 摆线针轮减速机型号及其对照表选型表3 摆线针轮减速机型号标定法:各系列单级机型号对照表线针轮减速机-型号1、B系列摆线针轮减速机BW脚板式卧装双轴摆线针轮减速机BL法兰式⽴装双轴摆线针轮速机BWY脚板卧装专⽤电动机直联型摆线针轮减速机BLY法兰式⽴装专⽤电动机直联型摆线针轮减速机XW脚板式卧装双轴摆线针轮减速机XL法兰式⽴装双轴摆线针轮减速机XWD脚板式卧装普通电动机直联型摆线针轮减速机XLD法兰式⽴装普通电动机直联型摆线针轮减速机XWD脚板式卧装普通电动机直联型摆线针轮减速机XLY法兰式⽴装专⽤电动机直联型摆线针轮减速机3、8000系列⾏星摆线针轮减速机8000系列XW、XWD型摆线针轮减速机8000系列XL、XLD型摆线针轮减速机8000系列XWE、XWED型摆线针轮减速机8000系列XLE、XLED型摆线针轮减速机4、F8000系列⾏星摆线针轮减速机FWD、FLD、FL、FW、FWED、FLED、FWE、FLE5、Z系列⾏星摆线针轮减速机JB/T2982-1994ZW、ZWD、ZL、ZLD、ZWE、ZWED、ZLE、ZLED、ZWS、ZWSD、ZLS、ZLSD 6 9000系列⾏星摆线针轮减速机9000系列XW、XWD型摆线针轮减速机9000系列XL、XLD型摆线针轮减速机9000系列XWE、XWED型摆线针轮减速机9000系列XLE、XLED型摆线针轮减速机7.台湾传仕600系列摆线针轮减速机THM、THHM、THHHM摆线针轮减速机选型表单级选型表:机型号X1 2 3 4 5 6 7 8 9 10 11 输出转速 r/min (4P/6P)B10A101112131718减速⽐输⼊功率 KW 9 0.750.751.547.511 ----55167/11 111518.52245136/91 17 88/59 2335.51140 60/40 290.551.11518.53752/35 350.55 2.247.543/29 430.371.55.5 7.5 11112235/23 47 0.371.133032/21 59 0.25 0.75 2.2 4 5.57.518.525/17 71-7.52221/14 87 --0.75 1.5 3417/12输⼊转速r/min1500r/min1000双级选型表:机型号X3142538595 106 117输出转速 r/min (4P/6P) B110A 120A 131A 141A 142A 152153 163 174 184减速⽐输⼊功率 KW121(11×11) 0.751.1 1.51.5335.55.5111112.4/8.2187(11×11)0.550.751.147.5 5.58.0/5.3 289(17×17) 0.55 0.751.12.22.2347.55.2/3.5319(29×11) 0.374.7/3.1 473(43×11) 0.250.751.51.52.25.53.2/2.1595(35×17) 0.180.25 0.371.52.2 2.5/1.7731(43×17) 0.551.11.11.11.5442.0/1.3841(29×29) 31.8/1.2 1003(35×35)0.37 0.75 0.751.12.231.5/1.0 1225(35×35) 1.2/0.81505(43×35) 1.51.0/0.671849(45×43)0.8/0.542065(59×35)0.72/0.48 2537(59×43)0.59/0.39 3481(59×59)0.43/0.29 5133(87×59)0.29/0.19 输⼊转速r/min 1500型号对照表:。
“鹤牌”摆线针轮减速机是采用行星式传动原理及摆线针齿啮合的新颖传动机械,广泛应用于纺织印染、轻工食品、冶金矿山、石油化工、环境保护、起重运输及工程机械等各部门传动机械中作驱动装置和减速装置。
1、高速比和高效率
单级减速比为9-87,双级减速比为121-2537,多级串联时传动比可以更大。
由于针齿啮合部位为滚动摩擦,单级传动效率可达90%以上。
2、结构紧凑体积小
由于采用行星传动原理,输入轴和输出轴设计在同一轴线上,体积小、重量轻、装拆方便。
3、运转平稳噪音低
摆线针齿啮合齿数多,重叠系数大以及具有机体平稳的原理使振动和噪声限制在最小程度,能承受过载和冲击。
4、使用可靠寿命长
因主要零件是高碳烙钢经淬火处理(HRC58~62)获得高强度,且部分传动接触采用滚动摩擦,基本无磨损,所以经久耐用、寿命厂。
1、型号
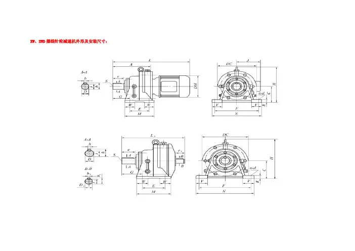
BW摆线针轮减速机为双轴型、卧式安装
BL摆线针轮减速机为双轴型、立式安装
BWY摆线针轮减速机为专用异步电动机直联型、卧式安装BLY摆线针轮减速机为专用异步电动机直联型、立式安装
2、机型号
3、标记示例
BW ——双轴型卧式安装
18 ——针齿中心圆直径为18CM
-29 ——传动比为29
BLY ——专用异步电动机直联型,立式安装
2715 ——针齿中心圆直径低速级27CM,高速级15CM -23*17 ——传动比低速级23,高速级17
-0.75 ——配电机功率为0.75KW
4、动力源配制规定
5、国内摆线针轮减速机对照表。
摆线针轮减速机型号及其对照表选型表3 摆线针轮减速机型号标定法:系列单级机型双级机型X XO X1X2X3X4X5X6X7X8X9X10X11X12X10X20X31X42X53X63X74X84X85X95X106X117B 化工部B1B2B3B4B5B6B7B 一机部B85B100B120B15B18B22B27B33B39B45B2215B2715B3322B3922B4527BJ纺织行BJ2BJ3BJ4BJ5BJ6BJ7BJ8BJ9BJ10BJ42BJ53BJ63BJ74BJ84BJ85BJ95BJ106业B上海B10A B10B11B12B13B14B15B16B131B141B153B163各系列单级机型号对照表各系列单级机型号对照表系列标准机型X天津X2X3X4X5X6X7X8X9X10X11B化工部B0B1B2B3B4B5B6B7B8B机械部B12B15B18B22B27B33B39B45B55线针轮减速机-型号1、B系列摆线针轮减速机BW脚板式卧装双轴摆线针轮减速机BL法兰式立装双轴摆线针轮速机BWY脚板卧装专用电动机直联型摆线针轮减速机BLY法兰式立装专用电动机直联型摆线针轮减速机 BWD脚板式卧装普通电动机直联型摆线针轮减速机 BLD法兰式立装普通电动机直联型摆线针轮减速机2、X系列摆线针轮减速机XW脚板式卧装双轴摆线针轮减速机XL法兰式立装双轴摆线针轮减速机XWD脚板式卧装普通电动机直联型摆线针轮减速机XLD法兰式立装普通电动机直联型摆线针轮减速机XWD脚板式卧装普通电动机直联型摆线针轮减速机XLY法兰式立装专用电动机直联型摆线针轮减速机3、8000系列行星摆线针轮减速机8000系列XW、XWD型摆线针轮减速机8000系列XL、XLD型摆线针轮减速机8000系列XWE、XWED型摆线针轮减速机8000系列XLE、XLED型摆线针轮减速机4、 F8000系列行星摆线针轮减速机FWD、FLD、FL、FW、FWED、FLED、FWE、FLE5、Z系列行星摆线针轮减速机JB/T2982-1994ZW、ZWD、ZL、ZLD、ZWE、ZWED、ZLE、ZLED、ZWS、ZWSD、ZLS、ZLSD6 9000系列行星摆线针轮减速机9000系列XW、XWD型摆线针轮减速机9000系列XL、XLD型摆线针轮减速机9000系列XWE、XWED型摆线针轮减速机9000系列XLE、XLED型摆线针轮减速机7.台湾传仕600系列摆线针轮减速机THM、THHM、THHHM摆线针轮减速机选型表单级选型表:机型号X1 2 3 4 5 6 7 8 9 10 11 输出转速 r/min (4P/6P)B 10A10111213 14 14A 151617 18减速比 输 入 功 率 KW9 0.750.751.547.511 ----55167/11 111518.5 2245136/91 17 88/59 2335.51140 60/40 290.551.11518.5 3752/35 350.55 2.247.515304543/29 430.371.55.5 7.5 11 112235/23 47 0.371.133032/21 59 0.25 0.75 2.2 4 5.57.518.525/17 71-7.52221/14 87 --0.75 1.5 3 417/12输入转速r/min1500r/min1000双级选型表:机型号 X31425363748485 95 106 117 输出转速r/min (4P/6P) B 110A 120A 131A 141A 142A 152 153 163 174 184减速比 输 入 功 率 KW121(11×11) 0.75 1.1 1.51.5335.55.5111112.4/8.2187(11×11)0.550.75 1.147.5 5.5 8.0/5.3 289(17×17) 0.55 0.751.12.2 2.2347.5 5.2/3.5 319(29×11) 0.370.37 0.55 34.7/3.1 473(43×11) 0.250.75 1.5 1.52.25.53.2/2.1595(35×17) 0.180.25 0.371.52.2 2.5/1.7731(43×17) 0.55 1.1 1.11.11.5442.0/1.3841(29×29) 31.8/1.2 1003(35×35)0.37 0.75 0.751.12.231.5/1.0 1225(35×35) 1.2/0.8 1505(43×35) 1.51.0/0.671849(45×43) 0.8/0.542065(59×35) 0.72/0.48 2537(59×43)0.59/0.39输入转速r/min 1500(注:文档可能无法思考全面,请浏览后下载,供参考。
摆线针轮减速机的原理、主要特点和结构及选型参数摆线针轮减速机是一种采用K-H-V少齿差行星传动原理的新颖传动装置。
广泛应用于纺织印染、轻工食品、冶金矿山、石油化工、起重运输及工程机械等领域中的驱动和减速装置。
(参见下图:太阳轮(针齿轮)Zz与行星轮(摆线轮)ZB的齿数差为1,即Zz-Zb=1)本厂生产的摆线针轮减速机质量优良、性能可靠、规格齐全、价格合理。
其传动过程如下:行星摆线针轮减速机全部传动装置可分为三部分:输入部分、减速部分、输出部分。
在输入轴上装有一个错位180°的双偏心套,在偏心套上装有两个滚柱轴承,形成H机构,两个摆线轮的中心孔即为偏心套上转臂轴承的滚道,并由摆线轮与针齿轮上一组环形排列的针齿轮相啮合,以组成少齿差内啮合减速机构,(为了减少摩擦,在速比小的减速机中,针齿上带有针齿套)。
当输入轴带着偏心套转动一周时,由于摆线轮上齿廊曲线的特点及其受针齿轮上针齿限制之故,摆线轮的运动成为即有公转又有自转的平面运动,在输入轴正转一周时,偏心套亦转动一周,摆线轮于相反方向上转过一个齿差从而得到减速,再借助W输出机构,将摆线轮的低速自转运动通过销轴,传递给输出轴,从而获得较低的输出转速。
摆线针轮减速机装配图脱硫新风换气机除尘器不锈钢水箱特种气体水箱二氧化碳主要特点⊙ 高速比和高效率高级传动,就能达到1:87的减速比,效率在90%以上,如果采用多级传动,减速比更大。
⊙ 结构紧凑体积小由于采用了行星传动原理,输入轴与输入轴在同一轴心上,所以结构紧凑,体积小。
⊙ 运转平稳噪声低摆线针齿啮合齿数较多,重叠系数大以及具有机件平稳的机理,使振动和噪声限制在最小程度。
⊙ 使用可靠、寿命长因主要零件采用轴承钢,经淬火处理(HRC58-62)获得高强度,并且部门传动接触采用了滚动摩擦,所以经久耐用寿命长。
⊙ 设计合理,维修方便,容易分解安装,最小零件个数以及简单的润滑,使摆线针轮减速机深受用户的信赖。
摆线针轮减速机型号表示及其详细性能介绍一、前言“星球牌”摆线针轮减速机是采用K-H-V少齿差行星式传动原理及摆线针齿啮合的新颖传动机构,广泛应用于各种传动机械中的减速机械,如“纺织印染、轻工食品、冶金矿山、石油化工、起重运输及工程机械等领域中的驱动和减速装置。
本厂生产的摆线针轮减速机质量优良、性能可靠、规格齐全、价格合理,荣获了机械工业部和江苏省优质产品称号。
二、结构原理行星摆线针轮减速机全部传装置可分为三部分:输入部分、减速部分、输出部分。
在输入轴上装有一个错位180°的双偏心套,在偏心套上装有两个称为转臂的滚柱轴承,形成H机构、两个摆线轮的中心孔即为偏心套上转臂轴承的滚道,并由摆线轮与针齿轮上一组环形排列的针齿相啮合,以组成齿差为一齿的内啮合减速机械,(为了减小摩擦,在速比小的减速机中,针齿上带有针齿套)。
当输入轴带着偏心转动一周时,由于摆线轮上齿廓曲线的特点及其受针齿轮上针齿之故,摆线轮的运动成为既有公转又有自转的平面运动,在输入轴正转一周时,偏心套亦转动一周,摆线轮于相反方向上转过一个齿从而得到减速,再借助W输出机械,将摆线轮的低速自转运动通过销轴,传递给输出轴,从而获得较低的输出转速。
三、特点·高速比和高效率单级传动,就能达到1:87的减速比,效率在90%以上,如果采用多级传动。
减速比更大。
·结构紧凑体积小由于采用了行星传动原理,输入轴与输出轴在同一轴心线上,使机型获得尽可能小的尺寸。
·运转平稳噪声低摆线针齿啮合齿数较多,重叠系数大以及具有机件平衡的机理,使振动和嗓声限制在最小程序。
·使用可靠、寿命长因主要零件采用高碳铬钢材料,经淬火处理(HRC58-62)获得高强度,并且,部分传动接触采用了滚动磨擦,所以经久耐用寿命长。
·设计合理,维修方便,容易分解安装,最小零件个数及简单的润滑,使摆线针轮减速机深受用户的信赖。
四、型号 1.B系列摆线针轮减速机BW脚板式卧装双轴型摆线针轮减速机BL法兰式立装双轴型摆线针轮减速机BWY脚板式卧装专用电动机直联型摆线针轮减速机BLY法兰式立装专用电动机直联型摆线针轮减速机BWD脚板式卧装普通电动机直联型摆线针轮减速机BLD法兰式立装普通电动机直联型摆线针轮减速机 2.X系列摆线针轮减速机XW脚板式卧装双轴型摆线针轮减速机XL法兰式立装双轴型摆线针轮减速机XWD脚板式卧装普通电动机直联型摆线针轮减速机XLD法兰式立装普通电动机直联型摆线针轮减速机XWY脚板式卧装专用电动机直联型摆线针轮减速机XLY法兰式立装专用电动机直联型摆线针轮减速减速机系列X系列型号对照B系列×1×2×3×4×5×6×7×8×9×10×11×12B09BB1B2B3B4B5B6B7B8B B12B15B18B22B27B33B39B45B55B65B B B B B B B B B B120 150 180 220 270 330 390 450 550 650六、型号表示方法说明:(1)在双级减速机中各级传动比的组合,以高速端为传动比小的一端,低速端为传动比大的一端。
摆线针轮减速机型号及其对照表选型表3 摆线针轮减速机型号标定法:系列单级机型双级机型X XO X1 X2 X3 X4 X5 X6 X7 X8 X9 X10 X11 X12 X10 X20 X31 X42 X53 X63 X74 X84 X85 X95 X106 X117B 化工部B1 B2 B3 B4 B5 B6 B7B 一机部 B85 B100 B120 B15 B18 B22 B27 B33 B39 B45 B2215 B2715 B3322 B3922 B4527BJ纺织行BJ2 BJ3 BJ4 BJ5 BJ6 BJ7 BJ8 BJ9 BJ10 BJ42 BJ53 BJ63 BJ74 BJ84 BJ85 BJ95 BJ106 业B上海B10A B10 B11 B12 B13 B14 B15 B16 B131 B141 B153 B163各系列单级机型号对照表各系列单级机型号对照表系列标机型准X天津 X2 X3 X4 X5 X6 X7 X8 X9 X10 X11B化工B0 B1 B2 B3 B4 B5 B6 B7 B8部B机械B12 B15 B18 B22 B27 B33 B39 B45 B55线针轮减速机-型号1、B系列摆线针轮减速机BW脚板式卧装双轴摆线针轮减速机BL法兰式立装双轴摆线针轮速机BWY脚板卧装专用电动机直联型摆线针轮减速机BLY法兰式立装专用电动机直联型摆线针轮减速机BWD脚板式卧装普通电动机直联型摆线针轮减速机BLD法兰式立装普通电动机直联型摆线针轮减速机2、X系列摆线针轮减速机XW脚板式卧装双轴摆线针轮减速机XL法兰式立装双轴摆线针轮减速机XWD脚板式卧装普通电动机直联型摆线针轮减速机XLD法兰式立装普通电动机直联型摆线针轮减速机XWD脚板式卧装普通电动机直联型摆线针轮减速机XLY法兰式立装专用电动机直联型摆线针轮减速机3、8000系列行星摆线针轮减速机8000系列XW、XWD型摆线针轮减速机8000系列XL、XLD型摆线针轮减速机8000系列XWE、XWED型摆线针轮减速机8000系列XLE、XLED型摆线针轮减速机4、F8000系列行星摆线针轮减速机FWD、FLD、FL、FW、FWED、FLED、FWE、FLE5、Z系列行星摆线针轮减速机JB/T2982-1994ZW、ZWD、ZL、ZLD、ZWE、ZWED、ZLE、ZLED、ZWS、ZWSD、ZLS、ZLSD6 9000系列行星摆线针轮减速机9000系列XW、XWD型摆线针轮减速机9000系列XL、XLD型摆线针轮减速机9000系列XWE、XWED型摆线针轮减速机9000系列XLE、XLED型摆线针轮减速机7.台湾传仕600系列摆线针轮减速机THM、THHM、THHHM摆线针轮减速机选型表单级选型表:机型号X1 2 3 4 5 6 7 8 9 10 11 输出转速 r/min (4P/6P)B10A1011121314 14A15161718减速比 输 入 功 率 KW9 0.750.751.547.511 ----55167/11 111518.52245136/91 17 88/59 2335.51140 60/40 290.551.11518.53752/35 350.55 2.247.515304543/29 430.371.55.5 7.5 11112235/23 47 0.371.133032/21 59 0.25 0.75 2.24 5.57.518.525/17 71-7.52221/14 87 --0.75 1.5 3417/12输入转速r/min1500r/min1000双级选型表:机型号X3142536374848595 106 117输出转速 r/min (4P/6P) B110A 120A 131A 141A 142A152153 163 174 184减速比 输 入 功 率 KW121(11×11) 0.751.1 1.51.5335.55.5111112.4/8.2187(11×11)0.550.751.147.5 5.58.0/5.3 289(17×17) 0.55 0.751.12.22.2347.55.2/3.5319(29×11) 0.370.37 0.5534.7/3.1 473(43×11) 0.250.751.51.52.25.53.2/2.1595(35×17) 0.180.25 0.371.52.2 2.5/1.7731(43×17) 0.551.11.11.11.5442.0/1.3841(29×29) 31.8/1.2 1003(35×35)0.37 0.75 0.751.12.231.5/1.0 1225(35×35) 1.2/0.81505(43×35) 1.51.0/0.671849(45×43)0.8/0.542065(59×35)0.72/0.48 2537(59×43)0.59/0.39 3481(59×59)0.43/0.29 5133(87×59)0.29/0.19 输入转速r/min 1500型号对照表:。
X、B摆线针轮减速机一、摆线针轮减速机的使用范围:X、B系列摆线减速机是依照少齿差行星传动原理,摆线针齿啮合实现减速的一种机械。
该机分卧式、立式、双轴型和直联型等装配方式,是冶金、矿山、建筑、化工、纺织、轻工业等行业的首选设备。
二、摆线针轮减速机的主要特点:1、减速比大,效率高:一级传动减速比为9~87,双级传动减速比为121~5133,多级组合可达数万,且针齿啮合系套式滚动摩擦,啮合表面无相对滑动,故一级减速效率达94%。
2、运转平稳,噪音低:在运转中同时接触的齿对数多,重合度大,运转平稳,过载能力强,振动和噪音低,各种规格的机型噪音小。
3、使用可靠,寿命长:因主要零件是采用高碳合金钢淬火处理(HRC58-62),再精磨而成,且摆线齿与针齿套啮合传递至针齿形成滚动磨擦付,磨擦系数小,使啮合区无相对滑动,磨损极小,所以经久耐用。
4、结构紧凑,体积小:与同功率的其它减速机相比,重量体积小1/3以上,由于是行星传动,输入轴和输出轴在同一轴线上,以获得尽可能小的尺寸。
三、技术参数:功率:0.37KW~55KW转矩:150N·m~20000N·m传动比:单级:9-87双级:121-7569三级:2057-658503各系列单级机型号对照表系列标准机型X天津X2 X3 X4 X5 X6 X7 X8 X9 X10 X11 B化工部 B0 B1 B2 B3 B4 B5 B6 B7 B8 B机械部 B12 B15 B18 B22 B27 B33 B39 B45 B55 JXJ江门JXJ0 JXJ1 JXJ2 JXJ3 JXJ4 JXJ5 JXJ6 JXJ7 JXJ8 BJ纺织BJ2 BJ3 BJ4 BJ5 BJ6 BJ7B上海B10 B11A/B11B12/B12BB13/B13BB14 B14A B15B16/B16BB17 B18 各系列双级机型号对照表系列标准机型X天津X32 X42 X53 X63 X74 X84 X85 X95 X106 X117 B化工部 B10 B20 B31 B41 B52 B53 B63 B74 B85B机械部 B1512 B1812 B2215 B2715 B3318 B3322 B3922 B4527 B5527 JXJ江门JXJE10 J XJE20 JXJE41 JXJE42 JXJE52 J XJE53 J XJE63 JXJE74 J XJE85 BJ纺织BJ42 BJ53 BJ63 BJ74 BJ84B上海B110A B120A B131A B142A B142AB152 B153 B163 B173 B184A一、X、B摆线减速机概述、工作原理和结构、选型方法二、X、B摆线针轮减速机型号表示方法、安装形式、输出许用扭矩表三、X、B系列单、双级摆线减速机型号规格选型表四、X、B摆线针轮减速机单级卧式减速机外形安装尺寸五、X、B摆线针轮减速机双级卧式减速机外形安装尺THANKS !!!致力为企业和个人提供合同协议,策划案计划书,学习课件等等打造全网一站式需求欢迎您的下载,资料仅供参考。
目录1 加热炉设计条件及基本参数 41.1. 加热炉基本参数 41.1.1. 加热炉形式、数量 41.1.2. 燃料及其发热量 41.1.3. 钢坯加热温度 41.1.4. 加热加热质量要求 41.1.5. 加热炉单耗 41.1.6. 加热能力 41.1.7. 装出炉方式 41.1.8. 冷却方式 41.1.9. 加热炉控制水平 41.2. 公用设施条件 42 加热炉工艺过程简述、平面布置及土建8 2.1. 工艺过程简述82.2. 加热炉区域平面布置102.3. 加热炉区土建103 加热炉设备及设施123.1. 炉型结构123.2. 加热炉的主要结构尺寸123.3. 炉体钢结构123.3.1. 炉底钢结构123.3.2. 侧墙钢结构123.3.3. 端墙钢结构123.3.4. 炉顶钢结构133.3.5. 平台、走廊、楼梯、栏杆133.4. 加热炉砌体结构133.4.1. 加热炉不同部位耐火材料选用结构13 3.4.2. 选用耐火材料的主要性能:143.5. 支撑梁及垫块163.6. 水封槽及刮渣机构173.7. 炉门及观察孔173.7.1. 装料门173.7.2. 出料门173.7.3. 检修门183.7.4. 排渣管183.8. 加热炉燃烧系统183.8.1. 供热能力配置及烧嘴型式183.8.2. 蓄热体193.8.3. 换向系统203.8.4. 助燃空气系统203.8.5. 天然气系统213.8.6. 排烟系统223.8.7. 氮气吹扫及放散系统223.8.8. 压缩空气系统233.8.9. 点火烘炉系统233.9. 水冷系统234 加热炉汽化冷却系统244.1. 循环系统特性与组成244.1.1. 特点244.1.2. 系统参数244.1.3. 系统组成254.2. 主要设备274.3. 设备布置294.4. 热力管道294.5. 汽化冷却系统检测、控制项目295 加热炉区机械设备315.1. 装料悬臂辊道315.2. 出料悬臂辊道315.3. 缓冲挡板325.4. 装料推钢机325.5. 炉底步进机械335.6. 液压系统365.7. 干油集中润滑系统416 加热炉一级自动化系统426.1. 概述426.2. 自动化控制系统的结构设计426.3. 加热炉仪表控制系统436.3.1. 炉温控制436.3.2. 煤气总管压力控制456.3.3. 空气总管压力控制456.3.4. 炉膛压力的调节466.3.5. 蓄热换向控制466.3.6. 水封槽液位测量476.3.7. 仪控安全保护系统设计476.3.8. 设备故障处理对策486.3.9. 报警等级一览表486.3.10. 仪表检测与控制项目496.4. 汽化冷却控制系统506.4.1. 主要检测项目506.4.2. 汽化冷却仪表控制系统功能50 6.4.3. 汽化冷却电气控制系统526.5. 加热炉区传动及供电526.5.1. 电气设备的适用规526.5.2. 技术条件526.5.3. 低压供电系统536.5.4. 操作设备546.5.5. 低压配电系统的保护556.5.6. 防雷接地与工作接地556.5.7. 炉区检修电源556.5.8. 主要设备选择556.6. 加热炉电气基础自动化556.6.1. 装料部分566.6.2. 炉运动部分566.6.3. 出料部分576.6.4. 加热炉其它电气控制586.6.5. 一座加热炉本体现场传感器表586.7. 操作站画面设置586.7.1. 流程图监控功能586.7.2. 实时趋势监视功能606.7.3. 参数操作、调整功能606.7.4. 报警管理功能606.7.5. 历史数据管理功能606.7.6. 报表功能616.7.7. 操作等级功能617 节能、环保、安全措施627.1. 节能措施627.2. 环保措施627.3. 安全措施637.4. 防护安全措施638 加热炉技术性能表651 加热炉设计条件及基本参数1.1. 加热炉基本参数1.1.1. 加热炉形式、数量一座步进梁式、空气单蓄热式连续加热炉。
摆线针轮减速机型号表摆线针轮减速机是一种常见的传动装置,广泛应用于各种机械设备中。
在工业领域,摆线针轮减速机被广泛应用于机床、起重设备、输送设备等各种工程机械中。
它的主要作用是减速并传递动力,使得机械设备能够以适当的速度和扭矩运转。
摆线针轮减速机的工作原理是利用摆线针轮传动的原理实现减速。
它由一个摆线针轮和一个针轮组成,通过它们的齿轮啮合来传递动力。
摆线针轮减速机具有结构简单、传动效率高、扭矩传递稳定等特点,因此被广泛应用。
在选择摆线针轮减速机型号时,我们需要根据具体的使用要求和设备参数来进行评估。
下面是一个摆线针轮减速机型号表,供大家参考:型号额定扭矩(N.m) 额定输出转速(r/min) 额定功率(kW) 传动比重量(kg)--------------------------------------------------------XYZ-100 1000 1500 1.5 10:1 35XYZ-200 2000 1200 2.2 15:1 45XYZ-300 3000 1000 3.0 20:1 55--------------------------------------------------------在选择摆线针轮减速机型号时,我们首先需要确定所需的额定扭矩和额定输出转速。
额定扭矩是指摆线针轮减速机能够传递的最大扭矩,而额定输出转速是指摆线针轮减速机输出轴的旋转速度。
根据设备的工作要求和负荷条件,我们可以选择合适的型号。
另外,我们还需要考虑摆线针轮减速机的额定功率和传动比。
额定功率是指摆线针轮减速机能够传递的最大功率,传动比是指摆线针轮减速机输入轴和输出轴的转速比。
根据设备的功率需求和工作条件,我们可以选择适当的型号。
除了上述参数外,摆线针轮减速机的重量也是一个需要考虑的因素。
较大的型号通常具有更高的承载能力,但也会增加设备的重量。
在选择型号时,我们需要综合考虑设备的空间限制和承载能力要求。
摆线针轮减速机的型号:
1)B系列摆线针轮减速机
BW脚板式卧装双轴摆线针轮减速机BL法兰式立装双轴摆线针轮速机
BWY脚板卧装专用电动机直联型摆线针轮减速机BLY法兰式立装专用电动机直联型摆线针轮减速机BWD脚板式卧装普通电动机直联型摆线针轮减速机BLD法兰式立装普通电动机直联型摆线针轮减速机
2)X系列摆线针轮减速机
XW脚板式卧装双轴摆线针轮减速机XL法兰式立装双轴摆线针轮减速机
XWD脚板式卧装普通电动机直联型摆线针轮减速机XLD法兰式立装普通电动机直联型摆线针轮减速机XWD脚板式卧装普通电动机直联型摆线针轮减速机XLY法兰式立装专用电动机直联型摆线针轮减速机
3)8000系列行星摆线针轮减速机8000系列XW、XWD型摆线针轮减速机8000系列XL、XLD型摆线针轮减速机8000系列XWE、XWED型摆线针轮减速机8000系列XLE、XLED型摆线针轮减速机。
QW系列轻型摆线针轮减速机
简介
轻型系列(铝合金系列)行星摆线针轮减速机,是在原行星摆线针轮减速机基础上为适应轻工行业需要研制开发的,适用于食品机械、印刷机械、纺织机械、橡胶机械、制药机械、陶瓷机械、各种工业流水线等。
其特点重量更轻。
全部机型均采用润滑脂润滑免维护,可根据用户需要任何方向安装(订货需注明)。
其减速比单级5-121,双级121-5959。
QW轻型行星摆线针轮减速机标记示例
型号表示方法
QW单级轻型行星摆线针轮减速机型号规格及选型表
双级减速机型号规格及选型表
注:粗线下的T2输出转矩数值(N·m)大于该机型的许用转矩,请您设安全装置。
减速机低速轴许用转矩极限值T2与最大许用径向力极限值P r2
表内许用径向力P r2(N)值是指在低速轴轴伸中点上的计算值。
当径向力作用在轴伸中点以外时,请接洽。
QW单级卧式轻型摆线针轮减速机外形及安装尺寸
单级卧式安装尺寸表
减速机常用电机及电机外形尺寸一览表
QW型单级立式行星摆线针轮减速机外形及安装尺寸
单级立式安装尺寸表
减速机常用电机及电机外形尺寸一览表
QW双级卧式轻型行星摆线针轮减速机外形及安装尺寸
双级卧式安装尺寸表
减速机常用电机及电机外形尺寸一览表
QW双级立式轻型行星摆线针轮减速机外形及安装尺寸
双级立式安装尺寸表
减速机常用电机及电机外形尺寸一览表。
•摆线针轮减速机系列型号对照表及表示法一、摆线针轮减速机结构型号表示法:1、B系列摆线针轮减速机BW脚板式卧装双轴型BL法兰式立装双轴型BWY脚板式卧装专用电动机直联型BLY法兰式立装专用电动机直联型BWD脚板式卧装普通电动机直联型BLD法兰式立装普通电动机直联型BWED双级脚板式卧装普通电动机直联型BLED双级法兰式立装专用电动机直联型等系列摆线针轮减速机2、X系列摆线针轮减速机XW脚板式卧装双轴型XL法兰式立装双轴型XWY脚板式卧装专用电动机直联型XLY法兰式立装专用电动机直联型XWD脚板式卧装普通电动机直联型XLD法兰式立装普通电动机直联型XWED双级脚板式卧装普通电动机直联型XLED双级法兰式立装普通电动机直联型等系列摆线针轮减速机二、摆线针轮减速机的型号及种类:B系列单级机型有:0 1 2 3 4 5 6 7 8 9 120 150 180 220 270 330 390 450 550650 12 15 18 22 27 33 39 45 55 65X系列单级机型有:X2 X3 X4 X5 X6 X7 X8 X9 X10 X11其减速比有:7 9 11 13 15 17 19 21 23 25 27 29 35 39 43 47 59 71 87 双级机型有:10 20 21 30 31 41 42 53 63 74 84 85 95 106 1512 1812 2212 2215 2715 2718 3318 3322 3922 4527 5533其减速比有:121 187 289 385 473 595 731 841 1003 1225 1505 1849 20652537 3481 5133 7569常州市武英减速机械有限公司友情供稿。
最新文件---------------- 仅供参考--------------------已改成-----------word文本 --------------------- 方便更改赠人玫瑰,手留余香。
摆线针轮减速机型号和选型上海耐坚减速机摆线针轮减速机的型号1)B系列摆线针轮减速机BW脚板式卧装双轴摆线针轮减速机BL法兰式立装双轴摆线针轮速机BWY脚板卧装专用电动机直联型摆线针轮减速机BLY法兰式立装专用电动机直联型摆线针轮减速机BWD脚板式卧装普通电动机直联型摆线针轮减速机BLD法兰式立装普通电动机直联型摆线针轮减速机2)X系列摆线针轮减速机XW脚板式卧装双轴摆线针轮减速机XL法兰式立装双轴摆线针轮减速机XWD脚板式卧装普通电动机直联型摆线针轮减速机XLD法兰式立装普通电动机直联型摆线针轮减速机XWD脚板式卧装普通电动机直联型摆线针轮减速机XLY法兰式立装专用电动机直联型摆线针轮减速机3) 8000系列行星摆线针轮减速机8000系列XW、XWD型摆线针轮减速机8000系列XL、XLD型摆线针轮减速机8000系列XWE、XWED型摆线针轮减速机8000系列XLE、XLED型摆线针轮减速机4 )F8000系列行星摆线针轮减速机FWD、FLD、FL、FW、FWED、FLED、FWE、FLE5 )Z系列行星摆线针轮减速机JB/T2982-1994ZW、ZWD、ZL、ZLD、ZWE、ZWED、ZLE、ZLED、ZWS、ZWSD、 ZLS、ZLSD6 )9000系列行星摆线针轮减速机9000系列XW、XWD型摆线针轮减速机9000系列XL、XLD型摆线针轮减速机9000系列XWE、XWED型摆线针轮减速机9000系列XLE、XLED型摆线针轮减速机摆线针轮减速机选型参数:最新文件---------------- 仅供参考--------------------已改成-----------word文本 --------------------- 方便更改赠人玫瑰,手留余香。
目录1 加热炉设计条件及基本参数 41.1. 加热炉基本参数 41.1.1. 加热炉形式、数量 41.1.2. 燃料及其发热量 41.1.3. 钢坯加热温度 41.1.4. 加热加热质量要求 41.1.5. 加热炉单耗 41.1.6. 加热能力 41.1.7. 装出炉方式 41.1.8. 冷却方式 41.1.9. 加热炉控制水平 41.2. 公用设施条件 42 加热炉工艺过程简述、平面布置及土建8 2.1. 工艺过程简述82.2. 加热炉区域平面布置102.3. 加热炉区土建103 加热炉设备及设施123.1. 炉型结构123.2. 加热炉的主要结构尺寸123.3. 炉体钢结构123.3.1. 炉底钢结构123.3.2. 侧墙钢结构123.3.3. 端墙钢结构123.3.4. 炉顶钢结构133.3.5. 平台、走廊、楼梯、栏杆133.4. 加热炉砌体结构133.4.1. 加热炉不同部位耐火材料选用结构13 3.4.2. 选用耐火材料的主要性能:143.5. 支撑梁及垫块163.6. 水封槽及刮渣机构173.7. 炉门及观察孔173.7.1. 装料门173.7.2. 出料门173.7.3. 检修门183.7.4. 排渣管183.8. 加热炉燃烧系统183.8.1. 供热能力配置及烧嘴型式183.8.2. 蓄热体193.8.3. 换向系统203.8.4. 助燃空气系统203.8.5. 天然气系统213.8.6. 排烟系统223.8.7. 氮气吹扫及放散系统223.8.8. 压缩空气系统233.8.9. 点火烘炉系统233.9. 水冷系统234 加热炉汽化冷却系统244.1. 循环系统特性与组成244.1.1. 特点244.1.2. 系统参数244.1.3. 系统组成254.2. 主要设备274.3. 设备布置294.4. 热力管道294.5. 汽化冷却系统检测、控制项目295 加热炉区机械设备315.1. 装料悬臂辊道315.2. 出料悬臂辊道315.3. 缓冲挡板325.4. 装料推钢机325.5. 炉底步进机械335.6. 液压系统365.7. 干油集中润滑系统416 加热炉一级自动化系统426.1. 概述426.2. 自动化控制系统的结构设计426.3. 加热炉仪表控制系统436.3.1. 炉温控制436.3.2. 煤气总管压力控制456.3.3. 空气总管压力控制456.3.4. 炉膛压力的调节466.3.5. 蓄热换向控制466.3.6. 水封槽液位测量476.3.7. 仪控安全保护系统设计476.3.8. 设备故障处理对策486.3.9. 报警等级一览表486.3.10. 仪表检测与控制项目496.4. 汽化冷却控制系统506.4.1. 主要检测项目506.4.2. 汽化冷却仪表控制系统功能50 6.4.3. 汽化冷却电气控制系统526.5. 加热炉区传动及供电526.5.1. 电气设备的适用规范526.5.2. 技术条件526.5.3. 低压供电系统536.5.4. 操作设备546.5.5. 低压配电系统的保护556.5.6. 防雷接地与工作接地556.5.7. 炉区检修电源556.5.8. 主要设备选择556.6. 加热炉电气基础自动化556.6.1. 装料部分566.6.2. 炉内运动部分566.6.3. 出料部分576.6.4. 加热炉其它电气控制586.6.5. 一座加热炉本体现场传感器表586.7. 操作站画面设置586.7.1. 流程图监控功能586.7.2. 实时趋势监视功能606.7.3. 参数操作、调整功能606.7.4. 报警管理功能606.7.5. 历史数据管理功能606.7.6. 报表功能616.7.7. 操作等级功能617 节能、环保、安全措施627.1. 节能措施627.2. 环保措施627.3. 安全措施637.4. 防护安全措施638 加热炉技术性能表651 加热炉设计条件及基本参数1.1. 加热炉基本参数1.1.1. 加热炉形式、数量一座步进梁式、空气单蓄热式连续加热炉。
ZB 变幅摆线齿轮减速机变幅摆线齿轮减速机型号标记及替代型号对照表型号 标 记1减速机代号ZB —表示变幅摆线齿轮减速机2 机 座 代 号 W —表示卧式机座,包括ZBW 、ZBWD 型 L —表示立式机座,包括ZBL 、ZBLD 型3 带电机型代号 D —表示带电机型,双轴型省略4 机 座 号 0、1、2、3、4、5、6、7、8、9、10、11、125 传 动 比 6.5—100006输入功率25W —370W ,0.55kW —75kW替 代 型 号 对 照 表变幅摆线齿轮减速机摆线针轮减速机JB/T2982—94 天津标准原机械部标准 上海标准 ZBWZBL单级双级三级单级双级单级双级XW XL XWE XLE XWS XLS BW BL BWE BLE BW BL BW BL1 1 102 2 1210 3 315 1512 114 4 42 42018 1815 12 120 5 5 53 22 2218 13 131 6 6 63272718 14 142 7 7 74 7428 8 85 853 33 3322 15 153 9 9 95 953 39 3922 16 163 10 10 106 1063 45 4527 17 174 11 11 117 1174 55 5527 18 185 1212128128565653319196变幅摆线齿轮减速机传动比计算变幅摆线齿轮减速机传动原理及性能特点传动原理该机采用新型变幅摆线少齿差行星传动原理,将两级内啮合齿轮副齿形设计为互为全包络的变幅摆线等距曲线,实现了由摆线齿轮传动替代摆线针轮传动的重大突破。
其传动原理为:Z1与Z2构成高速级齿轮副,替代“针齿轮副”传动减速;Z3与Z4构成低速级齿轮副,替代“柱销式输出机构”传动减速;当传动比i=6.5-87时,Z1与Z4构成双联行星齿轮,替代摆线针轮减速机单级单台传动减速;当传动比i=121-10000时,Z1与Z3构成双联行星齿轮,替代摆线针轮减速机两级两台或三级三台传动减速,系一种优质节能型高性价比齿轮减速机。
摆线针轮减速机型号及其对照表选型表
3 摆线针轮减速机型号标定法:
系列单级机型双级机型
X XO X1 X2 X3 X4 X5 X6 X7 X8 X9 X10 X11 X12 X10 X20 X31 X42 X53 X63 X74 X84 X85 X95 X106 X117
B 化工部B1 B2 B3 B4 B5 B6 B7
B 一机部 B85 B100 B120 B15 B18 B22 B27 B33 B39 B45 B2215 B2715 B3322 B3922 B4527
BJ纺织行
BJ2 BJ3 BJ4 BJ5 BJ6 BJ7 BJ8 BJ9 BJ10 BJ42 BJ53 BJ63 BJ74 BJ84 BJ85 BJ95 BJ106 业
B上海B10A B10 B11 B12 B13 B14 B15 B16 B131 B141 B153 B163
各系列单级机型号对照表
各系列单级机型号对照表
系列标
机型
准
X天津 X2 X3 X4 X5 X6 X7 X8 X9 X10 X11
B化工
B0 B1 B2 B3 B4 B5 B6 B7 B8
部
B机械B12 B15 B18 B22 B27 B33 B39 B45 B55
线针轮减速机-型号
1、B系列摆线针轮减速机
BW脚板式卧装双轴摆线针轮减速机
BL法兰式立装双轴摆线针轮速机
BWY脚板卧装专用电动机直联型摆线针轮减速机
BLY法兰式立装专用电动机直联型摆线针轮减速机
BWD脚板式卧装普通电动机直联型摆线针轮减速机BLD法兰式立装普通电动机直联型摆线针轮减速机2、X系列摆线针轮减速机
XW脚板式卧装双轴摆线针轮减速机
XL法兰式立装双轴摆线针轮减速机
XWD脚板式卧装普通电动机直联型摆线针轮减速机
XLD法兰式立装普通电动机直联型摆线针轮减速机
XWD脚板式卧装普通电动机直联型摆线针轮减速机
XLY法兰式立装专用电动机直联型摆线针轮减速机
3、8000系列行星摆线针轮减速机
8000系列XW、XWD型摆线针轮减速机
8000系列XL、XLD型摆线针轮减速机
8000系列XWE、XWED型摆线针轮减速机
8000系列XLE、XLED型摆线针轮减速机
4、F8000系列行星摆线针轮减速机
FWD、FLD、FL、FW、FWED、FLED、FWE、FLE
5、Z系列行星摆线针轮减速机JB/T2982-1994
ZW、ZWD、ZL、ZLD、ZWE、ZWED、ZLE、ZLED、ZWS、ZWSD、ZLS、ZLSD
6 9000系列行星摆线针轮减速机
9000系列XW、XWD型摆线针轮减速机
9000系列XL、XLD型摆线针轮减速机
9000系列XWE、XWED型摆线针轮减速机
9000系列XLE、XLED型摆线针轮减速机
7.台湾传仕600系列摆线针轮减速机
THM、THHM、THHHM
摆线针轮减速机选型表
单级选型表:
机型号
X
1 2 3 4 5 6 7 8 9 10 11 输出转速 r/min (4P/6P)
B
10A
10
11
12
13
14 14A
15
16
17
18
减速比 输 入 功 率 KW
9 0.75
0.75
1.5
4
7.5
11 -
-
-
-
55
167/11 11
15
18.5
22
45
136/91 17 88/59 23
3
5.5
11
40 60/40 29
0.55
1.1
15
18.5
37
52/35 35
0.55 2.2
4
7.5
15
30
45
43/29 43
0.37
1.5
5.5 7.5 11
11
22
35/23 47 0.37
1.1
3
30
32/21 59 0.25 0.75 2.2
4 5.5
7.5
18.5
25/17 71
-
7.5
22
21/14 87 -
-
0.75 1.5 3
4
17/12
输入转速r/min
1500r/min
1000
双级选型表:
机型号
X
31
42
53
63
74
84
85
95 106 117
输出转速 r/min (4P/6P) B
110A 120A 131A 141A 142A
152
153 163 174 184
减速比 输 入 功 率 KW
121(11×11) 0.75
1.1 1.5
1.5
3
3
5.5
5.5
11
11
12.4/8.2
187(11×11)
0.55
0.75
1.1
4
7.5 5.5
8.0/5.3 289(17×17) 0.55 0.75
1.1
2.2
2.2
3
4
7.5
5.2/3.5
319(29×11) 0.37
0.37 0.55
3
4.7/3.1 473(43×11) 0.25
0.75
1.5
1.5
2.2
5.5
3.2/2.1
595(35×17) 0.18
0.25 0.37
1.5
2.2 2.5/1.7
731(43×17) 0.55
1.1
1.1
1.1
1.5
4
4
2.0/1.3
841(29×29) 3
1.8/1.2 1003(35×35)
0.37 0.75 0.75
1.1
2.2
3
1.5/1.0 1225(35×35) 1.2/0.8
1505(43×35) 1.5
1.0/0.67
1849(45×43)
0.8/0.54
2065(59×35)0.72/0.48 2537(59×43)0.59/0.39 3481(59×59)0.43/0.29 5133(87×59)0.29/0.19 输入转速r/min 1500
型号对照表:。